Vario-System
Drossel-Berechnungsprogramm
Benutzhandbuch
DROSSEL-BERECHNUNGS-
PROGRAMM
BENUTZERHANDBUCH
VERSION 2.0
Technische Änderungen und Irrtümer vorbehalten.
2
VARIO-Lüftungssystem Wohnungslüftung mit System
Inhalt
Allgemeine Informationen
1. Einleitung 3
2. Verwendete Symbole 3
3. Referenz-Verteilsysteme 3
Luftmengendrossel
4. Luftmengendrosseln 8
4.1. Luftmengendrosseln (Drosseln) und deren Einstellungen 8
4.2. Position der Luftmengendrosseln 10
Programmbeschreibung
5. Programmbeschreibung 11
5.1. Eingabe der Projektdaten 11
5.2 Auswahl der Luftverteilung und der Verteiler 11
6. Eingabe der Leitungsparameter 12
6.1 Hauptleitungen 12
6.2 Sammelleitungen 12
6.3 Haupt- und Unterverteiler 13
6.4 Verteilleitungen 14
Berechnungsablauf
7. Berechnungsablauf 15
Berechnungsergebnisse
8. Ausgabe der Einstellungen 19
Anhang - Eingabemasken für Zu- und Abluft 21
Technische Änderungen und Irrtümer vorbehalten.
3
VARIO-Lüftungssystem Wohnungslüftung mit System
Bauteil Symbol
Verteiler Metall
50VARLVK - 7554502
Luftverteiler 2-fach
50VARHAZ - 7554457
Luftverteiler 8-fach
Endebene
50VARDVT001 - 7554458
Luftverteiler 8-fach
Zwischenebene
50VARDVT002 - 755445950VA
1. Einleitung
Mit dem Drossel-Berechnungsprogramm können Sie die Ventil- und Drosseleinstellungen für den Druckab-
gleich eines von 15 verschiedenen Luftverteilsystemen ermitteln. Sie können für jedes Projekt eine Berech-
nung durchführen. Wollen Sie das Verteilsyste mit E-Kennzeichnung versehen, führt das Programm entspre-
chende Berechnungen durch. Das Ergebnisprotokoll der Berechnungen umfasst eine tabellarische Auflistung
wesentlicher Eingabedaten und Berechnungsergebnisse mit Darstellung der Drosselpostion.
2. Verwendete Symbole
Im Drossel-Berechnungsprogramm werden folgende Symbole verwendet:
3. Referenz-Verteilsysteme
Die einzelnen Bauteile des Luftverteilsystems können auf vielfältige Weise kombiniert werden. Es können ein-
fache, verzweigte und vermaschte Netze gebildet werden. Zur einfachen und schnellen Handhabung des Be-
rechnungsprogramms werden aus der Vielzahl der Verteilmöglichkeiten Referenz-Verteilsysteme (Abb. 2 und 3
- Seite 4 und 5) gebildet und in Zentrale Verteilung, Dezentrale Verteilung und Mischverteilung unterschieden.
Bei der Zentralen Verteilung erfolgt die Anbindung der Luftdurchlässe direkt vom Hauptverteiler. Wird zwi-
schen dem Haupverteiler und Luftdurchlässen ein Unterverteiler angeordnet, entsteht eine Dezentrale Vertei-
lung. Die Mischverteilung ist eine Kombination aus der Zentralen und Dezentralen Verteilung.
Verteilleitungen können an den Haupt- oder Unterverteiler angeschlossen werden.
In der Abbildung 4 - Seite 6 werden die für jeden Teilbereich anwendbaren Bauteile aufgelistet.
50
Abbildung 1
Allgemeine Informationen
Technische Änderungen und Irrtümer vorbehalten.
4
VARIO-Lüftungssystem Wohnungslüftung mit System
Arten der Luftverteilung – Zuluft
Verteiler Metall Luftverteiler 2-fach Luftverteiler 8-fach
50VARLVK - 7554502 50VARHAZ - 7554457
50VARDVT001 - 7554458
50VARDVT002 - 7554459
Zentrale Verteilung
ZVM 01 ZVM 02
ZVM 03
ZVM 04
ZVM 05
Dezentrale Verteilung
ZVM 06
ZVM 07
ZVM 08
Mischverteilung
ZVM 09
ZVM 10
ZVM 12
ZVM 13
ZVM 11
ZVM 14
ZVM 15
50
Abbildung 2
Allgemeine Informationen
Technische Änderungen und Irrtümer vorbehalten.
5
VARIO-Lüftungssystem Wohnungslüftung mit System
Arten der Luftverteilung – Abluft
Verteiler Metall Luftverteiler 2-fach Luftverteiler 8-fach
50VARLVK - 7554502 50VARHAZ - 7554457
50VARDVT001 - 7554458
50VARDVT002 - 7554459
Zentrale Verteilung
AVM 01 AVM 02
AVM 03
AVM 04
AVM 05
Dezentrale Verteilung
AVM 06
AVM 07
AVM 08
Mischverteilung
AVM 09
AVM 10
AVM 12
AVM 13
AVM 11
AVM 14
AVM 15
50
Abbildung 3
Allgemeine Informationen
Technische Änderungen und Irrtümer vorbehalten.
6
VARIO-Lüftungssystem Wohnungslüftung mit System
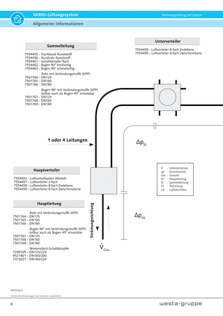
Hauptverteiler
7554502 - Luftverteilkasten (Metall)
7554457 - Luftverteiler 2-fach
7554458 - Luftverteiler 8-fach Endebene
7554459 - Luftverteiler 8-fach Zwischenebene
Sammelleitung
7554455 - Flachkanal Kunststoff
7554456 - Rundrohr Kunststoff
7554461 - Schalldämpfer flach
7554462 - Bogen 90° breitseitig
7554463 - Bogen 90° schmalseitig
Rohr mit Verbindungsmuffe (EPP)
7501764 - DN125
7501765 - DN160
7501766 - DN180
Bogen 90° mit Verbindungsmuffe (EPP)
teilbar auch als Bogen 45° einsetzbar
7501767 - DN125
7501768 - DN160
7501769 - DN180
Unterverteiler
7554458 - Luftverteiler 8-fach Endebene
7554459 - Luftverteiler 8-fach Zwischenebene
pSL
pHL
Strömungsrichtung
1 oder 4 Leitungen
Hauptleitung
Rohr mit Verbindungsmuffe (EPP)
7501764 - DN125
7501765 - DN160
7501766 - DN180
Bogen 90° mit Verbindungsmuffe (EPP)
teilbar auch als Bogen 45° einsetzbar
7501767 - DN125
7501768 - DN160
7501769 - DN180
Westersilent-Schalldämpfer
7249105 - DN125/224
9521461 - DN160/200
7373027 - DN180/224
VGes.
Abbildung 4
V - Volumenstrom
p - Druckverlust
Ges. - Gesamt
HL - Hauptleitung
SL - Sammelleitung
TS - Teilstrecke
LD - Luftdurchlass
Allgemeine Informationen
Technische Änderungen und Irrtümer vorbehalten.
7
VARIO-Lüftungssystem Wohnungslüftung mit System
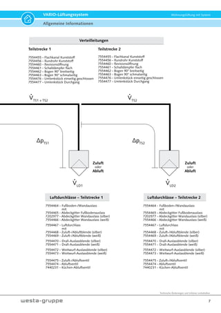
Teilstrecke 1
7554455 - Flachkanal Kunststoff
7554456 - Rundrohr Kunststoff
7554460 - Revisionsöffnung
7554461 - Schalldämpfer flach
7554462 - Bogen 90° breitseitig
7554463 - Bogen 90° schmalseitig
7554476 - Umlenkstück einseitig geschlossen
7554477 - Umlenkstück Durchgang
Luftdurchlässe – Teilstrecke 1
7554464 - Fußboden-/Wandauslass
mit
7554465 - Abdeckgitter Fußbodenauslass
7202977 - Abdeckgitter Wandauslass (silber)
7554466 - Abdeckgitter Wandauslass (weiß)
7554467 - Luftdurchlass
mit
7554468 - Zuluft-/Abluftblende (silber)
7554469 - Zuluft-/Abluftblende (weiß)
7554470 - Drall-Auslassblende (silber)
7554471 - Drall-Auslassblende (weiß)
7554472 - Weitwurf-Auslassblende (silber)
7554473 - Weitwurf-Auslassblende (weiß)
7554475 - Zuluft-/Abluftventil
7554474 - Abluftventil
7440231 - Küchen-Abluftventil
Luftdurchlässe – Teilstrecke 2
7554464 - Fußboden-/Wandauslass
mit
7554465 - Abdeckgitter Fußbodenauslass
7202977 - Abdeckgitter Wandauslass (silber)
7554466 - Abdeckgitter Wandauslass (weiß)
7554467 - Luftdurchlass
mit
7554468 - Zuluft-/Abluftblende (silber)
7554469 - Zuluft-/Abluftblende (weiß)
7554470 - Drall-Auslassblende (silber)
7554471 - Drall-Auslassblende (weiß)
7554472 - Weitwurf-Auslassblende (silber)
7554473 - Weitwurf-Auslassblende (weiß)
7554475 - Zuluft-/Abluftventil
7554474 - Abluftventil
7440231 - Küchen-Abluftventil
VLD1
VLD2
pTS1
pTS2
Teilstrecke 2
7554455 - Flachkanal Kunststoff
7554456 - Rundrohr Kunststoff
7554460 - Revisionsöffnung
7554461 - Schalldämpfer flach
7554462 - Bogen 90° breitseitig
7554463 - Bogen 90° schmalseitig
7554476 - Umlenkstück einseitig geschlossen
7554477 - Umlenkstück Durchgang
Verteilleitungen
Zuluft
oder
Abluft
Zuluft
oder
Abluft
VTS1 + TS2
VTS2
Allgemeine Informationen
Technische Änderungen und Irrtümer vorbehalten.
8
VARIO-Lüftungssystem Wohnungslüftung mit System
4. Luftmengendrosseln
4.1. Luftmengendrosseln (Drosseln) und
deren Einstellungen
Das Produktprogramm umfasst sechs
Drosseltypen:
- Drosselelement für Luftduchlass
mit Blenden
- Drosselelement Küchenabluftventil
- Schieber Fußbodenauslass
- Drosselelement rund für
Umlenkstück DN 125
- Drosselelement flach
- Irisblende
Das Drosselelement für Luftduchlass mit Blen-
den weist sieben Stellungen und fünf Markie-
rungen auf. In der Stellung „offen“ sind der fes-
te und bewegliche Flügel übereinander.
Bei den Stellungen 1 bis 5 wird der bewegliche
Flügel entsprechend der Stellung angeordnet.
Der bewegliche Flügel kann soweit verdreht
werden (Stellung „geschlossen“), dass beide
Flügel höhenversetzt nebeneinander positio-
niert sind.
Bei der Stellung „ohne“ ist kein Drosselement
im Luftdurchlass eingebaut (Abb. 5).
Beim Drossselelement Küchen-Abluftventil
können mit dem beweglichen Flügel der Dros-
sel die Stellungen A bis E eingestellt werden
(Abb. 6).
Auf dem Schieber Fußboden-/Wandauslass sind
mehrere Markierungen mit Maßangaben.
Das Berechnungsprogramm ermittelt die Maß-
angabe bei der der Schieber abgschnitten wird
(Abb. 7).
ZUMITTEAUF
Luftdurchlass Wand/Decke
125GBLD001 - 7554467
Küchen-Abluftventil
125ALFG2 - 7571436
Fußboden-/Wandauslass
50VARFBR - 7554464
Abbildung 5
Abbildung 6
Abbildung 7
ca. 180
ca.160
Fußboden
50VARFBR
Maßangabe
in mm
zum genauen
Ablängen
Schieber
Ansicht A
A
Luftmengendrossel
Technische Änderungen und Irrtümer vorbehalten.
9
VARIO-Lüftungssystem Wohnungslüftung mit System
Kern
1. Ring
2. Ring
3. Ring
4. Ring
Drosselelement rund
50VARDRR - 7557099
Drosselelement flach
50VARDR - 7554494
Das Drosselelement rund für Luftdurchlass
DN 125 besteht aus einem Kern und 5 Ringen
(Abb. 8).
Das Berechnungsbrogramm bestimmt die An-
zahl der Ringe, die für den Abgleich entfernt
werden müssen.
Wird die Drosseleinstellung „ohne Drossel“ an-
gezeigt, ist kein Drosselelement rund erforder-
lich.
Das Drosselelement flach besteht aus 6 ent-
fernbaren Segmenten und einem Halterahmen
(Abb. 9).
Das Berechnungsprogramm bestimmt die An-
zahl der Segmente die zu entfernen sind.
Wird die Drosseleinstellung „ohne Drossel“ an-
gezeigt, ist kein Drosselelement rund erforder-
lich.
Hinweis 1:
Folgende Abstände der Drosselelemente
rund (50VARDRR - 7557099) und flach
(50VARDR - 7554494) zum Luftdurchlass
werden empfohlen:
- Zuluft: 0 - 50 mm
- Abluft: 50 - 350 mm
Hinweis 2:
Die Einfügungsdämpfung des Drosselele-
mentes rund (50VARDRR - 7557099) be-
trägt (Abb. 8):
- Kern entfernt: 4,8 dB(A)
- 1 Ring entfernt: 4,0 dB(A)
- 2 Ringe entfernt 3,0 dB(A)
- 3 Ringe entfernt: 2,5 dB(A)
- 4 Ringe entfernt 1,0 dB(A)
Hinweis 3:
Das Eigengeräusch beträgt 29 dB(A) bei 50
m³/h und 40 Pa Druckverlust.
Die Irisblenden (Abb. 10) haben mehrere Ein-
stellpostionen, die vom Berechnungsprogramm
ausgegeben werden.
Abbildung 8
Abbildung 9
Abbildung 10
Luftmengendrossel
Technische Änderungen und Irrtümer vorbehalten.
10
VARIO-Lüftungssystem Wohnungslüftung mit System
4.2. Position der Luftmengendrosseln
In einer Verteilleitung können die Drosselele-
mente rund und flach an 3 Positionen angeord-
net werden (Abb. 11 und 12).
Bis auf den Fußbodenauslass benötigen alle
Luftdurchlässe ein Umlenkstück DN 125. Bei
dieser Ausführung kommt das Drosselelement
rund (DR 1) zum Einsatz.
Bei allen Durchlässen kann zudem das Drossel-
element flach (DR 2) in die Rohrleitung einge-
setzt werden.
Die dargestellte Vorgehensweise ist für den Ab-
gleich ohne Wartungszugang am Verteiler vor-
teilhaft.
Mit Wartungszugang am Hauptverteiler, kann
DR 2 teilweise entfallen, der Druckabgleich er-
folgt über DR 3.
Die Irisblenden DR 4 und DR 5 werden in den
Sammelleitungen mit Rundrohr eingebaut.
Abbildung 11
Abbildung 12
LD1 LD2
DR 2
LD2
DR 1
DR 3
DR 1: Drosselelement rund Verteilleitung
DR 2: Drosselelement oval Verteilleitung
DR 3: Drosselelement oval Verteilleitung
am Hauptverteiler
Verteiler
DR 4 DR 5
DR 6
DR 4: Drosselelement oval Sammelleitung
am Hauptverteiler
DR 5: Irisblende Ebene 3
DR 6: Irisblende Ebene 2
DR 4
DR 3
DR 3: Drosselelement oval Verteilleitung
am Hauptverteiler
Luftmengendrossel
Technische Änderungen und Irrtümer vorbehalten.
11
VARIO-Lüftungssystem Wohnungslüftung mit System
5. Programmbeschreibung
5.1. Eingabe der Projektdaten
Geben Sie für eine spätere Zuordnung die Pro-
jektdaten Ihres Projektes ein (Abb. 13).
5.2 Auswahl der Luftverteilung und
der Verteiler
Nutzen Sie die Abbildungen 2 und 3 auf den Sei-
ten 4 und 5, bevor Sie die Luftverteilung und die
Verteiler spezifizieren. Anhand der Übersicht
können Sie bequem Ihr Verteilsystem voraus-
wählen.
Im ersten Schritt erfolgt die Eingabe des Luft-
verteilsystems. Sie können zwischen einer Zen-
tralen Verteilung, dezentralen Verteilung und
Mischverteilung wählen. In den Abbildungen 2
und 3 auf den Seiten 4 und 5 sind die Vertei-
lungen in den Zeilen dargestellt. Beachten Sie,
dass bei der Zentralen Verteilung keine Unter-
verteiler eingesetzt werden.
Wählen Sie danach einen der drei möglichen
Hauptverteiler (Luftverteilkasten, Luftverteiler
2-fach oder Luftverteiler 8-fach) aus. Sie finden
eine Übersicht der Hauptverteiler in der ober-
sten Zeile der Abbildungen 2 und 3 auf den Sei-
ten 4 und 5.
Haben Sie den Typ des Hauptverteilers be-
stimmt, können Sie in einer weiteren Abfrage
die Anzahl der Hauptverteiler auswählen. Diese
Auswahl betrifft insbesondere die Referenz-Ver-
teilsysteme xxx 04/05.
Für eine Dezentrale Verteilung oder Mischver-
teilung können Sie einen oder mehrere Unter-
verteiler spezifizieren. Die maximale Anzahl der
Unterverteiler entnehmen Sie bitte den Abbil-
dungen 2 und 3 auf den Seiten 4 und 5.
Das Programm bietet Ihnen optional die Aus-
wahl der „Erhöhten Energieanforderung“.
Wenn Sie diese Funktion wählen, werden, bei
automatischer Berechnung der Rohre, die En-
ergieanforderungen nach DIN 1946-6 berück-
sichtigt.
Durch Drücken des Schaltfeldes „Weiter“ kön-
nen Sie die Bauteile der Sammel- und Verteillei-
tungen eingeben.
Abbildung 13
Abbildung 14
Abbildung 15
Programmbeschreibung
Technische Änderungen und Irrtümer vorbehalten.
12
VARIO-Lüftungssystem Wohnungslüftung mit System
6. Eingabe der Leitungsparameter
6.1 Hauptleitungen (Abb. 16)
Wählen Sie die Rohrart aus und geben Sie die
Rohrparameter ein. Mit Eingabe der Anzahl
eines Formteils spezifizieren Sie dieses gleich-
zeitig. Das Programm markiert Ihnen die zu be-
arbeitenden Bauteile in der Farbe Rot.
6.2 Sammelleitungen (Abb. 17)
In der Maske Sammelleitungen können Sie die
Sammelleitungen zwischen den Verteilern de-
taillieren. Zwischen dem Hauptverteiler und
dem Unterverteiler sind zwei Stecköffnungen
vorgesehen.
Sie können eine oder beide Stecköffnungen
mit Rohren (Flachkanal Kunststoff Rundkanal
Kunststoff) belegen. Wird für den Strang das
Rundkanal Kunststoffe ausgewählt, werden im-
mer 2 Rohre für eine Stecköffnung vorgesehen.
Belegen Sie zwei Stecköffnungen wird automa-
tisch der Eintrag des ersten Stranges übernom-
men. Ein Änderung ist nicht möglich.
Als Option berechnet Ihnen das Programm au-
tomatisch die Anzahl der Rohre. Eingaben die in
der Maske bereits eingetragen wurden, werden
bei Auswahl der Option überschrieben.
Das Programm berechnet die Geschwindigkeit
im Rohr und vergleicht das Ergebnis mit den
Anforderungen aus DIN 1946-6.
Bei erhöhter Energieanforderung (E-Kennzeich-
nung) müssen die geforderten Geschwindig-
keiten im Rohr eingehalten werden.
Überschreitet die aus dem Gesamtvolumen-
strom berechnete Geschwindigkeit die Anfor-
derung, kann die erhöhte Energieanforderung
nicht eingehalten werden.
Nutzen Sie die Option der automatischen Be-
rechnung ohne Erhöhte Energieanforderung,
erfolgt die Auswahl des zweiten Stranges bei
Überschreiten der 1,3-fachen Geschwindigkeit
gegenüber der Anforderung aus DIN 1946-6.
Abbildung 16
Abbildung 17
Programmbeschreibung
Technische Änderungen und Irrtümer vorbehalten.
13
VARIO-Lüftungssystem Wohnungslüftung mit System
6.3 Haupt- und Unterverteiler
(Abb. 18 und 19)
In dieser Maske beschreiben Sie die Anbindung
der Verteilleitungen an den Verteiler.
Jeder Strang erhält eine vorgegebenen
Strangnummer. Für jeden Strang können Sie
die Raumbezeichnung eingeben. Als Raumbe-
zeichnung kann der Name des zu belüftenden
Raumes eingegeben werden.
Die Eingabe der Verteileranbindung und der
Anzahl der Teilstrecken (siehe auch Abbildungen
2 und 3 auf den Seiten 4 und 5) erfolgt in der
Maske „Verteilleitungen bearbeiten“ und wer-
den in dieser Maske automatisch übernommen.
Der Gesamtvolumenstrom wird aus den Teilvo-
lumenströmen ebenfalls automatisch ermittelt.
Das Programm ermittelt die Anzahl der Luftver-
teiler (maximal 2 Stück) aus den spezifizierten
Verteilleitungen.
Ist der Verteiler mit Wartungsöffnungen ausge-
stattet oder ist anderweitig ein Zugang möglich,
können die Drosseln direkt am Verteiler plat-
ziert werden (siehe auch Kapitel 4.2 auf Sei-
te 10). Wählen Sie für diesen Fall die Option
„Luftverteiler mit Wartungszugang“ aus.
Wenn Sie auf das Schaldfeld „Bearbeiten“ drü-
cken, können Sie die Verteilleitungen spezifizie-
ren.
Hinweis 4:
Teilsstrecken sind Strecken in denen sich
der Massenstrom nicht ändert. Zur rechen-
technischen Vereinfachung wird bei der
Auswahl der Teilstrecken in Teilstrecke 1
der Abzweig berücksichtigt.
Abbildung 18
Abbildung 19
1
2
3
4
Anschlüsse 1 - 4
D1
D2
A1
A2
B1
B2
D2
D1
A1
A2
B1
B2
A2
B2
A2
B2
A1
D
A2
B1
B2
D
A1
A2
B1
B2
A2
B2
A2
B2
D
zu
zu
A1
A2
B1
B2
A
A
A
A
D
B
Durchgang
Abzweig
Abzweig
A
D
Programmbeschreibung
Technische Änderungen und Irrtümer vorbehalten.
14
VARIO-Lüftungssystem Wohnungslüftung mit System
6.4 Verteilleitungen (Abb. 20)
In der Maske „Verteilleitungen bearbeiten“ de-
taillieren Sie die Verteilleitungen.
Wollen Sie in einem Raum zwei Luftdurchläs-
se positionieren, ist die Auswahl einer zweiten
Teilstrecke erforderlich. Diesen Schritt wieder-
holen Sie für jeden Verteiler. Abbildung 20 zeigt
Ihnen die Möglichkeiten der Verteilleitungsan-
bindung an einen Verteiler auf. Wählen Sie eine
Position aus.
Im nächsten Schritt detaillieren Sie die Bauteile
der Teilstrecken. Für jede Teilstrecke können Sie
die Rohrparameter sowie die Art und Anzahl
der Formteile bestimmen.
Besteht die Verteilleitung aus einer Teilstrecke
wird das Umlenkstück Durchgang und bei zwei
Teilstrecken wird in der ersten Teilstrecke das
Umlenkstück Abzweig gesperrt.
Neben der Art des Durchlasses können Sie auch
das einzuhaltende Eigengeräusch (Strömungs-
rauschen) angeben.
Bitte beachten sie, dass es sich hierbei nicht um
den Schallpegel im Raum handelt.
Abbildung 20
Programmbeschreibung
Technische Änderungen und Irrtümer vorbehalten.
15
VARIO-Lüftungssystem Wohnungslüftung mit System
7. Berechnungsablauf
Die Eingabedaten werden ein das Tabellenkal-
kulationsprogramm übernommen. Es folgt die
Volumenstromberechnung der einzelnen Strän-
ge. Soll eine E-Kennzeichung des Systems erfol-
gen (Eingabe:“Ja“), prüft das Programm, ob eine
Berechnung der Rohrleitungsgröße oder -anzahl
der Haupt- und/oder Sammelleitung durch den
Nutzer gewünscht wird.
Die Berechnung zur E-Kennzeichnng erfolgt auf
Grundlage der DIN 1946-6. In der anschlie-
ßenden Druckverlustberechnung werden die
Druckverluste der Rohre und Vorteile entspre-
chende der Nutzereingaben berechnet. Die
Ergebnisse werden in der Druckabgleichsbe-
rechnung zusammengeführt. Jeder Strang wird
mit einem Stromfaden belegt und der Druckab-
gleich berechnet.
Die Drosselberechnung erfolgt für die Einstel-
lung mit/ohne Wartungszugang separat. All-
gemein ist jedoch die Vorgehensweise, dass
zunächst die Drosseleinstellung am Luftdurch-
lass berechnet wird. Kann kein ausreichender
Druckverlust unter Beachtung des Eigenge-
räusches errechnet werden, erfolgt die Berech-
nung der Drosselelemente rund und flach.
Abbildung 21
Berechnungsablauf
Technische Änderungen und Irrtümer vorbehalten.
16
VARIO-Lüftungssystem Wohnungslüftung mit System
Abbildung 22
Berechnungsablauf
Technische Änderungen und Irrtümer vorbehalten.
17
VARIO-Lüftungssystem Wohnungslüftung mit System
Abbildung 23
Berechnungsablauf
Technische Änderungen und Irrtümer vorbehalten.
18
VARIO-Lüftungssystem Wohnungslüftung mit System
Abbildung 24
Berechnungsablauf
Technische Änderungen und Irrtümer vorbehalten.
19
VARIO-Lüftungssystem Wohnungslüftung mit System
8. Ausgabe der Einstellungen
Die Ergebnisse der Berechnungen werden in einer separaten Maske ausgegeben. Das Ergebnisprotokoll umfasst die
tabellarische Auflistung wesentlicher Eingabedaten, der Berechnungsergebnisse sowie der Drosselposition.
Abbildung 25
Berechnungsergebnisse
Technische Änderungen und Irrtümer vorbehalten.
20
VARIO-Lüftungssystem Wohnungslüftung mit System
Berechnungsergebnisse
Abbildung 26
Technische Änderungen und Irrtümer vorbehalten.
21
VARIO-Lüftungssystem Wohnungslüftung mit System
Anhang - Eingabemasken für Zu- und Abluft
27.1
27.2
27.3
Abbildung 27
Technische Änderungen und Irrtümer vorbehalten.
22
VARIO-Lüftungssystem Wohnungslüftung mit System
Anhang - Eingabemasken für Zu- und Abluft
28.1
28.2
28.3
28.4
28.6 28.8
28.5
28.7 28.9
Abbildung 28
Technische Änderungen und Irrtümer vorbehalten.
23
VARIO-Lüftungssystem Wohnungslüftung mit System
Anhang - Eingabemasken für Zu- und Abluft
29.1
29.2
29.4
29.6
29.5
29.7
Abbildung 29
Ein Unternehmen der
Westaflexwerk GmbH
Thaddäusstraße 5
D-33334 Gütersloh
Fon +49 (0)5241 401-0
Fax +49 (0)5241 401-3411
www.westaflex.com
Schutzgebühr 2,50 EURO
wfx2016BHb_Vario_Drosselauslegung.indd©westa-gruppe29.02.2016mf

Drosselauslegung

  • 1.
  • 2.
    Technische Änderungen undIrrtümer vorbehalten. 2 VARIO-Lüftungssystem Wohnungslüftung mit System Inhalt Allgemeine Informationen 1. Einleitung 3 2. Verwendete Symbole 3 3. Referenz-Verteilsysteme 3 Luftmengendrossel 4. Luftmengendrosseln 8 4.1. Luftmengendrosseln (Drosseln) und deren Einstellungen 8 4.2. Position der Luftmengendrosseln 10 Programmbeschreibung 5. Programmbeschreibung 11 5.1. Eingabe der Projektdaten 11 5.2 Auswahl der Luftverteilung und der Verteiler 11 6. Eingabe der Leitungsparameter 12 6.1 Hauptleitungen 12 6.2 Sammelleitungen 12 6.3 Haupt- und Unterverteiler 13 6.4 Verteilleitungen 14 Berechnungsablauf 7. Berechnungsablauf 15 Berechnungsergebnisse 8. Ausgabe der Einstellungen 19 Anhang - Eingabemasken für Zu- und Abluft 21
  • 3.
    Technische Änderungen undIrrtümer vorbehalten. 3 VARIO-Lüftungssystem Wohnungslüftung mit System Bauteil Symbol Verteiler Metall 50VARLVK - 7554502 Luftverteiler 2-fach 50VARHAZ - 7554457 Luftverteiler 8-fach Endebene 50VARDVT001 - 7554458 Luftverteiler 8-fach Zwischenebene 50VARDVT002 - 755445950VA 1. Einleitung Mit dem Drossel-Berechnungsprogramm können Sie die Ventil- und Drosseleinstellungen für den Druckab- gleich eines von 15 verschiedenen Luftverteilsystemen ermitteln. Sie können für jedes Projekt eine Berech- nung durchführen. Wollen Sie das Verteilsyste mit E-Kennzeichnung versehen, führt das Programm entspre- chende Berechnungen durch. Das Ergebnisprotokoll der Berechnungen umfasst eine tabellarische Auflistung wesentlicher Eingabedaten und Berechnungsergebnisse mit Darstellung der Drosselpostion. 2. Verwendete Symbole Im Drossel-Berechnungsprogramm werden folgende Symbole verwendet: 3. Referenz-Verteilsysteme Die einzelnen Bauteile des Luftverteilsystems können auf vielfältige Weise kombiniert werden. Es können ein- fache, verzweigte und vermaschte Netze gebildet werden. Zur einfachen und schnellen Handhabung des Be- rechnungsprogramms werden aus der Vielzahl der Verteilmöglichkeiten Referenz-Verteilsysteme (Abb. 2 und 3 - Seite 4 und 5) gebildet und in Zentrale Verteilung, Dezentrale Verteilung und Mischverteilung unterschieden. Bei der Zentralen Verteilung erfolgt die Anbindung der Luftdurchlässe direkt vom Hauptverteiler. Wird zwi- schen dem Haupverteiler und Luftdurchlässen ein Unterverteiler angeordnet, entsteht eine Dezentrale Vertei- lung. Die Mischverteilung ist eine Kombination aus der Zentralen und Dezentralen Verteilung. Verteilleitungen können an den Haupt- oder Unterverteiler angeschlossen werden. In der Abbildung 4 - Seite 6 werden die für jeden Teilbereich anwendbaren Bauteile aufgelistet. 50 Abbildung 1 Allgemeine Informationen
  • 4.
    Technische Änderungen undIrrtümer vorbehalten. 4 VARIO-Lüftungssystem Wohnungslüftung mit System Arten der Luftverteilung – Zuluft Verteiler Metall Luftverteiler 2-fach Luftverteiler 8-fach 50VARLVK - 7554502 50VARHAZ - 7554457 50VARDVT001 - 7554458 50VARDVT002 - 7554459 Zentrale Verteilung ZVM 01 ZVM 02 ZVM 03 ZVM 04 ZVM 05 Dezentrale Verteilung ZVM 06 ZVM 07 ZVM 08 Mischverteilung ZVM 09 ZVM 10 ZVM 12 ZVM 13 ZVM 11 ZVM 14 ZVM 15 50 Abbildung 2 Allgemeine Informationen
  • 5.
    Technische Änderungen undIrrtümer vorbehalten. 5 VARIO-Lüftungssystem Wohnungslüftung mit System Arten der Luftverteilung – Abluft Verteiler Metall Luftverteiler 2-fach Luftverteiler 8-fach 50VARLVK - 7554502 50VARHAZ - 7554457 50VARDVT001 - 7554458 50VARDVT002 - 7554459 Zentrale Verteilung AVM 01 AVM 02 AVM 03 AVM 04 AVM 05 Dezentrale Verteilung AVM 06 AVM 07 AVM 08 Mischverteilung AVM 09 AVM 10 AVM 12 AVM 13 AVM 11 AVM 14 AVM 15 50 Abbildung 3 Allgemeine Informationen
  • 6.
    Technische Änderungen undIrrtümer vorbehalten. 6 VARIO-Lüftungssystem Wohnungslüftung mit System Hauptverteiler 7554502 - Luftverteilkasten (Metall) 7554457 - Luftverteiler 2-fach 7554458 - Luftverteiler 8-fach Endebene 7554459 - Luftverteiler 8-fach Zwischenebene Sammelleitung 7554455 - Flachkanal Kunststoff 7554456 - Rundrohr Kunststoff 7554461 - Schalldämpfer flach 7554462 - Bogen 90° breitseitig 7554463 - Bogen 90° schmalseitig Rohr mit Verbindungsmuffe (EPP) 7501764 - DN125 7501765 - DN160 7501766 - DN180 Bogen 90° mit Verbindungsmuffe (EPP) teilbar auch als Bogen 45° einsetzbar 7501767 - DN125 7501768 - DN160 7501769 - DN180 Unterverteiler 7554458 - Luftverteiler 8-fach Endebene 7554459 - Luftverteiler 8-fach Zwischenebene pSL pHL Strömungsrichtung 1 oder 4 Leitungen Hauptleitung Rohr mit Verbindungsmuffe (EPP) 7501764 - DN125 7501765 - DN160 7501766 - DN180 Bogen 90° mit Verbindungsmuffe (EPP) teilbar auch als Bogen 45° einsetzbar 7501767 - DN125 7501768 - DN160 7501769 - DN180 Westersilent-Schalldämpfer 7249105 - DN125/224 9521461 - DN160/200 7373027 - DN180/224 VGes. Abbildung 4 V - Volumenstrom p - Druckverlust Ges. - Gesamt HL - Hauptleitung SL - Sammelleitung TS - Teilstrecke LD - Luftdurchlass Allgemeine Informationen
  • 7.
    Technische Änderungen undIrrtümer vorbehalten. 7 VARIO-Lüftungssystem Wohnungslüftung mit System Teilstrecke 1 7554455 - Flachkanal Kunststoff 7554456 - Rundrohr Kunststoff 7554460 - Revisionsöffnung 7554461 - Schalldämpfer flach 7554462 - Bogen 90° breitseitig 7554463 - Bogen 90° schmalseitig 7554476 - Umlenkstück einseitig geschlossen 7554477 - Umlenkstück Durchgang Luftdurchlässe – Teilstrecke 1 7554464 - Fußboden-/Wandauslass mit 7554465 - Abdeckgitter Fußbodenauslass 7202977 - Abdeckgitter Wandauslass (silber) 7554466 - Abdeckgitter Wandauslass (weiß) 7554467 - Luftdurchlass mit 7554468 - Zuluft-/Abluftblende (silber) 7554469 - Zuluft-/Abluftblende (weiß) 7554470 - Drall-Auslassblende (silber) 7554471 - Drall-Auslassblende (weiß) 7554472 - Weitwurf-Auslassblende (silber) 7554473 - Weitwurf-Auslassblende (weiß) 7554475 - Zuluft-/Abluftventil 7554474 - Abluftventil 7440231 - Küchen-Abluftventil Luftdurchlässe – Teilstrecke 2 7554464 - Fußboden-/Wandauslass mit 7554465 - Abdeckgitter Fußbodenauslass 7202977 - Abdeckgitter Wandauslass (silber) 7554466 - Abdeckgitter Wandauslass (weiß) 7554467 - Luftdurchlass mit 7554468 - Zuluft-/Abluftblende (silber) 7554469 - Zuluft-/Abluftblende (weiß) 7554470 - Drall-Auslassblende (silber) 7554471 - Drall-Auslassblende (weiß) 7554472 - Weitwurf-Auslassblende (silber) 7554473 - Weitwurf-Auslassblende (weiß) 7554475 - Zuluft-/Abluftventil 7554474 - Abluftventil 7440231 - Küchen-Abluftventil VLD1 VLD2 pTS1 pTS2 Teilstrecke 2 7554455 - Flachkanal Kunststoff 7554456 - Rundrohr Kunststoff 7554460 - Revisionsöffnung 7554461 - Schalldämpfer flach 7554462 - Bogen 90° breitseitig 7554463 - Bogen 90° schmalseitig 7554476 - Umlenkstück einseitig geschlossen 7554477 - Umlenkstück Durchgang Verteilleitungen Zuluft oder Abluft Zuluft oder Abluft VTS1 + TS2 VTS2 Allgemeine Informationen
  • 8.
    Technische Änderungen undIrrtümer vorbehalten. 8 VARIO-Lüftungssystem Wohnungslüftung mit System 4. Luftmengendrosseln 4.1. Luftmengendrosseln (Drosseln) und deren Einstellungen Das Produktprogramm umfasst sechs Drosseltypen: - Drosselelement für Luftduchlass mit Blenden - Drosselelement Küchenabluftventil - Schieber Fußbodenauslass - Drosselelement rund für Umlenkstück DN 125 - Drosselelement flach - Irisblende Das Drosselelement für Luftduchlass mit Blen- den weist sieben Stellungen und fünf Markie- rungen auf. In der Stellung „offen“ sind der fes- te und bewegliche Flügel übereinander. Bei den Stellungen 1 bis 5 wird der bewegliche Flügel entsprechend der Stellung angeordnet. Der bewegliche Flügel kann soweit verdreht werden (Stellung „geschlossen“), dass beide Flügel höhenversetzt nebeneinander positio- niert sind. Bei der Stellung „ohne“ ist kein Drosselement im Luftdurchlass eingebaut (Abb. 5). Beim Drossselelement Küchen-Abluftventil können mit dem beweglichen Flügel der Dros- sel die Stellungen A bis E eingestellt werden (Abb. 6). Auf dem Schieber Fußboden-/Wandauslass sind mehrere Markierungen mit Maßangaben. Das Berechnungsprogramm ermittelt die Maß- angabe bei der der Schieber abgschnitten wird (Abb. 7). ZUMITTEAUF Luftdurchlass Wand/Decke 125GBLD001 - 7554467 Küchen-Abluftventil 125ALFG2 - 7571436 Fußboden-/Wandauslass 50VARFBR - 7554464 Abbildung 5 Abbildung 6 Abbildung 7 ca. 180 ca.160 Fußboden 50VARFBR Maßangabe in mm zum genauen Ablängen Schieber Ansicht A A Luftmengendrossel
  • 9.
    Technische Änderungen undIrrtümer vorbehalten. 9 VARIO-Lüftungssystem Wohnungslüftung mit System Kern 1. Ring 2. Ring 3. Ring 4. Ring Drosselelement rund 50VARDRR - 7557099 Drosselelement flach 50VARDR - 7554494 Das Drosselelement rund für Luftdurchlass DN 125 besteht aus einem Kern und 5 Ringen (Abb. 8). Das Berechnungsbrogramm bestimmt die An- zahl der Ringe, die für den Abgleich entfernt werden müssen. Wird die Drosseleinstellung „ohne Drossel“ an- gezeigt, ist kein Drosselelement rund erforder- lich. Das Drosselelement flach besteht aus 6 ent- fernbaren Segmenten und einem Halterahmen (Abb. 9). Das Berechnungsprogramm bestimmt die An- zahl der Segmente die zu entfernen sind. Wird die Drosseleinstellung „ohne Drossel“ an- gezeigt, ist kein Drosselelement rund erforder- lich. Hinweis 1: Folgende Abstände der Drosselelemente rund (50VARDRR - 7557099) und flach (50VARDR - 7554494) zum Luftdurchlass werden empfohlen: - Zuluft: 0 - 50 mm - Abluft: 50 - 350 mm Hinweis 2: Die Einfügungsdämpfung des Drosselele- mentes rund (50VARDRR - 7557099) be- trägt (Abb. 8): - Kern entfernt: 4,8 dB(A) - 1 Ring entfernt: 4,0 dB(A) - 2 Ringe entfernt 3,0 dB(A) - 3 Ringe entfernt: 2,5 dB(A) - 4 Ringe entfernt 1,0 dB(A) Hinweis 3: Das Eigengeräusch beträgt 29 dB(A) bei 50 m³/h und 40 Pa Druckverlust. Die Irisblenden (Abb. 10) haben mehrere Ein- stellpostionen, die vom Berechnungsprogramm ausgegeben werden. Abbildung 8 Abbildung 9 Abbildung 10 Luftmengendrossel
  • 10.
    Technische Änderungen undIrrtümer vorbehalten. 10 VARIO-Lüftungssystem Wohnungslüftung mit System 4.2. Position der Luftmengendrosseln In einer Verteilleitung können die Drosselele- mente rund und flach an 3 Positionen angeord- net werden (Abb. 11 und 12). Bis auf den Fußbodenauslass benötigen alle Luftdurchlässe ein Umlenkstück DN 125. Bei dieser Ausführung kommt das Drosselelement rund (DR 1) zum Einsatz. Bei allen Durchlässen kann zudem das Drossel- element flach (DR 2) in die Rohrleitung einge- setzt werden. Die dargestellte Vorgehensweise ist für den Ab- gleich ohne Wartungszugang am Verteiler vor- teilhaft. Mit Wartungszugang am Hauptverteiler, kann DR 2 teilweise entfallen, der Druckabgleich er- folgt über DR 3. Die Irisblenden DR 4 und DR 5 werden in den Sammelleitungen mit Rundrohr eingebaut. Abbildung 11 Abbildung 12 LD1 LD2 DR 2 LD2 DR 1 DR 3 DR 1: Drosselelement rund Verteilleitung DR 2: Drosselelement oval Verteilleitung DR 3: Drosselelement oval Verteilleitung am Hauptverteiler Verteiler DR 4 DR 5 DR 6 DR 4: Drosselelement oval Sammelleitung am Hauptverteiler DR 5: Irisblende Ebene 3 DR 6: Irisblende Ebene 2 DR 4 DR 3 DR 3: Drosselelement oval Verteilleitung am Hauptverteiler Luftmengendrossel
  • 11.
    Technische Änderungen undIrrtümer vorbehalten. 11 VARIO-Lüftungssystem Wohnungslüftung mit System 5. Programmbeschreibung 5.1. Eingabe der Projektdaten Geben Sie für eine spätere Zuordnung die Pro- jektdaten Ihres Projektes ein (Abb. 13). 5.2 Auswahl der Luftverteilung und der Verteiler Nutzen Sie die Abbildungen 2 und 3 auf den Sei- ten 4 und 5, bevor Sie die Luftverteilung und die Verteiler spezifizieren. Anhand der Übersicht können Sie bequem Ihr Verteilsystem voraus- wählen. Im ersten Schritt erfolgt die Eingabe des Luft- verteilsystems. Sie können zwischen einer Zen- tralen Verteilung, dezentralen Verteilung und Mischverteilung wählen. In den Abbildungen 2 und 3 auf den Seiten 4 und 5 sind die Vertei- lungen in den Zeilen dargestellt. Beachten Sie, dass bei der Zentralen Verteilung keine Unter- verteiler eingesetzt werden. Wählen Sie danach einen der drei möglichen Hauptverteiler (Luftverteilkasten, Luftverteiler 2-fach oder Luftverteiler 8-fach) aus. Sie finden eine Übersicht der Hauptverteiler in der ober- sten Zeile der Abbildungen 2 und 3 auf den Sei- ten 4 und 5. Haben Sie den Typ des Hauptverteilers be- stimmt, können Sie in einer weiteren Abfrage die Anzahl der Hauptverteiler auswählen. Diese Auswahl betrifft insbesondere die Referenz-Ver- teilsysteme xxx 04/05. Für eine Dezentrale Verteilung oder Mischver- teilung können Sie einen oder mehrere Unter- verteiler spezifizieren. Die maximale Anzahl der Unterverteiler entnehmen Sie bitte den Abbil- dungen 2 und 3 auf den Seiten 4 und 5. Das Programm bietet Ihnen optional die Aus- wahl der „Erhöhten Energieanforderung“. Wenn Sie diese Funktion wählen, werden, bei automatischer Berechnung der Rohre, die En- ergieanforderungen nach DIN 1946-6 berück- sichtigt. Durch Drücken des Schaltfeldes „Weiter“ kön- nen Sie die Bauteile der Sammel- und Verteillei- tungen eingeben. Abbildung 13 Abbildung 14 Abbildung 15 Programmbeschreibung
  • 12.
    Technische Änderungen undIrrtümer vorbehalten. 12 VARIO-Lüftungssystem Wohnungslüftung mit System 6. Eingabe der Leitungsparameter 6.1 Hauptleitungen (Abb. 16) Wählen Sie die Rohrart aus und geben Sie die Rohrparameter ein. Mit Eingabe der Anzahl eines Formteils spezifizieren Sie dieses gleich- zeitig. Das Programm markiert Ihnen die zu be- arbeitenden Bauteile in der Farbe Rot. 6.2 Sammelleitungen (Abb. 17) In der Maske Sammelleitungen können Sie die Sammelleitungen zwischen den Verteilern de- taillieren. Zwischen dem Hauptverteiler und dem Unterverteiler sind zwei Stecköffnungen vorgesehen. Sie können eine oder beide Stecköffnungen mit Rohren (Flachkanal Kunststoff Rundkanal Kunststoff) belegen. Wird für den Strang das Rundkanal Kunststoffe ausgewählt, werden im- mer 2 Rohre für eine Stecköffnung vorgesehen. Belegen Sie zwei Stecköffnungen wird automa- tisch der Eintrag des ersten Stranges übernom- men. Ein Änderung ist nicht möglich. Als Option berechnet Ihnen das Programm au- tomatisch die Anzahl der Rohre. Eingaben die in der Maske bereits eingetragen wurden, werden bei Auswahl der Option überschrieben. Das Programm berechnet die Geschwindigkeit im Rohr und vergleicht das Ergebnis mit den Anforderungen aus DIN 1946-6. Bei erhöhter Energieanforderung (E-Kennzeich- nung) müssen die geforderten Geschwindig- keiten im Rohr eingehalten werden. Überschreitet die aus dem Gesamtvolumen- strom berechnete Geschwindigkeit die Anfor- derung, kann die erhöhte Energieanforderung nicht eingehalten werden. Nutzen Sie die Option der automatischen Be- rechnung ohne Erhöhte Energieanforderung, erfolgt die Auswahl des zweiten Stranges bei Überschreiten der 1,3-fachen Geschwindigkeit gegenüber der Anforderung aus DIN 1946-6. Abbildung 16 Abbildung 17 Programmbeschreibung
  • 13.
    Technische Änderungen undIrrtümer vorbehalten. 13 VARIO-Lüftungssystem Wohnungslüftung mit System 6.3 Haupt- und Unterverteiler (Abb. 18 und 19) In dieser Maske beschreiben Sie die Anbindung der Verteilleitungen an den Verteiler. Jeder Strang erhält eine vorgegebenen Strangnummer. Für jeden Strang können Sie die Raumbezeichnung eingeben. Als Raumbe- zeichnung kann der Name des zu belüftenden Raumes eingegeben werden. Die Eingabe der Verteileranbindung und der Anzahl der Teilstrecken (siehe auch Abbildungen 2 und 3 auf den Seiten 4 und 5) erfolgt in der Maske „Verteilleitungen bearbeiten“ und wer- den in dieser Maske automatisch übernommen. Der Gesamtvolumenstrom wird aus den Teilvo- lumenströmen ebenfalls automatisch ermittelt. Das Programm ermittelt die Anzahl der Luftver- teiler (maximal 2 Stück) aus den spezifizierten Verteilleitungen. Ist der Verteiler mit Wartungsöffnungen ausge- stattet oder ist anderweitig ein Zugang möglich, können die Drosseln direkt am Verteiler plat- ziert werden (siehe auch Kapitel 4.2 auf Sei- te 10). Wählen Sie für diesen Fall die Option „Luftverteiler mit Wartungszugang“ aus. Wenn Sie auf das Schaldfeld „Bearbeiten“ drü- cken, können Sie die Verteilleitungen spezifizie- ren. Hinweis 4: Teilsstrecken sind Strecken in denen sich der Massenstrom nicht ändert. Zur rechen- technischen Vereinfachung wird bei der Auswahl der Teilstrecken in Teilstrecke 1 der Abzweig berücksichtigt. Abbildung 18 Abbildung 19 1 2 3 4 Anschlüsse 1 - 4 D1 D2 A1 A2 B1 B2 D2 D1 A1 A2 B1 B2 A2 B2 A2 B2 A1 D A2 B1 B2 D A1 A2 B1 B2 A2 B2 A2 B2 D zu zu A1 A2 B1 B2 A A A A D B Durchgang Abzweig Abzweig A D Programmbeschreibung
  • 14.
    Technische Änderungen undIrrtümer vorbehalten. 14 VARIO-Lüftungssystem Wohnungslüftung mit System 6.4 Verteilleitungen (Abb. 20) In der Maske „Verteilleitungen bearbeiten“ de- taillieren Sie die Verteilleitungen. Wollen Sie in einem Raum zwei Luftdurchläs- se positionieren, ist die Auswahl einer zweiten Teilstrecke erforderlich. Diesen Schritt wieder- holen Sie für jeden Verteiler. Abbildung 20 zeigt Ihnen die Möglichkeiten der Verteilleitungsan- bindung an einen Verteiler auf. Wählen Sie eine Position aus. Im nächsten Schritt detaillieren Sie die Bauteile der Teilstrecken. Für jede Teilstrecke können Sie die Rohrparameter sowie die Art und Anzahl der Formteile bestimmen. Besteht die Verteilleitung aus einer Teilstrecke wird das Umlenkstück Durchgang und bei zwei Teilstrecken wird in der ersten Teilstrecke das Umlenkstück Abzweig gesperrt. Neben der Art des Durchlasses können Sie auch das einzuhaltende Eigengeräusch (Strömungs- rauschen) angeben. Bitte beachten sie, dass es sich hierbei nicht um den Schallpegel im Raum handelt. Abbildung 20 Programmbeschreibung
  • 15.
    Technische Änderungen undIrrtümer vorbehalten. 15 VARIO-Lüftungssystem Wohnungslüftung mit System 7. Berechnungsablauf Die Eingabedaten werden ein das Tabellenkal- kulationsprogramm übernommen. Es folgt die Volumenstromberechnung der einzelnen Strän- ge. Soll eine E-Kennzeichung des Systems erfol- gen (Eingabe:“Ja“), prüft das Programm, ob eine Berechnung der Rohrleitungsgröße oder -anzahl der Haupt- und/oder Sammelleitung durch den Nutzer gewünscht wird. Die Berechnung zur E-Kennzeichnng erfolgt auf Grundlage der DIN 1946-6. In der anschlie- ßenden Druckverlustberechnung werden die Druckverluste der Rohre und Vorteile entspre- chende der Nutzereingaben berechnet. Die Ergebnisse werden in der Druckabgleichsbe- rechnung zusammengeführt. Jeder Strang wird mit einem Stromfaden belegt und der Druckab- gleich berechnet. Die Drosselberechnung erfolgt für die Einstel- lung mit/ohne Wartungszugang separat. All- gemein ist jedoch die Vorgehensweise, dass zunächst die Drosseleinstellung am Luftdurch- lass berechnet wird. Kann kein ausreichender Druckverlust unter Beachtung des Eigenge- räusches errechnet werden, erfolgt die Berech- nung der Drosselelemente rund und flach. Abbildung 21 Berechnungsablauf
  • 16.
    Technische Änderungen undIrrtümer vorbehalten. 16 VARIO-Lüftungssystem Wohnungslüftung mit System Abbildung 22 Berechnungsablauf
  • 17.
    Technische Änderungen undIrrtümer vorbehalten. 17 VARIO-Lüftungssystem Wohnungslüftung mit System Abbildung 23 Berechnungsablauf
  • 18.
    Technische Änderungen undIrrtümer vorbehalten. 18 VARIO-Lüftungssystem Wohnungslüftung mit System Abbildung 24 Berechnungsablauf
  • 19.
    Technische Änderungen undIrrtümer vorbehalten. 19 VARIO-Lüftungssystem Wohnungslüftung mit System 8. Ausgabe der Einstellungen Die Ergebnisse der Berechnungen werden in einer separaten Maske ausgegeben. Das Ergebnisprotokoll umfasst die tabellarische Auflistung wesentlicher Eingabedaten, der Berechnungsergebnisse sowie der Drosselposition. Abbildung 25 Berechnungsergebnisse
  • 20.
    Technische Änderungen undIrrtümer vorbehalten. 20 VARIO-Lüftungssystem Wohnungslüftung mit System Berechnungsergebnisse Abbildung 26
  • 21.
    Technische Änderungen undIrrtümer vorbehalten. 21 VARIO-Lüftungssystem Wohnungslüftung mit System Anhang - Eingabemasken für Zu- und Abluft 27.1 27.2 27.3 Abbildung 27
  • 22.
    Technische Änderungen undIrrtümer vorbehalten. 22 VARIO-Lüftungssystem Wohnungslüftung mit System Anhang - Eingabemasken für Zu- und Abluft 28.1 28.2 28.3 28.4 28.6 28.8 28.5 28.7 28.9 Abbildung 28
  • 23.
    Technische Änderungen undIrrtümer vorbehalten. 23 VARIO-Lüftungssystem Wohnungslüftung mit System Anhang - Eingabemasken für Zu- und Abluft 29.1 29.2 29.4 29.6 29.5 29.7 Abbildung 29
  • 24.
    Ein Unternehmen der WestaflexwerkGmbH Thaddäusstraße 5 D-33334 Gütersloh Fon +49 (0)5241 401-0 Fax +49 (0)5241 401-3411 www.westaflex.com Schutzgebühr 2,50 EURO wfx2016BHb_Vario_Drosselauslegung.indd©westa-gruppe29.02.2016mf