Ninja ZX-6R




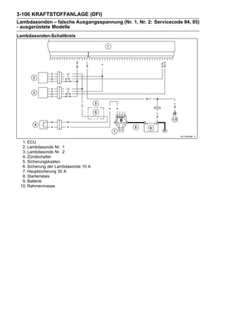
     Motorrad
Werkstatt-Handbuch
Handbuchübersicht


                                          Allgemeine Hinweise         1 j
                                          Regelmäßige Wartung         2 j
                                          Kraftstoffanlage (DFI)      3 j
                                          Kühlsystem                  4 j
                                          Motoroberseite              5 j
                                          Kupplung                    6 j
                                          Motorschmieranlage          7 j
                                          Ausbau/Einbau des Motors    8 j
                                          Kurbelwelle/Getriebe        9 j
                                          Räder/Reifen               10 j
                                          Achsantrieb                11 j
                                          Bremsen                    12 j
                                          Federung                   13 j
                                          Lenkung                    14 j
                                          Rahmen                     15 j
Diese Kurzanleitung soll lhnen helfen,
das gewünschte Thema oder die             Elektrik                   16 j
gewünschte Vorgehenswise zu finden.
•Die Seiten zurückbiegen, bis die
 schwarze Zunge mit der gewünschten
                                          Anhang                     17 j
 Kapitalnummer mit der schwarzen
 Registerzunge am Rand jeder Tabelle
 auf der lnhaltseite übereinstimmt.
•Das spezielle Thema finden Sie dann
 in der Tabelle mit dem Abschnittin-
 halt mit genauen Seitenangaben zum
 gesuchten Thema.
Ninja ZX-6R




             Motorrad
        Werkstatt-Handbuch
  Alle Rechte vorbehalten. Kein Teil dieser Publikation darf ohne die schriftliche Genehmigung von Quality
Assurance Division/Consumer Products & Machinery Company/Kawasaki Heavy Industries, Ltd., Japan
reproduziert, gespeichert oder in irgendeiner Form als elektronisch-mechanische Fotokopie, Aufzeichnung
oder sonst wie übertragen werden.
  Es kann keine Haftung für Ungenauigkeiten oder Auslassungen in diesen Unterlagen übernommen
werden, auch wenn jede erdenkliche Sorgfalt ergriffen wurde, um Vollständigkeit und Genauigkeit
sicherzustellen.
  Alle Rechte zur Änderung ohne vorherige Mitteilung jederzeit vorbehalten; zudem wird keine
Verpflichtung übernommen, solche Änderungen auch an bereits hergestellten Produkten vorzunehmen.
Aktuelle Informationen über Produktverbesserungen nach Datum der Drucklegung dieser Unterlagen
erhalten Sie von Ihrem Motorradhändler.
  Alle Informationen in diesen Unterlagen beruhen auf den aktuellen Produktinformationen zum Zeitpunkt
der Drucklegung. Abbildungen und Fotos in diesen Unterlagen dienen nur zur Bezugnahme und müssen
nicht alle Details der aktuellen Modelle wiedergeben.



© 2007 Kawasaki Heavy Industries, Ltd.                                  Erste Ausgabe (1): 30. Jan. 2007
VERZEICHNIS DER ABKÜRZUNGEN
A           Ampere                          lb      Pfund
ABDC        Nach unterem Totpunkt           m       Meter
AC          Wechselstrom                    min     Minuten
ATDC        Nach oberem Totpunkt            N       Newton
BBC         Vor unterem Totpunkt            Pa      Pascal
BDC         Unterer Totpunkt                PS      Leistung
Vor
unterem     Vor oberem Totpunkt             psi     Pfund pro Quadratzoll
Totpunkt
°C          Grad Celsius                    r       Umdrehung
DC          Gleichstrom                     U/min   Umdrehungen pro Minute
F           Farad                           TDC     Oberer Totpunkt
°F          Grad Fahrenheit                 TIR     Maximaler Anzeigewert
Fuß         Fuß                             V       Volt
g           Gramm                           W       Watt
h           Stunde                          Ω       Ohm
L           Liter

                         LÄNDER- UND GEBIETSKENNZAHLEN
AU         Australien                      MY       Malaysia
CA         Kanada                          US       Vereinigte Staaten
                                                    Typengenehmigung für das
CAL        Kalifornien                     WVTA
                                                    Gesamtfahrzeug
FR         Frankreich
INFORMATIONEN ZUM ABGASREINIGUNGSSYSTEM

       Zum Schutz der Umwelt hat Kawasaki einen Emissionsfilter für das Kurbelgehäuse
     (1) und eine Abgasemissionsanlage (2) entsprechend den geltenden Vorschriften der
     US-Umweltschutzbehörde und der kalifornischen Umweltschutzbehörde vorgesehen. Außer-
     dem hat Kawasaki eine Absauganlage für Kraftstoffdämpfe (3) entsprechend den geltenden
     Vorschriften der kalifornischen Umweltschutzbehörde für in Kalifornien zum Verkauf angebotene
     Fahrzeuge vorgesehen.
     1. Emissionsfilter für das Kurbelgehäuse
     Dieses System verhindert, dass Dämpfe aus dem Kurbelgehäuse in die Atmosphäre austreten.
   Die Dämpfe werden stattdessen durch einen Ölabscheider zur Einlassseite des Motors geleitet.
   Bei laufendem Motor werden die Dämpfe in die Brennkammer eingesaugt und dort zusammen mit
   dem Kraftstoff und der Luft der Kraftstoffeinspritzanlage verbrannt.
     2. Abgasemissionsanlage
     Diese Anlage verringert die Verschmutzung der Atmosphäre durch die Abgase dieses Mo-
   torrades. Die Kraftstoffanlage, die Zündanlage und die Abgasanlage dieses Motorrads wurden
   sorgfältig konzipiert und so gestaltet, dass ein effektiver Motorbetrieb bei niedrigen Abgaswerten
   sichergestellt ist.
     Die Abgasanlage dieses Motorrads, die vorwiegend für den Verkauf in Kalifornien produziert
   wird, besitzt einen Katalysator.
     3. Tankdunstsystem
     Durch Verdunstung des Kraftstoffs entstandene Dämpfe der Kraftstoffanlage werden nicht an die
   Atmosphäre abgegeben. Die Kraftstoffdämpfe werden stattdessen in den laufenden Motor geleitet
   und dort verbrannt oder bei gestopptem Motor in einem Behälter gespeichert. Der flüssige Kraft-
   stoff wird durch einen Dunstabscheider zurückgehalten und zum Kraftstofftank zurückgeleitet.
       Im "Clean Air Act", dem Bundesgesetz zur Reinhaltung der Luft von Abgasen, ist festgelegt,
     was unter “unbefugter Eingriff/Manipulationen” zu verstehen ist.
       “Abschn. 203(a) Die folgenden Handlungen sind daher untersagt:
     (3)(A) Es ist allen Personen (einschl. Hersteller und Händler) untersagt, Geräte oder konstruk-
           tive Elemente eines neuen Fahrzeugs oder Fahrzeugmotors, die gemäß dieser Regularien
           zur Reinhaltung der Luft dienen, vor oder nach dem Verkauf oder der Auslieferung an den
           Endkunden auszubauen oder unwirksam zu machen.
     (3)(B) Es ist allen Personen, die Fahrzeuge bzw. Fahrzeugmotoren reparieren, warten,
           verkaufen, verleasen oder damit handeln oder eine Fahrzeugflotte unterhalten, untersagt,
           wissentlich Geräte oder konstruktive Elemente eines Fahrzeugs oder Fahrzeugmotors, die
           unter diese Regularien fallen, nach dem Verkauf oder der Auslieferung an den Endkunden
           auszubauen oder unwirksam zu machen...”
                                             ANMERKUNG
○Die Klausel “Gerät oder konstruktives Element entfernen oder unwirksam machen” wird im Allge-
 meinen wie folgt interpretiert.
     1. Unter Manipulationen wird nicht der vorübergehende Ausbau oder die vorüberge-
        hende Außerbetriebnahme von Geräten oder konstruktiven Elementen bei
        Wartungsarbeiten verstanden.
     2. Manipulationen können sein.
       a.Fehleinstellungen von Fahrzeugkomponenten, die zur Überschreitung der zulässi-
         gen Emissionswerte führen.
       b.Verwendung von Austauschteilen, die die Leistungsfähigkeit und Haltbarkeit des
         Motorrads negativ beeinflussen.
       c.Hinzufügen von Komponenten und Zubehör, die zu einer Überschreitung der zuläs-
         sigen Fahrzeug-Sollwerte führen.
       d.Permanenter Ausbau, Abklemmen oder Deaktivierung von Geräten oder konstruk-
         tiven Elementen der Abgasemissionsanlage.
WIR EMPFEHLEN ALLEN HÄNDLERN, DIESE REGELUNGEN DES US-BUNDESRECHTES
    ZU BEACHTEN. DIE VERLETZUNG DIESER REGELUNGEN WIRD ZIVILRECHTLICH
MIT EINER GELDSTRAFE VON BIS ZU ZEHNTAUSEND DOLLAR PRO EINZELFALL
 BESTRAFT.


EINE MANIPULATION DER SCHALLDÄMPFERANLAGE IST UNTERSAGT

   Das Bundesrecht untersagt folgende Handlungen bzw. die Veranlassung der folgenden Hand-
 lungen. (1) Keine Person darf, ausgenommen für Wartungszwecke, Reparatur oder Austausch,
 Geräte oder konstruktive Elemente eines neuen Fahrzeugs, die zur Schalldämpfung dienen, vor
 dem Verkauf oder der Auslieferung an den Endkunden bzw. während der Nutzung ausbauen
 oder unwirksam machen und (2) das Fahrzeug verwenden, nachdem ein solches Gerät oder
 konstruktives Element ausgebaut oder unwirksam gemacht wurde.
   Zu den Handlungen, die als Manipulationen betrachtet werden, zählen unter Anderem.
 • Ersetzung einer Original-Abgasanlage oder eines Original-Schalldämpfers durch ein Er-
   satzteil, das nicht den gesetzlichen Bestimmungen entspricht.
 • Ausbau von Schalldämpfer(n) oder internen Schalldämpferkomponenten.
 • Ausbau des Luftfiltergehäuses oder Gehäusedeckels.
 • Modifizierungen an den Schalldämpfer(n) oder an der Luftansauganlage durch Schneiden,
   Bohren oder andere Handlungen, die den Geräuschpegel erhöhen.
Vorwort
  Dieses Handbuch ist vor allem für geschulte
Mechaniker in einer Fachwerkstatt gedacht.
                                                   • Die Arbeitsschritte in diesem Handbuch exakt
                                                     einhalten. Keine Arbeitsschritte auslassen.
Es enthält jedoch genügend Einzelheiten und
grundlegende Informationen, um auch für den
                                                   • Reparaturprotokolle mit Angaben zu dem
                                                     Wartungs- und Reparaturarbeiten sowie
                                                                                              den

Fahrzeughalter nützlich zu sein, der einfache       Datum und eventuell eingebauten neuen
Wartungs- und Reparaturarbeiten selbst aus-         Teilen vervollständigen.
führt. Grundkenntnisse der Mechanik, der
ordnungsgemäße Umgang mit Werkzeugen,
und die Arbeitsschritte in der Werkstatt müssen          Verwendung dieses
bekannt sein, damit die Wartungs- und Re-
paraturarbeiten zufrieden stellend ausgeführt
                                                             Handbuchs
werden können. Wenn der Fahrzeughalter               In diesem Handbuch wird das Produkt mit sei-
nicht über hinreichende Erfahrung verfügt oder     nen Hauptbaugruppen vorgestellt. Jede Haupt-
sich nicht sicher ist, ob seine Kenntnisse zur     baugruppe entspricht einem Kapitel des Hand-
Durchführung der Arbeiten ausreichen, sollte er    buchs. In der Kurzanleitung finden Sie alle Sys-
alle Einstellungen, Wartungs- und Reparatur-       teme des Produkts und können so die einzel-
arbeiten qualifizierten Fachleuten überlassen.     nen Kapitel leichter finden. Jedes Kapitel be-
  Um Arbeiten effektiv auszuführen und teure       sitzt wiederum ein eigenes, separates Inhalts-
Fehler zu vermeiden, den Text gründlich            verzeichnis.
durchlesen, sich selbst eingehend mit den            Wenn Sie zum Beispiel Angaben zur Stab-
Arbeitsschritten vertraut machen und erst          zündspule benötigen, suchen Sie zuerst in der
dann die Arbeiten in einem sauberen Bereich        Handbuchübersicht das Kapitel zur Elektrik.
mit Sorgfalt beginnen. Wenn Spezialwerk-           Schlagen Sie danach das Inhaltsverzeichnis
zeuge oder besondere Hilfsmittel angegeben         auf der ersten Seite des Kapitels auf, bis Sie
sind, dürfen diese nicht durch behelfsmäßige       den Abschnitt zur Stabzündspule gefunden
Werkzeuge oder Hilfsmittel ersetzt werden.         haben.
Präzisionsmessungen können nur vorgenom-             Die mit den Symbolen ACHTUNG und VOR-
men werden, wenn die richtigen Instrumente         SICHT markierten Anweisungen unbedingt ein-
eingesetzt werden, und die Verwendung von          halten! Stets auf Sicherheit bei Betrieb und
Behelfswerkzeugen kann den sicheren Betrieb        Wartungsarbeiten achten.
beeinträchtigen.                                                     ACHTUNG
  Während der Garantielaufzeit empfeh-
len wir, alle Reparaturen und planmäßigen           Diese Textstellen weisen auf wichtige
Wartungsarbeiten entsprechend diesem Werk-          Sicherheitsvorkehrungen hin, deren
statt-Handbuch auszuführen. Werden vom              Nichtbefolgung zu Körperverletzungen
Fahrzeughalter Wartungs- oder Reparatur-            und tödlichen Unfällen führen kann.
arbeiten nicht oder abweichend von diesem
Handbuch durchgeführt, erlischt die Garantie.
                                                                    VORSICHT
  So wird die maximale Nutzungsdauer des            Dieses Symbol verweist auf besondere
Fahrzeugs erreicht.                                 Hinweise oder Arbeitsschritte, die bei
• Die Tabelle zur regelmäßigen Wartung im
  Werkstatt-Handbuch einhalten.
                                                    Nichteinhaltung Sachschäden verursa-
                                                    chen können.
• Auf Probleme achten und ggf. eine außer-
  planmäßige Wartung durchführen.                    Dieses Handbuch enthält vier weitere Sym-
                                                   bole (neben ACHTUNG und VORSICHT), mit
• Nur zugelassene Werkzeuge und Ka-
  wasaki-Motorradersatzteile verwenden. Spe-
                                                   denen die verschiedenen Arten von Informatio-
  zialwerkzeuge, Lehren und Prüfgeräte, die        nen gegliedert werden.
  für Wartungsarbeiten an den Motorrädern von                    ANMERKUNG
  Kawasaki benötigt werden, werden im Hand-        ○Anmerkungen enthalten allerlei Nützli-
  buch vorgestellt. Als Ersatzteile lieferbare      ches, besonders Tipps für einen wirt-
  Originalteile finden Sie im Ersatzteilkatalog.    schaftlicheren Betrieb und eine komfor-
                                                    tablere Bedienung.
• Symbol für einen Arbeitsschritt, der ausge-
  führt werden muss.
○Symbol für einen kleineren Arbeitsschritt bzw.
  für die Ausführung des Arbeitsschritts. Die-
  ses Symbol steht auch vor einer ANMER-
  KUNG.
  Symbol für eine Voraussetzung oder eine
  Maßnahme, die von den Ergebnissen der
  Prüfung oder Durchsicht in dem vorherge-
  henden Arbeitsschritt oder Teilschritt ab-
  hängt.
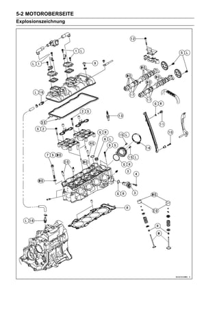
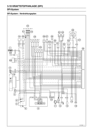
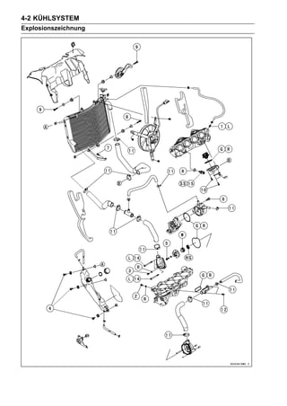
  In den meisten Kapiteln finden Sie nach dem
Inhaltsverzeichnis Explosionszeichnungen der
Systembauteile. In diesen Abbildungen ist an-
gegeben, bei welchen Bauteilen ein bestimm-
tes Anzugsmoment eingehalten werden muss
oder die beim Zusammenbau geölt oder gefet-
tet werden müssen.
ALLGEMEINE HINWEISE 1-1




                           Allgemeine Hinweise
                                             INHALTSVERZEICHNIS
                                                                                                                                          1
Vorbereitungen vor Beginn der Wartungsarbeiten .................................................................                    1-2
Modellkennzeichnung.............................................................................................................    1-8
Allgemeine technische Daten .................................................................................................      1-10
Einheitenumrechnungstabelle ................................................................................................       1-13
1-2 ALLGEMEINE HINWEISE
Vorbereitungen vor Beginn der Wartungsarbeiten
  Vor Beginn einer Prüfung oder Demontage und eines Zusammenbaus am Motorrad die folgen-
den Hinweise zu Vorsichtsmaßnahmen durchlesen. Zur Erleichterung der Arbeitsgänge sind, sofern
erforderlich, in dem jeweiligen Kapitel Hinweise, Abbildungen, Warnhinweise und ausführliche Be-
schreibungen enthalten. In diesem Abschnitt werden die Einzelheiten erläutert, die beim Ausbau und
Einbau bzw. bei der Zerlegung und dem Zusammenbau von Teilen besonders zu beachten sind.
  Insbesondere folgende Hinweise beachten.
Batteriemasse
  Vor der Durchführung von Wartungsarbeiten an dem Mo-
torrad die Batteriekabel von der Batterie abklemmen, damit
der Motor nicht versehentlich gestartet werden kann. Zu-
erst das Massekabel (–) und dann das Pluskabel (+) ab-
klemmen. Nach Abschluss der Wartungsarbeiten zuerst
das Pluskabel (+) mit dem Pluspol der Batterie und dann
das Minuskabel (–) mit dem Minuspol der Batterie verbin-
den.

Scharfkantige Teile
 Große oder schwere Teile mit Handschuhen anheben, um
Verletzungen durch scharfe Kanten der Teile zu vermeiden.




Lösungsmittel
  Zur Reinigung von Teilen ein Lösungsmittel mit hohem
Flammpunkt verwenden. Das Lösungsmittel mit hohem
Flammpunkt entsprechend den Anweisungen des Lö-
sungsmittelherstellers einsetzen.




Vor der Zerlegung das Fahrzeug reinigen.
  Vor der Zerlegung das Fahrzeug gründlich reinigen.
Schmutz oder andere Fremdkörper, die beim Zerlegen des
Fahrzeugs in abgedichtete Bereiche gelangen, können zu
übermäßigem Verschleiß und Verkürzung der Nutzungs-
dauer des Fahrzeugs führen.
ALLGEMEINE HINWEISE 1-3
Vorbereitungen vor Beginn der Wartungsarbeiten
Anordnung und Reinigung von ausgebauten
Teilen
  Ausgebaute Teile können leicht verwechselt werden. Die
Teile in der Reihenfolge ablegen, in der sie demontiert wur-
den, und vor dem Zusammenbau die Teile reinigen.




Lagerung ausgebauter Teile
  Nach Reinigung aller Teile und aller Teile von Baugruppen
die Teile an einem sauberen Ort aufbewahren. Die Teile mit
einem sauberen Tuch oder einer Plastikfolie vor Fremdkör-
pern schützen, die sich vor dem erneuten Zusammenbau
ablagern könnten.




Prüfung
  Die erneute Verwendung von verschlissenen oder be-
schädigten Teilen kann zu schweren Unfällen führen.
Ausgebaute Teile visuell auf Korrosion, Verfärbung und
sonstige Schäden untersuchen. Die Grenzwerte der einzel-
nen Teile finden Sie in den betreffenden Abschnitten dieses
Handbuchs. Teile ersetzen, bei denen Beschädigungen
festgestellt wurden oder deren Grenzwert überschritten ist.



Ersatzteile
   Ersatzteile müssen Originalersatzteile von Kawasaki oder
von Kawasaki empfohlene Ersatzteile sein. Dichtungen, O
-Ringe, Öldichtungen, Schmierfettdichtungen, Sicherungs-
ringe oder Splinte müssen bei jeder Demontage durch neue
Teile ersetzt werden.




Montagereihenfolge
  In den meisten Fällen entspricht die Montagereihenfolge
der umgekehrten Reihenfolge der Zerlegung, wird jedoch in
diesem Werkstatt-Handbuch eine Montagereihenfolge an-
gegeben, sind deren Schritte einzuhalten.
1-4 ALLGEMEINE HINWEISE
Vorbereitungen vor Beginn der Wartungsarbeiten
Anziehreihenfolge
  Grundsätzlich gilt, dass beim Einbau eines Bauteils mit
mehreren Schrauben oder Muttern alle erst in ihren Boh-
rungen angefädelt werden müssen, bevor sie festgezogen
werden. Dann die Schrauben bzw. Muttern gemäß vor-
gegebener Anziehreihenfolge festziehen, um ein Verziehen
von Gehäusen oder eine Deformierung, die zu Fehlfunktio-
nen führen kann, zu vermeiden. Gleichfalls sind beim Lö-
sen von Schrauben oder Muttern erst alle um ca. eine Vier-
tel Umdrehung zu lösen, bevor sie alle ausgebaut werden.
Wenn eine bestimmte Anziehreihenfolge nicht angegeben
ist, die Schrauben kreuzweise anziehen.
Anzugsmoment
  Ein falsches Anzugsmoment für Schrauben, Muttern
oder Schraubenbolzen kann zu schweren Schäden führen.
Schrauben mit dem vorgeschriebenen Anzugsmoment und
einem hochwertigen Drehmomentschlüssel festziehen.




Kraft
   Bei Zerlegung und Zusammenbau keine Gewalt anwen-
den, dadurch kann es zu kostspieligen oder schwer zu repa-
rierenden Schäden kommen. Ggf. Schrauben, auf die ein
nicht-permanentes Gewindedichtmittel aufgetragen wurde,
mit einem Schlagschraubendreher lösen. Ist der Einsatz
eines Hammers erforderlich, einen Hammer mit Kunststoff-
mantel verwenden.



Dichtung, O-Ring
  Eine Verhärtung, ein Schrumpfen oder die Beschädigung
von Dichtungen und Rundringen nach der Zerlegung kann
deren Dichteigenschaften verschlechtern. Die alten Dich-
tungen entfernen und die Dichtflächen gründlich reinigen,
sodass keine Fremdkörper und kein Dichtmaterial mehr
vorhanden sind. Die neuen Dichtungen einbauen und die
verwendeten O-Ringe beim Zusammenbau ersetzen.
ALLGEMEINE HINWEISE 1-5
Vorbereitungen vor Beginn der Wartungsarbeiten
Flüssigdichtung, nicht-permanente
Sicherungsmasse
  Muss eine Flüssigdichtung oder ein Gewindedichtmittel
aufgetragen werden, die Oberflächen so reinigen, dass kein
Restöl mehr vorhanden ist und erst dann die Flüssigdich-
tung oder die nicht-permanente Sicherungsmasse auftra-
gen. Diese Mittel sparsam auftragen. Bei überreichlichem
Auftrag können Ölkanäle verstopft werden, und es kann zu
schweren Schäden kommen.


Drückvorrichtung
  Bei Teilen, beispielsweise Lagern oder Öldichtungen, die
eingepresst werden müssen, den Kontaktbereich mit etwas
Öl benetzen. Auf richtige Ausrichtung achten und bei der
Montage ruckartige Bewegungen vermeiden.




Kugellager und Nadellager
  Eingepresste Kugel- oder Nadellager nicht ausbauen, es
sei denn, der Ausbau ist unbedingt erforderlich. Die aus-
gebauten Teile in jedem Fall durch neue ersetzen. Die La-
ger so einpressen, dass die Markierungen für die Größe
und den Hersteller nach außen zeigen. Das Lager durch
Druck auf die betreffende Lagerlaufbahn, wie in der Abbil-
dung dargestellt, eindrücken.
  Wird der Druck auf die falsche Lagerlaufbahn ausgeübt,
kann es zu einem Druckunterschied zwischen dem inneren
und äußeren Laufring und damit zu einer Beschädigung des
Lagers kommen.
Öldichtung, Schmierfettdichtung
  Eingepresste Öl- oder Schmierfettdichtungen nur aus-
bauen, wenn dies unbedingt erforderlich ist. Die ausge-
bauten Teile in jedem Fall durch neue ersetzen. Neue
Öldichtungen eindrücken, die Herstellermarkierung und die
Größenangabe müssen nach außen zeigen. Bei der Mon-
tage darauf achten, dass die Dichtung richtig ausgerichtet
ist.
1-6 ALLGEMEINE HINWEISE
Vorbereitungen vor Beginn der Wartungsarbeiten
   Das vorgegebene Schmierfett auf der Lippe des Dicht-
rings anordnen, bevor der Dichtring eingebaut wird.




Sicherungsringe, Splint
 Die Sicherungsringe oder Splinte nach dem Ausbau im-
mer durch neue Teile ersetzen. Den Sicherungsring bei der
Montage nicht zu weit öffnen, um eine Deformation zu ver-
meiden.




Schmierung
  Rotierende oder gleitende Teile müssen während des
Einbaus geschmiert werden, um den Verschleiß während
der ersten Inbetriebnahme zu minimieren. Die Schmier-
punkte sind in diesem Handbuch gekennzeichnet, jeweils
das vorgeschriebene Öl oder Fett für die Schmierung
verwenden.




Motordrehrichtung
  Bei Drehung der Kurbelwelle mit der Hand wirkt sich das
freie Spiel in Drehrichtung auf die Einstellung aus. Die Kur-
belwelle nach rechts drehen (beim Blick auf die Abtriebs-
welle in Uhrzeigerrichtung).




Verkabelung
  Eine zweifarbige Ader wird durch die Grundfarbe und die
Streifenfarbe identifiziert. Sofern nicht ausdrücklich anders
angegeben, müssen elektrische Adern immer mit Adern der
gleichen Farbe verbunden werden.
ALLGEMEINE HINWEISE 1-7
Vorbereitungen vor Beginn der Wartungsarbeiten
Instrument
  Verwenden Sie ein Messgerät mit ausreichender Genau-
igkeit für die Messung. Lesen Sie die Anleitung des Herstel-
lers durch, bevor Sie das Messgerät verwenden. Falsche
Werte können zu fehlerhaften Einstellungen führen.
1-8 ALLGEMEINE HINWEISE
Modellkennzeichnung
ZX600P7F (Europa) Linke Seitenansicht




ZX600P7F (Europa) Rechte Seitenansicht
ALLGEMEINE HINWEISE 1-9
Modellkennzeichnung
ZX600P7F (USA und Kanada) Linke Seitenansicht




ZX600P7F (USA und Kanada) Rechte Seitenansicht
1-10 ALLGEMEINE HINWEISE
Allgemeine technische Daten

             Teile                              ZX600P7F (Ninja ZX-6R)
Abmessungen
 Gesamtlänge                2.105 mm
 Gesamtbreite               720 mm
 Gesamthöhe                 1.125 mm
 Radstand                   1.405 mm
 Bodenabstand               125 mm
 Sitzhöhe                   820 mm
 Trockenmasse               167 kg
 Leermasse:
   Vorn                     101 kg
   Hinten                   99 kg
 Fassungsvermögen des       17 L
 Kraftstofftanks
Leistung
 Mindestwenderadius         3,4 m
Motor
 Typ                       4-Takt - 4 Zylinder-Motor mit doppelter oben liegender Nockenwelle
 Kühlsystem                Flüssigkeitsgekühlt
 Bohrung und Hub           67,0 × 42,5 mm
 Hubraum                   599 ml
 Verdichtungsverhältnis    13,3 : 1
 Maximale Leistung         91,9 kW (125 PS) bei 14.000 U/min,
                           (FR) 78,2 kW (106 PS) bei 14.000 U/min,
                           (MY) 80,0 kW (109 PS) bei 12.000 U/min,
                           (CA), (CAL), (US) – – –
 Maximales Drehmoment      66,0 N·m (6,7 kgf·m) bei 11.700 U/min,
                           (FR) 58,4 N·m (6,0 kgf·m) bei 11.700 U/min,
                           (MY) 64 N·m (6,5 kgf·m) bei 12.000 U/min,
                           (CA), (CAL), (US) – – –
 Gemischaufbereitungssys- FI (Kraftstoffeinspritzung)
 tem                       Primär: KEIHIN TTK 38 × 4
                           Sekundär: KEIHIN Multihole (8 Bohrungen) × 4
 Startersystem             Elektrostarter
 Zündanlage                Batterie und Spule (Transistorzündung)
 Zündvoreinstellung        Mit moderner Elektronik (Digitalzünder in der ECU)
 Zündzeitpunkt             Von 12,5° v.OT bei 1.300 U/min
 Zündkerze                 NGK CR9E
 Nummerierung der Zylinder Links nach rechts, 1-2-3-4
 Zündfolge                 1-2-4-3
ALLGEMEINE HINWEISE 1-11
Allgemeine technische Daten

            Teile                                ZX600P7F (Ninja ZX-6R)
 Ventilsteuerzeiten:
  Einlass:
     Öffnen                  41° v. OT
     Schließen               67° n. OT
     Dauer                   288°
   Auslass:
     Öffnen                  63° v. UT
     Schließen               23° n. OT
     Dauer                   266°
 Schmiersystem               Druckumlaufschmierung (Nasssumpf mit Ölkühler)
 Motoröl:
  Typ                        API SE, SF oder SG
                             API SH, SJ oder SL mit JASO MA
   Viskosität                SAE10W-40
   Kapazität                 3,8 Liter
Antriebsstrang
 Primäre Untersetzung:
   Typ                       Zahnradgetriebe
   Übersetzungsverhältnis    1.900 (76/40)
 Kupplungstyp                Mehrscheiben-Ölbadkupplung
 Getriebe:
  Typ                        6 Gänge, Dauereingriff, mit Zurückstellung
  Übersetzungsverhält-
  nisse:
     1. Gang                 2.714   (38/14)
     2. Gang                 2.200   (33/15)
     3. Gang                 1.850   (37/20)
     4. Gang                 1.600   (32/20)
     5. Gang                 1.421   (27/19)
     6. Gang                 1.300   (26/20)
 Achsantrieb:
  Typ                        Kettenantrieb
   Übersetzungsverhältnis    2.688 (43/16)
   Gesamtübersetzung         6,638 im obersten Gang
Rahmen
 Typ                         Rohrrahmen, Parallelogramm
 Nachlauf (Nachlaufwinkel)   25°
 Nachversetzte Achse         110 mm
 Vorderreifen:
   Typ                       Schlauchlos
   Größe                     120/70 ZR17 M/C (58 W)
 Hinterreifen:
   Typ                       Schlauchlos
   Größe                     180/55 ZR17 M/C (73 W)
1-12 ALLGEMEINE HINWEISE
Allgemeine technische Daten

            Teile                                  ZX600P7F (Ninja ZX-6R)
  Felgengröße:
    Vorn                     17 × 3,50
    Hinten                   17 × 5,50
  Vorderrad-Federung:
    Typ                      Vorderradgabel (Upside-Down-Anordnung)
    Federweg                 120 mm
  Hinterradfederung:
    Typ                      Schwinge (Uni-Trak)
    Federweg                 133 mm
  Bremsentyp:
    Vorn                     Doppelscheibenbremse
    Hinten                   Einzelne Scheibe
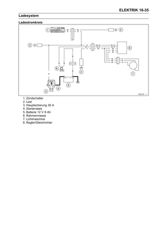
Elektrik
  Batterie                   12 V 8 Ah
  Scheinwerfer:
    Typ                      Asymmetrisch
    Glühlampe:
      Hoch                   12 V 55 W + 65 W (Quartz-Halogen)
      Niedrig                12 V 55 W (Quartz-Halogen)
  Rück-/Bremslicht           12 V 0,1/1,6 W (LED)
  Lichtmaschine:
    Typ                      Dreiphasenwechselstrom
    Nennleistung             31 A/14 V bei 5.000 U/min
Bei den technischen Daten sind Änderungen ohne vorherige Information vorbehalten, diese Ände-
rungen können je nach Land unterschiedlich sein.
ALLGEMEINE HINWEISE 1-13
Einheitenumrechnungstabelle
 Präfixe für Einheiten                        Maßeinheiten für die Länge
                                              km        ×   0,6214    =    Meile
  Präfixe       Symbol        Leistung
                                              m         ×   3,281     =    Fuß
  Mega            M       ×   1.000.000
                                              mm        ×   0,03937   =    in
  Kilo            k       ×   1.000
  Zenti           c       ×   0,01
  Milli           m       ×   0,001           Maßeinheiten für das
  Mikro           µ       ×   0,000001
                                              Anzugsmoment
                                              N·m       ×   0,1020    =    kgf·m
                                              N·m       ×   0,7376    =    ft·lb
                                              N·m       ×   8,851     =    in·lb
 Maßeinheiten für die Masse
                                              kgf·m     ×   9,807     =    N·m
  kg        ×   2,205     =      lb
                                              kgf·m     ×   7,233     =    ft·lb
  g         ×   0,03527   =      oz
                                              kgf·m     ×   86,80     =    in·lb

 Maßeinheiten für das Volumen
                                              Maßeinheiten für den Druck
  L         ×   0,2642    =      gal (US)
                                              kPa       ×   0,01020   =    kgf/cm²
  L         ×   0,2200    =      gal (imp)
                                              kPa       ×   0,1450    =    psi
  L         ×   1,057     =      qt (US)
                                              kPa       ×   0,7501    =    cmHg
  L         ×   0,8799    =      qt (imp)
                                              kgf/cm²   ×   98,07     =    kPa
  L         ×   2,113     =      Pint (US)
                                              kgf/cm²   ×   14,22     =    psi
  L         ×   1,816     =      Pint (imp)
                                              cmHg      ×   1,333     =    kPa
  ml        ×   0,03381   =      oz (US)
  ml        ×   0,02816   =      oz (imp)
  ml        ×   0,06102   =      cu in
                                              Maßeinheiten für die
                                              Geschwindigkeit
                                              km/h      ×   0,6214    =    mph
 Maßeinheiten für die Kraft
  N         ×   0,1020    =      kg
                                              Maßeinheiten für die Leistung
  N         ×   0,2248    =      lb
                                              kW        ×   1,360     =    PS
  kg        ×   9,807     =      N
                                              kW        ×   1,341     =    HP
  kg        ×   2,205     =      lb
                                              PS        ×   0,7355    =    kW
                                              PS        ×   0,9863    =    HP

Maßeinheiten für die Temperatur
REGELMÄßIGE WARTUNG 2-1




                          Regelmäßige Wartung
                                               INHALTSVERZEICHNIS
Tabelle zur regelmäßigen Wartung.........................................................................................                   2-3
Anzugsmoment und Gewindedichtmittel ................................................................................                        2-7   2
Technische Daten ...................................................................................................................       2-14
Spezialwerkzeuge ..................................................................................................................        2-16
Wartungsschritte.....................................................................................................................      2-17
 Kraftstoffanlage (DFI) ..........................................................................................................         2-17
   Prüfung der Drosselklappensteuerung .............................................................................                       2-17
   Prüfung der Motorunterdruck-Synchronisation .................................................................                           2-17
   Prüfung der Leerlaufdrehzahl ...........................................................................................                2-21
   Einstellung der Leerlaufdrehzahl ......................................................................................                 2-22
   Prüfung der Bremsschläuche (auf Kraftstoffaustritt, Beschädigung und einwandfreie
     Verlegung)......................................................................................................................      2-22
 Tankdunstsystem (Modelle für Kalifornien)..........................................................................                       2-22
   Überprüfung des Tankdunstsystems ................................................................................                       2-22
 Motoroberseite.....................................................................................................................       2-23
   Prüfung des Ventilspiels....................................................................................................            2-23
   Einstellung des Ventilspiels...............................................................................................             2-25
 Ansaugluftsystem ................................................................................................................         2-28
   Prüfung des Ansaugluftsystems auf Beschädigung..........................................................                                2-28
 Kühlsystem ..........................................................................................................................     2-28
   Prüfung des Kühlflüssigkeitsstands ..................................................................................                   2-28
   Prüfung der Bremsschläuche auf Beschädigung und einwandfreie Verlegung ................                                                 2-29
 Kupplung..............................................................................................................................    2-29
   Funktionsprüfung der Kupplung........................................................................................                   2-29
 Räder/Reifen........................................................................................................................      2-30
   Prüfung des Reifendrucks.................................................................................................               2-30
   Prüfung der Räder/Reifen auf Beschädigung ...................................................................                           2-30
   Prüfung auf Reifenprofilverschleiß....................................................................................                  2-31
   Prüfung des Radlagers auf Beschädigung .......................................................................                          2-31
 Antriebsstrang......................................................................................................................      2-32
   Prüfung der Antriebskette auf ausreichende Schmierung ................................................                                  2-32
   Prüfung des Antriebsketten-Durchhangs ..........................................................................                        2-33
   Einstellung des Antriebsketten-Durchhangs .....................................................................                         2-33
   Prüfung der Radausrichtung .............................................................................................                2-34
   Prüfung der Antriebskette auf Verschleiß .........................................................................                      2-35
   Prüfung der Kettenführung auf Verschleiß........................................................................                        2-35
 Bremsanlage........................................................................................................................       2-36
   Prüfung auf Bremsflüssigkeitsaustritt (Bremsschlauch und -leitung)................................                                      2-36
   Prüfung der Bremsschläuche auf Beschädigung und einwandfreie Verlegung ................                                                 2-36
   Funktionsprüfung der Bremsen.........................................................................................                   2-36
   Prüfung des Bremsflüssigkeitsstandes .............................................................................                      2-37
   Prüfung der Bremsbeläge auf Verschleiß .........................................................................                        2-38
   Funktionsprüfung des Bremslichtschalters .......................................................................                        2-38
 Federung .............................................................................................................................    2-39
   Funktionsprüfung von Vorderradgabel/Hinterrad-Stoßdämpfer ........................................                                      2-39
   Prüfung der Vorderradgabel auf Öllecks...........................................................................                       2-39
   Prüfung des Hinterrad-Stoßdämpfers auf Ölleck ..............................................................                            2-40
   Funktionsprüfung des Kipphebels.....................................................................................                    2-40
   Funktionsprüfung der Spurstange.....................................................................................                    2-40
 Lenkung ...............................................................................................................................   2-41
2-2 REGELMÄßIGE WARTUNG

 Prüfung des Lenkungsspiels.............................................................................................                   2-41
 Einstellung des Lenkungsspiels........................................................................................                    2-41
 Schmierung des Lenkschaftlagers....................................................................................                       2-42
 Prüfung der Licht- und Schalterfunktion............................................................................                       2-43
 Prüfung der Scheinwerferausrichtung...............................................................................                        2-45
 Funktionsprüfung des Seitenständerschalters..................................................................                             2-46
 Funktionsprüfung des Motorstoppschalters ......................................................................                           2-47
Sonstige Teile ......................................................................................................................      2-48
 Schmierung der Fahrgestellteile .......................................................................................                   2-48
 Prüfung der Schrauben, Muttern und Feststeller auf festen Sitz ......................................                                     2-49
Ersatzteile ............................................................................................................................   2-51
 Ersatz des Luftfilterelements.............................................................................................                2-51
 Wechsel des Kraftstoffschlauches ....................................................................................                     2-53
 Wechseln der Kühlflüssigkeit ............................................................................................                 2-55
 Wechsel des Kühlerschlauches und O-Rings...................................................................                               2-58
 Wechsel des Motoröls.......................................................................................................               2-59
 Wechsel des Ölfilters ........................................................................................................            2-60
 Wechsel des Bremsschlauchs und der -leitung ................................................................                              2-61
 Wechsel der Bremsflüssigkeit...........................................................................................                   2-61
 Wechsel der Gummiteile des Hauptbremszylinders .........................................................                                  2-63
 Wechsel der Bremssattel-Gummiteile...............................................................................                         2-64
 Wechsel der Zündkerze ....................................................................................................                2-67
REGELMÄßIGE WARTUNG 2-3
Tabelle zur regelmäßigen Wartung
  Anhand dieser Tabelle muss eine regelmäßige Wartung durchgeführt werden, um das Motorrad in
gutem Zustand zu erhalten. Besonders die Erstinspektion ist von höchster Wichtigkeit und darf
auf keinen Fall ausgelassen werden.
Regelmäßige Inspektion
                               HÄUFIGKEIT Je nach-
                                            dem,
                                                                    * KILOMETERSTAND
                                            was
                                                                            × 1.000 km
                                           zuerst
                                           kommt

                                                     1    6    12    18   24   30   36
INSPEKTION                                   Alle
Kraftstoffanlage
Drosselklappensteuerung (Spiel, leichte
Zurückstellung, kein Schleifen) -
überprüfen
                                             Jahre   •         •          •         •
Motorunterdrucksynchronisation -
überprüfen                                                     •          •         •
Leerlaufdrehzahl - überprüfen                        •         •          •         •
Kraftstoffaustritt (Kraftstoffschlauch und
-leitung) - überprüfen
                                             Jahre   •         •          •         •
Kraftstoffschläuche und -leitung auf
Beschädigung - überprüfen
                                             Jahre   •         •          •         •
Kraftstoffschläuche und -rohr,
einwandfreie Verlegung - überprüfen
                                             Jahre   •         •          •         •
Tankdunstsystem (nur Modelle für
Kalifornien)
Tankdunstsystem - überprüfen                         • • • • •                 • •
Kühlsystem
Kühlflüssigkeitsstand - überprüfen                   •         •          •         •
Kühlflüssigkeitsaustritt (Kühlerschlauch
und -leitung) - überprüfen
                                             Jahre   •         •          •         •
Kühlerschläuche auf Beschädigung -
überprüfen
                                             Jahre   •         •          •         •
Kühlerschläuche, einwandfreie Verlegung
- überprüfen
                                             Jahre   •         •          •         •
Motoroberseite
Ventilspiel - überprüfen (Modelle für USA
und Kanada)                                                               •
Ventilspiel - überprüfen (Außer Modelle
                                                              Alle 42.000 km
für USA und Kanada)
Ansaugluftsystem
Ansaugluftsystem auf Beschädigung -
überprüfen                                                     •          •         •
Kupplung
Kupplungsfunktion (Spiel, Auskuppeln,
Einkuppeln) - überprüfen                             •         •          •         •
Räder und Reifen
Reifenluftdruck - überprüfen                 Jahre             •          •         •
2-4 REGELMÄßIGE WARTUNG
Tabelle zur regelmäßigen Wartung

                             HÄUFIGKEIT Je nach-
                                          dem,
                                                                    * KILOMETERSTAND
                                          was
                                                                            × 1.000 km
                                         zuerst
                                         kommt

                                                      1   6    12    18   24   30   36
INSPEKTION                                   Alle
Räder/Reifen auf Beschädigung -
überprüfen                                                     •          •         •
Reifenprofil, übermäßiger Verschleiß -
überprüfen                                                     •          •         •
Radlager auf Beschädigung - überprüfen      Jahre              •          •         •
Antriebsstrang
Schmierung der Antriebskette -
                                                          Alle 600 km
überprüfen #
Antriebskettendurchhang - überprüfen #                    Alle 1.000 km
Abnutzung der Antriebskette - überprüfen
#                                                              •          •         •
Abnutzung der Antriebskettenführung -
überprüfen                                                     •          •         •
Bremsanlage
Bremsflüssigkeitsaustritt (Bremsschlauch
und -leitung) - überprüfen
                                            Jahre     • • •          •    •    •    •
Bremsschlauch und -leitung auf
Beschädigung - überprüfen
                                            Jahre     • • •          •    •    •    •
Bremsbelagverschleiß - überprüfen #                     • •          •    •    •    •
Bremsschläuche, einwandfreie Verlegung
- überprüfen
                                            Jahre     • • •          •    •    •    •
Bremsflüssigkeitsstand - überprüfen        6 Monate   • • •          •    •    •    •
Funktion der Bremsen (Wirkung, Spiel,
Kein Schleifen) - überprüfen
                                            Jahre     • • •          •    •    •    •
Funktion des Bremslichtschalters -
überprüfen                                            • • •          •    •    •    •
Federung
Funktion von Vorderradgabel/Hinterrad
-Stoßdämpfer (Dämpfung und
leichtgängiger Hub) - überprüfen
                                                               •          •         •
Öldichtheit der Vorderradgabel/Hinterrad
-Stoßdämpfer - überprüfen
                                            Jahre              •          •         •
Kipphebelfunktion - überprüfen                                 •          •         •
Spurstangenfunktion - überprüfen                               •          •         •
Lenkung
Lenkungsspiel - überprüfen                  Jahre     •        •          •         •
Lenkschaftlager - schmieren                2 Jahre                        •
Elektrik
Licht- und Schalterfunktion - überprüfen    Jahre              •          •         •
Scheinwerferausrichtung - überprüfen        Jahre              •          •         •
REGELMÄßIGE WARTUNG 2-5
Tabelle zur regelmäßigen Wartung

                               HÄUFIGKEIT Je nach-
                                            dem,
                                                                      * KILOMETERSTAND
                                            was
                                                                              × 1.000 km
                                           zuerst
                                           kommt

                                                      1     6    12    18   24   30   36
INSPEKTION                                   Alle
Funktion des Seitenständerschalters -
überprüfen
                                            Jahre                •          •          •
Funktion des Motorstoppschalters -
überprüfen
                                            Jahre                •          •          •
Sonstige Teile
Fahrgestellteile - schmieren                Jahre                •          •          •
Fester Sitz von Bolzen und Muttern -
überprüfen                                            •          •          •          •
   *: Bei höheren Kilometerständen die hier angegebenen Wartungsintervalle wiederholen.
   #: Bei Betrieb des Motorrads unter erschwerten Bedingungen, in staubigen, feuchten oder schlam-
      migen Gegenden und bei häufigen Hochgeschwindigkeit- und Kurzstreckenfahrten muss die
      Wartung entsprechend häufiger erfolgen.
CAL: Modell für Kalifornien
2-6 REGELMÄßIGE WARTUNG
Tabelle zur regelmäßigen Wartung
Regelmäßig zu ersetzende Teile
                                 HÄUFIGKEIT Je nach-
                                              dem,
                                                                      * KILOMETERSTAND
                                              was
                                                                              × 1.000 km
                                             zuerst
                                             kommt
ZU WECHSELNDE/AUSZUTAUSCHENDE                               1    12      24    36     48
FLÜSSIGKEITEN UND TEILE                           Alle
Luftfilterelement #                                               Alle 18.000 km
Kraftstoffschlauch                               4 Jahre                              •
Kühlflüssigkeit                                  3 Jahre                       •
Kühlerschlauch und O-Ring                        3 Jahre                       •
Motoröl #                                         Jahre     •     •      •     •      •
Ölfilter                                          Jahre     •     •      •     •      •
Bremsschlauch und -leitung                       4 Jahre                              •
Bremsflüssigkeit                                 2 Jahre                 •            •
Gummiteile von Hauptbremszylinder und
Bremssattel
                                                 4 Jahre                              •
Zündkerze                                                         •      •     •      •
   *: Bei höheren Kilometerständen die hier angegebenen Wartungsintervalle wiederholen.
   #: Bei Betrieb des Motorrads unter erschwerten Bedingungen, in staubigen, feuchten oder schlam-
      migen Gegenden und bei häufigen Hochgeschwindigkeit- und Kurzstreckenfahrten muss die
      Wartung entsprechend häufiger erfolgen.
REGELMÄßIGE WARTUNG 2-7
Anzugsmoment und Gewindedichtmittel
  In den folgenden Tabellen sind die Anzugsmomente für die wichtigsten Verbindungselemente auf-
geführt, bei denen ein nicht-permanenter Gewindekleber oder ein Silikondichtmittel usw. aufgetragen
werden muss.

Die Buchstaben für die Spalte “Anmerkungen” bedeuten:
 AL: Die beiden Klemmschrauben abwechselnd zweimal anziehen, um ein gleichmäßiges Anzugs-
      moment sicherzustellen.
   G: Die Gewinde fetten.
   L: Ein nicht-permanentes Gewindedichtmittel auf die Gewindegänge auftragen.
 MO: Eine molybdänhaltige Disulfidöllösung auftragen.
   R: Ersatzteile
   S: Die vorgeschriebene Anzugsreihenfolge einhalten.
  SI: Silikonfett auftragen.
 SS: Silikondichtmittel auftragen.

                                                             Anzugsmoment
                  Verbindungselement                                              Anmerkungen
                                                             N·m     kgf·m
Kraftstoffanlage
 Luftfiltergehäuseschrauben                                   1,1        0,11
 Klemmschrauben des Luftfiltergehäuses                        2,0        0,20
 Befestigungsschraube des Luftfiltergehäuses                  6,9        0,70
 Befestigungsschrauben des Lufteinlasskanals                  9,8         1,0            L
 Schraube des Nockenwellensensors                             9,8         1,0
 Schrauben des Kurbelwellensensors                            5,9        0,60
 Befestigungsschrauben der Kraftstoffzuleitung                3,4        0,35
 (Einspritzdüsensatz)
 Befestigungsschrauben der Kraftstoffzuleitung                3,4        0,35
 (Drosselklappengehäuse)
 Befestigungsschrauben der Auslassklappenventil               6,9        0,70
 -Stelleinheit
 Schraube der Auslassklappenven-                              4,9        0,50
 til-Stelleinheitsscheibe
 Kraftstoffpumpenschrauben                                    9,8         1,0           L, S
 Befestigungsschrauben des Einspritzdüsensatzes               6,9        0,70
 Schraube des Einspritzdüsensatz-Kraftstoffschlauchs          4,9        0,50
 Befestigungsschraube der Abscheiderhalterung                 0,8        0,08
 Klemmschrauben des Drosselklappengehäusehalters              3,0        0,30
 Schrauben des Drosselklappenhalters                          12          1,2            L
 Schraube der Gaszughalteplatte                               3,9        0,40            L
 Schrauben des Umkippsensors                                  5,9        0,60
 Wassertemperatursensor                                       25          2,5           SS
Kühlsystem
 Halteschraube für Kühlflüssigkeit-Bypass                     8,8        0,90            L
 Kühlflüssigkeits-Ablassschraube (Bremszylinder)              9,8         1,0
 Kühlflüssigkeits-Ablassschraube (Wasserpumpe)                8,8        0,90
 Befestigungsschrauben des Kühlflüssigkeits                   7,0        0,70
 -Ausgleichsbehälters
 Flügelradschraube                                            9,8        1,0
  Befestigungsschrauben des Ölkühlers                         20         2,0
2-8 REGELMÄßIGE WARTUNG
Anzugsmoment und Gewindedichtmittel

                                                      Anzugsmoment
               Verbindungselement                                     Anmerkungen
                                                      N·m     kgf·m
 Befestigungsschraube der Kühlerhalterung             9,8       1,0
 Untere Kühlerschraube                                6,9      0,70
 Obere Kühlerschraube                                 9,8       1,0
 Thermostatgehäuse-Deckelschrauben                    5,9      0,60
 Klemmschrauben des Wasserschlauchs                   2,0      0,20
 Wasserschlauch-Halteschrauben (Zylinder)             9,8       1,0
 Wasserschlauch-Halteschrauben (Zylinderkopfdeckel)    15       1,5          L
 Wasserpumpen-Deckelschrauben                          12       1,2          L
 Wassertemperatursensor                                25       2,5         SS
Motoroberseite
 Schrauben für Ansaugluftventildeckel                 9,8      1,0           L
 Schrauben des Nockenwellendeckels                    12       1,2           S
 Kopfschrauben des Nockenwellenkettenspanners         20       2,0
 Befestigungsschrauben des Nockenwellenkettenspan-    11       1,1
 ners
 Befestigungsschrauben des Nockenwellen-Kettenrades   15        1,5        L
 Zylinderkopfschrauben (M9)                           39        4,0       MO, S
 Zylinderkopfschrauben (M6)                           12        1,2        S
 Schrauben des Zylinderkopfdeckels                    9,8       1,0
 Befestigungsmuttern der Auslassklappenventil         6,9      0,70
 -Stelleinheit
 Schraube der Auslassklappenven-                      4,9      0,50
 til-Stelleinheitsscheibe
 Sicherungsmuttern für Einstellschrauben des
                                                      6,9      0,70
 Auslassklappenventil-Gaszugs
 Sicherungsmuttern des Auslassklappenventil-Gaszugs   6,9      0,70
 Schraube des Auslassklappenventildeckels             6,9      0,70
 Klemmschraube des Auspuffrohrs                       17        1,7
 Muttern des Abgaskrümmerhalters                      17        1,7
 Befestigungsschraube des Auspuffrohrs                28        2,8
 Stehbolzen des Abgaskrümmerhalters                    –         –    (bei ausgeschal-
                                                                        tetem Motor)
 Schraube der vorderen Nockenwellenkettenführung      12       1,2
 (unten)
 Schraube der vorderen Nockenwellenkettenführung      25       2,5
 (oben)
 Klemmschrauben des Auspufftopfs                      17        1,7
 Befestigungsschrauben des Auspufftopfs               28        2,8
 Schrauben für hintere Schalldämpferabdeckung         6,9      0,70
 Schrauben für seitliche Schalldämpferabdeckung       6,9      0,70
 Schrauben für obere Schalldämpferabdeckung           6,9      0,70
 Schraube für obere Nockenwellenkettenführung         25        2,5
 Zündkerzen                                           13        1,3
 Lambdasonden                                         25        2,5
REGELMÄßIGE WARTUNG 2-9
Anzugsmoment und Gewindedichtmittel

                                                          Anzugsmoment
                Verbindungselement                                            Anmerkungen
                                                          N·m     kgf·m
 Klemmschrauben des Drosselklappengehäusehalters          2,9      0,30
 Schrauben des Drosselklappenhalters                       12       1,2            L
 Wasserkanal-Verschlussschrauben                           20       2,0            L
Kupplung
 Kupplungsdeckelschrauben (M6, L = 40 mm)                 9,8         1,0
 Kupplungsdeckelschrauben (M6, L = 25 mm)                 9,8         1,0
 Kupplungsnabenmutter                                     135         14           R
 Klemmschrauben für den Kupplungshebel                    7,8        0,80          S
 Kupplungsfederschrauben                                  8,8        0,90
 Schrauben der Teilkupplungsnabe                           25         2,5          L
Motorschmieranlage
 Öleinfülldeckel                                          2,0        0,20
 Entlüftungsschraube                                      9,8        1,0
 Motoröl-Ablassschraube                                   29         3,0
 Befestigungsschrauben des Ölkühlers/Ölfiltergehäuses     20         2,0           L
 Ölpumpen-Zahnradschraube                                 9,8        1,0           L
 Befestigungsschrauben des Ölkühlers                      20         2,0
 Ölfilter                                                 31         3,2         G, R
 Schrauben des Ölfilterschutzes                           4,0        0,41          L
 Schraube des Ölfilterhalters                             25         2,5           L
 Schrauben der Ölwanne                                    9,8        1,0
 Ölkanaldüse                                              4,9        0,50
 Ölkanal-Verschlussschrauben (Kegel)                      20         2,0           L
 Ölkanal-Verschlussschraube (Linke Seite)                 17         1,7
 Öldruckentlastungsventil                                 15         1,5           L
 Öldruckschalter                                          15         1,5          SS
 Klemmschraube des Öldruckschalters                        –          –         Handfest
 Klemmschrauben des Wasserschlauchs                       2,0        0,20
 Wasserpumpen-Deckelschrauben                             12          1,2          L
Ausbau/Einbau des Motors
 Sicherungsmutter der Einstellhülse                       49         5,0           S
 Einstellhülse                                            9,8        1,0           S
 Untere Motoraufhängungsmutter                            44         4,5           S
 Schraube der mittleren Motoraufhängungshalterung         25         2,5           S
 Mittlere Motoraufhängungsmutter                          44         4,5           S
 Obere Motoraufhängungsschraube                           44         4,5           S
Kurbelwelle/Getriebe
 Entlüftungsplattenschrauben                               9,8        1,0          L
 Muttern des Pleuelfußes                                  siehe      siehe        MO
                                                        Angaben    Angaben
                                                         im Text    im Text
 Kurbelgehäuseschrauben (M8) (unten) (erste)                15        1,5        MO, S
2-10 REGELMÄßIGE WARTUNG
Anzugsmoment und Gewindedichtmittel

                                                  Anzugsmoment
               Verbindungselement                                 Anmerkungen
                                                  N·m     kgf·m
 Kurbelgehäuseschrauben (M8) (unten) (letzte)      31       3,2      MO, S
 Kurbelgehäuseschrauben (M6, L = 50 mm) (unten)    12       1,2       S
 Schrauben des Gangpositionsschalters             2,9      0,30       L
 Kurbelgehäuseschraube (M8, L = 90 mm) (oben)      27       2,8       S
 Kurbelgehäuseschrauben (M8, L = 75 mm) (oben)     27       2,8       S
 Kurbelgehäuseschrauben (M6, L = 68 mm) (oben)     12       1,2       S
 Getriebegehäuseschrauben (M8)                     20       2,0
 Getriebegehäuseschrauben (M6)                    9,8       1,0
 Kolbenöldüsen                                    2,9      0,30
 Ganghebelschraube                                 12       1,2
 Ölkanalverschlussschrauben (Kegelseite)          20       2,0         L
 Ölkanal-Verschlussschraube (Linke Seite)         17       1,7
 Öldruckschalter                                  15       1,5        SS
 Verschraubung (Entlüftungsschlauch)              15       1,5         L
 Ölkanaldüse                                      4,9      0,50
 Klemmschraube des Öldruckschalters                –        –       Handfest
 Lagerhalterschrauben                             4,9      0,50        L
 Schraube für Schaltwalzennockenhalter            12        1,2        L
 Schalthebelschraube                              6,9      0,70
 Befestigungsschraube des Schaltpedals            25        2,5
 Stift der Schaltwellen-Rückstellfeder            28        2,9        L
 Schaltstangen-Sicherungsmuttern                  6,9      0,70
 Schraube der Starterkupplung                     49        5,0
 Kappe der Starterkupplungsschraube                –         –      Handfest
 Steuerzeiten-Inspektionsdeckel                    –         –      Handfest
 Schrauben des Starterkupplungsdeckels            9,8       1,0
 Schrauben der Leerlaufzahnrad-Abdeckung          9,8       1,0
Räder/Reifen
 Klemmschrauben der Vorderachse                    20      2,0        AL
 Vorderachsmutter                                 127      13
 Hinterachsmutter                                 127      13
Achsantrieb
 Schrauben des Motorkettenraddeckels              9,8       1,0
 Motorkettenradmutter                             125       13        MO
 Hintere Kettenradmuttern                          59       6,0
 Kettenführungsschrauben (vorn)                   9,8       1,0        L
 Kettenführungsschraube (hinten)                  4,9      0,50        L
Bremsen
 Bremssattel-Entlüftungsventile                   7,8      0,80
 Bremsschlauch-Hohlschrauben                      25        2,5
 Bremshebel-Drehzapfenschraube                    1,0      0,10        Si
 Sicherungsmutter der Bremshebel                  5,9      0,60
 -Drehzapfenschraube
REGELMÄßIGE WARTUNG 2-11
Anzugsmoment und Gewindedichtmittel

                                                       Anzugsmoment
                Verbindungselement                                     Anmerkungen
                                                       N·m     kgf·m
 Bremspedalschraube                                    8,8      0,90
 Schraube für Vorderrad-Bremsleuchtenschalter           1,,     0.12
 Anschlagschraube des Vorder-                          1,2      0,12
 rad-Bremsflüssigkeitsbehälterdeckels
 Befestigungsschrauben der vorderen Bremsscheibe       27        2,8        L
 Bremsbelagstifte der Vorderradbremse                  17        1,7
 Vorderrad-Bremssattelschrauben                        27        2,8
 Befestigungsschrauben der vorderen Bremssattel        34        3,5
 Entlüftungsventil des Vorderrad-Hauptbremszylinders   5,9      0,60
 Klemmschrauben des Vorderrad-Hauptbremszylinders      8,8      0,90       S
 Befestigungsschrauben der hinteren Bremsscheibe       27        2,8       L
 Befestigungsschrauben des Hinterradbremssattels       25        2,5
 Befestigungsschrauben des Hinter-
                                                       25       2,5
 rad-Hauptbremszylinders
 Sicherungsmutter der Schubstange des
                                                       18       1,8
 Hinterrad-Hauptbremszylinders
Federung
 Klemmschrauben der Vorderachse                         20      2,0        AL
 Untere Inbusschrauben der Vorderradgabel               35      3,5
 Klemmschrauben der Vorderradgabel (unten)              25      2,5        AL
 Klemmschrauben der Vorderradgabel (oben)               20      2,0
 Steuerkopfverschlussschraube                           35      3,5
 Kolbenstangenmuttern                                   20      2,0
 Halterungsmutter für Hinterrad-Stoßdämpfer             59      6,0
 Mutter des Hinterrad-Stoßdämpfers (unten)              34      3,5
 Mutter des Hinterrad-Stoßdämpfers (oben)               34      3,5
 Schwingenachsen-Einstellhülse                          20      2,0        S
 Sicherungsmutter der Schwingenachsen-Einstellhülse     98      10         S
 Schwingarmachsmutter                                  108      11         S
 Muttern der Spurstange                                 59      6,0
 Uni-Track-Kipphebelmutter                              34      3,5
Lenkung
 Klemmschrauben der Vorderradgabel (unten)             25        2,5       AL
 Klemmschrauben der Vorderradgabel (oben)              20        2,0
 Lenkerschrauben                                       25        2,5
 Lenkerpositionsschrauben                              9,8       1,0        L
 Lenkschaftkopfmutter                                  78        8,0
 Lenkschaftmutter                                      20        2,0
 Schaltergehäuseschrauben                              3,5      0,36
Rahmen
 Befestigungsschrauben für Vorderrad-Schutzblech       3,9      0,40
 Schrauben der vorderen Fußrastenhalterung             25        2,5
 Schrauben der hinteren Fußrastenhalterung             25        2,5
 Hintere Rahmenschrauben                               44        4,5        L
2-12 REGELMÄßIGE WARTUNG
Anzugsmoment und Gewindedichtmittel

                                                      Anzugsmoment
               Verbindungselement                                     Anmerkungen
                                                      N·m     kgf·m
  Seitenständerschraube                                44       4,5        G
  Schrauben der Seitenständerhalterung                 49       5,0        L
  Schraube des Seitenständerschalters                 8,8      0,90        L
  Befestigungsschrauben der Windschutzscheibe         0,4      0,04
Elektrik
  Schrauben des Lichtmaschinendeckels                 9,8       1,0
  Schraube für Halteplatte der Lichtmaschinenkabel    9,8       1,0        L
  Schraube des Lichtmaschinenläufers                  155       16
  Schraube des Nockenwellensensors                    9,8       1,0
  Schrauben des Kurbelwellensensors                   5,9      0,60
  Masseschraube des Zylinderkopfdeckels               9,8       1,0
  Schraube für Vorderrad-Bremsleuchtenschalter        1,2      0,12
  Befestigungsschrauben für vordere Blinkerleuchten   1,2      0,12
  Scheinwerfer-Befestigungsschrauben                  1,2      0,12
  Montageschrauben für Kennzeichenbeleuchtung         0,9      0,09
  Befestigungsschrauben der Nummerschildbeleuchtung   1,2      0,12
  Montageschrauben des Instrumentenblocks             1,2      0,12
  Schrauben des Gangpositionsschalters                2,9      0,30        L
  Schrauben der hinteren Blinkerstreulinse            1,0      0,10
  Befestigungsschrauben für hintere Blinkerleuchten   1,2      0,12
  Schrauben für Regler/Gleichrichter                  6,9      0,70
  Muttern der Regler-/Gleichrichterhalterung          6,9      0,70
  Schraube des Seitenständerschalters                 8,8      0,90        L
  Zündkerzen                                           13       1,3
  Drehzahlsensorschraube                              6,9      0,70        L
  Schrauben der Statorwicklung                         12       1,2        L
  Klemmschraube des Startermotorkabels                2,9      0,30
  Schraube der Starterkupplung                         49       5,0
  Befestigungsschrauben des Startermotors             9,8       1,0
  Klemmschrauben des Starterrelaiskabels              4,0      0,41
  Schaltergehäuseschrauben                            3,5      0,36
  Befestigungsschrauben für Rück-/Bremsleuchte        4,0      0,40
  Schrauben des Umkippsensors                         5,9      0,60
  Wassertemperatursensor                               25       2,5       SS
  Schrauben der Leerlaufzahnrad-Abdeckung             9,8       1,0
  Schrauben des Starterkupplungsdeckels               9,8       1,0
  Kappe der Starterkupplungsschraube                    –        –      Handfest
  Steuerzeiten-Inspektionsdeckel                        –        –      Handfest
REGELMÄßIGE WARTUNG 2-13
Anzugsmoment und Gewindedichtmittel
  Die folgende Tabelle enthält die Anzugsmomente für den jeweiligen Gewindedurchmesser sowie die
grundlegenden Anzugsmomente für Schrauben und Muttern. Diese Tabelle gilt nur für die Schrauben
und Muttern, bei denen kein anderes Anzugsmoment eingehalten werden muss. Alle Werte beziehen
sich auf trockene, mit Lösungsmittel gereinigte Gewinde.
Basisanzugsmomente für normale Schrauben
          Gewinde                                       Anzugsmoment
      Durchmesser (mm)                       N·m                             kgf·m
             5                            3,4 ∼ 4,9                       0,35 ∼ 0,50
             6                            5,9 ∼ 7,8                       0,60 ∼ 0,80
             8                             14 ∼ 19                         1,4 ∼ 1,9
            10                             25 ∼ 34                         2,6 ∼ 3,5
            12                             44 ∼ 61                         4,5 ∼ 6,2
            14                             73 ∼ 98                        7,4 ∼ 10,0
            16                            115 ∼ 155                       11,5 ∼ 16,0
            18                            165 ∼ 225                       17,0 ∼ 23,0
            20                            225 ∼ 325                       23,0 ∼ 33,0
2-14 REGELMÄßIGE WARTUNG
Technische Daten

              Teil                           Standard                      Grenzwert
Kraftstoffanlage (DFI)
 Gasdrehgriffspiel         2 ∼ 3 mm                                          – – –
 Leerlaufdrehzahl          1.300 ±50 U/min                                   – – –
 Unterdruck im
                           27,3 ±1,333 kPa (205 ±10 mmHg) im Leerlauf        – – –
 Drosselklappengehäuse
 Luftfilterelement         Papierelement                                     – – –
Kühlsystem
 Kühlflüssigkeit:
   Typ (empfohlen)         Permanentes Frostschutzmittel                     –   –   –
   Farbe                   Grün                                              –   –   –
   Mischungsverhältnis     Entkalktes Wasser 50%, Kühlmittel 50%             –   –   –
   Gefrierpunkt            –35°C                                             –   –   –
   Gesamtmenge             2,6 Liter                                         –   –   –
Motoroberseite
 Ventilspiel:
   Auslass                 0,24 ∼ 0,31 mm                                    – – –
   Einlass                 0,13 ∼ 0,19 mm                                    – – –
Kupplung
 Kupplungshebelspiel       2 ∼ 3 mm                                          – – –
Motorschmieranlage
 Motoröl:
   Typ                     API SE, SF oder SG                                – – –
                           API SH, SJ oder SL mit JASO MA
   Viskosität              SAE 10W-40                                        –   –   –
   Kapazität               2,9 Liter (ohne Filterwechsel)                    –   –   –
                           3,2 Liter (mit Filterwechsel)                     –   –   –
                           3,8 Liter (bei vollkommen trockenem Motor)        –   –   –
   Ölstand                 Zwischen oberen und unteren Ölstand               –   –   –
                           -Markierungslinien (Nach dem Abstellen des
                           Motors 2 ∼ 3 Minuten warten)
Räder/Reifen
 Profiltiefe:
   Vorn                    BRIDGESTONE: 3,6 mm                          1 mm, (AT, CH,
                                                                        DE) 1,6 mm
   Hinten                  BRIDGESTONE: 4,8 mm                          Bis 130 km/h: 2
                                                                        mm, Über 130
                                                                        km/h: 3 mm
 Reifenluftdruck (kalter
 Reifen):
  Vorn                     Bis 180 kg Ladung:                                – – –
                             250 kPa (2,5 kgf/cm²)
   Hinten                  Bis 180 kg Ladung:                                – – –
                             290 kPa (2,9 kgf/cm²)
REGELMÄßIGE WARTUNG 2-15
Technische Daten

            Teil                                   Standard            Grenzwert
Achsantrieb
 Antriebsketten-Durchhang      30 ∼ 40 mm                                – – –
 Antriebskette auf             317,5 ∼ 318,2 mm                         323 mm
 Verschleiß (über 20 Glieder
 Länge)
 Standardkette:
   Hersteller                  ENUMA                                     – – –
   Typ                         EK520MVXL1                                – – –
   Kettenglied:                112 Kettenglieder                         – – –
Bremsen
 Bremsflüssigkeit:
   Qualität                    DOT4                                      – – –
 Bremsbelagdicke:
   Vorn                        4 mm                                      1 mm
   Hinten                      5 mm                                      1 mm
 Zeitverzögerung der
 Bremsleuchte:
   Vorn                        Bremse gezogen                            – – –
   Hinten                      Ein nach einem Pedalweg von ca. 10 mm     – – –
2-16 REGELMÄßIGE WARTUNG
Spezialwerkzeuge
Montagezange für Innensicherungsringe:   Ölfilterschlüssel:
57001-143                                57001-1249




Lenkschaftmuttern-Schlüssel:             Unterdruckmessgerät:
57001-1100                               57001-1369




Wagenheber:                              Verlängerungsrohr:
57001-1238                               57001-1578




Vergasereinstellschraube, A:             Stützblöcke:
57001-1239                               57001-1608
REGELMÄßIGE WARTUNG 2-17
Wartungsschritte
Kraftstoffanlage (DFI)
Prüfung der Drosselklappensteuerung
• Der und die Drosselklappe sich leichtgängig drehen las-
  sen
      Gasdrehgriff [A] muss
                            muss schnell und vollständig
    in allen Lenkerpositionen durch die Rückstellfeder wieder
    geschlossen werden.
    Wenn der Gasdrehgriff nicht einwandfrei zurückgeholt
    wird, die Gaszugverlegung, das Gasdrehgriffspiel und
    den Gaszug auf Beschädigung überprüfen. Anschlie-
    ßend den Gaszug schmieren.
•   Das Gasdrehgriffspiel [B] prüfen.
    Wenn das Spiel falsch eingestellt ist, die Gasseilzüge
    nachstellen.
    Gasdrehgriffspiel
      Standard: 2 ∼ 3 mm

    Bei falschem Gaszugspiel den Gaszug wie folgt einstel-
    len.
•   Die Sicherungsmuttern [A] [B] lösen.
•   Die beiden Einsteller [C] [D] des Gaszugs so einstellen,
    dass der Gasdrehgriff viel Spiel hat.
•   Mit dem Schließzugeinsteller [C] das Spiel am Gasdreh-
    griff auf 2 ∼ 3 mm einstellen.
•   Die Sicherungsmutter [A] festziehen.
•   Mit dem Öffnungszugeinsteller [D] das Spiel am Gasdreh-
    griff auf 2 ∼ 3 mm einstellen.
•   Die Sicherungsmutter [B] festziehen.
    Kann das Spiel mit den Einstellschrauben nicht eingestellt
    werden, den Seilzug ersetzen.
Prüfung der Motorunterdruck-Synchronisation
                        ANMERKUNG
    ○Bei den folgenden Schritten wird davon ausgegangen,
     dass die Ansaug- und die Abgasanlage des Motors ein-
     wandfrei arbeiten.

• Das Motorrad so stellen, dass es vertikal steht.
• Ausbauen: (siehe "Ausbau des Kraftstofftanks" im Ka-
   Kraftstofftank
  pitel "Kraftstoffanlage (DFI)")
  Luftfiltergehäuse (siehe "Ausbau des Luftfiltergehäuses"
  im Kapitel "Kraftstoffanlage (DFI)")
  Kraftstoffschlauch (siehe "Wechsel des Kraftstoffschlau-
  ches" im Kapitel "Regelmäßige Wartung")
○Beim Ausbau des Luftfiltergehäuses den Schlauch des
 Ansaugluftdrucksensors nicht abziehen.
2-18 REGELMÄßIGE WARTUNG
Wartungsschritte

• Die Gummikappen [A] von den Verschraubungen der ein-
  zelnen Drosselklappengehäuse abziehen.
• Bei der [B] abziehen.für Kalifornien den Unterdruck-
  schlauch
           Ausführung




• Ein Unterdruckmessgerät an den Verschraubungen ent-
  sprechende Schläuche [A]
                           (Spezialwerkzeug) und
                                                 des
 Drosselklappengehäuses anschließen.
 Spezialwerkzeug -
          Unterdruckmessgerät: 57001-1369
• Einen der Stabzündspule anschließen. einem der Primär-
  kabel
        präzisen Drehzahlmesser [B] an




• DasVerschraubung des Luftfiltergehäuses [B] verschlie-
  die
      Ende des Unterdruckschaltventilschlauchs [A] und

 ßen.




• Das Luftfiltergehäuse einbauen (siehe "Einbau des Luft-
  filtergehäuses" im Kapitel "Kraftstoffanlage (DFI)").
• Folgende Teile provisorisch anschließen. [A]
    Kabelsteckverbinder der Kraftstoffpumpe
   Verlängerungsrohr [B]
 Spezialwerkzeug -
          Verlängerungsrohr: 57001-1578
REGELMÄßIGE WARTUNG 2-19
Wartungsschritte

• DenLeerlaufdrehzahl mit einem hoch genauen Drehzahl-
      Motor starten und warmlaufen lassen.
• messer [A] messen.
  Die

    Leerlaufdrehzahl
      Standard: 1.300 ±50 U/min
    Wenn die Leerlaufdrehzahl außerhalb des Sollwertes
    liegt, die Drehzahl mit der Einstellschraube einstellen
    (siehe "Einstellung der Leerlaufdrehzahl").
                         VORSICHT
    Die Leerlaufdrehzahl nicht mit dem Drehzahlmesser
    der Instrumenteneinheit messen.

• Beim Leerlauf des Motors den Unterdruck im Drossel-
  klappengehäuse mit dem Unterdruckmanometer [B] prü-
    fen.
    Motorunterdruck
     Standard: 27,3 ±1,333 kPa (205 ±10 mmHg) im Leerlauf

 Liegt ein Unterdruck außerhalb des Sollwertes, zuerst die
 linke (Drosselklappenventile Nr. 1, Nr. 2) und rechte
 (Drosselklappenventile Nr. 3, Nr. 4) Gruppe synchroni-
 sieren.
Beispiel:
   Nr. 1: 165 mmHg
   Nr. 2: 190 mmHg
   Nr. 3: 170 mmHg
   Nr. 4: 200 mmHg
•Wenn für den Motor die richtige Leerlaufdrehzahl einge-
 stellt ist, den höchsten Unterdruck von Drosselklappen-
 ventil Nr. 3 und 4 (z. B. 200 mmHg) auf den höchsten Un-
 terdruckwert von Drosselklappenventil Nr. 1 und 2 (z. B.
 190 mmHg) durch Drehen der mittleren Einstellschraube
 [A] abgleichen.
   Rückansicht [B]
                        ANMERKUNG
    ○Nach der Einstellung darf sich bei der Unterdruckmes-
      sung ein Wert von nicht mehr als 205 mmHg (in diesem
      Beispiel) ergeben. Die beiden niedrigsten Unterdruck-
      werte der linken Seite (Drosselklappe Nr. 1 und 2) und
      der rechten Seite (Drosselklappe Nr. 3 und 4) sollen
      möglichst gleich sein.

• Die Drosselklappe nach jeder Messung öffnen und schlie-
  ßen und gegebenenfalls die Leerlaufdrehzahl nachstel-
    len.
•   Sobald die Drosselklappenventile synchronisiert wurden,
    die Ausgangsspannung am Hauptdrosselklappensensor
    auf den richtigen Wert überprüfen (die Arbeitsschritte wer-
    den am Ende dieses Kapitels beschrieben).
2-20 REGELMÄßIGE WARTUNG
Wartungsschritte
    Liegt die Messung irgend eines Unterdruckwertes nach
    Durchführen der Synchronisierung außerhalb des Tole-
    ranzbereichs sind die Bypass-Schrauben [A] vollständig
    bis zum Sitz jedoch ohne Kraftaufwand hinein zu drehen.
     Rückansicht [B]
    Spezialwerkzeug -
             Vergasereinstellschraube, A [C]: 57001-1239

                         VORSICHT
    Die Bypass-Einstellschraube nicht zu fest anzie-
    hen. Sie können dadurch beschädigt werden und
    müssen dann ersetzt werden.

• Jene Bypass-Einstellschraube2 mit dem niedrigeren Un-
  druckwert von Nr. 1 und Nr.   auf den
                                        höheren Unter-

    terdruckwert heraus drehen.
•   Jene Bypass-Einstellschraube mit dem höheren Unter-
    druckwert von Nr. 3 und Nr. 4 auf den niedrigeren Un-
    terdruckwert heraus drehen.
•   Die Drosselklappen nach jeder Messung öffnen und
    schließen und gegebenenfalls die Leerlaufdrehzahl
    nachstellen.
•   Die Unterdrücke wie oben beschrieben prüfen.
    Wenn alle Unterdrücke innerhalb der technischen Daten
    liegen, ist die Synchronisierung des Motorunterdrucks ab-
    geschlossen.
    Wenn ein Unterdruck nicht innerhalb der tech-
    nischen Daten eingestellt werden kann, die By-
    pass-Einstellschrauben Nr. 1 ∼ Nr. 4 herausdrehen
    und reinigen.

• Die Bypass-Einstellschraube [A],[D] ausbauen. die Unter-
  legscheibe [C] und den O-Ring
                                   die Feder [B],

○Die Bypass-Einstellschraube und das Gewindeloch auf
 Rußablagerungen kontrollieren.
 Eventuelle      Rußablagerungen     aus   der     By-
 pass-Einstellschraube und dem Gewindeloch mit
 einem Wattebausch entfernen, der mit einem Lösungs-
 mittel mit hohem Flammpunkt getränkt wurde.
○Den O-Ring durch einen neuen ersetzen.
○Den konischen Teil [E] der Bypassschraube auf Ver-
 schleiß und Beschädigung kontrollieren.
 Ist die Bypass-Einstellschraube beschädigt oder ver-
 schlissen, die Schraube ersetzen.
•Die Bypass-Einstellschraube eindrehen, bis sie richtig
 sitzt, jedoch nicht Überdrehen.
REGELMÄßIGE WARTUNG 2-21
Wartungsschritte

• Dieselben Schritte wiederholen. anderen
  pass-Einstellschrauben
                           für   die                      By-

• Die Synchronisierung wiederholen.eingestellt sind,
  Wenn die Unterdrücke richtig                           die
    Ausgangsspannung am Hauptdrosselklappensensor
    überprüfen (siehe "Prüfung der Ausgangsspannung am
    Hauptdrosselklappensensor" im Kapitel "Kraftstoffanlage
    (DFI)").
    Spezialwerkzeug -
             Adapter zur Drosselklappensensor-Einstellung:
                57001-1538

    Ausgangsspannung des Hauptdrosselklappensensors
      Anschlüsse am Sensor
        Multimeter (+) → gelb/weißes Kabel
        Multimeter (–) → braun/schwarzes Kabel

      Standard:   1,025 ∼ 1,055 V DC (mit Drosselklappe auf
                  Leerlauf)
 Liegt die Ausgangsspannung außerhalb des Sollwerts,
 die Eingangsspannung am Hauptdrosselklappensensor
 überprüfen (siehe "Prüfung der Ausgangsspannung am
 Hauptdrosselklappensensor" im Kapitel "Kraftstoffanlage
 (DFI)").
•Die Schläuche des Unterdruckmanometers unterbrechen
 und die Gummikappen wieder in die ursprüngliche Stel-
 lung anbringen.
•Bei der Ausführung für Kalifornien den Unterdruck-
 schlauch anbringen.
○Den Unterdruckschlauch gemäß Abschnitt "Verlegung
 von Seilzügen, Kabeln und Schläuchen" im Anhang
 korrekt verlegen.
Prüfung der Leerlaufdrehzahl
• Den Motorleerlauf den warmlaufen lassen. Seiten ein-
       Motor starten und
• schlagen [A].
  Bei                    Lenker nach beiden

    Wenn die Lenkerbewegung zu einer Änderung der Leer-
    laufdrehzahl führt, sind vermutlich die Gaszüge falsch
    eingestellt, falsch verlegt oder beschädigt. Vor der Fahrt
    diesen Zustand beseitigen (siehe "Prüfung der Leerlauf-
    drehzahl" und "Verlegung von Seilzügen, Kabeln und
    Schläuchen" im Anhang).
                          ACHTUNG
    Eine Nutzung des Fahrzeugs mit falsch eingestell-
    ten, falsch verlegten oder beschädigten Seilzügen
    kann eine Verkehrsgefährdung darstellen.

• Die Leerlaufdrehzahl überprüfen.
    Leerlaufdrehzahl
      Standard: 1.300 ±50 U/min
    Wenn die Leerlaufdrehzahl außerhalb des Sollwerts liegt,
    die Drehzahl einstellen.
2-22 REGELMÄßIGE WARTUNG
Wartungsschritte
Einstellung der Leerlaufdrehzahl
• DenEinstellschraube [A]warmlaufen lassen.
        Motor starten und
• richtig eingestellt ist. drehen, bis die Leerlaufdrehzahl
  Die

○Die Drosselklappe einige Male öffnen und schließen, um
 zu kontrollieren, ob die Leerlaufdrehzahl innerhalb des
 Sollwerts liegt. Gegebenenfalls nochmals korrigieren.




Prüfung der Bremsschläuche (auf
Kraftstoffaustritt, Beschädigung und einwandfreie
Verlegung)
○Wenn das Motorrad falsch behandelt wird, kann der hohe
 Druck in der Kraftstoffzuleitung zum Austritt von Kraft-
 stoff [A] bzw. zum Bersten des Schlauchs führen. Den
 Kraftstofftank ausbauen (siehe "Ausbau des Kraftstoff-
 tanks" im Kapitel "Kraftstoffanlage (DFI)") und den Kraft-
 stoffschlauch überprüfen.
 Den Kraftstoffschlauch ersetzen, wenn er durchgescheu-
 ert ist oder Risse [B] oder Dellen [C] aufweist.

• Die Schlauchverbindungsstücke müssen fest ange-
  schlossen sein.
• Prüfen, ob die Schläuche entsprechendSchläuchen" im
  "Verlegung von Seilzügen, Kabeln und
                                        dem Abschnitt

 Anhang verlegt sind.
 Den Schlauch ersetzen, wenn er scharf gebogen oder
 geknickt wurde.
 Wenn sich der Anschluss nicht verschieben lässt, den
 Einbau wiederholen.

Tankdunstsystem (Modelle für Kalifornien)
Überprüfung des Tankdunstsystems
• Den Behälter wie folgt prüfen:
○Ausbauen:
  Linke Innenabdeckung (siehe "Ausbau der Innenabde-
  ckung" im Kapitel "Rahmen")
○Den Behälter [A] ausbauen und die Schläuche aus dem
 Aktivkohlebehälter abziehen.
○Den Aktivkohlebehälter visuell auf Risse oder andere Be-
 schädigungen kontrollieren.
 Wenn der Aktivkohlebehälter Risse oder andere starke
 Schäden aufweist, diesen erneuern.
                      ANMERKUNG
 ○Der Aktivkohlebehälter ist während der gesamten Nut-
   zungsdauer des Motorrades wartungsfrei, wenn er un-
   ter normalen Bedingungen verwendet wird.
REGELMÄßIGE WARTUNG 2-23
Wartungsschritte

• Den Abscheider für Flüssigkeiten und Dämpfe wie folgt
  überprüfen.
○Ausbauen:
  Linke mittlere Verkleidung (siehe "Ausbau der mittleren
  Verkleidung" im Kapitel "Rahmen")
○Die Schläuche vom Abscheider abziehen und den Ab-
 scheider [A] an der linken Seite des Motorrades abbauen.
○Den Abscheider visuell auf Risse und andere Beschädi-
 gungen überprüfen.
 Wenn der Abscheider Risse oder andere Schäden auf-
 weist, ihn durch einen neuen ersetzen.
○Damit kein Benzin in den Behälter fließen oder von dort
 herausfließen kann, den Behälter lotrecht zum Boden hal-
 ten.
•Die Schläuche des Tankdunstsystems wie folgt überprü-
 fen.
○Die Schläuche müssen sicher angeschlossen sein und
 die Schlauchklemmen korrekt sitzen.
○Geknickte, gealterte oder beschädigte Schläuche erneu-
 ern.
○Die Schläuche gemäß Abschnitt "Verlegung von Seilzü-
 gen, Kabeln und Schläuchen" im Anhang korrekt verle-
 gen.
○Beim Einbau der Schläuche scharfe Knicke, Biegungen,
 Verdrehungen oder Plattdrücken vermeiden und die
 Schläuche möglichst geradlinig verlegen, um ungehin-
 derten Tankdunststrom zu gewährleisten.

Motoroberseite
Prüfung des Ventilspiels
                        ANMERKUNG
    ○Das Ventilspiel muss bei kaltem Motor (bei Zimmertem-
     peratur) überprüft und nachgestellt werden.

• Den Zylinderkopfdeckel Kapitel "Motoroberseite"). des
  Zylinderkopfdeckels" im
                           ausbauen (siehe "Ausbau

• Die Starterkupplungsschraube [B] am Starterkupplungs-
  der
       Steuerzeiten-Inspektionskappe [A] und die Kappe

    deckel [C] entfernen.
2-24 REGELMÄßIGE WARTUNG
Wartungsschritte

• Einen Schraubenschlüsseldiean die Starterkupplungs-
  schraube [A] ansetzen und   Kurbelwelle im Uhrzeiger-
 sinn drehen, bis die Markierung [B] (OT-Markierung für
 die Kolben Nr. 1, 4) an der Starterkupplung auf die Ker-
 ben [C] am Rand der Steuerzeiten-Inspektionsöffnung
 im Starterkupplungsdeckel ausgerichtet ist.




• Mit einer Fühlerlehre [A] das Ventilspiel zwischen Nocke
  und Ventilstößel kontrollieren.
 Ventilspiel
   Standard:
      Auslass    0,24 ∼ 0,31 mm
      Einlass    0,13 ∼ 0,19 mm




                     ANMERKUNG
 ○Die Fühlerlehre waagerecht in den Ventilstößel einset-
   zen.
   Gut [A]
   Schlecht [B]
   Fühlerlehre [C]
   Waagerecht einsetzen [D]
   Nocken [E]
   Ventilstößel [F]
   Berührt den Ventilstößel [G]

○Stellung des Kolbens Nr. 1 am oberen Totpunkt nach
 Ende des Kompressionshubs:
  Einlassventilspiel der Zylinder Nr. 1 und Nr. 3
  Auslassventilspiel der Zylinder Nr. 1 und Nr. 2
  Messung am Ventil [A]




○Stellung des Kolbens Nr. 4 am oberen Totpunkt nach
 Ende des Kompressionshubs:
  Einlassventilspiel der Zylinder Nr. 2 und Nr. 4
  Auslassventilspiel der Zylinder Nr. 3 und Nr. 4
  Messung am Ventil [A]
REGELMÄßIGE WARTUNG 2-25
Wartungsschritte
    Liegt das Ventilspiel nicht im angegebenen Bereich, zu-
    nächst das Ventilspiel notieren und dann einstellen.
•   Alle Ölräume vor den Nockenkuppen der Nockenwelle mit
    Motoröl füllen.
     Einlassseitige Ölräume [A]
     Auslassseitige Ölräume [B]




Einstellung des Ventilspiels
• Zum Einstellen des Ventilspiels den Nockenwellenketten-
  spanner, die Nockenwellen und Ventilstößel ausbauen.
    Die Beilagscheibe durch eine Beilagscheibe anderer Di-
    cke ersetzen.
                        ANMERKUNG
    ○Die  Lage des Ventilstößels und der Beilagscheiben
     markieren und notieren, damit sie später wieder an der
     Originalposition eingebaut werden können.

• Die Beilagscheibe von Schmutz- oder Ölablagerungen
  reinigen.
• Dicke der herausgenommenen Beilagscheibe [A] mes-
  sen.
• Eine neue Berechnung der Beilagscheibendicke wie folgt
  wählen.
     a+b–c=d
     [a] Aktuelle Scheibenstärke
     [b] Gemessenes Ventilspiel
     [c] Vorgeschriebenes Ventilspiel (Mittelwert= 0,16)
     [d] Stärke der Ersatzscheibe
    Beispiel:
      1,600 + 0,33 – 0,16 = 1,77 mm
○Die Beilagscheibe durch eine der Größe 1,775 ersetzen.
                         VORSICHT
    Die Beilagscheiben nicht für andere Modelle ver-
    wenden. Dies könnte Verschleiß am Ventilschaf-
    tende verursachen und den Ventilschaft beschädi-
    gen.
2-26 REGELMÄßIGE WARTUNG
Wartungsschritte
Einstellplättchen
      Dicke         Teilenummer   Markierung
      1,300         92180-0108       130
      1,325         92180-0109       132
      1,350         92180-0110       135
      1,375         92180-0111       138
      1,400         92180-0112       140
      1,425         92180-0113       142
      1,450         92180-0114       145
      1,475         92180-0115       148
      1,500         92180-0116       150
      1,525         92180-0117       152
      1,550         92180-0118       155
      1,575         92180-0119       158
      1,600         92180-0120       160
      1,625         92180-0121       162
      1,650         92180-0122       165
      1,675         92180-0123       168
      1,700         92180-0124       170
      1,725         92180-0125       172
      1,750         92180-0126       175
      1,775         92180-0127       178
      1,800         92180-0128       180
      1,825         92180-0129       182
      1,850         92180-0130       185
      1,875         92180-0131       188
      1,900         92180-0132       190
      1,925         92180-0133       192
      1,950         92180-0134       195
      1,975         92180-0135       198
      2,000         92180-0136       200
      2,025         92180-0137       202
      2,050         92180-0138       205
      2,075         92180-0139       208
      2,100         92180-0140       210
      2,125         92180-0141       212
      2,150         92180-0142       215
      2,175         92180-0143       218
      2,200         92180-0144       220
      2,225         92180-0145       222
      2,250         92180-0146       225
      2,275         92180-0147       228
      2,300         92180-0148       230
REGELMÄßIGE WARTUNG 2-27
Wartungsschritte
                        VORSICHT
    Nach dem Auswählen einer Beilagscheibe das Ven-
    tilspiel nachmessen. Die Toleranz der Beilagschei-
    ben kann das Ventilspiel aus dem angegebenen Be-
    reich bringen.
○Ist kein Ventilspiel vorhanden, eine etwas kleinere Beilag-
    scheibe verwenden und das Ventilspiel nachmessen.

• Die Beilagscheibe Zu diesem Zeitpunkt ein Motoröl auf
  stößel einbauen.
                    mit der markierten Seite zum Ventil-

    die Beilagscheibe oder den Ventilstößel auftragen, damit
    die Beilagscheibe während des Einbaus der Nockenwelle
    nicht verrutscht.
                        VORSICHT
    Nicht mehrere Beilagscheiben unter die Beilag-
    scheibe legen. Dies kann dazu führen, dass bei
    hohen Drehzahlen die Beilagscheibe herausge-
    drückt und der Motor schwer beschädigt wird.
    Die Beilagscheibe nicht abschleifen. Dies kann
    zum Bruch und damit zu schweren Motorschäden
    führen.

• Molybdänhaltige Disulfidöllösung auf die Stößeloberflä-
  che auftragen und den Stößel einbauen.
• Die Nockenwellen"Motoroberseite"). "Einbau der Nocken-
  welle" im Kapitel
                     einbauen (siehe

• Das Ventilspiel erneut messen und gegebenenfalls nach-
  stellen.

• AlleMotoröl füllen.den Nockenkuppen der Nockenwellen
  mit
      Ölräume vor

     Einlassseitige Ölräume [A]
     Auslassseitige Ölräume [B]
•   Das Ventilspiel erneut messen und gegebenenfalls nach-
    stellen.
•   Die ausgebauten Teile wieder einbauen.
2-28 REGELMÄßIGE WARTUNG
Wartungsschritte
Ansaugluftsystem
Prüfung des Ansaugluftsystems auf
Beschädigung
• Den Kraftstofftank aufstellen (siehe "Wechsel des Luftfil-
  terelements").
• Den Schlauch [A] des Unterdruckschaltventils aus dem
  Luftfilter ziehen.
• Den Motor starten und im Leerlauf drehen lassen.[B] mit
• Das Ende des Unterdruckschaltventilschlauchs Unter-
  dem Finger verschließen und auf pulsierenden
 druck prüfen.
 Falls kein pulsierender Unterdruck fühlbar ist, den
 Schlauch auf Undichtigkeiten prüfen.       Besteht kein
 Leck, das Unterdruckschaltventil (siehe "Prüfung des
 Unterdruckschaltventils" im Kapitel "Elektrik") oder das
 Ansaugluftventil (siehe "Prüfung des Ansaugluftventils"
 im Kapitel "Motoroberseite") prüfen.

Kühlsystem
Prüfung des Kühlflüssigkeitsstands
                      ANMERKUNG
 ○Den Flüssigkeitsstand bei kaltem Motor (Raum- oder
   Umgebungstemperatur) prüfen.

• Den wenn das Motorrad aufrecht steht (nicht den [A] prü-
  fen,
       Kühlflüssigkeitsstand im Ausgleichsbehälter
                                                   Seiten-
 ständer verwenden).
 Liegt der Kühlflüssigkeitsstand unter der Standmarkie-
 rung “L” [B], den Deckel für den Reservetank abschrau-
 ben und Kühlflüssigkeit bis zur Standmarkierung “F” [C]
 auffüllen.
  “L”: Niedrig
  “F”: Voll
                       VORSICHT
 Zum Auffüllen die erforderliche Menge Kühlmit-
 tel und entkalktes Wasser zugeben. Auffüllen
 von Wasser verdünnt die Kühlflüssigkeit und ver-
 schlechtert seine Korrosionsschutzeigenschaften.
 Verdünntes Kühlwasser kann die Aluminiumteile
 des Motors angreifen. In Notfällen kann auch nur
 weiches Wasser aufgefüllt werden. Das verdünnte
 Kühlwasser muss aber innerhalb einiger Tage wie-
 der auf das richtige Mischungsverhältnis korrigiert
 werden.
 Wenn häufig Kühlflüssigkeit ergänzt werden muss,
 oder der Ausgleichsbehälter vollkommen leer ist,
 ist das Kühlsystem vermutlich undicht. Das Sys-
 tem auf austretende Flüssigkeit kontrollieren.
 Austretende Kühlflüssigkeit ruiniert Lackflächen.
 Ausgetretene Kühlflüssigkeit auf Rahmen, Motor,
 Rädern oder Lackteilen sofort abspülen.
REGELMÄßIGE WARTUNG 2-29
Wartungsschritte
Prüfung der Bremsschläuche auf Beschädigung
und einwandfreie Verlegung
○Der hohe Druck im Motorkühlerschlauch kann zum Aus-
    tritt von Kühlflüssigkeit [A] oder zum Bersten des Kühler-
    schlauchs führen, wenn keine regelmäßigen Wartungsar-
    beiten erfolgen. Die Kühlerschläuche auf Anzeichen von
    Alterung überprüfen. Die Schläuche zusammendrücken.
    Der Schlauch darf weder hart noch brüchig, weder ge-
    quollen noch weich sein.
    Schläuche mit Scheuerstellen, Rissen [B] oder Ausbuch-
    tungen [C] ersetzen.
•   Die Schläuche müssen sicher angeschlossen und die
    Schlauchklemmen fest angezogen sein.
    Anzugsmoment -
           Klemmschrauben des Wasserschlauchs:              2,0
              N·m (0,20 kgf·m)

Kupplung
Funktionsprüfung der Kupplung
• Denmehr vorhanden ist. weit anziehen, dass kein Spiel
  [A]
      Kupplungshebel so

• Den Spalt zwischen dem Hebel und des Hebelhalters
  messen.
    Ist der Spalt zu groß, kann die Kupplung nicht voll frei-
    gegeben werden. Ist der Spalt zu klein, kann die Kupp-
    lung nicht voll eingreifen. In beiden Fällen muss der Spalt
    nachgestellt werden.
    Kupplungshebelspiel
      Standard: 2 ∼ 3 mm

                           ACHTUNG
    Um schwere Verbrennungen zu vermeiden, bei der
    Einstellung der Kupplung weder das Auspuffrohr
    noch den Motor berühren.

• Den Einsteller [A] so drehen, dass 4 ∼ 6 mm [B] des Ge-
  windes sichtbar sind.




• Die Staubschutzkappe [A] am unteren Ende des Kupp-
  lungszugs abschieben.
• Die beiden Einstellmuttern [B] am Kupplungsdeckel so
  weit wie möglich lockern.
• Äußerengegen die Halterung [D] festziehen. die Einstell-
  muttern
            Kupplungszug [C] straff ziehen und

• Die Gummi-Staubschutzmanschette wieder in die alte
  Position schieben.
• Den Einsteller am Kupplungshebel drehen, bis das Spiel
  korrekt ist.
2-30 REGELMÄßIGE WARTUNG
Wartungsschritte

• DenerAusrückhebel [A] drehen lässt. nach vorn drücken,
  bis sich kaum noch
                        am Motorrad

○Dabei muss der Ausrückhebel die richtige Winkelstellung
    erreicht haben.
     60° [B]
    Wenn der Winkel nicht stimmt, die Kupplung und die Teile
    des Ausrückhebels auf Verschleiß kontrollieren.
                           ACHTUNG
    Das Seilzugmantelende des Kupplungshebels
    muss ganz in der Einstellschraube am Kupplungs-
    hebel sitzen, sonst verrutscht es später, und das
    Seilzugspiel vergrößert sich soweit, dass die Kupp-
    lung herausspringen kann.

• Nach der Einstellung den Motorund ordnungsgemäß frei-
  ob die Kupplung nicht rutscht
                                 starten und kontrollieren,

    gegeben wird.
    Wenn die Kupplungswirkung unzureichend ist, das Kupp-
    lungssystem kontrollieren.
                           ACHTUNG
    Erfolgt die Überprüfung durch Fahren des Fahr-
    zeugs, aus Sicherheitsgründen immer auf den
    Umgebungsverkehr achten.

Räder/Reifen
Prüfung des Reifendrucks
• Die Reifenventilkappeeinem Reifendruckmesser [A] be-
                        entfernen.
• Den Reifendruck mit kalt sind (d. h. wenn das Mo-
  stimmen, wenn die Reifen
    torrad in den letzten drei Stunden nicht mehr als 1,7 km
    gefahren wurde).
    Den Reifenluftdruck bei Bedarf entsprechend den techni-
    schen Daten korrigieren.
    Reifenluftdruck (kalter Reifen)
      Vorn:       Bis 180 kg
                  250 kPa (2,5 kgf/cm²)
      Hinten:     Bis 180 kg
                  290 kPa (2,9 kgf/cm²)

• Die Reifenventilkappe aufsetzen.
Prüfung der Räder/Reifen auf Beschädigung
• Steine [A] und Fremdkörper [B] aus den Profilstollen ent-
  fernen.
• Reifen auf Risse und Schnitteoder erhabene Stellen wei-
  Bedarf ersetzen. Quellungen
                                visuell überprüfen und bei

    sen auf interne Schäden hin; in diesem Fall muss der Rei-
    fen ersetzt werden.
•   Das Rad visuell auf Risse, Schnitte und Dellen überprü-
    fen.
    Wenn Beschädigungen festgestellt werden, das Rad bei
    Bedarf ersetzen.
REGELMÄßIGE WARTUNG 2-31
Wartungsschritte
Prüfung auf Reifenprofilverschleiß
   Wenn sich das Reifenprofil abnutzt, wird der Reifen emp-
findlicher gegen Perforierungen und andere Schäden. Es
wurde statistisch festgestellt, dass 90% aller Reifenausfälle
während der letzten 10% der Nutzungsdauer des Reifen-
profils (bei einem Verschleiß von 90%) auftreten. Es hieße
an der falschen Stelle sparen und unnötige Risiken einge-
hen, wenn die Reifen gefahren werden, bis sie völlig abge-
nutzt sind.
•  Die Profiltiefe in der Mitte des Profils mit einer Tiefenlehre
   [A] messen. Da sich der Reifen ungleichmäßig abnutzen
   kann, die Messung an mehreren Stellen vornehmen.
   Falls ein Messwert den Grenzwert unterschreitet, den
   Reifen erneuern (siehe "Ausbau/Einbau der Räder" im
   Kapitel "Räder/Reifen").

    Profiltiefe
      Standard:
        Vorn             3,6 mm
        Hinten           4,8 mm
      Grenzwert:
        Vorn             1 mm
                         (AT, CH, DE) 1,6 mm
        Hinten           2 mm (bis 130 km/h)
                         3 mm (über 130 km/h)

                           ACHTUNG
    Im Interesse des sicheren Fahrbetriebs und der Sta-
    bilität nur die empfohlenen Standardreifen als Er-
    satzreifen verwenden, die mit dem normalen Rei-
    fendruck aufgepumpt sind.

                        ANMERKUNG
    ○In den meisten Ländern gibt es eigene Vorschriften zur
     Mindestreifenprofiltiefe: Diese sind unbedingt einzuhal-
     ten.
    ○Das Rad überprüfen und auswuchten, wenn ein Reifen
     ersetzt wird.

Prüfung des Radlagers auf Beschädigung
• Mit Heber(sieheStützblöcken das Vorderrad vom Kapitel
  abheben
            und
                  "Ausbau des Vorderrades" im
                                                Boden

    "Räder/Reifen").
•   Den Lenker ganz nach rechts oder links drehen.
•   Das Vorderradlager durch Hin- und Herbewegen [A] des
    Rades auf Klemmstellen prüfen.
•   Das Vorderrad leicht drehen [B] und auf Leichtgängigkeit,
    Klemmstellen, Rauheit oder Laufgeräusche kontrollieren.
    Wenn Klemmstellen, Schwergängigkeit oder Laufgeräu-
    sche festgestellt werden, das Vorderrad ausbauen und
    das Radlager untersuchen (siehe "Ausbau des Vorder-
    rades", "Prüfung des Radnabenlagers" im Kapitel "Rä-
    der/Reifen").
2-32 REGELMÄßIGE WARTUNG
Wartungsschritte

• Das Hinterrad"Ausbau des Hinterrades" vomKapitel "Rä-
  heben (siehe
                mit Hilfe eines Ständers
                                         im
                                            Boden ab-

    der/Reifen").
•   Das Hinterradlager durch Hin- und Herbewegen [A] des
    Rades auf Klemmstellen prüfen.
•   Das Hinterrad leicht drehen [B] und auf Leichtgängigkeit,
    Klemmstellen, Rauheit oder Laufgeräusche kontrollieren.
    Wenn Klemmstellen, Schwergängigkeit oder Laufgeräu-
    sche festgestellt werden, das Hinterrad ausbauen und
    das Radlager (siehe "Ausbau des Hinterrades", "Prüfung
    des Radnabenlagers" im Kapitel "Räder/Reifen") sowie
    die Kupplung (siehe "Prüfung des Kupplungslagers" im
    Kapitel "Achsantrieb") untersuchen.

Antriebsstrang
Prüfung der Antriebskette auf ausreichende
Schmierung
• Wenn steht,Spezialkettenschmiermittel nichtwie SAE 90
  gung
        ein
              sollte schweres Maschinenöl
                                               zur Verfü-

    statt dünnflüssigerem Öl bevorzugt werden, da es län-
    ger an der Kette haftet und eine bessere Schmierung
    gewährleistet.
•   Wenn die Kette besonders verschmutzt aussieht, diese
    vor der Schmierung reinigen.
                         VORSICHT
    Die O-Ringe zwischen den Seitenplatten dichten
    Bolzen und Buchse für das Schmiermittel ab.
    Damit die O-Ringe nicht beschädigt werden und
    dadurch Schmiermittel austritt, folgende Hinweise
    beachten.
    Zum Reinigen des O-Rings einer Antriebskette nur
    Kerosin oder Dieselöl verwenden.
    Andere Reinigungsmittel wie Waschbenzin oder
    Trichlorethylen greifen den O-Ring an und lassen
    ihn quellen.
    Die Kette immer sofort nach der Reinigung mit
    Druckluft trocknen.
    Reinigung und Trocknung der Kette sollten inner-
    halb von 10 Minuten abgeschlossen sein.


• Die Seiten der Kettenrollen ölen, sodassO-Ringe mitdie
  Buchsen und Kettenrollen eindringt. Die
                                           das Öl in
                                                      Öl
    benetzen, sodass die O-Ringe mit einem Ölfilm überzo-
    gen sind.
•   Überschüssiges Öl abwischen.
     Ölschmierstellen [A]
     O-Ring [B]
REGELMÄßIGE WARTUNG 2-33
Wartungsschritte
Prüfung des Antriebsketten-Durchhangs
                         ANMERKUNG
    ○Den Kettendurchhang prüfen, wenn das Motorrad auf
     dem Seitenständer steht.
    ○Eine verschmutzte Kette reinigen und ölen, wenn sie
     trocken aussieht.

• Die Radausrichtung kontrollieren (siehe "Prüfung der Ra-
  dausrichtung").
• DasKette am stärkstenund die Position bestimmen, in der
  die
       Hinterrad drehen
                        gespannt ist.
• Mitte zwischen beiden Kettenrädern messen.
  Die vertikale Bewegung (Kettendurchhang) [A] in der

    Wenn der Kettendurchhang größer ist als der Standard-
    wert, den Kettendurchhang korrigieren.
    Kettendurchhang
      Sollwert: 30 ∼ 40 mm

Einstellung des Antriebsketten-Durchhangs
• Denbeiden [A] entfernen, und die Achsmutter [B] lockern.
      Splint
• Die
  ckern.
             Sicherungsmuttern [C] der Ketteneinsteller lo-

    Wenn die Kette zu lose ist, den linken und den rechten
    Ketteneinsteller [D] gleichmäßig herausdrehen.
    Wenn die Kette zu straff ist, den linken und den rechten
    Ketteneinsteller gleichmäßig hineindrehen und das Rad
    nach vorn schieben.
•   Die beiden Ketteneinsteller gleichmäßig drehen, bis die
    Antriebskette genau richtig durchhängt. Zur richtigen
    Ausrichtung von Kette und Rad die Kerbe [E] der linken
    Ausrichtungsanzeige des Rades [F] auf die Markierung
    der betreffenden Schwinge bzw. die Position [G] für die
    Kerbe der rechten Ausrichtungsanzeige ausrichten.

                          ACHTUNG
    Eine Radfehlausrichtung führt zu anormalem Ver-
    schleiß und kann zu Gefährdung während der Fahrt
    führen.

• Die beiden Sicherungsmuttern der Ketteneinsteller fest
  anziehen.
• Die Achsmutter festziehen.
    Anzugsmoment -
           Hinterrad-Achsmutter: 127 N·m (13 kgf·m)
• DasStellung messen den Kettendurchhang in derkorrigie-
  ten
      Rad drehen und
                     und dann gegebenenfalls
                                                straffs-

    ren.
•   Einen neuen Splint in die Achse einführen und die Splin-
    teenden auseinanderbiegen.
2-34 REGELMÄßIGE WARTUNG
Wartungsschritte

• Einen neuen Splint [A] einsetzen.
                      ANMERKUNG
 ○Beim Einsetzen des Splints die Mutter bis zur nächs-
  ten Passung im Uhrzeigersinn [B] anziehen, wenn die
  Schlitze in der Mutter nicht auf die Splintbohrung der
  Achse ausgerichtet sind.
 ○Die Verstellung sollte maximal 30 Grad betragen.
 ○Wenn der Schlitz über die nächstgelegene Bohrung hi-
  naus verstellt ist, die Mutter lockern und wieder festzie-
  hen.

• Den Splint [A] durch die Mutter stecken und umbiegen.




Prüfung der Radausrichtung
• Die die gleiche MarkierungAusrichtungsanzeigeSchwinge
  auf
       Kerbe [A] der linken
                            oder Position [C] der
                                                  [B] muss

 zeigen wie die Kerbe der rechten Ausrichtungsanzeige.
 Ist dies nicht der Fall, den Kettendurchhang korrigieren
 und das Rad neu ausrichten (siehe "Einstellung des An-
 triebsketten-Durchhangs").
                      ANMERKUNG
 ○Die Radausrichtung kann auch mit dem Lineal oder mit
  einem Faden geprüft werden.

                        ACHTUNG
 Eine falsche Radspur hat übermäßigen Verschleiß
 zur Folge und gefährdet die Fahrsicherheit.
REGELMÄßIGE WARTUNG 2-35
Wartungsschritte
Prüfung der Antriebskette auf Verschleiß
• Ausbauen:
   Kettenabdeckung (siehe "Ausbau der Antriebskette" im
      Kapitel "Achsantrieb")
•   Das Hinterrad drehen, um an der Antriebskette beschä-
    digte Kettenrollen, lose Bolzen und Kettenglieder zu er-
    kennen.
    Bei Fehlern die Antriebskette ersetzen.
    Die Antriebskette schmieren, wenn sie trocken aussieht.
•   Die Kette mit einer Kraft [A] von 98 N (10 kg) an der Kette
    dehnen.
•   Am geraden Teil [C] der Kette von der Mitte des ersten
    Kettengliederbolzens bis zur Mitte des 21. Kettenglieder-
    bolzens die Länge der 20 Kettenglieder [B] messen. Da
    die Kette ungleichmäßig abgenutzt sein kann, die Mes-
    sung an mehreren Punkten wiederholen.
    Wenn bei solchen Messungen der Grenzwert überschrit-
    ten wird, die Kette austauschen. Beim Wechsel der An-
    triebskette auch das vordere und hintere Kettenrad erset-
    zen.
    Länge von 20 Gliedern der Antriebskette
      Standard:     317,5 ∼ 318,2 mm
      Grenzwert:     323 mm

                           ACHTUNG
    Übersteigt die Abnutzung der Antriebskette den
    Grenzwert, die Kette ersetzen, sonst ist kein si-
    cherer Fahrbetrieb mehr gewährleistet. Eine Kette,
    die reißt oder von den Kettenrädern springt, kann
    das Kettenrad am Motor beschädigen oder das
    Hinterrad blockieren. Schäden am Motorrad und
    ein Verlust der Fahrzeugkontrolle wären die Folge.
    Aus Sicherheitsgründen nur die Standardkette ver-
    wenden. Es ist eine endlose Kette, die für den Ein-
    bau nicht getrennt werden darf.

    Standardkette
      Hersteller: ENUMA
      Typ:          EK520MVXL1
      Kettenglied: 112 Kettenglieder

Prüfung der Kettenführung auf Verschleiß
• Ausbauen: (siehe "Ausbau der Schwinge" im Kapitel "Fe-
   Schwinge
     derung")
•   Die Kettenführung [A] visuell kontrollieren.
    Die Kettenführung austauschen, wenn Anzeichen von
    anormalem Verschleiß oder Beschädigungen erkennbar
    sind.
2-36 REGELMÄßIGE WARTUNG
Wartungsschritte
Bremsanlage
Prüfung auf Bremsflüssigkeitsaustritt
(Bremsschlauch und -leitung)
• Bremshebel oder -pedal betätigen und[A] und Verschrau-
  flüssigkeit aus den Bremsschläuchen
                                       prüfen, ob Brems-

 bungen austritt.
 Wenn an irgendeiner Stelle Bremsflüssigkeit austritt, das
 entsprechende Problemteil untersuchen oder ersetzen.




Prüfung der Bremsschläuche auf Beschädigung
und einwandfreie Verlegung
• Die Bremsschläuche und Stellen kontrollieren.
  schleiß, Risse und undichte
                              Verschraubungen auf    Ver-

○Der hohe Druck in der Bremsleitung kann dazu führen,
 dass Flüssigkeitsaustritt [A] oder dass der Schlauch
 platzt, wenn keine regelmäßige Wartung durchgeführt
 wird. Den Gummischlauch während der Prüfung biegen
 und verdrehen.
 Den Schlauch ersetzen, wenn Risse [B], Ausbuchtungen
 [C] oder undichte Stellen festgestellt werden.
 Die Bremsschlauch-Hohlschrauben festziehen.
 Anzugsmoment -
        Bremsschlauch-Hohlschrauben:         25 N·m (2,5
           kgf·m)
• Die Verlegung der Bremsschläuche überprüfen. Brems-
  Bei einer falschen Bremsschlauchführung den
 schlauch gemäß Abschnitt "Verlegung von Seilzügen,
 Kabeln und Schläuchen" im Anhang verlegen.
Funktionsprüfung der Bremsen
• Die Funktion der vorderentrockener Straße überprüfen.
  Fahren des Fahrzeugs auf
                             und hinteren Bremse durch

 Wenn die Bremswirkung unzureichend ist, das Bremssys-
 tem kontrollieren.
                       ACHTUNG
 Erfolgt die Überprüfung durch Fahren des Fahr-
 zeugs, aus Sicherheitsgründen immer auf den
 Umgebungsverkehr achten.
REGELMÄßIGE WARTUNG 2-37
Wartungsschritte
Prüfung des Bremsflüssigkeitsstandes
• Diemuss über der unteren Standmarkierung [B] stehen.
  [A]
      Bremsflüssigkeit im Behälter für die Vorderradbremse

                     ANMERKUNG
 ○Zur  Prüfung des Bremsflüssigkeitsstand den Lenker
   drehen, bis der Ausgleichsbehälter waagerecht ist.
 Steht der Bremsflüssigkeitsstand unter der untersten
 Standmarkierung, den Behälter bis zur oberen Stand-
 markierung [C] auffüllen.

• Der Hinterradbremse [A] mussBremsflüssigkeitsbehälter
  der
      Bremsflüssigkeitsstand im
                                über der unteren Stand-
 markierung [B] stehen.
 Steht der Bremsflüssigkeitsstand unter der untersten
 Standmarkierung, den Behälter bis zur oberen Stand-
 markierung [C] auffüllen.
                        ACHTUNG
 Falls beim Nachfüllen Typ und Sorte der Brems-
 flüssigkeit im Ausgleichsbehälter unbekannt sind,
 muss die gesamte Bremsflüssigkeit im System ge-
 wechselt werden. Nach Wechsel der Bremsflüssig-
 keit nur noch die gleiche Marke und die gleiche Art
 der Bremsflüssigkeit verwenden.

 Empfohlene Scheibenbremsflüssigkeit
  Sorte:     DOT4

• Um denund Hinterradbremse richtig zu verschließen, wie
  Vorder-
          Deckel des Bremsflüssigkeitsbehälters für die

 folgt vorgehen.
○Zunächst den Deckel [B] des Bremsflüssigkeitsbehälters
 für die Vorderradbremse von Hand im Uhrzeigersinn [C],
 drehen, bis ein leichter Widerstand spürbar ist, was dar-
 auf hinweist, dass der Deckel auf dem Behälter aufsitzt.
 Danach den Deckel um eine weitere 1/6-Umdrehung [D]
 anziehen und dabei den Bremsflüssigkeitsbehälter [A]
 festhalten.
2-38 REGELMÄßIGE WARTUNG
Wartungsschritte
Prüfung der Bremsbeläge auf Verschleiß
• Die Dicke der Bremsbeläge an allen Bremssätteln kon-
  trollieren.
    Bremsbelagdicke
      Standard:
        Vorn [A]           4,0 mm
        Hinten [B]         5,0 mm
      Grenzwert [C]:       1 mm
    Unterschreitet die Belagdicke bei einem der Bremsbeläge
    den Grenzwert [B], beide Bremsbeläge in dem Bremssat-
    tel als einen Satz ersetzen.




Funktionsprüfung des Bremslichtschalters
• Den Bremslicht [A]einschalten.
      Zündschalter
• hebel betätigt oder das Bremspedal ca.wenn der Brems-
  Das                 sollte aufleuchten,
                                          10 mm herunter-
    gedrückt wird.




    Falls nicht, den Bremslichtschalter erneuern.
•   Das Schaltergehäuse festhalten und die Einstellmutter
    verdrehen, um den Schalter zu justieren.
     Schaltergehäuse [A]
     Einstellmutter [B]
     Früheres Aufleuchten durch Anhebung des Schalterge-
     häuses [C]
     Späteres Aufleuchten durch Senken des Schaltergehäu-
     ses [D]
                        VORSICHT
    Um eine Beschädigung der elektrischen An-
    schlüsse im Inneren des Schalters zu vermeiden,
    darf sich das Schaltergehäuse bei der Einstellung
    nicht verdrehen.
REGELMÄßIGE WARTUNG 2-39
Wartungsschritte
 Leuchtet das Bremslicht nicht, die folgenden Teile über-
 prüfen oder ersetzen.
  Batterie (siehe "Prüfung des Ladezustandes" im Kapitel
  "Elektrik")
  Bremslicht (siehe "Ausbau der Rück-/Bremsleuchte" im
  Kapitel "Elektrik")
  Hauptsicherung 30 A und Rücklichtsicherung 10 A
  (siehe "Prüfung der Sicherung" im Kapitel "Elektrik")
  Vorderrad-Bremslichtschalter [A] (siehe "Prüfung des
  Schalters" im Kapitel "Elektrik")
  Hinterrad-Bremslichtschalter (siehe "Prüfung des Schal-
  ters" im Kapitel "Elektrik")
  Kabelbaum (siehe "Prüfung der Verkabelung" im Kapitel
  "Elektrik")

Federung
Funktionsprüfung von Vorderradgabel/Hinterrad
-Stoßdämpfer
• Die leichtgängigen Hub auf und ab pumpen [A] und dabei
  auf
      Gabel 4 oder 5 Mal
                         achten.
 Ist die Gabel schwergängig oder verursacht Geräusche,
 den Gabelölstand oder die Gabelklemmen überprüfen
 (siehe "Wechsel des Vorderradgabelöls" im Kapitel "Fe-
 derung").



• DenleichtgängigenMal nach unten drücken [A] und dabei
  auf
      Sitz 4 oder 5
                    Hub achten.
 Ist der Stoßdämpfer schwergängig oder verursacht Ge-
 räusche, die Stoßdämpfer auf undichte Stellen oder die
 Stoßdämpferklemmen kontrollieren (siehe "Prüfung des
 Hinterrad-Stoßdämpfers auf Ölleck" in diesem Kapitel).




Prüfung der Vorderradgabel auf Öllecks
• Die Vorderradgabel [A] visuell auf Ölleck überprüfen.
  Ggf. defekte Teile austauschen oder reparieren.
2-40 REGELMÄßIGE WARTUNG
Wartungsschritte
Prüfung des Hinterrad-Stoßdämpfers auf Ölleck
• Den Stoßdämpfer [A] aufwird, den Stoßdämpfer durch ei-
  Wenn Ölleck festgestellt
                           Ölleck visuell kontrollieren.

 nen neuen ersetzen.




Funktionsprüfung des Kipphebels
• Den Sitz 4 oderHub achten. unten drücken und dabei auf
  leichtgängigen
                  5 Mal nach

 Ist der Kipphebel [A] schwergängig oder verursacht Ge-
 räusche, die Feststeller und Lager untersuchen (siehe
 "Prüfung der Kipphebel/Spurstangenlager und Hülse" im
 Kapitel "Federung").




Funktionsprüfung der Spurstange
• Den Sitz 4 oderHub achten. unten drücken und dabei auf
  leichtgängigen
                  5 Mal nach

 Sind die Spurstangen [A] schwergängig oder verursachen
 Geräusche, die Feststeller und Lager untersuchen (siehe
 "Prüfung der Kipphebel/Spurstangenlager und Hülse" im
 Kapitel "Federung").
REGELMÄßIGE WARTUNG 2-41
Wartungsschritte
Lenkung
Prüfung des Lenkungsspiels
• Untere Verkleidung ausbauen (siehe "Ausbau der unte-
  ren Verkleidung" im Kapitel "Rahmen").
• Das Vorderrad mit einem Wagenheber aufbocken.
    Spezialwerkzeuge -
             Wagenheber: 57001-1238
             Stützblöcke: 57001-1608
• Das Vorderrad in Geradeausstellung bringen und Das
  wechselnd gegen beide Lenkerenden klopfen.
                                                 ab-

    Vorderrad muss von allein ganz nach links und rechts
    schwingen, bis die Gabel den Anschlag berührt.
    Wenn das Rad klemmt oder vor dem Anschlag hängen
    bleibt, ist die Lenkung zu straff eingestellt.
•   Ob die Lenkung zu locker ist, lässt sich durch Drücken
    und Ziehen der Gabeln feststellen.
    Wenn sich diese locker anfühlt, ist auch die Lenkung lo-
    cker.
                        ANMERKUNG
    ○Die Seilzüge und Kabel behindern etwas die Gabelbe-
     wegung, dies muss berücksichtigt werden.
    ○Kabel und Seilzüge müssen ordnungsgemäß verlegt
     sein.
    ○Die Lager müssen in gutem Zustand und korrekt ge-
     schmiert sein, sonst liefert der Test keine verwertbaren
     Ergebnisse.
Einstellung des Lenkungsspiels
• Das Vorderrad mit einem Wagenheber anheben.
• Ausbauen: des Kupplungszugs
   Oberes Ende
     Oberes Ende der Gasseilzüge
     Lenkkopfmutter [A] und Unterlegscheibe [B]
     Lenkerpositionsschrauben [C]
•   Die oberen Klemmschrauben der Gabel lockern [D].
•   Den Lenkkopf [E] abnehmen.


• Die Klauen [A] der Klauenscheibe gerade biegen. die
• Die Sicherungsmutter für den Lenkschaft [B] und
  Klauenscheibe [C] entfernen.
2-42 REGELMÄßIGE WARTUNG
Wartungsschritte

• Die Lenkung einstellen.
    Spezialwerkzeug -
             Lenkschaftmuttern-Schlüssel [A]: 57001-1100
    Ist die Lenkung zu straff eingestellt, die Lenkermutter den
    Bruchteil einer Umdrehung anziehen.
    Ist die Lenkung zu locker, die Lenkermutter den Bruchteil
    einer Umdrehung anziehen.
                         ANMERKUNG
    ○Die Lenkermutter jeweils höchstens eine achtel Umdre-
      hung drehen.

• Die Klauenscheibe [A] so einbauen, dass der Klauen so
  Seite [B] nach oben zeigt, und die Nasen
                                           die gebogene

    biegen, dass sie in die Nuten der Sicherungsmutter des
    Lenkschafts [C] eingreifen.
•   Die Sicherungsmutter des Lenkschafts mit der Hand fest-
    ziehen, bis sie die Klauenscheibe berührt.
•   Die Sicherungsmutter des Lenkschafts im Uhrzeigersinn
    anziehen, bis die Klauen auf die Nuten (zweite bis vierte
    Nut) der Lenkermutter [D] ausgerichtet sind, anschlie-
    ßend die beiden Klauen [E] nach unten biegen.

• Ein nicht-permanentes Gewindedichtmittel auf die Ge-
  winde der Lenkerpositionsschrauben auftragen.
• Festziehen:
    Anzugsmoment -
           Lenkschaftkopfmutter: 78 N·m (8,0 kgf·m)
           Obere Vorderradgabel-Klemmschrauben:        20
             N·m (2,0 kgf·m)
           Lenkerpositionsschrauben: 9,8 N·m (1,0 kgf·m)
• Diedie Lenkung immer noch zu straff oder zu locker, die
  Ist
      Lenkung erneut überprüfen.

    Einstellung wiederholen.
Schmierung des Lenkschaftlagers
• Den Lenkschaft ausbauen (siehe "Ausbau des Lenk-
  schafts und Lenkschaftlagers" im Kapitel "Lenkung").
• Mit einem untere Kugellager in den Lagerkäfigen reini-
  obere und
             Lösungsmittel mit hohem Flammpunkt das

    gen und die oberen und unteren Laufringe abwischen,
    die in das Rahmensteuerrohr als Presspassung einge-
    setzt sind, Fett und Schmutz entfernen.
•   Die äußeren Laufringe und die Kugellager visuell über-
    prüfen.
    Die Lager ersetzen, die Beschädigungen oder Verschleiß
    aufweisen.
•   Die oberen und unteren Kugellager [A] in den Lagerkäfi-
    gen mit Fett füllen und die oberen und unteren äußeren
    Laufringe leicht einfetten.
•   Den Lenkschaft einbauen (siehe "Einbau des Lenk-
    schafts und Lenkschaftlagers" im Kapitel "Lenkung").
•   Lenkung einstellen (siehe "Einstellung des Lenkungs-
    spiels" in diesem Kapitel).
REGELMÄßIGE WARTUNG 2-43
Wartungsschritte
Prüfung der Licht- und Schalterfunktion
Erster Schritt
•Den Zündschalter einschalten.
•Gemäß nachstehender Tabelle sollten die folgenden
 Lichter leuchten.
Stadtlicht [A]                                      leuchtet
Rücklicht (LED) [B]                                 leuchtet
Kennzeichenleuchte [C]                              leuchtet
Instrumentenblock-LCD [D]                           leuchtet
Kontrollleuchte für die Neutralstellung (LED)
                                                    leuchtet
[E]
Warnleuchte (LED) [F]                           leuchtet (blinkt)
Instrumentenblockbeleuchtung (LED) [G]              leuchtet
    Leuchtet das Licht nicht, die folgenden Teile überprüfen
    oder ersetzen.
     Batterie (siehe "Prüfung des Ladezustandes" im Kapitel
     "Elektrik")
     Entsprechende Glühlampen (siehe "Schaltplan" im Ka-
     pitel "Elektrik")
     Instrumenteneinheit (siehe "Prüfung der elektronischen
     Kombi-Instrumenteneinheit" im Kapitel "Elektrik")
     ECU (siehe "Prüfung der ECU-Stromversorgung" im Ka-
     pitel "Kraftstoffanlage (DFI)")
     Hauptsicherung 30 A und Rücklichtsicherung 10 A
     (siehe "Prüfung der Sicherung" im Kapitel "Elektrik")
     Zündschalter (siehe "Schaltplan" im Kapitel "Elektrik")
     Gangpositionsschalter (siehe "Prüfung des Gangpositi-
     onsschalters" im Kapitel "Elektrik")
     Kabelbaum (siehe "Prüfung der Verkabelung" im Kapitel
     "Elektrik")
•   Den Zündschalter ausschalten.
•   Alle Lichter sollten erlöschen (beim Modell mit Wegfahr-
    sperre blinkt die Warneuchte (LED). Siehe Kurzbeschrei-
    bung im Kapitel "Elektrik").
    Falls das Licht nicht verlöscht, den Zündschalter erset-
    zen.
Zweiter Schritt
•Den Zündschalter auf die Position "P" (Parken) stellen.
•Stadtlicht, Rück-/Bremslicht (LED) und Kennzeichenbe-
 leuchtung sollten leuchten.
 Leuchtet das Licht nicht, die folgenden Teile überprüfen
 oder ersetzen.
   Zündschalter (siehe "Schaltplan" im Kapitel "Elektrik")
2-44 REGELMÄßIGE WARTUNG
Wartungsschritte
Dritter Schritt
•Den Zündschalter einschalten.
•Blinkerschalter [A] betätigen (nach links oder rechts).
•Je nach Schalterposition sollten die linken oder rechten
 Blinker [B] (vorne und hinten) blinken.
•Die Blinker-Kontrollleuchte (LED) [C] in der Instrumenten-
 einheit sollte blinken.
 Blinkt ein Licht nicht, die folgenden Teile überprüfen oder
 ersetzen.
   Blinkerglühlampe (siehe "Wechseln der Blinkerglüh-
   lampe" im Kapitel "Elektrik")
   Instrumenteneinheit         für   Blinker-Kontrollleuchte
   (LED)       (siehe    "Prüfung     der     elektronischen
   Kombi-Instrumenteneinheit" im Kapitel "Elektrik")
   Blinkerrelaissicherung 10 A (siehe "Prüfung der Siche-
   rung" im Kapitel "Elektrik")
   Blinkerschalter (siehe "Schaltplan" im Kapitel "Elektrik")
   Blinkgeberrelais (siehe "Prüfung des Blinkgeberrelais"
   im Kapitel "Elektrik")
   Kabelbaum (siehe "Prüfung der Verkabelung" im Kapitel
   "Elektrik")
•Blinkerschalter drücken.
•Blinker und Kontrollleuchte (LED) sollten verlöschen.
 Verlöscht ein Licht nicht, die folgenden Teile überprüfen
 oder ersetzen.
   Blinkerschalter (siehe "Prüfung des Schalters" im Kapi-
   tel "Elektrik")




Vierter Schritt
• Abblendschalter [A] auf die Abblendlichtposition stellen.
• Motor starten.
• Das Abblendlicht leuchtet auf.
  Leuchtet das Abblendlicht nicht, die folgenden Teile über-
  prüfen oder ersetzen.
   Abblendlicht-Glühlampe (siehe "Wechseln der Schein-
   werferglühlampe" im Kapitel "Elektrik")
   Scheinwerfer-Sicherung 10 A (siehe "Prüfung der Siche-
   rung" im Kapitel "Elektrik")
   Abblendschalter (siehe "Schaltplan" im Kapitel "Elek-
   trik")
   Scheinwerferrelais (siehe "Prüfung des Relaisschaltkrei-
   ses" im Kapitel "Elektrik")
   Kabelbaum (siehe "Prüfung der Verkabelung" im Kapitel
   "Elektrik")
REGELMÄßIGE WARTUNG 2-45
Wartungsschritte

• Abblendschalter und die Fernlichtposition stellen.
                   auf
• Die Fernlicht-Kontrollleuchte (LED) [C] sollte aufleuchten.
  Abblendlicht [A]      Fernlicht [B] leuchten auf.
• Leuchtet das Fernlicht und/oder die Fern-
    licht-Kontrollleuchte (LED) nicht,       die folgenden
    Teile überprüfen oder ersetzen.
      Fernlicht-Glühlampe (siehe "Wechseln der Scheinwer-
      ferglühlampe" im Kapitel "Elektrik")
      Abblendschalter (siehe "Schaltplan" im Kapitel "Elek-
      trik")
      Kabelbaum (siehe "Prüfung der Verkabelung" im Kapitel
      "Elektrik")
      Scheinwerfer-Sicherung 10 A (siehe "Prüfung der Siche-
      rung" im Kapitel "Elektrik")
      Scheinwerferrelais (siehe "Prüfung des Relaisschaltkrei-
      ses" im Kapitel "Elektrik")
•   Motorstoppschalter ausschalten.
•   Abblendlicht und Fernlicht leuchten weiterhin.
    Wenn Scheinwerfer und Fernlicht-Kontrollleuchte (LED)
    erlöschen, die folgenden Teile überprüfen oder ersetzen.
      Scheinwerferrelais (siehe "Prüfung des Relaisschaltkrei-
      ses" im Kapitel "Elektrik")
•   Den Zündschalter ausschalten.
•   Scheinwerfer und Fernlicht-Kontrollleuchte (LED) sollten
    erlöschen.
Prüfung der Scheinwerferausrichtung
• Die Ausrichtung des Scheinwerferlichtkegels überprüfen.
  Wenn der Scheinwerferlichtkegel zur Seite und nicht ge-
    radeaus strahlt, muss der Scheinwerfer horizontal einge-
    stellt werden.
Horizontale Einstellung des Scheinwerfers
•Die Horizontaleinstellschraube [A] an beiden Schein-
 werfern mit einem Schraubendreher [B] nach links oder
 rechts drehen, bis der Scheinwerferstrahl geradeaus
 gerichtet ist.
 Wenn der Scheinwerferlichtkegel zu niedrig oder zu hoch
 strahlt, muss der Scheinwerfer vertikal eingestellt wer-
 den.
Vertikaleinstellung des Scheinwerfers
•Die Vertikaleinstellschraube [B] an beiden Scheinwerfern
 heraus- oder hineindrehen, um den Scheinwerfer vertikal
 auszurichten.

                        ANMERKUNG
    ○Bei Fernlicht sollte der hellste Punkt etwas unter der ho-
     rizontalen Schnittebene verlaufen, wenn das Motorrad
     auf seinen Rädern steht und der Fahrer aufsitzt. Den
     Scheinwerfer entsprechend den örtlichen Vorschriften
     einstellen.
2-46 REGELMÄßIGE WARTUNG
Wartungsschritte
                      ANMERKUNG
 ○Bei   der Ausführung für die USA liegt der richtige
   Einstellwinkel 0,4 Grad unter der horizontalen Schnit-
   tebene. Im Abstand von 7,6 m von der Mitte des
   Scheinwerfer bei aufrecht stehendem Motorrad und
   darauf sitzendem Fahrer sind dies 50 mm unter der
   Horizontalen.
   50 mm [A]
   Zentrum des hellsten Punkts [B]
   7,6 m [C]
   Höhe des Scheinwerfermittelpunkts [D]
Funktionsprüfung des Seitenständerschalters
• Die Funktion Tabelle überprüfen.
  nachfolgender
                des Seitenständerschalters         [A] gemäß

Funktion des Seitenständerschalters
 Seitenstän-   Getriebe-   Kupplungs-    Motor-      Motor-
     der        gang         hebel        start       lauf
  Hochge-                                            Läuft
                Neutral    Freigegeben   Startet
   klappt                                            weiter
  Hochge-                                            Läuft
                Neutral    Eingezogen    Startet
   klappt                                            weiter
  Hochge-        Gang                    Startet     Läuft
                           Freigegeben
   klappt      eingelegt                 nicht.      weiter
  Hochge-        Gang                                Läuft
                           Eingezogen    Startet
   klappt      eingelegt                             weiter
                                                     Läuft
 Abgeklappt     Neutral    Freigegeben   Startet
                                                     weiter
                                                     Läuft
 Abgeklappt     Neutral    Eingezogen    Startet
                                                     weiter
                 Gang                    Startet
 Abgeklappt                Freigegeben              Geht aus.
               eingelegt                 nicht.
                 Gang                    Startet
 Abgeklappt                Eingezogen               Geht aus.
               eingelegt                 nicht.
REGELMÄßIGE WARTUNG 2-47
Wartungsschritte
    Wenn der Seitenständerschalter nicht funktioniert, die fol-
    genden Teile überprüfen oder ersetzen.
     Batterie (siehe "Prüfung des Ladezustandes" im Kapitel
     "Elektrik")
     Hauptsicherung 30 A (siehe "Prüfung der Sicherung" im
     Kapitel "Elektrik")
     Zündschaltersicherung 10 A (siehe "Prüfung der Siche-
     rung" im Kapitel "Elektrik")
     Zündschalter (siehe "Schaltplan" im Kapitel "Elektrik")
     Seitenständerschalter (siehe "Prüfung des Schalters" im
     Kapitel "Elektrik")
     Motorstoppschalter (siehe "Prüfung des Schalters" im
     Kapitel "Elektrik")
     Starterknopf (siehe "Schaltplan" im Kapitel "Elektrik")
     Gangpositionsschalter (siehe "Prüfung des Gangpositi-
     onsschalters" im Kapitel "Elektrik")
     Starterrelais (siehe "Prüfung des Starterrelais" im Kapi-
     tel "Elektrik")
     Starterstromkreisrelais (siehe "Prüfung des Relais-
     schaltkreises" im Kapitel "Elektrik")
     Kabelbaum (siehe "Prüfung der Verkabelung" im Kapitel
     "Elektrik")
    Wenn alle Teile in Ordnung sind, die ECU ersetzen.
Funktionsprüfung des Motorstoppschalters
Erster Schritt
•Den Zündschalter einschalten.
•Das Getriebe in Leerlaufstellung bringen.
•Den Motorstoppschalter in die Stoppposition [A] stellen.
•Den Starterknopf drücken.
•Der Motor startet nicht.
 Falls der Motor doch startet, die folgenden Teile überprü-
 fen oder ersetzen.
   Motorstoppschalter (siehe "Prüfung des Schalters" im
   Kapitel "Elektrik")
Zweiter Schritt
•Den Zündschalter einschalten.
•Das Getriebe in Leerlaufstellung bringen.
•Den Motorstoppschalter in die Betriebsposition stellen
 [A].
•Starterknopf drücken und Motor laufen lassen.
•Den Motorstoppschalter in die Stoppposition stellen.
•Der Motor geht sofort aus.
 Falls der Motor nicht stoppt, die folgenden Teile überprü-
 fen oder ersetzen.
  Motorstoppschalter (siehe "Prüfung des Schalters" im
  Kapitel "Elektrik")
 Wenn der Motorstoppschalter in Ordnung ist, die ECU er-
 setzen (siehe "Ausbau/Einbau der ECU" im Kapitel "Kraft-
 stoffanlage (DFI)").
2-48 REGELMÄßIGE WARTUNG
Wartungsschritte
Sonstige Teile
Schmierung der Fahrgestellteile
• Vor der Schmierung von und Fett, Öl, Schmutzeinem
  Rostentferner beseitigen
                           Teilen Roststellen mit
                                                  oder
    Zunder entfernen.
•   Die im Folgenden aufgeführten Schmierpunkte mit dem
    angegebenen Schmiermittel schmieren.
                      ANMERKUNG
    ○Immer wenn das Fahrzeug bei Regen oder Nässe ge-
     fahren wurde, aber insbesondere nach einer Dampf-
     strahleinigung eine allgemeine Schmierung durchfüh-
     ren.
Gelenkzapfen: Mit Fett schmieren.
 Bremshebel
 Bremspedal
 Kupplungshebel
 Gelenkbolzen der Hinterradbremse
 Seitenständer
Punkte: Mit Fett schmieren.
 Oberes und unteres Ende des Kupplungszugs [A]
 Oberes und unteres Ende der Gasseilzuges




Seilzüge: mit Rostschutzmittel schmieren.
 Kupplungszug
 Gasseilzüge
•Zur Schmierung der Seilzüge Öl zwischen Seilzug und
 Seilzughülle träufeln.
○Die Seilzüge können mit einer handelsüblichen Seil-
 zugschmierpistole und einem Aerosolschmiermittel
 geschmiert werden.
REGELMÄßIGE WARTUNG 2-49
Wartungsschritte

• Wird der Seilzug freibeiden Seilzugmantel bewegen kön-
  die Seilzugseele
                   an
                        [A] im
                               Enden ausgehakt, muss sich

 nen.
 Wenn nach der Schmierung sich der Seilzug in seinem
 Mantel nicht frei bewegt, der Seilzug Scheuerstellen aus-
 weist [B] oder der Seilzugmantel [C] geknickt ist, den Seil-
 zug ersetzen.




Prüfung der Schrauben, Muttern und Feststeller
auf festen Sitz
• Den angegeben der Schrauben und Muttern prüfen, das
  hier
       festen Sitz
                   sind. Außerdem den Zustand und
                                                  die

 Vorhandensein der Splinte kontrollieren.
                      ANMERKUNG
 ○Bei den Motorschrauben den festen Sitz bei kaltem Mo-
  tor kontrollieren (bei Zimmertemperatur).
 Wenn Schrauben locker sind, diese mit dem vorge-
 schriebenen Anzugsmoment in der angegebenen An-
 ziehreihenfolge festziehen. Die technischen Daten zum
 Anzugsmoment sind im betreffenden Kapitel angegeben.
 Wenn die technischen Daten des Anzugsmoments in
 dem betreffenden Kapitel nicht enthalten sind, die Stan-
 dardanzugsmomente in der Tabelle verwenden. Jede
 Schraube erst eine halbe Umdrehung lockern und dann
 festziehen.
 Beschädigte Splinte ersetzen.
2-50 REGELMÄßIGE WARTUNG
Wartungsschritte
Zu prüfende Schrauben, Muttern und Feststeller
Motor:
  Sicherungsmutter des Kupplungshebel-Drehzapfens
  Motoraufhängungsschrauben
  Klemmschrauben des Auspuffrohrs
  Muttern für Abgaskrümmerhalterung
  Befestigungsschrauben des Auspufftopfs
Räder:
  Klemmschrauben der Vorderachse
  Vorderachsmutter
  Hinterachsmutter
  Splint für Hinterachsmutter
Bremsen:
  Mutter des Bremshebel-Drehzapfens
  Bremspedalschraube
  Splint des Bremsstangengelenks
  Bremssattel-Befestigungsschrauben
  Klemmschrauben des Vorderrad-Hauptbremszylinders
  Befestigungsschrauben             des         Hinter-
    rad-Hauptbremszylinders
Federung:
  Vorderradgabel-Klemmschrauben
  Befestigungsmuttern für Hinterrad-Stoßdämpfer
  Schwingarmachsmutter
  Uni-Trak-Gestängemuttern
Lenkung:
  Lenkerschrauben
  Lenkschaftkopfmutter
Sonstige Teile:
  Schrauben der Fußrastenhalterung
  Befestigungsschrauben für Vorderrad-Schutzblech
  Seitenständerschraube
REGELMÄßIGE WARTUNG 2-51
Wartungsschritte
Ersatzteile
Ersatz des Luftfilterelements
                     ANMERKUNG
 ○Bei  staubiger Umgebung muss das Luftfilterelement
  häufiger als in den empfohlenen Abständen ersetzt
  werden.
 ○Nach der Fahrt auf regennassen oder schlammigen
  Straßen sollte das Luftfilterelement sofort ersetzt wer-
  den.

                        ACHTUNG
 Wenn Staub oder Schmutz in das Drosselklappen-
 gehäuse gelangen, kann die Drosselklappe klem-
 men und dadurch Unfälle verursachen.

                      VORSICHT
 Wenn Schmutz in den Motor gelangt, ist ein star-
 ker Motorverschleiß und evtl. ein Motorschaden die
 Folge.


• Ausbauen: (siehe "Ausbau des Vordersitzes" im Kapitel
   Vordersitz
   "Rahmen")

• Ausbauen:
   Kraftstofftankschrauben [A]




• Ausbauen: [A] (Modell für Kalifornien)
   Schläuche
2-52 REGELMÄßIGE WARTUNG
Wartungsschritte

• Den KraftstofftankStange [B] aufstellen.geeigneten Werk-
  zeugs oder einer
                     [A] mit Hilfe eines

○Den Lenker gerade stellen.
                        ANMERKUNG
    ○Vorsichtig vorgehen, damit der Kraftstofftank nicht her-
     unterfällt.




• Ausbauen:
   Ansaugluft-Temperatursensor [A]
     Ansaugluftdrucksensor [B]




• Ausbauen:
   Montageschrauben des Luftfiltergehäuses [A]
     Oberes Luftfiltergehäuse [B]
•   Folgende Teile entsorgen:
     Luftfilterelement




• Ein neues Element [A] einbauen.
• Festziehen:
    Anzugsmoment -
           Luftfiltergehäuseschrauben:        1,1   N·m   (0,11
              kgf·m)

                         VORSICHT
    Nur das empfohlene Luftfilterelement verwenden
    (Teile-Nr: 11013-0016 von Kawasaki). Die Verwen-
    dung eines anderen Luftfilterelements führt zu
    vorzeitigem Luftfilterverschleiß oder zu geringerer
    Motorleistung.

• Folgende Teile einbauen:
   Schläuche (Modell für Kalifornien)
     Ansaugluft-Temperatursensor (siehe "Einbau des
     Ansaugluft-Temperatursensors" im Kapitel "Kraftstoff-
     anlage (DFI)").
     Ansaugluftdrucksensor (siehe "Einbau des Ansaugluft-
     drucksensors" im Kapitel "Kraftstoffanlage (DFI)")
     Kraftstofftank (siehe "Einbau des Kraftstofftanks" im Ka-
     pitel "Kraftstoffanlage (DFI)")
REGELMÄßIGE WARTUNG 2-53
Wartungsschritte
Wechsel des Kraftstoffschlauches
• Den Kraftstofftank aufstellen (siehe "Wechsel des Luftfil-
  terelements").
Für Primär-Kraftstoffschlauch
•Unbedingt ein Tuch [A] um den Kraftstoffschlauchan-
 schluss [B] wickeln.
•Einen (–) Schraubendreher in den Schlitz [C] der Verbin-
 dungsverriegelung einsetzen.




• Die Verbindungsverriegelung herausziehen [A], wie in der
  Abbildung gezeigt.
• Die Kraftstoffschlauchverbindung [B] aus der Drucklei-
  tung ziehen.
                         ACHTUNG
    Vorkehrung für verspritzen Kraftstoff treffen. Ver-
    spritzter Kraftstoff muss sofort abgewischt werden.
    Beim Abziehen des Kraftstoffschlauchs fließt
    Kraftstoff aus dem Schlauch und der Leitung her-
    aus. Den Schlauchanschluss mit einem sauberen
    Werkstattlappen abdecken, damit kein Kraftstoff
    verspritzt.

                      ANMERKUNG
    ○Beim Ausbau der Kraftstoffschlauchverbindung auf der
     Pumpenseite ebenso vorgehen wie auf der Drossel-
     klappengehäuseseite.

• Einen neuen Kraftstoffschlauch einbauen.
• Die Verbindungsverriegelung [B] ganz herausziehen [A],
  wie gezeigt.




• Den Kraftstoffschlauchanschluss [A] gerade auf die
  Druckleitung schieben, bis er einrastet.
• Die die Schlauchverbindung klickt.zusammendrücken [B],
  bis
      Verbindungsverriegelung [C]
2-54 REGELMÄßIGE WARTUNG
Wartungsschritte
Für Sekundär-Kraftstoffschlauch
•Den Kraftstofftank aufstellen (siehe "Wechsel des Luftfil-
 terelements").
•Unbedingt ein Tuch [A] um den Kraftstoffschlauchan-
 schluss [B] wickeln.
•Die Klauen der Verbindungsverriegelung [C] zusammen-
 drücken.




• Die Verbindungsverriegelung herausziehen [A], wie in der
  Abbildung gezeigt.
• Denziehen.
  [C]
       Kraftstoffschlauchanschluss [B] aus der Druckleitung

                          ACHTUNG
    Vorkehrung für verspritzen Kraftstoff treffen. Ver-
    spritzter Kraftstoff muss sofort abgewischt werden.
    Bei abgebautem Kraftstoffschlauch fließt Kraftstoff
    aus dem Schlauch und der Leitung, da noch ein
    Restdruck vorhanden ist. Den Schlauchverbinder
    mit einem sauberen Tuch abdecken, um das Aus-
    laufen von Kraftstoff zu vermeiden.

• Ausbauen:
   Befestigungsschraube des Kraftstoffschlauchs [A]
     Kraftstoffschlauch [B]




• Motoröl auf den neuen O-Ring [A] auftragen.
• Festziehen:
    Anzugsmoment -
           Befestigungsschraube des Kraftstoffschlauchs
             [B]: 9,9 N·m (0,50 kgf·m)
REGELMÄßIGE WARTUNG 2-55
Wartungsschritte

• Den Kraftstoffschlauchanschluss [A] gerade auf die
  Druckleitung schieben, bis er einrastet.
• Die die Schlauchverbindung klickt.zusammendrücken [B],
  bis
      Verbindungsverriegelung [C]

                         ACHTUNG
    Sicherstellen, dass die Kraftstoffschlauchverbin-
    dung korrekt an der Druckleitung angeschlossen
    ist. Andernfalls kann Kraftstoff austreten.


• Den Kraftstoffschlauch Schläuchen" im Anhang verlegen.
  Seilzügen, Kabeln und
                         gemäß Abschnitt "Verlegung von

• Die ausgebauten Teile einbauen (siehe entsprechende
  Kapitel).
• Den Motor startenuntersuchen.
  tenden Kraftstoff
                     und den Kraftstoffschlauch auf austre-


Wechseln der Kühlflüssigkeit
                         ACHTUNG
    Zur Vermeidung von Verbrennungen den Kühler-
    deckel nicht abschrauben und die Kühlflüssigkeit
    nicht wechseln, wenn der Motor noch heiß ist. Den
    Motor erst abkühlen lassen. Gelangt Kühlflüssig-
    keit auf die Reifen, greifen diese nicht mehr auf der
    Straße und es kann zu Unfällen und Verletzungen
    kommen. Auf Rahmen, Motor oder Lackteilen ver-
    schüttete Kühlflüssigkeit sofort abwischen oder
    abwaschen.
    Da die Kühlflüssigkeit gesundheitsschädlich ist,
    diese nicht trinken.

• Ausbauen:
   Rechte Innenabdeckung (siehe "Ausbau der Innenabde-
  ckung" im Kapitel "Rahmen")
  Kühlerdeckel [A]
○Den Kühlerdeckel in zwei Schritten abnehmen. Zunächst
 den Deckel bis zum ersten Anschlag nach links drehen.
 Danach den Motorkühlerdeckel eindrücken und weiter-
 drehen, bis er sich abnehmen lässt.



• Ausbauen: Verkleidung (siehe "Ausbau der mittleren
   Linke mittlere
     Verkleidung" im Kapitel "Rahmen")
•   Behälter unter die Ablassschrauben [A] [B] des Wasser-
    pumpendeckels und Zylinders stellen.
•   Die Kühlflüssigkeit durch Entfernen der Ablassschrauben
    aus Kühler und Motor ablassen.
2-56 REGELMÄßIGE WARTUNG
Wartungsschritte

• Ausbauen:
   Kühlflüssigkeits-Ausgleichsbehälter [A] (siehe "Ausbau
     des Kühlflüssigkeits-Ausgleichsbehälters" im Kapitel
     "Kühlsystem")
•   Den Deckel [B] abnehmen und die Kühlflüssigkeit in einen
    Behälter gießen.




• Den Kühlflüssigkeits-Ausgleichsbehälter einbauen im Ka-
  "Einbau des Kühlflüssigkeits-Ausgleichsbehälters"
                                                    (siehe

 pitel "Kühlsystem").
•Die Ablassschrauben mit Unterlegscheiben festziehen.
○Die Unterlegscheiben der Ablassschrauben bei Beschä-
 digung erneuern.
    Anzugsmoment -
           Kühlflüssigkeits-Ablassschraube     (Wasser-
             pumpe): 8,8 N·m (0,90 kgf·m)
           Kühlflüssigkeits-Ablassschraube (Bremszylin-
             der): 9,8 N·m (1,0 kgf·m)

• Den Kühler bis zum den Kühlerdeckel aufsetzen.Kühlflüs-
  sigkeit befüllen und
                       Kühlereinfüllstutzen [A] mit

                         ANMERKUNG
    ○Die Kühlflüssigkeit langsam einfüllen, damit die Luft aus
     Motor und Kühler verdrängt werden kann.

• Den Reservetank und zur Füllstandslinie mit Kühlflüs-
  sigkeit auffüllen
                    bis
                        den Motorkühlerdeckel wieder
    aufschrauben.
                         VORSICHT
    Zusammen mit dem Frostschutzmittel muss wei-
    ches oder destilliertes Wasser verwendet werden
    (die folgenden Hinweise zum Frostschutz beach-
    ten).
    Wird im Kühlsystem hartes Wasser eingesetzt,
    kommt es zur Kesselsteinbildung in den Wasserka-
    nälen, und die Wirksamkeit des Kühlsystems wird
    erheblich verringert.

    Mischungsverhältnis aus Wasser und Kühlflüssigkeit
    (Empfehlung)
      Weiches Wasser:      50%
      Kühlflüssigkeit:       50%
      Gefrierpunkt:          –35°C
      Gesamtmenge:           2,6 Liter

                         ANMERKUNG
    ○Entsprechend     den Anweisungen des Kühlflüssig-
     keitsherstellers ein geeignetes Mischungsverhältnis
     auswählen.
REGELMÄßIGE WARTUNG 2-57
Wartungsschritte

• Das Kühlsystem wie folgt entlüften.
○Den Motor mit abgeschraubtem Motorkühlerdeckel star-
 ten und laufen lassen, bis keine Luftblasen [A] mehr in
 der Kühlflüssigkeit zu erkennen sind.
○Die Kühlerschläuche abklopfen, damit sich evtl. anhaf-
 tende Luftbläschen lösen.
○Den Motor stoppen und Kühlflüssigkeit bis zum Kühler-
 einfüllstutzen auffüllen.
•Den Kühlerdeckel einsetzen.
•Den Motor starten und warmlaufen lassen, bis das Küh-
 lergebläse anläuft, dann den Motor stoppen.
•Den Kühlflüssigkeitsstand im Reservebehälter nach dem
 Abkühlen des Motors kontrollieren.
 Liegt der Kühlflüssigkeitsstand unter der entsprechenden
 Markierung, Kühlflüssigkeit bis zur oberen Füllstandslinie
 auffüllen.
                       VORSICHT
    Die obere Füllstandslinie für die Kühlflüssigkeit
    nicht überschreiten.
2-58 REGELMÄßIGE WARTUNG
Wartungsschritte
Wechsel des Kühlerschlauches und O-Rings
• Kühlflüssigkeit ablassen (siehe "Wechsel der Kühlflüssig-
  keit").
• Ausbauen:
   Mittlere Verkleidung (siehe "Ausbau der mittleren Ver-
     kleidung" im Kapitel "Rahmen")
     Drosselklappengehäuse (siehe "Ausbau des Drossel-
     klappengehäuses" im Kapitel "Kraftstoffanlage (DFI)")
     Thermostatgehäusedeckel [A] (siehe "Ausbau des Ther-
     mostaten" im Kapitel "Kühlsystem")
     Verschraubung [B]
     Schläuche [C]
     O-Ringe [D]
•   Die neuen O-Ringe einfetten und einbauen.
•   Die neuen Schläuche einbauen und die Klemmen fest an-
    ziehen.
•   Festziehen:
    Anzugsmoment -
           Klemmschrauben des Wasserschlauchs:          2,0
              N·m (0,20 kgf·m)
• Die ausgebauten Teile wieder einbauen. der Kühlflüssig-
• Kühlflüssigkeit einfüllen (siehe "Wechsel
  keit").
• Den Schlauch korrekt einbauen (sieheSchläuchen" im
  legung von Seilzügen, Kabeln und
                                            Abschnitt "Ver-

    Anhang).
•   Das Kühlsystem auf Dichtheit prüfen.
REGELMÄßIGE WARTUNG 2-59
Wartungsschritte




Wechsel des Motoröls
• Linke untere VerkleidungKapitel "Rahmen"). "Ausbau der
  unteren Verkleidung" im
                           ausbauen (siehe

• Das Motorrad nach dem Warmlauf so stellen, dass es
  vertikal steht.
• Motoröl-Ablassschrauben [A] herausdrehen und das Mo-
  toröl ablassen.
○Das Öl im Ölfilter kann abgelassen werden, wenn der Öl-
    filter ausgebaut wird (siehe "Wechsel des Ölfilters").
    Die Dichtung der Ablassschraube durch eine neue erset-
    zen.
•   Die Ablassschraube festziehen.
    Anzugsmoment -
           Motoröl-Ablassschraube: 29 N·m (3,0 kgf·m)
• Die vorgegebene Ölmenge der richtigen Ölsorte einfüllen.
2-60 REGELMÄßIGE WARTUNG
Wartungsschritte
 Empfohlenes Motoröl
  Typ:        API SE, SF oder SG
                  API SH, SJ oder SL mit JASO MA
    Viskosität:   SAE 10W-40
    Ölmenge:      2,9 Liter (ohne Filterwechsel)
                  3,2 Liter (mit Filterwechsel)
                  3,8 Liter (bei vollkommen trockenem
                  Motor)

                       ANMERKUNG
 ○Für die meisten Fälle wird Motoröl 10W-40 empfohlen,
   evtl. muss jedoch die Ölviskosität entsprechend den
   Klimabedingungen im jeweiligen Fahrgebiet angepasst
   werden.
Wechsel des Ölfilters
• Das Motoröl[A] mit dem Ölfilterschlüsseldes Motoröls").
               ablassen (siehe "Wechsel
• Den Ölfilter                             [B] ausbauen.
 Spezialwerkzeug -
          Ölfilterschlüssel: 57001-1249
• Verschüttetes Öl mit einem schwerfeuchten Tuch nach-
  sungsmittel entfernen und mit einem
                                      entflammbaren Lö-

 wischen.


• Dendem Einbau Motoröl auf die Dichtung [A] auftragen.
      Filter durch einen neuen Filter ersetzen.
• Den Ölfilter mit dem Ölfilterschlüssel festziehen.
  Vor
•
 Anzugsmoment -
        Ölfilter: 31 N·m (3,2 kgf·m)

                       ANMERKUNG
 ○Der Ölfilter darf nicht nur mit der Hand festgezogen wer-
  den, da auf diese Weise das erforderliche Anzugsmo-
  ment nicht erreicht wird.

• Die des Motoröls"). und Ölmenge auffüllen (siehe "Wech-
  sel
      richtige Ölsorte
REGELMÄßIGE WARTUNG 2-61
Wartungsschritte
Wechsel des Bremsschlauchs und der -leitung
                          VORSICHT
    Bremsflüssigkeit greift lackierte Kunststoffflächen
    schnell an. Deshalb verspritzte Bremsflüssigkeit
    sofort abwaschen.

• Die Bremsschlauch-Hohlschrauben [A] samt Unterleg-
  scheiben herausdrehen.
• Beim Ausbau des Bremsschlauchs darf keine Bremsflüs-
  sigkeit auf Lackflächen und Kunststoffteile gelangen.
• Beim Ausbau derhoch binden, um [B] das Ende des
  Bremsschlauchs
                      Bremsschläuche
                                         den Verlust von
    Bremsflüssigkeit möglichst gering zu halten.
•   Ausgetretene Bremsflüssigkeit sofort beseitigen.
•   Der Bremsschlauchanschluss ist beidseitig mit Unterleg-
    scheiben versehen. Diese beim Einbau durch neue Un-
    terlegscheiben ersetzen.
•   Festziehen:
    Anzugsmoment -
           Bremsschlauch-Hohlschrauben:        34 N·m (3,5
              kgf·m)
• Beim Einbau der Schläuche, Verdrehungen vermeiden
  mungen, Abflachungen und
                             scharfe Knicke, Einklem-

    und die Schläuche gemäß Abschnitt "Verlegung von Seil-
    zügen, Kabeln und Schläuchen" im Anhang verlegen.
•   Die Bremsleitung nach dem Anschluss des Brems-
    schlauchs entlüften (siehe "Wechsel der Bremsflüssig-
    keit").



Wechsel der Bremsflüssigkeit
                          ANMERKUNG
    ○Die Bremsflüssigkeit an der Vorderbremse wird wie folgt
     gewechselt. Der Wechsel der Bremsflüssigkeit für die
     Hinterradbremse erfolgt analog zur Vorderradbremse.

• Den Bremsflüssigkeitsbehälter gerade ausrichten.
• Ausbauen: [A]
   Schraube
     Anschlag [B]
     Behälterdeckel [C]

• Die Gummikappe von dem Entlüftungsventil [A] des
  Bremssattels abnehmen.
• Einen transparenten Kunststoffschlauch [B] Endedem
  Entlüftungsventil anschließen und das andere
                                               an
                                                  des
    Schlauchs in einen Behälter halten.
•   Den Behälter mit frischer Bremsflüssigkeit der entspre-
    chenden Qualität füllen.
2-62 REGELMÄßIGE WARTUNG
Wartungsschritte

• Die Bremsflüssigkeit wechseln. frische Bremsflüssigkeit
○Diese Schritte wiederholen, bis
  aus dem Kunststoffschlauch austritt oder sich die Farbe
  der Bremsflüssigkeit ändert.
1. Das Entlüftungsventil [A] öffnen.
2. Die Bremse anziehen und angezogen halten [B].
3. Das Entlüftungsventil [C] schließen.
4. Die Bremse [D] freigeben.
                     ANMERKUNG
 ○Der Stand der Bremsflüssigkeit muss beim Wechsel der
  Bremsflüssigkeit regelmäßig geprüft werden; gegebe-
  nenfalls frische Bremsflüssigkeit auffüllen. Wenn die
  Bremsflüssigkeit in dem Behälter während des Brems-
  flüssigkeitswechsels verbraucht ist, müssen die Brem-
  sen entlüftet werden, da dabei Luftblasen in die Brems-
  leitung gelangen.
 ○Vorderradbremse: Die oben beschriebenen Schritte für
  den anderen Bremssattel wiederholen.




• Die folgenden Schritte ausführen, um denoder Hinterrad-
  Bremsflüssigkeitsbehälter der Vorderrad-
                                           Deckel für den

 bremse richtig zu schließen.
○Zunächst den Behälterdeckel der Vorderrad- bzw.   Hin-
 terradbremse [B] mit der Hand nach rechts drehen [C],
 bis ein Widerstand spürbar ist; danach den Deckel eine
 weitere Sechstelumdrehung [D] drehen, und dabei den
 Bremsflüssigkeitsbehälter [A] festhalten.



• Festziehen:
 Anzugsmoment -
        Anschlagschraube        des        Vorderrad
          -Bremsflüssigkeitsbehälterdeckels:     1,2
          N·m (0,12 kgf·m)
• Das Entlüftungsventil festziehen und die Gummikappe
  aufsetzen.
 Anzugsmoment -
        Entlüftungsventil: 7,8 N·m (0,80 kgf·m)
• Nach Wechsel der Bremsflüssigkeit die Funktionsfähig-
  keit der Bremse, die Freigabe der Bremsbacken und die
 Dichtheit prüfen.
 Ggf. die Leitungen entlüften.
REGELMÄßIGE WARTUNG 2-63
Wartungsschritte
Wechsel der Gummiteile des Hauptbremszylinders
Zerlegung des Vorderrad-Hauptbremszylinders
•Den vorderen Hauptbremszylinder ausbauen (siehe
 "Ausbau des vorderen Hauptbremszylinders" im Kapitel
 "Bremsen").
•Dichtscheibe [A], Sichrungsring [B], Verbinder [C] und O
 -Ring [D] abbauen.
    Spezialwerkzeug -
             Montagezange für Innensicherungsringe: 57001
                -143
• Die Sicherungsmutterentfernen. Drehbolzen [F] lösen
  und den Bremshebel
                       [E] und den

• Die Staubschutzkappe und den Sicherungsring [G] ent-
  fernen.
• Die Kolbenbaugruppe [H] herausziehen.
• Wechseln: [A]
   Dichtscheibe
     Sicherungsring [B]
     O-Ring [D]
     Sicherungsring [G]
     Kolbengaugruppe [H]
Zerlegung des Hinterrad-Hauptbremszylinders
•Den Hinterrad-Hauptbremszylinder ausbauen (siehe
 "Ausbau des Hinterrad-Hauptbremszylinders" im Kapitel
 "Bremsen").
•Sicherungsring [A], Verbinder [B] und O-Ring [C] entfer-
 nen.
    Spezialwerkzeug -
             Montagezange für Innensicherungsringe: 57001
                -143
• Die Staubschutzkappe [D] verschieben und den Siche-
  rungsring [E] entfernen.
• Die Schubstangenbaugruppe [F] herausziehen.
• Die Kolbenbaugruppe [G] abnehmen.
                        VORSICHT
    Keinesfalls die Sekundärmanschette vom Kolben
    abziehen, da sie dabei beschädigt würde.

• Wechseln:
   Sicherungsring [A]
     O-Ring [C]
     Sicherungsring [E]
     Schubstangenbaugruppe [F]
     Kolbengaugruppe [G]
2-64 REGELMÄßIGE WARTUNG
Wartungsschritte
Zusammenbau des Hauptbremszylinders
•Vor dem Zusammenbau alle Teile im Hauptbremszylinder
 mit Bremsflüssigkeit oder Spiritus reinigen.
                       VORSICHT
    Bremsklötze und Bremsscheiben ausgenommen,
    nur Bremsflüssigkeit, Isopropylalkohol oder Äthyl-
    alkohol zum Reinigen der Bremse verwenden.
    Keine andere Flüssigkeit zur Reinigung dieser
    Teile verwenden. Benzin, Motoröl und andere Erd-
    öldestillate führen zur Alterung der Gummiteile.
    Auf Teilen verschüttetes Öl lässt sich nur schwer
    wieder vollständig abwaschen und kann die Gum-
    miteile der Scheibenbremse angreifen.


• Auf die neuen Teile und die Innenwand des Zylinders
  Bremsflüssigkeit auftragen.
• Die Innenwand des Zylinders und den Kolben nicht zer-
  kratzen.
• Den Bremshebel-Drehzapfen und die Sicherungsmutter
  festziehen.
    Silikonfett -       Bremshebel-Drehzapfenschraube
    Anzugsmoment -
           Bremshebelzapfenschraube:     1,0 N·m (0,10
              kgf·m)
           Sicherungsmutter        der      Bremshebel
              -Drehzapfenschraube:     5,9 N·m (0,60
              kgf·m)

Wechsel der Bremssattel-Gummiteile
Zerlegung des Vorderrad-Bremssattels
•Vorderrad-Bremsbelagbolzen [A] und Hohlschraube [B]
 lockern und wieder leicht festziehen.
•Ausbauen:
   Vorderer Bremssattel [C] (siehe "Ausbau des vorderen
   Bremssattels" im Kapitel "Bremsen")
   Bremsbelag (siehe "Ausbau der Vorderradbremsbe-
   läge" im Kapitel "Bremsen")
   Vorderrad-Bremssattelschrauben
   O-Ringe

• Die Kolben mit Druckluft herausdrücken. Die Kolben kön-
  nen wie folgt herausgenommen werden.
○Eine Gummidichtung [A] und einen Holzklotz [B] von mehr
 als 10 mm Dicke auf die Bremssattelhälfte legen und mit
 einer geeigneten Schraube und Mutter wie abgebildet be-
 festigen. Eine der Ölpassagen [C] geöffnet lassen.
○Etwas Pressluft [D] in die Ölpassage einleiten, bis die Kol-
 ben gegen die Gummidichtung drücken.
○Sofern die Bremssattelhälfte auf der Bremsschlauch
 -Anschlussseite eine Anschlussöffnung besitzt, diese
 Öffnung während des Arbeitsvorgangs verschließen.
  Schraube und Mutter [E]
  Herunterdrücken [F].
REGELMÄßIGE WARTUNG 2-65
Wartungsschritte
                          ACHTUNG
    Um schwere Verletzungen zu vermeiden, niemals
    Finger oder Handfläche vor den Kolben halten.
    Wenn Druckluft am Bremssattel anliegt, kann der
    Kolben Finger oder Hand quetschen.
○Die Kolben mit der Hand herausziehen.
• Die Staubdichtungen [A] und Flüssigkeitsdichtungen [B]
  entfernen.
• Das Entlüftungsventil [C] und die Gummikappe [D] entfer-
  nen.
• Dender anderen SeiteSchritt wiederholen, um die Kolben
  auf
       vorhergehenden
                         des Bremssattels auszubauen.

                       ANMERKUNG
    ○Wenn keine Druckluft zur Verfügung steht, die folgen-
     den Arbeitsschritte gleichzeitig für beide Bremssättel
     ausführen und dabei den Bremsschlauch am Brems-
     sattel montiert lassen.
    ○Einen Behälter für die Bremsflüssigkeit vorbereiten und
     die Arbeiten über diesem Behälter ausführen.
    ○Bremsbelagfeder und Bremsbeläge ausbauen (siehe
     "Ausbau der Vorderradbremsbeläge" im Kapitel "Brem-
     sen").
    ○Am Bremshebel pumpen, bis die Kolben aus den Zylin-
     dern austreten, und dann den Bremssattel zerlegen.

Zusammenbau des Vorderrad-Bremssattels
•Die Bremssattelteile mit Ausnahme der Bremsbeläge rei-
 nigen.
                        VORSICHT
    Zum Reinigen der Teile ausschließlich Scheiben-
    bremsflüssigkeit, Isopropanol oder Äthylalkohol
    verwenden.

• Das Entlüftungsventil und die Gummikappe einbauen.
    Anzugsmoment -
           Entlüftungsventil: 7,8 N·m (0,80 kgf·m)

• Die Flüssigkeitsdichtungen [A] erneuern. auftragen
○Silikonfett auf die Bremsflüssigkeitsdichtungen
 und diese mit der Hand in die Bremszylinder einsetzen.
•Die Staubdichtungen [B] erneuern, falls diese beschädigt
 sind.
○Silikonfett auf die Staubdichtungen auftragen und diese
 mit der Hand in die Bremszylinder einsetzen.
2-66 REGELMÄßIGE WARTUNG
Wartungsschritte

• DenAußenseite erneuern. mit Bremsflüssigkeit bestrei-
      O-Ring [A]
• chen und mit derder Kolben Zylinder eindrücken.
  Die
                   Hand in die
• Unbedingt die O-Ringe einsetzen.
• Festziehen:
    Anzugsmoment -
           Vorderrad-Bremssattelschrauben: 27 N·m (2,8
              kgf·m)



• Bremsbeläge einbauen (siehe "Einbau der Vorderrad-
  bremsbeläge" im Kapitel "Bremsen").
• Ausgetretene Bremsflüssigkeit auf dem Bremssattel mit
  einem feuchten Tuch aufnehmen.
Zerlegung des Hinterrad-Bremssattels
•Hinteren Bremssattel ausbauen (siehe "Ausbau des Hin-
 terrad-Bremssattels" im Kapitel "Bremsen").
•Bremsbeläge und Bremsbelagfedern ausbauen (siehe
 "Ausbau der Hinterradbremsbeläge" im Kapitel "Brem-
 sen").
•Den Kolben mit Druckluft herausdrücken.
○Die Bremssattelöffnung mit einem sauberen dicken Tuch
 [A] abdecken.
○Den Kolben mit Druckluft [B] vorsichtig herausdrücken,
 die Druckluft am Anschluss der Bremsleitung am Brems-
 sattel anschließen.

                          ACHTUNG
    Um schwere Verletzungen zu vermeiden, niemals
    mit Fingern oder Hand in den geöffneten Bremssat-
    tel greifen. Wenn Druckluft am Bremssattel anliegt,
    kann der Kolben Finger oder Hand quetschen.

• Die Staubdichtung und diedie Gummikappe ausbauen.
                            Öldichtung entfernen.
• Das Entlüftungsventil und
                       ANMERKUNG
    ○Wenn    keine Druckluft zur Verfügung steht, bei am
     Bremssattel angeschlossenem Bremsschlauch wie
     folgt vorgehen:
    ○Einen Behälter für die Bremsflüssigkeit vorbereiten und
     die Arbeiten über diesem Behälter ausführen.
    ○Bremsbeläge und Bremsbelagfeder ausbauen (siehe
     "Ausbau der Hinterradbremsbeläge" im Kapitel "Brem-
     sen").
    ○Am Bremspedal pumpen, um den Bremssattelkolben
     zu entfernen.
REGELMÄßIGE WARTUNG 2-67
Wartungsschritte
Zusammenbau des Hinterrad-Bremssattels
•Die Bremssattelteile mit Ausnahme der Bremsbeläge rei-
 nigen.
                         VORSICHT
    Zum Reinigen der Teile nur Scheibenbremsflüssig-
    keit, Isopropanol oder Spiritus verwenden.

• Das Entlüftungsventil und die Gummikappe einbauen.
    Anzugsmoment -
           Entlüftungsventil: 7,8 N·m (0,80 kgf·m)

• Die Flüssigkeitsdichtung [A] durch eine neue Dichtung er-
  setzen.
○Auf die Bremsflüssigkeitsdichtung mit Gummifett auftra-
 gen und mit der Hand in den Bremszylinder einsetzen.
•Die Staubdichtung [B] durch eine neue Dichtung erset-
 zen.
○Auf die Staubdichtung mit Gummifett auftragen und mit
 der Hand in den Bremszylinder einsetzen.



• Die Bremsbelagfeder [A] wie gezeigt im Bremssattel ein-
  bauen.
• Die Außenseite des Kolbens [B]HandBremsflüssigkeitein-
  netzen und den Kolben mit der
                                 mit
                                      in den Zylinder
                                                      be-

    drücken.
•   Die Manschette für die Wellengummireibscheibe [C] und
    die Staubschutzmanschette [D] bei Beschädigung erset-
    zen.



• Diebefestigen.
  ter
      Bremsbelagfeder [A] wie gezeigt am Bremssattelhal-

• Einen dünnen Film PBC-Fett (Polybutylkuprysil) auf die
  Wellen der Bremssattelhalterung [B] und die Bohrungen
    der Halterung auftragen (PBC-Fett ist ein spezielles, ge-
    gen Wasser beständiges Hochtemperaturfett).
•   Bremsbeläge einbauen (siehe "Einbau der Hinterrad-
    bremsbeläge" im Kapitel "Bremsen").
•   Ausgetretene Bremsflüssigkeit auf dem Bremssattel mit
    einem feuchten Tuch aufnehmen.
Wechsel der Zündkerze
• Ausbauen:
   Stabzündspulen (siehe "Ausbau der Stabzündspule" im
     Kapitel "Elektrik")
•   Die Zündkerze durch vertikalen Einsatz des 16 mm Zünd-
    kerzenschlüssels [A] herausdrehen.
    Fahrerwerkzeug -
             Zündkerzenschlüssel 16 mm: 92110-1132
• Die Zündkerze durch eine neue ersetzen.
    Standardzündkerze
      Typ:           NGK CR9E
2-68 REGELMÄßIGE WARTUNG
Wartungsschritte

• Eineund zunächst mit den Fingern festziehen. einset-
  zen
       neue Zündkerze in die Zündkerzenbohrung

• Den Zündkerzenschlüssel [A] vertikal einsetzen und die
  Zündkerze festziehen.
                     VORSICHT
 Wird der Schlüssel während des Festziehens ge-
 neigt, kann die Isolation der Zündkerze abbrechen.

 Anzugsmoment -
        Zündkerzen: 13 N·m (1,3 kgf·m)
• Die Stabzündspulen sicher montieren. leichtes Ziehen
○Die Montage der Stabzündspulen durch
 an kontrollieren.
KRAFTSTOFFANLAGE (DFI) 3-1




                           Kraftstoffanlage (DFI)
                                               INHALTSVERZEICHNIS
Explosionszeichnung.........................               3-4   Wassertemperatursensor
Technische Daten ..............................           3-10    (Servicecode 14).............................            3-60
Spezialwerkzeuge und Dichtmittel.....                     3-12       Ausbau/Einbau des
Lage der DFI-Teile .............................          3-14         Wassertemperatursensors ........                    3-60   3
DFI-System........................................        3-16       Prüfung der Ausgangsspannung
Vorsichtsmaßnahmen bei                                                 des Wassertemperatursensors .                       3-60
 DFI-Wartungsarbeiten ....................                3-22       Prüfung des Wassertemper-
Fehlersuche im DFI-System ..............                  3-24         atursensor-Widerstands ............                 3-61
 Beschreibung..................................           3-24   Umgebungsdrucksensor
 Fragen an den Fahrer.....................                3-29    (Servicecode 15).............................            3-62
Fehlersuchanleitung für das                                          Ausbau des Umgebungsdruck-
 DFI-System.....................................          3-32         sensors......................................       3-62
Selbstdiagnose ..................................         3-37       Einbau des Umgebungsdruck-
 Überblick über die Selbstdiagnose .                      3-37         sensors......................................       3-62
 Schritte bei der Selbstdiagnose ......                   3-38       Prüfung der Eingangsspannung
   Lesen der Servicecodes ..............                  3-40         des Umgebungsdrucksensors...                        3-63
   Löschen von Servicecodes ..........                    3-40       Prüfung der Ausgangsspannung
 Notlauffunktionen............................            3-43         des Umgebungsdrucksensors...                        3-64
Hauptdrosselklappensensor                                        Kurbelwellensensor (Servicecode
 (Servicecode 11).............................            3-47    21)...................................................   3-67
   Ausbau/Einstellung des                                            Ausbau/Einbau des
     Hauptdrosselklappensensors....                       3-47         Kurbelwellensensors .................               3-67
   Überprüfung der Eingangsspan-                                     Prüfung des Kurbelwellensensors                       3-67
     nung des Hauptdrosselklap-                                  Nockenwellensensor (Servicecode
     pensensors................................           3-47    23)...................................................   3-68
   Prüfung der Ausgangsspannung                                      Ausbau/Einbau des
     des Hauptdrosselklappensen-                                       Nockenwellensensors ...............                 3-68
     sors ...........................................     3-49       Prüfung des Nockenwellenposi-
   Widerstandsprüfung des                                              tionssensors ..............................         3-68
     Hauptdrosselklappensensors....                       3-50   Drehzahlsensor (Servicecode 24) .....                     3-69
Ansaugluftdrucksensor (Servicecode                                   Ausbau/Einbau des
 12)...................................................   3-52         Drehzahlsensors .......................             3-69
   Ausbau des Ansaugluftdrucksen-                                    Prüfung des Drehzahlsensors......                     3-69
     sors ...........................................     3-52       Prüfung der Eingangsspannung
   Einbau des Ansaugluftdrucksen-                                      des Drehzahlsensors ................                3-69
     sors ...........................................     3-52       Prüfung der Ausgangsspannung
   Prüfung der Eingangsspannung                                        des Drehzahlsensors ................                3-69
     des Ansaugluftdrucksensors .....                     3-52   Gangpositionsschalter (Servicecode
   Prüfung der Ausgangsspannung                                   25)...................................................   3-71
     des Ansaugluftdrucksensors .....                     3-53       Ausbau/Einbau des
Ansaugluft-Temperatursensor                                            Gangpositionsschalters.............                 3-71
 (Servicecode 13).............................            3-57       Prüfung des Gangpositionsschal-
   Ausbau/Einbau des                                                   ters ............................................   3-71
     Ansaugluft-Temperatursensors .                       3-57       Prüfung der Eingangsspannung
   Prüfung der Ausgangsspannung                                        des Gangpositionsschalters ......                   3-71
     des Ansauglufttemperatursen-                                Umkippsensor (Servicecode 31) .......                     3-73
     sors ...........................................     3-57       Ausbau des Umkippsensors ........                     3-73
   Prüfung des Widerstands des                                       Einbau des Umkippsensors .........                    3-73
     Ansaugluft-Temperatursensors .                       3-58       Prüfung des Umkippsensors........                     3-74
                                                                 Teillastsensor (Servicecode 32).........                  3-77
3-2 KRAFTSTOFFANLAGE (DFI)

    Ausbau/Einstellung des                                       Prüfung der Teillastventil
      Teillastsensors...........................       3-77        -Stelleinheit ...............................         3-95
    Prüfung der Eingangsspannung                                 Widerstandsprüfung der
      am Teillastsensor ......................         3-77        Teillastventil-Stelleinheit ............              3-95
    Prüfung der Ausgangsspannung                                 Prüfung der Eingangsspannung
      des Teillastsensors....................          3-78        an der Teillastventil-Stelleinheit.                   3-96
    Widerstandsprüfung.....................            3-80   Auslassklappenventil-Stelleinheit
Lambdasonde – nicht aktiviert (Nr.                             (Servicecode 63).............................             3-97
 1, Nr. 2: Servicecode 33, 83) –                                 Ausbau der Auslassklappenventil
 ausgerüstete Modelle .....................            3-81        -Stelleinheit ...............................         3-97
    Ausbau/Einbau der                                            Einbau der Auslassklappenventil
      Lambdasonde ...........................          3-81        -Stelleinheit ...............................         3-97
    Prüfung der Lambdasonde ..........                 3-81      Prüfung der Auslassklappenventil
Sensor der Auslassklappenventil                                    -Stelleinheit ...............................         3-99
 -Stelleinheit (Servicecode 34).........               3-83      Prüfung der Ausgangsspannung
    Ausbau/Einbau des Sensors                                      der Auslassklappenventil
      der Auslassklappenventil                                     -Stelleinheit ...............................         3-99
      -Stelleinheit ...............................    3-83   Unterdruckschaltventil (Servicecode
    Prüfung der Sensor                                         64)...................................................   3-101
      -Eingangsspannung der                                      Ausbau/Einbau des
      Auslassklappenventil                                         Unterdruckschaltventils .............                3-101
      -Stelleinheit ...............................    3-83      Prüfung des Unterdruckschaltven-
    Prüfung der Sensor                                             tils..............................................   3-101
      -Ausgangsspannung der                                   Lambdasonden-Heizungen (Nr. 1, Nr.
      Auslassklappenventil                                     2: Servicecode 67) - ausgerüstete
      -Stelleinheit ...............................    3-84    Modelle ...........................................      3-102
    Prüfung des Sensors der                                      Ausbau/Einbau der
      Auslassklappenventil                                         Lambdasonden-Heizung ...........                     3-102
      -Stelleinheit ...............................    3-86      Prüfung der Lambdasonden
Wegfahrsperren-Verstärker                                          -Heizung....................................         3-102
 (Servicecode 35) - ausgerüstete                              Lambdasonden – falsche
 Modelle ...........................................   3-87    Ausgangsspannung (Nr. 1, Nr. 2:
    Prüfung des Antennenwider-                                 Servicecode 94, 95) - ausgerüstete
      stands........................................   3-87    Modelle ...........................................      3-104
    Überprüfung der Verstärker                                   Ausbau/Einbau der
      -Eingangsspannung ..................             3-87        Lambdasonde ...........................              3-104
Erkennung von Schlüsselrohlingen                                 Prüfung der Lambdasonde ..........                     3-104
 (Servicecode 36).............................         3-88   ECU ...................................................   3-107
    Prüfung des Benutzerschlüssels..                   3-88      Kennzeichnung der ECU .............                    3-107
ECU-Übertragungsfehler                                           Ausbau der ECU ..........................              3-107
 (Servicecode 39).............................         3-90      Einbau der ECU ...........................             3-108
    Prüfung der Wegfahrsperren                                   Prüfung der ECU
      -Übertragungsleitung.................            3-90        -Stromversorgung .....................               3-108
Stabzündspulen Nr. 1, Nr. 2, Nr. 3,                           DFI-Stromversorgung ........................              3-111
 Nr. 4: (Servicecode 51, 52, 53, 54)                   3-91      Ausbau der ECU-Sicherung 15 A                          3-111
    Ausbau/Einbau der                                            Einbau der ECU-Sicherung..........                     3-111
      Stabzündspule ..........................         3-91      Prüfung der Sicherung der ECU ..                       3-111
    Prüfung der Eingangsspannung                              Warnleuchte (LED) ............................            3-112
      der Stabzündspule ....................           3-91      Prüfung der Warnleuchte (LED)...                       3-112
Kühlerlüfterrelais (Servicecode 56) ...                3-93   Kraftstoffleitung..................................       3-113
    Ausbau/Einbau des                                            Prüfung des Kraftstoffdrucks........                   3-113
      Kühlerlüfterrelais .......................       3-93      Prüfung der Kraftstoffflussrate .....                  3-115
    Prüfung des Kühlerlüfterrelais......               3-93   Kraftstoffpumpe .................................         3-117
Teillastventil-Stelleinheit                                      Ausbau der Kraftstoffpumpe ........                    3-117
 (Servicecode 62).............................         3-95      Einbau der Kraftstoffpumpe .........                   3-117
    Ausbau der Teillastventil                                    Funktionsprüfung der
      -Stelleinheit ...............................    3-95        Kraftstoffpumpe.........................             3-118
KRAFTSTOFFANLAGE (DFI) 3-3

   Prüfung der Kraftstoffpumpen                                  Einspritzdüsensatz ............................            3-134
     -Betriebsspannung ....................              3-118       Ausbau des Einspritzdüsen-
Kraftstoffpumpenrelais.......................            3-120          satzes........................................      3-134
   Ausbau des Kraftstoffpumpenre-                                    Einbau des Einspritzdüsensatzes                        3-134
     lais.............................................   3-120       Zerlegung des Einspritzdüsen-
   Prüfung des Kraftstoffpumpenre-                                      satzes........................................      3-135
     lais.............................................   3-120       Zusammenbau des
Einspritzventile ..................................      3-121          Einspritzdüsensatzes ................               3-135
   Akustische Überprüfung...............                 3-121   Luftfilter..............................................   3-137
   Einspritzsignalprüfung..................              3-121       Ausbau des Luftfilterelements......                    3-137
   Widerstandsprüfung der                                            Einbau des Luftfilterelements.......                   3-137
     Einspritzventile ..........................         3-123       Prüfung des Luftfilterelements .....                   3-137
   Prüfung des Einspritzventils.........                 3-124       Ausbau des Luftfiltergehäuses.....                     3-137
   Prüfung der Einspritzventilspan-                                  Einbau des Luftfiltergehäuses......                    3-138
     nung ..........................................     3-124       Zerlegung des Luftfiltergehäuses.                      3-139
   Prüfung der Einspritzleitung.........                 3-126       Zusammenbau des
Gasdrehgriff und Gaszüge ................                3-128          Luftfiltergehäuses......................            3-139
   Prüfung des Spiels.......................             3-128       Ölablass .......................................       3-140
   Spieleinstellung............................          3-128   Kraftstofftank .....................................       3-141
   Einbau des Seilzugs ....................              3-128       Ausbau des Kraftstofftanks ..........                  3-141
   Seilzugschmierung.......................              3-128       Einbau des Kraftstofftanks ...........                 3-143
Drosselklappengehäuse ....................               3-129       Prüfung des Kraftstofftanks und
   Prüfung der Leerlaufdrehzahl ......                   3-129          Tankdeckels ..............................          3-144
   Synchronisationsprüfung .............                 3-129       Reinigung des Kraftstofftanks ......                   3-144
   Synchroneinstellung.....................              3-129   Tankdunstsystem (Modelle für
   Ausbau des Drosselklappenge-                                    Kalifornien)......................................       3-145
     häuses.......................................       3-129       Ausbau/Einbau der Teilen ............                  3-145
   Einbau des Drosselklappenge-                                      Prüfung der Schläuche ................                 3-145
     häuses.......................................       3-131       Prüfung des Abscheiders.............                   3-145
   Zerlegung des Drosselklappenge-                                   Funktionsprüfung des
     häuses.......................................       3-132          Abscheiders ..............................          3-146
   Zusammenbau des                                                   Prüfung des Aktivkohlebehälters .                      3-146
     Drosselklappengehäuses..........                    3-133
3-4 KRAFTSTOFFANLAGE (DFI)
Explosionszeichnung
KRAFTSTOFFANLAGE (DFI) 3-5
Explosionszeichnung

                                                           Anzugsmoment
Nr.                 Verbindungselement                                    Anmerkungen
                                                            N·m   kgf·m
 1    Schrauben des Umkippsensors                           5,9    0,60
 2    Befestigungsschrauben des Lufteinlasskanals           9,8     1,0        L
 3    Befestigungsschraube des Luftfiltergehäuses           6,9    0,70
 4    Luftfiltergehäuseschrauben                            1,1    0,11
 5    Klemmschrauben des Luftfiltergehäuses                 2,0    0,20
  6. Umkippsensor
  7. Wegfahrsperren-Verstärker
  8. Unterdruckschaltventil
  9. Wegfahrsperren-Antenne
 10. Luftfilterelement
 11. Auffangbehälter
  L: Ein nicht-permanentes Gewindedichtmittel auftragen.
  R: Ersatzteile
3-6 KRAFTSTOFFANLAGE (DFI)
Explosionszeichnung
KRAFTSTOFFANLAGE (DFI) 3-7
Explosionszeichnung

                                                           Anzugsmoment
 Nr.                Verbindungselement                                    Anmerkungen
                                                            N·m   kgf·m
       Befestigungsschrauben der Kraftstoffzuleitung
  1                                                         3,4   0,35
       (Einspritzdüsensatz)
  2    Befestigungsschrauben des Einspritzdüsensatzes       6,9   0,70
  3    Schraube der Gaszughalteplatte                       3,9   0,40         L
       Schraube des Einspritzdüsensatz
  4                                                         4,9   0,50
       -Kraftstoffschlauchs
       Befestigungsschrauben der Kraftstoffzuleitung
  5                                                         3,4   0,35
       (Drosselklappengehäuse)
       Klemmschrauben des Drosselklappengehäusehal-
  6                                                         3,0   0,30
       ters
  7    Schrauben des Drosselklappenhalters                  12     1,2         L
  8. Sekundär-Einspritzventile
  9. Ansaugluftdrucksensor
10. Ansaugluft-Temperatursensor
 11. Teillastsensor
12. Hauptdrosselklappensensor
13. Teillastventil-Stelleinheit
14. Primär-Einspritzventile
15. Gaszug (Öffnungszug)
16. Gaszug (Schließzug)
17. Bypass-Einstellschraube
CL: Mit Seilzugöl schmieren.
EO: Motoröl auftragen.
  G: Fett auftragen.
  L: Ein nicht-permanentes Gewindedichtmittel auftragen.
  R: Ersatzteile
3-8 KRAFTSTOFFANLAGE (DFI)
Explosionszeichnung
KRAFTSTOFFANLAGE (DFI) 3-9
Explosionszeichnung

                                                           Anzugsmoment
Nr.                Verbindungselement                                     Anmerkungen
                                                           N·m    kgf·m
 1 Befestigungsschraube der Abscheiderhalterung             0,8    0,08
 2 Zündkerzen                                               13      1,3
 3 Schraube des Nockenwellensensors                         9,8     1,0
 4 Wassertemperatursensor                                   25      2,5       SS
 5 Schrauben des Kurbelwellensensors                        5,9    0,60
 6 Kraftstoffpumpenschrauben                                9,8     1,0      L, S
   Befestigungsschrauben der Auslassklappenventil
 7                                                         6,9     0,70
   -Stelleinheit
 8 Schrauben des Gangpositionsschalters                    2,9     0,30        L
 9 Drehzahlsensorschraube                                  3,9     0,40        L
   Schraube der Auslassklappenven-
10                                                         4,9     0,50
   til-Stelleinheitsscheibe
 11. Aktivkohlebehälter
 12. Abscheider
 13. Relaiskasten
 14. Batterie 12 V 8 Ah
 15. Umgebungsdrucksensor
 16. ECU
 17. Stabzündspule
 18. Kraftstoffpumpe
 19. Auslassklappenventil
 20. Kurbelwellensensor
 21. Drehzahlsensor
 22. Gangpositionssensor
 23. Auslassklappenventil-Stelleinheit
 24. Nockenwellenpositionssensor
  G: Fett auftragen.
  L: Ein nicht-permanentes Gewindedichtmittel auftragen.
  R: Ersatzteile
  S: Die vorgeschriebene Anziehreihenfolge einhalten.
 SS: Silikondichtmittel auftragen.
3-10 KRAFTSTOFFANLAGE (DFI)
Technische Daten

                Teil                                           Standard
Digitales Kraftstoffeinspritzsystem
 Leerlaufdrehzahl                     1.300 ±50 U/min
 Drosselklappengehäuse:
   Typ                                Ovaler Typ
   Bohrung                             38 mm
   Unterdruck im
                                      27,3 ±1,0 kPa (205 ±10 mmHg)
   Drosselklappengehäuse
   Bypass-Einstellschrauben           –––
 ECU (Elektronische Steuereinheit):
   Hersteller                         Denso
   Typ                                Digitalspeicher mit integrierter IC-Zündung, in Kunstharz
                                      vergossen
 Kraftstoffdruck (Hochdruckleitung):
   Unmittelbar nach Drehen des       294 kPa (3,0 kgf/cm²) bei laufender Kraftstoffpumpe
   Zündschalters auf Stellung        280 kPa (2,9 kgf/cm²) bei stehender Kraftstoffpumpe
   ON, mit 3 Sekunden laufender
   Kraftstoffpumpe im Motorleerlauf
 Kraftstoffpumpe:
   Typ                               Tauchpumpe (im Kraftstofftank), oder Wesco-Pumpe
                                     (Pumpe mit Reibradantrieb)
   Fördermenge                       3 Sekunden lang mindestens 67 ml
 Primär-Einspritzventile:
   Typ                               INP-288
   Düsenart                          Feinsprühdüse mit 8 Bohrungen
   Widerstand                        Ca. 11,7 ∼ 12,3 Ω bei 20°C
 Sekundär-Einspritzventile:
   Düsenart                          Mehrlochdüse mit 8 Bohrungen
   Widerstand                        Ca. 10,5 Ω bei 20°C
 Hauptdrosselklappensensor:          Nicht einstellbar und nicht ausbaubar
                                     4,75 ∼ 5,25 V DC zwischen dem blauen und
   Eingangsspannung
                                     braun/schwarzen Kabel
   Ausgangsspannung                  1,04 ±0,015 V DC zwischen dem gelb/weißen und
                                     braun/schwarzen Kabel (mit Drosselklappe auf Leerlauf)
   Widerstand                        4 ∼ 6 kΩ
 Ansaugluftdrucksensor/Umge-
 bungsdrucksensor:
   Eingangsspannung                  4,75 ∼ 5,25 V DC zwischen dem blauen und
                                     braun/schwarzen Kabel
   Ausgangsspannung                  3,80 ∼ 4,20 V DC bei normalem Umgebungsdruck (Details
                                     in diesem Text)
 Ansaugluft-Temperatursensor:
   Widerstand                        1,6 ∼ 3,7 kΩ (bei 20°C)
                                     0,24 ∼ 0,43 kΩ (bei 80°C)
   Ausgangsspannung an der ECU Ca. 2,25 ∼ 2,50 V bei 20°C
KRAFTSTOFFANLAGE (DFI) 3-11
Technische Daten

              Teil                                                Standard
 Wassertemperatursensor:
  Widerstand                          Siehe Kapitel "Elektrik".
  Ausgangsspannung an der ECU         Ca. 3 ∼ 6 V bei 20°C
 Drehzahlsensor:
  Eingangsspannung am Sensor          Ca. 9∼11 V DC bei Zündschalter in Stellung ON
                                      Ca. 0,05 ∼ 0,07 V DC bei Zündschalter in Stellung ON und
   Ausgangsspannung am Sensor
                                      0 km/h
 Umkippsensor:
  Erfassungsmethode                   Erfassung von Magnetströmen
  Erfassungswinkel                    Pro Bank mehr als 60∼70°
  Erfassungszeit                      Innerhalb 1,0 ∼ 1,5 Sek.
  Ausgangsspannung                    Pfeilmarkierung am Sensor nach oben zeigend: 3,55 ∼ 4,45
                                      V
                                      Sensor um mindestens 60 ∼ 70° geneigt : 0,65 ∼ 1,35 V
 Teillastsensor:                      Nicht einstellbar und nicht ausbaubar
                                      4,75 ∼ 5,25 V DC zwischen dem blauen und
   Eingangsspannung
                                      braun/schwarzen Kabel
   Ausgangsspannung                   1,1 ±0,02 V DC zwischen dem braunen und braun/schwarzen
                                      Kabel (vollständig geschlossen)
   Widerstand                         4 ∼ 6 kΩ
 Sensor der Auslassklappenventil
 -Stelleinheit:
   Eingangsspannung                   4,75 ∼ 5,25 V DC
   Ausgangsspannung                   3,46 ∼ 3,76 V DC in Scheiben-Ausgangsstellung
   Widerstand                         4 ∼ 6 kΩ
 Wegfahrsperren-Verstärker:
   Antennenwiderstand                 Ca. 0,6 ∼ 0,9 Ω
 Auslassklappenventil-Stelleinheit:
   Widerstand                         5 ∼ 200 Ω (Bezugswert)
 Teillastventil-Stelleinheit:
   Widerstand                         Ca. 5,5 ∼ 7,5 Ω
   Eingangsspannung                   Ca. 8,0 ∼ 16,0 V DC
 Lambdasonde:
   Ausgangsspannung (fett)            0,45 ∼ 2,5 V
   Ausgangsspannung (mager)           0,05 ∼ 0,45 V
   Heizungswiderstand                 Ca. 8 Ω bei 20°C
Gasdrehgriff und Gaszüge
 Gasdrehgriffspiel                    2 ∼ 3 mm
3-12 KRAFTSTOFFANLAGE (DFI)
Spezialwerkzeuge und Dichtmittel
Öldruckmanometer, 5 kgf/cm²:                   Nadeladaptersatz:
57001-125                                      57001-1457




Schlüssel für Vergaserablassschraube, Hex 3:   Adapter zur Drosselklappensensor-Einstellung:
57001-1269                                     57001-1538




Gabelölstand-Messgerät:                        Sensor-Kabelbaumadapter:
57001-1290                                     57001-1561




Handprüfgerät:                                 Adapter für Kraftstoffmanometer:
57001-1394                                     57001-1593




Adapter zur Drosselklappensensor-Einstellung   Kraftstoffschlauch:
Nr. 1:                                         57001-1607
57001-1400
KRAFTSTOFFANLAGE (DFI) 3-13
Spezialwerkzeuge und Dichtmittel
Kawasaki Bond (Silikondichtmittel):
56019-120
3-14 KRAFTSTOFFANLAGE (DFI)
Lage der DFI-Teile
  Ansaugluftdrucksensor [A]
  Ansaugluft-Temperatursensor [B]
  Einspritzdüsensatz [C]
  Kraftstoffpumpe [D]




  Unterdruckschaltventil [A]
  Teillastventil-Stelleinheit [B]
  Stabzündspulen Nr. 1, 2, 3, 4 [C]
  Drosselklappengehäuse [D]




  Teillastsensor [A]
  Hauptdrosselklappensensor [B]
  Wassertemperatursensor [C]




  Batterie [A]
  Steckverbinder des Kawasaki-Selbstdiagnosesystems
  (KDS) [B]
  Auslassklappenventil-Stelleinheit [C]
  Umgebungsdrucksensor [D]
  ECU (Elektronische Steuereinheit) [E]




  Auslassklappenventil [A]
KRAFTSTOFFANLAGE (DFI) 3-15
Lage der DFI-Teile
  Nockenwellenpositionssensor [A]
  Kurbelwellensensor [B]




  Gangpositionsschalter [A]
  Drehzahlsensor [B]




  Sicherungskasten mit ECU-Hauptsicherung [A]
  Relaiskasten [B]




  Zündschlüssel [A] (Transponder, ausgerüstete Modelle)
  Wegfahrsperren-Antenne [B] (ausgerüstete Modelle)
  Zündschalter [C]
  Wegfahrsperren-Verstärker [D] (ausgerüstete Modelle)
  Umkippsensor [E]




  Lambdasonde [A] (ausgerüstete Modelle)
3-16 KRAFTSTOFFANLAGE (DFI)
DFI-System
DFI-System
KRAFTSTOFFANLAGE (DFI) 3-17
DFI-System
  1. ECU (Elektronische Steuereinheit)
  2. Batterie 12 V 8 Ah
  3. Luftstrom
  4. Luftfilterelement
  5. Ansaugluft-Temperatursensor
  6. Ansaugluftdrucksensor
  7. Teillastventil-Stelleinheit
  8. Teillastsensor
  9. Sekundär-Einspritzventile
 10. Primär-Einspritzventile
 11. Druckleitung
 12. Kraftstofffilter
 13. Druckregler
 14. Kraftstoffpumpe
 15. Kraftstofffluss
 16. Nockenwellenpositionssensor
 17. Hauptdrosselklappensensor
 18. Kurbelwellensensor
 19. Wassertemperatursensor
 20. Drehzahlsensor
 21. Umkippsensor
 22. Umgebungsdrucksensor
 23. Gangpositionsschalter
 24. Starterkupplungsgehäuse
 25. Lambdasonden (ausgerüstete Modelle)
 26. Unterdruckschaltventil
3-18 KRAFTSTOFFANLAGE (DFI)
DFI-System
DFI-System - Verdrahtungsplan
KRAFTSTOFFANLAGE (DFI) 3-19
DFI-System
Teilebezeichnung
   1. Zündschalter
   2. Warnleuchte (LED)
   3. Steckverbindung C
   4. Sicherung der Lambdasonde 10 A
   5. ECU-Sicherung 10 A
   6. Zündungssicherung 10 A
   7. ECU-Hauptrelais
   8. Kraftstoffpumpenrelais
   9. Relaiskasten
  10. Steckverbindung B
  11. Hauptsicherung 30 A
  12. Rahmenmasse
  13. Batterie 12 V 8 Ah
  14. Kraftstoffpumpe
  15. Umkippsensor
  16. Steckverbinder des Kawasaki-Selbstdiagnosesystems (KDS)
  17. Motorstoppschalter
  18. Starterknopf
  19. Lambdasonde (Nr. 1, ausgerüstete Modelle)
  20. Lambdasonde (Nr. 2, ausgerüstete Modelle)
  21. Masse des Zylinderkopfdeckels
  22. Zündkerzen
  23. Stabzündspulen Nr. 1, 2, 3, 4
  24. Primär-Einspritzventile
  25. Sekundär-Einspritzventile
  26. Teillastventil-Stelleinheit
  27. Wassertemperatursensor
  28. Drehzahlsensor
  29. Nockenwellenpositionssensor
  30. Umgebungsdrucksensor
  31. Ansaugluft-Temperatursensor
  32. Teillastsensor
  33. Hauptdrosselklappensensor
  34. Ansaugluftdrucksensor
  35. Auslassklappenventil-Stelleinheit
  36. Gangpositionsschalter
  37. Kurbelwellensensor
  38. ECU (Elektronische Steuereinheit)
  39. Wegfahrsperren-Antenne (ausgerüstete Modelle)
  40. Wegfahrsperren-Verstärker (ausgerüstete Modelle)
3-20 KRAFTSTOFFANLAGE (DFI)
DFI-System
Klemmen-Nummern der ECU-Steckverbinder




Klemmenbezeichnungen
   1. Teillastventil-Stellantriebsteuersignal 3
   2. Teillastventil-Stellantriebsteuersignal 1
   3. Auslassklappenventil-Stelleinheit (–)
   4. Auslassklappenventil-Stelleinheit (+)
   5. Auslassklappenventilsensor
   6. Ausgangssignal des Drehzahlsensors
   7. Ausgangssignal des Hauptdrosselklappensensors
   8. Ausgangssignal des Ansaugluftdrucksensors
   9. Ausgangssignal des Wassertemperatursensors
  10. Stromversorgung zu den Sensoren
  11. Ausgangssignal des Umkippsensors
  12. Ausgangssignal des Nockenwellenpositionssensors (+)
  13. Ausgangssignal des Kurbelwellensensors (+)
  14. Wegfahrsperren-Übertragungsleitung (ausgerüstete Modelle)
  15. Wegfahrsperren-Übertragungsleitung (ausgerüstete Modelle)
  16. Stromversorgung zur ECU (vom ECU-Hauptrelais)
  17. Stromversorgung zur ECU (von der Batterie)
  18. Teillastventil-Stellantriebsteuersignal 4
  19. Teillastventil-Stellantriebsteuersignal 2
  20. Nicht verwendet
  21. Nicht verwendet
  22. Nicht verwendet
  23. Nicht verwendet
  24. Ausgangssignal des Teillastsensors
  25. Ausgangssignal des Umgebungsdrucksensors
  26. Ausgangssignal des Ansaugluft-Temperatursensors
  27. Nicht verwendet
  28. Masse zu den Sensoren
  29. Ausgangssignal des Nockenwellenpositionssensors (–)
  30. Ausgangssignal des Kurbelwellensensors (–)
  31. Wegfahrsperren-Übertragungsleitung
  32. Nicht verwendet
  33. Nicht verwendet
  34. Masse zur ECU
  35. Ausgangssignal der Lambdasonde Nr. 1 (ausgerüstete Modelle)
  36. Nicht verwendet
  37. Motorstoppschalter-Signalerkennung
  38. Ausgangssignal des Wegfahrsperrenschalters
  39. Ausgangssignal des Starterknopfs
  40. Instrumenten-Signalübertragung
  41. Masse
  42. Kraftstoffpumpenrelais-Ansteuersignal
  43. Nicht verwendet
  44. Kühlerlüfterrelais-Ansteuersignal
  45. Ansteuersignal des Sekundär-Einspritzventils Nr. 2
KRAFTSTOFFANLAGE (DFI) 3-21
DFI-System
 46. Ansteuersignal des Sekundär-Einspritzventils Nr. 1
 47. Ansteuersignal des Primär-Einspritzventils Nr. 2
 48. Ansteuersignal des Primär-Einspritzventils Nr. 1
 49. Zündsignal für Stabzündspule Nr. 3
 50. Zündsignal für Stabzündspule Nr. 2
 51. Zündsignal für Stabzündspule Nr. 1
 52. Ausgangssignal der Lambdasonde Nr. 2 (ausgerüstete Modelle)
 53. Ausgangssignal des Gangpositionsschalters
 54. Signal des Seitenständerschalters
 55. Nicht verwendet
 56. Externe Übertragungsleitung (Modusknopf)
 57. Nicht verwendet
 58. Stromversorgung zur Lambdasonde
 59. Ausgangssignal des Drehzahlmessers
 60. Ansteuersignal des Unterdruckschaltventils
 61. Nicht verwendet
 62. Ansteuersignal des Sekundär-Einspritzventils Nr. 4
 63. Ansteuersignal des Sekundär-Einspritzventils Nr. 3
 64. Ansteuersignal des Primär-Einspritzventils Nr. 4
 65. Ausgangssignal des Primär-Einspritzventils Nr. 3
 66. Masse für die Kraftstoffanlage
 67. Masse für die Zündanlage
 68. Zündsignal für Stabzündspule Nr. 4
 35. Ausgangssignal der Lambdasonde Nr. 1 (ausgerüstete Modelle)
 36. Nicht verwendet
 37. Motorstoppschalter-Signalerkennung
 38. Ausgangssignal des Wegfahrsperrenschalters
 39. Ausgangssignal des Starterknopfs
 40. Instrumenten-Signalübertragung
 41. Masse
 42. Kraftstoffpumpenrelais-Ansteuersignal
 43. Nicht verwendet
 44. Kühlerlüfterrelais-Ansteuersignal
 45. Ansteuersignal des Sekundär-Einspritzventils Nr. 2
 46. Ansteuersignal des Sekundär-Einspritzventils Nr. 1
 47. Ansteuersignal des Primär-Einspritzventils Nr. 2
 48. Ansteuersignal des Primär-Einspritzventils Nr. 1
 49. Zündsignal für Stabzündspule Nr. 3
 50. Zündsignal für Stabzündspule Nr. 2
 51. Zündsignal für Stabzündspule Nr. 1
 52. Ausgangssignal der Lambdasonde Nr. 2 (ausgerüstete Modelle)
 53. Ausgangssignal des Gangpositionsschalters
 54. Signal des Seitenständerschalters
 55. Nicht verwendet
 56. Externe Übertragungsleitung (Modusknopf)
 57. Nicht verwendet
 58. Stromversorgung zur Lambdasonde
 59. Ausgangssignal des Drehzahlmessers
 60. Ansteuersignal des Unterdruckschaltventils
 61. Nicht verwendet
 62. Ansteuersignal des Sekundär-Einspritzventils Nr. 4
 63. Ansteuersignal des Sekundär-Einspritzventils Nr. 3
 64. Ansteuersignal des Primär-Einspritzventils Nr. 4
 65. Ausgangssignal des Primär-Einspritzventils Nr. 3
 66. Masse für die Kraftstoffanlage
 67. Masse für die Zündanlage
 68. Zündsignal für Stabzündspule Nr. 4
3-22 KRAFTSTOFFANLAGE (DFI)
Vorsichtsmaßnahmen bei DFI-Wartungsarbeiten
  Bei Wartungsarbeiten am DFI-System ist eine Reihe
wichtiger Vorsichtsmaßnahmen einzuhalten.

○Dieses DFI-System arbeitet mit einer wartungsfreien 12
 V-Batterie als Stromquelle. Als Stromquelle darf nur die
 wartungsfreie 12 V-Batterie und keine andere Batterie
 eingesetzt werden.
○Keinesfalls die Batterieanschlüsse vertauschen. Dies
 würde die ECU beschädigen.
○Um eine Beschädigung der Teile des DFI-Systems zu ver-
 meiden, die Batteriekabel oder andere elektrische Verbin-
 dungen nicht abklemmen, wenn der Zündschalter in Stel-
 lung ON steht oder der Motor läuft.
○Einen Kurzschluss der direkt am Batteriepluspol (+) ange-
 schlossenen Kabel mit der Fahrgestellmasse unbedingt
 vermeiden.
○Die Batterie zum Aufladen aus dem Motorrad ausbauen.
 Auf diese Weise wird verhindert, dass die ECU durch zu
 hohe Spannung beschädigt wird.

○Immer,    wenn die elektrischen Verbindungen des
 DFI-Systems abgeklemmt werden müssen, zuerst
 den Zündschalter in die Stellung OFF drehen. Außer-
 dem vor dem Starten des Motors kontrollieren, ob alle
 elektrischen Steckverbinder des DFI-Systems fest ange-
 schlossen sind.
○Diese Steckverbinder müssen beim Verbinden mit einem
 Klickgeräusch [A] einrasten.
KRAFTSTOFFANLAGE (DFI) 3-23
Vorsichtsmaßnahmen bei DFI-Wartungsarbeiten

○Keinesfalls bei abgeklemmten DFI-Steckverbindern die
 Zündung einschalten. Die ECU speichert sonst Service-
 codes ab.
○Keinesfalls Wasser auf die Elektroteile, die Teile des DFI
 -Systems, die Steckverbinder, die Kabel und Kabeldrähte
 sprühen.
○Falls das Motorrad über ein Funkgerät verfügt, sicherstel-
 len, dass das DFI-System nicht durch die von der An-
 tenne abgegebenen elektromagnetischen Wellen gestört
 wird. Die Funktion des Systems im Motorleerlauf prüfen.
 Die Antenne so weit weg wie möglich von der ECU an-
 ordnen.
○Wenn ein Kraftstoffschlauch abgeklemmt ist, den Zünd-
 schalter nicht in die Stellung ON drehen. Anderenfalls
 wird die Kraftstoffpumpe eingeschaltet und aus dem
 Kraftstoffschlauch tritt Kraftstoff aus.
○Die Kraftstoffpumpe nicht betreiben, wenn sie vollständig
 trocken ist. Dies beugt Pumpenfressern vor.
○Vor dem Ausbau von Bauteilen des Kraftstoffsystems die
 Bauteile äußerlich mit Pressluft säubern.
○Beim Lösen eines Kraftstoffschlauchs kann durch den
 Restdruck in der Kraftstoffleitung Kraftstoff heraussprit-
 zen. Den Schlauchanschluss mit einem sauberen Tuch
 abdecken, damit kein Kraftstoff heraustropft.
○Beim Einbau von Kraftstoffschläuchen scharfe Knicke,
 Biegungen, Verdrehungen oder Plattdrücken vermeiden
 und die Schläuche möglichst geradlinig verlegen, um
 guten Kraftstofffluss zu gewährleisten.
○Die Schläuche gemäß Abschnitt "Verlegung von Seilzü-
 gen, Kabeln und Schläuchen" im Anhang korrekt verle-
 gen.

○Den Kraftstoffschlauch [A] ersetzen, wenn er scharf ge-
 bogen oder geknickt wurde.
○Wenn das Motorrad falsch behandelt wird, kann der hohe
 Druck in der Kraftstoffzuleitung zum Austritt von Kraftstoff
 bzw. zum Bersten des Schlauchs führen. Den Kraftstoff-
 schlauch bei der Prüfung biegen und verdrehen.
 Den Schlauch ersetzen, wenn er Risse oder Ausbuchtun-
 gen aufweist.



○Damit   die korrekte Mischung aus Kraftstoff und Luft
 beibehalten wird, dürfen in dem DFI-System keine Mög-
 lichkeiten für Lufteintritt vorhanden sein. Die Öleinfüll-
 schraube [A] nach dem Auffüllen des Motoröls eindrehen.
 Anzugsmoment -
        Öleinfüllschraube: 1,5 N·m (0,15 kgf·m)
3-24 KRAFTSTOFFANLAGE (DFI)
Fehlersuche im DFI-System
  Die Warnleuchte (LED) [A] dient als FI-Anzeige, Wegfahr-
sperren-Kontrollleuchte (Modelle mit Wegfahrsperre) und
Öldruck-Warnleuchte.




Beschreibung
  Bei einer Störung des DFI-Systems wird der Fah-
rer durch Blinken der Warnleuchte (LED) [A] und des
FI-Warnsymbols [B] gewarnt. Außerdem wird die Fehler-
bedingung im Speicher der ECU gespeichert. Bei Modellen
mit Wegfahrsperre wird der Fahrer bei einer Störung des
Systems durch die Warnleuchte (LED) und Blinken des
Wegfahrsperren-Warnsymbols [C] gewarnt.




  Bei abgestelltem Motor und aktiviertem Selbstdiagnose-
modus wird der Servicecode [A] zweistellig auf dem Display
(LCD) angezeigt.
  Die ECU kann Probleme nicht erkennen, wenn folgende
Teile betroffen sind. Deshalb blinken die Warnleuchte
(LED), FI- und/oder die Wegfahrsperren-Warnsymbole
nicht und es wird kein Servicecode angezeigt.
   LCD für Instrumenteneinheit
   Kraftstoffpumpe
   Sekundär-Einspritzventile
   Stabzündspulen-Sekundärwicklung und -Massekabel
   Stromversorgungs- und Massekabel der ECU
KRAFTSTOFFANLAGE (DFI) 3-25
Fehlersuche im DFI-System
   Wenn der Servicecode [A] angezeigt wird, zunächst vom
Fahrer Erkundigungen einziehen, unter welchen Bedingun-
gen [B] das Problem auftrat, und dann die Ursache [C] er-
mitteln.
   Vor der Diagnose eine Durchsicht durchführen, die Mas-
severbindung und Stromversorgung der ECU kontrollieren,
die Kraftstoffleitung auf Kraftstoffaustritt prüfen und den kor-
rekten Druck kontrollieren. Diese Prüfposten vor der eigent-
lichen Diagnose werden nicht durch die Warnleuchte (LED)
und das FI-Warnsymbol signalisiert.
   Immer nach gesundem Menschenverstand urteilen und
nicht ausschließlich auf die Ergebnisse der Selbstdiagnose
des DFI-Systems verlassen.




  Selbst wenn das DFI-System einwandfrei funktioniert,
kann bei starken elektrischen Interferenzen die Warn-
leuchte (LED) und das FI-Warnsymbol leuchten. Zusätzli-
che Maßnahmen sind nicht erforderlich. Den Zündschalter
ausschalten, um die Warnleuchte (LED) und das Symbol
abzuschalten.
  Blinken die Warnleuchte (LED) und das FI-Warnsymbol
des zur Reparatur abgegebenen Motorrads noch immer, so
muss der Servicecode überprüft werden.
  Nach der Reparatur erlischt das FI-Warnsymbol. Die Ser-
vicecodes im Speicher der ECU werden jedoch nicht ge-
löscht, sodass sich das Problem auch später noch nach-
vollziehen lässt. Der Problemverlauf kann mit Hilfe des Ka-
wasaki-Diagnosesystems (KDS) verfolgt werden, wenn nur
hin und wieder auftretende Probleme beseitigt werden sol-
len.
  Wenn das Motorrad auf der Seite liegt, wird der Umkipp-
sensor deaktiviert und die ECU schaltet das Kraftstoffpum-
penrelais, die Einspritzventile und die Zündanlage ab. Der
Zündschalter bleibt eingeschaltet. Wenn der Starterknopf
gedrückt wird, dreht der Elektrostarter durch, aber der Mo-
tor startet nicht. Wenn der Starterknopf gedrückt wird, blin-
ken die Warnleuchte (LED) und das FI-Warnsymbol, aber
es wird kein Servicecode angezeigt. Um den Motor er-
neut zu starten, das Motorrad anheben, den Zündschalter
in Stellung OFF, und dann wieder auf ON drehen.
  Die Hauptarbeit bei der Fehlersuche im DFI-System ist
die Kontrolle der Verkabelung auf Durchgang. Die DFI-Teile
werden als Präzisionsteile zusammengebaut und justiert;
sie können nicht zerlegt oder repariert werden.
3-26 KRAFTSTOFFANLAGE (DFI)
Fehlersuche im DFI-System

• Bei der Überprüfung von TeilenWiderstand und Spannung
  talmultimeter verwenden, das
                                des DFI-Systems ein Digi-

 mit zwei Dezimalstellen anzeigen kann.
○Die Verbinder des DFI-Systems [A] besitzen Dichtungen
 [B], auch die Verbinder der ECU. Bei der Messung der
 Eingangs- oder Ausgangsspannung mit angeschlosse-
 nem Verbinder den Nadeladaptersatz [C] verwenden.
 Den Nadeladapter in die Dichtungen einschieben, bis der
 Adapter den Anschluss berührt.
    Spezialwerkzeug -
             Nadeladaptersatz: 57001-1457

                        VORSICHT
    Den Nadeladapter gerade in den Anschluss des
    Steckverbinders einführen, um einen Kurzschluss
    zwischen den Klemmen zu vermeiden.

• Sicherstellen,und diedie Messpunkte im Steckverbinder
  korrekt sind
                 dass
                        Lage der Arretierung [D] und die
    Kabelfarbe vor der Messung notieren. Keinesfalls die
    Anschlüsse des Digitalmultimeters vertauschen.
•   Keinesfalls die Kabel des DFI-Systems oder der Elektrik
    durch versehentlichen Kontakt zwischen den Adaptern
    kurzschließen.
•   Den Zündschalter einschalten und die Spannung bei an-
    geklemmtem Steckverbinder messen.
                        VORSICHT
    Falscher oder seitenverkehrter Anschluss oder
    Kurzschluss durch die Nadeladapter kann zu Schä-
    den am DFI-System sowie den Teilen der Elektrik
    führen.

○Nach der Messung die Nadeladapter entfernen und auf
    die Dichtungen [A] des Steckverbinders [B] Silikondicht-
    mittel auftragen, damit der Steckverbinder wasserdicht
    ist.
    Dichtmittel -
              Kawasaki Bond (Silikondichtmittel): 56019-120
KRAFTSTOFFANLAGE (DFI) 3-27
Fehlersuche im DFI-System

• Vor dem Austausch von DFI-Bauteilen stets den Zustand
  der Batterie prüfen. Eine volle Batterieladung ist Vor-
    aussetzung für eine ordnungsgemäße Prüfung des DFI
    -Systems.
•   Störungen können durch ein Teil und in manchen Fällen
    durch alle Teile verursacht werden. Ein defektes Teil nie-
    mals ersetzen, ohne zu prüfen, ob es tatsächlich den Feh-
    ler verursacht hat. Falls die Störung durch andere Kom-
    ponenten verursacht wurde, müssen diese ersetzt wer-
    den, da sonst der gleiche Defekt erneut auftritt.
•   Spulen- und Wicklungswiderstände bei kalten DFI
    -Bauteilen (Zimmertemperatur) messen.
•   Alle Steckverbinder im Stromkreis müssen sauber sein
    und fest sitzen. Die Kabel auf Brandstellen, Scheuer-
    stellen usw. untersuchen. Korrodierte Kabel und lockere
    Verbindungen können dazu führen, dass Probleme im-
    mer wieder auftreten und das DFI-System negativ beein-
    flussen.
    Beschädigte Kabel erneuern.

• Jeden Verbinder Beschädigung und auf Korrosion, Ver-
  schmutzung und
                  [A] abziehen
                               kontrollieren.
 Ist der Verbinder korrodiert oder verschmutzt, diesen
 sorgfältig reinigen. Bei Beschädigung ersetzen. Die
 Steckverbinder fest anklemmen.
•Die Verkabelung auf Durchgang prüfen.
○Anhand des Schaltplans die Endanschlüsse des Kabels
 suchen, das vermutlich defekt ist.
○Das Handprüfgerät an die Leitungsenden anschließen.
○Das Handprüfgerät auf den Bereich × 1 Ω schalten und
 die Anzeige ablesen.
 Wenn das Handprüfgerät nicht 0 Ω anzeigt, ist das Kabel
 defekt. Den Hauptkabelbaum oder das Kabel oder den
 Teilkabelbaum austauschen.




○Wenn beide Enden eines Kabelbaums [A] frei sind, ein
    Ende [C] mit Masse [B] mit Hilfe einer Drahtbrücke [D] ver-
    binden und den Durchgang zwischen dem Ende [E] und
    Masse [F] kontrollieren. Auf diese Weise können auch
    lange Kabelbäume auf Durchgang geprüft werden. Liegt
    eine Unterbrechung im Kabelbaum vor, den Kabelbaum
    reparieren oder ersetzen.
3-28 KRAFTSTOFFANLAGE (DFI)
Fehlersuche im DFI-System
○Bei Prüfung eines Kabelbaums [A] auf Kurzschluss ein
 Ende [B] lösen und zwischen dem anderen Ende [C] und
 Masse [D] auf Durchgang prüfen. Ist Durchgang vorhan-
 den, liegt ein Masseschluss im Kabelbaum vor. Den Ka-
 belbaum reparieren oder austauschen.




• Verdächtige Stellen eingrenzen, indem die Durchgangs-
  prüfungen an den ECU-Steckverbindern wiederholt wer-
 den.
 Kann am Kabelbaum oder den Steckverbindern kein Feh-
 ler festgestellt werden, als Nächstes die DFI-Teile prü-
 fen. An dem verdächtigen Teil zunächst die Eingangs-
 und Ausgangsspannung prüfen. Die ECU selbst kann je-
 doch nicht geprüft werden.
 Bei einem Defekt das betreffende DFI-Teil austauschen.
 Kann am Kabelbaum, den Steckverbindern und den DFI
 -Teilen kein Fehler festgestellt werden, die ECU austau-
 schen.
○Nach der Prüfung alle elektrischen Verbinder für das DFI
 -System wieder anschließen. Den Zündschalter nicht in
 die Stellung ON drehen, solange die elektrischen Verbin-
 der des DFI-Systems und die Verbinder für die Zündung
 noch nicht angeschlossen sind. Anderenfalls speichert
 die ECU-Fehlercodes für eine Stromkreisunterbrechung.

○Farbcodes der Kabel:
     BK: Schwarz         G: Grün            P: Rosa
     BL: Blau           GY: Grau           PU: Violett
     BR: Braun          LB: Hellblau        R: Rot
     CH: Schoko         LG: Hellgrün        W: Weiß
     DG: Dunkelgrün      O: Orange          Y: Gelb
KRAFTSTOFFANLAGE (DFI) 3-29
Fehlersuche im DFI-System
DFI-Diagnoseablaufplan




Fragen an den Fahrer
○Jeder Fahrer reagiert unterschiedlich auf Störungen. Daher ist es wichtig, die Symptome bei Auftritt
 der Störung zu erfragen.
○Den Fahrer befragen, unter exakt welchen Umstände welche Probleme auftraten. Durch diese In-
 formationen können die Störungen dann leichter reproduziert werden.
○Der Diagnosefragebogen (siehe folgendes Beispiel) vermindert die Gefahr, mögliche Störungsbe-
 reiche zu übersehen und hilft bei der Entscheidung, ob es sich um einen Defekt des DFI-Systems
 oder um eine allgemeine Motorstörung handelt.
3-30 KRAFTSTOFFANLAGE (DFI)
Fehlersuche im DFI-System
Beispiel eines Diagnosefragebogens
Name des           Registrierungsnummer
                                                           Jahr der Erstzulassung:
Fahrers:           (Kennzeichen):
Modell:              Motor-Nr.:                                  Rahmen-Nr.:
Datum des Störungsauftritts:                                     Kilometerstand:
                          Umweltbedingungen bei Störungsauftritt.
Wetter             □ gut, □ wolkig, □ regnerisch, □ Schnee, □ immer, □ andere:
Temperatur         □ heiß, □ warm, □ kalt, □ sehr kalt, □ immer, □ andere:
Problemhäufigkeit □ ständig, □ häufig, □ einmal

Fahrbahn
                   □ Straße, □ Autobahn, □ Bergstraße (□ bergauf, □ bergab), □ Feldweg,
                     □ Schotterstraße
Höhe               □ Normal, □ Hoch (ca. 1.000 m oder höher)
                   Betriebszustand des Motorrads bei Störungsauftritt.
FI-Anzeige (LED)   □ leuchtet sofort nach Drehen des Zündschalters auf ON, und erlischt nach
                     1 – 2 Sekunden (normal).

                   □ leuchtet(DFI-Problem).
                     ständig
                               sofort nach Drehen des Zündschalters auf ON, und leuchtet dann

                   □ leuchtet sofort nach Drehen des Zündschalters auf ON, und blinkt
                     (Wegfahrsperren-Problem).
                   □ leuchtet unmittelbar nach Drehen des Zündschalters auf ON, aber erlischt
                     nach ca. 10 Sekunden (DFI-Problem).
                   □ erlischt (Fehler der LED, ECU oder Verkabelung).
                   □ leuchtet manchmal (vermutlicher Kabeldefekt).
Startschwierigkei- □ Startermotor dreht nicht.
ten                □ Startermotor dreht, aber Motor springt nicht an.
                   □ Startermotor dreht nicht, Motor springt nicht an.
                   □ -Betriebsgeräusch). (□ leerer Tank, □ Kein Kraftstoffpumpen
                     Kein Kraftstofffluss

                   □ kein Zündfunke.
                   □ Chokehebel wird nicht voll gezogen (den Chokehebel bei Verwendung
                     immer voll ziehen).
                   □ Sonstiges:
Motor stirbt ab    □ sofort nach dem Motorstart.
                   □ beim Gasgeben.
                   □ bei Verzögerung.
                   □ beim Anfahren.
                   □ beim Anhalten des Motorrads.
                   □ während der Fahrt.
                   □ Sonstiges:
KRAFTSTOFFANLAGE (DFI) 3-31
Fehlersuche im DFI-System

Unrunder Lauf bei    □ Sehr niedrige Leerlaufdrehzahl, □ sehr hohe Leerlaufdrehzahl, □
niedriger Drehzahl   schwankende Leerlaufdrehzahl.
                     □ Niedrige Batteriespannung (Batterie aufladen).
                     □ lockere Zündkerze (festziehen).
                     □ verschmutzte oder defekte Zündkerze oder falscher Elektrodenabstand
                     (korrigieren).
                     □ Auspuffknallen.
                     □ Nachlaufen.
                     □ Ruckeln beim Beschleunigen.
                     □ zu hohe Viskosität des Motoröls.
                     □ schleifende Bremsen.
                     □ Überhitzung des Motors.
                     □ Kupplungsschlupf.
                     □ Sonstiges:
Geringe oder keine   □ lockere Zündkerze (festziehen).
Leistung bei hoher   □ verschmutzte oder defekte Zündkerze oder falscher Elektrodenabstand
Drehzahl             (korrigieren).
                     □ falsche Zündkerze (erneuern).
                     □ Motorklopfen (schlechter oder falscher Kraftstoff, → Superbenzin tanken).
                     □ schleifende Bremsen.
                     □ Kupplungsschlupf.
                     □ Überhitzung des Motors.
                     □ zu hoher Motorölstand.
                     □ zu hohe Viskosität des Motoröls.
                     □ Sonstiges:
3-32 KRAFTSTOFFANLAGE (DFI)
Fehlersuchanleitung für das DFI-System
                                             ANMERKUNG
 ○Diese Liste erhebt keinen Anspruch auf Vollständigkeit und es wird nicht jede mögliche Ursache
  für ein Problem aufgeführt. Gedacht ist diese Liste lediglich als Kurzanleitung für die Fehlersuche
  im DFI-System; sie behandelt nur die häufigsten Probleme.
 ○Die ECU kann für Fehler in der Zündanlage und dem DFI-System verantwortlich sein. Wenn diese
  Teile und Stromkreise geprüft wurden und kein Fehler festgestellt wurde, Stromversorgung und
  Masseanschluss der ECU kontrollieren. Wenn Stromversorgung und Masseanschluss einwand-
  frei sind, die ECU ersetzen.

Verbrennungsmotor dreht nicht durch
   Fehlersymptome und mögliche Ursachen                           Abhilfe (Kapitel)
Defekt des Leerlauf-, Wegfahrsperren- oder        Alle Schalter prüfen (siehe Kapitel 16).
Seitenständerschalters
Störung des Wegfahrsperrensystems                 Prüfen (siehe Kapitel 3).
Gelöster Umkippsensor                             Neu einbauen (siehe Kapitel 3).
Defekt des Umkippsensors                          Prüfen (siehe Kapitel 3).
Defekt des Kurbelwellensensors                    Prüfen (siehe Kapitel 16).
Stabzündspule kurzgeschlossen oder
                                                  Prüfen bzw. erneut einbauen (siehe Kapitel 16).
Wackelkontakt
Defekte Stabzündspule                             Prüfen (siehe Kapitel 16).
Verschmutzte oder defekte Zündkerze oder
                                                  Prüfen und austauschen (siehe Kapitel 2).
falscher Elektrodenabstand
                                                  Durch korrekte Zündkerze ersetzen (siehe
Falsche Zündkerze
                                                  Kapitel 2).
Defekt von ECU-Masse und -Stromversorgung         Prüfen (siehe Kapitel 3).
Defekte ECU                                       Prüfen (siehe Kapitel 3).
Kein oder nur wenig Benzin im Tank                Tanken (siehe Benutzerhandbuch).
Defekt des Einspritzventils                       Prüfen und austauschen (siehe Kapitel 3).
Kraftstoffpumpe läuft nicht                       Prüfen (siehe Kapitel 3).
Defekt des Kraftstoffpumpenrelais                 Prüfen und austauschen (siehe Kapitel 3).
                                                  Prüfen und Kraftstoffpumpe austauschen (siehe
Kraftstofffilter oder Pumpensieb zugesetzt
                                                  Kapitel 3).
Defekt des Kraftstoffdruckreglers                 Kraftstoffdruck prüfen und Kraftstoffpumpe
                                                  austauschen (siehe Kapitel 3).
Verstopfte Kraftstoffleitung                      Prüfen und reparieren (siehe Kapitel 3).


Unrunder Lauf bei niedriger Drehzahl
   Fehlersymptome und mögliche Ursachen                           Abhilfe (Kapitel)
Schwacher Zündfunke:
Stabzündspule kurzgeschlossen oder
                                                  Prüfen bzw. erneut einbauen (siehe Kapitel 16).
Wackelkontakt
Defekte Stabzündspule                             Prüfen (siehe Kapitel 16).
Verschmutzte oder defekte Zündkerze oder
                                                  Prüfen und austauschen (siehe Kapitel 2).
falscher Elektrodenabstand
                                                  Durch korrekte Zündkerze ersetzen (siehe
Falsche Zündkerze
                                                  Kapitel 2).
Defekte ECU                                       Prüfen (siehe Kapitel 3).
Falsches Kraftstoff/Luftgemisch:
Nur wenig Benzin im Tank                          Tanken (siehe Benutzerhandbuch).
KRAFTSTOFFANLAGE (DFI) 3-33
Fehlersuchanleitung für das DFI-System

  Fehlersymptome und mögliche Ursachen                                Abhilfe (Kapitel)
Verstopfter, schlecht verschlossener oder
                                                   Reinigen bzw. Dichtung prüfen (siehe Kapitel 2).
fehlender Luftfilter
Lockerer Luftfilterkanal                           Neu einbauen (siehe Kapitel 3).
Drosselklappengehäusehalterung locker              Neu einbauen (siehe Kapitel 3).
Staubdichtung des Drosselklappengehäuses
                                                   Austauschen (siehe Kapitel 3).
beschädigt
O-Ring des Einspritzventils beschädigt             Austauschen (siehe Kapitel 3).
                                                   Prüfen und Kraftstoffpumpe austauschen (siehe
Kraftstofffilter oder Pumpensieb zugesetzt
                                                   Kapitel 3).
Defekt des Kraftstoffdruckreglers                  Kraftstoffdruck prüfen und Kraftstoffpumpe
                                                   austauschen (siehe Kapitel 3).
Verstopfte Kraftstoffleitung                       Prüfen und reparieren (siehe Kapitel 3).
Defekt des Ansaugluftdrucksensors                  Prüfen (siehe Kapitel 3).
Defekt des Umgebungsdrucksensors                   Prüfen (siehe Kapitel 3).
Defekt des Wassertemperatursensors                 Prüfen (siehe Kapitel 3).
Defekt des Ansaugluft-Temperatursensors            Prüfen (siehe Kapitel 3).
Fehler am Hauptdrosselklappensensor                Prüfen (siehe Kapitel 3).
Problem mit dem Teillastsensor                     Prüfen (siehe Kapitel 3).
Problem mit der Stelleinheit des Teillastventils   Prüfen (siehe Kapitel 3).
Instabiler (unrunder) Leerlauf:
Zu niedriger oder zu hoher Kraftstoffdruck         Prüfen (siehe Kapitel 3).
Defekt des Einspritzventils                        Prüfen (siehe Kapitel 3).
Fehler am Hauptdrosselklappensensor                Prüfen (siehe Kapitel 3).
Problem mit dem Teillastsensor                     Prüfen (siehe Kapitel 3).
Problem mit der Stelleinheit des Teillastventils   Prüfen (siehe Kapitel 3).
Motorunterdruck nicht synchronisiert               Prüfen und einstellen (siehe Kapitel 2).
Defekt des Ansaugluftdrucksensors                  Prüfen (siehe Kapitel 3).
Defekt des Umgebungsdrucksensors                   Prüfen (siehe Kapitel 3).
Defekt des Wassertemperatursensors                 Prüfen (siehe Kapitel 3).
Defekt des Ansaugluft-Temperatursensors            Prüfen (siehe Kapitel 3).
Motor stirbt leicht ab:
Verschmutzte oder defekte Zündkerze oder
                                                   Prüfen und austauschen (siehe Kapitel 2).
falscher Elektrodenabstand
Defekte Stabzündspule                              Prüfen   (siehe   Kapitel   16).
Defekter Nockenwellensensor                        Prüfen   (siehe   Kapitel   16).
Fehler am Hauptdrosselklappensensor                Prüfen   (siehe   Kapitel   3).
Problem mit dem Teillastsensor                     Prüfen   (siehe   Kapitel   3).
Problem mit der Stelleinheit des Teillastventils   Prüfen   (siehe   Kapitel   3).
Defekt des Ansaugluftdrucksensors                  Prüfen   (siehe   Kapitel   3).
Defekt des Umgebungsdrucksensors                   Prüfen   (siehe   Kapitel   3).
Defekt des Wassertemperatursensors                 Prüfen   (siehe   Kapitel   3).
Defekt des Ansaugluft-Temperatursensors            Prüfen   (siehe   Kapitel   3).
Defekt der Kraftstoffpumpe                         Prüfen   (siehe   Kapitel   3).
Defekt des Einspritzventils                        Prüfen   (siehe   Kapitel   3).
Zu niedriger oder zu hoher Kraftstoffdruck         Prüfen   (siehe   Kapitel   3).
3-34 KRAFTSTOFFANLAGE (DFI)
Fehlersuchanleitung für das DFI-System

 Fehlersymptome und mögliche Ursachen                              Abhilfe (Kapitel)
Defekt des Kraftstoffdruckreglers                  Kraftstoffdruck prüfen und Kraftstoffpumpe
                                                   austauschen (siehe Kapitel 3).
Verstopfte Kraftstoffleitung                       Prüfen und reparieren (siehe Kapitel 3).
Schlechte Beschleunigung:
Zu niedriger Kraftstoffdruck                       Prüfen (siehe Kapitel 3).
Wasser oder Fremdkörper im Kraftstoff              Kraftstoff wechseln. Kraftstoffanlage prüfen und
                                                   reinigen (siehe Kapitel 3).
                                                   Prüfen und Kraftstoffpumpe austauschen (siehe
Kraftstofffilter oder Pumpensieb zugesetzt
                                                   Kapitel 3).
Defekt der Kraftstoffpumpe                         Prüfen (siehe Kapitel 3).
Defekt des Einspritzventils                        Prüfen (siehe Kapitel 3).
Fehler am Hauptdrosselklappensensor                Prüfen (siehe Kapitel 3).
Problem mit dem Teillastsensor                     Prüfen (siehe Kapitel 3).
Problem mit der Stelleinheit des Teillastventils   Prüfen (siehe Kapitel 3).
Defekt des Ansaugluftdrucksensors                  Prüfen (siehe Kapitel 3).
Defekt des Umgebungsdrucksensors                   Prüfen (siehe Kapitel 3).
Defekt des Wassertemperatursensors                 Prüfen (siehe Kapitel 3).
Defekt des Ansaugluft-Temperatursensors            Prüfen (siehe Kapitel 3).
Verschmutzte oder defekte Zündkerze oder
                                                   Prüfen und austauschen (siehe Kapitel 2).
falscher Elektrodenabstand
Defekte Stabzündspule                              Prüfen (siehe Kapitel 16).
Stottern:
Zu niedriger Kraftstoffdruck                       Prüfen   (siehe   Kapitel   3).
Defekt des Einspritzventils                        Prüfen   (siehe   Kapitel   3).
Fehler am Hauptdrosselklappensensor                Prüfen   (siehe   Kapitel   3).
Problem mit dem Teillastsensor                     Prüfen   (siehe   Kapitel   3).
Problem mit der Stelleinheit des Teillastventils   Prüfen   (siehe   Kapitel   3).
Defekt des Ansaugluftdrucksensors                  Prüfen   (siehe   Kapitel   3).
Defekt des Umgebungsdrucksensors                   Prüfen   (siehe   Kapitel   3).
Defekt des Wassertemperatursensors                 Prüfen   (siehe   Kapitel   3).
Defekt des Ansaugluft-Temperatursensors            Prüfen   (siehe   Kapitel   3).
Motorruckeln:
Instabiler Kraftstoffdruck                         Defekter Kraftstoffdruckregler (Kraftstoffpumpe
                                                   überprüfen und ersetzen) oder geknickte
                                                   Kraftstoffleitung (Kraftstoffpumpe überprüfen und
                                                   ersetzen) (siehe Kapitel 3).
Defekt des Einspritzventils                        Prüfen (siehe Kapitel 3).
Defekt des Wassertemperatursensors                 Prüfen (siehe Kapitel 3).
Fehlzündung bei Verzögerung:
Verschmutzte oder defekte Zündkerze oder
                                                   Prüfen und austauschen (siehe Kapitel 2).
falscher Elektrodenabstand
Zu niedriger Kraftstoffdruck                       Prüfen   (siehe   Kapitel   3).
Defekt der Kraftstoffpumpe                         Prüfen   (siehe   Kapitel   3).
Fehler am Hauptdrosselklappensensor                Prüfen   (siehe   Kapitel   3).
Problem mit dem Teillastsensor                     Prüfen   (siehe   Kapitel   3).
Problem mit der Stelleinheit des Teillastventils   Prüfen   (siehe   Kapitel   3).
KRAFTSTOFFANLAGE (DFI) 3-35
Fehlersuchanleitung für das DFI-System

  Fehlersymptome und mögliche Ursachen                      Abhilfe (Kapitel)
Defekt des Ansaugluftdrucksensors            Prüfen (siehe Kapitel 3).
Defekt des Umgebungsdrucksensors             Prüfen (siehe Kapitel 3).
Defekt des Wassertemperatursensors           Prüfen (siehe Kapitel 3).
Defekt des Ansaugluft-Temperatursensors      Prüfen (siehe Kapitel 3).
Defekt des Unterdruckschaltventils           Prüfen und austauschen (siehe Kapitel 16).
Defekt des Ansaugluftventils                 Prüfen und austauschen (siehe Kapitel 5).
Nachzündung:
Verschlissene Zündkerze oder falscher
                                             Austauschen (siehe Kapitel 2).
Elektrodenabstand
Defekt des Einspritzventils                  Prüfen   (siehe   Kapitel   3).
Defekt des Ansaugluftdrucksensors            Prüfen   (siehe   Kapitel   3).
Defekt des Umgebungsdrucksensors             Prüfen   (siehe   Kapitel   3).
Defekt des Wassertemperatursensors           Prüfen   (siehe   Kapitel   3).
Defekt des Ansaugluft-Temperatursensors      Prüfen   (siehe   Kapitel   3).
Sonstiges:
Zeitweilige DFI-Störungen                    Sicherstellen, dass sämtliche Anschlüsse eines
                                             Schaltkreises sauber sind und fest sitzen. Kabel
                                             auf Mängel wie Verschmelzung, Abrieb usw.
                                             untersuchen (siehe Kapitel 3).


Geringe oder keine Leistung bei hoher Drehzahl:
   Fehlersymptome und mögliche Ursachen                         Abhilfe (Kapitel)
Zündungsfehler:
Stabzündspule kurzgeschlossen oder
                                             Prüfen bzw. erneut einbauen (siehe Kapitel 16).
Wackelkontakt
Defekte Stabzündspule                        Prüfen (siehe Kapitel 16).
Verschmutzte oder defekte Zündkerze oder
                                             Prüfen und austauschen (siehe Kapitel 2).
falscher Elektrodenabstand
                                             Durch korrekte Zündkerze ersetzen (siehe
Falsche Zündkerze
                                             Kapitel 2).
Defekte ECU                                  Prüfen (siehe Kapitel 3).
Falsches Kraftstoff/Luftgemisch:
Verstopfter, schlecht verschlossener oder
                                             Reinigen bzw. Dichtung prüfen (siehe Kapitel 2).
fehlender Luftfilter
Lockerer Luftfilterkanal                     Neu einbauen (siehe Kapitel 3).
Drosselklappengehäusehalterung locker        Neu einbauen (siehe Kapitel 3).
Staubdichtung des Drosselklappengehäuses
                                             Austauschen (siehe Kapitel 3).
beschädigt
Wasser oder Fremdkörper im Kraftstoff        Kraftstoff wechseln. Kraftstoffanlage prüfen und
                                             reinigen (siehe Kapitel 3).
O-Ring des Einspritzventils beschädigt       Austauschen (siehe Kapitel 3).
Einspritzventil zugesetzt                    Prüfen und reparieren (siehe Kapitel 3).
Verstopfte Kraftstoffleitung                 Prüfen und reparieren (siehe Kapitel 3).
                                             Eventuell sind die Kraftstoffpumpenlager
Kraftstoffpumpe arbeitet nicht ständig und
                                             verschlissen. Die Kraftstoffpumpe ersetzen
DFI-Sicherung brennt oft durch.
                                             (siehe Kapitel 3).
3-36 KRAFTSTOFFANLAGE (DFI)
Fehlersuchanleitung für das DFI-System

  Fehlersymptome und mögliche Ursachen                            Abhilfe (Kapitel)
Defekt der Kraftstoffpumpe                         Prüfen (siehe Kapitel 3).
Defekt des Ansaugluftdrucksensors                  Prüfen (siehe Kapitel 3).
Brüchiger oder verstopfter Schlauch des            Prüfen und reparieren oder austauschen (siehe
Ansaugluftdrucksensors                             Kapitel 3).
Defekt des Umgebungsdrucksensors                   Prüfen (siehe Kapitel 3).
Defekt des Wassertemperatursensors                 Prüfen (siehe Kapitel 3).
Defekt des Ansaugluft-Temperatursensors            Prüfen (siehe Kapitel 3).
Fehler am Hauptdrosselklappensensor                Prüfen (siehe Kapitel 3).
Problem mit dem Teillastsensor                     Prüfen (siehe Kapitel 3).
Problem mit der Stelleinheit des Teillastventils   Prüfen (siehe Kapitel 3).
Klopfen:
Schlechte oder falsche Kraftstoffqualität          Kraftstoffbefüllung (das im Fahrerhandbuch
                                                   empfohlene Benzin verwenden).
                                                   Durch korrekte Zündkerze ersetzen (siehe
Falsche Zündkerze
                                                   Kapitel 2).
Defekte Stabzündspule                              Prüfen (siehe Kapitel 16).
Defekte ECU                                        Prüfen (siehe Kapitel 3).
Motorunterdruck nicht synchronisiert               Prüfen und einstellen (siehe Kapitel 2).
Defekt des Ansaugluftdrucksensors                  Prüfen (siehe Kapitel 3).
Defekt des Umgebungsdrucksensors                   Prüfen (siehe Kapitel 3).
Defekt des Wassertemperatursensors                 Prüfen (siehe Kapitel 3).
Defekt des Ansaugluft-Temperatursensors            Prüfen (siehe Kapitel 3).
Sonstiges:
Problem mit dem Teillastsensor                     Prüfen (siehe Kapitel 3).
Problem mit der Stelleinheit des Teillastventils   Prüfen (siehe Kapitel 3).
Fehler am Drehzahlsensor.                          Prüfen (siehe Kapitel 3).
Drosselklappenventile öffnen nicht vollständig     Gaszüge und Hebelgestänge prüfen (siehe
                                                   Kapitel 3).
Überhitzung des Motors - Wassertemperatursen-
                                                   (siehe Überhitzung in der Anleitung zur
sor, Kurbelwellensensor oder Drehzahlsensor
                                                   Fehlersuche in Kapitel 17)
defekt
Defekt des Unterdruckschaltventils                 Prüfen und austauschen (siehe Kapitel 16).
Defekt des Ansaugluftventils                       Prüfen und austauschen (siehe Kapitel 5).
Starke Abgasentwicklung:
(Schwarzer Rauch)
Luftfilterelement verstopft                        Element reinigen (siehe Kapitel 2).
Zu hoher Kraftstoffdruck                           Prüfen (siehe Kapitel 3).
Defekt des Einspritzventils                        Prüfen (siehe Kapitel 3).
Defekt des Wassertemperatursensors                 Prüfen (siehe Kapitel 3).
Defekt des Ansaugluft-Temperatursensors            Prüfen (siehe Kapitel 3).
(Brauner Rauch)
Lockerer Luftfilterkanal                           Neu einbauen (siehe Kapitel 3).
Zu niedriger Kraftstoffdruck                       Prüfen (siehe Kapitel 3).
Defekt des Wassertemperatursensors                 Prüfen (siehe Kapitel 3).
Defekt des Ansaugluft-Temperatursensors            Prüfen (siehe Kapitel 3).
KRAFTSTOFFANLAGE (DFI) 3-37
Selbstdiagnose
  Die Warnleuchte (LED) [A] dient als FI-Anzeige, Wegfahr-
sperren-Kontrollleuchte (Modelle mit Wegfahrsperre) und
Öldruck-Warnleuchte.




Überblick über die Selbstdiagnose
  Die Selbstdiagnose besitzt zwei Betriebsarten, zwischen
denen über die Instrumenteneinheit umgeschaltet werden
kann.
Benutzermodus
  Die ECU meldet dem Fahrer in den DFI-, Zünd- und Weg-
fahrsperrensystemen auftretende Probleme durch Blinken
der Warnleuchte (LED) [A], des FI-Warnsymbols [B] und
des Wegfahrsperren-Warnsymbols [C], wenn Teile des
DFI-, Zünd- oder Wegfahrsperrensystems defekt sind, und
schaltet dann auf Fehlerbetrieb um. Bei schweren Fehlern
schaltet die ECU Einspritzung/Zündung/Startermotor ab.




Händlermodus
  Das Display (LCD) zeigt mit Servicecode(s) [A] an, wel-
che Problem(e) im DFI-, Zünd- oder Wegfahrsperrensys-
tem zum Diagnosezeitpunkt aufgetreten sind.
   Modelle mit Wegfahrsperre [B]
3-38 KRAFTSTOFFANLAGE (DFI)
Selbstdiagnose
Schritte bei der Selbstdiagnose
○Bei einer Störung des DFI- oder Zündsystems wird der
 Fahrer durch Blinken der Warnleuchte (LED) [A] und des
 FI-Warnsymbols [B] gewarnt.
○Bei Modellen mit Wegfahrsperre wird der Fahrer bei einer
 Störung des Systems durch Blinken der Warnleuchte
 (LED) und des Wegfahrsperren-Warnsymbols [C] ge-
 warnt.
                     ANMERKUNG
 ○Bei der Selbstdiagnose eine voll geladene Batterie ver-
   wenden. Andernfalls blinken Anzeige (LED) und Warn-
   symbol sehr langsam oder gar nicht.




• Den Zündschalter einschalten. um den Kilometerzähler
• Den MODE-Knopf [A] drücken,
  anzuzeigen.
   Modelle mit Wegfahrsperre [B]
KRAFTSTOFFANLAGE (DFI) 3-39
Selbstdiagnose

• Den MODUS-Knopf [A] mindestens zwei Sekunden drü-
  cken.
• Der Servicecode [B] wird zweistellig auf dem Display an-
  gezeigt.
  Modelle mit Wegfahrsperre [C]
•Die folgenden Vorgänge beenden die Selbstdiagnose.
○Bei Anzeige des Servicecodes auf dem Display den MO-
 DUS-Knopf mindestens zwei Sekunden drücken.
○Drehen des Zündschalters auf OFF.




Selbstdiagnoseablaufplan
3-40 KRAFTSTOFFANLAGE (DFI)
Selbstdiagnose
Lesen der Servicecodes
○Servicecode(s) wird(werden) zweistellig auf dem Display angezeigt.
○Wenn mehrere Störungen auftreten, werden alle Störungscodes aufgezeichnet und beginnend mit
 der kleinsten Störungscode-Nummer der Reihe nach angezeigt.
○Nach Ausgabe aller Codes beginnt die Anzeige von vorn, bis der Zündschalter ausgeschaltet wird
 oder der MODE-Knopf mindestens zwei Sekunden gedrückt wird.
○Wenn zum Beispiel drei Störungen in der Reihenfolge 56, 15, 35 aufgetreten sind, so wird der
 kleinste Servicecode zuerst angezeigt (jeweils zwei Sekunden), wodurch sich folgende Ausgabe-
 reihenfolge ergibt: (15→35→56)→(15→35→56)→· · ·(beginnt von vorn)




○Wenn kein Defekt vor,liegt oder die Reparatur beendet ist, erlöschen die FI- und/oder die Wegfahr-
 sperren-Warnsymbole und es wird kein Servicecode angezeigt.
Löschen von Servicecodes
○Wenn die Reparatur beendet ist, erlöschen die FI- und/oder die Wegfahrsperren-Warnsymbole und
 es wird kein Servicecode angezeigt.
 Die Servicecodes im Speicher der ECU werden jedoch nicht gelöscht, sodass sich das Problem
 auch später noch nachvollziehen lässt. Bei diesem Modell kann der Problemverlauf nicht gelöscht
 werden.
KRAFTSTOFFANLAGE (DFI) 3-41
Selbstdiagnose
Tabelle der Servicecodes
 Servicecode                                       Probleme
                Fehlfunktion des Hauptdrosselklappensensors, Verkabelung unterbrochen oder
      11
                kurzgeschlossen
                Fehlfunktion des Ansaugluftdrucksensors, Verkabelung unterbrochen oder
      12
                kurzgeschlossen
                Fehlfunktion des Ansaugluft-Temperatursensors, Verkabelung unterbrochen oder
      13
                kurzgeschlossen
                Fehlfunktion des Wassertemperatursensors, Verkabelung unterbrochen oder
      14
                kurzgeschlossen
                Fehlfunktion des Umgebungsdrucksensors, Verkabelung unterbrochen oder
      15
                kurzgeschlossen
                Fehlfunktion des Kurbelwellensensors, Verkabelung unterbrochen oder
      21
                kurzgeschlossen
                Fehlfunktion des Nockenwellensensors, Verkabelung unterbrochen oder
      23
                kurzgeschlossen
                Fehlfunktion des Drehzahlsensors, Verkabelung unterbrochen oder
      24
                kurzgeschlossen
                Fehlfunktion des Gangpositionsschalters, Verkabelung unterbrochen oder
      25
                kurzgeschlossen
                Fehlfunktion des Umkippsensors, Verkabelung unterbrochen oder
      31
                kurzgeschlossen
                Fehlfunktion des Teillastsensors, Verkabelung unterbrochen oder
      32
                kurzgeschlossen
                Lambdasonde Nr. 1 inaktiv, Verkabelung unterbrochen oder kurzgeschlossen
      33
                (ausgerüstete Modelle)
                Fehlfunktion des Sensors der Auslassklappenventil-Stelleinheit, Verkabelung
      34
                unterbrochen oder kurzgeschlossen
      35        Fehlfunktion des Wegfahrsperren-Verstärkers
      36        Erkennung von Schlüsselrohlingen
      39        Übertragungsfehler bei ECU
                Störung der Stabzündspule Nr. 1, Verkabelung unterbrochen oder
      51
                kurzgeschlossen
                Störung der Stabzündspule Nr. 2, Verkabelung unterbrochen oder
      52
                kurzgeschlossen
                Störung der Stabzündspule Nr. 3, Verkabelung unterbrochen oder
      53
                kurzgeschlossen
                Störung der Stabzündspule Nr. 4, Verkabelung unterbrochen oder
      54
                kurzgeschlossen
      56        Störung des Kühlerlüfterrelais, Verkabelung unterbrochen oder kurzgeschlossen
                Fehlfunktion des Teillastventil-Stellantriebs, Verkabelung unterbrochen oder
      62
                kurzgeschlossen
                Fehlfunktion des Sensors der Auslassklappenventil-Stelleinheit, Verkabelung
      63
                unterbrochen oder kurzgeschlossen
                Störung des Unterdruckschaltventils, Verkabelung unterbrochen oder
      64
                kurzgeschlossen
                Störung der Lambdasonden-Heizung, Verkabelung unterbrochen oder
      67
                kurzgeschlossen (ausgerüstete Modelle)
3-42 KRAFTSTOFFANLAGE (DFI)
Selbstdiagnose

  Servicecode                                     Probleme
                 Lambdasonde Nr. 2 inaktiv, Verkabelung unterbrochen oder kurzgeschlossen
       83
                 (ausgerüstete Modelle)
                 Störung der Lambdasonde Nr. 1, Verkabelung unterbrochen oder
       94
                 kurzgeschlossen (Modelle für Europa)
                 Störung der Lambdasonde Nr. 2, Verkabelung unterbrochen oder
       95
                 kurzgeschlossen (Modelle für Europa)
Hinweise:
○Ursache für solche Probleme kann auch die ECU sein. Wenn alle geprüften Teile und Stromkreise
 in Ordnung sind, Masse und Stromversorgung der ECU prüfen. Wenn Stromversorgung und Mas-
 seanschluss einwandfrei sind, die ECU ersetzen.
○Wenn kein Servicecode ausgegeben wird und die elektrischen Komponenten des DFI-System stö-
 rungsfrei sind, dann wird die Störung vermutlich durch mechanische DFI-Komponenten oder Mo-
 tordefekte verursacht.
KRAFTSTOFFANLAGE (DFI) 3-43
Selbstdiagnose
Notlauffunktionen
○Die ECU verhindert auf folgende Weise Motorschäden, wenn Probleme mit dem DFI-, Zünd- oder
 Wegfahrsperrensystem auftreten.
                              Sollbereich des
 Service-
               Bauteile     Ausgangssignals bzw.         Notlauffunktionen durch ECU
  codes
                                 Kriterium
                                                     Wenn die Regelung mit dem
                                                     Hauptdrosselklappensensor ausfällt
                                                     (die Ausgangsspannung außerhalb
                                                     des Sollwertes liegt, die Verkabelung
            Hauptdrossel- Ausgangsspannung
    11                                               unterbrochen oder kurzgeschlossen ist),
            klappensensor 0,2 ∼ 4,8 V
                                                     benutzt die ECU den Zündzeitpunkt bei
                                                     geschlossener Drosselklappe und stellt
                                                     für das DFI-System das D-J-Verfahren
                                                     ein.
                                                     Bei Störung des Ansaugluftdrucksensors
                           Ansaugluftdruck           (Signal außerhalb des Sollwerts,
             Ansaugluft-
    12                     (Absolutdruck)            Verkabelung unterbrochen oder
             drucksensor
                           Pv = 100 ∼ 900 mmHg       kurzgeschlossen), versetzt die ECU das
                                                     DFI-System in das α-N Verfahren (1).
                                                     Bei Störung des Ansaugluft
                                                     -Temperatursensorsystems (Signal
              Ansaugluft   Ansauglufttemperatur
    13                                               außerhalb des Sollwerts, Verkabelung
            -Temperatursensor = – 47 ∼ + 178°C
                           Ta
                                                     unterbrochen oder kurzgeschlossen),
                                                     fixiert die ECU Ta bei 30°C.
                                                     Bei Störung des Wassertemperatursen-
                                                     sors (Signal außerhalb des Sollwerts,
            Wassertempe- Wassertemperatur            Verkabelung unterbrochen oder kurzge-
    14
             ratursensor Tw = – 30 ∼ + 120°C         schlossen), fixiert die ECU Tw bei 80°C.
                                                     Bei Einschaltung eines Kühlerlüfters stellt
                                                     die ECU Tw bei 110°C ein.
                                                     Bei Störung des Umgebungsdrucksen-
                           Umgebungsdruck            sors (Signal außerhalb des Sollwerts,
             Umgebungs-
    15                     (Absolutdruck)            Verkabelung unterbrochen oder kurzge-
             drucksensor
                           Pa = 100 ∼ 900 mmHg       schlossen), fixiert die ECU Pa auf 760
                                                     mmHg (Standard-Umgebungsdruck).
                           Der Kurbelwellensensor
                           muss für 1                Wenn der Kurbelwellensensor weniger
             Kurbelwellen-
    21                     Wellenumdrehung 22        oder mehr als 22 Impulse erzeugt, stoppt
                sensor
                           Impulse an die ECU        der Motor automatisch.
                           senden.
                                                   Wenn die Regelung mit dem
                                                   Nockenwellensensors ausfällt (das Signal
                           Der Nockenwellenposi-
              Nockenwel-                           fehlt, die Verkabelung unterbrochen
                           tionssensor muss für 2
    23       lenpositions-                         oder kurzgeschlossen ist), zündet die
                           Wellenumdrehungen 1 Im-
                sensor                             ECU die Zylinder weiter so wie bei
                           puls an die ECU senden.
                                                   der letzten einwandfreien Funktion der
                                                   Zündsteuerung.
                           Der Drehzahlsensor      Wenn der Drehzahlsensorstromkreis
             Drehzahlsen- muss pro Umdrehung der ausfällt (kein Signal, Verkabelung
    24
                  sor      Antriebswelle 8 Impulse unterbrochen oder kurzgeschlossen),
                           an die ECU senden.      zeigt der Tachometer 0 an.
3-44 KRAFTSTOFFANLAGE (DFI)
Selbstdiagnose

                                Sollbereich des
 Service-
              Bauteile      Ausgangssignals bzw.            Notlauffunktionen durch ECU
  codes
                                   Kriterium
                           Ausgangsspannung
            Gangpositions- (Signal) des                 Die ECU stellt den obersten Gang (6.)
   25
               schalter    Gangpositionsschalters       ein.
                           Vd = 0,2 V ∼ 4,8 V
                                                        Bei Störung des Umkippsensors
                                                        (Ausgangsspannung außerhalb des
                             Ausgangsspannung           Sollwerts, Verkabelung unterbrochen
   31       Umkippsensor
                             0,65 ∼ 4,45 V              oder kurzgeschlossen) schaltet die ECU
                                                        Kraftstoffpumpenrelais, Einspritzventile
                                                        und Zündsystem ab.
                                                        Bei Störung des Teillastventilsensors
                                                        (Ausgangsspannung außerhalb des
                                                        Sollwerts, Verkabelung unterbrochen
                             Ausgangsspannung           oder kurzgeschlossen) verriegelt
   32       Teillastsensor
                             0,15 ∼ 4,85 V              die ECU das Teillastventil in
                                                        voll geöffneter Stellung und
                                                        unterbricht die Stromversorgung
                                                        zur Teillastventil-Stelleinheit.
                          Die Lambdasonde Nr. 1
            Lambdasonde
                          ist aktiv und muss an die     Wenn die Lambdasonde nicht aktiv ist,
               Nr. 1
   33                     ECU ununterbrochen            bricht die ECU den Feedback-Modus der
            (ausgerüstete
                          Signale senden                Lambdasonde ab.
              Modelle)
                          (Ausgangsspannung).
                                                        Falls die Regelung mit dem
                                                        Auslassklappenventilsensors ausfällt
                                                        (Ausgangsspannung außerhalb des
              Sensor der
                                                        Sollwerts, Verkabelung unterbrochen
                Auslass-     Ausgangsspannung
   34                                                   oder kurzgeschlossen), verriegelt
             klappenven- 0,1 ∼ 4,8 V
                                                        die ECU das Auslassklappenventil
            til-Stelleinheit
                                                        in fast voll geöffneter Stellung und
                                                        unterbricht die Stromversorgung zur
                                                        Auslassklappenventil-Stelleinheit.
                                                        Bei Störung des Wegfahrsperrensystems
                                                        (kein Signal, Verkabelung unterbrochen
            Wegfahrsper-
   35                      –                            oder kurzgeschlossen) kann das
            ren-Verstärker
                                                        Motorrad nicht gestartet und gefahren
                                                        werden.
                                                        Bei Verwendung eines Schlüsselrohlings
             Haupt- oder     Der Benutzer- oder
                                                        oder eines beschädigten Schlüssels
   36         Benutzer-      Hauptschlüssel muss
                                                        kann das Motorrad nicht gestartet und
              schlüssel      registriert sein.
                                                        gefahren werden.
                             Die ECU überträgt die
                             Daten (Gangposition
   39           ECU          -Servicecode und           –
                             Schlüsselregistrierung)
                             zur Instrumenteneinheit.
KRAFTSTOFFANLAGE (DFI) 3-45
Selbstdiagnose

                                Sollbereich des
 Service-
              Bauteile        Ausgangssignals bzw.            Notlauffunktionen durch ECU
  codes
                                   Kriterium
                                                         Bei Ausfall der Stabzündspulen
                                                         -Primärwicklung Nr. 1 (kein Signal,
                          Die Stabzündspulen
                                                         Verkabelung unterbrochen oder
                          -Primärwicklung
            Stabzündspule                                kurzgeschlossen) schaltet die ECU
   51                     muss ununterbrochen
                Nr. 1*                                   das Einspritzventil Nr. 1 ab, um die
                          mindestens 20 Signale an
                                                         Kraftstoffzufuhr zum Zylinder Nr. 1 zu
                          die ECU senden.
                                                         unterbrechen, der Motor läuft jedoch
                                                         weiter.
                                                         Bei Ausfall der Stabzündspulen
                                                         -Primärwicklung Nr. 2 (kein Signal,
                          Die Stabzündspulen
                                                         Verkabelung unterbrochen oder
                          -Primärwicklung
            Stabzündspule                                kurzgeschlossen) schaltet die ECU
   52                     muss ununterbrochen
                Nr. 2*                                   das Einspritzventil Nr. 2 ab, um die
                          mindestens 20 Signale an
                                                         Kraftstoffzufuhr zum Zylinder Nr. 2 zu
                          die ECU senden.
                                                         unterbrechen, der Motor läuft jedoch
                                                         weiter.
                                                         Bei Ausfall der Stabzündspulen
                                                         -Primärwicklung Nr. 3 (kein Signal,
                          Die Stabzündspulen
                                                         Verkabelung unterbrochen oder
                          -Primärwicklung
            Stabzündspule                                kurzgeschlossen) schaltet die ECU
   53                     muss ununterbrochen
                Nr. 3*                                   das Einspritzventil Nr. 3 ab, um die
                          mindestens 20 Signale an
                                                         Kraftstoffzufuhr zum Zylinder Nr. 3 zu
                          die ECU senden.
                                                         unterbrechen, der Motor läuft jedoch
                                                         weiter.
                                                         Bei Ausfall der Stabzündspulen
                                                         -Primärwicklung Nr. 4 (kein Signal,
                          Die Stabzündspulen
                                                         Verkabelung unterbrochen oder
                          -Primärwicklung
            Stabzündspule                                kurzgeschlossen) schaltet die ECU
   54                     muss ununterbrochen
                Nr. 4*                                   das Einspritzventil Nr. 4 ab, um die
                          mindestens 20 Signale an
                                                         Kraftstoffzufuhr zum Zylinder Nr. 4 zu
                          die ECU senden.
                                                         unterbrechen, der Motor läuft jedoch
                                                         weiter.
             Kühlerlüfter-   In Position OFF ist das
   56                                                    –
                relais       Lüfterrelais offen.
                                                         Wenn die Stelleinheit für das Teillastventil
                             Die Stelleinheit öffnet und
                                                         ausfällt (Signal außerhalb des Sollwerts,
             Teillastventil schließt das Teillastventil
   62                                                    Verkabelung unterbrochen oder
             -Stelleinheit durch ein Impulssignal von
                                                         kurzgeschlossen), unterbricht die ECU
                             der ECU.
                                                         den Strom zur Stelleinheit.
                             Die Stelleinheit öffnet     Wenn die Auslassklappenventil
                Auslass-     und schließt das            -Stelleinheit ausfällt (Signal außerhalb
   63        klappenven- Auslassklappenventil            des Sollwerts, Verkabelung unterbrochen
            til-Stelleinheit durch ein Impulssignal von oder kurzgeschlossen), unterbricht die
                             der ECU.                    ECU den Strom zur Stelleinheit.
                             Das Unterdruckschaltventil
                             regelt den
             Unterdruck-
   64                        Sekundärluftstrom durch –
              schaltventil
                             Öffnen und Schließen des
                             Magnetventils.
3-46 KRAFTSTOFFANLAGE (DFI)
Selbstdiagnose

                                   Sollbereich des
  Service-
                Bauteile        Ausgangssignals bzw.          Notlauffunktionen durch ECU
   codes
                                        Kriterium
                              Das Lambdasonden            Fällt die Lambdasonden-Heizung
               Lambdason-     -Heizelement erwärmt        aus (Verkabelung unterbrochen oder
               den-Heizung    die Lambdasonde, damit      kurzgeschlossen), unterbricht die ECU
     67
              (ausgerüstete   diese früher aktiviert      den Strom zum Heizelement und bricht
                 Modelle)     werden kann. 12 V-3,6 W,    den Feedback-Modus der Lambdasonde
                              1,5 A                       ab.
                              Die Lambdasonde Nr. 1
             Lambdasonde
                              ist aktiv und muss an die   Wenn die Lambdasonde nicht aktiv ist,
                Nr. 2
     83                       ECU ununterbrochen          bricht die ECU den Feedback-Modus der
             (ausgerüstete
                              Signale senden              Lambdasonde ab.
               Modelle)
                              (Ausgangsspannung).
                              Die Lambdasonde             Ist die Ausgangsspannung der
             Lambdasonde
                              Nr. 1 muss                  Lambdasonde Nr. 1 nicht
                Nr. 1
     94                       ununterbrochen Signale      korrekt, bricht die ECU den
             (ausgerüstete
                              (Ausgangsspannung) an       Lambdasonden-Feedback-Modus
               Modelle)
                              die ECU senden.             ab.
                              Die Lambdasonde
             Lambdasonde                                  Ist die Ausgangsspannung der
                              Nr. 1 muss
                Nr. 2                                     Lambdasonde Nr. 2 nicht korrekt, bricht
     95                       ununterbrochen Signale
             (ausgerüstete                                die ECU den Feedback-Modus der
                              (Ausgangsspannung) an
               Modelle)                                   Lambdasonde ab.
                              die ECU senden.

Hinweis:
  (1) α-N Verfahren: Die DFI-Regelung bei mittlerer und schwerer Motorlast. Wenn der Motor wie im
Leerlauf oder bei niedriger Drehzahl nur gering belastet wird, bestimmt die ECU die Einspritzmenge
unter Berücksichtigung des Drosselklappenunterdrucks (Ausgangsspannung des Ansaugluftdruck-
sensors) und der Motordrehzahl (Ausgangsspannung des Kurbelwellensensors). Dieses Verfahren
ist das so genannte D-J-Verfahren. Bei steigender Motordrehzahl und mittlerer oder hoher Motor-
last berechnet die ECU die Einspritzmenge aus der Drosselklappenöffnung (Ausgangsspannung am
Drosselklappensensor) und der Motordrehzahl. Dieses Verfahren ist das so genannte α-N Verfahren.
     *: Hängt von der Anzahl der nicht mitlaufenden Zylinder ab.
KRAFTSTOFFANLAGE (DFI) 3-47
Hauptdrosselklappensensor (Servicecode 11)
  Der Hauptdrosselklappensensor ist ein Potentiometer,
das die Ausgangsspannung je nach Reaktion der Drossel-
klappe verändert. Die ECU misst die Spannungsänderung
und bestimmt dann, welche Kraftstoffeinspritzmenge und
welcher Zündzeitpunkt für diese Drosselklappenstellung
und Motordrehzahl benötigt werden.
   Eingangsanschluss [A]
   Ausgangsanschluss [B]
   Masseanschluss [C]


Ausbau/Einstellung des Hauptdrosselklap-
pensensors
                      VORSICHT
 Den Hauptdrosselklappensensor nicht ausbauen
 oder einstellen. Er wurde bereits im Werk hochge-
 nau eingestellt und eingebaut.
 Das Drosselklappengehäuse niemals fallen lassen,
 besonders nicht auf harte Flächen. Fall oder Stoß
 kann den Sensor beschädigen.
   Verbinder für Hauptdrosselklappensensor [A]
Überprüfung der Eingangsspannung des
Hauptdrosselklappensensors
                     ANMERKUNG
 ○Die Batterie muss voll aufgeladen sein.
• DenECU ausbauenausschalten. der ECU"). Die ECU
       Zündschalter
• Die                (siehe "Ausbau
  -Steckverbinder nicht abziehen.

• Ein Digitalvoltmeter [A] mit dem Nadeladaptersatz an die
  Verbinder [B] anschließen.
 Spezialwerkzeug -
          Nadeladaptersatz: 57001-1457

 Eingangsspannung für Hauptdrosselklappensensor
   Anschlüsse an den ECU-Steckverbinder
     Multimeter (+) → blaues Kabel (Klemme 10)
     Multimeter (–) → braun/schwarzes Kabel (Klemme 28)

• Die angeschlossenen Verbindern messen. Motor und
  mit
      Eingangsspannung bei ausgeschaltetem

• Den Zündschalter einschalten.
3-48 KRAFTSTOFFANLAGE (DFI)
Hauptdrosselklappensensor (Servicecode 11)
    Eingangsspannung am ECU-Verbinder
      Standard: 4,75 ∼ 5,25 V DC

• Den Zündschalter ausschalten.
  Liegt der Messwert der Eingangsspannung unterhalb des
    Sollwerts, die Masseverbindung und Stromversorgung
    der ECU und die Verkabelung auf Kurzschluss prüfen.
    Wenn die Eingangsspannung innerhalb des Sollwerts
    liegt, die Eingangsspannung am Verbinder des Haupt-
    drosselklappensensors kontrollieren.
•   Ausbauen:
      Luftfiltergehäuse (siehe "Ausbau des Luftfiltergehäu-
      ses")
      Kraftstoffpumpen-Kabelverbinder (siehe "Ausbau des
      Kraftstofftanks")

• Den Verbinder des Hauptdrosselklappensensors Ka-
  ziehen und den Kabelbaumadapter [A] zwischen
                                               ab-

    belbaumverbinder und Hauptdrosselklappensensor
    anschließen.
•   Ein Digitalmultimeter [B] an den Kabelbaumadapterka-
    beln anschließen.
    Spezialwerkzeug -
             Adapter zur Drosselklappensensor-Einstellung:
                57001-1538

    Eingangsspannung für Hauptdrosselklappensensor
      Anschlüsse am Sensor
        Multimeter (+) → blaues Kabel
        Multimeter (–)→ braun/schwarzes Kabel

• Das Drosselklappengehäuses").
  des
       Drosselklappengehäuse einbauen (siehe "Einbau

• Dieund mit angeschlossenem Verbinder messen. Mo-
  tor
      Sensoreingangsspannung bei ausgeschaltetem

• Den Zündschalter einschalten.
    Eingangsspannung am Sensor
      Sollwert: 4,75 ∼ 5,25 V DC

• Den Zündschalter ausschalten.des zulässigen Bereichs,
  Liegt der Messwert außerhalb
    die Verkabelung überprüfen (siehe Schaltplan).
    Falls der Messwert in Ordnung ist, die Ausgangsspan-
    nung des Sensors prüfen.
KRAFTSTOFFANLAGE (DFI) 3-49
Hauptdrosselklappensensor (Servicecode 11)
Prüfung der Ausgangsspannung des
Hauptdrosselklappensensors
• Die Ausgangsspannung an der ECU genauso wie die Ein-
  gangsspannung messen.
     Digitalvoltmeter [A]
     Steckverbinder [B]
    Spezialwerkzeug -
             Nadeladaptersatz: 57001-1457

    Ausgangsspannung des Hauptdrosselklappensensors
      Anschlüsse an der ECU
       Multimeter (+) → gelb/weißes Kabel (Klemme 7)
       Multimeter (–) → braun/schwarzes Kabel (Klemme 28)

• Denrichtigestarten und warmlaufen lassen. der Leerlauf-
      Motor
• drehzahl prüfen. der Drosselklappe mit
  Die         Stellung

    Leerlaufdrehzahl
      Standard: 1.300 U/min
    Wenn die Leerlaufdrehzahl außerhalb des Sollwerts liegt,
    die Leerlaufdrehzahl einstellen (siehe "Einstellung der
    Leerlaufdrehzahl" im Kapitel "Regelmäßige Wartung").
•   Den Zündschalter ausschalten.
•   Die Ausgangsspannung bei ausgeschaltetem Motor und
    mit angeschlossenem Steckverbinder messen.
•   Den Zündschalter einschalten.
•   Die Ausgangsspannung messen, wenn die Drossel-
    klappe voll geöffnet oder vollständig geschlossen ist.
    Ausgangsspannung an der ECU
      Standard: 1,025 ∼ 1,055 V DC (mit Drosselklappe auf
                Leerlauf)
                 Ca. 4,22 ∼ 4,42 V DC (mit ganz geöffneter
                 Drosselklappe)

    Liegt die Ausgangsspannung innerhalb des Sollwerts,
    die Masseverbindung und Stromversorgung der ECU
    überprüfen (siehe "Prüfung der ECU-Stromversorgung").
    Sind Masseverbindung und Stromversorgung in Ord-
    nung, die ECU ersetzen.
    Liegt die Ausgangsspannung deutlich außerhalb des
    Sollwerts (beträgt z. B. die Spannung bei Unterbrechung
    der Verkabelung ca. 0 V), die Ausgangsspannung erneut
    am Verbinder des Sensors überprüfen.
3-50 KRAFTSTOFFANLAGE (DFI)
Hauptdrosselklappensensor (Servicecode 11)

• Den Verbinder des Hauptdrosselklappensensors Ka-
  ziehen und den Kabelbaumadapter [A] zwischen
                                               ab-

    belbaumverbinder und Hauptdrosselklappensensor
    anschließen.
•   Ein Digitalmultimeter [B] an den Kabelbaumadapterka-
    beln anschließen.
    Spezialwerkzeug -
             Adapter zur Drosselklappensensor-Einstellung:
                57001-1538

    Ausgangsspannung des Hauptdrosselklappensensors
      Anschlüsse am Sensor
       Multimeter (+) → gelb/weißes Kabel
       Multimeter (–)→ braun/schwarzes Kabel

• Dieund mit angeschlossenem Verbinder messen. Mo-
  tor
      Sensorausgangsspannung bei ausgeschaltetem

• Den Zündschalter einschalten. wenn die Drossel-
• Die Ausgangsspannung vollständig geschlossen ist.
  klappe voll geöffnet oder
                            messen,

    Ausgangsspannung am Sensor
      Standard: 1,025 ∼ 1,055 V DC (mit Drosselklappe auf
                Leerlauf)
                  Ca. 4,22 ∼ 4,42 V DC (mit ganz geöffneter
                  Drosselklappe)

                         VORSICHT
    Den Hauptdrosselklappensensor nicht ausbauen
    oder einstellen. Die Einstellung und der Einbau
    erfolgten bereits hochgenau im Werk.

• NachKabelbaumadapter entfernen. der Drosselklappe
  den
       Prüfung der Sensorspannung

    Falls der Messwert außerhalb des Sollwerts liegt, den Wi-
    derstand des Drosselklappensensors prüfen.
    Falls die Ausgangsspannung normal ist, die Verkabelung
    auf Durchgang überprüfen (siehe nächsten Schaltplan).
Widerstandsprüfung des Hauptdrosselklap-
pensensors
• Den Zündschalter ausschalten.
• Den Verbinder des Hauptdrosselklappensensors abzie-
  hen.
• Ein Digitalmultimeteranschließen. des Hauptdrossel-
  klappensensors [B]
                        [A] am Verbinder

• Den Widerstand des Hauptdrosselklappensensors mes-
  sen.
    Widerstand des Hauptdrosselklappensensors
                    blaues Kabel [C] ←→ braun/schwarzes
     Anschlüsse:
                    Kabel [D]
      Standard:      Ca. 5 kΩ
    Liegt der Messwert außerhalb des Sollwerts, das Dros-
    selklappengehäuse ersetzen (siehe "Ausbau/Einbau des
    Drosselklappengehäuses").
    Liegt der Messwert innerhalb des Sollwerts, obwohl das
    Problem nicht beseitigt ist, die ECU ersetzen (siehe "Aus-
    bau/Einbau der ECU").
KRAFTSTOFFANLAGE (DFI) 3-51
Hauptdrosselklappensensor (Servicecode 11)
Schaltkreis des Hauptdrosselklappensensors




  1. ECU
  2. Hauptdrosselklappensensor
  3. Teillastsensor
3-52 KRAFTSTOFFANLAGE (DFI)
Ansaugluftdrucksensor (Servicecode 12)
                     VORSICHT
 Den Sensor keinesfalls fallen lassen, besonders
 nicht auf harten Boden. Fall oder Stoß kann das
 Teil beschädigen.

Ausbau des Ansaugluftdrucksensors
• Den Zündschalter ausschalten. "Ausbau des Luftfil-
• Den Kraftstofftank aufstellen (siehe
  tergehäuses").
• Ausbauen: [A] des Ansaugluftdrucksensors
   Steckverbinder
  Ansaugluftdrucksensor [B]
  Unterdruckschlauch [C]



Einbau des Ansaugluftdrucksensors
• Folgende Teile einbauen:
    Unterdruckschlauch [A]
• Den Gummidämpfer Luftfiltergehäuse einpassen. [C]
  in den Schlitz [D] im
                        [B] des Ansaugluftdrucksensors

• Den Steckverbinder anschließen.


Prüfung der Eingangsspannung des
Ansaugluftdrucksensors
                    ANMERKUNG
 ○Die Batterie muss voll aufgeladen sein.
 ○Die Überprüfung erfolgt auf gleiche Weise
                                          wie die
   “Überprüfung der Eingangsspannung” des Drossel-
   klappen- und Umgebungsdrucksensors.

• DenECU ausbauenausschalten. der ECU"). Die ECU
       Zündschalter
• -Steckverbinder nicht abziehen.
  Die                 (siehe "Ausbau

• Ein Digitalvoltmeter [A] mit dem Nadeladaptersatz am
  Verbinder [B] anschließen.
 Spezialwerkzeug -
          Nadeladaptersatz: 57001-1457

 Eingangsspannung des Ansaugluftdrucksensors
   Anschlüsse an der ECU
     Multimeter (+) → blaues Kabel (Klemme 10)
     Multimeter (–) → braun/schwarzes Kabel (Klemme 28)

• Die angeschlossenen Verbindern messen. Motor und
  mit
      Eingangsspannung bei ausgeschaltetem

• Den Zündschalter einschalten.
 Eingangsspannung an der ECU
   Standard: 4,75 ∼ 5,25 V DC
 Liegt der Messwert unterhalb des Sollwerts, die Masse-
 verbindung und Stromversorgung der ECU prüfen (siehe
 "Prüfung der ECU-Stromversorgung"). Sind Massever-
 bindung und Stromversorgung in Ordnung, die ECU er-
 setzen (siehe "Ausbau/Einbau der ECU").
KRAFTSTOFFANLAGE (DFI) 3-53
Ansaugluftdrucksensor (Servicecode 12)
    Wenn der Messwert im zulässigen Bereich liegt, die Ein-
    gangsspannung am Verbinder des Sensors kontrollieren.
•   Den Verbinder des Ansaugluftdrucksensors abziehen
    und den Kabelbaumadapter [A] zwischen Hilfskabel-
    baumverbinder und dem Verbinder des Ansaugluftdruck-
    sensors anschließen.
•   Ein Digitalmultimeter [B] an den Kabelbaumadapterka-
    beln anschließen.
    Spezialwerkzeug -
             Sensor-Kabelbaumadapter: 57001-1561

    Eingangsspannung des Ansaugluftdrucksensors
      Anschlüsse am Sensor
        Multimeter (+) → blaues Kabel [C]
        Multimeter (–) → braun/schwarzes Kabel [D]

• Die Eingangsspannung bei gestopptem Motor messen.
• Den Zündschalter einschalten.
    Eingangsspannung am Sensorverbinder
      Standard: 4,75 ∼ 5,25 V DC
    Liegt der Messwert außerhalb des Sollwerts, die Verka-
    belung überprüfen (siehe Schaltplan).
    Wenn der Messwert in Ordnung ist, ist die Eingangsspan-
    nung normal. Die Ausgangsspannung prüfen.
•   Den Zündschalter ausschalten.
Prüfung der Ausgangsspannung des
Ansaugluftdrucksensors
• Die Ausgangsspannung an der ECU genauso wie die Ein-
  gangsspannung messen.
    Ausgangsspannung des Ansaugluftdrucksensors
      Anschlüsse an der ECU
       Multimeter (+) → gelb/blaues Kabel (Klemme 8)
       Multimeter (–) → braun/schwarzes Kabel (Klemme 28)

    Ausgangsspannung an der ECU
      Nutzbarer    3,80 ∼ 4,20 V DC bei normalem
      Bereich:     Umgebungsdruck (101,32 kPa, 76
                   cmHg abs.)

                       ANMERKUNG
    ○Die Ausgangsspannung ändert sich entsprechend dem
     örtlichen Luftdruck.
    ○Die Ausgangsspannung des Ansaugluftdrucksensors
     basiert auf dem nahezu perfekten Unterdruck in der
     kleinen Druckkammer des Sensors. Daher zeigt der
     Sensor den absoluten Unterdruck an.
    Liegt die Ausgangsspannung innerhalb des Sollwerts, die
    Masseverbindung und die Stromversorgung der ECU prü-
    fen (siehe "Prüfung der ECU-Stromversorgung"). Sind
    Masseverbindung und Stromversorgung in Ordnung, die
    ECU ersetzen (siehe "Ausbau/Einbau der ECU").
3-54 KRAFTSTOFFANLAGE (DFI)
Ansaugluftdrucksensor (Servicecode 12)
    Liegt die Ausgangsspannung deutlich außerhalb des
    Sollwerts (z. B. beträgt bei Unterbrechung der Verkabe-
    lung die Spannung ca. 1,8 V), die Ausgangsspannung
    am Sensorverbinder [A] erneut kontrollieren.
•   Ein Digitalmultimeter an dem Verbinder für die Kabelbau-
    madapterkabel anschließen.
      Ansaugluftdrucksensor [B]
    Spezialwerkzeug -
             Sensor-Kabelbaumadapter: 57001-1561

    Ausgangsspannung des Ansaugluftdrucksensors
      Anschlüsse am Sensor
       Multimeter (+) → gelb/blaues Kabel [C]
       Multimeter (–) → braun/schwarzes Kabel [D]

    Ausgangsspannung am Sensor-Steckverbinder
      Nutzbarer    3,80 ∼ 4,20 V DC bei normalem
      Bereich:     Umgebungsdruck (101,32 kPa, 76
                   cmHg abs.)
    Falls die Ausgangsspannung normal ist, die Verkabelung
    auf Durchgang überprüfen.
    Liegt die Ausgangsspannung außerhalb des Sollwerts,
    den Sensor austauschen.
•   Den Zündschalter ausschalten.
•   Den Adapter vom Sensor-Kabelbaum entfernen.
Schaltkreis des Ansaugluftdrucksensors




     1. ECU
     2. Ansaugluftdrucksensor

    Falls der Ansaugluftdrucksensor bei einem anderen Un-
    terdruck als 76 cmHg (abs.) geprüft werden muss, die
    Ausgangsspannung wie folgt kontrollieren.
KRAFTSTOFFANLAGE (DFI) 3-55
Ansaugluftdrucksensor (Servicecode 12)

• Den Ansaugluftdrucksensorabziehen. und den Unter-
  druckschlauch vom Sensor
                           [A] abbauen

○Den Verbinder für den Sensor nicht abziehen.
• Einen Zubehörschlauch [B] am Ansaugluftdrucksensor
  anschließen.
• Den handelsübliches Digitalmultimeter [C], die Unter-
○Ein
      Ansaugluftdrucksensor provisorisch einbauen.

 druckanzeige [D] und den Gabelölstandsanzeige [E] am
 Ansaugluftdrucksensor anschließen.
 Spezialwerkzeuge -
          Gabelölstand-Messgerät: 57001-1290
          Sensor-Kabelbaumadapter: 57001-1561

 Ausgangsspannungsanschluss für Ansaugluftdrucksen-
 sor
   Multimeter (+) → gelb/blaues Kabel
    Multimeter (–) → braun/schwarzes Kabel
○Den Zündschalter einschalten.
○Den Griff des Gabelölstand-Messgeräts pumpen und die
 Ausgangsspannung des Ansaugluftdrucksensors bei ver-
 schiedenen Unterdruckwerten messen.
○Die Ausgangsspannung des Ansaugluftdrucksensors mit
 folgender Formel und Tabelle prüfen.
Annahme:
 Pg: Unterdruck (Manometer) des Drosselklappengehäu-
      ses
  Pl: Örtlicher Umgebungsdruck (Absolutdruck) gemessen
      mit einem Barometer
 Pv: Unterdruck (absolut) des Drosselklappengehäuses
 Vv: Sensor-Ausgangsspannung (V)
dann gilt
 Pv = Pl – Pg
Beispiel: Es werden folgende Daten angezeigt:
Pg = 8 cmHg (Messwert des Unterdruckmanometers)
 Pl = 70 cmHg (Messwert des Barometers)
Vv = 3,2 V (Anzeige des Digitalmultimeters)
dann gilt
 Pv = 70 – 8 = 62 cmHg (abs.)
Diesen Wert Pv (62 cmHg) als Punkt [1] in die Tabelle ein-
tragen und eine vertikale Linie durch diesen Punkt ziehen.
Daraus ergibt sich der nutzbare Bereich [2] für die Sensor-
ausgangsspannung.
   Nutzbarer Bereich = 3,08 ∼ 3,48 V
Den Wert Vv (3,2 V) auf die vertikale Linie eintragen. →
Punkt [3].
Ergebnisse: In der Abbildung liegt Vv im nutzbaren Be-
reich, und der Sensor funktioniert normal.
3-56 KRAFTSTOFFANLAGE (DFI)
Ansaugluftdrucksensor (Servicecode 12)




 ID: Leerlauf
Ps: Standard-Umgebungsdruck (Absolutdruck)
Pv: Drosselklappenunterdruck (Absolutdruck)
ST: Sollwert der Sensor-Ausgangsspannung (V)
TO: Drosselklappe voll geöffnet
UR: Nutzbarer Bereich der Sensor-Ausgangsspannung (V)
Vv: Ausgangsspannung des Ansaugluftdrucksensors (V) (Anzeige des Digitalmultimeters)
KRAFTSTOFFANLAGE (DFI) 3-57
Ansaugluft-Temperatursensor (Servicecode 13)
Ausbau/Einbau des Ansaugluft
-Temperatursensors
                       VORSICHT
 Den Sensor keinesfalls fallen lassen, besonders
 nicht auf harten Boden. Fall oder Stoß kann den
 Sensor beschädigen.

• Den Kraftstofftank aufstellen (siehe "Ausbau des Luftfil-
  tergehäuses").
• Den Verbinder [A] vom Ansaugluft-Temperatursensor ab-
  ziehen.
• Den Ansaugluft-Temperatursensor [B] herausziehen.
• Deneinbauen.
  [B]
       Ansaugluft-Temperatursensor [A] in der Schutzhülle




Prüfung der Ausgangsspannung des
Ansauglufttemperatursensors
                      ANMERKUNG
 ○Die Batterie muss voll aufgeladen sein.
• Die ECU ausbauen (siehe "Ausbau der ECU"). Die ECU
  -Steckverbinder nicht abziehen.
• Ein Digitalvoltmeter [A] mit dem Nadeladaptersatz [B] am
  ECU-Verbinder anschließen.
 Spezialwerkzeug -
          Nadeladaptersatz: 57001-1457

 Ausgangsspannung des Ansaugluft-Temperatursensors
   Anschlüsse an den ECU-Steckverbinder
    Multimeter (+) → gelbes Kabel (Klemme 26)
    Multimeter (–) → braun/schwarzes Kabel (Klemme 28)

• Dieund mit angeschlossenem Verbinder messen. Mo-
  tor
      Sensorausgangsspannung bei ausgeschaltetem

• Den Zündschalter einschalten.
 Ausgangsspannung an der ECU
   Standard: Ca. 2,25 ∼ 2,50 V bei einer
             Ansauglufttemperatur von 20°C

                      ANMERKUNG
 ○Die Ausgangsspannung ändert sich entsprechend der
   Ansauglufttemperatur.

• Den Zündschalter ausschalten.
3-58 KRAFTSTOFFANLAGE (DFI)
Ansaugluft-Temperatursensor (Servicecode 13)
    Liegt die Ausgangsspannung außerhalb des Sollwerts,
    die Masseverbindung und die Stromversorgung der ECU
    prüfen (siehe "Prüfung der ECU-Stromversorgung").
    Sind Masseverbindung und Stromversorgung in Ord-
    nung, die ECU ersetzen (siehe "Ausbau/Einbau der
    ECU").
    Liegt die Ausgangsspannung deutlich außerhalb des
    Standardbereichs (beträgt z. B. die Spannung bei Unter-
    brechung der Verkabelung ca. 5,0 V), die Verkabelung
    überprüfen.
•   Den Nadeladaptersatz entfernen, und Silikondichtmittel
    auf die Dichtungen der Verbinder auftragen, um sie was-
    serfest zu machen.
    Dichtmittel -
              Kawasaki Bond (Silikondichtmittel): 56019-120
    Wenn die Verkabelung in Ordnung ist, den Widerstand
    des Sensors prüfen.
Prüfung des Widerstands des Ansaugluft
-Temperatursensors
• Den Ansaugluft-Temperatursensor ausbauen (siehe
  "Ausbau des Ansaugluft-Temperatursensors").
• Den Sensor [A] in einen Behälter mit Maschinenöl hän-
  gen, so dass der Temperaturmessfühler darin eintaucht.
• Ein Thermometergleicheraufhängen,dem Sensor ist.
  terspitze [C] auf
                    [B] so
                           Höhe mit
                                    dass die Thermome-

                        ANMERKUNG
    ○Sensor und Thermometer dürfen weder die Wand noch
     den Boden des Behälters berühren.

• Den Behälter auf eine Wärmequelle platzieren und lang-
  sam die Öltemperatur erhöhen. Das Öl umrühren, um
    eine gleichmäßige Temperaturverteilung zu gewährleis-
    ten.
•   Mit einem Digitalmultimeter den internen Widerstand des
    Sensors zwischen den Klemmen bei den in der Tabelle
    angegebenen Temperaturen messen.
    Widerstand des Ansaugluft-Temperatursensors
     Standard: 2,09 ∼ 2,81 kΩ bei 20°C
                 Ca. 0,322 kΩ (bei 80°C) (Bezugswert)
    Falls die Messwerte nicht den Vorgaben entsprechen,
    den Sensor ersetzen.
    Liegt der Messwert innerhalb des Sollwerts, die ECU er-
    setzen (siehe "Ausbau/Einbau der ECU").
KRAFTSTOFFANLAGE (DFI) 3-59
Ansaugluft-Temperatursensor (Servicecode 13)
Schaltkreis des Ansaugluft-Temperatursensors




  1. ECU
  2. Ansaugluft-Temperatursensor
3-60 KRAFTSTOFFANLAGE (DFI)
Wassertemperatursensor (Servicecode 14)
Ausbau/Einbau des Wassertemperatursensors
                        VORSICHT
    Den Sensor keinesfalls fallen lassen, besonders
    nicht auf harten Boden. Fall oder Stoß kann den
    Sensor beschädigen.

• Die Kühlflüssigkeit ablassen (siehe "Wechsel der Kühl-
  flüssigkeit" im Kapitel "Regelmäßige Wartung").
• Das Drosselklappengehäuses").
  des
        Drosselklappengehäuse ausbauen (siehe "Ausbau

• Ausbauen:
    Verbinder
     Gummi-Wärmedämmung
     Wassertemperatursensor [A]
•   Die Dichtung durch eine neue ersetzen.
•   Silikondichtmittel auf die Gewindegänge des Wassertem-
    peratursensors auftragen und festziehen.
    Dichtmittel -
              Kawasaki Bond (Silikondichtmittel): 56019-120
    Anzugsmoment -
           Wassertemperatursensor: 25 N·m (2,5 kgf·m)
• Den Motor mit Kühlflüssigkeit füllen und das Kühlsystem
  entlüften (siehe "Auffüllen der Kühlflüssigkeit" im Kapitel
    "Kühlsystem").
Prüfung der Ausgangsspannung des
Wassertemperatursensors
                        ANMERKUNG
    ○Die Batterie muss voll aufgeladen sein.
• Die ECU ausbauen (siehe "Ausbau der ECU"). Die Steck-
  verbinder nicht abklemmen.

• Einden ECU-Verbinder mit anschließen.
  an
      Digitalvoltmeter [A]
                           [B]
                               Hilfe des Nadeladaptersatzes

    Spezialwerkzeug -
             Nadeladaptersatz: 57001-1457

    Ausgangsspannung des Wassertemperatursensors
      Anschlüsse an der ECU
       Multimeter (+) → orangefarbenes Kabel (Klemme 9)
       Multimeter (–) → braun/schwarzes Kabel (Klemme 28)

• Dieund mit angeschlossenem Verbinder messen. Mo-
  tor
      Sensorausgangsspannung bei ausgeschaltetem

• Den Zündschalter einschalten.
    Ausgangsspannung an der ECU
      Standard: Ca. 2,80 ∼ 2,97 V bei 20°C

                        ANMERKUNG
    ○Die Ausgangsspannung ändert sich entsprechend der
     Kühlflüssigkeitstemperatur im Motor.
KRAFTSTOFFANLAGE (DFI) 3-61
Wassertemperatursensor (Servicecode 14)

• Den Zündschalter ausschalten.außerhalb des Sollwerts,
  Liegt die Ausgangsspannung
    die Masseverbindung und die Stromversorgung der ECU
    prüfen (siehe "Prüfung der ECU-Stromversorgung").
    Sind Masseverbindung und Stromversorgung in Ord-
    nung, die ECU ersetzen (siehe "Ausbau/Einbau der
    ECU").
    Liegt die Ausgangsspannung deutlich außerhalb des
    Standardbereichs (beträgt z. B. die Spannung bei Un-
    terbrechung der Verkabelung ca. 5 V), die Verkabelung
    überprüfen.
    Falls die Verkabelung in Ordnung ist, den Widerstand des
    Wassertemperatursensors prüfen.
•   Den Nadeladaptersatz entfernen, und Silikondichtmittel
    auf die Dichtungen der Verbinder auftragen, um sie was-
    serfest zu machen.
    Dichtmittel -
              Kawasaki Bond (Silikondichtmittel): 56019-120

Schaltkreis des Wassertemperatursensors




     1. ECU
     2. Instrumenteneinheit
     3. Wassertemperatursensor
Prüfung des Wassertemperatursensor
-Widerstands
• Den Wassertemperatursensor ausbauen (siehe "Aus-
  bau/Einbau des Wassertemperatursensors").
• Hinweiseim Kapitel "Elektrik".
  den Sie
           zur Prüfung des Wassertemperatursensors fin-
3-62 KRAFTSTOFFANLAGE (DFI)
Umgebungsdrucksensor (Servicecode 15)
                    VORSICHT
 Den Sensor keinesfalls fallen lassen, besonders
 nicht auf harten Boden. Fall oder Stoß kann den
 Sensor beschädigen.

Ausbau des Umgebungsdrucksensors
• Den Zündschalter ausschalten.
• Ausbauen: "Ausbau des Sitzes" im Kapitel "Rahmen")
   Sitz (siehe
  Verbinder des Umgebungsdrucksensors [A]
  Umgebungsdrucksensors [B] mit Dämpfer




Einbau des Umgebungsdrucksensors
• Den Dämpfer [A] des Umgebungsdrucksensors in das
  Loch [B] in der Trägerplatte einsetzen.
KRAFTSTOFFANLAGE (DFI) 3-63
Umgebungsdrucksensor (Servicecode 15)
Prüfung der Eingangsspannung des
Umgebungsdrucksensors
                    ANMERKUNG
 ○Die Batterie muss voll aufgeladen sein.
 ○Die Überprüfung erfolgt auf gleiche Weise
                                          wie die
   “Überprüfung der Eingangsspannung” des Drossel-
   klappen- und Ansaugluftdrucksensors.

• DenECU ausbauenausschalten. der ECU"). Die ECU
       Zündschalter
• Die                 (siehe "Ausbau
  -Steckverbinder nicht abziehen.
• Ein Digitalvoltmeter [A] mit dem Nadeladaptersatz am
  Verbinder [B] anschließen.
 Spezialwerkzeug -
          Nadeladaptersatz: 57001-1457

 Eingangsspannung des Umgebungsdrucksensors
   Anschlüsse an der ECU
     Multimeter (+) → blaues Kabel (Klemme 10)
     Multimeter (–) → braun/schwarzes Kabel (Klemme 28)

• Die angeschlossenen Verbindern messen. Motor und
  mit
      Eingangsspannung bei ausgeschaltetem

• Den Zündschalter einschalten.
 Eingangsspannung an der ECU
   Standard: 4,75 ∼ 5,25 V DC
 Liegt der Messwert der Eingangsspannung unter-
 halb des Sollwerts, die Masseverbindung und Strom-
 versorgung der ECU prüfen (siehe "Prüfung der
 ECU-Stromversorgung"). Sind Masseverbindung und
 Stromversorgung in Ordnung, die ECU ersetzen (siehe
 "Ausbau/Einbau der ECU").
3-64 KRAFTSTOFFANLAGE (DFI)
Umgebungsdrucksensor (Servicecode 15)
    Falls der Messwert innerhalb des Sollwerts liegt, die Ein-
    gangsspannung am Verbinder des Sensors kontrollieren.
•   Die Sitzabdeckung ausbauen (siehe "Ausbau der Sitzab-
    deckung" im Kapitel "Rahmen").
•   Den Verbinder des Umgebungsdrucksensors abziehen
    und den Kabelbaumadapter [A] zwischen dem Hauptka-
    belbaumverbinder und dem Verbinder des Umgebungs-
    drucksensors anschließen.
•   Ein Digitalmultimeter an dem Verbinder für die Kabelbau-
    madapterkabel anschließen.
     Umgebungsdrucksensor [B]
    Spezialwerkzeug -
             Sensor-Kabelbaumadapter: 57001-1561

    Eingangsspannung des Umgebungsdrucksensors
      Anschlüsse am Sensor
        Multimeter (+) → blaues Kabel [C]
        Multimeter (–) → braun/schwarzes Kabel [D]

• Die angeschlossenem Verbinder messen. Motor und
  mit
      Eingangsspannung bei ausgeschaltetem

• Den Zündschalter einschalten.
    Eingangsspannung am Sensorverbinder
      Standard: 4,75 ∼ 5,25 V DC
    Liegt der Messwert außerhalb des Sollwerts, die Verka-
    belung überprüfen (siehe Schaltplan).
    Wenn der Messwert in Ordnung ist, ist die Eingangsspan-
    nung normal. Die Ausgangsspannung prüfen.
•   Den Zündschalter ausschalten.
Prüfung der Ausgangsspannung des
Umgebungsdrucksensors
• Die Ausgangsspannung an der ECU genauso wie die Ein-
  gangsspannung messen.
     Digitalmultimeter [A]
     ECU-Verbinder [B]
    Ausgangsspannung des Umgebungsdrucksensors
      Anschlüsse an der ECU
       Multimeter (+) → grün/weißes Kabel (Klemme 25)
       Multimeter (–) → braun/schwarzes Kabel (Klemme 28)

    Ausgangsspannung
      Nutzbarer    3,80 ∼ 4,20 V DC bei normalem
      Bereich:     Umgebungsdruck (101,32 kPa, 76
                   cmHg abs.)

                        ANMERKUNG
    ○Die Ausgangsspannung ändert sich entsprechend dem
     örtlichen Luftdruck.
    ○Die Ausgangsspannung des Umgebungsdrucksensors
     basiert auf dem nahezu perfekten Unterdruck in der
     kleinen Druckkammer des Sensors. Daher zeigt der
     Sensor den absoluten atmosphärischen Druck an.
    Liegt die Ausgangsspannung innerhalb des Sollwerts, die
    Masseverbindung und die Stromversorgung der ECU prü-
    fen (siehe "Prüfung der ECU-Stromversorgung"). Sind
    Masseverbindung und Stromversorgung in Ordnung, die
    ECU ersetzen (siehe "Ausbau/Einbau der ECU").
KRAFTSTOFFANLAGE (DFI) 3-65
Umgebungsdrucksensor (Servicecode 15)
    Liegt die Ausgangsspannung deutlich außerhalb des
    Sollwerts (z. B. beträgt bei Unterbrechung der Verkabe-
    lung die Spannung ca. 1,8 V), die Ausgangsspannung
    am Sensorverbinder [A] kontrollieren.
•   Ein Digitalmultimeter an dem Verbinder für die Kabelbau-
    madapterkabel anschließen.
      Umgebungsdrucksensor [B]
    Spezialwerkzeug -
             Sensor-Kabelbaumadapter: 57001-1561

    Ausgangsspannung des Umgebungsdrucksensors
      Anschlüsse am Sensor
       Multimeter (+) → gelb/weißes Kabel [C]
       Multimeter (–) → braun/schwarzes Kabel [D]

    Ausgangsspannung am Sensor
      Nutzbarer    3,80 ∼ 4,20 V DC bei normalem
      Bereich:     Umgebungsdruck (101,32 kPa, 76
                   cmHg abs.)
    Falls die Ausgangsspannung normal ist, die Verkabelung
    auf Durchgang überprüfen.
    Liegt die Ausgangsspannung außerhalb des Sollwerts,
    den Sensor austauschen.
Schaltkreis des Umgebungsdrucksensors




     1. ECU
     2. Umgebungsdrucksensor

 Falls der Umgebungsdrucksensor für verschiedene Hö-
 hen über Meereshöhe geprüft werden soll, die Ausgangs-
 spannung wie folgt prüfen:
○Die Höhe (über NN) bestimmen.
3-66 KRAFTSTOFFANLAGE (DFI)
Umgebungsdrucksensor (Servicecode 15)
 Wenn Sie den atmosphärischen Luftdruck mit einem
 Barometer bestimmen, können Sie diesen Wert für den
 Drosselklappenunterdruck anstelle des Werts verwen-
 den, der in der Tabelle für den Ansaugluftdrucksensor
 angegeben ist (siehe Abschnitt "Ansaugluftdrucksen-
 sor"). Den nutzbaren Bereich für die Ausgangsspannung
 des Umgebungsdrucksensors nachschlagen und auf die-
 selbe Weise wie bei der Prüfung der Ausgangsspannung
 des Ansaugluftdrucksensors prüfen, ob die Ausgangs-
 spannung innerhalb des Sollwerts liegt.
 Wenn die Höhe über NN bekannt ist, das folgende Dia-
 gramm verwenden.
Zusammenhang zwischen atmosphärischem Luftdruck/Höhe über NN.
KRAFTSTOFFANLAGE (DFI) 3-67
Kurbelwellensensor (Servicecode 21)
Ausbau/Einbau des Kurbelwellensensors
• Siehe die Anweisungen zu Ausbau/Einbau des Kurbel-
  wellensensors im Kapitel Elektrik (siehe "Ausbau/Einbau
    des Kurbelwellensensors" im Kapitel "Elektrik").
Prüfung des Kurbelwellensensors
○Der Kurbelwellensensor hat keine eigene Stromversor-
    gung, und wenn der Motor stoppt, erzeugt der Kurbelwel-
    lensensor kein Signal.
•   Den Motor durchdrehen und zur Kontrolle des Kurbel-
    wellensensors dessen Spitzenspannung messen (siehe
    "Prüfung der Spitzenspannung am Kurbelwellensensor"
    im Kapitel "Elektrik").
•   Die Verkabelung auf Durchgang prüfen.
Schaltkreis des Kurbelwellensensors




     1. ECU
     2. Kurbelwellensensor
3-68 KRAFTSTOFFANLAGE (DFI)
Nockenwellensensor (Servicecode 23)
Ausbau/Einbau des Nockenwellensensors
  Der Nockenwellensensor erkennt die Position der No-
ckenwelle und die einzelnen Zylinder.
• Siehe die Anweisungen zu Ausbau/Einbau des Nocken-
  wellenpositionssensors im Kapitel Elektrik (siehe "Aus-
  bau/Einbau des Nockenwellenpositionssensors" im Kapi-
  tel "Elektrik").
Prüfung des Nockenwellenpositionssensors
○Der Nockenwellensensor hat keine eigene Stromversor-
    gung, und wenn der Motor stoppt, erzeugt der Nocken-
    wellensensor kein Signal.
•   Den Motor durchdrehen und zur Kontrolle des No-
    ckenwellenpositionssensors dessen Spitzenspannung
    messen (siehe "Prüfung der Spitzenspannung am No-
    ckenwellenpositionssensor" im Kapitel "Elektrik").
•   Die Verkabelung auf Durchgang prüfen.
Schaltkreis des Nockenwellenpositionssensors




     1. ECU
     2. Nockenwellenpositionssensor
KRAFTSTOFFANLAGE (DFI) 3-69
Drehzahlsensor (Servicecode 24)
Ausbau/Einbau des Drehzahlsensors
• Siehe "Ausbau/Einbau des Drehzahlsensors" im Kapitel
  "Elektrik".
Prüfung des Drehzahlsensors
• Siehe "Prüfung des Drehzahlsensors" im Kapitel "Elek-
  trik".
Prüfung der Eingangsspannung des
Drehzahlsensors
                       ANMERKUNG
    ○Die Batterie muss voll aufgeladen sein.
• Den Zündschalter ausschalten. "Ausbau des Luftfil-
• Den Kraftstofftank aufstellen (siehe
  tergehäuses").
• Den Verbinder des [A] zwischen Kabelbaumverbinderden
  Kabelbaumadapter
                      Drehzahlsensors abziehen und
                                                    [B]
    und Verbinder des Drehzahlsensors [C] anschließen.
•   Ein Digitalmultimeter an dem Verbinder für die Kabelbau-
    madapterkabel anschließen.
    Spezialwerkzeug -
             Adapter zur Drosselklappensensor-Einstellung
                Nr. 1: 57001-1400
    Eingangsspannung des Drehzahlsensors
        Verbinder zum Sensor
          Multimeter (+) → rosa Kabel [C]
          Multimeter (−) → schwarz/gelbes Kabel [D]

• Dieund mit angeschlossenem Verbinder messen. Mo-
  tor
      Sensoreingangsspannung bei ausgeschaltetem

• Den Zündschalter einschalten.
    Eingangsspannung am Sensor
      Standard: Ca. 9 ∼ 11 V DC
    Liegt der Messwert außerhalb des Sollwerts, die Verkabe-
    lung (siehe Schaltplan) und den Instrumentenblock (siehe
    "Prüfung der elektronischen Kombi-Instrumenteneinheit"
    im Kapitel "Elektrik") überprüfen.
    Wenn die Anzeige in Ordnung ist, die Ausgangsspannung
    kontrollieren.
•   Den Zündschalter ausschalten.
Prüfung der Ausgangsspannung des
Drehzahlsensors
• Vor Beginn Abschnitt "Prüfung Eingangsspannung prüfen
  (siehe den
             dieser Prüfung, die
                                 der Eingangsspannung").
                       ANMERKUNG
    ○Die Batterie muss voll aufgeladen sein.
• Den Zündschalter ausschalten.
3-70 KRAFTSTOFFANLAGE (DFI)
Drehzahlsensor (Servicecode 24)

• Den Verbinder des [A] zwischen Kabelbaumverbinderden
  Kabelbaumadapter
                     Drehzahlsensors abziehen und
                                                    [B]
    und Verbinder des Drehzahlsensors [C] anschließen.
•   Ein Digitalmultimeter an dem Verbinder für die Kabelbau-
    madapterkabel anschließen.
    Spezialwerkzeug -
             Adapter zur Drosselklappensensor-Einstellung
                Nr. 1: 57001-1400
    Ausgangsspannung des Drehzahlsensors
       Anschlüsse am Sensor
         Multimeter (+) → gelbes Kabel [C]
         Multimeter (–) → schwarz/gelbes Kabel [D]

• Dieund mit angeschlossenem Verbinder messen. Mo-
  tor
      Sensorausgangsspannung bei ausgeschaltetem

• Den Zündschalter einschalten.
    Ausgangsspannung am Sensor
      Standard: Ca. 0,05 ∼ 0,07 V DC

                       ANMERKUNG
    ○Wird die Antriebswelle gedreht, muss die Ausgangs-
     spannung ansteigen.
    Liegt der Messwert außerhalb des Sollwerts, den Dreh-
    zahlsensor (siehe "Prüfung des Drehzahlsensors" im Ka-
    pitel "Elektrik") und die Verkabelung zur ECU überprüfen
    (siehe Schaltplan).
    Sind die Messwerte, der Drehzahlsensor und die Ver-
    kabelung einwandfrei, die ECU ersetzen (siehe "Aus-
    bau/Einbau der ECU").
Schaltkreis des Drehzahlsensors




     1. ECU
     2. Instrumenteneinheit
     3. Drehzahlsensor
     4. Rahmenmasse
     5. Batterie 12 V 8 Ah
KRAFTSTOFFANLAGE (DFI) 3-71
Gangpositionsschalter (Servicecode 25)
Ausbau/Einbau des Gangpositionsschalters
• Siehe die Anweisungen zuElektrik (siehe "Ausbau/Einbau
  sitionsschalters im Kapitel
                              Ausbau/Einbau des Gangpo-

 des Gangpositionsschalters" im Kapitel "Elektrik").
Prüfung des Gangpositionsschalters
• Siehe dieim Kapitel Elektrik (siehe "Prüfung des Gangpo-
  schalters
            Anweisungen zur Prüfung des Gangpositions-

 sitionsschalters" im Kapitel "Elektrik").
Prüfung der Eingangsspannung des
Gangpositionsschalters
                      ANMERKUNG
 ○Die Batterie muss voll aufgeladen sein.
• DenECU ausbauenausschalten. der ECU").
       Zündschalter
• Die ECU-Steckverbinder nicht abziehen.
○
  Die                 (siehe "Ausbau

• Ein Digitalmultimeter [A] mit dem Nadeladaptersatz am
  Verbinder [B] anschließen.
 Spezialwerkzeug -
          Nadeladaptersatz: 57001-1457

 Eingangsspannung des Gangpositionsschalters in der 1.
 ∼ 6. Getriebegangposition
   Anschlüsse an den ECU-Steckverbinder
      Multimeter (+) → weiß/gelbes Kabel (Klemme 53)
      Multimeter (–) → Motormasse

• Die Schalter-EingangsspannungVerbinder messen.
  Motor und mit angeschlossenem
                                bei ausgeschaltetem

• Den Zündschalter einschalten.
 Eingangsspannung in der 1. ∼ 6. Getriebegangposition
   Standard:
      1. Gang        Ca. 3,0 V
      2. Gang        Ca. 2,5 V
      3. Gang        Ca. 2,0 V
      4. Gang        Ca. 1,5 V
      5. Gang        Ca. 1,1 V
      6. Gang        Ca. 0,7 V

• Den Zündschalter ausschalten.des Sollwerts, den Gang-
  Liegt der Messwert außerhalb
 positionsschalter überprüfen (siehe "Prüfung des Gang-
 positionsschalters" im Kapitel "Elektrik").
 Wenn der Schalter in Ordnung ist, den Masseanschluss
 und die Stromversorgung der ECU überprüfen (siehe
 "Prüfung der ECU-Stromversorgung").
 Sind Masseverbindung und Stromversorgung in Ord-
 nung, die ECU ersetzen (siehe "Ausbau der ECU").
3-72 KRAFTSTOFFANLAGE (DFI)
Gangpositionsschalter (Servicecode 25)
Schaltkreis des Gangpositionsschalters




  1. ECU
  2. Gangpositionsschalter
  3. Batterie 12 V 8 Ah
  4. Rahmenmasse
KRAFTSTOFFANLAGE (DFI) 3-73
Umkippsensor (Servicecode 31)
  Dieser Sensor besteht aus einem Gewicht [A] mit zwei in-
ternen Magneten, und sendet ein Signal an die ECU. Wenn
das Motorrad sich um mindestens 60 ∼ 70° nach einer Seite
neigt (d. h. umfällt), bewegt sich das Gewicht und unter-
bricht das Signal. Die ECU erkennt diese Änderung, und
schaltet die Kraftstoffpumpe, die Einspritzventile und die
Zündanlage ab.
    Hall IC [B]
  Wenn das Motorrad ausgegangen ist, steht der Zünd-
schalter noch auf ON. Wenn der Starterknopf gedrückt wird,
dreht der Elektrostarter durch, aber der Motor startet nicht.
Um den Motor erneut zu starten, das Motorrad anheben,
den Zündschalter in Stellung OFF, und dann wieder auf ON
drehen. Wenn der Zündschalter in Stellung ON steht, fließt
Strom durch den Verriegelungsstromkreis und der Transis-
tor im Stromkreis öffnet, um die Verriegelung aufzuheben.
    Umkippsensor [A]
    Masseklemme braun/schwarz [B]
    Ausgangsklemme gelb/grün [C]
    Stromversorgungsklemme schwarz [D]

Ausbau des Umkippsensors
                       VORSICHT
  Den Umkippsensor keinesfalls fallen lassen, be-
  sonders nicht auf harten Boden. Fall oder Stoß
  kann den Sensor beschädigen.

• Ausbauen: (siehe "Ausbau des Windschutzes" im Ka-
   Windschutz
   pitel "Rahmen")
   Gummiabdeckung [A]
   Steckverbinder [B]
   Schrauben [C]
   Umkippsensor [D] und Hülsen
Einbau des Umkippsensors
• Die Markierung UP [A] des Sensors muss nach oben zei-
  gen.
• Festziehen:
  Anzugsmoment -
         Schrauben des Umkippsensors: 5,9 N·m (0,60
           kgf·m)

                         ACHTUNG
  Ein falscher Einbau des Umkippsensors kann zu
  einem plötzlichen Verlust an Motorleistung führen.
  Der Fahrer kann in bestimmten Situationen, zum
  Beispiel bei Kurvenfahrten, die Balance verlieren,
  wodurch die Gefahr lebensgefährlicher Verletzun-
  gen besteht. Der Sensor muss fest in der Kraftstoff-
  tankhalterung sitzen.
3-74 KRAFTSTOFFANLAGE (DFI)
Umkippsensor (Servicecode 31)
Prüfung des Umkippsensors
                     ANMERKUNG
 ○Die Batterie muss voll aufgeladen sein.
• Ausbauen: (siehe "Ausbau des Windschutzes" im Ka-
   Windschutz
   pitel "Rahmen")
   Gummiabdeckung (aufstemmen)

• Ein Digitalvoltmeter [A] mit dem[B] anschließen. [C] am
  Verbinder des Umkippsensors
                                   Nadeladaptersatz

 Spezialwerkzeug -
          Nadeladaptersatz: 57001-1457

 Stromversorgungsspannung des Umkippsensors
   Anschlüsse am Sensor
     Multimeter (+) → blaues Kabel [D]
     Multimeter (–) → braun/schwarzes Kabel [E]

• Den Zündschalter in bei Stellung ON bringenVerbinder
  Ausgangsspannung
                      die
                          angeschlossenem
                                              und die

 messen.
 Stromversorgungsspannung am Sensor
   Standard: 4,75 ∼ 5,25 V DC

• Den Zündschalter ausschalten. ist, folgende Details
  Wenn keine Spannung vorhanden
 kontrollieren:
  Batterie (siehe "Prüfung des Ladezustandes" im Kapitel
  "Elektrik")
  ECU-Hauptrelais (siehe "Prüfung des Relaisschaltkrei-
  ses" im Kapitel "Elektrik")
  ECU-Sicherung 10 A (siehe "Prüfung der Sicherung" im
  Kapitel "Elektrik")
 Ist die Stromversorgung normal, die Ausgangsspannung
 prüfen.
KRAFTSTOFFANLAGE (DFI) 3-75
Umkippsensor (Servicecode 31)

• Den Zündschalter ausschalten."Ausbau des Umkippsen-
• Den Sensor ausbauen (siehe
  sors").
○Den Steckverbinder nicht abklemmen.
• Ein Digitalvoltmeter [A] mit dem Nadeladaptersatz [B] am
  Verbinder anschließen.
 Spezialwerkzeug -
          Nadeladaptersatz: 57001-1457

 Ausgangsspannung des Umkippsensors
   Anschlüsse am Sensor
    Multimeter (+) → gelb/grünes Kabel [C]
    Multimeter (–) → braun/schwarzes Kabel [D]

• Den Sensor vertikalinhalten.
• Den Zündschalter bei Stellung ON bringenVerbinder
  Ausgangsspannung
                        die
                             angeschlossenem
                                             und die

 messen.
○Den Sensor um 60 ∼ 70° oder mehr [E] nach rechts oder
 links kippen, dann den Sensor mit dem Pfeil nach oben
 fast vertikal halten und danach die Ausgangsspannung
 messen.
 Ausgangsspannung am Sensor
   Standard: Pfeilmarkierung am Sensor nach oben
             zeigend: 3,55 ∼ 4,45 V
               wenn der Sensor um 60 ∼ 70° oder mehr
               nach rechts oder links geneigt wird: 0,65
               ∼ 1,35 V

                      ANMERKUNG
 ○Muss    der Test wiederholt werden, den Zündschalter
   erst in die Stellung OFF und wieder auf ON drehen.

• Den Zündschalter ausschalten. und Silikondichtmittel
• Dendie Dichtungen der Verbinder auftragen, um sie was-
  auf
      Nadeladaptersatz entfernen,

 serfest zu machen.
 Dichtmittel -
           Kawasaki Bond (Silikondichtmittel): 56019-120
 Falls die Ausgangsspannung außerhalb des Sollwerts
 liegt, den Umkippsensor austauschen.
3-76 KRAFTSTOFFANLAGE (DFI)
Umkippsensor (Servicecode 31)
Schaltkreis des Umkippsensors




  1. ECU
  2. Umkippsensor
KRAFTSTOFFANLAGE (DFI) 3-77
Teillastsensor (Servicecode 32)
Ausbau/Einstellung des Teillastsensors
                         VORSICHT
    Den Teillastsensor [A] nicht ausbauen oder einstel-
    len. Er wurde bereits im Werk hochgenau einge-
    stellt und eingebaut.
    Das Drosselklappengehäuse niemals fallen lassen,
    besonders nicht auf harte Flächen. Fall oder Stoß
    kann den Sensor beschädigen.
     Verbinder für Teillastsensor [B]
Prüfung der Eingangsspannung am Teillastsensor
                        ANMERKUNG
    ○Die Batterie muss voll aufgeladen sein.
• DenECU ausbauenausschalten. der ECU"). Die ECU
       Zündschalter
• -Steckverbinder nicht abziehen.
  Die                (siehe "Ausbau


• Ein Digitalvoltmeter [A] mit dem Nadeladaptersatz am
  Verbinder [B] anschließen.
    Spezialwerkzeug -
             Nadeladaptersatz: 57001-1457

    Eingangsspannung am Teillastsensor
      Anschlüsse an den ECU-Steckverbinder
        Multimeter (+) → blaues Kabel (Klemme 10)
        Multimeter (–) → braun/schwarzes Kabel (Klemme 28)

• Die angeschlossenen Verbindern messen. Motor und
  mit
      Eingangsspannung bei ausgeschaltetem

• Den Zündschalter einschalten.
    Eingangsspannung am ECU-Verbinder
      Sollwert: 4,75 ∼ 5,25 V DC

• Den Zündschalter ausschalten.
  Liegt der Messwert der Eingangsspannung unterhalb des
    Sollwerts, die Masseverbindung und Stromversorgung
    der ECU und die Verkabelung auf Kurzschluss prüfen.
    Wenn die Eingangsspannung innerhalb des Sollwerts
    liegt, die Eingangsspannung am Verbinder des Teillast-
    sensors kontrollieren.
•   Ausbauen:
      Luftfiltergehäuse (siehe "Ausbau des Luftfiltergehäu-
      ses")
      Kraftstoffpumpen-Kabelverbinder (siehe "Ausbau des
      Kraftstofftanks")
3-78 KRAFTSTOFFANLAGE (DFI)
Teillastsensor (Servicecode 32)

• Den Verbinder des Teillastsensors [A] abziehen und den
  Kabelbaumadapter [B] zwischen Kabelbaumverbinder
    und Verbinder des Teillastsensors anschließen.
•   Ein Digitalmultimeter an dem Verbinder für die Kabelbau-
    madapterkabel anschließen.
    Spezialwerkzeug -
             Adapter zur Drosselklappensensor-Einstellung:
                57001-1538

    Eingangsspannung am Teillastsensor
      Anschlüsse am Sensor
        Multimeter (+) → blaues Kabel
        Multimeter (–) → braun/schwarzes Kabel

• Das Drosselklappengehäuses").
  des
       Drosselklappengehäuse einbauen (siehe "Einbau

• Dieund mit angeschlossenem Verbinder messen. Mo-
  tor
      Sensoreingangsspannung bei ausgeschaltetem

• Den Zündschalter einschalten.
    Eingangsspannung am Sensor
      Sollwert: 4,75 ∼ 5,25 V DC

• Den Zündschalter ausschalten.des zulässigen Bereichs,
  Liegt der Messwert außerhalb
    die Verkabelung überprüfen (siehe Schaltplan).
    Falls der Messwert in Ordnung ist, die Ausgangsspan-
    nung des Sensors prüfen.
Prüfung der Ausgangsspannung des
Teillastsensors
• Die Ausgangsspannung an der ECU genauso wie die Ein-
  gangsspannung messen.
     Digitalvoltmeter [A]
     Steckverbinder [B]
    Spezialwerkzeug -
             Nadeladaptersatz: 57001-1457

    Ausgangsspannung des Teillastsensors
      Anschlüsse an der ECU
       Multimeter (+) → braunes Kabel (Klemme 24)
       Multimeter (–) → braun/schwarzes Kabel (Klemme 28)

• DenAusgangsspannung messen, wenn das Teillastventil
        Zündschalter einschalten.
• voll geöffnet oder vollständig geschlossen ist.
  Die

    Ausgangsspannung an der ECU
      Standard: 1,08 ∼ 4,60 V DC (bei voll geöffnetem bzw.
                voll geschlossenem Teillastventil)

                            VORSICHT
    Den Teillastsensor nicht ausbauen oder einstellen.
    Die Einstellung und der Einbau erfolgten bereits
    hochgenau im Werk.
    Das Drosselklappengehäuse niemals fallen lassen,
    besonders nicht auf harte Flächen. Ein Stoß kann
    den Sensor beschädigen.
KRAFTSTOFFANLAGE (DFI) 3-79
Teillastsensor (Servicecode 32)
    Liegt die Ausgangsspannung innerhalb des Sollwerts,
    die Masseverbindung und Stromversorgung der ECU
    überprüfen (siehe "Prüfung der ECU-Stromversorgung").
    Sind Masseverbindung und Stromversorgung in Ord-
    nung, die ECU ersetzen (siehe "Ausbau/Einbau der
    ECU").
    Liegt die Ausgangsspannung deutlich außerhalb des
    Standardbereichs (beträgt z.    B. die Spannung bei
    Unterbrechung der Verkabelung ca. 0 V), die Ausgangs-
    spannung erneut am Verbinder des Sensors überprüfen.

• Den Verbinder des Teillastsensors [A] abziehen und den
  Kabelbaumadapter [B] zwischen Kabelbaumverbinder
    und Verbinder des Teillastsensors anschließen.
•   Ein Digitalmultimeter an dem Verbinder für die Kabelbau-
    madapterkabel anschließen.
    Spezialwerkzeug -
             Adapter zur Drosselklappensensor-Einstellung:
                57001-1538

    Ausgangsspannung des Teillastsensors
      Anschlüsse am Sensor
       Multimeter (+) → braunes Kabel
       Multimeter (–) → braun/schwarzes Kabel

• Dieund mit angeschlossenem Verbinder messen. Mo-
  tor
       Sensorausgangsspannung bei ausgeschaltetem

• DenAusgangsspannung messen, wenn das Teillastventil
        Zündschalter einschalten.
• Die geöffnet oder vollständig geschlossen ist.
  voll
    Ausgangsspannung am Sensor
      Standard: 1,08 ∼ 4,60 V DC (bei voll geöffnetem bzw.
                voll geschlossenem Teillastventil)

                         VORSICHT
    Den Teillastsensor nicht ausbauen oder einstellen.
    Die Einstellung und der Einbau erfolgten bereits
    hochgenau im Werk.
    Das Drosselklappengehäuse niemals fallen lassen,
    besonders nicht auf harte Flächen. Ein Stoß kann
    den Sensor beschädigen.

• Nach Prüfung der Teillastsensorspannung den Kabelbau-
  madapter entfernen.
    Falls der Messwert außerhalb des Sollwerts liegt, den Wi-
    derstand des Drosselklappensensors prüfen.
    Falls die Ausgangsspannung normal ist, die Verkabelung
    auf Durchgang überprüfen (siehe Schaltplan).
3-80 KRAFTSTOFFANLAGE (DFI)
Teillastsensor (Servicecode 32)
Widerstandsprüfung
• Den Zündschalter ausschalten. abklemmen.
• Steckverbinder des Teillastsensors Verbinder für
• Ein Digitalmultimeter [A] an dem
  Teillastsensor [B] anschließen.
                                                       den

• Widerstand des Teillastsensors messen.
 Widerstand des Teillastsensors
                 blaues Kabel [C] ←→ braun/schwarzes
  Anschlüsse:
                 Kabel [D]
   Standard:      4 ∼ 6 kΩ
 Liegt der Messwert außerhalb des Sollwerts, das Dros-
 selklappengehäuse ersetzen (siehe "Ausbau/Einbau des
 Drosselklappengehäuses").
 Liegt der Messwert innerhalb des Sollwerts, obwohl das
 Problem nicht beseitigt ist, die ECU ersetzen (siehe "Aus-
 bau/Einbau der ECU").
Schaltkreis des Teillastsensors




   1. ECU
   2. Hauptdrosselklappensensor
   3. Teillastsensor
KRAFTSTOFFANLAGE (DFI) 3-81
Lambdasonde – nicht aktiviert (Nr. 1, Nr. 2: Servicecode 33, 83) – ausgerüstete
Modelle
   Lambdasonde Nr. 1: Servicecode 33
   Lambdasonde Nr. 2: Servicecode 83
Ausbau/Einbau der Lambdasonde
• Siehe dieim Kapitel Elektrik (siehe "Ausbau/Einbau der
  dasonde
             Anweisungen zu Ausbau/Einbau der Lamb-

 Lambdasonde" im Kapitel "Elektrik").
Prüfung der Lambdasonde
                     ANMERKUNG
 ○Die Lambdasonden Nr. 1 [A] und Nr. 2 [B] sind iden-
  tisch, aber die Verdrahtung auf der Hauptkabelbaum-
  seite ist unterschiedlich.




• Den Motor auf Betriebstemperatur bringen.
• Den Zündschalter ausschalten.
• Rechte mittlere Verkleidung ausbauen (siehe "Ausbau
  der rechten mittleren Verkleidung" im Kapitel "Rahmen").
• Ein Digitalvoltmeter(an der Sondenseite) der Lambdason-
  Steckverbinder [B]
                       [A] mit dem Nadeladaptersatz an die

 den anschließen.
 Spezialwerkzeug -
          Nadeladaptersatz: 57001-1457

 Ausgangsspannung der Lambdasonde
   Anschlüsse am Lambdasonden-Steckverbinder
      Messgerät (+) → schwarzes Kabel
      Messgerät (−) → graues Kabel

• Das Luftfiltergehäuse ausbauen (siehe "Ausbau des Luft-
  filtergehäuses").
• Die Unterdruckschaltventilschläuche [A] (auf beiden Sei-
  ten) vom Ansaugluftventildeckel abziehen.




• Die [A] verschließen beiden Seiten) mit geeigneten Stop-
  fen
      Bohrungen (auf
                        um die Sekundärluft abzustellen.
• Das Luftfiltergehäuses").
  des
        Luftfiltergehäuse wieder einbauen (siehe "Einbau

• Den Motor starten einschalten. drehen lassen.
       Zündschalter
• Die Ausgangsspannung des Sensors bei angeschlosse-
  Den                 und im Leerlauf
• nem Steckverbinder messen.
 Ausgangsspannung der Lambdasonde (mit Stopfen)
   Standard: 0,45 ∼ 2,5 V
3-82 KRAFTSTOFFANLAGE (DFI)
Lambdasonde – nicht aktiviert (Nr. 1, Nr. 2: Servicecode 33, 83) – ausgerüstete
Modelle

• Als nächstes die Stopfen (Motor im Leerlauf). den Ver-
  schraubungen entfernen
                           [A] (beide Seiten) von

• Die Ausgangsspannung des Sensors bei angeschlosse-
  nem Steckverbinder messen.
    Ausgangsspannung der Lambdasonde (ohne Stopfen)
      Standard: 0,05 ∼ 0,45 V
    Falls der Messwert in Ordnung ist (mit Stopfen: 0,45 ∼ 2,5
    V, ohne Stopfen: 0,05 ∼ 0,45 V), ist die Lambdasonde in
    Ordnung.
    Liegt der Messwert außerhalb dem Bereich, die Lambda-
    sonde ersetzen.
•   Den Nadeladaptersatz entfernen, und Silikondichtmittel
    auf die Dichtungen der Verbinder auftragen, um sie was-
    serfest zu machen.
    Dichtmittel -
              Kawasaki Bond (Silikondichtmittel): 56019-120

Lambdasonden-Schaltkreis




     1. ECU
     2. Lambdasonde Nr. 1
     3. Lambdasonde Nr. 2
     4. Sicherung der Lambdasonden-Heizung 10 A
     5. Hauptsicherung 30 A
     6. Starterrelais
     7. Batterie 12 V 8 Ah
     8. Rahmenmasse
KRAFTSTOFFANLAGE (DFI) 3-83
Sensor der Auslassklappenventil-Stelleinheit (Servicecode 34)
Ausbau/Einbau des Sensors der Auslassklappen-
ventil-Stelleinheit
   Der Sensor der Auslassklappenventil-Stelleinheit ist
in der Stelleinheit eingebaut. Der Sensor selbst kann
daher nicht ausgebaut werden. Die Auslassklappenven-
til-Stelleinheit ausbauen (siehe "Ausbau der Auslassklap-
penventil-Stelleinheit").
Prüfung der Sensor-Eingangsspannung der
Auslassklappenventil-Stelleinheit
                        ANMERKUNG
    ○Die Batterie muss voll aufgeladen sein.
• Den Zündschalter ausschalten.
• Ausbauen: (siehe "Ausbau der Sitzabdeckung" im
   Sitzabdeckung
     Kapitel "Rahmen")
     Auslassklappenventil-Stelleinheit (siehe "Ausbau der
     Auslassklappenventil-Stelleinheit").
•   Den Kabelverbinder (3-polig) [A] am Sensor der Auslass-
    klappenventil-Stelleinheit unterbrechen und den Kabel-
    baumadapter [B] zwischen diesen Verbindern anschlie-
    ßen.
    Spezialwerkzeug -
             Adapter zur Drosselklappensensor-Einstellung
                Nr. 1: 57001-1400
• Ein Digitalmultimeter an dem Verbinder für die Kabelbau-
  madapterkabel anschließen.
    Sensor-Eingangsspannung der Auslassklappenventil
    -Stelleinheit
      Anschlüsse am Adapter:
        Multimeter (+) → gelb/weißes Kabel (Stelleinheit
        weiß)
        Multimeter (−) → schwarz/blaues Kabel (Stelleinheit
        schwarz)

• Die angeschlossenem Verbinder messen. Motor und
  mit
      Eingangsspannung bei ausgeschaltetem

• Den Zündschalter einschalten.
    Eingangsspannung an der Stelleinheit
      Sollwert: 4,75 ∼ 5,25 V DC

• Den Zündschalter ausschalten. des Sollwerts,
  Liegt der Messwert innerhalb                    die Aus-
    gangsspannung prüfen (siehe "Prüfung der Ausgangs-
    spannung an der Auslassklappenventil-Stelleinheit").
3-84 KRAFTSTOFFANLAGE (DFI)
Sensor der Auslassklappenventil-Stelleinheit (Servicecode 34)
 Liegt der Messwert außerhalb des Sollwerts, die ECU
 ausbauen und die Verkabelung zwischen den Anschlüs-
 sen prüfen.
○Die Verbinder für ECU und Sensor abziehen.
    Verkabelung
      ECU-Steckverbinder [A] ←→
      Sensor-Verbinder der Auslassklappenventil
      -Stelleinheit [B]
        blaues Kabel (ECU-Klemme 10) [C]
        braun/schwarzes Kabel (ECU-Klemme 28) [D]
    Wenn die Verkabelung in Ordnung ist, den Massean-
    schluss und die Stromversorgung der ECU überprüfen
    (siehe "Prüfung der ECU-Stromversorgung").
    Sind Masseverbindung und Stromversorgung in Ord-
    nung, die ECU ersetzen (siehe "Ausbau/Einbau der
    ECU").
Prüfung der Sensor-Ausgangsspannung der
Auslassklappenventil-Stelleinheit
                        ANMERKUNG
    ○Vor der Prüfung sicherstellen, dass die Scheibe [A] sich
     in Ausgangsstellung befindet (siehe "Einbau der Aus-
     lassklappenventil-Stelleinheit").

• Ausbauen:
   Auslassklappenventil-Stelleinheit    (siehe "Ausbau der
     Auslassklappenventil-Stelleinheit").
•   Abziehen:
     2-poliger Verbinder [B]
     3-poliger Verbinder [C]
KRAFTSTOFFANLAGE (DFI) 3-85
Sensor der Auslassklappenventil-Stelleinheit (Servicecode 34)

• Den Kabelbaumadapter [A] zwischen den 3-poligen Ver-
  bindern anschließen.
    Spezialwerkzeug -
             Adapter zur Drosselklappensensor-Einstellung
                Nr. 1: 57001-1400
• Ein Digitalmultimeter an dem Verbinder für die Kabelbau-
  madapterkabel anschließen.
    Sensor-Ausgangsspannung der Auslassklappenventil
    -Stelleinheit
      Anschlüsse am Adapter:
       Multimeter (+) → schwarzes Kabel (Stelleinheit gelb)
       Multimeter (−) → schwarz/blaues Kabel (Stelleinheit
       schwarz)

• Die Ausgangsspannung an den 3-poligen Verbindern der
  Auslassklappenventil-Stelleinheit messen, wobei sich die
    Scheibe in Ausgangsstellung befinden muss.
•   Den Zündschalter einschalten.
    Ausgangsspannung an der Stelleinheit
      Sollwert: 3,46 ∼ 3,76 V DC in Scheiben
      -Ausgangsstellung

• Den Zündschalter ausschalten.des Sollwerts, den Wider-
  Liegt der Messwert außerhalb
    stand am Sensor der Auslassklappenventil-Stelleinheit
    prüfen (siehe "Prüfung des Widerstands am Sensor der
    Auslassklappenventil-Stelleinheit").
 Liegt der Messwert innerhalb des Sollwerts, die ECU aus-
 bauen und die Verkabelung zwischen den Anschlüssen
 prüfen.
○Die Verbinder für ECU und Sensor abziehen.
    Verkabelung
      ECU-Steckverbinder [A] ←→
      Sensor-Verbinder der Auslassklappenventil
      -Stelleinheit [B]
       rot/schwarzes Kabel (ECU-Klemme 5) [C]
       braun/schwarzes Kabel (ECU-Klemme 28) [D]
    Wenn die Verkabelung in Ordnung ist, den Massean-
    schluss und die Stromversorgung der ECU überprüfen
    (siehe "Prüfung der ECU-Stromversorgung").
    Sind Masseverbindung und Stromversorgung in Ord-
    nung, die ECU ersetzen (siehe "Ausbau/Einbau der
    ECU").
3-86 KRAFTSTOFFANLAGE (DFI)
Sensor der Auslassklappenventil-Stelleinheit (Servicecode 34)
Prüfung des Sensors der Auslassklappenventil
-Stelleinheit
• Ausbauen: (siehe "Ausbau der Sitzabdeckung" im
   Sitzabdeckung
     Kapitel "Rahmen")
     Schrauben [A]
     Schraube [B]
•   Die Auslassklappenventil-Stelleinheit [C] herausziehen.



• Den Zündschalter ausschalten.der Auslassklappenven-
• Den Sensor-Verbinder [A]
  til-Stelleinheit abziehen.
• Ein Digitalmultimeter [B] an den Sensor-Verbinder [A] der
  Auslassklappenventil-Stelleinheit anschließen.
• Den Widerstand am Sensor der Auslassklappenven-
  til-Stelleinheit messen.
    Widerstand am Sensor der Auslassklappenventil
    -Stelleinheit
                   weißes Kabel [C] ←→ schwarzes Kabel
      Anschlüsse:
                   [D]
      Standard:      4 ∼ 6 kΩ
    Liegt der Messwert außerhalb des Sollwerts, die Aus-
    lassklappenventil-Stelleinheit ersetzen (siehe "Ausbau
    der Auslassklappenventil-Stelleinheit").
Schaltkreis des Sensors der Auslassklappenventil-Stelleinheit




     1. ECU
     2. Auslassklappenventil-Stelleinheit
KRAFTSTOFFANLAGE (DFI) 3-87
Wegfahrsperren-Verstärker (Servicecode 35) - ausgerüstete Modelle
Prüfung des Antennenwiderstands
• Ausbauen:
   Linke Innenabdeckung (siehe "Ausbau der Innenabde-
     ckung" im Kapitel "Rahmen")
•   Abziehen:
     Antennenkabel-Verbinder [A]
•   Den Widerstand der Antennenspule im Zündschalter wie
    folgt messen.
    Antennenwiderstand
      Anschlüsse an die Antenne
        Multimeter (+)→ rotes Kabel
        Multimeter (–)→ rotes Kabel

      Standard: Ca. 0,6 ∼ 0,9 Ω
    Falls der Widerstand außerhalb des Sollwerts liegt, den
    Zündschalter ersetzen.
Überprüfung der Verstärker-Eingangsspannung
                       ANMERKUNG
    ○Die Batterie muss voll aufgeladen sein.
• Den Zündschalter ausschalten.
• Ausbauen: (siehe "Ausbau des Windschutzes" im Ka-
   Windschutz
     pitel "Rahmen")
     Wegfahrsperren-Verstärker (siehe "Austausch von Tei-
     len des Wegfahrsperrensystems" im Kapitel "Elektrik")

• Ein Digitalvoltmeter mit dem Nadeladaptersatz an die
  Verbinder anschließen.
    Spezialwerkzeug -
             Nadeladaptersatz: 57001-1457

    Verstärker-Eingangsspannung
      Anschlüsse an die Verbinder
        Messgerät (+) → schwarz/weißes Kabel [A]
        Multimeter (–) → schwarz/gelbes Kabel [B]

• Die Eingangsgleichspannung bei angeschlossenen Ver-
  bindern messen.
• Den Zündschalter einschalten.
    Eingangsspannung
      Standard: Batteriespannung (mindestens 12,8 V)

• Den Zündschalter ausschalten.des zulässigen Bereichs,
  Liegt der Messwert außerhalb
    die Verkabelung überprüfen (siehe "Erkennung von
    Schlüsselrohlingen").
    Ist der Messwert und Antennenwiderstand in Ordnung,
    den Verstärker ersetzen (siehe "Austausch von Teilen des
    Wegfahrsperrensystems" im Kapitel "Elektrik").
3-88 KRAFTSTOFFANLAGE (DFI)
Erkennung von Schlüsselrohlingen (Servicecode 36)
 Dieser Code erscheint in folgenden Situationen.
○Bei Ausfall des Transponders [A] im Haupt- und/oder Be-
  nutzerschlüssel.
○Bei Verwendung eines nicht registrierten Reserveschlüs-
  sels.
○Bei Registrierung des Hauptschlüssels in der registrierten
  ECU.
Der Servicecode 36 verschwindet daher, wenn das obige
Problem gelöst wird.


Prüfung des Benutzerschlüssels
• Den Benutzerschlüssel vorschriftsmäßig registrieren
  (siehe "Schlüsselregistrierung" im Kapitel "Elektrik").
 Erscheint Servicecode 36 erneut, so ist der Transponder
 im Schlüssel gestört und muss ersetzt werden.
KRAFTSTOFFANLAGE (DFI) 3-89
Erkennung von Schlüsselrohlingen (Servicecode 36)
Schaltkreis des Wegfahrsperrensystems




  1. ECU
  2. Zündschalter
  3. Wegfahrsperren-Verstärker
  4. Masse des Zylinderkopfdeckels
  5. Steckverbindung C
  6. Wegfahrsperren-Antenne
  7. Steckverbindung B
  8. Instrumenteneinheit
  9. ECU-Sicherung 10 A
 10. Zündungssicherung 10 A
 11. Sicherungskasten
 12. Relaiskasten
 13. ECU-Hauptrelais
 14. Rahmenmasse
 15. Hauptsicherung 30 A
 16. Starterrelais
 17. Batterie 12 V 8 Ah
 18. Steckverbinder für Wegfahrsperre/Kawasaki-Diagnosesystem
3-90 KRAFTSTOFFANLAGE (DFI)
ECU-Übertragungsfehler (Servicecode 39)
Prüfung der Wegfahrsperren-Übertragungsleitung
○Falls die ECU die Daten nicht innerhalb ca. 10 Sekunden
 zur Instrumenteneinheit überträgt, erscheint der Service-
 code 39.
○Servicecode 39 wird von der Instrumenteneinheit erkannt.
•Die ECU und die Instrumenteneinheit ausbauen und die
 Verkabelung zwischen den Verbindern überprüfen.
○Die Verbinder für ECU und Instrumenteneinheit abziehen.
    Verkabelung
      ECU-Verbinder [A]←→Instrumenteneinheit-Verbinder
      [B]
        braun/rotes Kabel [C]
    Ist die Verkabelung in Ordnung, die Instrumentenein-
    heit überprüfen (siehe "Prüfung der elektronischen
    Kombi-Instrumenteneinheit" im Kapitel "Elektrik").
    Ist die Instrumenteneinheit in Ordnung, die ECU ersetzen
    (siehe "Ausbau/Einbau der ECU").




Schaltkreis der Wegfahrsperren-Übertragungsleitung




     1. ECU
     2. Instrumenteneinheit
     3. Warnleuchte (LED)
     4. Batterie 12 V 8 Ah
     5. Rahmenmasse
KRAFTSTOFFANLAGE (DFI) 3-91
Stabzündspulen Nr. 1, Nr. 2, Nr. 3, Nr. 4: (Servicecode 51, 52, 53, 54)
     Stabzündspule Nr.   1:   Servicecode 51
     Stabzündspule Nr.   2:   Servicecode 52
     Stabzündspule Nr.   3:   Servicecode 53
     Stabzündspule Nr.   4:   Servicecode 54
Ausbau/Einbau der Stabzündspule
                         VORSICHT
    Keinesfalls die Stabzündspulen fallen lassen, be-
    sonders nicht auf harte Flächen. Eine solche Be-
    lastung kann zur Beschädigung der Stabzündspule
    führen.

• Siehe die AnweisungenElektrik (siehe "Ausbau/Einbau
  zündspulen im Kapitel
                         zu Ausbau/Einbau der Stab-

    der Stabzündspule" im Kapitel "Elektrik").
Prüfung der Eingangsspannung der
Stabzündspule
                         ANMERKUNG
    ○Die Batterie muss voll aufgeladen sein.
• DenECU ausbauenausschalten. der ECU"). Den ECU
       Zündschalter
• -Steckverbinder nicht abziehen.
  Die                 (siehe "Ausbau

• Einden Verbinder der ECU Hilfeanschließen.
  an
      Digitalvoltmeter [A] mit
                               [B]
                                   des Nadeladaptersatzes

    Spezialwerkzeug -
             Nadeladaptersatz: 57001-1457
○Die Eingangsspannung der Primärwicklung der jeweili-
    gen Zündspule bei ausgeschaltetem Motor und mit an-
    geschlossenen Steckverbindern messen.
•   Den Zündschalter einschalten.
    Eingangsspannung der Stabzündspule an der ECU
      Anschlüsse für Stabzündspule Nr. 1
        Messgerät (+) → schwarzes Kabel (Klemme 51)
        Multimeter (–) → schwarz/gelbes Kabel (Klemme 67)
      Anschlüsse für Stabzündspule Nr. 2
       Messgerät (+) → schwarz/grünes Kabel (Klemme 50)
       Multimeter (–) → schwarz/gelbes Kabel (Klemme 67)
      Anschlüsse für Stabzündspule Nr. 3
       Multimeter (+) → schwarz/weißes Kabel (Klemme 49)
       Multimeter (–) → schwarz/gelbes Kabel (Klemme 67)
      Anschlüsse für Stabzündspule Nr. 4
       Multimeter (+) → schwarz/orange Kabel (Klemme 68)
       Multimeter (–) → schwarz/gelbes Kabel (Klemme 67)

    Eingangsspannung an der ECU
      Standard: Batteriespannung (mindestens 12,8 V)
    Liegt der Messwert außerhalb des Sollwerts, die Verka-
    belung überprüfen (siehe Schaltplan).
    Wenn der Messwert in Ordnung ist, ist die Eingangsspan-
    nung normal. Den Motor durchdrehen und die Spitzen-
    spannung der Stabzündspule kontrollieren (siehe "Prü-
    fung der Spitzenspannung der Primärwicklung der Stab-
    zündspule" im Kapitel "Elektrik") um die Funktion der Pri-
    märwicklungen zu testen.
3-92 KRAFTSTOFFANLAGE (DFI)
Stabzündspulen Nr. 1, Nr. 2, Nr. 3, Nr. 4: (Servicecode 51, 52, 53, 54)
Schaltkreis der Stabzündspule




  1. Zündschalter
  2. Motorstoppschalter
  3. Stabzündspule Nr. 1
  4. Stabzündspule Nr. 2
  5. Stabzündspule Nr. 3
  6. Stabzündspule Nr. 4
  7. ECU
  8. Sicherungskasten
  9. Zündungssicherung 10 A
 10. Starterrelais
 11. Hauptsicherung 30 A
 12. Rahmenmasse
 13. Batterie 12 V 8 Ah
KRAFTSTOFFANLAGE (DFI) 3-93
Kühlerlüfterrelais (Servicecode 56)
Ausbau/Einbau des Kühlerlüfterrelais
○Das Kühlerlüfterrelais ist im Relaiskasten [A] eingebaut.
• Siehe "Ausbau des Relaiskastens" im Kapitel "Elektrik".




Prüfung des Kühlerlüfterrelais
• Siehe "Prüfung des Relaisschaltkreises" im Kapitel "Elek-
  trik".
 Falls das Kühlerlüfterrelais normal ist, die Verkabelung
 auf Durchgang überprüfen.
 Wenn die Verkabelung in Ordnung ist, den Massean-
 schluss und die Stromversorgung der ECU überprüfen
 (siehe "Prüfung der ECU-Stromversorgung").
 Sind Masseverbindung und Stromversorgung in Ord-
 nung, die ECU ersetzen (siehe "Ausbau/Einbau der
 ECU").
3-94 KRAFTSTOFFANLAGE (DFI)
Kühlerlüfterrelais (Servicecode 56)
Kühlerlüfterrelais-Schaltkreis




   1. ECU                             10. ECU-Sicherung 10 A
   2. Wassertemperatursensor          11. Zündungssicherung 10 A
   3. Kühlerlüfter                    12. Sicherungskasten
   4. Steckverbindung C               13. Kühlerlüfterrelais
   5. Masse des Zylinderkopfdeckels   14. ECU-Hauptrelais
   6. Motorstoppschalter              15. Relaiskasten
   7. Zündschalter                    16. Hauptsicherung 30 A
   8. Steckverbindung B               17. Rahmenmasse
   9. Kühlerlüftersicherung 15 A      18. Batterie 12 V 8 Ah
KRAFTSTOFFANLAGE (DFI) 3-95
Teillastventil-Stelleinheit (Servicecode 62)
Ausbau der Teillastventil-Stelleinheit
                        VORSICHT
    Die Teillastventil-Stelleinheit [A] nicht ausbauen.
    Sie wurde bereits im Werk hochgenau eingestellt
    und eingebaut.
    Das Drosselklappengehäuse niemals fallen lassen,
    besonders nicht auf harte Flächen. Ein derartiger
    Schlag kann die Stelleinheit beschädigen.


Prüfung der Teillastventil-Stelleinheit
• Ausbauen:
   Luftfiltergehäuse    (siehe "Ausbau des Luftfiltergehäu-
     ses")
     Kraftstoffpumpen-Kabelverbinder (siehe "Ausbau des
     Kraftstofftanks")
•   Den Zündschalter einschalten.
•   Alle Teillastventile [A] müssen sich leicht öffnen und
    schließen lassen.
    Wenn das Teillastventil nicht funktioniert, den Innenwi-
    derstand der Stelleinheit prüfen (siehe "Widerstandsprü-
    fung").
Widerstandsprüfung der Teillastventil-Stelleinheit
• Den Verbinder der ausschalten.
      Zündschalter
• Den               Teillastventil-Stelleinheit [A] abziehen.




• Ein DigitalmultimeterTeillastventil-Stelleinheit messen.
                        am Verbinder [A] anschließen.
• Den Widerstand der
    Widerstand der Teillastventil-Stelleinheit
                    grünes Kabel [1] ←→ weiß/blaues Kabel
     Anschlüsse:
                    [3]
                     schwarz/blaues Kabel [2] ←→
                     rosa/blaues Kabel [4]
      Standard:      Ca. 5 ∼ 7 Ω
    Liegt der Messwert außerhalb des Sollwerts, das Dros-
    selklappengehäuse ersetzen (siehe "Ausbau des Dros-
    selklappengehäuses").
    Liegt der Messwert innerhalb des Sollwerts, die Ein-
    gangsspannung prüfen (siehe "Prüfung der Eingangs-
    spannung").
3-96 KRAFTSTOFFANLAGE (DFI)
Teillastventil-Stelleinheit (Servicecode 62)
Prüfung der Eingangsspannung an der
Teillastventil-Stelleinheit
                        ANMERKUNG
 ○Die Batterie muss voll aufgeladen sein.
• Den Zündschalter ausschalten. [A] und ein Digitalmulti-
• Den Spitzenspannungsadapter [D] am Verbinder [C]
  meter [B] mit dem Nadeladaptersatz
 anschließen.
 Spezialwerkzeuge -
          Spitzenspannungsadapter: 57001-1415
          Typ: KEK-54-9-B
          Nadeladaptersatz: 57001-1457

 Eingangsspannung an der Teillastventil-Stelleinheit
   Anschlüsse am Kabelbaumverbinder
    (I) Messgerät (+) → grünes Kabel [1]
       Messgerät (–) → weiß/blaues Kabel [3]
    (II) Multimeter (+) → schwarz/blaues Kabel [2]
       Multimeter (–) → rosa/blaues Kabel [4]

• Die Eingangsspannung der StelleinheitVerbinder messen.
  tem Motor und mit angeschlossenem
                                        bei ausgeschalte-

• Den Zündschalter einschalten.
 Eingangsspannung am Sensor
   Standard: Ca. 8,5 ∼ 10,5 V DC
 Falls der Messwert außerhalb des Sollwerts ist, die Ver-
 drahtung zur ECU prüfen.
 Ist die Verkabelung in Ordnung, die ECU ersetzen (siehe
 "Ausbau der ECU").
Schaltkreis der Teillastventil-Stelleinheit




   1. ECU
   2. Teillastventil-Stelleinheit
KRAFTSTOFFANLAGE (DFI) 3-97
Auslassklappenventil-Stelleinheit (Servicecode 63)
Ausbau der Auslassklappenventil-Stelleinheit
• Ausbauen: (siehe "Ausbau der Sitzabdeckung" im
   Sitzabdeckung
  Kapitel "Rahmen")
•Die Gummimanschetten von den Kabeln des Auslass-
 klappenventils entfernen.
•Die Sicherungsmutter [A] und Einstellmutter [B] lösen.
○Beide Einsteller ganz hineindrehen, bis keine Einstellung
 mehr möglich ist.


• Ausbauen: [A]
   Schrauben
     Schraube [B]
•   Die Auslassklappenventil-Stelleinheit [C] herausziehen.




• Ausbauen:[A]
   Klemme
     Kabel der Auslassklappenventil-Stelleinheit [B]
     Steckverbinder [C]
•   Die Auslassklappenventil-Stelleinheit [D] samt Halterung
    [E] ausbauen.




• Ausbauen:
   Auslassklappenventil-Stelleinheitsscheibe [A].
○Die Scheibe mit einem geeigneten Werkzeug [B] festhal-
    ten.
                        VORSICHT
    Wird die Schraube der Scheibe entfernt, ohne die
    Scheibe festzuhalten, kann die Stelleinheit beschä-
    digt werden.

Einbau der Auslassklappenventil-Stelleinheit
• Die Halterung [A] an der Stelleinheit [B] montieren.
   Unterlegscheiben [C]
     Muttern [D]
3-98 KRAFTSTOFFANLAGE (DFI)
Auslassklappenventil-Stelleinheit (Servicecode 63)

• Die Scheibe soder Seite Stelleinheit[B] liegen. dass ihre
  Löcher [A] auf
                 auf die
                          det Kerbe
                                       aufsetzen,




• Die Scheibe mit an der geeigneten Werkzeug [B] festhal-
      Scheibe [A]        Stelleinheit montieren.
• ten und die Schraube anziehen.
  Die             einem

 Anzugsmoment -
        Schraube          der       Auslassklappenven-
          til-Stelleinheitsscheibe:    4,9 N·m (0,50
          kgf·m)

                       VORSICHT
 Wird die Schraube der Scheibe festgezogen, ohne
 die Scheibe festzuhalten, kann die Stelleinheit be-
 schädigt werden.

• Den Winkel derist die Ausgangsstellung wie gezeigt kon-
  trollieren. Dies
                   Scheibe [A] (41,7° ±7°)
                                           der Scheibe.
                      ANMERKUNG
 ○Die Position elektrisch korrigieren, nachdem sicherge-
   stellt wurde, dass die Stelleinheit außer Betrieb ist und
   durch die Abweichung vom dargestellten Winkel keinen
   Schaden erlitten hat.

                       VORSICHT
 Die Position der Scheibe nicht mit Gewalt mit einem
 Werkzeug korrigieren. Dabei wird die Stelleinheit
 beschädigt.
 Liegt der Winkel nicht innerhalb des Sollwerts, die Stel-
 leinheit wie folgt einstellen.
○Die Verbinder der Stelleinheit anklemmen.
○Den Zündschalter einschalten.
○Sicherstellen, dass die Scheibe sich nach rechts und
 dann nach links dreht.
○Die Scheibe befindet sich in Ausgangsstellung.
○Den Zündschalter ausschalten.
 Liegt die Position nicht innerhalb des oben angegebenen
 Winkels, die Auslassklappenventil-Stelleinheit ersetzen.

• Festziehen:
 Anzugsmoment -
        Befestigungsschrauben der Auslassklappen-
          ventil-Stelleinheit: 6,9 N·m (0,70 kgf·m)
• Zuerst das (siehe "Einbauund dann das Schließkabel
  montieren
             Öffnungskabel
                             des Auslassklappenven-
 til-Gaszugs" im Kapitel "Motoroberseite").
KRAFTSTOFFANLAGE (DFI) 3-99
Auslassklappenventil-Stelleinheit (Servicecode 63)
Prüfung der Auslassklappenventil-Stelleinheit
                         ANMERKUNG
    ○Die Batterie muss voll aufgeladen sein.
• Ausbauen: (siehe "Ausbau der Sitzabdeckung" im
   Sitzabdeckung
  Kapitel "Rahmen")
•Den Zündschalter einschalten.
•Sicherstellen, das die Scheibe [A] sich leichtgängig nach
 rechts [B] und nach links [C] dreht.
○Die Scheibe dreht sich nach rechts, dann nach links und
 wieder nach rechts.
 Dreht sich die Scheibe nicht, die Ausgangsspannung der
 Auslassklappenventil-Stelleinheit überprüfen.
Prüfung der Ausgangsspannung der
Auslassklappenventil-Stelleinheit
• Ausbauen: (siehe "Ausbau der Sitzabdeckung" im
   Sitzabdeckung
     Kapitel "Rahmen")
     Auslassklappenventil-Stelleinheit
•   Die Ausgangsspannung an den 3-poligen Verbindern der
    Auslassklappenventil-Stelleinheit [A] messen, wobei sich
    die Scheibe in Ausgangsstellung wie folgt befinden muss.
•   Abziehen:
     2-poliger Verbinder [B]
     3-poliger Verbinder [C]
•   Adapter [D] zwischen den 3-poligen Verbindern und ei-
    nem Digitalmultimeter [E] anschließen.
     Hauptkabelbaum [F]
    Spezialwerkzeug -
             Adapter zur Drosselklappensensor-Einstellung
                Nr. 1: 57001-1400

    Anschlüsse
      Multimeter (+) →      schwarzes Kabel [G] im Adapter
                            (gelbes Kabel der Stelleinheit)
      Multimeter (–) →      schwarz/blaues Kabel [H] im
                            Adapter (schwarzes Kabel der
                            Stelleinheit)

    Ausgangsspannung der Stelleinheit (Scheiben
    -Ausgangsposition)
      Standard: 3,46 ∼ 3,76 V
    Liegt die Ausgangsspannung außerhalb des Sollwerts,
    die Stelleinheit ausbauen und prüfen, ob die Scheibe sich
    in Ausgangsstellung befindet (siehe "Einbau der Auslass-
    klappenventil-Stelleinheit").
3-100 KRAFTSTOFFANLAGE (DFI)
Auslassklappenventil-Stelleinheit (Servicecode 63)
Schaltkreis der Auslassklappenventil-Stelleinheit




  1. ECU
  2. Auslassklappenventil-Stelleinheit
KRAFTSTOFFANLAGE (DFI) 3-101
Unterdruckschaltventil (Servicecode 64)
Ausbau/Einbau des Unterdruckschaltventils
• Siehe Abschnitt "Abgasreinigungssystem"
  "Motoroberseite".
                                             im Kapitel


Prüfung des Unterdruckschaltventils
• Siehe "Prüfung des Unterdruckschaltventils" im Kapitel
  "Elektrik".
• Die Verkabelung gemäß dem folgenden Schaltplan auf
  Durchgang prüfen.
Schaltkreis des Unterdruckschaltventils (außer Modelle für Europa)




   1. ECU                                         10. Hauptsicherung 30 A
   2. Motorstoppschalter                          11. Starterrelais
   3. Zündschalter                                12. Batterie 12 V 8 Ah
   4. Zündungssicherung 10 A                      13. Steckverbindung C
   5. ECU-Sicherung 10 A                          14. Steckverbindung B
   6. Sicherungskasten                            15. Rahmenmasse
   7. ECU-Hauptrelais                             16. Masse des Zylinderkopfdeckels
   8. Kraftstoffpumpenrelais                      17. Kraftstoffpumpe
   9. Relaiskasten                                18. Unterdruckschaltventil
3-102 KRAFTSTOFFANLAGE (DFI)
Lambdasonden-Heizungen (Nr. 1, Nr. 2: Servicecode 67) - ausgerüstete Modelle
Ausbau/Einbau der Lambdasonden-Heizung
  Die Lambdasonden-Heizung ist in der Lambdasonde ein-
gebaut. Das Heizelement selbst kann daher nicht ausge-
baut werden. Die Lambdasonde ausbauen (siehe "Ausbau
der Lambdasonde" im Kapitel "Elektrik").
Prüfung der Lambdasonden-Heizung
• Ausbauen: Verkleidung (siehe "Ausbau der rechten
   Rechte mittlere
     mittleren Verkleidung" im Kapitel "Rahmen")
•   Den Steckverbinder [A] aller Lambdasondenkabel tren-
    nen.




• Das am Kabelverbinderauf den Bereich × 1 Ω einstellen
  und
      Handprüfgerät [A]
                        [B] der Lambdasonde anschlie-
    ßen.
     Weißer Kabelanschluss [C]
     Weißer Kabelanschluss [D]
    Spezialwerkzeug -
             Handprüfgerät: 57001-1394

    Widerstand der Lambdasonde
     Standard: ca. 8 Ω bei 20°C
    Wenn der Messwert nicht mit den angegebenen Werten
    übereinstimmt, die Lamdasonde durch eine neue erset-
    zen.
    Stimmt der gemessene Wert, die Spannung der Strom-
    versorgung prüfen.
                        ANMERKUNG
    ○Die Batterie muss voll aufgeladen sein.
• Ein Digitalvoltmeter [A] mit dem Nadeladapter [C][B] an-
  den der beiden Lambdasonden-Steckverbinder
                                                    an je-

    schließen.
    Spezialwerkzeug -
             Nadeladaptersatz: 57001-1457

    Versorgungsspannung der Lambdasonden-Heizung
      Anschlüsse am Lambdasonden-Steckverbinder
        Prüfgerät (+) → weißes (Hauptkabelbaumseite
        rosa/schwarz) Kabel [D]
        Prüfgerät (−) → Batterie-Klemme (−) [E]
     Lambdasonde Nr. 1 [F]
     Lambdasonde Nr. 2 [G]
•   Die Stromversorgungsspannung bei ausgeschalte-
    tem Motor und mit angeschlossenem Lambdason-
    den-Steckverbinder messen.
•   Den Zündschalter einschalten.
    Versorgungsspannung am Lambdasonden
    -Steckverbinder
      Standard:    Batteriespannung
KRAFTSTOFFANLAGE (DFI) 3-103
Lambdasonden-Heizungen (Nr. 1, Nr. 2: Servicecode 67) - ausgerüstete Modelle
    Wenn der Messwert die Vorgabe nicht erfüllt, Folgendes
    prüfen.
     Batterie (siehe "Prüfung des Ladezustandes" im Kapitel
     "Elektrik")
     Hauptsicherung 30 A (siehe "Prüfung der Sicherung" im
     Kapitel "Elektrik")
     Lambdasonden-Heizungssicherung 10 A (siehe "Prü-
     fung der Sicherung" im Kapitel "Elektrik")
    Ist der Messwert in Ordnung, die Spannung der Strom-
    versorgung normal, das rote Kabel zwischen Lambda-
    sonden-Steckverbinder und ECU anhand dem folgenden
    Schaltplan auf Durchgang überprüfen.
    Wenn die Verkabelung in Ordnung ist, den Massean-
    schluss und die Stromversorgung der ECU überprüfen
    (siehe "Prüfung der ECU-Stromversorgung"). Sind Mas-
    severbindung und Stromversorgung in Ordnung, die
    ECU ersetzen (siehe Abschnitt "ECU").
•   Den Nadeladaptersatz entfernen, und Silikondichtmittel
    auf den Verbinder auftragen, um ihn wasserfest zu ma-
    chen.
    Dichtmittel -
              Kawasaki Bond (Silikondichtmittel): 56019-120

Lambdasonden-Schaltkreis




     1. ECU
     2. Lambdasonde Nr. 1
     3. Lambdasonde Nr. 2
     4. Zündschalter
     5. Sicherungskasten
     6. Sicherung der Lambdasonde 10 A
     7. Hauptsicherung 30 A
     8. Starterrelais
     9. Batterie
    10. Rahmenmasse
3-104 KRAFTSTOFFANLAGE (DFI)
Lambdasonden – falsche Ausgangsspannung (Nr. 1, Nr. 2: Servicecode 94, 95)
- ausgerüstete Modelle
   Lambdasonde Nr. 1: Servicecode 94
   Lambdasonde Nr. 2: Servicecode 95
Ausbau/Einbau der Lambdasonde
• Siehe "Ausbau und Einbau der Lambdasonde" im Kapitel
  "Elektrik".
Prüfung der Lambdasonde
                     ANMERKUNG
 ○Die Lambdasonden Nr.        1 [A] und Nr. 2 [B] sind iden-
   tisch, aber die Verdrahtung auf der Hauptkabelbaum-
   seite ist unterschiedlich.




• Den Motor auf Betriebstemperatur bringen.
• Den rechte Seitenabdeckung ausbauen (siehe "Ausbau
       Zündschalter ausschalten.
• der rechten Seitenabdeckung" im Kapitel "Rahmen").
  Die

• Ein Digitalvoltmeter(an der Sondenseite) der Lambdason-
  Steckverbinder [B]
                       [A] mit dem Nadeladaptersatz an die

 den anschließen.
 Spezialwerkzeug -
          Nadeladaptersatz: 57001-1457

 Ausgangsspannung der Lambdasonde
   Anschlüsse am Lambdasonden-Steckverbinder
      Messgerät (+) → schwarzes Kabel
      Messgerät (−) → graues Kabel

• Die den Verschraubungen abziehen. [A] (beide Seiten)
  von
      Unterdruckschaltventilschläuche
KRAFTSTOFFANLAGE (DFI) 3-105
Lambdasonden – falsche Ausgangsspannung (Nr. 1, Nr. 2: Servicecode 94, 95)
- ausgerüstete Modelle

• Die Verschraubungenund die Sekundärluft abstellen.
  Seiten) verschließen
                        mit geeigneten Stopfen [A] (beide

• Den Motor starten einschalten. drehen lassen.
       Zündschalter
• Die Ausgangsspannung des Sensors bei angeschlosse-
  Den                und im Leerlauf
• nem Steckverbinder messen.
    Ausgangsspannung der Lambdasonde (mit Stopfen)
      Standard: 0,45 ∼ 2,5 V



• Als nächstes die Stopfen (Motor im Leerlauf). den Ver-
  schraubungen entfernen
                           [A] (beide Seiten) von

• Die Ausgangsspannung des Sensors bei angeschlosse-
  nem Steckverbinder messen.
    Ausgangsspannung der Lambdasonde (ohne Stopfen)
      Standard: 0,05 ∼ 0,45 V
    Falls der Messwert in Ordnung ist (mit Stopfen: 0,45 ∼ 2,5
    V, ohne Stopfen: 0,05 ∼ 0,45 V), ist die Lambdasonde in
    Ordnung.
    Liegt der Messwert außerhalb des Standardbereichs, den
    Motor und das Kraftstoffsystem überprüfen.
    Sind Motor und Kraftstoffsystem in Ordnung, die Lamb-
    dasonde ersetzen.
•   Den Nadeladaptersatz entfernen, und Silikondichtmittel
    auf die Dichtungen der Verbinder auftragen, um sie was-
    serfest zu machen.
    Dichtmittel -
              Kawasaki Bond (Silikondichtmittel): 56019-120
3-106 KRAFTSTOFFANLAGE (DFI)
Lambdasonden – falsche Ausgangsspannung (Nr. 1, Nr. 2: Servicecode 94, 95)
- ausgerüstete Modelle
Lambdasonden-Schaltkreis




  1. ECU
  2. Lambdasonde Nr. 1
  3. Lambdasonde Nr. 2
  4. Zündschalter
  5. Sicherungskasten
  6. Sicherung der Lambdasonde 10 A
  7. Hauptsicherung 30 A
  8. Starterrelais
  9. Batterie
 10. Rahmenmasse
KRAFTSTOFFANLAGE (DFI) 3-107
ECU
                      VORSICHT
 Die ECU keinesfalls fallen lassen, besonders nicht
 auf harten Boden. Durch solch einen Schlag kann
 die ECU beschädigt werden.

Kennzeichnung der ECU
○In den meisten Ländern gibt es eigene Vorschriften, so-
 dass die ECU jeweils verschiedene Eigenschaften auf-
 weist. Achten Sie deshalb darauf, die ECUs nicht zu ver-
 wechseln und nur die speziell für Ihr Modell bestimmte
 ECU zu verwenden. Anderenfalls werden durch das Mo-
 torrad die gesetzlichen Vorschriften nicht eingehalten.
Kennzeichnung der ECU
 Teilenummer [A]              Technische Daten
                   U.S.A., ohne Wegfahrsperre
   21175-0111      U.S.A. (Kalifornien), ohne Wegfahrsperre
                   Kanada, ohne Wegfahrsperre
                   Außer U.S.A., U.S.A. (Kalifornien),
   21175-0109      Kanada, Malaysia und Australien mit
                   Wegfahrsperre
   21175-0114      Malaysia, mit Wegfahrsperre
   21175-0113      Australien, mit Wegfahrsperre

Ausbau der ECU
• Ausbauen:
   Auspufftopf
  Sitzabdeckung (siehe "Ausbau des Auspufftopfs" im Ka-
  pitel "Motoroberseite")
  Batterie (siehe "Ausbau der Batterie" im Kapitel "Elek-
  trik")
  Hinterrad-Schutzblech [A] (siehe "Ausbau der Klappe
  und des Hinterrad-Schutzbleches" im Kapitel "Rahmen")
•Die ECU [B] mit dem Gummischutz herausziehen.

• Ausbauen:
   ECU-Kabelverbinder [A]
   Gummischutz [B]
   ECU [C]
3-108 KRAFTSTOFFANLAGE (DFI)
ECU
Einbau der ECU
• Folgende (im Gummischutz [B])
   ECU [A]
           Teile einbauen:

   ECU-Kabelverbinder [C]




• Die Schlitze [A] des Gummischutzes fest in die Halterun-
  gen [B] einsetzen.




Prüfung der ECU-Stromversorgung
• Die Anschlüsse [A] der ECU-Verbinder visuellStaub zuge-
  Falls der Steckverbinder mit Schlamm oder
                                              überprüfen.

 setzt ist, den Steckverbinder mit Pressluft reinigen.
 Den Hauptkabelbaum austauschen, wenn die An-
 schlüsse der Verbinder des Hauptkabelbaums gerissen,
 verbogen oder in anderer Weise beschädigt sind.
 Die ECU ersetzen, wenn die Anschlüsse der ECU
 -Verbinder gerissen, verbogen oder in anderer Weise
 beschädigt sind.

• Beiund einem Nadeladaptersatz die folgenden Masselei-
  rät
      angeschlossenen ECU-Verbindern mit einem Prüfge-

 tungen auf Durchgang prüfen, wenn der Zündschalter in
 Stellung OFF steht.
 Spezialwerkzeug -
          Nadeladaptersatz: 57001-1457

 Prüfung des ECU-Masseanschlusses
   Klemme 34, 66 oder     Batterie-Minusklemme (–):
                      ←→
   67 (schwarz/gelb)      0Ω
    Masseanschluss            Batterie-Minusklemme (–):
                         ←→
    des Motors                0Ω
 Besteht kein Durchgang, Steckverbinder, Motormasseka-
 bel bzw. Hauptkabelbaum prüfen und ggf. reparieren
 oder erneuern.
KRAFTSTOFFANLAGE (DFI) 3-109
ECU

• Die ECU-Versorgungsspannung mit einem Prüfgerät [A]
  messen.
○Die Klemmenbelegung mit der in der Abbildung in diesem
 Kapitel angegebenen Klemmennummerierung der ECU
 in Übereinstimmung bringen.
   Batterie [B]
 Prüfung der ECU-Stromversorgung
   Prüfgerät-Anschlüsse:
     zwischen Klemme 16 (weiß/gelb) und Batterieklemme
     (–)
     zwischen Klemme 17 (weiß/schwarz) und
     Batterieklemme (–)
   Zündschalter OFF:
     Klemme 16 (weiß/gelb) 0 V,
     Klemme 17 (weiß/schwarz), Batteriespannung
     (mindestens 12,8 V)
   Zündschalter ON:
     Batteriespannung (mindestens 12,8 V)
 Falls die Anzeige des Prüfgeräts nicht den Vorgaben ent-
 spricht, Folgendes prüfen:
  Sromversorgungskabel
  Hauptsicherung 30 A (siehe "Prüfung der Sicherung" im
  Kapitel "Elektrik")
  ECU-Sicherung 10 A (siehe "Prüfung der Sicherung" im
  Kapitel "Elektrik")
  ECU-Hauptrelais (siehe "Prüfung des Relaisschaltkrei-
  ses" im Kapitel "Elektrik")
3-110 KRAFTSTOFFANLAGE (DFI)
ECU
ECU-Stromversorgungsstromkreis




  1. ECU
  2. Zündschalter
  3. Steckverbindung C
  4. Masse des Zylinderkopfdeckels
  5. ECU-Sicherung 10 A
  6. Sicherungskasten
  7. Relaiskasten
  8. ECU-Hauptrelais
  9. Rahmenmasse
 10. Hauptsicherung 30 A
 11. Starterrelais
 12. Batterie,12 V 8 Ah
KRAFTSTOFFANLAGE (DFI) 3-111
DFI-Stromversorgung
Ausbau der ECU-Sicherung 15 A
• Zum Ausbau der 10 A ECU-Sicherung siehe das Kapitel
  Elektrik (siehe "Ausbau der ECU-Sicherung" im
                                                Kapitel

    "Elektrik").
Einbau der ECU-Sicherung
    Wenn eine Sicherung während des Betriebs durchbrennt,
    das DFI-System überprüfen und die Ursache ermitteln.
    Dann die Sicherung durch eine Sicherung mit gleicher
    Amperezahl ersetzen.
•   Zum Einbau der Sicherung siehe das Kapitel Elektrik
    (siehe "Einbau der Sicherung" im Kapitel "Elektrik").
Prüfung der Sicherung der ECU
• Zur Prüfung derder Sicherung" im KapitelKapitel Elektrik
  (siehe "Prüfung
                   Sicherung siehe das
                                           "Elektrik").
3-112 KRAFTSTOFFANLAGE (DFI)
Warnleuchte (LED)
Prüfung der Warnleuchte (LED)
○Die Warnleuchte (LED) [A] dient als FI-Anzeige, Wegfahr-
 sperren-Kontrollleuchte (Modelle mit Wegfahrsperre) und
 Öldruck-Warnleuchte.
○Bei diesem Modell blinkt die Warnleuchte (LED) (FI/Weg-
 fahrsperre) entsprechend den von der ECU übertragenen
 Daten.
•Zur Prüfung der Warnleuchte (LED) (FI/Wegfahrsperre)
 siehe "Prüfung der Instrumenteneinheit" im Kapitel "Elek-
 trik".

Schaltkreis der Warnleuchte (LED) (FI/Wegfahrsperre)




    1. ECU
    2. Batterie 12 V 8 Ah
    3. Rahmenmasse
    4. Instrumenteneinheit
    5. Warnleuchte (LED)
KRAFTSTOFFANLAGE (DFI) 3-113
Kraftstoffleitung
Prüfung des Kraftstoffdrucks
                        ANMERKUNG
    ○Die Batterie muss voll aufgeladen sein.
• Ausbauen: (siehe "Ausbau des Vordersitzes" im Kapitel
   Vordersitz
     "Rahmen")
•   Den Kraftstofftank aufstellen (siehe "Ausbau des Luftfil-
    ters").
•   Um die Kraftstoffzuleitung des Drosselklappengehäuses
    und die Kraftstoffpumpe einen Lappen wickeln.
•   Den Kraftstoffschlauch ausbauen (siehe "Ausbau des
    Kraftstofftanks").
                          ACHTUNG
    Vorkehrung für verspritzen Kraftstoff treffen. Ver-
    spritzter Kraftstoff muss sofort abgewischt werden.
    Bei abgebautem Kraftstoffschlauch fließt Kraftstoff
    aus dem Schlauch und der Leitung, da noch ein
    Restdruck vorhanden ist. Den Schlauchverbinder
    mit einem sauberen Tuch abdecken, um das Aus-
    laufen von Kraftstoff zu vermeiden.
3-114 KRAFTSTOFFANLAGE (DFI)
Kraftstoffleitung

• Den Adapter für das zwischen die Kraftstoffzuleitungen
  Kraftstoffschläuche [B]
                          Kraftstoffmanometer [A] und die

    der Kraftstoffpumpe und des Drosselklappengehäuses
    einbauen.
•   Das Druckmanometer [C] an den Adapter des Kraftstoff-
    manometers anschließen.
    Spezialwerkzeuge -
             Öldruckmanometer, 5 kgf/cm²: 57001-125
             Adapter für Kraftstoffmanometer: 57001-1593
             Kraftstoffschlauch: 57001-1607
                          ACHTUNG
    Bei abgezogenen Kraftstoffschläuchen keine Start-
    versuche durchführen.

• Den3 Zündschalter einschalten.und stoppt dann. wird
  für Sekunden eingeschaltet
                                 Die Kraftstoffpumpe

                         VORSICHT
    Die Kraftstoffpumpe ohne Kraftstoff im Kraftstoff-
    tank maximal 3 Sekunden lang laufen lassen. Wird
    die Kraftstoffpumpe ohne Kraftstoff betrieben, wird
    sie beschädigt.

• Den Kraftstoffdruck bei gestopptem Motor messen.
    Kraftstoffdruck
      Unmittelbar nach Drehung des Zündschalters auf ON
      bei laufender Pumpe:
       Sollwert:   294 kPa (3,0 kgf/cm²)
      3 Sekunden nach Einschalten des Zündschalters mit
      stehender Pumpe:
       Sollwert:   280 kPa (2,9 kgf/cm²), Kraftstoff-Restdruck
                   Das System muss den Restdruck
                   mindestens 30 Sekunden lang halten.

• Den Motor starten und im Leerlauf drehen messen.
                                           lassen.
• Den Kraftstoffdruck bei gestopptem Motor
KRAFTSTOFFANLAGE (DFI) 3-115
Kraftstoffleitung
    Kraftstoffdruck (Leerlauf)
      Standard: 294 kPa (3,0 kgf/cm²)

                        ANMERKUNG
    ○Der Zeiger des Manometers schwankt. Der Durch-
     schnittswert zwischen der größten und kleinsten
     Anzeige gilt als Kraftstoffdruck.
    Wenn der Kraftstoffdruck deutlich höher ist als der Soll-
    wert, die Kraftstoffpumpe ersetzen (siehe "Ausbau/Ein-
    bau der Kraftstoffpumpe").
    Liegt der Kraftstoffdruck deutlich unter dem angegebenen
    Sollwert, Folgendes prüfen:
      Undichte Kraftstoffleitung
      Stärke des Kraftstoffflusses (siehe "Prüfung der Kraft-
      stoffflussrate")
    Falls der Kraftstoffdruck erheblich unter dem Sollwert
    liegt, die obige Überprüfung aber einen guten Zustand
    ergibt, das Drosselklappengehäuse, den Einspritzdü-
    sensatz oder die Kraftstoffpumpe austauschen und den
    Kraftstoffdruck erneut messen (siehe die einschlägigen
    Abschnitte).
•   Das Kraftstoffdruckmanometer, die Kraftstoffschläuche
    und den Adapter entfernen.
•   Den Kraftstofftank einbauen (siehe "Einbau des Kraft-
    stofftanks").
Prüfung der Kraftstoffflussrate
                        ANMERKUNG
    ○Die Batterie muss voll aufgeladen sein.
                          ACHTUNG
    Benzin ist extrem leicht entzündlich und kann
    unter bestimmten Bedingungen explodieren. Der
    Arbeitsbereich muss gut belüftet sowie frei von
    Funken und offenen Flammen sein; dazu gehört
    auch jedes Gerät mit Kontrollleuchte. Nicht rau-
    chen. Den Zündschalter ausschalten.
    Vorkehrung für verspritzen Kraftstoff treffen. Ver-
    spritzter Kraftstoff muss sofort abgewischt werden.

• DenOFF stellen. drehen und den Motorstoppschalter
  auf
      Zündschlüssel

• Den Motor abkühlen lassen.
• Einen Messbecher bereitlegen.
• Ausbauen: (siehe "Ausbau des Vordersitzes" im Kapitel
   Vordersitz
     "Rahmen")
     Kraftstofftankschrauben (siehe "Ausbau des Kraftstoff-
     tanks")
3-116 KRAFTSTOFFANLAGE (DFI)
Kraftstoffleitung

• Den Tankdeckel [A] öffnen, um den Druck im Kraftstoff-
  tank abzubauen.
• Um die Kraftstoffzuleitung der Kraftstoffpumpe einen Lap-
  pen wickeln.
• Den Kraftstoffschlauch von der "Ausbau des Kraftstoff-
  Kraftstoffpumpe abbauen (siehe
                                     Kraftstoffzuleitung der

    tanks").
                          ACHTUNG
    Vorkehrung für verspritzen Kraftstoff treffen. Ver-
    spritzter Kraftstoff muss sofort abgewischt werden.
    Bei abgebautem Kraftstoffschlauch fließt Kraftstoff
    aus dem Schlauch und der Leitung, da noch ein
    Restdruck vorhanden ist. Den Schlauchverbinder
    mit einem sauberen Tuch abdecken, um das Aus-
    laufen von Kraftstoff zu vermeiden.

• Den Kraftstoffschlauch [A] mit der Kraftstoffzuleitung der
  Kraftstoffpumpe verbinden.
    Spezialwerkzeug -
             Kraftstoffschlauch: 57001-1607
• Den Kraftstoffschlauch in den Messbecher [B] halten.
      Kraftstoffschlauch mit einer Schelle sichern.
• Den




                          ACHTUNG
    Ausgetretenen Kraftstoff sofort abwischen.
    Den Messbecher senkrecht halten.

• Dengestopptem Motor den Zündschalter auf die Stellung
      Kraftstofftankdeckel schließen.
• ON drehen. Die Kraftstoffpumpe darf nur 3 Sekunden
  Bei

    arbeiten und muss dann stoppen.
                         VORSICHT
    Die Kraftstoffpumpe ohne Kraftstoff im Kraftstoff-
    tank maximal 3 Sekunden lang laufen lassen. Wird
    die Kraftstoffpumpe ohne Kraftstoff betrieben, wird
    sie beschädigt.

• Die nach 3 Sekunden ausgelaufene Menge messen.
○Diesen Vorgang mehrmals wiederholen.
    Stärke des Kraftstoffflusses
      Standard: 3 Sekunden lang mindestens 67 ml
    Falls die geförderte Kraftstoffmenge erheblich unter der
    Vorgabe liegt, Folgendes prüfen:
     Zustand der Batterie (siehe "Prüfung des Ladezustan-
     des" im Kapitel "Elektrik")
•   Nach der Prüfung die Kraftstoffschläuche anschließen
    (siehe "Einbau des Kraftstofftanks").
•   Den Motor starten und auf austretenden Kraftstoff achten.
KRAFTSTOFFANLAGE (DFI) 3-117
Kraftstoffpumpe
Ausbau der Kraftstoffpumpe
                         VORSICHT
    Die Kraftstoffpumpe keinesfalls fallen lassen, be-
    sonders nicht auf harten Boden. Durch solch einen
    Schlag kann die Pumpe beschädigt werden.

                           ACHTUNG
    Benzin ist extrem leicht entzündlich und kann
    unter bestimmten Bedingungen explodieren. Der
    Arbeitsbereich muss gut belüftet sowie frei von
    Funken und offenen Flammen sein; dazu ge-
    hört auch jedes Gerät mit Kontrollleuchte. Nicht
    rauchen. Den Zündschalter ausschalten. Das Bat-
    terie-Minuskabel (–) abklemmen.
    Um ein Auslaufen von Kraftstoff möglichst zu ver-
    meiden, den Kraftstoff aus dem Kraftstofftank ab-
    lassen, wenn der Motor kalt ist. Vorkehrung für
    verspritzen Kraftstoff treffen. Verspritzter Kraftstoff
    muss sofort abgewischt werden.

• Den Kraftstoff mit einer handelsüblichen elektrischen
  Pumpe aus dem Kraftstofftank abpumpen.
• Den Kraftstofftank ausbauen (siehe "Ausbau des Kraft-
  stofftanks").
○Ein Auslaufen von Kraftstoff aus dem Kraftstofftank ver-
    meiden, da noch Kraftstoff im Kraftstofftank und der Kraft-
    stoffpumpe vorhanden ist. Die Kraftstoffleitung des Kraft-
    stofftanks mit Stopfen verschließen.

• Den Kraftstoffpumpenschrauben [A] herausdrehen und
      Kraftstofftank umdrehen.
• die Kraftstoffpumpenbaugruppe [B] mit der Dichtung
  Die

    abnehmen.
•   Die Kraftstoffpumpendichtung entsorgen.
                         VORSICHT
    Nicht an den Kabeln [C] der Kraftstoffpumpe und
    des Kraftstoffreserveschalters ziehen. Bei einer
    Zugbeanspruchung können die Kabelanschlüsse
    beschädigt werden.

Einbau der Kraftstoffpumpe
• Die Kraftstoffpumpe [A] mit Druckluft vorsichtig von Staub
  und Schmutz säubern.
• Die Dichtung der Kraftstoffpumpe erneuern.
3-118 KRAFTSTOFFANLAGE (DFI)
Kraftstoffpumpe

• Sicherstellen,Kraftstoffreserveschalters [B] und das Mas-
  Klemme des
                 dass die Kraftstoffpumpenklemmen [A], die

    seband [C] angeschlossen sind.
     Vorn [D]
•   Einen nicht-permanenten Gewindekleber auf das Ge-
    winde der Kraftstoffpumpenschrauben auftragen.
•   Dann die Kraftstoffpumpenschrauben in der gezeigten
    Reihenfolge festdrehen.
•   Entsprechend der Anzugsreihenfolge die Kraftstoffpum-
    penschrauben mit dem vorgeschriebenen Anzugsmo-
    ment festziehen.
    Anzugsmoment -
           Kraftstoffpumpenschrauben: 9,8 N·m (1,0 kgf·m)
• Die Kraftstoffpumpenschrauben insicherzustellen.Reihen-
  folge nachziehen, um festen Sitz
                                   der gezeigten


Funktionsprüfung der Kraftstoffpumpe
                       ANMERKUNG
    ○Die Batterie muss voll aufgeladen sein.
• Den Zündschalter in die StellungSekunden lang läuft (sie
  lieren, ob die Kraftstoffpumpe 3
                                   ON drehen und kontrol-

    erzeugt ein leises Geräusch) und dann abgeschaltet wird.
•   Den Zündschalter ausschalten.
    Wenn die Pumpe nicht wie vorgesehen funktioniert,
    überprufen die Betriebsspannung.
Prüfung der Kraftstoffpumpen-Betriebsspannung
                       ANMERKUNG
    ○Die Batterie muss voll aufgeladen sein.
• Den Zündschalter ausschalten.
• Ausbauen:
   Linke Seitenabdeckung (siehe "Ausbau der Seitenabde-
     ckung" im Kapitel "Rahmen")
•   Das Handprüfgerät (25 V DC) am Verbinder [A] mit dem
    Nadeladaptersatz anschließen.
    Spezialwerkzeuge -
             Handprüfgerät: 57001-1394
             Nadeladaptersatz: 57001-1457
○Die  Betriebsspannung bei ausgeschaltetem Motor und
 mit angeschlossenem Verbinder messen.
•Den Zündschalter einschalten.
○Der Zeiger des Prüfgeräts muss 3 Sekunden lang die Bat-
 teriespannung und dann 0 V anzeigen.
    Pumpenbetriebsspannung an der Pumpe
      Anschlüsse für die Pumpenverbinder
       Prüfgerät (+) → Kabel gelb/rot
       Prüfgerät (–) → schwarz/weißes Kabel

    Betriebsspannung am Pumpenverbinder
      Standard: Batteriespannung (12,8 Volt) für 3
                Sekunden, danach 0 Volt
KRAFTSTOFFANLAGE (DFI) 3-119
Kraftstoffpumpe
 Wenn weiter die Batteriespannung angezeigt wird, und
 niemals 0 V, die ECU und das Kraftstoffpumpenrelais
 überprüfen.
 Entspricht die Spannung den Sollwerten, obwohl die
 Pumpe nicht arbeitet, die Pumpe ersetzen (siehe "Aus-
 bau/Einbau der Kraftstoffpumpe").
 Wenn keine Batteriespannung gemessen werden kann,
 das Pumpenrelais überprüfen (siehe "Prüfung des Relais-
 schaltkreises" im Kapitel "Elektrik").
Schaltkreis der Kraftstoffpumpe




  1. ECU
  2. Motorstoppschalter
  3. Zündschalter
  4. Masse des Zylinderkopfdeckels
  5. Steckverbindung C
  6. ECU-Sicherung 10 A
  7. Zündungssicherung 10 A
  8. Sicherungskasten
  9. ECU-Hauptrelais
 10. Kraftstoffpumpenrelais
 11. Relaiskasten
 12. Steckverbindung B
 13. Rahmenmasse
 14. Hauptsicherung 30 A
 15. Batterie 12 V 8 Ah
 16. Kraftstoffpumpe
3-120 KRAFTSTOFFANLAGE (DFI)
Kraftstoffpumpenrelais
Ausbau des Kraftstoffpumpenrelais
                         VORSICHT
    Das Relais keinesfalls fallen lassen, besonders
    nicht auf harten Boden. Durch solch einen Schlag
    kann das Relais beschädigt werden.
○Das Kraftstoffpumpenrelais ist im Relaiskasten unterge-
    bracht.
•   Ausbauen:
     Rechte Innenabdeckung (siehe "Ausbau der Innenabde-
     ckung" im Kapitel "Rahmen")
     Sicherungskasten [A]

• Verbinder [B] abziehen und den Relaiskasten [A] aus der
  Halterung ausbauen.




Prüfung des Kraftstoffpumpenrelais
• Den Relaiskasten ausbauen (siehe "Ausbau des Kraft-
  stoffpumpenrelais").
• Das Handprüfgerät [A] und eine Batterie 12 Volt wie ab-
  gebildet an den Relais-Steckverbinder anschließen.
    Spezialwerkzeug -
             Handprüfgerät: 57001-1394
     Relaisspulenklemmen [1] und [2]
     Relaisschalterklemmen [3] und [4]
    Prüfung des Relais
      Messbereich
                       1 Ω Bereich
      des Prüfgeräts:
      Kriterien:       Bei angeschlossener Batterie → 0 Ω
                       Bei abgeklemmter Batterie → ∞ Ω
    Falls das Relais die Vorgaben nicht erfüllt, muss der Re-
    laiskasten erneuert werden.
KRAFTSTOFFANLAGE (DFI) 3-121
Einspritzventile
                        VORSICHT
    Das Einspritzventil keinesfalls fallen lassen, beson-
    ders nicht auf harten Boden. Durch solch einen
    Schlag kann das Einspritzventil beschädigt werden.

Akustische Überprüfung
• Den Kraftstofftank aufstellen (siehe "Ausbau des Luftfil-
  tergehäuses").
• Motor starten. [B] die Spitze eines Schraubenziehers
• Am ansetzen. Das Griffende an das Ohr halten und auf
  [A]
      Einspritzventil

 ein Klickgeräusch des Einspritzventils achten.
•Es kann auch ein Stethoskop verwendet werden.
•Die gleiche Prüfung beim anderen Einspritzventil wieder-
 holen.
 Wenn alle Einspritzventile in regelmäßigen Intervallen kli-
 cken, dann arbeiten sie einwandfrei.
○Die Abstände zwischen den Klickgeräuschen werden kür-
 zer, wenn die Motordrehzahl ansteigt.
 Falls eines der Einspritzventile kein Klickgeräusch abgibt,
 die “Prüfung des Einspritzventilsignals” durchführen, um
 die Funktion der Einspritzventile zu überprüfen.
                       ANMERKUNG
    ○Die Sekundär-Einspritzventile werden unter folgenden
     Bedingungen aktiv.
     Die Motordrehzahl beträgt über 8.000 U/min
     Die Drosselklappenöffnung beträgt mehr als 30°
Einspritzsignalprüfung
• Zwei Prüflampen mit Steckern wie in der Abbildung vor-
  bereiten.
     Nennleistung der Glühlampe [A]: 12 V × 3 ∼ 3,4 W
     Klemmbreite [B]: 1,8 mm
     Klemmdicke [C]: 0,8 mm
                        VORSICHT
    Keine größeren Klemmen als oben angegeben ver-
    wenden. Eine größere Anschlussklemme könnte
    den    Hauptkabelbaum-Steckverbinder     (Steck-
    buchse) des Einspritzventils beschädigen, wo-
    durch der Kabelbaum repariert oder ausgetauscht
    werden müsste.
    Die Glühlampen unbedingt in Serie schalten. Die
    Prüflampe dient zur Strombegrenzung und schützt
    den Magnetschalter im Einspritzventil vor Über-
    strom.
3-122 KRAFTSTOFFANLAGE (DFI)
Einspritzventile

• Die Steckverbinder vom Einspritzventil [A] lösen.
• Jeden Prüflampensatz [B]verbinden.
  der [C] der Einspritzdüse
                             mit dem Teilkabelbaumverbin-

• Den Motor mit demeinschalten. und die Prüflampe be-
       Zündschalter
• obachten.
  Den                 Starter drehen

 Wenn die Prüflampe in regelmäßigen Intervallen flackert,
 sind Einspritzventil-Stromkreis der ECU und Verkabelung
 in Ordnung. Die in diesem Kapitel beschriebene “Wider-
 standsprüfung der Einspritzventile” durchführen.

○Einspritzventilsignalelassen sich auch durch den An-
 schluss eines Handprüfgeräts (10 V AC) statt durch
 Anschluss des Prüflampensatzes an den Steckverbinder
 (die Steckbuchse) des Einspritzventil-Hauptkabelbaums
 überprüfen. Den Verbrennungsmotor mit dem Starter-
 motor durchdrehen und kontrollieren, ob der Zeiger in
 regelmäßigen Intervallen schwankt.
 Spezialwerkzeug -
          Handprüfgerät: 57001-1394
 Wenn die Prüflampe nicht blinkt (bzw. der Zeiger des
 Prüfgeräts nicht schwankt), die Verkabelung und die Ver-
 binder erneut überprüfen. Wenn die Verkabelung in Ord-
 nung ist, die Einspritzventilspannung prüfen (siehe "Prü-
 fung der Einspritzventilspannung").
KRAFTSTOFFANLAGE (DFI) 3-123
Einspritzventile
Widerstandsprüfung der Einspritzventile
• Den Kraftstofftank aufstellen (siehe "Ausbau des Luftfil-
  tergehäuses").
• Den Steckverbinder von den Einspritzventilen [A] abklem-
  men.
○Am     Primär-Einspritzventil Nr. 3 [B] den Schlauchan-
    schluss des Einspritzdüsensatzes abmontieren (siehe
    "Ausbau der Einspritzdüsen").
•   Den Widerstand des Einspritzventils mit dem Handprüf-
    gerät messen.
    Spezialwerkzeug -
             Handprüfgerät: 57001-1394

    Widerstand der Sekundär-Einspritzventile
     Anschlüsse an Einspritzventilen
          Multimeter (+)      Multimeter (–)
         Nr. 1: weiß/rot ←→ orangefarben/rote Klemme
         Nr. 2: weiß/rot ←→ orangefarben/grüne Klemme
                              orangefarben/schwarze
         Nr. 3: weiß/rot ←→
                              Klemme
         Nr. 4: weiß/rot ←→ orangefarben/gelbe Klemme

      Standard: Ca. 10,5 Ω bei 20°C

    Widerstand der Primär-Einspritzventile
     Anschlüsse am Einspritzventil
        Multimeter (+)                   Multimeter (–)
        Nr. 1: weiß/rot       ←→       blau/rote Klemme
        Nr. 2: weiß/rot       ←→      blau/grüne Klemme
        Nr. 3: weiß/rot       ←→     blau/schwarze Klemme
        Nr. 4: weiß/rot       ←→       blau/gelbe Klemme


      Standard:            ca. 11,7∼ 12,3 Ω bei 20°C
    Falls der Messwert außerhalb des Sollwerts liegt, die in
    diesem Kapitel beschriebene “Prüfung des Einspritzven-
    tils” durchführen.
    Bei normalem Messwert die “Prüfung des Einspritzven-
    tils” zur Bestätigung durchführen.
3-124 KRAFTSTOFFANLAGE (DFI)
Einspritzventile
Prüfung des Einspritzventils
• Zwei Kabel [A] und den gleichen Prüflampensatz [B] wie
  in der “Prüfung des Einspritzsignals” verwenden.
   Nennleistung der Glühlampe [C]: 12 V × (3 ∼ 3,4) W
   Batterie 12 V [D]
                      VORSICHT
 Die Glühlampen unbedingt in Serie schalten. Die
 Prüflampe dient zur Strombegrenzung und schützt
 den Magnetschalter im Einspritzventil vor Über-
 strom.

• Den Prüflampensatz wie abgebildet am Einspritzventil [E]
  anschließen.
• Das anklemmen [F]. Das Einspritzventil(–) mehrmals ab-
  und
      Ende des Kabels zum Batteriepol
                                         muss klicken.
 Wenn das Einspritzventil nicht klickt, das Einspritzventil
 austauschen.
 Falls das Einspritzventil klickt, die Verkabelung erneut
 prüfen. Ist die Verkabelung in Ordnung, die ECU erset-
 zen.
Prüfung der Einspritzventilspannung
                     ANMERKUNG
 ○Die Batterie muss voll aufgeladen sein.
• Den Zündschalter ausschalten. "Ausbau des Luftfil-
• Den Kraftstofftank aufstellen (siehe
  tergehäuses").
• Ein Digitalvoltmeter [A] mit dem Nadeladaptersatz am
  Verbinder [B] anschließen.
 Spezialwerkzeug -
          Nadeladaptersatz: 57001-1457

 Versorgungsspannung der Sekundär-Einspritzventile
   Verbinder an Einspritzventil Nr. 1, 2, 3, 4
     Multimeter (+) → weiß/rotes Kabel
     Multimeter (–) → Batterie-Minusklemme (–)

 Versorgungsspannung der Primär-Einspritzventile
   Verbinder an Einspritzventil Nr. 1, 2, 3, 4
     Multimeter (+) → weiß/rotes Kabel
     Multimeter (–) → Batterie-Minusklemme (–)

• Den Kraftstofftank einbauen (siehe "Einbau des Kraft-
  stofftanks").
• Den Zündschalter einschalten.
 Stromversorgungsspannung am Verbinder der
 Einspritzdüse
   Standard: Batteriespannung (mindestens 12,8 V)
 Liegt die Stromversorgungsspannung unterhalb des
 Sollwerts, die Verkabelung (siehe Schaltplan), das
 Kraftstoffpumpenrelais (siehe "Prüfung des Kraftstoff-
 pumpenrelais") und die ECU-Stromversorgung (siehe
 "Prüfung der Stromversorgung der ECU") prüfen.
KRAFTSTOFFANLAGE (DFI) 3-125
Einspritzventile

• Den Zündschalter ausschalten. "Ausbau des Luftfil-
• Den Kraftstofftank aufstellen (siehe
  tergehäuses").
• Ein Digitalvoltmeter [A] mit dem Nadeladaptersatz [C] am
  Verbinder [B] anschließen.
 Spezialwerkzeug -
          Nadeladaptersatz: 57001-1457


 Ausgangsspannung der Sekundär-Einspritzventile
   Anschlüsse an Einspritzventil Nr. 1
    Multimeter (+) → orangefarben/rotes Kabel
    Multimeter (–) → Batterie-Minusklemme (–)
    Anschlüsse an Einspritzventil Nr. 2
     Multimeter (+) → orangefarben/grünes Kabel
     Multimeter (–) → Batterie-Minusklemme (–)
    Anschlüsse an Einspritzventil Nr. 3
     Multimeter (+) → orangefarben/schwarzes Kabel
     Multimeter (–) → Batterie-Minusklemme (–)
    Anschlüsse an Einspritzventil Nr. 4
     Multimeter (+) → orangefarben/gelbes Kabel
     Multimeter (–) → Batterie-Minusklemme (–)




 Ausgangsspannung der Primär-Einspritzventile
   Anschlüsse an Einspritzventil Nr. 1
    Multimeter (+) → blau/rotes Kabel
    Multimeter (–) → Batterie-Minusklemme (–)
    Anschlüsse an Einspritzventil Nr. 2
     Multimeter (+) → blau/grünes Kabel
     Multimeter (–) → Batterie-Minusklemme (–)
    Anschlüsse an Einspritzventil Nr. 3
     Messgerät (+) → blau/schwarzes Kabel
     Multimeter (–) → Batterie-Minusklemme (–)
    Anschlüsse an Einspritzventil Nr. 4
     Multimeter (+) → blau/gelbes Kabel
     Multimeter (–) → Batterie-Minusklemme (–)
3-126 KRAFTSTOFFANLAGE (DFI)
Einspritzventile

• Den Kraftstofftank einbauen (siehe "Einbau des Kraft-
  stofftanks").
• Den Zündschalter einschalten.
    Ausgangsspannung am Verbinder der Einspritzdüse
      Standard: Batteriespannung (mindestens 12,8 V)

                       ANMERKUNG
    ○Die Sekundär-Einspritzventile werden unter folgenden
     Bedingungen aktiv.
     Die Motordrehzahl beträgt über 8.000 U/min
     Die Drosselklappenöffnung beträgt mehr als 30°
    Liegt die Ausgangsspannung außerhalb des Sollwerts,
    die ECU ersetzen (siehe "Ausbau/Einbau der ECU").
Prüfung der Einspritzleitung
• Den Einspritzdüsensatz ausbauen (siehe "Ausbau des
  Einspritzdüsensatzes").
• Das Drosselklappengehäuse ausbauen (siehe "Drossel-
  klappengehäuse").
• Die Einspritzleitung wie folgt auf Undichtigkeiten kontrol-
  lieren:
○Eine  handelsübliche Unterdruck-/Druckpumpe [A] am
 Nippel der Druckleitung [B] mit der Kraftstoffleitung [C]
 gemäß Abbildung verbinden (beide Enden an den Klem-
 men [D] angeschlossen).
○Seifenlösung auf die Flächen [E] der Abbildung auftragen.
○Das Manometer beobachten und den Pumpenhebel [F]
 zusammendrücken, bis der aufgebaute Druck den Maxi-
 malwert erreicht.
    Maximaldruck der Kraftstoffleitung
     Standard:    300 kPa (3,06 kgf/cm²)

                        VORSICHT
    Bei der Druckprüfung den maximal zulässigen Sys-
    temdruck nicht überschreiten.

• Die Anzeigeder Druck nichtSekunden langdas System in
  Wenn sich
              mindestens 6
                             verändert, ist
                                            kontrollieren.

 Ordnung.
 Falls der Druck plötzlich abfällt oder Blasenbildung auf-
 tritt, ist die Leitung undicht. Die Druckleitung, die Ein-
 spritzdüsen und die anderen Teile austauschen (siehe die
 einschlägigen Abschnitte).
○Die Dichtheitsprüfung wiederholen und sicherstellen,
 dass die Kraftstoffleitung dicht ist.
•Das Drosselklappengehäuse einbauen (siehe "Einbau
 des Drosselklappengehäuses").
•Den Einspritzdüsensatz einbauen (siehe "Einbau des
 Einspritzdüsensatzes").
•Die Schläuche korrekt verlegen (siehe Abschnitt "Ver-
 legung von Seilzügen, Kabeln und Schläuchen" im
 Anhang).
KRAFTSTOFFANLAGE (DFI) 3-127
Einspritzventile
Schaltkreis des Einspritzventils




  1. ECU
  2. Sekundär-Einspritzventil Nr. 1
  3. Sekundär-Einspritzventil Nr. 2
  4. Sekundär-Einspritzventil Nr. 3
  5. Sekundär-Einspritzventil Nr. 4
  6. Primär-Einspritzventil Nr. 1
  7. Primär-Einspritzventil Nr. 2
  8. Primär-Einspritzventil Nr. 3
  9. Primär-Einspritzventil Nr. 4
 10. Motorstoppschalter
 11. Zündschalter
 12. Masse des Zylinderkopfdeckels
 13. Steckverbindung C
 14. Batterie 12 V 8 Ah
 15. Rahmenmasse
 16. Starterrelais
 17. Hauptsicherung 30 A
 18. Steckverbindung B
 19. Kraftstoffpumpenrelais
 20. Relaiskasten
 21. ECU-Hauptrelais
 22. ECU-Sicherung 10 A
 23. Zündungssicherung 10 A
 24. Sicherungskasten
3-128 KRAFTSTOFFANLAGE (DFI)
Gasdrehgriff und Gaszüge
Prüfung des Spiels
• Siehe die Anweisungen zur PrüfungWartung (siehe "Prü-
  steuerung im Kapitel Regelmäßige
                                   der Drosselklappen-

    fung der Drosselklappensteuerung" im Kapitel "Regelmä-
    ßige Wartung").
Spieleinstellung
• Siehe die Anweisungen zur PrüfungWartung (siehe "Prü-
  steuerung im Kapitel Regelmäßige
                                   der Drosselklappen-

    fung der Drosselklappensteuerung" im Kapitel "Regelmä-
    ßige Wartung").
Einbau des Seilzugs
• Gaszüge gemäß Kapitel im Anhang einbauen. Lei-
  tungen und Schläuchen"
                         "Verlegung von Seilzügen,

• Die unteren Enden der Gasseilzüge in die Seilzughalte-
  rung am Drosselklappengehäuse einhängen, sobald die
    oberen Enden der Gasseilzüge im Griff montiert sind.
•   Nach dem Einbau jeden Gaszug ordnungsgemäß einstel-
    len (siehe "Prüfung der Drosselklappensteuerung" im Ka-
    pitel "Regelmäßige Wartung").
                         ACHTUNG
    Die Inbetriebnahme mit falsch eingestellten, falsch
    verlegten oder beschädigten Seilzügen kann zu Ge-
    fahrensituationen während der Fahrt führen.

Seilzugschmierung
• Sieheim Kapitel Regelmäßige Wartung (siehe "Schmie-
  teile
        die Anweisungen zur Schmierung der Fahrgestell-

    rung der Fahrgestellteile" im Kapitel "Regelmäßige War-
    tung").
KRAFTSTOFFANLAGE (DFI) 3-129
Drosselklappengehäuse
Prüfung der Leerlaufdrehzahl
• Weiteren Informationen finden Sie im AbschnittWartung".
  der Leerlaufdrehzahl" im Kapitel "Regelmäßige
                                                 "Prüfung


Synchronisationsprüfung
• Weiteren Informationen finden Sie im Abschnitt Motor-
  unterdrucksynchronisation im Kapitel Regelmäßige War-
    tung.
Synchroneinstellung
• Weiteren Informationen finden Sie im Abschnitt Motor-
  unterdrucksynchronisation im Kapitel Regelmäßige War-
    tung.
Ausbau des Drosselklappengehäuses
                        ACHTUNG
    Benzin ist extrem leicht entzündlich und kann unter
    bestimmten Bedingungen explodieren. Den Zünd-
    schalter ausschalten. Das Batteriekabel (–) abzie-
    hen. Nicht rauchen. Der Arbeitsbereich muss gut
    belüftet sowie frei von Funken und offenen Flam-
    men sein; dazu gehört auch jedes Gerät mit Kon-
    trollleuchte.
    Auf auslaufenden Kraftstoff achten: Ausgelaufener
    Kraftstoff muss sofort vollständig aufgenommen
    werden.

• Ausbauen: (siehe "Ausbau des Kraftstofftanks")
   Kraftstofftank
  Luftfiltergehäuse (siehe "Ausbau des Luftfiltergehäuses"
  in diesem Kapitel)
○Um die Kraftstoffzuleitung des Drosselklappengehäuses
 einen Lappen wickeln.
•Abziehen:
  Verbinder der Teillastventil-Stelleinheit [A]
  Verbinder für Teillastsensor [B]
  Verbinder für Hauptdrosselklappensensor [C]
  Verbinder der Primär-Einspritzventile [D]
  Steckverbinder des Wassertemperatursensors [E]
  Klemme [F]
3-130 KRAFTSTOFFANLAGE (DFI)
Drosselklappengehäuse

• Ausbauen:
   Unterdruckschlauch des Unterdruckschalterventils
     Unterdruckschlauch (Modell für Kalifornien)
•   Lockern:
     Klemmschrauben [A]
    Spezialwerkzeug -
             Schlüssel für Vergaserablassschraube, Hex:
                57001-1269 [B]
○Den Schraubenschlüssel von außerhalb des Rahmen an-
    setzen.
•   Das Drosselklappengehäuse aus dem Halter ausbauen.
                        VORSICHT
    Beim Ausbau des Drosselklappengehäuses die
    Hauptdrosselklappen in die Drosselklappenboh-
    rung einsetzen und darauf achten, dass die Ventile
    nicht beschädigt werden.

• Das Drosselklappengehäuse [A] ausbauen,
  Gaszug locker ist.
                                                   damit der




• Ausbauen: [A]
   Schraube
     Halteplatte [B]
     Gaszüge [C]




• Nach Ausbau des Drosselklappengehäuses diesauberen
  klappengehäusehalterungen mit fusselfreien,
                                              Drossel-

    Lappen verschließen.
                        VORSICHT
    Wenn Schmutz in den Motor gelangt, ist ein star-
    ker Motorverschleiß und evtl. ein Motorschaden die
    Folge.
KRAFTSTOFFANLAGE (DFI) 3-131
Drosselklappengehäuse
Einbau des Drosselklappengehäuses
• Die Halterungsklemmschrauben wie dargestellt seiten-
  richtig einbauen.
  Wärmedämmung [A]
  Schraubenköpfe [B]
○Die Bohrung [C] der Klemme in die Nase [D] der Halte-
 rung einpassen.
•Die unteren Enden der Gasseilzüge in die Seilzughalte-
 rung am Drosselklappengehäuse einhängen.
•Ein nicht-permanentes Gewindedichtmittel auftragen.
    Anzugsmoment -
           Schraube der Gaszughalteplatte: 3,9 N·m (0,40
             kgf·m)

                        VORSICHT
    Beim Einbau des Drosselklappengehäuses die
    Hauptdrosselklappen in die Drosselklappenboh-
    rung einsetzen und darauf achten, dass die Ventile
    nicht beschädigt werden.

• Festziehen:
    Anzugsmoment -
           Klemmschrauben der Drosselklappengehäuse-
              halterung: 3,0 N·m (0,30 kgf·m)
• Die ausgebauten Verbinder wieder einbauen. "Verlegung
• Den Seilzügen, Kabeln und Schläuchen" im Anhang ver-
  von
      Unterdruckschlauch wie in dem Abschnitt

    legen.
•   Beim Anbau des Kraftstoffschlauchs entsprechend "Ein-
    bau des Kraftstofftanks" in diesem Kapitel verfahren.

• Einstellen:
   Gasdrehgriffspiel (siehe "Prüfung der Drosselklappen-
     steuerung" im Kapitel "Regelmäßige Wartung")
     Leerlaufdrehzahl (siehe "Einstellung der Leerlaufdreh-
     zahl" im Kapitel "Regelmäßige Wartung")
3-132 KRAFTSTOFFANLAGE (DFI)
Drosselklappengehäuse
Zerlegung des Drosselklappengehäuses




   1. Teillastventil-Stelleinheit
   2. Teillastsensor
   3. Hauptdrosselklappensensor
   4. Drosselklappengehäuse
   5. Einspritzventil
   6. Druckleitung
                      VORSICHT
 Den Hauptdrosselklappensensor, den Teillastsen-
 sor, die Teillastventil-Stelleinheit, den Drossel-
 klappenmechanismus und das Drosselklappenge-
 häuse nicht ausbauen, zerlegen oder einstellen;
 diese Teile wurden bereits im Werk hochgenau
 eingestellt und eingebaut. Bei Einstellung dieser
 Teile kann die Leistung sinken, sodass die Dros-
 selklappe komplett ersetzt werden muss.


• Das Drosselklappengehäuses").
  des
       Drosselklappengehäuse ausbauen (siehe "Ausbau

• Die Schraubender Einspritzventile und die Einspritzdüsen
      Verbinder                     abmontieren.
• vom Drosselklappengehäuse mit der Druckleitung [B] he-
  Die            [A] herausdrehen

 rausziehen.
                     ANMERKUNG
 ○Beim Herausziehen der Einsätze der Einspritzdüsen
  aus dem Drosselklappengehäuse diese Einsätze nicht
  beschädigen.
KRAFTSTOFFANLAGE (DFI) 3-133
Drosselklappengehäuse

• Die Einspritzdüsen [A] aus der Druckleitung [B] ziehen.
                         ANMERKUNG
    ○Beim Herausziehen der Einsätze der Druckleitung aus
      den Einspritzventilen diese Einsätze nicht beschädi-
      gen.

• Die Druckleitungen trennen.

Zusammenbau des Drosselklappengehäuses
• Vor dem Zusammenbau und den Druckleitungen dem
  Drosselklappengehäuse
                        Staub und Schmutz aus
                                              mit
    Druckluft ausblasen.
•   Auf die neuen O-Ringe [A] jedes Einspritzventils Motoröl
    auftragen, sie in die Druckleitung [B] einsetzen und si-
    cherstellen, das die Einspritzventile sich leichtgängig dre-
    hen.
                         ANMERKUNG
    ○Den O-Ring der Einspritzventile und die Staubdichtun-
     gen der Druckleitung ersetzen.

• Motoröl der die neuen Staubdichtungen [A] auftragen und
  die an
          auf
              Druckleitung montierten Einspritzventile ins
    Drosselklappengehäuse einsetzen.
                         ANMERKUNG
    ○Die Staubdichtung des Drosselklappengehäuses erset-
     zen.

• Die Druckleitung am Drosselklappengehäuse anbauen.
    Anzugsmoment -
           Befestigungsschrauben für Druckleitung:          3,4
             N·m (0,35 kgf·m)

• Die Schläuche einzeln in die Verschraubungen am Dros-
  selklappengehäuse einführen.
• Das Drosselklappengehäuses").
  des
        Drosselklappengehäuse einbauen (siehe "Einbau
3-134 KRAFTSTOFFANLAGE (DFI)
Einspritzdüsensatz
Ausbau des Einspritzdüsensatzes
• Den Kraftstofftank aufstellen (siehe "Ausbau des Luftfil-
  tergehäuses").
• Unbedingt ein Tuch [A] um den Kraftstoffschlauchan-
  schluss [B] wickeln.
• Die Klauen der Verbindungsverriegelung [C] zusammen-
  drücken.




• Die Verbindungsverriegelung herausziehen [A], wie in der
  Abbildung gezeigt.
• Denziehen.
  [C]
       Kraftstoffschlauchanschluss [B] aus der Druckleitung

                        ACHTUNG
 Vorkehrung für verspritzen Kraftstoff treffen. Ver-
 spritzter Kraftstoff muss sofort abgewischt werden.
 Bei abgebautem Kraftstoffschlauch fließt Kraftstoff
 aus dem Schlauch und der Leitung, da noch ein
 Restdruck vorhanden ist. Den Schlauchverbinder
 mit einem sauberen Tuch abdecken, um das Aus-
 laufen von Kraftstoff zu vermeiden.

• Ausbauen: des Einspritzdüsensatzes [A]
   Kabelverbinder
   Befestigungsschrauben des Einspritzdüsensatzes [B]
   Einspritzdüsensatz [C]




Einbau des Einspritzdüsensatzes
• Den Einspritzdüsensatz einbauen.
 Anzugsmoment -
        Befestigungsschrauben des Einspritzdüsensat-
          zes: 6,9 N·m (0,70 kgf·m)
• Folgende Teile einbauen:
   Kabelverbinder des Einspritzdüsensatzes
• Den Kraftstoffschlauchanschluss [A] gerade auf die
  Druckleitung schieben, bis er einrastet.
• Die die Schlauchverbindung klickt.zusammendrücken [B],
  bis
      Verbindungsverriegelung [C]

                        ACHTUNG
 Durch Verschieben des Kraftstoffschlauchan-
 schlusses sicherstellen, dass er korrekt am Stut-
 zen angeschlossen ist. Andernfalls kann Kraftstoff
 austreten.
KRAFTSTOFFANLAGE (DFI) 3-135
Einspritzdüsensatz
Zerlegung des Einspritzdüsensatzes
• Den Einspritzdüsensatz ausbauen (siehe "Ausbau des
  Einspritzdüsensatzes").
• Die Schrauben [A] herausdrehen und den Einspritzdü-
  sensatz samt der Druckleitung aus der Trägerplatte zie-
 hen.
                     ANMERKUNG
 ○Beim Herausziehen der Einspritzventile aus der Träger-
   platte diese nicht beschädigen.

• DenEinspritzventile ausabziehen.
      Kraftstoffschlauch
• Die                     der Druckleitung ziehen.
                     ANMERKUNG
 ○Beim Herausziehen der Einspritzventile aus den Druck-
   leitungen die Ventile nicht beschädigen.
Zusammenbau des Einspritzdüsensatzes
• Voraus dem Einspritzdüsensatz und den Druckleitungen
  [B]
      dem Zusammenbau Staub und Schmutz mit Druckluft

 [A] ausblasen.




• Motoröl auf die neuen O-Ringe [A] und Staubdichtungen
  [B] jedes Einspritzventils auftragen.
                     ANMERKUNG
 ○Die O-Ringe und Staubdichtungen der Einspritzventile
   erneuern.




• Motoröl auf die neuen[B] an die [A] auftragen.anbauen.
                        O-Ringe
• Das Verbindungsrohr              Druckleitung
3-136 KRAFTSTOFFANLAGE (DFI)
Einspritzdüsensatz

• Motoröl auf die neuen des Einspritzventils in den Schlitz
                         O-Ringe [A] auftragen.
• [C] in der Druckleitung einpassen.
  Das Anschlussteil [B]




• Motoröl auf die neuen die Trägerplatte einsetzen.
                        Staubdichtungen [A] auftragen.
• Die Druckleitungen in




• Die Schrauben [A] festziehen.
 Anzugsmoment -
        Befestigungsschrauben für Druckleitung:          3,4
          N·m (0,35 kgf·m)




• Motoröl auf den neuen O-Ring [A] auftragen.
• Festziehen:
 Anzugsmoment -
        Befestigungsschraube des Kraftstoffschlauchs
          [B]: 4,9 N·m (0,50 kgf·m)
• Die EinspritzleitungEinspritzleitung").
  (siehe "Prüfung der
                        auf Undichtigkeiten   kontrollieren
KRAFTSTOFFANLAGE (DFI) 3-137
Luftfilter
Ausbau des Luftfilterelements
• Siehe die Kapitel Regelmäßige Wartung (siehe "Wech-
  ments im
            Anweisungen zum Ersetzen des Luftfilterele-

 sel des Luftfilterelements" im Kapitel "Regelmäßige War-
 tung").
Einbau des Luftfilterelements
• Siehe die Kapitel Regelmäßige Wartung (siehe "Wech-
  ments im
            Anweisungen zum Ersetzen des Luftfilterele-

 sel des Luftfilterelements" im Kapitel "Regelmäßige War-
 tung").
Prüfung des Luftfilterelements
• Das Luftfilterelement entfernen (siehe "Wechsel des Luft-
  filterelements" im Kapitel "Regelmäßige Wartung").
• Das Filterelement [A] auf Berststellen oder Risse kontrol-
  lieren.
 Wenn das Element Risse oder Verschleißstellen aufweist,
 das Element ersetzen.




Ausbau des Luftfiltergehäuses
• Die Schraube vorne[A] mit Hilfe Kraftstofftank entfernen.
                      seitlich am
• zeugs oder einer Stange [B] aufstellen.geeigneten Werk-
  Den Kraftstofftank              eines

○Den Lenker gerade stellen.




• Ausbauen:
   Schlauchverbindung (siehe "Ausbau des Einspritzdü-
   sensatzes")
   Steckverbinder des Ansaugluft-Temperatursensors [A]
   Ansaugluftdrucksensor [B]
   Kabelverbinder des Einspritzdüsensatzes [C]




• Ausbauen:
   Luftfiltergehäuseschraube [A]
   Stopfen [B]
3-138 KRAFTSTOFFANLAGE (DFI)
Luftfilter

• Lockern:
   Klemmschrauben des Luftfiltergehäuses [A]




• Ausbauen:[A]
   Klemme
   Motorentlüftungsschlauch [B]
   Klemme [C]
   Ablassschlauch [D]




• Den Schlauch des Unterdruckschaltventils [A] abmontie-
  ren.




Einbau des Luftfiltergehäuses
• Den Schlauch des Unterdruckschalterventils am Luftfilter-
  gehäuse montieren.
• Das Luftfiltergehäuse auf dem Einspritzdüsensatz mon-
  tieren.
○Die Klemmschrauben mit den Köpfen [A] gemäß Abbil-
 dung nach außen weisend einbauen.
○Die Kanäle [B] bis an den Anschlag [C] in das Drossel-
 klappengehäuse schieben.
 Anzugsmoment -
        Klemmschrauben des Luftfiltergehäuses: 2,0
           N·m (0,20 kgf·m)
        Befestigungsschraube des Luftfiltergehäuses:
           6,9 N·m (0,70 kgf·m)




• Folgendeund Motorentlüftungsschläuche
   Ablass-
           Teile einbauen:

   Schlauchverbindung (siehe "Einbau des Einspritzdüsen-
   satzes")
KRAFTSTOFFANLAGE (DFI) 3-139
Luftfilter

• Folgende Teile einbauen: [A]
   Ansaugluft-Temperatursensor
     Ansaugluftdrucksensor [B]
     Haken [C]
•   Kabelbaum und Schlauch gemäß Abbildung verlegen.




Zerlegung des Luftfiltergehäuses
• Ausbauen:
   Luftfiltergehäuse    (siehe "Ausbau des Luftfiltergehäu-
      ses")
      Ansaugluft-Temperatursensor
      Einspritzdüsensatz [A] (siehe "Ausbau des Einspritzdü-
      sensatzes")
      Klemmen [B]
      Kanäle [C]
•   Das Luftfilterelement entfernen (siehe "Wechsel des Luft-
    filterelements" im Kapitel "Regelmäßige Wartung").
Zusammenbau des Luftfiltergehäuses
• Die Nasen [A] am Kanal in die Schlitze [B] am Luftfilter-
  gehäuse einpassen.
• Die Kanäle [C] nicht verdrehen.



• Folgende Teile einbauen: [A]
   Luftfilterrahmen-Dichtung
     Luftfiltergehäuse-Dichtung [B]
     Luftfilterelement-Dichtung [C]
     Luftfilterelement [D]
     Oberes Luftfiltergehäuse [E]
     Schrauben [F]
•   Festziehen:
    Anzugsmoment -
           Luftfiltergehäuseschrauben:       1,1   N·m   (0,11
              kgf·m)
• Folgende Teile einbauen:
   Luftfiltergehäuse (siehe    "Einbau des Luftfiltergehäu-
     ses")
3-140 KRAFTSTOFFANLAGE (DFI)
Luftfilter
Ölablass
  Ein Ablassschlauch ist am Boden des Luftfilters ange-
schlossen, damit das im Luftfilter abgeschiedene Wasser
oder Öl abgelassen werden kann.
• Am Auffangbehälterende des Ablassschlauchs kontrollie-
  ren, ob Wasser oder Öl ausläuft.
  Wenn sich im Schlauch Wasser oder Öl gesammelt hat,
  den Behälter [A] vom Ablassschlauch trennen und die
  Flüssigkeit entleeren.
                        ACHTUNG
    Der Behälter muss nach dem Ablassen des Öls
    wieder am Ablassschlauch angeschlossen werden.
    Öl auf den Reifen verringert die Reifenhaftung und
    kann Unfälle und Verletzungen verursachen.
KRAFTSTOFFANLAGE (DFI) 3-141
Kraftstofftank
Ausbau des Kraftstofftanks
                       ACHTUNG
 Benzin ist extrem leicht entzündlich und kann
 unter bestimmten Bedingungen explodieren. Der
 Arbeitsbereich muss gut belüftet sowie frei von
 Funken und offenen Flammen sein; dazu gehört
 auch jedes Gerät mit Kontrollleuchte. Nicht rau-
 chen. Den Zündschalter ausschalten.
 Vorkehrung für verspritzen Kraftstoff treffen. Ver-
 spritzter Kraftstoff muss sofort abgewischt werden.


• Den Zündschalter ausschalten.
• Den Motor abkühlen lassen.
• Ausbauen:
   Kraftstofftankschrauben [A]




• Ausbauen: (siehe "Ausbau des Vordersitzes" im Kapitel
   Vordersitz
  "Rahmen")
  Batterie-Minusklemme (–) [A]
  Kraftstofftankschraube [B]
  Ablassschlauch [C]
  Kraftstoffpumpen-Verbinder [D]
  Kraftstoff-Rücklaufschlauch (rot, nur Modell für Kalifor-
  nien)
  Kraftstofftank-Belüftungsschlauch (blau, nur Modell für
  Kalifornien)

• Den Tankdeckel [A] öffnen, um den Druck im Kraftstoff-
  tank abzubauen.
3-142 KRAFTSTOFFANLAGE (DFI)
Kraftstofftank

• Den Kraftstoff mit einer handelsüblichen Pumpe [A] aus
  dem Kraftstofftank ablassen.
○Einen weichen Kunststoffschlauch [B] für die Pumpe ver-
 wenden, der sich problemlos einführen lässt.
○Den  Schlauch durch die Tanköffnung [C] in den Tank
 schieben und den Kraftstoff abpumpen.
  Vorn [D]
                        ACHTUNG
 Der Kraftstoff kann nicht vollständig aus dem Kraft-
 stofftank entfernt werden. Auf auslaufenden Rest
 -Kraftstoff achten.

• Unbedingt ein Tuch [A] um den Kraftstoffschlauchan-
  schluss [B] wickeln.
• Einen (–) Schraubendreher in den Schlitz [C] der Verbin-
  dungsverriegelung einsetzen.




• Die Verbindungsverriegelung herausziehen [A], wie in der
  Abbildung gezeigt.
• Die Kraftstoffschlauchverbindung [B] aus der Drucklei-
  tung ziehen.
                        ACHTUNG
 Vorkehrung für verspritzen Kraftstoff treffen. Ver-
 spritzter Kraftstoff muss sofort abgewischt werden.
 Bei abgebautem Kraftstoffschlauch fließt Kraftstoff
 aus dem Schlauch und der Leitung, da noch ein
 Restdruck vorhanden ist. Den Schlauchverbinder
 mit einem sauberen Tuch abdecken, um das Aus-
 laufen von Kraftstoff zu vermeiden.

• Den Kraftstofftankdeckel schließen. einer ebenen Flä-
• Den ablegen. ausbauen, und auf
  che
      Kraftstofftank


• Bei der Ausführung für Kalifornien Folgendes beachten.
                      VORSICHT
 Gelangt bei der Ausführung für Kalifornien Benzin,
 Lösungsmittel, Wasser oder eine andere Flüssig-
 keit in den Aktivkohlebehälter, verringert sich die
 Fähigkeit des Behälters zur Absorption von Kraft-
 stoffdämpfen erheblich. Ein kontaminierter Behäl-
 ter muss erneuert werden.
○Den Rücklaufschlauch für den Kraftstoff mit einer Ver-
 schlussschraube verschließen, damit kein Kraftstoff vor
 dem Ausbau des Kraftstofftanks austritt.
                        ACHTUNG
 Bei der Ausführung für Kalifornien kein Benzin
 durch den Rücklaufschlauch laufen lassen. Ver-
 schütteter Kraftstoff ist gefährlich.
KRAFTSTOFFANLAGE (DFI) 3-143
Kraftstofftank
 Wenn Flüssigkeiten oder Benzin in den Belüftungs-
 schlauch gelangen, den Schlauch abziehen und mit
 Pressluft ausblasen.
○Ein Auslaufen von Kraftstoff aus dem Kraftstofftank ver-
 meiden, da noch Kraftstoff im Kraftstofftank und der Kraft-
 stoffpumpe vorhanden ist.
                        ACHTUNG
    Den Kraftstofftank in einem Arbeitsbereich lagern,
    der gut belüftet sowie frei von Funken und offenen
    Flammen ist. In diesem Bereich nicht rauchen. Den
    Kraftstofftank auf einer ebenen Fläche ablegen und
    die Kraftstoffleitung mit Stopfen verschließen, da-
    mit kein Kraftstoff austritt.

Einbau des Kraftstofftanks
• Den des Kraftstofftanks").
  bau
      oben aufgeführten ACHTUNG beachten (siehe "Aus-

• Die Schläuche korrekt verlegen (sieheSchläuchen" im
  legung von Seilzügen, Kabeln und
                                        Abschnitt "Ver-

 Anhang).
•Bei der Ausführung für Kalifornien Folgendes beachten.
○Damit kein Benzin in den Behälter fließen oder von dort
 herausfließen kann, den Behälter lotrecht zum Boden hal-
 ten.
○Die Schläuche entsprechend dem Systemdiagramm an-
 schließen (siehe Abschnitt "Verlegung von Seilzügen, Ka-
 beln und Schläuchen" im Anhang). Knicke oder Perforie-
 rungen vermeiden.
○Die Schläuche möglichst geradlinig verlegen, damit Luft
 bzw. Kraftstoffdämpfe nicht behindert werden.

• Die Verbindungsverriegelung gemäß Abbildung anbrin-
  gen [A].




• Den Kraftstoffschlauchanschlusseinrastet. auf die
  Druckleitung [B] schieben, bis er
                                      [A] gerade

• Die Schlauchverbindung klickt.[C] zusammendrücken, bis
  die
      Verbindungsverriegelung




• Den Kraftstoffpumpen-Steckverbinder und das Batterie
  -Minuskabel (–) anklemmen.
3-144 KRAFTSTOFFANLAGE (DFI)
Kraftstofftank
Prüfung des Kraftstofftanks und Tankdeckels
• Die Dichtung [A] am Tankdeckel auf Beschädigungen
  kontrollieren.
    Eine beschädigte Dichtung ersetzen.
•   Die Wasserablassleitung [B] und die Entlüftungsleitung
    für den Kraftstofftank [C] (Modell für Kalifornien) auf Ver-
    stopfung kontrollieren. Auch das Tankdeckelventil prüfen.
    Sind diese verstopft, den Tank ausbauen und entleeren,
    und dann den Entlüftungsfilter mit Druckluft durchblasen.
                          VORSICHT
    Keine Pressluft an den Belüftungsöffnungen [D] im
    Tankdeckel anlegen. Dadurch kann die Labyrinth-
    dichtung im Motorkühlerdeckel beschädigt werden
    und sich zusetzen.
Reinigung des Kraftstofftanks
                           ACHTUNG
    Den Tank in einem gut belüfteten Bereich reinigen,
    in dessen Nähe keine offenen Flammen oder Fun-
    ken auftreten. Aufgrund der Gefahr, die mit leicht
    entflammbaren Flüssigkeiten verbunden ist, kein
    Benzin und keine Lösungsmittel mit niedrigem
    Flammpunkt zur Reinigung verwenden.

• Den Kraftstofftank ausbauen (siehe "Ausbau des Kraft-
  stofftanks").
• Die Kraftstoffpumpe ausbauen (siehe "Ausbau der Kraft-
  stoffpumpe").
• Etwas Lösungsmittel mit hohem Flammpunkt in den Kraft-
  stofftank schütten und schütteln, damit sich Schmutz- und
    Kraftstoffrückstände lösen.
•   Das Lösungsmittel aus dem Kraftstofftank absaugen oder
    abpumpen.
•   Den Kraftstofftank mit Pressluft trocknen.
•   Die Kraftstoffpumpe einbauen (siehe "Einbau der Kraft-
    stoffpumpe").
•   Den Kraftstofftank einbauen (siehe "Einbau des Kraft-
    stofftanks").
KRAFTSTOFFANLAGE (DFI) 3-145
Tankdunstsystem (Modelle für Kalifornien)
  Das Tankdunstsystem führt die Kraftstoffdämpfe aus der
Kraftstoffanlage dem laufenden Motor zu bzw. speichert die
Kraftstoffdämpfe bei gestopptem Motor in einem Behälter.
Obwohl keine Einstellungen erforderlich sind, muss in den
in der Tabelle "Regelmäßige Wartung" angegebenen Inter-
vallen eine gründliche Prüfung erfolgen.
Ausbau/Einbau der Teilen
                          ACHTUNG
    Benzin ist extrem leicht entzündlich und kann unter
    bestimmten Bedingungen explodieren. Den Zünd-
    schalter ausschalten. Nicht rauchen. Der Arbeits-
    bereich muss gut belüftet sowie frei von Funken
    und offenen Flammen sein; dazu gehört auch jedes
    Gerät mit Kontrollleuchte.

                        VORSICHT
    Gelangt Benzin, Lösungsmittel, Wasser oder eine
    andere Flüssigkeit in den Aktivkohlebehälter, dann
    verringert sich die Fähigkeit des Behälters zur Ab-
    sorption von Kraftstoffdämpfen erheblich. Ein kon-
    taminierter Behälter muss erneuert werden.

• Damit kein Benzin inden Behälter lotrecht zum Boden dort
  herausfließen kann,
                       den Behälter fließen oder von
                                                      hal-
    ten.
•   Die Schläuche entsprechend dem Systemdiagramm an-
    schließen (siehe Abschnitt "Verlegung von Seilzügen, Ka-
    beln und Schläuchen" im Anhang). Knicke oder Perforie-
    rungen vermeiden.
Prüfung der Schläuche
• Weiteren Informationen finden Sie im"Regelmäßige War-
  des Tankdunstsystems" im Kapitel
                                       Abschnitt "Prüfung

    tung".
Prüfung des Abscheiders
• Weiteren Informationen finden Sie im"Regelmäßige War-
  des Tankdunstsystems" im Kapitel
                                       Abschnitt "Prüfung

    tung".
     Abscheider [A]
3-146 KRAFTSTOFFANLAGE (DFI)
Tankdunstsystem (Modelle für Kalifornien)
Funktionsprüfung des Abscheiders
                          ACHTUNG
    Benzin ist extrem leicht entzündlich und kann unter
    bestimmten Bedingungen explodieren. Den Zünd-
    schalter ausschalten. Nicht rauchen. Der Arbeits-
    bereich muss gut belüftet sowie frei von Funken
    und offenen Flammen sein; dazu gehört auch jedes
    Gerät mit Kontrollleuchte.

• Die Schläuche Motorrad einbauen. verbinden und den
  Abscheider im
                 mit dem Abscheider

• Den20 ml Benzin [A] durchvom Schlauchanschluss in den
  ca.
      Entlüftungsschlauch
                            den
                                Abscheider abziehen und

    Abscheider [B] einspritzen.
•   Den Rücklaufschlauch [C] vom Kraftstofftank [D] lösen.
•   Das offene Ende des Rücklaufschlauchs auf gleicher
    Höhe mit der Oberkante des Kraftstofftanks [E] zum
    Behälter führen.
•   Den Motor starten und im Leerlauf drehen lassen.
    Wenn das Benzin im Abscheider aus dem Schlauch aus-
    tritt, funktioniert der Abscheider einwandfrei. Anderen-
    falls den Abscheider erneuern.
Prüfung des Aktivkohlebehälters
• Weiteren Informationen finden Sie im"Regelmäßige War-
  des Tankdunstsystems" im Kapitel
                                       Abschnitt "Prüfung

    tung".
                       ANMERKUNG
    ○Der Behälter [A] ist während der gesamten Nutzungs-
     dauer des Motorrades wartungsfrei, wenn er unter nor-
     malen Bedingungen verwendet wird.
KÜHLSYSTEM 4-1




                                                  Kühlsystem
                                                 INHALTSVERZEICHNIS
Explosionszeichnung..............................................................................................................               4-2
Technische Daten ...................................................................................................................            4-4
Spezialwerkzeuge ..................................................................................................................             4-5
Flussdiagramm der Kühlflüssigkeit.........................................................................................                      4-6
Kühlflüssigkeit.........................................................................................................................        4-8
   Prüfung der Kühlflüssigkeit auf Alterung...........................................................................                          4-8   4
   Prüfung des Kühlflüssigkeitsstands ..................................................................................                        4-8
   Ablassen der Kühlflüssigkeit .............................................................................................                   4-8
   Auffüllen der Kühlflüssigkeit..............................................................................................                  4-8
   Druckprüfung ....................................................................................................................            4-8
   Spülung des Kühlsystems.................................................................................................                     4-9
   Ausbau des Kühlflüssigkeits-Ausgleichsbehälters............................................................                                  4-9
   Einbau des Kühlflüssigkeits-Ausgleichsbehälters.............................................................                                4-10
Wasserpumpe ........................................................................................................................           4-11
   Ausbau der Wasserpumpe ...............................................................................................                      4-11
   Einbau der Wasserpumpe ................................................................................................                     4-11
   Ausbau/Einbau des Wasserpumpen-Flügelrads...............................................................                                    4-11
   Prüfung des Wasserpumpen-Flügelrads ..........................................................................                              4-11
   Zerlegung des Wasserpumpengehäuses .........................................................................                                4-11
   Zusammenbau des Wasserpumpengehäuses .................................................................                                      4-12
   Prüfung der mechanischen Dichtung................................................................................                           4-12
Kühler .....................................................................................................................................   4-13
   Ausbau des Motorkühlers und Motorkühlergebläses........................................................                                     4-13
   Einbau des Motorkühlers und Motorkühlergebläses.........................................................                                    4-14
   Prüfung des Motorkühlers.................................................................................................                   4-17
   Prüfung des Kühlerdeckels ...............................................................................................                   4-18
   Prüfung des Kühlereinfüllstutzens ....................................................................................                      4-18
Thermostat .............................................................................................................................       4-19
   Ausbau des Thermostaten................................................................................................                     4-19
   Einbau des Thermostaten.................................................................................................                    4-19
   Prüfung des Thermostaten ...............................................................................................                    4-20
Schläuche und Leitungen .......................................................................................................                4-21
   Einbau der Schläuche.......................................................................................................                 4-21
   Prüfung der Schläuche .....................................................................................................                 4-21
Wassertemperatursensor .......................................................................................................                 4-22
   Ausbau des Wassertemperatursensors ............................................................................                             4-22
   Prüfung des Wassertemperatursensors ...........................................................................                             4-22
4-2 KÜHLSYSTEM
Explosionszeichnung
KÜHLSYSTEM 4-3
Explosionszeichnung

                                                          Anzugsmoment
 Nr.                 Verbindungselement                                  Anmerkungen
                                                          N·m    kgf·m
 1     Halteschraube für Kühlflüssigkeit-Bypass            8,8    0,90        L
 2     Kühlflüssigkeits-Ablassschraube (Bremszylinder)     9,8     1,0
 3     Kühlflüssigkeits-Ablassschraube (Wasserpumpe)       8,8    0,90
       Befestigungsschrauben des Kühlflüssigkeits
 4                                                        7,0     0,70
       -Ausgleichsbehälters
 5     Flügelradschraube                                  9,8     1,0
 6     Befestigungsschrauben des Ölkühlers                 20     2,0
  7    Befestigungsschraube der Kühlerhalterung           9,8      1,0
  8    Untere Kühlerschraube                              6,9     0,70
  9    Obere Kühlerschraube                               9,8      1,0
 10    Thermostatgehäuse-Deckelschrauben                  5,9     0,60
 11    Klemmschrauben des Wasserschlauchs                 2,0     0,20
 12    Wasserschlauch-Halteschrauben (Zylinder)           9,8      1,0
       Wasserschlauch-Halteschrauben (Zylinderkopfde-
 13                                                        15     1,5         L
       ckel)
 14    Wasserpumpen-Deckelschrauben                        12     1,2         L
 15    Wassertemperatursensor                              25     2,5        SS
 G: Fett auftragen.
HG: Hochtemperaturfett auftragen.
 L: Ein nicht-permanentes Gewindedichtmittel auftragen.
 R: Ersatzteile
 S: Die vorgeschriebene Anzugsreihenfolge einhalten.
SS: Silikondichtmittel auftragen.
 W: Wasser auftragen.
4-4 KÜHLSYSTEM
Technische Daten

               Teil                                         Standard
Kühlflüssigkeit bei Auslieferung
 Typ (empfohlen)                 Permanentes Frostschutzmittel (weiches Wasser und
                                 Ethylenglykol sowie Zusätze von chemischen Korrosions- und
                                 Rostschutzmitteln für Aluminiummotoren und Motorkühler)
 Farbe                           Grün
 Mischungsverhältnis             Entkalktes Wasser 50%, Kühlmittel 50%
 Gefrierpunkt                    –35°C
 Gesamtmenge                     2,6 l (bei vollem Ausgleichsbehälter einschließlich Kühler und
                                 Motor)
Kühlerdeckel
 Öffnungsdruck                     93 ∼ 123 kPa (0,95 ∼ 1,25 kgf/cm²)
Thermostat
 Ventilöffnungstemperatur          58 ∼ 62°C
 Ventilhub bei voller Öffnung      mindestens 8 mm bei 75°C
KÜHLSYSTEM 4-5
Spezialwerkzeuge
Lagertreiber,   32:   Lagertreibersatz:
57001-382             57001-1129
4-6 KÜHLSYSTEM
Flussdiagramm der Kühlflüssigkeit
KÜHLSYSTEM 4-7
Flussdiagramm der Kühlflüssigkeit
  Permanentes Frostschutzmittel als Kühlflüssigkeit schützt das Kühlsystem vor Rost und Korrosion.
Wenn der Motor startet, dreht sich die Wasserpumpe und die Kühlflüssigkeit zirkuliert.
  Der Thermostat ist ein Wachspelletthermostat, der bei Änderungen der Kühlflüssigkeitstemperatur
öffnet bzw. schließt. Der Thermostat ändert laufend seine Ventilöffnung, um die Kühlflüssigkeits-
temperatur konstant zu halten. Beträgt die Kühlflüssigkeitstemperatur weniger als 55°C, schließt der
Thermostat, so dass die Kühlmittelflüssigkeit durch die Entlüftungsbohrung zirkulieren muss und sich
der Motor schneller aufwärmt. Liegt die Kühlflüssigkeitstemperatur über 58 ∼ 62°C, öffnet der Ther-
mostat, und die Kühlflüssigkeit fließt heraus.
  Übersteigt die Kühlflüssigkeitstemperatur 100°C, schließt das Kühlerlüfterrelais und der Lüfter be-
ginnt zu drehen. Der Kühlerlüfter saugt Luft durch den Wärmetauscher, wenn bei niedriger Fahr-
geschwindigkeit der Luftstrom allein nicht ausreicht. Dadurch wird die Kühlwirkung des Motorkühlers
verbessert. Wenn die Kühlflüssigkeitstemperatur unter 97°C absinkt, öffnet das Kühlerlüfterrelais und
schaltet den Kühlerlüfter aus.
  Auf diese Weise kontrolliert dieses System selbst bei veränderlicher Motorlast die Motortemperatur
in dem engen Bereich, in dem der Motor am effektivsten arbeitet.
  Das System steht durch den Kühlerdeckel unter Druck, um ein Sieden und eine Blasenbildung mit
einer Überhitzung des Motors zu vermeiden. Wenn sich der Motor aufwärmt, dehnt sich die Kühlflüs-
sigkeit im Motorkühler und im Kühlmantel des Motors aus. Die überschüssige Kühlflüssigkeit fließt
über den Kühlerdeckel und den Schlauch zum Ausgleichsbehälter und wird dort vorübergehend ge-
speichert. Wenn sich dagegen der Motor abkühlt, zieht sich die Kühlflüssigkeit im Motorkühler und
im Kühlmantel des Motors zusammen und die gespeicherte Kühlflüssigkeit fließt vom Ausgleichsbe-
hälter zurück zum Kühler.
  Der Kühlerdeckel besitzt zwei Ventile. Das eine davon ist ein Druckventil, das den Druck im System
bei laufendem Motor konstant hält. Wenn der Druck 93 ∼ 123 kPa (0,95 ∼ 1,25 kgf/cm²) übersteigt,
öffnet das Druckventil und entspannt den Druck im Ausgleichsbehälter. Sobald der Druck ausgegli-
chen ist, schließt das Ventil, und der Druck bleibt bei 93 ∼ 123 kPa (0,95 ∼ 1,25 kgf/cm²). Wenn sich
der Motor abkühlt, öffnet ein anderes kleines Ventil (Unterdruckventil) im Kühlerdeckel. Wenn sich
die Kühlflüssigkeit abkühlt, zieht sich die Kühlflüssigkeit zusammen und erzeugt einen Unterdruck im
Kühlsystem. Das Unterdruckventil öffnet und die Kühlflüssigkeit kann aus dem Ausgleichsbehälter in
den Kühler fließen.
4-8 KÜHLSYSTEM
Kühlflüssigkeit
Prüfung der Kühlflüssigkeit auf Alterung
• Die Kühlflüssigkeitwatteartige Tafeln abgeschieden wer-
  Wenn weißliche,
                      im Ausgleichsbehälter überprüfen.

    den, wurden die Aluminiumteile des Kühlsystems ange-
    griffen. Ist die Kühlflüssigkeit braun, enthält sie Rost von
    Eisen- oder Stahlteilen. In beiden Fällen das Kühlsystem
    spülen.
    Riecht die Kühlflüssigkeit ungewöhnlich, das Kühlsystem
    auf Leckstellen prüfen. Die Ursache können Abgase sein,
    die in das Kühlsystem gelangen.
Prüfung des Kühlflüssigkeitsstands
• Siehe "PrüfungWartung".
  "Regelmäßige
                 des Kühlflüssigkeitsstands" im Kapitel


Ablassen der Kühlflüssigkeit
• SieheWartung". der Kühlflüssigkeit" im Kapitel "Regelmä-
  ßige
        "Wechsel


Auffüllen der Kühlflüssigkeit
• SieheWartung". der Kühlflüssigkeit" im Kapitel "Regelmä-
  ßige
        "Wechsel


Druckprüfung
• Ausbauen:
   Rechte Innenabdeckung (siehe "Ausbau der Innenabde-
  ckung" im Kapitel "Rahmen")
  Kühlerdeckel [A]
○Den Kühlerdeckel in zwei Schritten abnehmen. Zunächst
 den Deckel bis zum ersten Anschlag nach links drehen.
 Danach den Motorkühlerdeckel eindrücken und weiter-
 drehen, bis er sich abnehmen lässt.


• Das anbauen. für das Kühlsystem [A] am Einfüllstut-
  zen
      Druckprüfgerät

                         ANMERKUNG
    ○Auf die Dichtung des Kühlerdeckels Wasser oder Kühl-
     flüssigkeit auftragen, damit sie druckdicht ist.

• Vorsichtig im System Druck aufbauen, bis der Druck 123
  kPa (1,25 kgf/cm²) erreicht.
                          VORSICHT
    Bei der Druckprüfung den zulässigen Systemdruck
    nicht überschreiten. Der Maximaldruck beträgt 123
    kPa (1,25 kgf/cm²).

• Die Anzeige mindestens 6 Sekunden lang kontrollieren.
  Bleibt der Druck erhalten, funktioniert das System ein-
    wandfrei.
    Wenn der Druck abfällt und keine externe Ursache gefun-
    den werden kann, auf interne Undichtheit prüfen. Tröpf-
    chen im Motoröl sind Zeichen für interne Lecks. Die Zy-
    linderkopfdichtung und die Wasserpumpe prüfen.
•   Das Druckprüfgerät entfernen, Kühlflüssigkeit auffüllen,
    und den Kühlerdeckel aufsetzen.
KÜHLSYSTEM 4-9
Kühlflüssigkeit
Spülung des Kühlsystems
  Im Laufe der Zeit lagern sich im Kühlsystem Rost, Kessel-
stein und Zunder im Kühlmantel und Motorkühler ab. Wer-
den solche Ablagerungen vermutet oder erkannt, das Kühl-
system spülen. Wenn diese Ablagerungen nicht entfernt
werden, setzt sich der Wasserkanal zu, und die Wirksam-
keit des Kühlsystems wird deutlich reduziert.
• Die Kühlflüssigkeit ablassen (siehe "Wechsel der Kühl-
  flüssigkeit" im Kapitel "Regelmäßige Wartung").
• Das Kühlsystem mit frischem Wasser und einem Zusatz
  von Spülflüssigkeit auffüllen.
                        VORSICHT
    Keine Spülflüssigkeitszusätze verwenden, die die
    Aluminiumteile von Motor und Kühler angreifen.
    Die Anweisungen des Reinigungsmittelherstellers
    genau befolgen.

• Den Motor warmlaufen undweiter laufen lassen.Betriebs-
  temperatur ca. 10 Minuten
                             dann bei normaler

• Den System mit frischem das Kühlsystem entleeren.
       Motor abstellen und
• Den Motor warmlaufen lassen und füllen. entleeren.
  Das                      Wasser
• Die vorhergehenden beiden Schritte nochmals wiederho-
                                    das System
• len.
• Das System mit (siehe "Wechsel der Kühlflüssigkeit"das
  System entlüften
                    Dauerkühlflüssigkeit befüllen und
                                                      im
    Kapitel "Regelmäßige Wartung").
Ausbau des Kühlflüssigkeits-Ausgleichsbehälters
• Ausbauen: Verkleidung (siehe "Ausbau der mittleren
   Linke mittlere
     Verkleidung" im Kapitel "Rahmen")
     Befestigungsschrauben          des        Kühlflüssig-
     keits-Ausgleichsbehälters [A]
•   Den Deckel [B] abnehmen und die Kühlflüssigkeit in einen
    Behälter gießen.
•   Ausbauen:
     Kühlerüberlaufschlauch [C]
     Ausgleichsbehälter-Überlaufschlauch [D]
     Kühlmittel-Ausgleichsbehälter [E]
4-10 KÜHLSYSTEM
Kühlflüssigkeit
Einbau des Kühlflüssigkeits-Ausgleichsbehälters
• Unbedingt das Eckstück [A] am Kühlflüssigkeits
  -Ausgleichsbehälter [B] anbringen.
• Folgende Teile am Kühlflüssigkeits-Ausgleichsbehälter
  montieren.
     Gummidämpfer [C]
     Hülsen [D]
     Dichtung [E]
     Kappe [F]
•   Festziehen:
    Anzugsmoment -
           Befestigungsschrauben     für     Kühlflüssig-
             keits-Ausgleichsbehälter [G]: 7,0 N·m (0,70
             kgf·m)
• Die Schläuche korrekt verlegen (sieheSchläuchen" im
  legung von Seilzügen, Kabeln und
                                        Abschnitt "Ver-

    Anhang).
•   Den Kühlflüssigkeits-Ausgleichsbehälter mit Kühlflüssig-
    keit auffüllen (siehe "Wechsel der Kühlflüssigkeit" im Ka-
    pitel "Regelmäßige Wartung").
KÜHLSYSTEM 4-11
Wasserpumpe
Ausbau der Wasserpumpe
• Weitere Informationen finden Sie im Abschnitt "Ausbau
  der Ölpumpe" im Kapitel "Motorschmieranlage".
Einbau der Wasserpumpe
• Siehe Hinweise zum Einbau der Ölpumpe im Kapitel "Mo-
  torschmieranlage".
Ausbau/Einbau des Wasserpumpen-Flügelrads
• Das Flügelrad ausbauen (siehe "Ausbau der Ölpumpe"
  im Kapitel "Motorschmieranlage").
• Derder Hand und die Gummidichtung lassen sich einfach
  mit
      Dichtsitz
                entfernen.
• den Dichtsitz auftragen.
  Kühlflüssigkeit auf die Flächen der Gummidichtung und

• Die Gummidichtung [A] und den DichtungssitzDichtungs-
  Hand in den Pumpenrotor eindrücken, bis der
                                              [B] mit der

    sitz an der Unterseite der Bohrung anstößt.
•   Die Rotorschraube mit dem vorgeschriebenen Anzugs-
    moment festziehen.
    Anzugsmoment -
           Flügelradschraube: 9,8 N·m (1,0 kgf·m)

Prüfung des Wasserpumpen-Flügelrads
• Linke untere VerkleidungKapitel "Rahmen"). "Ausbau der
  unteren Verkleidung" im
                           ausbauen (siehe

• Den Ablasskanal [A] am Boden der Wasserpumpe auf
  austretende Kühlflüssigkeit prüfen.
    Wenn die mechanische Dichtung beschädigt ist, tritt
    Kühlflüssigkeit durch die Dichtung und gelangt in den
    Kanal. Die mechanische Dichtung erneuern (siehe "Zer-
    legung/Zusammenbau des Wasserpumpengehäuses").


• Den Wasserpumpendeckel abbauen (siehe "Ausbau der
  Ölpumpe" im Kapitel "Motorschmiersystem").
• Das Flügelrad [A] visuell kontrollieren. wenn die Flügel
  Wenn die Oberfläche korrodiert ist oder
    beschädigt sind, das Flügelrad ersetzen.




Zerlegung des Wasserpumpengehäuses
                        VORSICHT
    Die hohle Wand des Wasserpumpengehäuses nicht
    beschädigen.

• Eine Stange [A] inalle Teile der Unterseite einführen und
  gleichmäßig auf
                     das Pumpengehäuse [B]
                                              der mechani-
    schen Dichtung [C] schlagen.
4-12 KÜHLSYSTEM
Wasserpumpe

• Die entfernen. [A] mit einem Haken [C] aus dem Gehäuse
  [B]
      Öldichtung




Zusammenbau des Wasserpumpengehäuses
                      VORSICHT
 Die mechanische Dichtung und die Öldichtung
 nicht wieder verwenden.

• Hochtemperaturfett auf dieeinem Lagertreiber [B] in das
                             Öldichtlippen [A] auftragen.
• Die neue eindrücken, mit sie an der Unterkante [C] des
  Gehäuse
           Öldichtung
                       bis
 Gehäuses anstößt.
 Spezialwerkzeug -
          Lagertreibersatz: 57001-1129

                      VORSICHT
 Die Dichtfläche der mechanischen Dichtung nicht
 beschädigen.

• Die neue mechanische Dichtung mit dembis der Flansch
  werkzeug [A] in das Gehäuse drücken,
                                       Lagermontage-

 [B] an Fläche [C] des Gehäuses anstößt.
 Spezialwerkzeug -
          Lagertreiber,   32: 57001-382


Prüfung der mechanischen Dichtung
• Das Flügelrad ausbauen (siehe "Ausbau der Ölpumpe"
  im Kapitel "Motorschmieranlage").
• Die mechanische Dichtung visuellmechanische Dichtung
  Wenn Teile beschädigt sind, die
                                    überprüfen.

 als eine Baugruppe ersetzen.
  Flügelrad-Dichtfläche [A]
  Gummidichtung [B]
  Mechanische Dichtung [C]
KÜHLSYSTEM 4-13
Kühler
Ausbau des Motorkühlers und Motorkühlerge-
bläses
• Die Kühlflüssigkeit ablassen (siehe "Wechsel der Kühl-
  flüssigkeit" im Kapitel "Regelmäßige Wartung").
• Ausbauen:
    Rechte mittlere Verkleidung (siehe "Ausbau der mittle-
   ren Verkleidung" im Kapitel "Rahmen")
   Wasserschläuche [A]
   Kühlerlüfter-Kabelverbinder [B]


• Ausbauen:
   Kühlmittel-Ausgleichsbehälter (siehe "Ausbau des Kühl-
   flüssigkeits-Ausgleichsbehälters")
   Abscheider (Modell für Kalifornien) [A]
   Kühlwasserschlauch [B]




• Die untere Motorkühlerschraube [A] herausdrehen.




• Ausbauen:
   Rechte Motorkühlerschraube [A]
   Hupe [B]




• Ausbauen:
   Linke Motorkühlerschraube [A]
   Kühler [B]
                       VORSICHT
 Keinesfalls den Wärmetauscher berühren. Dadurch
 können die Kühllamellen beschädigt werden, wo-
 durch sich die Kühlwirkung verschlechtert.
4-14 KÜHLSYSTEM
Kühler
○Schraube [A] und Kühlerhalterung [B] nach Bedarf entfer-
 nen.




• Ausbauen:
   Kühlerlüfter-Halterungen [A]
   Kühlerlüfter [B]




Einbau des Motorkühlers und Motorkühlerge-
bläses
• DasGummidämpfer [B] und Hülsen [C] gemäß Abbildung
      Motorkühlergebläse [A] einbauen.
• Die
  anbringen.
KÜHLSYSTEM 4-15
Kühler
Freie Seite
4-16 KÜHLSYSTEM
Kühler
 Falls die Kühlerhalterung [A] entfernt worden ist, diese
 wieder einbauen.
 Anzugsmoment -
        Befestigungsschraube der Kühlerhalterung [B]:
          9,8 N·m (1,0 kgf·m)
• Die Hupe [C] montieren.
• Festziehen:
 Anzugsmoment -
        Obere Kühlerschraube [D]: 9,8 N·m (1,0 kgf·m)
        Untere Motorkühlerschraube [E]: 6,9 N·m (0,70
          kgf·m)
• Das Kabel des [G] verlegen.
  Kupplungszugs
                   Motorkühlergebläses [F] oberhalb des

• Diemüssen inMarkierungen [H]RichtungKühlerschläuchen
  [I]
      weißen
               die abgebildete
                               an den
                                       weisen.
• gen.
  Die Wasserschlauchschellen [J] wie abgebildet anbrin-

   Draufsicht [K]
 Anzugsmoment -
        Klemmschrauben des Wasserschlauchs:             2,0
           N·m (0,20 kgf·m)
• Bei der Ausführung für Kalifornien den Abscheider [L] an-
  bringen.
 Anzugsmoment -
        Befestigungsschraube der Abscheiderhalterung
          [M]: 0,8 N·m (0,08 kgf·m)
○Die Schläuche des Behälters und des Abscheiders ge-
 mäß Abschnitt "Verlegung von Seilzügen, Kabeln und
 Schläuchen" im Anhang verlegen.
KÜHLSYSTEM 4-17
Kühler




Prüfung des Motorkühlers
• Den Motorkühler ausbauen (siehe "Ausbau des Motor-
  kühlers und Motorkühlergebläses").
• Den Motorkühlerkern überprüfen. vorhanden sind,
  Wenn Hindernisse für den Luftstrom
 diese beseitigen.
 Falls die gewellten Lamellen [A] verbogen sind, diese vor-
 sichtig ausrichten.
 Wenn der Luftstrom durch den Motorkühlerkern durch
 nicht entfernbare Hindernisse oder irreparabel defor-
 mierte Kühlerlamellen um mehr als 20 % behindert wird,
 den Motorkühler durch einen neuen ersetzen.
4-18 KÜHLSYSTEM
Kühler
                        VORSICHT
  Bei Reinigung des Motorkühlers mit einem Dampf-
  sprühgerät Folgendes berücksichtigen, um eine
  Beschädigung des Motorkühlers zu vermeiden:
  Mit der Dampfstrahlpistole [A] mindestens 0,5 m
  Abstand [B] vom Motorkühlerkern einhalten. Die
  Dampfstrahlpistole senkrecht [C] (nicht schräg [D])
  zum Motorkühlerkern halten. Mit der Dampfsprüh-
  pistole entlang der Kernlamellen reinigen.

Prüfung des Kühlerdeckels
• Den Kühlerdeckel unteren [A](sieheder oberen [B] Ventil-
                   entfernen          "Druckprüfung").
• dichtung sowie der Ventilfeder [C] prüfen.
  Den Zustand der               und

  Wenn eines dieser Teile sichtbare Beschädigungen auf-
  weist, den Kühlerdeckel ersetzen.




• Den Kühlerdeckel [A] an das Druckprüfgerät [B] für das
  Kühlsystem anschließen.
                       ANMERKUNG
  ○Auf die Dichtung des Kühlerdeckels Wasser oder Kühl-
    flüssigkeit auftragen, damit sie druckdicht ist.

• Die Anzeige auf dem Manometer kontrollieren und den
  Druck des Kühlerabdrückgeräts erhöhen, bis das Druck-
  entlastungsventil anspricht: Der Zeiger des Messgeräts
  muss ruckartig zurückgehen. Den Pumpvorgang stop-
  pen und einmal die Leckzeit messen. Das Druckentlas-
  tungsventil muss innerhalb der in der Tabelle angegebe-
  nen Sollwerte ansprechen, und das Manometer den be-
  treffenden Sollwert mindestens 6 Sekunden lang anzei-
  gen.
  Öffnungsdruck des Kühlerdeckels
    Standard: 93 ∼ 123 kPa (0,95 ∼ 1,25 kgf/cm²)
  Wenn der Deckel den vorgeschriebenen Druck nicht hal-
  ten kann, oder erst bei einem deutlich höheren Druck an-
  spricht, den Deckel durch einen neuen ersetzen.
Prüfung des Kühlereinfüllstutzens
• Den Kühlereinfüllöffnung auf(siehe "Druckprüfung").
       Kühlerdeckel entfernen
• chen.
  Die                            Beschädigungen untersu-

• Den Zustand des oberen und unteren müssen glatt und
  Einfüllstutzen kontrollieren. Alle Teile
                                           Dichtsitzes [A] im

  sauber sein, damit der Kühlerdeckel einwandfrei funktio-
  niert.
KÜHLSYSTEM 4-19
Thermostat
Ausbau des Thermostaten
• Ausbauen:(siehe "Ausbau des Ölkühlers" im Kapitel "Mo-
   Ölkühler
  torschmieranlage")
  Wasserschlauch [A]




• Ausbauen:
   Thermostatgehäuse-Deckelschrauben [A]
  Halterung [B]
  Thermostatgehäusedeckel [C]
  Thermostat




Einbau des Thermostaten
• Den Thermostaten [A] mit nach oben weisender Entlüf-
  tungsöffnung [B] einsetzen.




• Den Wasserschlauch [A] soKontaktfläche [C] die weiße
  Markierung [B] parallel zur
                              einbauen, dass
                                             des Ther-
 mostatgehäusedeckels verläuft.




• Den neuen O-Ring einfetten.
       O-Ring [A] erneuern.
• Den Thermostatgehäusedeckel [B] mit einem neuen O
  Den
• -Ring versehen.
• Die Halterung [C] montieren.
• Festziehen:
 Anzugsmoment -
        Thermostatgehäuse-Deckelschrauben [D]: 5,9
          N·m (0,60 kgf·m)
4-20 KÜHLSYSTEM
Thermostat

• Die Wasserschlauchschelle [A] wie abgebildet anbringen.
   Draufsicht [B]
• Festziehen:
 Anzugsmoment -
        Wasserschlauch-Klemmschraube: 2,0 N·m (0,20
          kgf·m)
• Den Ölkühler einbauen (siehe "Einbau des Ölkühlers" im
  Kapitel "Motorschmieranlage").
• DenKühlflüssigkeit" im Kapitel "Regelmäßige Wartung").
  der
       Kühler mit Kühlflüssigkeit auffüllen (siehe "Wechsel


Prüfung des Thermostaten
• Den Thermostaten ausbauen (siehe "Ausbau des Ther-
  mostaten" in diesem Kapitel).
• Das Thermostatventil [A] bei Zimmertemperatur überprü-
  fen.
 Wenn das Ventil offen ist, den Thermostaten durch einen
 neuen ersetzen.




• Zur[A] in einen Behälter mit Wasser hängenden Thermos-
  tat
      Kontrolle der Ventilöffnungstemperatur
                                             und die Was-
 sertemperatur erhöhen.
○Schalter und Thermometer dürfen weder die Wand noch
 den Boden des Behälters berühren. Ein genaues Ther-
 mometer [B] in das Wasser hängen, sodass die Thermo-
 meterspitzen [C] annähernd in der gleichen Tiefe hängen.
 Auch der Behälter darf nicht berührt werden.
 Liegt der Messwert außerhalb des Sollwerts, den Ther-
 mostaten durch einen neuen ersetzen.
 Thermostatventil-Öffnungstemperatur
   58 ∼ 62°C
KÜHLSYSTEM 4-21
Schläuche und Leitungen
Einbau der Schläuche
• Die Schläuche Biegeradius beachten. Scharfedabei die
  Hinweise zum
                und Leitungen einbauen und
                                              Biegun-
 gen, Knicke, Abflachen oder Verdrehen vermeiden.
•Die Schläuche gemäß Abschnitt "Verlegung von Seilzü-
 gen, Kabeln und Schläuchen" im Anhang verlegen.
•Die Klemme [A] so dicht wie möglich am Schlauchende
 einbauen, damit die Strebe der Verschraubung frei bleibt.
 Dadurch können sich die Schläuche nicht lösen.
○Die Schrauben der Schlauchklemmen so positionieren,
 dass die Klemmen keine anderen Teilen berühren.
    Anzugsmoment -
           Klemmschrauben des Wasserschlauchs:         2,0
              N·m (0,20 kgf·m)

Prüfung der Schläuche
• Siehe "Prüfung des Wartung".
  pitel "Regelmäßige
                     Wasserschauchs und -rohrs" im Ka-
4-22 KÜHLSYSTEM
Wassertemperatursensor
Ausbau des Wassertemperatursensors
• Siehe "Ausbau des Wassertemperatursensors" im Kapitel
  "Kraftstoffanlage (DFI)".
Prüfung des Wassertemperatursensors
• Siehe "Prüfung des Wassertemperatursensors" im Kapi-
  tel "Elektrik".
MOTOROBERSEITE 5-1




                                        Motoroberseite
                                              INHALTSVERZEICHNIS
Explosionszeichnung.........................               5-2      Messung der Zylinderkompres-
Abgasanlage......................................          5-6        sion............................................     5-25
Technische Daten ..............................            5-8      Ausbau des Zylinderkopfs............                   5-26
Spezialwerkzeuge und Dichtmittel.....                     5-10      Einbau des Zylinderkopfs.............                  5-27
Abgasreinigungssystem ....................                5-12      Zylinderkopf auf Verzug ...............                5-28
    Ausbau des Ansaugluftventils......                    5-12   Ventile................................................   5-29
    Einbau des Ansaugluftventils.......                   5-12      Prüfung des Ventilspiels...............                5-29
    Prüfung des Ansaugluftventils .....                   5-12      Einstellung des Ventilspiels..........                 5-29
    Ausbau des Unterdruckschaltven-                                 Ausbau des Ventils ......................              5-29   5
     tils..............................................   5-13      Einbau des Ventils .......................             5-29
    Einbau des Unterdruckschaltven-                                 Ausbau der Ventilführung.............                  5-30
     tils..............................................   5-13      Einbau der Ventilführung..............                 5-30
    Funktionsprüfung des                                            Messung des Spiels zwischen
     Unterdruckschaltventils .............                5-13        Ventil und Ventilführung (durch
    Prüfung des Unterdruckschaltven-                                  Wackeln) ...................................         5-31
     tils..............................................   5-13      Prüfung des Ventilsitzes...............                5-32
    Prüfung der Abgasreinigungssys-                                 Reparatur des Ventilsitzes ...........                 5-32
     temschläuche ............................            5-13   Drosselklappengehäusehalter ...........                   5-38
Zylinderkopfdeckel.............................           5-14      Ausbau des Drosselklappenge-
    Ausbau des Zylinderkopfdeckels .                      5-14        häusehalters..............................           5-38
    Einbau des Zylinderkopfdeckels ..                     5-14      Einbau des Drosselklappenge-
Nockenwellenkettenspanner .............                   5-16        häusehalters..............................           5-38
    Ausbau des Nockenwellenket-                                  Schalldämpfer....................................         5-39
     tenspanners ..............................           5-16      Ausbau des Auspufftopfs .............                  5-39
    Einbau des Nockenwellenket-                                     Einbau des Auspufftopfs ..............                 5-40
     tenspanners ..............................           5-16      Ausbau des hinteren
Nockenwelle, Nockenwellenkette ......                     5-17        Auspuffrohrs..............................           5-41
    Ausbau der Nockenwelle .............                  5-17      Einbau des hinteren Auspuffrohrs                       5-42
Nockenwelle ......................................        5-19      Ausbau des vorderen
    Einbau der Nockenwelle ..............                 5-19        Auspuffrohrs..............................           5-43
    Nockenwellen und                                                Einbau des vorderen
     Nockenwellendeckel auf                                           Auspuffrohrs..............................           5-44
     Verschleiß .................................         5-23      Ausbau der Auslassklappenventil
    Schlag der Nockenwelle ..............                 5-24        -Gaszüge...................................          5-45
    Nockenabnutzung ........................              5-24      Einbau der Auslassklappenventil
    Ausbau der Nockenwellenkette ...                      5-24        -Gaszüge...................................          5-46
Zylinderkopf .......................................      5-25
5-2 MOTOROBERSEITE
Explosionszeichnung
MOTOROBERSEITE 5-3
Explosionszeichnung

                                                          Anzugsmoment
Nr.                 Verbindungselement                                       Anmerkungen
                                                           N·m   kgf·m
 1    Schrauben für Ansaugluftventildeckel                 9,8    1,0               L
 2    Schrauben des Nockenwellendeckels                     12    1,2               S
 3    Kopfschrauben des Nockenwellenkettenspanners          20    2,0
      Befestigungsschrauben des Nockenwellenketten-
 4                                                          11       1,1
      spanners
      Befestigungsschrauben des Nockenwellen
 5                                                          15       1,5            L
      -Kettenrades
 6    Wasserkanal-Verschlussschrauben                       20       2,0
      Zylinderkopfschrauben (M9) (erste)                    15       1,5         MO, S
 7
      Zylinderkopfschrauben (M9) (letzte)                   39       4,0         MO, S
 8    Zylinderkopfschrauben (M6)                            12       1,2          S
 9    Schrauben des Zylinderkopfdeckels                     9,8      1,0
      Schraube der vorderen Nockenwellenkettenführung
10                                                          12       1,2
      (unten)
      Schraube der vorderen Nockenwellenkettenführung
11                                                          25       2,5
      (oben)
12    Schraube für obere Nockenwellenkettenführung          12        1,2
13    Zündkerzen                                            13        1,3
14    Klemmschrauben des Drosselklappengehäusehalters       2,9      0,30
15    Halteschrauben des Drosselklappengehäuses             12        1,2           L
16    Entlüftungsschlauch-Verschraubung                     15        1,5           L
 17. Vor Einbau des Nockenwellendeckels Motoröl auf die Nockenkuppen Nr. 1 ∼ Nr. 4 auftragen.
EO: Motoröl auftragen.
  G: Fett auftragen.
HG: Hochtemperaturfett auftragen.
  L: Ein nicht-permanentes Gewindedichtmittel auftragen.
  M: Molybdänhaltiges Disulfidfett auftragen.
MO: Molybdänhaltige Disulfidöllösung auftragen.
     (eine Mischung aus Motoröl und molybdänhaltigem Disulfidfett im Verhältnis 10 : 1)
  R: Ersatzteile
  S: Die vorgeschriebene Anzugsreihenfolge einhalten.
SS: Silikondichtmittel auftragen.
5-4 MOTOROBERSEITE
Explosionszeichnung
MOTOROBERSEITE 5-5
Explosionszeichnung

                                                        Anzugsmoment
 Nr.                 Verbindungselement                                  Anmerkungen
                                                         N·m   kgf·m
       Befestigungsschrauben der Auslassklappenventil
 1                                                       6,9      0,70
       -Stelleinheit
       Schraube der Auslassklappenventil
 2                                                       4,9      0,50
       -Stelleinheitsscheibe
       Sicherungsmuttern für Einstellschrauben des
 3                                                       6,9      0,70
       Auslassklappenventil-Gaszugs
       Sicherungsmuttern des Auslassklappenventil
 4                                                       6,9      0,70
       -Gaszugs
  5    Schraube des Auslassklappenventildeckels          6,9      0,70
  6    Klemmschraube des Auspuffrohrs                    17        1,7
  7    Muttern des vorderen Auspuffrohrhalters           17        1,7
  8    Befestigungsschrauben des Auspuffrohrs            28        2,8
  9    Klemmschrauben des Auspufftopfs                   17        1,7
 10    Befestigungsschrauben des Auspufftopfs            28        2,8
 11    Schrauben für hintere Auspufftopfabdeckung        6,9      0,70
 12    Schrauben für obere Auspufftopfabdeckung          6,9      0,70
  R: Ersatzteile
5-6 MOTOROBERSEITE
Abgasanlage




78,2: Leistung 78,2 kW (106,3 PS)
FULL: Volle Leistung
H: Wabenkernkatalysator
WVTA: Typengenehmigung für das Gesamtfahrzeug
MOTOROBERSEITE 5-7
Abgasanlage
  Krümmermarkierungsposition [A]




  Schalldämpfermarkierungsposition [A]




• Krümmer [A] mit Bohrungen [B] für Lambdasonde (aus-
  gerüstete Modelle)
  Lambdasonde Nr. 1 [C]
  Lambdasonde Nr. 2 [D]
5-8 MOTOROBERSEITE
Technische Daten

               Teil                              Standard                 Grenzwert
Nockenwellen
 Nockenhöhe:
    Auslass                       33,443 ∼ 33,557 mm                       33,34 mm
    Einlass                       34,243 ∼ 34,357 mm                       34,14 mm
 Spiel zwischen Nockenwellen-     0,038 ∼ 0,081 mm                         0,17 mm
 lagerzapfen/Nockenwellendeckel
 Durchmesser des Nockenwellen     23,940 ∼ 23,962 mm                       23,91 mm
 -Lagerzapfens
 Innendurchmesser des             24,000 ∼ 24,021 mm                       24,08 mm
 Nockenwellenlagers
 Schlag der Nockenwelle           TIR 0,02 mm oder weniger                TIR 0,1 mm
Zylinderkopf
 Zylinderkompression              (Nutzbarer Bereich)
                                  980 ∼ 1.498 kPa (10,0 ∼ 15,3 kgf/cm²)      – – –
                                  bei 240 U/min
 Zylinderkopf auf Verzug          –––                                      0,05 mm
Ventile
 Ventilspiel:
   Auslass                        0,24 ∼ 0,31 mm                             – – –
   Einlass                        0,13 ∼ 0,19 mm                             – – –
 Ventilkopfdicke:
   Auslass                        1,0 mm                                    0,6 mm
   Einlass                        0,5 mm                                    0,25 mm
 Ventilschaftverbiegung           TIR 0,01 mm oder weniger                TIR 0,05 mm
 Ventilschaftdurchmesser:
   Auslass                        3,955 ∼ 3,970 mm                         3,94 mm
   Einlass                        3,975 ∼ 3,990 mm                         3,96 mm
 Ventilfüh-
 rungs-Innendurchmesser:
   Auslass                        4,000 ∼ 4,012 mm                         4,08 mm
   Einlass                        4,000 ∼ 4,012 mm                         4,08 mm
 Kontrolle des Spiels zwischen
 Ventil/Ventilführung (durch
 Wackeln):
   Auslass                        0,09 ∼ 0,17 mm                           0,38 mm
   Einlass                        0,03 ∼ 0,10 mm                           0,30 mm
 Ventilsitz-Fräswinkel            32°, 45°, 60°                              – – –
 Ventilsitzfläche:
   Breite:
      Auslass                     0,8 ∼ 1,2 mm                               – – –
      Einlass                     0,5 ∼ 1,0 mm                               – – –
   Außendurchmesser:
      Auslass                     22,8 ∼ 23,0 mm                             – – –
      Einlass                     26,9 ∼ 27,1 mm                             – – –
MOTOROBERSEITE 5-9
Technische Daten

                Teil                Standard           Grenzwert
 Freier Ventilfederweg:
   Auslass                38,2 mm                       37,1 mm
   Einlass                39,2 mm                       37,9 mm
5-10 MOTOROBERSEITE
Spezialwerkzeuge und Dichtmittel
Kompressionsdruckmesser, 20 kgf/cm²:   Schaft für den Ventilsitzfräserhalter:
57001-221                              57001-1128




Kompletter Ventilfederspanner:         Adapter für den Ventilfederkompressor,   20:
57001-241                              57001-1154




Ventilsitzfräser, 45° -   24,5:        Ventilsitzfräser, 45° -   30:
57001-1113                             57001-1187




Ventilsitzfräser, 32° -   25:          Ventilführungsdorn,       4:
57001-1118                             57001-1273




Ventilsitzfräser, 32° -   30:          Ventilführungsreibahle,        4:
57001-1120                             57001-1274
MOTOROBERSEITE 5-11
Spezialwerkzeuge und Dichtmittel
Ventilsitzfräserhalter,   4:                 Ventilführungs-Treibdorn:
57001-1275                                   57001-1564




Adapter für Kompressionsdruckmesser, M10 ×   Adapter für den Ventilfederkompressor,   24:
1,0:                                         57001-1586
57001-1317




                                             Aufsatz C:
Ventilsitzfräser, 60° -   25:                57001-1624
57001-1328




                                             Kawasaki Bond (Silikondichtmittel):
Ventilsitzfräser, 60° -   27:                92104-0004
57001-1409
5-12 MOTOROBERSEITE
Abgasreinigungssystem
Ausbau des Ansaugluftventils
• Ausbauen: (siehe "Ausbau des Kraftstofftanks" im Ka-
   Kraftstofftank
     pitel "Kraftstoffanlage (DFI)")
     Luftfiltergehäuse (siehe "Ausbau des Luftfiltergehäuses"
     im Kapitel "Kraftstoffanlage (DFI)")
•   Die Schläuche [A] vom Ansaugluftventildeckel trennen.
•   Ausbauen:
     Schrauben für Ansaugluftventildeckel [B]
     Deckel für Ansaugluftventil [C]
     Ansaugluftventil
Einbau des Ansaugluftventils
• DasVentillamellen nach einbauen, dass diezeigen. [A]
  der
      Ansaugluftventil so
                          hinten und unten
                                            Öffnungen




• Die Klemmen [A] und Halterung [B] gemäß Abbildung ein-
  bauen.
• Ein nicht-permanentes Gewindedichtmittel auf die Gewin-
  degänge der Halteschrauben für den Luftansaugventilde-
    ckel auftragen und diese mit dem vorgeschriebenen An-
    zugsmoment festziehen.
    Anzugsmoment -
           Schrauben des Ansaugluftventildeckels:         9,8
             N·m (1,0 kgf·m)

Prüfung des Ansaugluftventils
• Das Ansaugluftventil ausbauen (siehe "Ausbau des An-
  saugluftventils" in diesem Kapitel)
• Die Lamellen andere Beschädigungen kontrollieren.
  schäden und
                 [A] visuell auf Risse, Falten, Verzug, Hitze-

    Wenn Zweifel an der Funktionsfähigkeit des Magnetkon-
    takts bestehen, das Luftansaugventil komplett ersetzen.
•   Den Magnetkontaktbereich [B] des Ventilhalters auf Rie-
    fen, Kratzer, Anzeichen einer Ablösung oder Beschädi-
    gung durch Wärme kontrollieren.
    Bestehen Zweifel an den Lamellen-Kontaktbereichen,
    das Ansaugluftventil als komplette Baugruppe ersetzen.
    Wenn sich zwischen der Ventillamelle und deren Kontakt-
    bereich Ruß oder andere Fremdkörper abgelagert haben,
    die Ventilbaugruppe mit einem Lösungsmittel mit hohem
    Flammpunkt reinigen.
                         VORSICHT
    Die Ablagerungen nicht mit einem Schaber abkrat-
    zen. Dies könnten den Gummi beschädigen und
    eine Erneuerung des Luftansaugventils erforder-
    lich machen.
MOTOROBERSEITE 5-13
Abgasreinigungssystem
Ausbau des Unterdruckschaltventils
• Ausbauen: (siehe "Ausbau des Kraftstofftanks" im Ka-
   Kraftstofftank
     pitel "Kraftstoffanlage (DFI)")
     Luftfiltergehäuse (siehe "Ausbau des Luftfiltergehäuses"
     im Kapitel "Kraftstoffanlage (DFI)")
•   Steckverbindung [A] trennen.
•   Die Schläuche [B] von den Ansaugluftventildeckeln und
    von der Halterung des Luftfiltergehäuses trennen und das
    Unterdruckschaltventil [C] ausbauen.
                         VORSICHT
    Das Unterdruckschaltventil keinesfalls fallen las-
    sen, besonders nicht auf harten Boden. Fall oder
    Stoß können das Unterdruckschaltventil beschädi-
    gen.

Einbau des Unterdruckschaltventils
• Die Schläuche korrekt verlegen (sieheSchläuchen" im
  legung von Seilzügen, Kabeln und
                                        Abschnitt "Ver-

    Anhang).
Funktionsprüfung des Unterdruckschaltventils
• Siehe im Kapitel des Ansaugluftsystems auf Beschädi-
  gung"
         "Prüfung
                   "Regelmäßige Wartung".
Prüfung des Unterdruckschaltventils
• Siehe "Prüfung des Unterdruckschaltventils" im Kapitel
  "Elektrik".
Prüfung der Abgasreinigungssystemschläuche
• Alle Schläuche müssen am Luftfiltergehäuse, Unter-
  Knicke verlegt und korrekt
                             ohne Quetschungen oder

    druckschaltventil und an den Ansaugluftventildeckeln
    angeschlossen werden.
    Die Verlegung andernfalls korrigieren. Bei Beschädigung
    ersetzen.
5-14 MOTOROBERSEITE
Zylinderkopfdeckel
Ausbau des Zylinderkopfdeckels
• Ausbauen: (siehe "Ausbau des Kraftstofftanks" im Ka-
   Kraftstofftank
   pitel "Kraftstoffanlage (DFI)")
   Luftfiltergehäuse (siehe "Ausbau des Luftfiltergehäuses"
   im Kapitel "Kraftstoffanlage (DFI)")
   Unterdruckschaltventil (siehe "Ausbau des Unterdruck-
   schaltventils")
   Drosselklappengehäuse (siehe "Ausbau des Drossel-
   klappengehäuses" im Kapitel "Kraftstoffanlage (DFI)")
   Stabzündspulen (siehe "Ausbau der Stabzündspule" im
   Kapitel "Elektrik")

• Ausbauen:
   Entlüftungsschlauch
   Masseschraube des Zylinderkopfdeckels [A]
   Zylinderkopfdeckelschrauben [B]
   Zylinderkopfdeckel [C]




Einbau des Zylinderkopfdeckels
• Die Dichtung [A] des gemäß Abbildung auferneuern.
                         Zylinderkopfdeckels
• Silikondichtmittel [B]
  kopf auftragen.
                                             den Zylinder-

 Dichtmittel -
           Kawasaki Bond (Silikondichtmittel): 92104-0004
MOTOROBERSEITE 5-15
Zylinderkopfdeckel

• Den Einbau der folgenden Teile nicht vergessen.
   Passhülsen [A]
  Verschlussschrauben-Dichtungen [B]
○Die Dichtungen so einsetzen, dass die Nasen [C] nach
 unten weisen.




• Die neue Unterlegscheibe mit der Metallseite nach oben
      Unterlegscheibe [A] erneuern.
• einbauen.
  Die




• Zylinderkopfdeckel montieren.
• Festziehen:
   Zylinderkopfdeckelschrauben [A]
 Anzugsmoment -
        Zylinderkopfdeckelschrauben:       9,8 N·m (1,0
           kgf·m)
• Die Masseklemme [B] einbauen und die Masseschraube
  des Zylinderkopfdeckels [C] festziehen.
• Beim Einbau der Entlüftungsschlauch-Verschraubung
  [D] ein nicht-permanentes Gewindedichtmittel auf die
 Gewinde der Verschraubung auftragen und diese fest-
 ziehen.
 Anzugsmoment -
        Entlüftungsschlauch-Verschraubung:          15 N·m
          (1,5 kgf·m)
• Die ausgebauten Teile einbauen (siehe entsprechende
  Kapitel).
5-16 MOTOROBERSEITE
Nockenwellenkettenspanner
Ausbau des Nockenwellenkettenspanners
                       VORSICHT
    Dies ist ein nicht-rückstellbarer Nockenwellenket-
    tenspanner. Die Druckstange kehrt nicht in ihre Ori-
    ginalposition zurück, wenn sie einmal ausgefahren
    wurde, um die Steuerkette zu straffen. Diese im
    Folgenden aufgeführten Vorsichtsmaßnahmen sind
    unbedingt einzuhalten.
    Beim Ausbau des Spanners die Befestigungs-
    schrauben nicht nur halb herausdrehen. Wenn die
    Befestigungsschrauben nur halb herausgedreht
    werden, können der Spanner und die Steuerkette
    beschädigt werden. Sobald die Schrauben gelo-
    ckert sind, muss der Spanner entfernt und wie in
    “Einbau des Nockenwellenkettenspanners” be-
    schrieben neu eingestellt werden.
    Die Kurbelwelle nicht durchdrehen, wenn der Ket-
    tenspanner ausgebaut ist. Dadurch kann die Ein-
    stellung der Nockenwellenkette verändert und das
    Ventil beschädigt werden.


• Ausbauen: Verkleidung (siehe "Ausbau der rechten
   Rechte mittlere
     mittleren Verkleidung" im Kapitel "Rahmen")
     Deckelschraube [A]
     Unterlegscheibe [B]
     Feder [C]
     Stange [D]
•   Die Befestigungsschrauben [E] herausdrehen und den
    Nockenwellenkettenspanner abnehmen.

Einbau des Nockenwellenkettenspanners
• Den O-Ring einfetten. und die Druckstange [B] in das
• Den Anschlag [A] lösen [C] drücken.
  Innere des Spannerteils
• Das Spannerteil einbauen, sodass der Anschlag nach
  oben zeigt.




• Die Befestigungsschrauben
  festziehen [A].
                                für die Spannvorrichtung

    Anzugsmoment -
           Befestigungsschrauben des Nockenwellenket-
             tenspanners: 11 N·m (1,1 kgf·m)
• Stange, Feder und Unterlegscheibe einbauen.
• Die Deckelschraube [B] festziehen.
    Anzugsmoment -
           Kopfschrauben des Nockenwellenkettenspan-
             ners: 20 N·m (2,0 kgf·m)
MOTOROBERSEITE 5-17
Nockenwelle, Nockenwellenkette
Ausbau der Nockenwelle
• Den Zylinderkopfdeckel ausbauen (siehe "Ausbau des
  Zylinderkopfdeckels").
• Die Starterkupplungsschraube [B] am Starterkupplungs-
  der
       Steuerzeiten-Inspektionskappe [A] und die Kappe

 deckel [C] entfernen.




• Einen Schraubenschlüsseldiean die Starterkupplungs-
  schraube [A] ansetzen und   Kurbelwelle im Uhrzeiger-
 sinn drehen, bis die Markierung (OT-Markierung für die
 Kolben Nr. 1, 4 ) an der Starterkupplung auf die Kerbe
 [C] am Rand der Steuerzeiten-Inspektionsöffnung [D] im
 Starterkupplungsdeckel ausgerichtet ist.




 Wenn der Starterkupplungsdeckel ausgebaut worden ist,
 zum nächsten Schritt weitergehen.
○Einen Schraubenschlüssel an die Starterkupplungs-
 schraube [A] ansetzen und die Kurbelwelle im Uhrzei-
 gersinn drehen, bis die Markierung (OT-Markierung für
 die Kolben Nr. 1, 4) an der Starterkupplung [C] auf die
 Kontaktfläche [D] an der Rückseite des Kurbelgehäuses
 ausgerichtet ist.
5-18 MOTOROBERSEITE
Nockenwelle, Nockenwellenkette

• Den des Nockenwellenkettenspanners"). (siehe "Aus-
  bau
      Nockenwellenkettenspanner ausbauen

• Die Schrauben derin der abgebildeten Reihenfolge [1 ∼
  ckenwellendeckels
                    oberen Kettenführung und des No-

    20] lösen und entfernen.
•   Ausbauen:
     Obere Kettenführung [A]
     Nockenwellendeckel [B]
     Nockenwellen [C]
•   Den Kettenschacht mit einem sauberen Tuch verschlie-
    ßen, damit keine Teile in das Kurbelgehäuse fallen kön-
    nen.




• Die Befestigungsschrauben des
  len-Kettenrades [A] entfernen.
                                               Nockenwel-

• Das Nockenwellen-Kettenrad ausbauen.
                        VORSICHT
    Die Kurbelwelle kann beim Ausbau der Nockenwel-
    len gedreht werden. Die Kette beim Drehen der Kur-
    belwelle immer straff ziehen. Dadurch wird ein Kni-
    cken der Kette am unteren (Kurbelwellen-) Ketten-
    rad verhindert. Eine geknickte Kette kann Kette und
    Kettenrad beschädigen.
MOTOROBERSEITE 5-19
Nockenwelle
Einbau der Nockenwelle
                        ANMERKUNG
    ○Die Auslassnockenwelle besitzt eine Markierung 4516
     EX [A] und die Einlassnockenwelle eine Markierung
     4516 IN [B]. Achtung: diese Wellen dürfen nicht ver-
     wechselt werden.




• Die Nockenwellen-Kettenräder
  bauen.
                                     gemäß Abbildung ein-

     Nockenpositionen Nr. 4 [A]
     Einlassseitiges Nockenwellen-Kettenrad [B]
     Auslassseitiges Nockenwellen-Kettenrad [C]
•   Ein nicht-permanentes Gewindedichtmittel auf die Ge-
    winde auftragen und die Schrauben festziehen.
    Anzugsmoment -
           Befestigungsschrauben      des     Nockenwel-
             len-Kettenrads: 15 N·m (1,5 kgf·m)

• Molybdänhaltige Disulfidöllösung auftragen [A]:
   Alle Wellenzapfen und Stößel




• Einen Schraubenschlüsseldiean die Starterkupplungs-
  schraube [A] ansetzen und   Kurbelwelle im Uhrzeiger-
    sinn drehen, bis die Markierung [B] (OT-Markierung für
    die Kolben Nr. 1, 4 ) an der Starterkupplung auf die Ker-
    ben [C] am Rand der Steuerzeiten-Inspektionsöffnung
    [D] im Starterkupplungsdeckel ausgerichtet ist.
                         VORSICHT
    Die Kurbelwelle kann beim Ausbau der Nockenwel-
    len gedreht werden. Die Kette beim Drehen der Kur-
    belwelle immer straff ziehen. Dadurch wird ein Kni-
    cken der Kette am unteren (Kurbelwellen-) Ketten-
    rad verhindert. Eine geknickte Kette kann Kette und
    Kettenrad beschädigen.
5-20 MOTOROBERSEITE
Nockenwelle
 Wenn der Starterkupplungsdeckel ausgebaut worden ist,
 zum nächsten Schritt weitergehen.
○Einen Schraubenschlüssel an die Starterkupplungs-
 schraube [A] ansetzen und die Kurbelwelle im Uhrzei-
 gersinn drehen, bis die Markierung (OT-Markierung für
 die Kolben Nr. 1, 4) an der Starterkupplung [C] auf die
 Kontaktfläche [D] an der Rückseite des Kurbelgehäuses
 ausgerichtet ist.



• Die Spannseite (Abgasseite) [A] der Kette straff ziehen,
  und die Kette einbauen.
• Die Nockenwellenkette so in die Kettenräder einhängen,
  dass die Zündzeitpunktmarkierungen an den Kettenrä-
 dern wie in der Abbildung ausgerichtet sind.
○Die Zündzeitpunktmarkierungen müssen mit der Zylinder-
 kopf-Oberkante [B] fluchten.
  EX-Zündzeitpunktmarkierung [C]
  IN-Zündzeitpunktmarkierung [D]
  Stift Nr. 1 [E]
  Stift Nr. 2 [F]
  Stift Nr. 26 [G]
  Stift Nr. 27 [H]
○Die Abbildung zeigt die rechte Seite des ausgebauten
 Motors.
MOTOROBERSEITE 5-21
Nockenwelle

• Molybdänhaltige Disulfidöllösung auftragen [A]:
   Alle Nockenkuppen, Wellenzapfen und Druckzapfen
• Nr. 1 ∼ Nr. 4 Nockenkuppen der EX- und IN
  Motoröl auftragen [B]:

  -Nockenwellen




• Folgende Teile einbauen:
   O-Ringe [A]
  Passstifte [B]
  O-Ringe [C]
  Passstifte [D]
5-22 MOTOROBERSEITE
Nockenwelle

• Die Nockenwellendeckel abgebildet einbauen.
  len-Kettenführung [A] wie
                            und die obere Nockenwel-

     “R” Markierung [B]
     “L” Markierung [C]
•   Zuerst alle Schrauben der Nockenwellendeckel gleich-
    mäßig anziehen, sodass die Nockenwelle richtig sitzt, und
    dann alle Schrauben in der vorgeschriebenen Anziehrei-
    henfolge festziehen.
      Anzugs-
                 Schrauben der Nockenwellendeckel (1 ∼ 20)
      moment
                   Erste: 5,9 N·m (0,6 kgf·m)
                   Letzte: 12 N·m (1,2 kgf·m)
                 Schrauben für obere Nockenwellenketten-
                 führung
                   Erste: 5,9 N·m (0,6 kgf·m)
                   Letzte: 12 N·m (1,2 kgf·m)




• Den des Nockenwellenkettenspanners"). (siehe "Ein-
  bau
       Nockenwellenkettenspanner einbauen

• Die sich der Spanner dehnen kann, und die drehen, da-
  mit
      Kurbelwelle 2 Umdrehungen nach rechts
                                            Einstellung
    des Nockenwellenkettenspanners erneut kontrollieren.
•   Das Ventilspiel überprüfen (siehe "Prüfung des Ventil-
    spiels" im Kapitel "Regelmäßige Wartung").
MOTOROBERSEITE 5-23
Nockenwelle

• Folgende ÖlräumeEinlassnockenwelle
   [A] Ölräume der
                   mit Motoröl füllen.

     [B] Ölräume der Auslassnockenwelle




• Dieder Kappean der Steuerzeiten-Inspektionskappe und
  an
      O-Ringe
                der Starterkupplungsschraube erneuern.
• Die Steuerzeiten-Inspektionskappe und ie Kappe der
  Die neuen O-Ringe einfetten.
• Starterkupplungsschraube einbauen.
    Anzugsmoment -
           Steuerzeiten-Inspektionsdeckel: Handfest
           Kappe der Starterkupplungsschraube: Handfest
• Zylinderkopfdeckel montieren.
                       ANMERKUNG
    ○Falls die Ölpumpe ausgebaut worden ist, siehe "Einbau
     der Ölpumpe" im Kapitel "Motorschmieranlage".

Nockenwellen und Nockenwellendeckel auf
Verschleiß
• Ausbauen:
   Nockenwellendeckel (siehe "Ausbau der Nockenwelle"
      in diesem Kapitel)
•   Dehnmessstreifen (Plastigage) auf Lagerzapfenbreite
    zuschneiden. Auf jeden Lagerzapfen parallel zur kor-
    rekt eingebauten Nockenwelle einen Dehnmessstreifen
    legen.
•   Jeweils das Spiel zwischen dem Nockenwellenlagerzap-
    fen und dem Nockenwellendeckel mit Plastigauge (einem
    Hilfsmittel zur Druckmessung) [A] kontrollieren.

• Festziehen (siehe "Einbau der Nockenwelle"):
    Anzugsmoment -
           Schrauben des Nockenwellendeckels: 12 N·m
             (1,2 kgf·m)

                       ANMERKUNG
    ○Die Nockenwelle nicht drehen, während die Dehnmess-
     streifen zwischen den Lagerzapfen und dem Nocken-
     wellendeckel liegen.

    Spiel zwischen Nockenwellenlagerzapfen/Nockenwellen-
    deckel
      Standard:     0,038 ∼ 0,081 mm
      Grenzwert:    0,17 mm
5-24 MOTOROBERSEITE
Nockenwelle
 Wenn das Spiel den Grenzwert überschreitet, den Durch-
 messer jedes Nockenwellenlagerzapfens mit einer Mikro-
 meterschraube messen.
 Durchmesser des Nockenwellen-Lagerzapfens
   Standard:    23,940 ∼ 23,962 mm
    Grenzwert:    23,91 mm
 Unterschreitet der Durchmesser des Nockenwel-
 len-Lagerzapfens den Grenzwert, die Nockenwelle
 durch eine neue ersetzen und das Spiel erneut kontrol-
 lieren.
 Wenn das Spiel immer noch außerhalb des Sollwerts
 bleibt, die Zylinderkopfeinheit ersetzen.
Schlag der Nockenwelle
• Die Nockenwelle ausbauen (siehe "Ausbau der Nocken-
  welle").
• Die oder in V-Blöcke setzen.
  len
      Nockenwelle in einer Richtvorrichtung für Nockenwel-

• Die Unrundheit mit einerPunkt messen. gemäß Abbil-
  dung vorgeschriebenen
                           Messuhr an dem

 Wenn der Schlag den Grenzwert überschreitet, die Welle
 ersetzen.
 Schlag der Nockenwelle
   Standard:     TIR 0,02 mm oder weniger
    Grenzwert:    TIR 0,1 mm

Nockenabnutzung
• Die Nockenwelle ausbauen (siehe "Ausbau der Nocken-
  welle").
• Die Höhe messen.jedem Nocken mit einer Mikrometer-
  schraube
           [A] an

 Wenn der Grenzwert der Nocken überschritten ist, die No-
 ckenwelle ersetzen.
 Nockenhöhe
   Standard:
      Auslass         33,443 ∼ 33,557 mm
      Einlass         34,243 ∼ 34,357 mm
    Grenzwert:
      Auslass         33,34 mm
      Einlass         34,14 mm

Ausbau der Nockenwellenkette
• Das Kurbelgehäuse"Kurbelwelle/Getriebe"). Kurbelge-
  häuses" im Kapitel
                     teilen (siehe "Teilen des

• Die Nockenwellenkette [A] vom Kettenrad der Kurbel-
  welle abbauen.
MOTOROBERSEITE 5-25
Zylinderkopf
Messung der Zylinderkompression
                      ANMERKUNG
 ○Die voll geladene Batterie verwenden.
• Den Motor auf Betriebstemperatur bringen.
• Den Motor stoppen.
• Ausbauen: (siehe "Ausbau des Kraftstofftanks" im Ka-
   Kraftstofftank
   pitel "Kraftstoffanlage (DFI)")
   Luftfiltergehäuse (siehe "Ausbau des Luftfiltergehäuses"
   im Kapitel "Kraftstoffanlage (DFI)")
   Stabzündspulen (siehe "Ausbau der Stabzündspule
   (Zündspule mit Zündkerzenstecker)" im Kapitel "Elek-
   trik")
   Zündkerzen (siehe "Ausbau der Zündkerze" im Kapitel
   "Elektrik")

• Den Kompressionsmesser [A] und Adapter [B] fest in die
  Bohrung für die Zündkerze einbauen.
• Den Motor bei voll geöffneter Drosselklappe mit dem Star-
  termotor durchdrehen, bis der Kompressionsmesser den
 höchsten Wert anzeigt; die Kompression ist die maximal
 gemessene Anzeige.
 Spezialwerkzeuge -
          Kompressionsmesser, 20 kgf/cm2 [A]: 57001-221
          Adapter für Kompressionsmesser, M10 × 1,0 [B]:
             57001-1317

 Zylinderkompression
   Nutzbarer     980 ∼ 1.498 kPa (10,0 ∼ 15,3 kgf/cm2 bei
   Bereich:      240 U/min

• Die Messung für hineindrehen.Zylinder wiederholen.
                  die anderen
• Die Zündkerzen
 Anzugsmoment -
        Zündkerzen: 13 N·m (1,3 kgf·m)
5-26 MOTOROBERSEITE
Zylinderkopf
○Falls der abgelesene Kompressionswert nicht innerhalb des nutzbaren Bereichs liegt, entsprechend
    der nachfolgenden Tabelle vorgehen.
   Problem                       Diagnose                       Beseitigung (Gegenmaßnahme)
Zylinderkom-     Kohleablagerungen an Kolben und             Die Russablagerungen entfernen und
pression über-   Brennkammer vermutlich durch Schäden        beschädigte Teile ersetzen, sofern
schreitet die    an Ventilschaft-Öldichtung und/oder         erforderlich.
Vorgabe          beschädigte Kolbenölringe (dies
                 wird möglicherweise durch weißen
                 Auspuffqualm angezeigt).
                 Falsche Dicke der Zylinderkopfdichtung
                                                      Die Dichtung durch eine
                                                      Standarddichtung ersetzen.
Zylinderkom- Gasundichtigkeiten am Zylinderkopf       Beschädigte Dichtung erneuern und den
pression un-                                          Zylinderkopf auf Verzug überprüfen.
terschreitet  Defekter Ventilsitz                     Ggf. reparieren.
den nutzbaren
              Falsches Ventilspiel                    Das Ventilspiel einstellen.
Bereich
              Falsches Spiel zwischen Kolben/Zylinder Kolben und/oder Zylinder erneuern.
              Kolben klemmt.                          Den Zylinder überprüfen und ggf.
                                                      den Zylinder und/oder den Kolben
                                                      ersetzen/reparieren.
              Schlechter Zustand von Kolbenringen     Kolben und/oder Kolbenringe ersetzen.
              und/oder Ringnuten.
Ausbau des Zylinderkopfs
• Entleeren: (siehe "Wechsel der Kühlflüssigkeit" im
   Kühlflüssigkeit
     Kapitel "Regelmäßige Wartung")
     Motoröl (siehe "Wechsel des Motoröls" im Kapitel "Re-
     gelmäßige Wartung")
•   Ausbauen:
     Motor (siehe "Ausbau des Motors" im Kapitel "Ein-
     bau/Ausbau des Motors")
     Zylinderkopfdeckel (siehe "Ausbau des Zylinderkopfde-
     ckels")
     Nockenwellen (siehe "Ausbau der Nockenwelle")

• Die Schraube der vorderen Nockenwellenkettenführung
  (oben) [A] entfernen.
MOTOROBERSEITE 5-27
Zylinderkopf

• Die Reihenfolge [1 ∼ 12] lösen und entfernen. abgebilde-
  ten
      Zylinderkopfschrauben M6 und M9 in der

• Den Zylinderkopf nach oben abnehmen.




Einbau des Zylinderkopfs
                       ANMERKUNG
 ○Der Nockenwellendeckel ist für den Zylinderkopf pas-
   send bearbeitet, so dass beim Einbau eines neuen Zy-
   linderkopfs der mit dem neuen Zylinderkopf gelieferte
   Nockenwellendeckel verwendet werden muss.

• Neue Zylinderkopfdichtung und Passstifte einbauen.
• Aufder M9-Schrauben [C]Unterlegscheiben und Gewinde
  [B]
      beide Seiten [A] der
                           eine molybdänhaltige Disulfid-
 öllösung auftragen.

• Die M9-Zylinderkopfschrauben gemäß der folgenden An-
  ziehreihenfolge festziehen [1∼10].
 Anzugsmoment -
        Zylinderkopfschrauben (M9):
        Erste: 15 N·m (1,5 kgf·m)
        Letzte: 39 N·m (4,0 kgf·m)
• Die M6-Zylinderkopfschrauben [11,12] festziehen.
 Anzugsmoment -
        Zylinderkopfschrauben (M6): 12 N·m (1,2 kgf·m)

• Folgende Teile vorderen Nockenwellenkettenführung [A]
   Schraube der
                 einbauen:

   O-Ring [B]
○Den neuen O-Ring einfetten.
• Festziehen:
 Anzugsmoment -
        Schraube der vorderen Nockenwellenkettenfüh-
          rung (oben): 25 N·m (2,5 kgf·m)
• Die ausgebauten Teile einbauen (siehe entsprechende
  Kapitel).
                       ANMERKUNG
 ○Falls die Ölpumpe ausgebaut worden ist, siehe "Einbau
   der Ölpumpe" im Kapitel "Motorschmieranlage".
5-28 MOTOROBERSEITE
Zylinderkopf
Zylinderkopf auf Verzug
• Zylinderkopf reinigen.
• Ein Richtlineal an verschiedenen Stellen quer über die
  Zylinderkopf-Unterseite legen.
• Mit und dem Kopf messen. Distanz zwischen dem Lineal
  [B]
      einer Fühlerlehre [A] die

 Zylinderkopf auf Verzug
   Standard:       –––
   Grenzwert:     0,05 mm
 Wenn der Zylinderkopf stärker verzogen ist und der
 Grenzwert überschritten wird, den Zylinderkopf ersetzen.
 Falls der Verzug des Zylinderkopfs unter dem Grenzwert
 bleibt, die Unterseite des Kopfes auf einem Schmirgellei-
 nen, das auf einer ebenen Platte aufliegt, planschleifen
 (zuerst mit Schmirgelleinen Nr. 200, dann mit Nr. 400).
MOTOROBERSEITE 5-29
Ventile
Prüfung des Ventilspiels
• Siehe "Prüfung des Ventilspiels" im Kapitel "Regelmäßige
  Wartung".
Einstellung des Ventilspiels
• SieheWartung". des Ventilspiels" im Kapitel "Regelmä-
  ßige
        "Einstellung


Ausbau des Ventils
• Den Zylinderkopf ausbauen (siehe "Ausbau des Zylinder-
  kopfs").
• DenLage des Ventilstößels und der Beilagscheiben mar-
○Die
      Ventilstößel und die Beilagscheibe ausbauen.

    kieren und notieren, sodass sie später wieder an der Ori-
    ginalposition eingebaut werden können.
•   Das Ventil mit der Ventilfederzwinge ausbauen.
    Spezialwerkzeuge -
             Kompletter Ventilfederkompressor [A]: 57001
                -241
             Adapter für den Ventilfederkompressor, 20 [B]:
                57001-1154 (EX)
             Adapter für den Ventilfederkompressor, 24 [B]:
                57001-1586 (IN)

Einbau des Ventils
• Die Öldichtung erneuern.Einbau des Ventils dünn mit mo-
• Den VentilschaftDisulfidfett bestreichen.
  lybdänhaltigem
                  vor dem

• Die Federn mit dem geschlossenen Windungsende nach
  unten einsetzen.
     Ventilschaft [A]
     Dichtring [B]
     Federsitz [C]
       Auslass- 22,1 mm
       Einlass- 23,5 mm
     Geschlossenes Windungsende [D]
     Ventilfeder [E]:
       Auslass-gelbe Farbmarkierung
       Einlass-weiße Farbmarkierung
     Halterung [F]
     Ventilfederkeile [G]

• Nach Einbau des Ventils leicht damit die Ventilfederkeile
  und Ventilschaftenden klopfen,
                                 gegen die Federteller [A]

    fest sitzen.
○Zuerst oben gegen den Federteller [B] und dann gegen
    das Ventilschaftende [C] klopfen.
5-30 MOTOROBERSEITE
Ventile
Ausbau der Ventilführung
• Ausbauen: "Ausbau des Ventils")
   Ventil (siehe
      Öldichtung
      Federsitz
•   Den Bereich um die Ventilführung auf 120 ∼ 150 °C erhit-
    zen und die Ventilführung durch leichte Hammerschläge
    gegen den Ventilführungsdorn [A] von oben aus dem Zy-
    linderkopf treiben.
                        VORSICHT
    Den Zylinderkopf nicht mit einer Lötlampe anwär-
    men. Dadurch verzieht sich der Zylinderkopf. Den
    Zylinderkopf in Öl einlegen und das Öl erwärmen.

    Spezialwerkzeug -
             Ventilführungsdorn,   4: 57001-1273

Einbau der Ventilführung
• Vor dem Einbau die Ventilführung außen mit Motoröl be-
  streichen.
• Bereicherhitzen. Ventilführungsbohrung auf ca. 120 ∼
  150°C
           um die

                        VORSICHT
    Den Zylinderkopf nicht mit einer Lötlampe anwär-
    men. Dadurch verzieht sich der Zylinderkopf. Zy-
    linderkopf in Öl einlegen und das Öl erwärmen.

• Den Ventilführungs-Treibdorn und Treibdornvorsatz die
  hineindrücken, bis die Ventilführungsdornfläche [B]
                                                      [A]

    Kopfoberfläche [C] berührt.
     13,3 ∼ 13,5 mm [D]
    Spezialwerkzeuge -
             Ventilführungs-Treibdorn: 57001-1564
             Aufsatz C: 57001-1624

• Die Ventilführung mitdie alte Führung wieder verwendet
  arbeiten, auch wenn
                        der Ventilführungsreibahle [A] be-

    wird.
    Spezialwerkzeug -
             Ventilführungsreibahle,   4: 57001-1274
MOTOROBERSEITE 5-31
Ventile
Messung des Spiels zwischen Ventil und
Ventilführung (durch Wackeln)
  Wenn eine Lehre zur Prüfung der kleinen Bohrung nicht
zur Verfügung steht, den Verschleiß der Ventilführung
durch Messung des Spiels zwischen Ventil und Ventil-
führung bei einer Hin- und Herbewegung gemäß der
folgenden Beschreibung kontrollieren.
• Ein neues Ventil [A] in die Führung [B] einsetzen und eine
  Messuhr lotrecht an den Schaft so dicht wie möglich an
  die Zylinderkopf-Kontaktfläche halten.
• Den Schaft vorwärts und rückwärts [C] bewegen und das
  Spiel zwischen Ventil und Ventilführung messen.
• Die Messung im rechten Winkel zur ersten Messung wie-
  derholen.
  Wenn die Anzeige den Grenzwert überschreitet, die Füh-
  rung ersetzen.




                        ANMERKUNG
    ○Die Anzeige ist nicht das eigentliche Spiel zwischen
     Ventil und Ventilführung, weil der Messpunkt über der
     Führung liegt.

    Kontrolle des Spiels zwischen Ventil und Ventilführung
    (durch Wackeln)
      Standard:
        Auslass         0,09 ∼ 0,17 mm
        Einlass         0,03 ∼ 0,10 mm
      Grenzwert:
        Auslass         0,38 mm
        Einlass         0,30 mm
5-32 MOTOROBERSEITE
Ventile
Prüfung des Ventilsitzes
• Das Ventil ausbauen (siehe "Ausbau des Ventils" in die-
  sem Kapitel).
• Die kontrollieren. [A] zwischen Ventil [B] und Ventilsitz
  [C]
      Ventilsitzfläche

○Den   Außendurchmesser [D] der Sitzfläche mit einem
  Messschieber messen.
  Wenn der Außendurchmesser zu groß oder zu klein ist,
  den Sitz reparieren (siehe "Reparatur des Ventilsitzes" in
  diesem Kapitel).
  Außendurchmesser der Ventilsitzfläche
    Standard:
      Auslass     22,8 ∼ 23,0 mm
      Einlass     26,9 ∼ 27,1 mm
○Mit einem Messschieber die Sitzbreite [E] des Teils mes-
  sen, an dem sich kein Ruß abgelagert hat (weißer Teil des
  Ventilsitzes).
   Gut [F]
  Wenn die Ventilsitzbreite zu groß [G], zu klein [H] oder un-
  gleichmäßig [J] ist, den Ventilsitz reparieren (siehe "Re-
  paratur des Ventilsitzes" in diesem Kapitel).
  Breite der Ventilsitzfläche
    Standard:
      Auslass 0,8 ∼ 1,2 mm
      Einlass   0,5 ∼ 1,0 mm

Reparatur des Ventilsitzes
• Den Ventilsitz mit dem Ventilsitzfräser [A] reparieren.
  Spezialwerkzeuge -
           Schaft für den Ventilsitzfräserhalter [C]: 57001
              -1128
           Ventilsitzfräserhalter, 4 [B]: 57001-1275

    Für Auslassventilsitz
      Ventilsitzfräserhalter, 45° -   24,5: 57001-1113
      Ventilsitzfräserhalter, 32° -   25: 57001-1118
      Ventilsitzfräserhalter, 60° -   25: 57001-1328
    Für Einlassventilsitz
      Ventilsitzfräserhalter, 45° -   30: 57001-1187
      Ventilsitzfräserhalter, 32° -   30: 57001-1120
      Ventilsitzfräserhalter, 60° -   27: 57001-1409
  Wenn keine Anweisungen vom Hersteller verfügbar sind,
  wie folgt vorgehen.
MOTOROBERSEITE 5-33
Ventile
Sicherer Einsatz des Ventilsitzfräsers
1. Dieser Ventilsitzfräser ist für die Reparatur des Ventils
   vorgesehen. Der Fräser darf daher nur für die Reparatur
   des Ventilsitzes und nicht für andere Zwecke verwendet
   werden.
2. Den Ventilsitzfräser vor Fall und Stoß schützen, da sich
   die Diamantsplitter lösen könnten.
3. Vor dem Schleifen der Sitzfläche unbedingt Motoröl auf
   den Ventilsitzfräser auftragen. Außerdem die Schleifp-
   artikel am Fräser mit Waschöl abspülen.
                        ANMERKUNG
    ○Schleifpartikel nicht mit einer Drahtbürste von dem Frä-
     ser entfernen. Dadurch lösen sich die Diamantsplitter.
4. Den Ventilsitzfräserhalter ausrichten und den Fräser in
   einer Hand halten. Auf die Diamantfläche nicht zu viel
   Kraft ausüben.
                        ANMERKUNG
    ○Vor dem Schleifen Motoröl auf den Fräser auftra-
     gen und während des Vorgangs am Fräser haftende
     Schleifpartikel mit Waschöl abspülen.
5. Nach Verwendung mit Waschöl reinigen und vor der La-
   gerung dünn Motoröl auftragen.
Auf dem Fräser eingeschlagene Markierungen
  Die auf der Rückseite des Fräsers [A] eingestanzte Mar-
kierungen haben folgende Bedeutung.
60° ........................... Fräswinkel [B]
  37,5 ....................... Außendurchmesser des Fräsers [C]




Betriebshinweise
•Die Sitzfläche vorsichtig reinigen.
•Den Sitz mit technischer Farbe einstreichen.
•Einen 45°-Fräser in die Halterung einsetzen und in die
 Ventilführung schieben.
•Leicht auf den Griff drücken und nach rechts oder links
 drehen. Die Dichtfläche nur soweit abschleifen, dass sie
 glatt ist.
                         VORSICHT
    Den Sitz nicht überschleifen. Durch Überschleifen
    reduziert sich das Ventilspiel, da das Ventil weiter
    in den Kopf versenkt wird. Wenn das Ventil zu weit
    in den Kopf sinkt, lässt sich das Spiel nicht mehr
    einstellen, und der Zylinderkopf muss ersetzt wer-
    den.
5-34 MOTOROBERSEITE
Ventile

• Den Außendurchmesser der Sitzfläche mit einem Mess-
  schieber messen.
 Wenn der Außendurchmesser der Sitzfläche zu klein ist,
 den Schleifvorgang im Winkel von 45° wiederholen, bis
 der Durchmesser dem Sollwert entspricht.
  Breitere Kontaktfläche [A] durch Bearbeitung mit dem
  Fräser 45°
  Abschleifvolumen [B] mit Fräser 32°
  32° [C]
  Richtige Breite [D]
  Abschleifvolumen [E] mit Fräser 60°
  60° [F]

• Den Außendurchmesser der Sitzfläche mit einem Mess-
  schieber messen.
 Wenn der Außendurchmesser der Sitzfläche zu klein ist,
 den Schleifvorgang [A] im Winkel von 45° wiederholen,
 bis der Durchmesser dem Sollwert entspricht.
  Originalventilsitzfläche [B]
                    ANMERKUNG
 ○Alle Oberflächenfehler auf der mit 45° geschliffenen
  Fläche beseitigen.
 ○Nach dem Bearbeiten mit einem 45° Fräser einen dün-
  nen Film Bleimennige auf die Sitzfläche auftragen. Da-
  durch wird die Ventilsitzfläche anders markiert und das
  Überschleifen im Winkel von 32° und 60° ist einfacher.
 ○Wenn die Ventilführung ersetzt wird, muss sie im Win-
  kel von 45° mit dem Fräser überschliffen werden, um
  das Ventil zu zentrieren und einen guten Kontakt her-
  zustellen.
MOTOROBERSEITE 5-35
Ventile
 Wenn der Außendurchmesser [A] der Sitzfläche zu groß
 ist, wie im Folgenden beschrieben im Winkel von 32°
 schleifen.
 Wenn der Außendurchmesser der Sitzfläche noch inner-
 halb des Sollwerts liegt, die Sitzbreite wie im Folgenden
 beschrieben messen.
•Den Sitz im Winkel von 32° [B] abschleifen, bis der Sitzau-
 ßendurchmesser den Sollwerten entspricht.
○Um einen Anschliff mit 32° durchzuführen, einen
 32°-Fräser in den Halter einsetzen und in die Ventil-
 führung schieben.
○Den Halter immer nur eine Umdrehung drehen und dabei
 nur sehr wenig aufdrücken. Den Sitz nach jeder Umdre-
 hung kontrollieren.
                         VORSICHT
    Der Fräser für 32° trägt den Werkstoff sehr schnell
    ab. Den Sitzaußendurchmesser häufig prüfen, um
    ein Überschleifen zu vermeiden.
○Nach dem Schleifen im Winkel von 32° wieder den Au-
    ßendurchmesser wie oben beschrieben messen.
•   Zur Messung der Ventilsitzbreite mit einem Messschieber
    die Breite des im Winkel von 45° angeschliffenen Ventil-
    sitzteils an mehreren Stellen des Ventilsitzes messen.
    Wenn die Ventilsitzbreite zu gering ist, nochmals im Win-
    kel von 45° abschleifen, bis der Ventilsitz etwas zu breit
    ist, und dann wieder den Außendurchmesser des Ventil-
    sitzes wie oben beschrieben messen.
 Wenn die Ventilsitzbreite zu groß ist, wie im Folgenden
 beschrieben im Winkel von 60° [A] schleifen.
 Liegt die Ventilsitzbreite innerhalb des Sollwerts, das Ven-
 til für den Ventilsitz wie im Folgenden beschrieben läppen.
•Den Sitz im Winkel von 60° abschleifen, bis die Sitzbreite
 den Sollwerten entspricht.
○Um Schleifen mit 60° durchzuführen, einen 60° Fräser in
 den Halter einsetzen und in die Ventilführung schieben.
○Den Halter drehen und dabei nur sehr wenig aufdrücken.
○Nach dem Schleifen im Winkel von 60° wieder die Sitz-
 breite wie oben beschrieben messen.
   Richtige Breite [B]
5-36 MOTOROBERSEITE
Ventile

• Das der Außendurchmesser densobaldangegebenen Soll-
  und
      Ventil im Ventilsitz läppen,
                                   oben
                                        die Ventilsitzbreite

 werten entsprechen.
○Etwas Schleifpaste an mehreren Stellen im Bereich des
 Ventilkopfs auf die Sitzfläche des Ventiltellers auftragen.
○Das Ventil im Ventilsitz läppen, bis durch die Schleifpaste
 eine glatte und passgenaue Oberfläche des Sitzes und
 Ventils resultiert.
○Den Vorgang mit feiner Schleifpaste wiederholen.
  Läppwerkzeug [A]
  Ventilsitz [B]
  Ventil [C]
•Die Ventilsitzfläche muss in der Mitte der Ventilstirnfläche
 eine Markierung aufweisen.
 Wenn die Ventilsitzfläche nicht zum Ventil passt, zuerst
 kontrollieren, ob es sich um das richtige Ventil handelt. In
 diesem Fall wurde vermutlich zuviel Material abgeschlif-
 fen; Ventil ersetzen.
•Vor dem Zusammenbau alle Schleifpartikelreste entfer-
 nen.
•Beim Zusammenbau des Motors immer das Ventilspiel
 einstellen (siehe "Prüfung des Ventilspiels" im Kapitel
 "Regelmäßige Wartung").
MOTOROBERSEITE 5-37
Ventile
5-38 MOTOROBERSEITE
Drosselklappengehäusehalter
Ausbau des Drosselklappengehäusehalters
• Ausbauen: (siehe "Ausbau des Kraftstofftanks" im Ka-
   Kraftstofftank
  pitel "Kraftstoffanlage (DFI)")
  Luftfiltergehäuse ("Ausbau des Luftfiltergehäuses" im
  Kapitel "Kraftstoffanlage (DFI)")
  Drosselklappengehäuse ("Ausbau des Drosselklappen-
  gehäuses" im Kapitel "Kraftstoffanlage (DFI)")
  Klemmen [A]
  Halteschrauben [B]
  Halter [C]
Einbau des Drosselklappengehäusehalters
• Unbedingt die neueneinfetten. [A] erneuern.
                      O-Ringe
• Die Klemmen [B] gemäß Abbildung installieren.
  Die neuen O-Ringe
• Ein nicht-permanentes Gewindedichtmittel auftragen:
• Schrauben des Drosselklappenhalters [C]
• Festziehen:
 Anzugsmoment -
        Schrauben der Drosselklappengehäusehalte-
           rung: 12 N·m (1,2 kgf·m)
        Klemmschrauben des Drosselklappenhalters
           [D]: 2,9 N·m (0,30 kgf·m)
• Dasausrichten. Klemmschraube mit der Nase im Halter
  [E]
      Loch in der

  10° [F]
  25° [G]
MOTOROBERSEITE 5-39
Schalldämpfer
                        ACHTUNG
    Zur Vermeidung von Verbrennungen den Schall-
    dämpfer nicht ausbauen, wenn der Motor noch
    heiß ist. Schalldämpfer abkühlen lassen.

Ausbau des Auspufftopfs
• Ausbauen: (siehe "Ausbau der Sitzabdeckung" im
   Sitzabdeckung
     Kapitel "Rahmen")
     Klappe (siehe "Ausbau der Klappe und des Hinterrad-
     schutzblechs" im Kapitel "Rahmen").
     Auslassklappenventil-Gaszüge (auf der Auspuff-
     topfseite) (siehe "Ausbau der Auslassklappenven-
     til-Gaszüge")
     Schrauben [A] mit Unterlegscheiben
•   Den Auspufftopf [B] nach hinten [C] abnehmen.
5-40 MOTOROBERSEITE
Schalldämpfer
Einbau des Auspufftopfs
 Falls die Auspufftopfabdeckungen ausgebaut worden sind, diese einbauen.
  Obere Auspufftopfabdeckung [A]
  Hintere Auspufftopfabdeckung [B]
  Dämpfer [C]
○Festziehen:
    Anzugsmoment -
           Schrauben für obere Auspufftopfabdeckung [D]: 6,9 N·m (0,70 kgf·m)
           Schrauben für hintere Auspufftopfabdeckung [E]: 6,9 N·m (0,70 kgf·m)
• Die Auspufftopfdichtung bis zum Anschlag in das hintere Auspuffrohr [G] einpressen, und zwar so,
      Dichtung des Auspufftopfs [F] erneuern.
• Die die angefasten Seiten [H] zum Auspufftopf [I] zeigen.
  dass
• Die Dichtungsanschläge [J] am Auspufftopf müssen das Ende der Dichtung berühren.
• DenSchalldämpferstreben [K] durch die Löcher im Hinterradschutzblech führen.
○Die
       Auspufftopf einbauen.

     Oben [L]
     Außen [M]
     Ca. 8 mm [N]
•   Festziehen:
    Anzugsmoment -
           Auspufftopf-Befestigungsschrauben [O]: 28 N·m (2,8 kgf·m)
           Auspufftopf-Klemmschraube [P]: 17 N·m (1,7 kgf·m)
MOTOROBERSEITE 5-41
Schalldämpfer

• Den(siehe "Einbau der Auslassklappenventil-Gaszüge").
  len
      Auslassklappenventil-Gaszug einbauen und einstel-

• Denabkühlen lassen. warmlaufen und anschließend wie-
  der
       Motor gründlich
                       Dann alle Schrauben nachziehen.
• Kapitel).
  Die ausgebauten Teile einbauen (siehe entsprechende


Ausbau des hinteren Auspuffrohrs
• Ausbauen: (siehe "Ausbau des Auspufftopfs")
   Auspufftopf
  Abdeckungsschrauben [A]
  Deckel [B] (verschieben)




• Ausbauen: der hinteren Fußrastenhalterung [A]
   Schrauben
  Hintere Fußrastenhalterung [B] (verschieben)




• Ausbauen: [A]
   Schrauben
  Deckel [B]




• Ausbauen: [A]
   Schrauben
  Hinteres Auspuffrohr [B]
5-42 MOTOROBERSEITE
Schalldämpfer
Einbau des hinteren Auspuffrohrs
• Die Dichtung des des hinteren Auspuffrohrszum Anschlag
      Dichtung [A]                            erneuern.
• so einpressen, dass die angefaste Seite [B] zum hinteren
  Die              hinteren Auspuffrohrs bis

    Auspuffrohr [C] zeigt.
•   Den Dichtungsanschlag [D] am hinteren Auspuffrohr
    müssen das Ende der Dichtung berühren.
•   Die Klemmschraube [E] des hinteren Auspuffrohrs ge-
    mäß Abbildung einbauen.
•   Das hintere Auspuffrohr einbauen.
     Vorderes Auspuffrohr [F]
     Oben [G]
     Außen [H]
     Ca. 6 mm [I]
•   Festziehen:
    Anzugsmoment -
           Befestigungsschraube des hinteren Auspuff-
              rohrs [J]: 28 N·m (2,8 kgf·m)
           Klemmschraube des hinteren Auspuffrohrs: 17
              N·m (1,7 kgf·m)
• Den Auspufftopf einbauen (siehe "Einbau des Auspuff-
  topfs").
MOTOROBERSEITE 5-43
Schalldämpfer

• Denabkühlen lassen. warmlaufen und anschließend wie-
  der
       Motor gründlich
                       Dann alle Schrauben nachziehen.
• Kapitel).
  Die ausgebauten Teile einbauen (siehe entsprechende


Ausbau des vorderen Auspuffrohrs
• Ausbauen:
   Untere Motorkühlerschraube [A] (siehe "Ausbau des
     Motorkühlers und Motorkühlergebläses" im Kapitel
     "Kühlsystem")
•   Die oberen Motorkühlerschrauben lösen.
•   Ausbauen:
     Kabelverbinder der Lambdasonde (siehe "Ausbau der
     Lambdasonde" (ausgerüstete Modelle) im Kapitel "Elek-
     trik")
     Muttern des vorderen Auspuffrohrhalters [B]

• Die Klemmschraube [A] des hinteren Auspuffrohrs lo-
  ckern.
• Die Befestigungsschraube [B] des vorderen Auspuffrohrs
  abschrauben.
• Das vordere Auspuffrohr [C] nach vorne [D] herauszie-
  hen.
5-44 MOTOROBERSEITE
Schalldämpfer
Einbau des vorderen Auspuffrohrs
• Die Dichtungen [A] des vorderen Auspuffrohrs erneuern.
• Die Dichtung des des hinteren Auspuffrohrszum Anschlag
○Die
      Dichtung [B]
                   hinteren Auspuffrohrs bis
                                             erneuern.

    so einpressen, dass die angefaste Seite [C] zum hinteren
    Auspuffrohr [D] zeigt.
•   Das vordere Auspuffrohr [E] einbauen.
•   Die Dichtungsanschläge [F] am hinteren Auspuffrohr
    müssen das Ende der Dichtung berühren.
•   Die Klemmschraube [G] des hinteren Auspuffrohrs ge-
    mäß Abbildung einbauen.
     Oben [H]
     Außen [I]
     Ca. 6 mm [J]
     Rückansicht [K]
•   Festziehen:
    Anzugsmoment -
           Muttern des vorderen Auspuffrohrhalters [L]: 17
              N·m (1,7 kgf·m)
           Befestigungsschraube des vorderen Auspuff-
              rohrs [M]: 28 N·m (2,8 kgf·m)
           Klemmschraube des hinteren Auspuffrohrs: 17
              N·m (1,7 kgf·m)
• Bei denverlegen (siehe "Verlegung von der Lambdasonde
  korrekt
          Modellen für Europa die Kabel
                                        Seilzügen, Kabeln
    und Schläuchen" im Anhang).




• Die untere unddes Motorkühlers und Motorkühlergeblä-
  (siehe "Einbau
                 obere Motorkühlerschraube festziehen

    ses" im Kapitel "Kühlsystem").
•   Den Motor gut warmlaufen und anschließend wieder ab-
    kühlen lassen. Dann alle Schrauben und Muttern nach-
    ziehen.
MOTOROBERSEITE 5-45
Schalldämpfer
Ausbau der Auslassklappenventil-Gaszüge
• Ausbauen: (siehe "Ausbau der Sitzabdeckung" im
   Sitzabdeckung
   Kapitel "Rahmen")
   Schraube [A]
   Abdeckung des Auslassklappenventils [B]




• Die Staubabdeckungen [A] herausschieben. den Ein-
• Die Einsteller-Sicherungsmutter [B] lösen und
  steller [C] drehen, bis das richtige Hebelspiel erreicht ist.
• Die Sicherungsmuttern [D] lösen. Auslassklappenven-
• Die unteren Enden [E] [F] lösen.
  til-Gaszugs von der Scheibe
                                  des




• Die oberen Enden [B] des Auslassklappenventil-Gaszugs
      Klemme [A] entfernen.
• von der Scheibe [C] lösen.
  Die

• Die Auslassklappenventil-Gaszüge [D] ausbauen.
5-46 MOTOROBERSEITE
Schalldämpfer
Einbau der Auslassklappenventil-Gaszüge
• Dieder Scheibe des Auspufftopfs befestigen.
  an
      unteren Enden des Auslassklappenventil-Gaszugs

     Öffnungskabel (weiß) [A]
     Schließkabel (schwarz) [B]
•   Festziehen:
    Anzugsmoment -
           Sicherungsmuttern des Auslassklappenven-
              til-Gaszugs: 6,9 N·m (0,70 kgf·m)
• Die Tülleund dann in die Kerbe im Hinterrad-Kotflügel ein-
  festigen
            [C] an den Auslassklappenventil-Gaszügen be-

    passen.
•   Den Auslassklappenventildeckel [D] einbauen.
•   Festziehen:
    Anzugsmoment -
           Schraube des Auslassklappenventildeckels: 6,9
             N·m (0,70 kgf·m)
• Sicherstellen, dass der Winkel der Abbildung entspricht.
                        ANMERKUNG
    ○Die Position elektrisch korrigieren, nachdem sicherge-
     stellt wurde, dass die Stelleinheit außer Betrieb ist und
     durch die Abweichung vom dargestellten Winkel keinen
     Schaden erlitten hat.
    Falls der Winkel der Abbildung nicht entspricht, die
    Scheibe nachstellen (siehe "Einbau der Auslassklappen-
    ventil-Stelleinheit" im Kapitel "Kraftstoffanlage (DFI)").
     41,7° ±7° [E]
                         VORSICHT
    Nicht mit Gewalt mit einem Werkzeug korrigieren.
    Dabei wird die Stelleinheit beschädigt.

• Die oberen Enden des Auslassklappenventil-Gaszugs an
  der Scheibe der Stelleinheit befestigen.
     Öffnungskabel (weiß) [F]
     Schließkabel (schwarz) [G]
     Draufsicht [H]
•   Die Klemme [I] fest einbauen.
MOTOROBERSEITE 5-47
Schalldämpfer




• Das [A] spannen. (weiß) zunächst mit Hilfe des Einstel-
  lers
       Öffnungskabel

○Den Einsteller nach links drehen, bis das Öffnungskabel
    kein Spiel mehr hat.
                           VORSICHT
    Das Öffnungskabel muss zuerst eingestellt werden,
    damit die Position des Auslassklappenventils nicht
    verändert wird.
    Nicht zu stark spannen. Falls die Auslassklappen-
    ventil-Gaszüge falsch eingestellt werden, funkti-
    oniert die Auslassklappenventil-Stelleinheit nicht
    einwandfrei.

• Festziehen:
    Anzugsmoment -
           Sicherungsmutter für Einstellschrauben des
              Auslassklappenventil-Gaszugs:   6,9 N·m
              (0,70 kgf·m)
• Das Schließkabel (schwarz) zunächst mit Hilfe des Ein-
  stellers [B] spannen.
○Den Einsteller nach links drehen, bis das Schließkabel
    kein Spiel mehr hat.
•   Dann den Einsteller des Schließkabels um ca. 3/4 Um-
    drehungen zurückdrehen.
5-48 MOTOROBERSEITE
Schalldämpfer

• Festziehen:
 Anzugsmoment -
        Sicherungsmutter für Einstellschrauben des
           Auslassklappenventil-Gaszugs:   6,9 N·m
           (0,70 kgf·m)
• Die Staubabdeckung anbringen. (siehe entsprechende
• Die ausgebauten Teile einbauen
  Kapitel).

• Die Funktion der Scheiben wie folgt überprüfen.
○Den Zündschalter einschalten.
○Sicherstellen, dass die Scheibe sich nach rechts, dann
 nach links und wieder nach rechts dreht.
 Dreht sich die Scheibe anders, so müssen die Auslass-
 klappenventil-Gaszüge erneut nachgestellt werden.
○Den Winkel der Scheibe (41,7° ±7°) kontrollieren.
 Falls der Winkel der Abbildung nicht entspricht, die
 Scheibe nachstellen (siehe "Einbau der Auslassklappen-
 ventil-Stelleinheit" im Kapitel "Kraftstoffanlage (DFI)")
 und die Auslassklappenventil-Gaszüge erneut einstellen.
○Motor starten. Die Drosselklappe öffnen und die Funktion
 der Scheibe prüfen.
 Dreht sich die Scheibe nicht, die Auslassklappenventil
 -Gaszüge erneut einstellen.
KUPPLUNG 6-1




                                                     Kupplung
                                                INHALTSVERZEICHNIS
Explosionszeichnung..............................................................................................................            6-2
Technische Daten ...................................................................................................................         6-4
Spezialwerkzeuge und Dichtmittel..........................................................................................                   6-5
Kupplungshebel und Kupplungszug .......................................................................................                      6-6
   Prüfung des Kupplungshebelspiels...................................................................................                       6-6
   Einstellung des Kupplungshebelspiels..............................................................................                        6-6
   Ausbau des Seilzugs ........................................................................................................              6-6
   Einbau des Seilzugs .........................................................................................................             6-6
   Seilzugschmierung............................................................................................................             6-6
   Einbau des Kupplungshebels ...........................................................................................                    6-6
Kupplungsdeckel ....................................................................................................................         6-7
                                                                                                                                                   6
   Ausbau des Kupplungsdeckels.........................................................................................                      6-7
   Einbau des Kupplungsdeckels..........................................................................................                     6-7
   Ausbau der Ausrückwelle .................................................................................................                 6-7
   Einbau der Ausrückwelle ..................................................................................................                6-8
   Zerlegung der Kupplungsabdeckung ................................................................................                         6-8
   Kupplungsabdeckung .......................................................................................................                6-9
Kupplung ................................................................................................................................   6-10
   Ausbau der Kupplung .......................................................................................................              6-10
   Einbau der Kupplung ........................................................................................................             6-10
   Messen des Federplattenspiels ........................................................................................                   6-13
   Einstellung des Federplattenspiels ...................................................................................                   6-14
   Prüfung der Kupplungsscheibe auf Verschleiß/Beschädigung .........................................                                       6-15
   Prüfung der Kupplungsscheibe auf Verzug.......................................................................                           6-15
   Messen der freien Länge der Einspurfeder.......................................................................                          6-16
   Überprüfung des Dämpfungsnockens ..............................................................................                          6-16
6-2 KUPPLUNG
Explosionszeichnung
KUPPLUNG 6-3
Explosionszeichnung

                                                          Anzugsmoment
Nr.                Verbindungselement                                    Anmerkungen
                                                           N·m   kgf·m
 1    Kupplungsdeckelschrauben (M6, L = 25 mm)             9,8     1,0
 2    Kupplungsdeckelschrauben (M6, L = 40 mm)             9,8     1,0
 3    Kupplungsnabenmutter                                 135     14        R
 4    Klemmschrauben für den Kupplungshebel                7,8    0,80       S
 5    Kupplungsfederschrauben                              8,8    0,90
 6    Schrauben der Teilkupplungsnabe                       25     2,5        L
CL: Mit Seilzugöl schmieren.
EO: Motoröl auftragen.
 G: Fett auftragen.
 L: Ein nicht-permanentes Gewindedichtmittel auftragen.
 M: Molybdänhaltiges Disulfidfett auftragen.
 R: Ersatzteile
 S: Die vorgeschriebene Anzugsreihenfolge einhalten.
6-4 KUPPLUNG
Technische Daten

              Teil                            Standard   Grenzwert
Kupplungshebelspiel             2 ∼ 3 mm                   – – –
Kupplung
 Federplattenspiel               (Nutzbarer Bereich)
                                 0,05 ∼ 0,70 mm            – – –
 Länge der Kupplungsscheiben     (Bezugswert)
                                                           – – –
 -Baugruppe                      40,6 mm
 Dicke der Reibscheibe           2,72 ∼ 2,88 mm           2,5 mm
 Reibungs- und Stahlscheiben auf 0,15 mm oder weniger     0,3 mm
 Verzug
 Freie Länge der Kupplungsfeder 41,6 mm                  40,1 mm
KUPPLUNG 6-5
Spezialwerkzeuge und Dichtmittel
Kupplungshalter:                   Kawasaki Bond (Silikondichtmittel):
57001-1243                         92104-0004
6-6 KUPPLUNG
Kupplungshebel und Kupplungszug
Prüfung des Kupplungshebelspiels
• Weitere Hinweise finden sie unter "Funktionsprüfung der
  Kupplung" im Kapitel "Regelmäßige Wartung".
Einstellung des Kupplungshebelspiels
• Weitere Hinweise finden sie unter "Funktionsprüfung der
  Kupplung" im Kapitel "Regelmäßige Wartung".
Ausbau des Seilzugs
• Rechte mittlere Verkleidung Kapitel "Rahmen")."Ausbau
  der mittleren Verkleidung" im
                                ausbauen (siehe

• Die Staubschutzkappe [A] am unteren Ende des Kupp-
  lungszugs abschieben.
• Die Muttern so verschieben, das untere Ende des Kupp-
  lungszuges
               [B] lockern und
                               dass der Kupplungszug viel
    Spiel hat.



• Die Einstellschraube eindrehen.
• Die Schlitze [A] im Kupplungshebel und der Einstell-
  schraube [B] miteinander ausrichten und dann den
    Seilzug vom Hebel lösen.
•   Die Spitze der Kupplungszugseele aus dem Kupplungs-
    freigabehebel aushaken.
•   Den Ausrückhebel zur Vorderseite des Motorrads drü-
    cken und mit Klebeband am Kupplungsdeckel befestigen,
    damit die Ausrückwelle nicht herausfällt.
•   Den Kupplungszug aus dem Rahmen ziehen.
Einbau des Seilzugs
• Den Kupplungszug korrektKabeln und(siehe Abschnitt
  "Verlegung von Seilzügen,
                            verlegen
                                     Schläuchen" im
    Anhang).
•   Den Kupplungszug einstellen (siehe "Funktionsprüfung
    der Kupplung" im Kapitel "Regelmäßige Wartung").
Seilzugschmierung
• Siehe "Schmierung der Fahrgestellteile" im Kapitel "Re-
  gelmäßige Wartung".
Einbau des Kupplungshebels
• Den[A] der Kupplungshebelklemme auf den Körnerpunkt
  che
      Kupplungshebel so montieren, dass die Kontaktflä-

 [B] ausgerichtet ist.
•Zuerst die obere Klemmschraube und dann die untere
 Klemmschraube anziehen.
○Am unteren Teil der Klemme entsteht nach dem Festzie-
 hen ein Spalt.
    Anzugsmoment -
           Klemmschrauben des Kupplungshebels:        7,8
              N·m (0,80 kgf·m)
KUPPLUNG 6-7
Kupplungsdeckel
Ausbau des Kupplungsdeckels
• Motoröl ablassen (siehe "Wechsel des Motoröls" im Ka-
  pitel "Regelmäßige Wartung").
• Ausbauen:
   Rechte mittlere Verkleidung (siehe "Ausbau der mittle-
   ren Verkleidung" im Kapitel "Rahmen")
   Unteres Ende des Kupplungszugs [A] (siehe "Ausbau
   des Kupplungsseilzugs")
   Kupplungsdeckelschrauben [B]
   Halterung [C]

• Den Ausrückhebel [A] wie in der Abbildung nach hinten
  drehen, und den Kupplungsdeckel [B] ausbauen.
   Ca. 90° [C]




Einbau des Kupplungsdeckels
• Silikondichtmittel aufKurbelgehäuses die Kupplungsde-
  Kontaktfläche des
                         Fläche [A] auftragen, an der die

  ckeldichtung berührt.
  Dichtmittel -
            Kawasaki Bond (Silikondichtmittel): 92104-0004
• Darauf achten, dass die Passstifte [B] richtig positioniert
  sind.


• Die Kupplungsdeckeldichtung ersetzen.
• Die Kupplungsdeckelschrauben festziehen.
      Halterung [A] montieren.
• Die
  Anzugsmoment -
         Kupplungsdeckelschrauben: 9,8 N·m (1,0 kgf·m)
   L = 25 mm [B]
   L = 40 mm [C]



Ausbau der Ausrückwelle
                       VORSICHT
  Den Kupplungsfreigabehebel und die Ausrückwelle
  nur ausbauen, wenn dies unbedingt erforderlich ist.
  Bei einem Ausbau muss die Öldichtung ersetzt wer-
  den.

• Kupplungsdeckel entfernen (siehe "Ausbau des Kupp-
  lungsdeckels").
• Den Kupplungsfreigabehebel und herausziehen. [A]
  gerade aus dem Kupplungsdeckel
                                  die Ausrückwelle
6-8 KUPPLUNG
Kupplungsdeckel
Einbau der Ausrückwelle
• Fett auf die Öldichtlippen am oberen Rand des Kupp-
  lungsdeckels auftragen.
• Motoröl auf die Nadellager in der Bohrung des Kupp-
  lungsdeckels auftragen.
• Molybdänhaltiges auftragen. auf die Druckstückseite [A]
  der Ausrückwelle
                    Disulfidfett

• Die Ausrückwelle geradeunddie obere Bohrung des Kupp-
      Unterlegscheibe [B]       Feder [C] montieren.
• lungsdeckels einführen.
  Die                       in

                      VORSICHT
 Beim Einsetzen der Ausrückwelle darauf achten,
 dass die Feder der Öldichtung nicht entfernt wird.

• Die Federvon hinten [B] einsetzen.
   Ansicht
            [A] wie abgebildet

   Ausrückwelle [C]
   Kupplungsdeckel [D]




Zerlegung der Kupplungsabdeckung
• Ausbauen:
   Kupplungsdeckel     (siehe "Ausbau des Kupplungsde-
   ckels")
   Kupplungsfreigabehebel und Ausrückwelle (siehe "Aus-
   bau der Ausrückwelle")
   Öldichtung [A]
   Öleinfülldeckel [B]
   Ölstandsanzeige [C]


• Die Nadellager [A] ausbauen.
KUPPLUNG 6-9
Kupplungsdeckel
Kupplungsabdeckung
• Die Nadellager und die Öldichtung durch neue ersetzen.
                     ANMERKUNG
 ○Die Nadellager so einbauen, dass die Markierung des
   Herstellers nach außen zeigt.

• Die Nadellager [A] und die Öldichtung [B] wie abgebildet
  einbauen.
○Das Lager so einpressen, dass es nicht aus der Nabe [C]
 des Kupplungsdeckels herausragt.
○Das Lager so einpressen, dass die Lagerkante [D] bün-
 dig mit dem Kupplungsdeckel [E] auf der Gehäuseseite
 abschließt.
○Die Öldichtung bis zum Anschlag hineindrücken.
• Wasser auf den Gummiteil [A] der Ölstandsanzeige auf-
  tragen.
• Die Anzeige so hineindrücken, dass die Nasen [B] nach
  innen zum Kupplungsdeckel [C] zeigen.
• Den O-RingO-Ring einfetten. erneuern.
              des Öleinfülldeckels
• Festziehen:
  Den neuen
•
 Anzugsmoment -
        Öleinfülldeckel: 2,0 N·m (0,20 kgf·m)
6-10 KUPPLUNG
Kupplung
Ausbau der Kupplung
• Ausbauen:
   Kupplungsdeckel    (siehe "Ausbau des Kupplungsde-
     ckels")
     Kupplungsfederschrauben [A]
     Kupplungsfedern (mit Federhaltern)
     Kupplungsfederscheibe [B] (mit Beilagscheibe, Lager,
     Druckstück [C], Feder und Unterlegscheibe)



• Ausbauen: Stahlscheibe
   Reibscheibe,
     Feder, Federsitz
•   Die Teilkupplungsnabe [A] mit dem Kupplungshalter [B]
    gegenhalten und die Mutter [C] abschrauben.
    Spezialwerkzeug -
             Kupplungshalter: 57001-1243
• Ausbauen:
   Anzugsmomentbegrenzungsfedern [D]
     Teilkupplungsnabe
     Kupplungsnabe
     Distanzring

• Mit den beiden und das Kupplungsgehäuse [D] [B], das
  Nadellager [C]
                 Schrauben 4 mm [A] die Hülse
                                              heraus-
    ziehen.
•   Das Distanzstück entfernen.




Einbau der Kupplung
• Das Distanzstück [A] zeigt.
  Seite [B] nach innen
                       so montieren, dass die abgestuften
KUPPLUNG 6-11
Kupplung

• Folgende Teile einbauen:
   Kupplungsgehäuse [A]
  Nadellager [B]
•Die Hülse [C] so einbauen, dass die Bohrungen [D] nach
 außen weisen.
○Motoröl auf Hülse und Nadellager auftragen.



• Das Distanzstück [A] so montieren, dass die abgestuften
  Seite [B] nach außen zeigt.




• Die Kupplungsnabe [A] an der Antriebswelle anbauen.mit
• Den Schlepphebeln [D] der der Teilkupplungsnabe [C]
  den
      Dämpfungsnocken [B]
                            Kupplungsnabe ausrichten.




• Die vier Rückzugsmoment-Begrenzungsfedern wie abge-
  bildet montieren.
○Erste Anzugsmomentbegrenzungsfeder [A]
    Blechlasche [B]




○Zweite Anzugsmomentbegrenzungsfeder [A]
    Blechlasche [B]
6-12 KUPPLUNG
Kupplung
○Dritte Anzugsmomentbegrenzungsfeder [A]
  Blechlasche [B]




○Vierte Anzugsmomentbegrenzungsfeder [A]
  Blechlasche [B]




• Die Kupplungsnabenmutterdem Kupplungshalter gegen-
                            durch eine neue ersetzen.
• halten und die Kupplungsnabenmutter festziehen.
  Die Teilkupplungsnabe mit

 Spezialwerkzeug -
          Kupplungshalter: 57001-1243
 Anzugsmoment -
        Kupplungsnabenmutter: 135 N·m (14 kgf·m)

• Folgende Teile(36 Belagblöcke) [A]
   Reibscheibe
                 gemäß Abbildung einbauen.

  Reibscheiben (48 Belagblöcke) [B]
  Stahlscheiben [C]
  Federsitz [D]
  Feder [E]
                    ANMERKUNG
 ○Die Belagblöcke [F] der Reibscheibe [A] sind größer als
   die der Reibscheiben [B].
 ○Federsitz und Feder zwischen der ersten und zweiten
   Stahlscheibe einbauen.

                     VORSICHT
 Wenn neue Reibscheiben und Stahlscheiben mon-
 tiert sind, Motoröl auf die Oberflächen jede einzelne
 Scheibe auftragen, damit die Kupplungsscheiben
 nicht festfressen.
KUPPLUNG 6-13
Kupplung

• Die letzte Nasen in die Nuten des Gehäuses einbauen und
  dabei die
             Reibscheibe (36 Belagblöcke) [A]
                                              biegen (siehe
    Abbildung).




• Die bestreichen. [A] mit molybdänhaltigem Disulfid-
  fett
       Druckstückenden

• UnterlegscheibeDruckstück anbauen. [D] und Beileg-
  scheibe [E] am
                    [B], Feder [C], Lager

• Das Druckstück in der abgebildeten Richtung an der An-
  triebswelle [F] montieren.




• Um diedie Nasen [A] der Federscheibe [B] mit den Nuten
  tieren,
          Federscheibe an der Teilkupplungsnabe zu mon-

    [C] in der Teilkupplungsnabe [D] ausrichten.
•   Die Federn und Federhalter einbauen und die Kupplungs-
    federnschrauben festziehen.
    Anzugsmoment -
           Kupplungsfederschrauben: 8,8 N·m (0,90 kgf·m)
• Den Kupplungsdeckeldiesem Kapitel).
  Kupplungsdeckels" in
                        einbauen (siehe      "Einbau des


Messen des Federplattenspiels
  Ungenügendes Kupplungsspiel kann zu einem plötzli-
chen Bremseffekt des Motors führen und ein Springen des
Hinterrades verursachen. Ist das Kupplungsspiel dage-
gen zu groß, kann sich der Kupplungshebel beim Ziehen
“schwammig” anfühlen oder schlagen.
• Eine andere Antriebswelle in einen Schraubstock span-
  nen und die folgenden Kupplungsteile auf der Welle mon-
  tieren (siehe "Einbau der Kupplung").
    Distanzstück [A]
    Nadellager [B]
    Hülse [C]
    Kupplungsgehäuse [D]
    Distanzring [E]
    Kupplungsnabe [F]
    Teilkupplungsnabe [G]
    Reibscheiben (36 Belagblöcke) [H]
    Stahlscheiben [I]
    Federsitz [J]
    Feder [K]
    Reibscheiben (48 Belagblöcke) [L]
    Federscheibe [M]
6-14 KUPPLUNG
Kupplung

• Die Kupplungsnabe mit der Teilkupplungsnabe in Eingriff
  bringen.
• Zur Messung des SpielsKupplungsfederplatte setzen. an-
  gehobene Mitte [B] der
                           eine Messuhr [A] gegen die

• Kupplungsgehäuse-Zahnraddem höchsten und bewegen
  [C]. Die Differenz zwischen
                                vor und zurück
                                                niedrigs-
    ten Messwert ist das Spiel.
     Antriebswelle [D]
•   Das Federplattenspiel messen.
    Federplattenspiel
      Nutzbarer Bereich:           0,05 ∼ 0,70 mm
    Liegt das Spiel nicht innerhalb des Sollwerts, alle Reib-
    scheiben auswechseln und das Federplattenspiel erneut
    messen.
    Liegt das Spiel nicht innerhalb des Sollwerts, erneut ein-
    stellen (siehe "Einstellung des Federplattenspiels").




Einstellung des Federplattenspiels
                         ANMERKUNG
    ○Das Federplattenspiel wird eingestellt, indem die Stahl-
     scheibe(n) ausgewechselt werden.

• Das des Kupplungsfederplattenspiels") und anschließend
  sen
      Spiel der Kupplungsfederplatte messen (siehe "Mes-

    eine oder mehrere Stahlscheibe(n) auswechseln, bis das
    Spiel im zulässigen Bereich liegt.
    Federplattenspiel
      Nutzbarer Bereich:         0,05 ∼ 0,70 mm
○Die folgende(n) Stahlscheibe(n) ersetzen.
                 Dicke                     Teilenummer
    2,3 mm                                  13089-0008
    2,6 mm (STD)                            13089-0009
    2,9 mm                                  13089-1093

                         ANMERKUNG
    ○Stahlscheibe der Dicke 2,3 mm und 2,9 mm dürfen nicht
     gleichzeitig eingesetzt werden.
KUPPLUNG 6-15
Kupplung
Länge der Kupplungsscheibenbaugruppe (Bezugsda-
ten)
• Die folgenden Teile montieren.
   Kupplungsnabe [A]
   Federsitz [B]
   Feder [C]
   Teilkupplungsnabe [D]
   Schrauben der Teilkupplungsnabe [E]
   Neue Reibscheiben [F]
   Stahlscheiben [G]
   Federscheibe [H]
   Kupplungsfedern [I]
   Kupplungsfederhalter [J]
   Kupplungsfederschrauben [K]
    Anzugsmoment -
           Kupplungsfederschrauben: 8,8 N·m (0,90 kgf·m)
• Die Länge der Kupplungsscheiben-Baugruppe [L] mes-
  sen.
    Länge der Kupplungsscheibenbaugruppe (Bezugswert)
      40,6 mm

                       ANMERKUNG
    ○Die  Länge der Kupplungsscheibenbaugruppe ändert
     sich mit der Dicke der verwendeten Stahlscheiben.
Prüfung der Kupplungsscheibe auf
Verschleiß/Beschädigung
• Die Kupplungs- und Stahlscheiben auf Anzeichen von
  Fressen, Überhitzung (Verfärbung) und ungleichmäßi-
    gem Verschleiß überprüfen.
•   Die Dicke jeder Reibscheibe [A] an mehreren Punkten
    messen.
    Wenn eine der Reibscheiben Anzeichen einer Beschädi-
    gung aufweist oder über den Grenzwert hinaus verschlis-
    sen ist, diese Scheiben durch neue ersetzen.
    Dicke der Reibscheibe
      Standard:      2,72 ∼ 2,88 mm
      Grenzwert:     2,5 mm

Prüfung der Kupplungsscheibe auf Verzug
• Jede Reibscheibe bzw. Stahlscheibe auf eine [A] und der
  legen und den Spalt zwischen der Richtplatte
                                               Richtplatte

    betreffenden Reibscheibe oder Stahlscheibe [B] mit einer
    Fühlerlehre [C] messen. Dieser Spalt entspricht dem Ver-
    zug der Reib- bzw. Stahlscheibe.
    Überschreitet der Verzug bei einer Stahl- oder Reib-
    scheibe den Grenzwert, diese Scheibe durch eine neue
    ersetzen.
    Reibungs- und Stahlscheiben auf Verzug
      Standard:      0,15 mm oder weniger
      Grenzwert:     0,3 mm
6-16 KUPPLUNG
Kupplung
Messen der freien Länge der Einspurfeder
• Dieeine der Einspurfedern kürzer, [A] messen. Grenz-
  Ist
      freie Länge der Einspurfedern
                                    als nach dem
 wert zulässig, muss sie ersetzt werden.
 Freie Länge der Kupplungsfeder
   Standard:      41,6 mm
    Grenzwert:    40,1 mm




Überprüfung des Dämpfungsnockens
• Die Kupplung ausbauen (siehe "Ausbau der Kupplung" in
  diesem Kapitel).
• Dämpfernocke [A], Nockenmitnehmer kontrollieren.Dreh-
  moment-Begrenzungsfeder [C] visuell
                                      [B] und die

• Beschädigte Teile ersetzen.
MOTORSCHMIERANLAGE 7-1




                              Motorschmieranlage
                                                 INHALTSVERZEICHNIS
Explosionszeichnung..............................................................................................................              7-2
Technische Daten ...................................................................................................................           7-4
Spezialwerkzeuge und Dichtmittel..........................................................................................                     7-5
Ablaufplan für Motoröl ............................................................................................................            7-6
Motoröl und Ölfilter .................................................................................................................         7-8
   Prüfung des Motorölstands ...............................................................................................                   7-8
   Wechsel des Motoröls.......................................................................................................                 7-8
   Wechsel des Ölfilters ........................................................................................................              7-8
Ölwanne .................................................................................................................................      7-9
   Ausbau der Ölwanne ........................................................................................................                 7-9
   Einbau der Ölwanne .........................................................................................................                7-9
Öldruckentlastungsventil ........................................................................................................             7-11
   Ausbau des Öldruckentlastungsventils .............................................................................                         7-11   7
   Einbau des Öldruckentlastungsventils ..............................................................................                        7-11
   Prüfung des Öldruckentlastungsventils.............................................................................                         7-12
Ölpumpe .................................................................................................................................     7-13
   Ausbau der Ölpumpe ........................................................................................................                7-13
   Einbau der Ölpumpe .........................................................................................................               7-14
   Ausbau des Ölpumpen-Zahnrades ...................................................................................                          7-15
   Einbau des Ölpumpen-Zahnrades ....................................................................................                         7-16
   Ausbau der Ölpumpen-Zahnradwelle ...............................................................................                           7-16
   Einbau der Ölpumpen-Zahnradwelle ................................................................................                          7-16
Ölkühler ..................................................................................................................................   7-17
   Ausbau des Ölkühlers.......................................................................................................                7-17
   Einbau des Ölkühlers........................................................................................................               7-17
   Ausbau des Ölkühlers/Ölfiltergehäuses............................................................................                          7-18
   Einbau des Ölkühlers/Ölfiltergehäuses.............................................................................                         7-19
Öldruckmessung.....................................................................................................................           7-21
   Öldruckmessung ...............................................................................................................             7-21
Öldruckschalter.......................................................................................................................        7-22
   Ausbau des Öldruckschalters ...........................................................................................                    7-22
   Einbau des Öldruckschalters ............................................................................................                   7-22
7-2 MOTORSCHMIERANLAGE
Explosionszeichnung
MOTORSCHMIERANLAGE 7-3
Explosionszeichnung

                                                            Anzugsmoment
 Nr.                  Verbindungselement                                       Anmerkungen
                                                             N·m   kgf·m
 1     Kühlflüssigkeits-Ablassschraube (Wasserpumpe)         8,8    0,90
 2     Motoröl-Ablassschraube                                 29     3,0
 3     Flügelradschraube                                     9,8     1,0
 4     Befestigungsschrauben des Ölkühlers                   20       2,0
 5     Ölfilter                                              31       3,2           G, R
 6     Schraube des Ölfilterhalters                          25       2,5                L
 7     Kolbenöldüsen                                         2,9      0,30
 8     Schrauben der Ölwanne                                 9,8      1,0                S
 9     Ölpumpen-Zahnradschraube                              9,8      1,0                L
 10    Ölkanal-Verschlussschrauben (Kegel)                   20       2,0                L
 11    Ölkanal-Verschlussschraube (Linke Seite)              17       1,7
 12    Wasserpumpen-Deckelschrauben                          12       1,2                L
 13    Öldruckentlastungsventil                              15       1,5                L
 14    Öldruckschalter                                       15       1,5            SS
 15    Klemmschraube des Öldruckschalters                     –        –          Handfest
 16    Klemmschrauben des Wasserschlauchs                    2,0      0,20
 17    Ölkanaldüse                                           4,9      0,50
 18    Entlüftungsschraube                                   9,8      1,0
       Befestigungsschrauben des Ölkühlers/Ölfiltergehäu-
 19                                                          20       2,0                L
       ses
 20    Schrauben des Ölfilterschutzes                        4,0      0,41               L
 21    Öleinfülldeckel                                       2,0      0,20
 22    Entlüftungsplattenschrauben                           9,8      1,0                L
EO: Motoröl auftragen.
 G: Fett auftragen.
HG: Hochtemperaturfett auftragen.
 L: Ein nicht-permanentes Gewindedichtmittel auftragen.
MO: Molybdänhaltige Disulfidöllösung auftragen.
    (eine Mischung aus Motoröl und molybdänhaltigem Disulfidfett im Verhältnis 10 : 1)
 R: Ersatzteile
 S: Die vorgeschriebene Anzugsreihenfolge einhalten.
SS: Silikondichtmittel auftragen.
 W: Wasser auftragen.
7-4 MOTORSCHMIERANLAGE
Technische Daten

              Teil                               Standard
Motoröl
 Typ                 API SE, SF oder SG
                     API SH, SJ oder SL mit JASO MA
 Viskosität          SAE 10W-40
 Kapazität           2,9 Liter (ohne Filterwechsel)
                     3,2 Liter (mit Filterwechsel)
                     3,8 Liter (bei vollkommen trockenem Motor)
 Ölstand             Zwischen der oberen und unteren Ölstand-Markierungslinie
Öldruckmessung
 Öldruck             96 ∼ 126 kPa (0,98 ∼ 1,28 kgf/cm²) bei 4.000 U/min, Öltemperatur
                     90°C
MOTORSCHMIERANLAGE 7-5
Spezialwerkzeuge und Dichtmittel
Montagezange für Sicherungsringe:   Adapter für das Öldruckmanometer, PT 3/8:
57001-144                           57001-1233




Öldruckmanometer, 10 kgf/cm²:       Kawasaki Bond (Silikondichtmittel):
57001-164                           56019-120
7-6 MOTORSCHMIERANLAGE
Ablaufplan für Motoröl
MOTORSCHMIERANLAGE 7-7
Ablaufplan für Motoröl
7-8 MOTORSCHMIERANLAGE
Motoröl und Ölfilter
                        ACHTUNG
 Ein Betrieb des Motorrads mit zu wenig, überalter-
 tem oder verschmutztem Motoröl beschleunigt den
 Verschleiß und kann zum Festfressen von Motor
 oder Getriebe, zu Unfällen und Verletzungen führen.

Prüfung des Motorölstands
• Kontrollieren, ob der Motorölstand zwischen der oberen
  [A] unteren [B] Markierungslinie am Sichtglas steht.
                     ANMERKUNG
 ○Das Motorrad so stellen, dass es senkrecht steht.
 ○Wenn das Motorrad gerade benutzt wurde, einige Mi-
   nuten warten, bis sich das Öl gesammelt hat.
 ○Wenn    das Öl soeben gewechselt wurde, den Motor
   starten und mehrere Minuten im Leerlauf laufen las-
   sen. Dadurch wird der Ölfilter mit Öl gefüllt. Den Motor
   stoppen und mehrere Minuten warten, damit sich das
   Öl sammeln kann.

                      VORSICHT
 Wird der Motor gefahren, bevor das Öl jedes Teil
 geschmiert hat, kann der Motor festfressen.
 Wenn der Motorölstand extrem niedrig ist oder
 Ölpumpe oder Ölkanal verstopfen oder aus ande-
 ren Gründen nicht richtig funktionieren, blinken
 die Warnleuchte und das Öldruck-Warnsymbol.
 Falls das Blinken anhält, wenn der Motor über der
 Leerlaufdrehzahl läuft, den Motor sofort stoppen
 und die Störungsursache suchen.
 Bei zu hohem Ölstand das überschüssige Öl mit einem
 Saugheber oder einem anderen geeigneten Gerät absau-
 gen.
 Ist der Ölstand zu niedrig, die entsprechende Ölmenge
 über die Öleinfüllöffnung nachfüllen. Dabei ein Öl dersel-
 ben Art und Marke verwenden, das bereits im Motor ist.
                     ANMERKUNG
 ○Wenn Typ und Hersteller des Motoröls nicht bekannt
  sind, die vorgeschriebene Ölsorte zum Auffüllen ver-
  wenden. Dies ist besser, als den Motor mit zu wenig
  Öl zu betreiben. Bei der nächsten Gelegenheit muss
  dann das Öl vollständig gewechselt werden.
Wechsel des Motoröls
• SieheWartung".
  ßige
        unter "Wechsel des Motoröls" im Kapitel "Regelmä-


Wechsel des Ölfilters
• SieheWartung".
  ßige
        unter "Wechsel des Ölfilters" im Kapitel "Regelmä-
MOTORSCHMIERANLAGE 7-9
Ölwanne
Ausbau der Ölwanne
• Motoröl ablassen (siehe "Wechsel des Motoröls" im Ka-
  pitel "Regelmäßige Wartung").
• Ausbauen:Auspuffrohr (siehe "Ausbau des vorderen Aus-
   Vorderes
  puffrohrs" im Kapitel "Motoroberseite")
  Schrauben der Ölwanne [A]
  Klemme [B]
  Ölwanne [C]




Einbau der Ölwanne
• Die Ölwannendichtung [A] erneuern.
• Die Klemme [C] gemäß Abbildung installieren.
      Passstifte [B] einbauen.
• Rückansicht [D]
  Die
7-10 MOTORSCHMIERANLAGE
Ölwanne

• Die Schrauben der Ölwanne in der abgebildeten Reihen-
  folge [1 ∼ 20] festziehen.
 Anzugsmoment -
        Schrauben der Ölwanne: 9,8 N·m (1,0 kgf·m)
MOTORSCHMIERANLAGE 7-11
Öldruckentlastungsventil
Ausbau des Öldruckentlastungsventils
• Ausbauen:(siehe "Ausbau der Ölwanne")
   Ölwanne
     Ölsieb [A]




• Das Öldruckentlastungsventil [A] ausbauen.




Einbau des Öldruckentlastungsventils
• Ein nicht-permanentes Gewindedichtmittelauftragen Ge-
  winde des Öldruckentlastungsventils [A]
                                           auf das
                                                    und
    das Ventil festziehen.
                         VORSICHT
    Auf     die   Gewindegänge   nicht    zu  viel
    nicht-permanentes     Gewindedichtmittel auf-
    tragen.     Dadurch kann der Ölkanal blockiert
    werden.
    Anzugsmoment -
           Öldruckentlastungsventil: 15 N·m (1,5 kgf·m)
• Ölsieb [B] reinigen. [D] am Ölsieb einbauen.
• O-Ring [C] undeinbauen, dass es richtig auf die Kurbel-
                   Dämpfer
• gehäusestrebe [E] und das Entlastungsventil ausgerich-
  Das Ölsieb so

    tet ist.
•   Die Ölwanne einbauen (siehe "Einbau der Ölwanne").
7-12 MOTORSCHMIERANLAGE
Öldruckentlastungsventil
Prüfung des Öldruckentlastungsventils
• Das Öldruckentlastungsventils").
  des
      Öldruckentlastungsventil ausbauen (siehe "Ausbau

• Das Ventil [A] muss beim Eindrücken mit einem Holzklotz
  oder einem anderen weichen Gegenstand leicht gleiten
 und dann durch den Federdruck der Feder [B] wieder auf
 seinen Sitz gedrückt werden.
                      ANMERKUNG
 ○Das Ventil in zusammengebautem Zustand überprüfen.
  Durch Zerlegung und erneuten Zusammenbau kann
  sich die Ventilleistung verschlechtern.
 Werden bei einer Durchsicht raue Stellen festgestellt, das
 Ventil mit einem Lösungsmittel mit hohem Flammpunkt
 reinigen und im Ventil eventuell abgelagerte Fremdkörper
 mit Druckluft ausblasen.
                        ACHTUNG
 Die Reinigung des Öldruckentlastungsventils in ei-
 nem gut gelüfteten Raum durchführen und darauf
 achten, dass sich in der Nähe des Arbeitsbereichs
 weder offene Flammen noch Funken befinden. Auf-
 grund der mit leicht entflammbaren Flüssigkeiten
 verbundenen Gefahren kein Benzin und kein leicht
 entzündliches Lösungsmittel verwenden.
 Lässt sich durch Reinigung das Problem nicht beseitigen,
 das Öldruckentlastungsventil komplett ersetzen. Das Öl-
 druckentlastungsventil ist ein Präzisionsteil, bei dem ein-
 zelne Teile nicht ausgetauscht werden dürfen.
MOTORSCHMIERANLAGE 7-13
Ölpumpe
Ausbau der Ölpumpe
• Entleeren: (siehe "Wechsel der Kühlflüssigkeit" im
   Kühlflüssigkeit
     Kapitel "Regelmäßige Wartung")
     Motoröl (siehe "Wechsel des Motoröls" im Kapitel "Re-
     gelmäßige Wartung")
•   Ausbauen:
     Schrauben [A] des Wasserpumpendeckels
     Wasserpumpendeckel [B]
     Wasserschlauch [C]

• Ausbauen:
   Wasserschlauch [A]
     Flügelradschraube [B] mit Unterlegscheibe [C]
     Flügelrad [D]




• Die Flügelradschraube [A] provisorisch einbauen.




• Dieder Flügelradschraube [A] herausziehen.
  an
      gesamte Ölpumpen(Wasserpumpen)-Baugruppe [B]

• Außenrotor [C] installieren.




• Ausbauen:
   Wasserpumpengehäuse [A]
     Ölpumpendeckel [B]
     Innenrotor [C]
     Stift [D]
     Ölpumpenwelle (Wasserpumpenwelle) [E]
7-14 MOTORSCHMIERANLAGE
Ölpumpe
Einbau der Ölpumpe
• Außenrotor [A] im Kurbelgehäuse einbauen. bzw. Was-
• Den Stift [B] und den montieren [C] an der Öl-
  serpumpenwelle [D]
                        Innenrotor
                                   und die Baugruppe ein-
 bauen.
○Die Pumpenwelle so drehen, dass der Schlitz [E] in der
 Pumpenwelle in die Nase [F] der Pumpenantriebsritzel-
 welle passt.



• Den Kurbelgehäuses einpassen. [B] in die Bohrung [C]
  des
      Stift [A] des Ölpumpendeckels




• Den neuen O-Ring einfetten.
       O-Ring [A] erneuern.
• Die Passstifte [B] einbauen.
  Den
• Den Stift des Kurbelgehäuses in die Bohrungen [C] im
• Wasserpumpengehäuse [D] einpassen.



• Kühlflüssigkeitauftragen.Flächen der Gummidichtung [A]
  am Flügelrad
                  auf die

• Festziehen:
 Anzugsmoment -
        Flügelradschraube: 9,8 N·m (1,0 kgf·m)
MOTORSCHMIERANLAGE 7-15
Ölpumpe

• Den Wasserschlauch [A] und die Schlauchschelle [B] wie
  abgebildet anbringen.
     Weiße Markierung [C]
•   Festziehen:
    Anzugsmoment -
           Wasserschlauch-Klemmschraube: 2,0 N·m (0,20
             kgf·m)
• Den neuen O-Ring einfetten.
       O-Ring [D] erneuern.
• Die Passstifte [E] einbauen.
  Den
• Ein nicht-permanentes Gewindedichtmittel auf das Ge-
• winde der Wasserpumpendeckelschrauben auftragen
    und die Schrauben festziehen.
    Anzugsmoment -
           Wasserpumpen-Deckelschrauben: 12 N·m (1,2
             kgf·m)

• Die Markierung [A] am Wasserschlauch [C] ausrichten.
  weiße Markierung [B] am
                          Wasserpumpendeckel auf die

• Die Wasserschlauchschelle [D] wie abgebildet anbringen.
• Festziehen:
    Anzugsmoment -
           Wasserschlauch-Klemmschraube: 2,0 N·m (0,20
             kgf·m)




• Den im Kapitel Motoröl füllen (siehe "Wechsel des Motor-
  öls"
       Motor mit
                 "Regelmäßige Wartung").
                       ANMERKUNG
    ○Falls die Ölpumpe und Nockenwelle bzw. der Zylinder-
     kopf als Satz ausgebaut worden ist, das Ölkühler/Ölfil-
     tergehäuse ausbauen und Motoröl in die Ölkanäle des
     oberen Kurbelgehäuses einfüllen (siehe "Einbau des
     Ölkühlers/Ölfiltergehäuses").

• Den Motor mit Kühlflüssigkeit füllen und das Kühlsystem
  entlüften (siehe "Wechsel der Kühlflüssigkeit" im Kapitel
    "Regelmäßige Wartung").
Ausbau des Ölpumpen-Zahnrades
• DieKapitel "Kupplung"). (siehe "Ausbau der Kupplung"
  im
      Kupplung ausbauen

• Ein geeignetes Werkzeugeinführen. Bohrung der Ölkanal
  -Verschlussschraube [B]
                           [A] in die
7-16 MOTORSCHMIERANLAGE
Ölpumpe

• Das Ölpumpen-Zahnrad [A] mit einem geeigneten Werk-
  zeug [B] gegenhalten und die Schraube [C] abschrauben.
• Das Ölpumpen-Zahnrad ausbauen.




Einbau des Ölpumpen-Zahnrades
• Um das Ölpumpen-ZahnradÖlpumpen-Zahnradwelle am
  Ölpumpen-Zahnrad auf die
                           einzubauen, die Nut [A]
                                                   [B]
    ausrichten.
•   Ein nicht-permanentes Gewindedichtmittel auf das Ge-
    winde der Ölpumpen-Zahnradschraube auftragen.
•   Das Ölpumpen-Zahnrad mit einem geeigneten Werkzeug
    gegenhalten und die Schraube festziehen.
    Anzugsmoment -
           Ölpumpen-Zahnradschraube:       9,8   N·m   (1,0
              kgf·m)

Ausbau der Ölpumpen-Zahnradwelle
• Ausbauen:
   Ölpumpen-Zahnrad      (siehe "Ausbau des       Ölpum-
     pen-Zahnrades")
     Ölwanne (siehe "Ausbau der Ölwanne")
     Sicherungsring [A]
     Unterlegscheibe [B]
     Ölpumpen-Zahnradwelle [C]
    Spezialwerkzeug -
             Montagezange für Sicherungsringe: 57001-144

Einbau der Ölpumpen-Zahnradwelle
• Auf die Gelenkteile [A] der Ölpumpenritzelwelle eine mo-
  lybdänhaltige Disulfidöllösung auftragen.
• Die Unterlegscheibe [B] gemäß Abbildung der Ölpumpen
                                            installieren.
• Einen neuen Sicherungsring [C] in die Nut
  -Zahnradwelle einsetzen.
    Spezialwerkzeug -
             Montagezange für Sicherungsringe: 57001-144
MOTORSCHMIERANLAGE 7-17
Ölkühler
Ausbau des Ölkühlers
• Entleeren: (siehe "Wechsel der Kühlflüssigkeit" im
   Kühlflüssigkeit
     Kapitel "Regelmäßige Wartung")
     Motoröl (siehe "Wechsel des Motoröls" im Kapitel "Re-
     gelmäßige Wartung")
•   Ausbauen:
     Startermotor (siehe "Ausbau des Startermotors" im Ka-
     pitel "Elektrik")
     Unteres Ende des Kupplungsseilzugs (siehe "Ausbau
     des Seilzugs" im Kapitel "Kupplung")
     Kupplungsdeckelschrauben [A]
     Halterung [B]
     Wasserschläuche [C]
     Befestigungsschrauben des Ölkühlers [D]
     Ölkühler [E]
Einbau des Ölkühlers
• Den neuen O-Ring einfetten.
      O-Ring [A] erneuern.
• Den




• Den Ölkühler [A] einbauen.
• Festziehen:
    Anzugsmoment -
           Befestigungsschrauben des Ölkühlers: 20 N·m
             (2,0 kgf·m)
• Die abgebildet anbringen. und die Schlauchschellen [C]
  wie
      Wasserschläuche [B]

     Draufsicht [D]
•   Festziehen:
    Anzugsmoment -
           Klemmschrauben des Wasserschlauchs:         2,0
              N·m (0,20 kgf·m)

• Die ausgebauten Teile einbauen (siehe entsprechende
  Kapitel).
• Auffüllen:
   Kühlflüssigkeit (siehe "Wechsel der Kühlflüssigkeit" im
     Kapitel "Regelmäßige Wartung")
     Motoröl (siehe "Wechsel des Motoröls" im Kapitel "Re-
     gelmäßige Wartung")
7-18 MOTORSCHMIERANLAGE
Ölkühler
Ausbau des Ölkühlers/Ölfiltergehäuses
• Ausbauen: "Wechsel des Ölfilters" im Kapitel "Regel-
   Ölfilter (siehe
   mäßige Wartung")
   Ölkühler (siehe "Ausbau des Ölkühlers")
   Schraube [A]




• Den Ölfilterschutz [A] wie abgebildet nach vorne ziehen.
• Ausbauen: [B]
   Schraube
   Ölfilterschutz




• Die Schrauben [A] herausdrehen.




• Ausbauen: [A]
   Schrauben
  Ölkühler/Ölfiltergehäuse [B]
○Evtl. die Ölfilter-Halteschraube [C] abschrauben.
MOTORSCHMIERANLAGE 7-19
Ölkühler
Einbau des Ölkühlers/Ölfiltergehäuses
 Falls das Kurbelgehäuse zerlegt worden ist, in die Ölka-
 näle [A] Motoröl bis zu den O-Ringeinsetzstellen [B] im
 oberen Kurbelgehäuse einfüllen.
                     ANMERKUNG
 ○Das Motoröl in die Ölkanäle gießen, damit es schnell
   den Zylinderkopf erreicht.
 ○Die Motoröl-Füllmenge für die Ölkanäle beträgt ca. 0,2
   l. Nach dem Zusammenbau des Motors 3,6 l Motoröl
   in die Einfüllöffnung auf dem Kupplungsdeckel einfül-
   len. Damit werden insgesamt 3,8 l Motoröl eingefüllt,
   was dem Sollwert entspricht (bei vollkommen trocke-
   nem Motor).




 Falls die Ölfilter-Halteschraube [A] entfernt worden ist,
 diese wieder einbauen.
○Ein nicht-permanentes Gewindedichtmittel auf die Ge-
 winde der Ölfilter-Halteschraube auftragen und die
 Schraube festziehen.
 Anzugsmoment -
        Ölfilter-Halteschraube: 25 N·m (2,5 kgf·m)




• Die O-Ringe [A] durch neue ersetzen.
• Die neuen O-Ringe einfetten.
7-20 MOTORSCHMIERANLAGE
Ölkühler

• Ein nicht-permanentes Gewindedichtmittel auf die
  Gewinde der Befestigungsschrauben des Ölkühlers/Öl-
 filtergehäuses auftragen und die Schrauben festziehen.
 Anzugsmoment -
        Befestigungsschrauben des Ölkühlers/Ölfilter-
          gehäuses: 20 N·m (2,0 kgf·m)
• Ein nicht-permanentes Gewindedichtmittel auf und Ge-
  winde der Ölfilterschutzschrauben auftragen
                                               die
                                                   die
 Schrauben festziehen.
 Anzugsmoment -
        Ölfilterschutzschrauben: 4,0 N·m (0,41 kgf·m)
• Folgende Teile einbauen: des Ölkühlers")
   Ölkühler (siehe "Einbau
   Ölfilter (siehe "Wechsel des Ölfilters" im Kapitel "Regel-
   mäßige Wartung")
MOTORSCHMIERANLAGE 7-21
Öldruckmessung
Öldruckmessung
• Ausbauen:
   Untere Verkleidung (siehe "Ausbau der unteren Verklei-
   dung" im Kapitel "Rahmen")
   Ölkanal-Verschlussschraube [A]




• DenVerschlussschraube anschließen.[B] an der Bohrung
  der
      Adapter [A] und das Manometer

 Spezialwerkzeuge -
          Öldruckmanometer, 10 kgf/cm²: 57001-164
          Adapter für das Öldruckmanometer, PT 3/8:
             57001-1233




• Den Motor starten und warmlaufen lassen. und den
• Den Motor mit der Solldrehzahl laufen lassen,
  Öldruck am Manometer ablesen.
 Liegt der Öldruck deutlich unter dem Sollwert, die
 Ölpumpe, das Druckentlastungsventil und/oder den Ver-
 schleiß des Lagereinsatzes der Kurbelwelle kontrollieren.
 Liegt der Messwert deutlich über dem Sollwert, die Ölka-
 näle auf Verstopfungen prüfen.
 Öldruck
   Standard:      96 ∼ 126 kPa (0,98 ∼ 1,28 kgf/cm²) bei
                  4.000 U/min, Öltemperatur 90°C

• Den Öldruckmanometer und den Adapter entfernen.
      Motor stoppen.
• Das
                          ACHTUNG
 Verbrennungen durch heißes Motoröl vermeiden,
 das beim Ausbau des Messgeräteadapters durch
 den Ölkanal austritt.

• Ein nicht-permanentes Gewindedichtmittel auf das und
  winde der Ölkanal-Verschlussschraube auftragen
                                                   Ge-

 das Ventil festziehen.
 Anzugsmoment -
        Ölkanal-Verschlussschraube (Kegel):        20 N·m
           (2,0 kgf·m)
7-22 MOTORSCHMIERANLAGE
Öldruckschalter
Ausbau des Öldruckschalters
• Motoröl ablassen (siehe "Wechsel des Motoröls" im Ka-
  pitel "Regelmäßige Wartung").
• Linke untere VerkleidungKapitel "Rahmen"). "Ausbau der
  unteren Verkleidung" im
                            ausbauen (siehe

• Die Gummimanschette [A] abziehen. [B] lösen und
• Die Klemmschraube des Öldruckschalters
  das Schalterkabel [C] entfernen.
• Den Öldruckschalter [D] ausbauen.
Einbau des Öldruckschalters
• Silikondichtmittel auf die Gewindegänge des Öldruck-
  schalters [A] auftragen und diesen anziehen.
    Dichtmittel -
              Kawasaki Bond (Silikondichtmittel): 56019-120
    Anzugsmoment -
           Öldruckschalter: 15 N·m (1,5 kgf·m)
• Das Schalterkabel [B] in der dargestellten Richtung ein-
  bauen.
     Frontansicht [C]
•   Festziehen:
    Anzugsmoment -
           Klemmschraube des Öldruckschalters: Hand-
              fest
• Auf den Schalteranschluss [D] Hochtemperaturfett auftra-
  gen.
• Die Gummimanschette wieder in die ursprüngliche Stel-
  lung zurückschieben.

                        ANMERKUNG
    ○Nur eine geringe Menge Fett auf den Schalteranschluss
     auftragen, damit die zwei Entlüftungslöcher [A] für die
     Schaltmembran sich nicht zusetzen.
AUSBAU/EINBAU DES MOTORS 8-1




              Ausbau/Einbau des Motors
                                              INHALTSVERZEICHNIS
Explosionszeichnung..............................................................................................................      8-2
Spezialwerkzeug ....................................................................................................................   8-4
Ausbau/Einbau des Motors ....................................................................................................          8-5
   Ausbau des Motors ...........................................................................................................       8-5
   Einbau des Motors ............................................................................................................      8-8




                                                                                                                                             8
8-2 AUSBAU/EINBAU DES MOTORS
Explosionszeichnung
AUSBAU/EINBAU DES MOTORS 8-3
Explosionszeichnung

                                                          Anzugsmoment
Nr.                 Verbindungselement                                   Anmerkungen
                                                           N·m   kgf·m
 1    Sicherungsmutter der Einstellhülse                    49    5,0        S
 2    Einstellhülse                                        9,8    1,0        S
 3    Untere Motoraufhängungsmutter                         44    4,5        S
 4    Schrauben der mittleren Motoraufhängungshalterung     25    2,5        S
 5    Mittlere Motoraufhängungsmutter                       44    4,5        S
 6    Obere Motoraufhängungsschraube                        44    4,5        S
  S: Die vorgeschriebene Anzugsreihenfolge einhalten.
8-4 AUSBAU/EINBAU DES MOTORS
Spezialwerkzeug
Mutternschlüssel für den Motorträger:
57001-1450
AUSBAU/EINBAU DES MOTORS 8-5
Ausbau/Einbau des Motors
Ausbau des Motors
• Die Rückseite der Schwingenachse mit einem Stützbock
  abstützen.
• Denfixieren. langsam drücken und mit einem Band
  [A]
       Bremshebel

                          ACHTUNG
    Die Vorderradbremse beim Ausbau des Motors fest-
    halten, sonst kippt das Motorrad um. Dadurch kann
    es zu Unfällen und Verletzungen kommen.

                         VORSICHT
    Die Vorderradbremse beim Ausbau des Motors fest-
    halten, sonst kippt das Motorrad um. Der Motor des
    Motorrads könnte dadurch beschädigt werden.

• Entleeren:(siehe "Wechsel des Motoröls" im Kapitel "Re-
   Motoröl
     gelmäßige Wartung")
     Kühlflüssigkeit (siehe "Wechsel der Kühlflüssigkeit" im
     Kapitel "Regelmäßige Wartung")
•   Ausbauen:
     Mittlere Verkleidung (siehe "Ausbau der mittleren Ver-
     kleidung" im Kapitel "Rahmen")
     Kraftstofftank (siehe "Ausbau des Kraftstofftanks" im Ka-
     pitel "Kraftstoffanlage (DFI)")
     Luftfiltergehäuse (siehe "Ausbau des Luftfiltergehäuses"
     im Kapitel "Kraftstoffanlage (DFI)")
     Drosselklappengehäuse (siehe "Ausbau des Drossel-
     klappengehäuses" im Kapitel "Kraftstoffanlage (DFI)")
     Unteres Ende des Kupplungsseilzugs (siehe "Ausbau
     des Kupplungsseilzugs" im Kapitel "Kupplung")
     Motorkühler (siehe "Ausbau des Motorkühlers und Mo-
     torkühlergebläses" im Kapitel "Kühlsystem")
     Auspuffrohr (siehe "Ausbau des Auspuffrohrs" im Kapitel
     "Motoroberseite")
     Schalthebel (siehe "Ausbau des Schaltpedals" im Kapi-
     tel "Kurbelwelle/Getriebe")
     Antriebskette (siehe "Ausbau des Motorkettenrades" im
     Kapitel "Achsantrieb")
     Kühlflüssigkeits-Ausgleichsbehälter (siehe "Ausbau des
     Kühlflüssigkeits-Ausgleichsbehälters" im Kapitel "Kühl-
     system")

• Die rechte Seite der Wärmedämmung zur Innenseite des
○Die
      Wärmedämmung [A] ausbauen.

    Rahmens herausziehen.
8-6 AUSBAU/EINBAU DES MOTORS
Ausbau/Einbau des Motors
○Die Verbinder vom Motor trennen und die Verkabelung
 aus den Klemmen lösen.
   Steckverbinder für Zündspule [A]
   Zylinderkopfdeckel-Massenanschluss [B]
   Unterdruckschaltventil-Steckverbinder [C]
   Verbinder des Nockenwellenpositionssensors [D]




○Abziehen:
   Kabelverbinder der Lichtmaschine [A]
   Steckverbinder des Hinterrad-Bremslichtschalters [B]
   Kabelverbinder des Gangpositionsschalters/Seitenstän-
   derschalters [C]
   Kabelverbinder des Kurbelwellensensors/Öldruckschal-
   ters [D]
   Steckverbinder des Wassertemperatursensors [E]



○Die Wärmedämmung [A] vorne hochfalten.
○Ausbauen:
   Blowbyschlauch [B]
   Motormasseschraube [C]
   Starterkabelschraube [D]




○Die Klemmen [A] öffnen.
○Den Verbinder [B] des Reglers/Gleichrichters trennen.
AUSBAU/EINBAU DES MOTORS 8-7
Ausbau/Einbau des Motors

• Die mittleren Motoraufhängungsschrauben [B] lösen.
      Wärmedämmung [A] hinten hochfalten.
• Die




• Den Motor mit einemMotors ein Brett [B] auf einen geeig-
○Zum Abstützen des
                      geeigneten Ständer [A] abstützen.

 neten Stützbock legen.




• Ausbauen: Motoraufhängungsschraube [A]
   Rechte obere
   Linke obere Motoraufhängungsschraube




• Die Sicherungsmutter [B] mit dem Mutternschlüssel [A]
  lösen.
 Spezialwerkzeug -
          Mutternschlüssel für den Motorträger: 57001
             -1450




• Mit einem Sechskantschlüssel die Einstellhülse [A] nach
  links drehen, um zwischen Motor und der Rahmenein-
 stellhülse einen Spalt zu öffnen.
8-8 AUSBAU/EINBAU DES MOTORS
Ausbau/Einbau des Motors

• Mittlere und untere Motoraufhängungsschraube aus-
  bauen.
• Die untere Motoraufhängungsschraube [A] nach rechts
  drehen, um zwischen Einstellhülse und Rahmen einen
    Spalt zu öffnen.
•   Die Motoraufhängungsschrauben nach rechts herauszie-
    hen.




• Den Motor aus dem aufgebockten Motorrad ausbauen.
Einbau des Motors
• Die Einstellhülse [A] bis zum Ende des Gewindes in die
  Rückseite des Kurbelgehäuses einschrauben.




• Die Einstellhülsenschraube [A] bis zum
  Gewindes in den Rahmen einschrauben.
                                              Ende des




• Den Motor mit einem geeigneten Ständer abstützen.
○Zur Ausrichtung des Motors ein Brett auf einem
    geeigneten Stützbock verwenden.
AUSBAU/EINBAU DES MOTORS 8-9
Ausbau/Einbau des Motors

• Die Motorrahmenmuttern und eindrehen.
  entsprechend der Anziehreihenfolge
                                     Halteschrauben

○Erstens    die mittlere Motoraufhängungshalterung [A]
 einbauen und die Halterungsschrauben [B] provisorisch
 anziehen.
○Zweitens, folgende Schrauben und Muttern provisorisch
 anziehen.
  [C] Untere Motoraufhängungsschraube und Mutter
  [D] Hülse
  [E] Mittlere Motoraufhängungsschraube und Mutter
  [F] Linke obere Motoraufhängungsschraube
  [G] Rechte obere Motoraufhängungsschraube




○Drittens, die rechte obere Motoraufhängungsschraube [A]
 festziehen.
  [B] Rahmen
  [C] Motor
 Anzugsmoment -
        Linke obere Motoraufhängungsschraube:        44
           N·m (4,5 kgf·m)
8-10 AUSBAU/EINBAU DES MOTORS
Ausbau/Einbau des Motors
○Viertens, die Einstellhülse [A] durch Drehen der unteren
 Motoraufhängungsschraube [B] nach rechts festziehen,
 bis die Hülse [C] den Rahmen [D] berührt.
 Anzugsmoment -
        Untere Motoraufhängungsschraube:         9,8 N·m
          (1,0 kgf·m)
○Fünftens, die untere und mittlere Motoraufhängungss-
 chraube in folgender Reihenfolge festziehen.
 Anzugsmoment -
        Untere Motoraufhängungsmutter [E]: 44 N·m (4,5
           kgf·m)
        Mittlere Motoraufhängungsmutter [F]: 44 N·m
           (4,5 kgf·m)




○Sechstens,   die mittleren Motoraufhängungsschrauben
 [A] festziehen.
 Anzugsmoment -
        Schrauben der mittleren Motoraufhängungshal-
          terung: 25 N·m (2,5 kgf·m)




○Siebtens, die rechte untere Motoraufhängungsschraube
 [A] abschrauben und die Einstellhülse [B] durch Drehen
 nach links festziehen, bis der Abstand [C] zwischen dem
 Motor [D] und der Hülse 0 mm beträgt.
○Achtens, die Hülse gegenhalten und die Sicherungsmut-
 ter [E] an der Einstellhülse festziehen.
 Spezialwerkzeug -
          Mutternschlüssel für den Motorträger: 57001
             -1450
 Anzugsmoment -
        Sicherungsmutter der Einstellhülse: 49 N·m (5,0
           kgf·m)
○Schließlich die rechte obere Motoraufhängungsschraube
 festziehen.
 Anzugsmoment -
        Rechte obere Motoraufhängungsschraube: 44
          N·m (4,5 kgf·m)
AUSBAU/EINBAU DES MOTORS 8-11
Ausbau/Einbau des Motors

• Kabel,
  (siehe
              Seilzüge und Schläuche korrekt verlegen
             Abschnitt "Verlegung von Seilzügen, Kabeln
    und Schläuchen" im Anhang).
•   Die ausgebauten Teile einbauen (siehe entsprechende
    Kapitel).
•   Einstellen:
     Gaszüge (siehe "Prüfung der Drosselklappensteuerung"
     im Kapitel "Regelmäßige Wartung").
     Kupplungszug (siehe "Funktionsprüfung der Kupplung"
     im Kapitel "Regelmäßige Wartung").
     Antriebskette (siehe "Prüfung des Antriebsket-
     ten-Durchhangs" im Kapitel "Regelmäßige Wartung")
•   Den Motor mit Motoröl füllen (siehe "Wechsel des Mo-
    toröls" im Kapitel "Regelmäßige Wartung").
•   Den Motor mit Kühlflüssigkeit füllen und das Kühlsystem
    entlüften (siehe "Wechsel der Kühlflüssigkeit" im Kapitel
    "Regelmäßige Wartung").
KURBELWELLE/GETRIEBE 9-1




                           Kurbelwelle/Getriebe
                                            INHALTSVERZEICHNIS
Explosionszeichnung.........................              9-2      Ausbau der Starterkupplung ........                  9-34
Technische Daten ..............................           9-6      Einbau der Starterkupplung .........                 9-34
Spezialwerkzeuge und Dichtmittel.....                     9-9      Zerlegung der Starterkupplung ....                   9-34
Teilen des Kurbelgehäuses ...............                9-10      Zusammenbau der
    Teilen des Kurbelgehäuses..........                  9-10        Starterkupplung.........................           9-35
    Zusammenbau des                                                Prüfung der Starterkupplung........                  9-35
      Kurbelgehäuses ........................            9-11   Getriebe.............................................   9-37
Kurbelwelle und Pleuel ......................            9-16      Ausbau des Schaltpedals ............                 9-37
    Ausbau der Kurbelwelle ...............               9-16      Einbau des Fußschalthebels........                   9-37
    Einbau der Kurbelwelle ................              9-16      Ausbau des externen
    Ausbau des Pleuels .....................             9-18        Schaltmechanismus ..................               9-37
    Einbau des Pleuels ......................            9-18      Einbau des externen
    Reinigung von Kurbelwelle/Pleuel                     9-22        Schaltmechanismus ..................               9-38
    Pleuel auf Verbiegung..................              9-22      Prüfung des externen
    Pleuel auf Verdrehung .................              9-22        Schaltmechanismus ..................               9-38
    Pleuelfußzapfen-Seitenspiel ........                 9-22      Ausbau des Getriebes .................               9-39
    Verschleiß von Lagereinsatz und                                Zerlegung des Getriebes .............                9-39
      Pleuelfußzapfen ........................           9-23      Zusammenbau des Getriebes......                      9-40
                                                                                                                               9
    Kurbelwellen-Axialspiel ................             9-24      Einbau des Getriebes ..................              9-41
    Kurbelwellenschlag ......................            9-25      Ausbau der Getriebewelle............                 9-42
    Verschleiß an Kurbelwellen                                     Einbau der Getriebewelle.............                9-42
      -Hauptlagereinsatz/Wellenzapfen                    9-25      Zerlegung der Getriebewelle........                  9-43
Kolben ...............................................   9-27      Zusammenbau der Getriebewelle                        9-43
    Ausbau des Kolbens ....................              9-27      Ausbau der Schaltwalze und
    Einbau des Kolbens .....................             9-28        Schaltgabel ...............................        9-46
    Zylinder auf Verschleiß (obere                                 Einbau der Schaltwalze und
      Kurbelgehäusehälfte) ................              9-29        Schaltgabel ...............................        9-46
    Kolbenverschleiß .........................           9-29      Zerlegung der Schaltwalze ..........                 9-46
    Verschleiß von Kolbenring und                                  Zusammenbau der Schaltwalze...                       9-46
      Ringnut......................................      9-30      Schaltgabel auf Verbiegung .........                 9-46
    Kolbenringnutbreite......................            9-30      Verschleiß von Schaltgabel und
    Kolbenringdicke ...........................          9-30        Gangradnut ...............................         9-47
    Kolbenring-Endspalt.....................             9-31      Verschleiß von Schaltwalzennut
Starterleerlaufzahnrad und                                           bzw. Führungsbolzen der
 Starterkupplung .............................           9-32        Schaltgabel ...............................        9-47
    Ausbau des Starterleerlaufzahn-                                Beschädigung von Radklauen
      rads ...........................................   9-32        und Klauenaussparung .............                 9-47
    Einbau des Starterleerlaufzahn-
      rades .........................................    9-32
9-2 KURBELWELLE/GETRIEBE
Explosionszeichnung
KURBELWELLE/GETRIEBE 9-3
Explosionszeichnung

                                                           Anzugsmoment
 Nr.                 Verbindungselement                                     Anmerkungen
                                                            N·m   kgf·m
 1     Kühlflüssigkeits-Ablassschraube (Bremszylinder)      9,8    1,0
 2     Entlüftungsplattenschrauben                          9,8    1,0           L
 3     Ölkanal-Verschlussschrauben (Kegel)                  20       2,0         L
 4     Ölkanal-Verschlussschraube (Linke Seite)             17       1,7
 5     Öldruckschalter                                      15       1,5        SS
 6     Klemmschraube des Öldruckschalters                    –        –       Handfest
 7     Lagerhalterschrauben                                  4,9     0,50        L
 8     Getriebegehäuseschrauben (M8)                          20      2,0
 9     Getriebegehäuseschraube (M6)                          9,8      1,0
                                                            siehe
 10    Muttern des Pleuelfußes                            Angaben    ←          MO
                                                           im Text
       Kurbelgehäuseschrauben (M8) (unten) (erste)            15     1,5       MO, S
 11
       Kurbelgehäuseschrauben (M8) (unten) (letzte)           31     3,2       MO, S
 12    Kurbelgehäuseschrauben (M6, L = 50 mm) (unten)         12     1,2        S
 13    Kurbelgehäuseschrauben (M6, L = 68 mm) (oben)          12     1,2        S
 14    Kurbelgehäuseschrauben (M8, L = 90 mm) (oben)          27     2,8        S
 15    Kurbelgehäuseschraube (M8, L = 75 mm) (oben)           27     2,8        S
 16    Öldüsen                                              2,9      0,30
 17    Ölkanaldüse                                          4,9      0,50
 18    Entlüftungsschlauch-Verschraubung                    15        1,5        L
 19    Laufringhalterschrauben                              4,9      0,50        L
 20    Schraube der Starterkupplung                         49        5,0
 21. Die Anlaufscheiben mit den Nuten zur Kurbelwelle zeigend einbauen und molybdänhaltiges
     Disulfidfett auf die Nuten auftragen.
EO: Motoröl auftragen.
  G: Fett auftragen.
HG: Hochtemperaturfett auftragen.
  L: Ein nicht-permanentes Gewindedichtmittel auftragen.
LG: Flüssigdichtung auftragen.
MO: Molybdänhaltige Disulfidöllösung auftragen.
     (eine Mischung aus Motoröl und molybdänhaltigem Disulfidfett im Verhältnis 10 : 1)
  R: Ersatzteile
  S: Die vorgeschriebene Anzugsreihenfolge einhalten.
SS: Silikondichtmittel auftragen.
9-4 KURBELWELLE/GETRIEBE
Explosionszeichnung
KURBELWELLE/GETRIEBE 9-5
Explosionszeichnung

                                                           Anzugsmoment
Nr.                 Verbindungselement                                          Anmerkungen
                                                            N·m    kgf·m
  1   Ganghebelschraube                                      12      1,2
  2   Schrauben des Gangpositionsschalters                  2,9     0,30                  L
  3   Schraube für Schaltwalzennockenhalter                  12      1,2                  L
  4   Schalthebelschraube                                   6,9     0,70
  5   Befestigungsschraube des Schaltpedals                  25      2,5
  6   Stift der Schaltwellen-Rückstellfeder                  28      2,9               L
  7   Schaltstangen-Sicherungsmutter                        6,9     0,70              Lh
  8   Schaltstangen-Sicherungsmutter                        6,9     0,70
  9   Kappe der Starterkupplungsschraube                      –       –            Handfest
 10   Steuerzeiten-Inspektionsdeckel                          –       –            Handfest
 11   Schrauben des Starterkupplungsdeckels                 9,8      1,0
                                                                                      mit
 12   Schrauben der Leerlaufzahnrad-Abdeckung                9,8       1,0
                                                                               Unterlegscheibe
 13   Schrauben der Leerlaufzahnrad-Abdeckung                9,8       1,0
EO: Motoröl auftragen.
  L: Ein nicht-permanentes Gewindedichtmittel auftragen.
 Lh: Linksgewinde
MO: Molybdänhaltige Disulfidöllösung auftragen.
     (eine Mischung aus Motoröl und molybdänhaltigem Disulfidfett im Verhältnis 10 : 1)
  R: Ersatzteile
9-6 KURBELWELLE/GETRIEBE
Technische Daten

                Teil                              Standard         Grenzwert
Kurbelgehäuse, Kurbelwelle, Pleuel
 Pleuel auf Verbiegung                –––                        TIR 0,2/100 mm
 Pleuel auf Verdrehung                –––                        TIR 0,2/100 mm
 Pleuelfußzapfen-Seitenspiel          0,13 ∼ 0,33 mm                 0,6 mm
 Spiel zwischen Pleuelfuß             0,044 ∼ 0,081 mm              0,12 mm
 -Lagereinsatz und Kurbelzapfen
 Kurbelzapfendurchmesser:             29,987 ∼ 30,000 mm           29,97 mm
   Markierung:
     Keine                            29,984 ∼ 29,992 mm             – – –
     ○                                29,993 ∼ 30,000 mm             – – –
 Pleuelfuß-Innendurchmesser:          33,000 ∼ 33,016 mm             – – –
   Markierung:
     Keine                            33,000 ∼ 33,008 mm             – – –
     ○                                33,009 ∼ 33,016 mm             – – –
 Dicke des Pleuelfußzapfen
 -Lagereinsatzes:
   Braun                              1,475 ∼ 1,480 mm               – – –
   Schwarz                            1,480 ∼ 1,485 mm               – – –
   Blau                               1,485 ∼ 1,490 mm               – – –
 Dehnung der Pleuelschraube           (Nutzbarer Bereich)
                                      0,28 ∼ 0,38 mm                  – – –
 Kurbelwellen-Axialspiel              0,05 ∼ 0,25 mm                0,45 mm
 Kurbelwellenschlag                   TIR 0,02 mm oder weniger    TIR 0,05 mm
 Spiel zwischen Kurbelwellen          0,028 ∼ 0,060 mm              0,09 mm
 -Hauptlagereinsatz/Wellenzapfen
 Durchmesser des Kurbelwellen         30,984 ∼ 31,000 mm           30,96 mm
 -Hauptlagerzapfens:
   Markierung:
     Keine                            30,984 ∼ 30,992 mm             – – –
     1                                30,993 ∼ 31,000 mm             – – –
 Innendurchmesser des                 34,000 ∼ 34,016 mm             – – –
 Kurbelwellenhauptlagers:
   Markierung:
     ○                                34,000 ∼ 34,008 mm             – – –
      Keine                           34,009 ∼ 34,016 mm             – – –
 Kurbelwel-
 len-Hauptlagereinsatzdicke:
    Braun                             1,491 ∼ 1,495 mm               – – –
    Schwarz                           1,495 ∼ 1,499 mm               – – –
    Blau                              1,499 ∼ 1,503 mm               – – –
Zylinder, Kolben
 Innendurchmesser des Zylinders
                                      67,000 ∼ 67,012 mm           68,09 mm
 (obere Kurbelgehäusehälfte)
 Kolbendurchmesser                    66,975 ∼ 66,990 mm           66,83 mm
 Spiel zwischen Kolben und Zylinder   0,010 ∼ 0,037 mm               – – –
KURBELWELLE/GETRIEBE 9-7
Technische Daten

                Teil                                   Standard                     Grenzwert
 Spiel zwischen Kolbenring/Kolben-
 nut:
   Oben                                   0,05 ∼ 0,09 mm                            0,19 mm
   Zweiter Ring                           0,03 ∼ 0,07 mm                            0,17 mm
 Kolbenringnutbreite:
   Oben                                   0,84 ∼ 0,86 mm                            0,94 mm
   Zweiter Ring                           0,82 ∼ 0,84 mm                            0,92 mm
 Kolbenringdicke:
   Oben                                   0,77 ∼ 0,79 mm                            0,70 mm
   Zweiter Ring                           0,77 ∼ 0,79 mm                            0,70 mm
 Kolbenring-Endspalt:
   Oben                                   0,12 ∼ 0,22 mm                             0,5 mm
   Zweiter Ring                           0,30 ∼ 0,45 mm                             0,8 mm
Getriebe
 Dicke des Schaltgabelauges               5,9 ∼ 6,0 mm                              5,8 mm
 Breite der Gangnut                       6,05 ∼ 6,15 mm                            6,25 mm
 Durchmesser des Schaltgabel              5,9 ∼ 6,0 mm                              5,8 mm
 -Führungsbolzens
 Breite der Schaltwalzennut               6,05 ∼ 6,20 mm                             6,3 mm

Auswahl des Pleuelfußzapfen-Lagereinsatzes
  Innendurchmesser      Markierungen des                             Lagereinsatz
  -Markierungen am     Kurbelzapfendurch-
      Pleuelfuß             messers                     Größe/Farbe            Teilenummer
        Keine                      ○                        Braun               92139-0167
        Keine                     Keine
                                                           Schwarz              92139-0166
          ○                        ○
          ○                       Keine                     Blau                92139-0165

Auswahl des Kurbelwellen-Hauptlagereinsatzes (Motor-Nr. ∼ ZX600PE008560)
  Markierung für                                       Lagereinsatz*
                   Markierung für
 Innendurchmes-
                   den Kurbelwel-
  ser des Kurbel-
                  lenzapfendurch-    Größe/Farbe       Teilenummer    Wellenzapfen-Nr.
  wellenhauptla-
                      messer
       gers
                                                        92139-0173           5
        ○                1              Braun
                                                        92139-0191       1, 2, 3, 4
       Keine             1                              92139-0172           5
                                       Schwarz
        ○              Keine                            92139-0190       1, 2, 3, 4
                                                                  92139-0171             5
      Keine               Keine                 Blau
                                                                  92139-0189         1, 2, 3, 4
 *: Die Lagereinsätze für die Wellenzapfen Nr. 1, 2, 3 und 4 haben jeweils eine Ölnut.
9-8 KURBELWELLE/GETRIEBE
Technische Daten
Auswahl des Kurbelwellen-Hauptlagereinsatzes (Motor-Nr. ZX600PE008561 ∼)
  Markierung für                                       Lagereinsatz*
                   Markierung für
 Innendurchmes-
                   den Kurbelwel-
  ser des Kurbel-
                  lenzapfendurch-    Größe/Farbe       Teilenummer   Wellenzapfen-Nr.
  wellenhauptla-
                      messer
       gers
                                                        92139-0173         3, 5
        ○                1              Braun
                                                        92139-0191        1, 2, 4
       Keine             1                              92139-0172         3, 5
                                       Schwarz
        ○              Keine                            92139-0190        1, 2, 4
                                                              92139-0171               3, 5
      Keine               Keine               Blau
                                                              92139-0189              1, 2, 4
 *: Die Lagereinsätze für die Wellenzapfen Nr. 1, 2 und 4 haben jeweils eine Ölnut.
KURBELWELLE/GETRIEBE 9-9
Spezialwerkzeuge und Dichtmittel
Montagezange für Sicherungsringe:                Griff:
57001-144                                        57001-1591




Kolbenbolzenzieher:                              Läuferhalter:
57001-910                                        57001-1666




Griff für Kolbenring-Kompressionswerkzeug:       Anschlag:
57001-1095                                       57001-1679




Kolbenring-Kompressionsriemen,      67 ∼   79:   Kawasaki Bond (Silikondichtmittel):
57001-1097                                       92104-0004




Lagertreibersatz:                                Kawasaki Bond:
57001-1129                                       92104-1064
9-10 KURBELWELLE/GETRIEBE
Teilen des Kurbelgehäuses
Teilen des Kurbelgehäuses
• Den Motor ausbauen (siehe "Ausbau des Motors" im Ka-
  pitel "Einbau/Ausbau des Motors").
• Den der Teile festhalten. Fläche stellen und beim Aus-
  bau
        Motor auf eine saubere

• Ausbauen: (siehe "Ausbau des Zylinderkopfs" im Ka-
   Zylinderkopf
  pitel "Motoroberseite")
  Kupplung (siehe "Ausbau der Kupplung" im Kapitel
  "Kupplung")
  Startermotor (siehe "Ausbau des Startermotors" im Ka-
  pitel "Elektrik")
  Starterkupplung (siehe "Ausbau der Starterkupplung")
  Ölpumpe (siehe "Ausbau der Ölpumpe" im Kapitel "Mo-
  torschmieranlage")
  Lichtmaschinenläufer (siehe "Ausbau des Lichtmaschi-
  nenläufers" im Kapitel "Elektrik")
  Ölkühler/Ölfiltergehäuse (siehe "Ausbau des Ölküh-
  lers/Ölfiltergehäuses" im Kapitel "Motorschmieranlage")
  Ölwanne (siehe "Ausbau der Ölwanne" im Kapitel "Mo-
  torschmieranlage")
  Ölsieb (siehe "Ausbau des Öldruckentlastungsventils"
  im Kapitel "Motorschmieranlage")
  Externes Schaltmechanismus (siehe "Ausbau des exter-
  nen Schaltmechanismus")
  Getriebe (siehe "Ausbau des Getriebes")

• Die oberen Schrauben des Kurbelgehäuses herausdre-
  hen.
○Als Erstes die M6-Schrauben lockern.
  M6-Schrauben [A]
  M8-Schraube (L = 90 mm) [B]
  M8-Schrauben (L = 75 mm) [C]
○Die Halterung für den Kabelverbinder der Lambdasonde
 ausbauen. (ausgerüstete Modelle)



• Die Erstes die M6-Schrauben lockern. lösen.
○Als
      unteren Kurbelgehäuseschrauben

  M6-Schrauben [A]
  M8-Schrauben [B]
KURBELWELLE/GETRIEBE 9-11
Teilen des Kurbelgehäuses

○Die M8-Schrauben [1 ∼ 10] (in numerischer Reihenfolge)
    lösen.
•   Mit einem Kunststoffhammer leicht auf die Dichtfläche
    des Kurbelgehäuses klopfen und das Kurbelgehäuse tei-
    len. Das Kurbelgehäuse dabei nicht beschädigen.




Zusammenbau des Kurbelgehäuses
                       VORSICHT
    Die obere und untere Kurbelgehäusehälfte sind ab
    Werk so bearbeitet, dass sie passen, und beide Kur-
    belgehäusehälften müssen als eine Baugruppe er-
    setzt werden.

• Die Passflächenhohem Flammpunkt reinigen und trock-
  sungsmittel mit
                  der Kurbelgehäusehälften mit einem Lö-

    nen.
•   Mit Druckluft die Ölkanäle der Kurbelgehäusehälften
    durchblasen.

• Beim Einbaudie Dichtung [A] erneuern. obere Kurbelge-
  häusehälfte
              der Entlüftungsplatte in die




• Ein nicht-permanentes Gewindedichtmittel auf die Ge-
  winde auftragen und die Schrauben [A] festziehen.
    Anzugsmoment -
           Entlüftungsplattenschrauben:    9,8 N·m (1,0
             kgf·m)
9-12 KURBELWELLE/GETRIEBE
Teilen des Kurbelgehäuses

• Das Anschlussstück [A] einpressen.
  Kurbelgehäusehälfte [B]
                          bis zum Anschlag in die obere

    Spezialwerkzeug -
             Lagertreibersatz: 57001-1129
• Ein nicht-permanentes Gewindedichtmittel auf[C] auftra-
  winde der Entlüftungsschlauch-Verschraubung
                                                das Ge-

    gen und festziehen.
    Anzugsmoment -
           Entlüftungsschlauch-Verschraubung:     15 N·m
             (1,5 kgf·m)
• Den Verschlussstopfen [D] so in die obere Kurbelwellen-
  hälfte einpressen, dass die Oberkante des Stopfens [E]
    bündig mit dem Ende des Lochs abschließt.




• Die Ölstopfen [A] so hineindrücken, dass ihre Oberkante
  bündig mit dem Ende des Lochs abschließt.




• Die Öldüsen [A]festziehen. Kurbelgehäusehälfte ein-
  schrauben und
                   in die obere

    Anzugsmoment -
           Öldüsen: 2,9 N·m (0,30 kgf·m)
• Folgende Teile einbauen:
   Positionierungsring [B]
     Kugellager [C]




• Den Laufring [A] mitweisend bis zum Anschlag in Kurbel-
  gehäuseinnenseite
                       der großgestuften Seite zur
                                                   die un-
    tere Kurbelgehäusehälfte [B] einpressen.
•   Den Laufringhalter [C] gemäß Abbildung einbauen.
•   Ein nicht-permanentes Gewindedichtmittel auf die Lauf-
    ringhalterschraube [D] auftragen.
•   Festziehen:
    Anzugsmoment -
           Laufringhalterschraube: 4,9 N·m (0,50 kgf·m)
KURBELWELLE/GETRIEBE 9-13
Teilen des Kurbelgehäuses

• Das neue Nadellager [A] für dienach außen [B] hineindrü-
  cken, dass die markierte Seite
                                 Schaltwelle so
                                                weist und
    die Oberkante [C] bündig mit dem Ende des Lochs ab-
    schließt.
•   Die neuen Öldichtung [D] so einbauen, dass seine Ober-
    kante [E] bündig mit dem Ende des Lochs abschließt.
•   Die Dichtlippen der Öldichtung einfetten.




• Die Ölkanaldüse [A] in die untere Kurbelgehäusehälfte
  einschrauben und festziehen.
    Anzugsmoment -
           Ölkanaldüse: 4,9 N·m (0,50 kgf·m)




• Folgende Teile einbauen:
   Kurbelwelle und Pleuel
  Nockenwellenkette [A]
  Passstifte [B]
  O-Ringe [C]
•Vor dem Zusammenbau von unterem und oberem Ge-
 häuse Folgendes überprüfen:
○Die Nockenwellenkette muss auf der Kurbelwelle hängen.
9-14 KURBELWELLE/GETRIEBE
Teilen des Kurbelgehäuses

• Auf die Kontaktfläche der unteren Kurbelgehäusehälfte
  Flüssigdichtung [A] auftragen.
  Dichtmittel -
            Kawasaki Bond: 92104-1064
• Nut [B] mit Flüssigdichtung füllen.
                       VORSICHT
  Auf die Nuten [C] im Bereich der Lagereinsätze des
  Kurbelwellenhauptlagers und die Ölkanalöffnun-
  gen keine Flüssigdichtung auftragen.

                      ANMERKUNG
  ○Die Montage innerhalb von 20 Minuten nach Auftragen
   des Flüssigdichtmittels auf die Passfläche der unteren
   Kurbelgehäusehälfte beenden.




• Die Unterlegscheiben [A] der M8-Schrauben [B] erneu-
  ern.
• Aufder M8-Schrauben eine molybdänhaltige Disulfidöllö-
  [D]
       beide Seiten [C] der Unterlegscheiben und Gewinde

  sung auftragen.
KURBELWELLE/GETRIEBE 9-15
Teilen des Kurbelgehäuses

• Die M8-Schraubeninmit Unterlegscheiben∼der unteren Kur-
  belgehäusehälfte der Reihenfolge [1 10] festziehen.
 Anzugsmoment -
        Kurbelgehäuseschrauben (M8) [A]:
          Erste: 15 N·m (1,5 kgf·m)
          Letzte: 31 N·m (3,2 kgf·m)
• Die Halterung [B] für einbauen (ausgerüstete Modelle).
  sonde wie abgebildet
                        den Kabelverbinder der Lambda-

• Die M6-Schrauben [C] festziehen.
 Anzugsmoment -
        Kurbelgehäuseschrauben (M6):        12 N·m (1,2
          kgf·m)

• Die Unterlegscheiben [A] der M8-Schrauben [B] [C] er-
  neuern.
• Die oberen Schrauben des Kurbelgehäuses festziehen.
 Anzugsmoment -
        Kurbelgehäuseschrauben (M8, L = 90 mm) [B]:
          27 N·m (2,8 kgf·m)
        Kurbelgehäuseschrauben (M8, L = 75 mm) [C]:
          27 N·m (2,8 kgf·m)
        Kurbelgehäuseschrauben (M6) [D]: 12 N·m (1,2
          kgf·m)
• Nach dem Anziehen aller Schrauben am Kurbelgehäuse
  Folgendes überprüfen:
○Kurbelwelle dreht sich leichtgängig.
9-16 KURBELWELLE/GETRIEBE
Kurbelwelle und Pleuel
Ausbau der Kurbelwelle
• Kurbelgehäuse teilen (siehe "Teilen des Kurbelgehäu-
  ses").
• Die Pleuelstangemuttern entfernen.
• Die Kurbelwelle ausbauen.
Einbau der Kurbelwelle
                     ANMERKUNG
 ○Falls die Kurbelwelle ersetzt wird, siehe Spiel zwischen
   Pleuelfuß-Lagereinsatz und Kurbelzapfen/Auswahl des
   Kurbelwellen-Hauptlagereinsatzes in den Technischen
   Daten.

                      VORSICHT
 Wenn die Kurbelwelle, die Lagereinsätze oder die
 Kurbelgehäusehälften durch neue Teile ersetzt wer-
 den, die entsprechenden Lagereinsätze auswählen
 und das Spiel mit Plastigauge (einem Messhilfsmit-
 tel) kontrollieren; den Motor erst dann zusammen-
 bauen, wenn sichergestellt ist, dass die richtigen
 Lagereinsätze eingebaut sind.


• Eine molybdänhaltige Disulfidöllösung auf die Lagerein-
  sätze des Hauptlagers der Kurbelwelle auftragen.
• Dieeinbauen. mit daran hängender Kurbelwellenkette
  [A]
       Kurbelwelle

• Die Pleueldeckel [B] einbauen (siehe "Einbau des Pleu-
  els").
KURBELWELLE/GETRIEBE 9-17
Kurbelwelle und Pleuel

• Molybdänhaltiges Disulfidfett [A] auf die Außenflächen
  beider Anlaufscheiben [B] auftragen.
• Eine Anlaufscheibe in die obere Kurbelgehäusehälfte
  schieben [C].
• Die andere Anlaufscheibe inoder rechts verlagern, dann
  die
      Kurbelwelle nach links
                                die obere Kurbelgehäuse-
 hälfte schieben.
                     ANMERKUNG
 ○Die Anlaufscheiben so drehen,    dass die Ölnuten [D]
   nach außen zeigen. Die blauen Kanten [E] müssen wie
   abgebildet ausgerichtet werden.
    Vorn [F]




                     ANMERKUNG
 ○Je nach Motornummer gibt es zwei Arten von Kurbel-
  gehäuse.

                    Kurbelge-     Unterleg-   Dicke der
    Motor-Nr.         häuse       scheibe     Unterleg-
                     Teile-Nr.    Teile-Nr.    scheibe
∼ ZX600PE008560     14001-0112   92200-0383    2,5 mm
ZX600PE008561 ∼     14001-0113   92200-0385   3,25 mm
9-18 KURBELWELLE/GETRIEBE
Kurbelwelle und Pleuel
Ausbau des Pleuels
• Kurbelgehäuse teilen (siehe "Teilen des Kurbelgehäuses"
  in diesem Kapitel).
• Die Pleueldeckelmuttern [A] und Pleueldeckel [B] aus-
  bauen.
                     ANMERKUNG
 ○Die Lage der Pleuel sowie der Pleuelfüße markieren
   und notieren, damit sie später wieder in den alten Posi-
   tionen eingebaut werden können.

• Ausbauen:
   Nockenwellenkette [C]
   Kurbelwelle [D]
   Kolben [E] (siehe "Ausbau des Kolbens")
                      VORSICHT
 Die Pleuelschrauben entsorgen. Um Beschädigun-
 gen an den Kurbelzapfen zu vermeiden, nicht mit
 den Pleuelfußschrauben gegen den Kurbelzapfen
 schlagen.

Einbau des Pleuels
                      VORSICHT
 Zur Verringerung der Vibration müssen die Pleuel
 die gleiche Gewichtsmarkierung haben.
   Pleueldeckel [A]
   Pleuel [B]
   Gewichtsmarkierung, Buchstabe [C]
   Durchmessermarkierung [D]: “○” oder keine Markierung
                      VORSICHT
 Wenn die Pleuel, die Pleuelfußlagereinsätze oder
 die Kurbelwelle durch neue Teile ersetzt werden,
 den Lagereinsatz auswählen und das Spiel mit Plas-
 tigauge (einem Hilfsmittel zur Spielmessung) kon-
 trollieren, bevor der Motor zusammengebaut wird,
 damit sichergestellt ist, dass die richtigen Lagerein-
 sätze eingebaut werden.

• Molybdänhaltige Disulfidöllösung auf[A] auftragen. des
  oberen und unteren Lagereinsatzes
                                        die Innenfläche

• Das mit molybdänhaltigerSitzfläche [C] der Pleuelfußmut-
  tern
       Gewinde [B] und die
                            Disulfidöllösung bestreichen.
• der gleichen Seite befinden und in die Aussparung an
  Die Einsätze so einbauen, dass ihre Nasen [D] sich auf

 Pleuelfuß und Pleuelkopf passen.
                      VORSICHT
 Falsch aufgetragenes Öl und Fett könnte das Lager
 beschädigen.
KURBELWELLE/GETRIEBE 9-19
Kurbelwelle und Pleuel

○Beim Einbau der Lagereinsätze [A] darauf achten, dass
    die Einsätze nicht durch die Kante des Pleuels [B] oder
    des Lagerdeckels [C] beschädigt werden. Die Lagerein-
    sätze können wie folgt montiert werden:
     Einbau [D] in den Pleueldeckel
     Einbau [E] in den Pleuel
     Drücken [F]
     Ersatz-Zylinderstift [G]
     Pleuelschrauben [H]
•   Fremdkörper entfernen und die Oberfläche der Lagerein-
    sätze reinigen.

• Die Kolben einbauen (siehe "Einbau des Kolbens").
• Jeden Pleueleinbauen (siehe "Einbau der Kurbelwelle").
               in seiner ursprünglichen Lage einbauen.
• Den Pleueldeckel auf den Pleuel setzen. Gewichts- und
  Kurbelwelle
• Durchmessermarkierungen fluchten.
○Der Pleuelfuß ist verschraubt, dafür wird die “plastische
 Verformung der Schrauben“ genutzt.
○Bei diesem Verfahren wird die benötigte Haltkraft exakt
 erreicht, ohne dass eine Überbeanspruchung entstehen
 kann, sodass das Pleuelgewicht durch dünnere, leichtere
 Schrauben verringert werden kann.
○Es gibt zwei Möglichkeiten zur Herstellung von plasti-
 schen Verbindungen. Bei dem einen Verfahren wird die
 Länge der Schraube gemessen, bei dem anderen der
 Drehwinkel. Es kann jedes der beiden Verfahren verwen-
 det werden; wir empfehlen jedoch die Längenmessung
 der Schraube, da beim Anziehen der Pleuelfußschrau-
 ben dieses Verfahren zuverlässiger ist.

                        VORSICHT
    Die Pleuelschrauben werden beim Anziehen ge-
    dehnt. Gebrauchte Pleuelschrauben niemals wie-
    der verwenden. Die richtigen Werte für Schrauben
    und Muttern finden Sie in der folgenden Tabelle.

                        VORSICHT
    Die Muttern nicht überdrehen.
    Die Schrauben müssen auf der Dichtfläche richtig
    angeordnet sein, damit die Schraubenköpfe nicht
    am Kurbelgehäuse anstoßen.
9-20 KURBELWELLE/GETRIEBE
Kurbelwelle und Pleuel
(1) Längenmessung der Schraube
• Die Schrauben, Muttern und Pleuel gründlich mit einem
  Lösungsmittel mit hohem Flammpunkt reinigen, da die
  neuen Pleuelschrauben und Muttern mit einer Korrosi-
  onsschutzlösung behandelt wurden.
                           ACHTUNG
    Die Schrauben, Muttern und Pleuel in einem gut
    durchlüfteten Raum reinigen und darauf achten,
    dass in der Nähe des Arbeitsbereichs weder offene
    Flammen noch Funken entstehen. Dazu gehört
    jedes Gerät mit einer Stroboskoplampe. Aufgrund
    der Gefahr, die mit leicht entflammbaren Flüs-
    sigkeiten verbunden ist, kein Benzin und keine
    Lösungsmittel mit niedrigem Flammpunkt zur Rei-
    nigung verwenden.

                           VORSICHT
    Die Schrauben und Muttern nach der Reinigung
    sofort mit Druckluft trocknen. Die Schrauben und
    Muttern reinigen und vollständig trocknen lassen.


• Für die wieder einzubauenden Pleuel neue Schrauben
  verwenden.
• Sowohl Schraubenkopf als auch Schraubenspitze, wie
  dargestellt, mit einem Körnerpunkt versehen.
• Vor dem Festziehen mit einer Mikrometerschraube die
  Länge der neuen Pleuelschrauben messen und die Werte
    notieren, um später die Schraubendehnung zu bestim-
    men.
     Pleuel [A]
     Hier mit einem Körnerpunkt [B] eindellen.
     Muttern [C]
     Die Mikrometerstifte in die Dellen [D] setzen.
•   Eine geringe Menge molybdänhaltige Disulfidöllösung auf
    folgende Teile auftragen.
     Gewinde von Muttern und Schrauben
     Sitzflächen der Muttern und Pleuel
•   Die Pleuelfußschrauben festziehen, bis die Schrauben-
    dehnung den vorgegebenen Wert (siehe Tabelle) erreicht
    hat.
•   Die Länge der Pleuelschrauben prüfen.
    Liegt die Dehnung außerhalb des zulässigen Bereichs,
    wurde die Schraube zu stark gedehnt. Eine überdehnte
    Schraube kann während des Betriebs brechen.
        Schrauben-
                            Schraubenlänge        Schrauben-
      länge nach dem   –                      =
                           vor dem Anziehen        dehnung
         Anziehen

      Zulässige Dehnung der Pleuelschraube
        0,28 ∼ 0,38 mm
KURBELWELLE/GETRIEBE 9-21
Kurbelwelle und Pleuel
(2) Drehwinkel-Methode
  Wenn eine Mikrometerschraube nicht zur Verfügung
  steht, können die Muttern mit der “Drehwinkel-Methode”
  festgezogen werden.
• Die Schrauben, Muttern und Pleuel gründlich mit einem
  Lösungsmittel mit hohem Flammpunkt reinigen, da die
  neuen Pleuelschrauben und Muttern mit einer Korrosi-
  onsschutzlösung behandelt wurden.
                           ACHTUNG
    Die Schrauben, Muttern und Pleuel in einem gut
    durchlüfteten Raum reinigen und darauf achten,
    dass in der Nähe des Arbeitsbereichs weder offene
    Flammen noch Funken entstehen. Dazu gehört
    jedes Gerät mit einer Stroboskoplampe. Aufgrund
    der mit leicht entzündlichen Flüssigkeiten verbun-
    denen Gefahren zur Reinigung kein Benzin und
    keine Lösungsmittel mit niedrigem Flammpunkt
    verwenden.

                          VORSICHT
    Die Schrauben und Muttern nach der Reinigung
    sofort mit Druckluft trocknen. Die Schrauben und
    Muttern reinigen und vollständig trocknen lassen.


• Für die wieder einzubauenden Pleuel neue Schrauben
  verwenden.
• Eine geringe Menge molybdänhaltige Disulfidöllösung auf
  folgende Teile auftragen.
     Gewinde [A] von Muttern und Schrauben
     Sitzflächen [B] der Muttern und Pleuel




• Zunächstfestziehen (Siehe folgende Tabelle). Anzugs-
  moment
           die Muttern mit dem vorgeschriebenen

• Danach die Muttern festziehen[A] so markieren, dass die
○Die Pleueldeckel und Muttern
                                 180° .

    Muttern um genau 180° [B] angezogen werden können.
    Pleuelstange,                      Anzugsmoment + Winkel
                    Schraube, Mutter
      komplett                              N·m (kgf·m)
                     Die Schrauben
                    der neuen Pleuel      11,8 (1,2) + 180°
                      verwenden.
        Neu
                     Andere neue
                    Schrauben und         11,8 (1,2) + 180°
                       Muttern
                     Die Schrauben
     Gebraucht        und Muttern         11,8 (1,2) + 180°
                        erneuern.

                          VORSICHT
    Die Muttern nicht überdrehen.
9-22 KURBELWELLE/GETRIEBE
Kurbelwelle und Pleuel
Reinigung von Kurbelwelle/Pleuel
• Nach dem Entfernen mit hohem Flammpunkt reinigen.mit
  einem Lösungsmittel
                      von der Kurbelwelle die Pleuel

• Die Ölkanäle und Kurbelwelle mitzuPressluft reinigen, um
  Fremdkörper
               der
                   Ablagerungen      entfernen.
Pleuel auf Verbiegung
• Die Lagereinsätze aus dem Pleuelfuß ausbauen und den
  Pleueldeckel wieder anschrauben.
• Einen Stahlstab den mit dem gleichen Durchmesser wie
  der Pleuelfuß in
                   [A]
                       Pleuelfuß einsetzen.
• der Kolbenbolzen und mindestens 100 mm Länge aus-
  Einen Stahlstab [B] mit dem gleichen Durchmesser wie

    wählen und in das Pleuelauge einsetzen.
•   Auf einer Richtplatte den Dorn für den Pleuelfuß in einen
    V-förmigen Block [C] einsetzen.
•   Den Pleuel senkrecht zur Richtplatte halten und mit einer
    Messuhr den Unterschied des Stahlstabs über der Richt-
    platte auf einer Länge von 100 mm messen, um den Ver-
    biegungsgrad des Pleuels festzustellen.
    Wenn die Biegung des Pleuels den Grenzwert über-
    schreitet, dann muss der Pleuel ersetzt werden.
    Pleuel auf Verbiegung
      Grenzwert:     TIR 0,2/100 mm

Pleuel auf Verdrehung
• Wenn [C] liegt, den Pleuel horizontal halten und die Paral-
  Block
        der Dorn für den Pleuelfuß [A] in dem V-förmigen

    lelabweichung zwischen dem Dorn [B] und der Richtplatte
    bei einer Länge von 100 mm messen, um die Verdrehung
    des Pleuels bestimmen.
    Wenn die Verdrehung des Pleuels den Grenzwert über-
    schreitet, muss den Pleuel ersetzt werden.
    Pleuel auf Verdrehung
      Grenzwert:     TIR 0,2/100 mm

Pleuelfußzapfen-Seitenspiel
• Das Pleuelfußspiel messen. dem Pleuelfuß und den
○Eine Fühlerlehre [A] zwischen
    Kurbelwellenseiten schieben, um das Seitenspiel zu be-
    stimmen.
    Pleuelfußzapfen-Seitenspiel
      Standard:     0,13 ∼ 0,33 mm
      Grenzwert:     0,6 mm
    Wenn das Axialspiel den Grenzwert überschreitet, muss
    das Pleuel ersetzt und dann das Spiel erneut geprüft wer-
    den. Wenn auch nach dem Austausch des Pleuels das
    Spiel zu groß ist, muss auch die Kurbelwelle ersetzt wer-
    den.
KURBELWELLE/GETRIEBE 9-23
Kurbelwelle und Pleuel
Verschleiß von Lagereinsatz und Pleuelfußzapfen
• Dasmit Plastigauge [A] messen. und Pleuelfußzapfen
  [B]
       Spiel zwischen Lagereinsatz

• Die Pleuelfußschrauben (siehe Einbau des Pleuels). An-
  zugsmoment festziehen
                          mit dem vorgeschriebenen

                        ANMERKUNG
    ○Bei der Spielmessung Pleuel und Kurbelwelle nicht be-
     wegen.

                         VORSICHT
    Nach der Messung die Pleuelschrauben ersetzen.

    Spiel zwischen Pleuelfuß-Lagereinsatz und Kurbelzapfen
      Standard:      0,044 ∼ 0,081 mm
      Grenzwert:     0,12 mm

    Liegt das Spiel innerhalb des Sollwerts, braucht das La-
    ger nicht ausgetauscht zu werden.
    Liegt das Spiel zwischen 0,082 mm und dem Grenzwert
    (0,12 mm), die Lagereinsätze [A] durch blaue Lager [B]
    ersetzen. Das Spiel zwischen Lagereinsatz/Kurbelzap-
    fen mit Plastigauge messen. Das Spiel darf etwas größer
    sein als der Sollwert, aber nicht kleiner als das Mindest-
    maß, um Lagerfresser zu vermeiden.
    Ist das Spiel größer, als nach den Grenzwert zulässig,
    den Durchmesser [C] der Pleuelfußzapfen messen.
    Kurbelzapfendurchmesser
      Standard:    29,987 ∼ 30,000 mm
      Grenzwert:     29,97 mm

    Überschreitet der Verschleiß am Kurbelzapfen den
    Grenzwert, die Kurbelwelle durch eine neue ersetzen.
    Wenn der gemessene Pleuelfußdurchmesser den
    Grenzwert nicht unterschreitet, aber nicht mit den alten
    Durchmessermarkierungen [D] auf der Kurbelwelle über-
    einstimmt, neue Markierungen anbringen.
    Markierungen des Kurbelzapfendurchmessers
      Keine: 29,984 ∼ 29,992 mm
        ○:    29,993 ∼ 30,000 mm
       : Kurbelzapfen-Durchmessermarkierungen, “○” Mar-
     kierung vorhanden/nicht vorhanden.

• Den Pleuelfuß abhängig des Pleuelfußes messenmarkie-
  den
      Innendurchmesser
                         vom Innendurchmesser
                                               und je-

    ren.
•   Die Pleuelfußschrauben mit dem vorgeschriebenen An-
    zugsmoment festziehen (siehe "Einbau des Pleuels").
                        ANMERKUNG
    ○Die bereits am Pleuelfuß angebrachte Markierung
     muss mit der Messung fast genau übereinstimmen.
9-24 KURBELWELLE/GETRIEBE
Kurbelwelle und Pleuel
 Markierungen für den Innendurchmesser am Pleuelfuß
   Keine: 33,000 ∼ 33,008 mm
       ○:       33,009 ∼ 33,016 mm
   Pleueldeckel [A]
   Pleuel [B]
   Gewichtsmarkierung, Buchstabe [C]
   Durchmessermarkierung (um Gewichtsmarkierung) [D]:
   “○” oder keine Markierung



• Den richtigen Lagereinsatz [A] für die Kombination aus
  Pleuel und Kurbelwellenkennzeichnung auswählen.
   Größe/Farbe [B]
 Innendurchmesser                                     Lagereinsatz
                        Markierungen des
 -Markierungen am
                    Kurbelzapfendurchmessers   Größe/Farbe   Teilenummer
    Pleuelfuß

                                                               92139
     Keine                    ○                 Braun
                                                               -0167
     Keine                  Keine                              92139
                                               Schwarz
       ○                      ○                                -0166
                                                               92139
       ○                    Keine                Blau
                                                               -0165

• Die Spiel zwischen Lagereinsatz/Kurbelzapfen mit Dehn-
  das
      neuen Lagereinsätze in den Pleuel einbauen und

 messstreifen messen.
 Liegt das Spiel zwischen Lagereinsatz/Kurbelzapfen un-
 ter dem Grenzwert, die Pleuelschrauben und Muttern er-
 neuern und das Spiel erneut messen.
Kurbelwellen-Axialspiel
• Eine Fühlerlehreund der Kurbelwellenstrebe am Wellen-
  Kurbelgehäuse
                   [A] zwischen der Anschlagscheibe am

 zapfen Nr. 3 [B] zur Spielmessung einführen.
 Ist das Spiel größer als der Grenzwert, die Anschlag-
 scheiben im Satz erneuern und die Breite des Haupt-
 lagerzapfens an der Kurbelwelle Nr. 3 messen.
 Kurbelwellen-Axialspiel
   Standard:     0,05 ∼ 0,25 mm
    Grenzwert:         0,45 mm

• Die Breitemessen. Hauptlagerzapfens an der Kurbelwelle
  Nr. 3 [B]
             [A] des

 Wenn der Messwert den Standardwert überschreitet, die
 Kurbelwelle ersetzen.
 Breite des Hauptlagerzapfens an der Kurbelwelle Nr. 3
   Standard:      21,09 ∼ 21,14 mm
KURBELWELLE/GETRIEBE 9-25
Kurbelwelle und Pleuel
Kurbelwellenschlag
• Den Kurbelwellenschlag messen. überschreitet, die
  Wenn der Messwert den Grenzwert
 Kurbelwelle ersetzen.
 Kurbelwellenschlag
   Standard:     TIR 0,02 mm oder weniger
   Grenzwert:     TIR 0,05 mm




Verschleiß an Kurbel-
wellen-Hauptlagereinsatz/Wellenzapfen
• Mit einem StückLagereinsatz/Wellenzapfen [B] messen.
  Spiel zwischen
                  Plastigauge (zur Druckmessung) [A] das

                     ANMERKUNG
 ○Die Kurbelgehäuseschrauben mit dem vorgeschriebe-
  nen Anzugsmoment festziehen (siehe "Zusammenbau
  des Kurbelgehäuses" in diesem Kapitel).
 ○Die Kurbelwelle während der Spielmessung nicht dre-
  hen.
 ○kann mit Plastigauge nicht gemessen werden, das Min-
  deststandardspiel kann jedoch mit den Originalteilen er-
  reicht werden.

 Spiel zwischen Kurbel-
 wellen-Hauptlagereinsatz/Wellenzapfen
   Standard:     0,028 ∼ 0,060 mm
   Grenzwert:     0,09 mm
 Liegt das Spiel innerhalb des Sollwerts, braucht das La-
 ger nicht ausgetauscht zu werden.
 Liegt das Spiel zwischen 0,061 mm und dem Grenzwert
 (0,09 mm), die Lagereinsätze [A] durch blaue Lager [B]
 ersetzen. Das Spiel zwischen Pleuelzapfen und Lager-
 einsatz mit Plastigauge messen. Das Spiel darf etwas
 größer sein als der Sollwert, aber nicht kleiner als das
 Mindestmaß, um Lagerfresser zu vermeiden.
 Falls das Spiel den Grenzwert überschreitet, den Durch-
 messer [C] des Kurbelwellenhauptlagers messen.

 Durchmesser des Kurbelwellen-Hauptlagerzapfens
   Standard:    30,984 ∼ 31,000 mm
   Grenzwert:     30,96 mm
 Falls der Verschleiß eines Lagerzapfens den Grenzwert
 überschreitet, eine neue Kurbelwelle einbauen.
 Falls die gemessenen Wellenzapfendurchmesser den
 Grenzwert nicht unterschreiten, aber nicht mit den alten
 Durchmessermarkierungen [D] auf der Kurbelwelle über-
 einstimmen, neue Markierungen anbringen.
 Markierungen für den Kurbelwellenzapfendurchmesser
  Keine: 30,984 ∼ 30,992 mm
   1:      30,993 ∼ 31,000 mm
  □:            Markierungen     des     Kurbelwel-
  len-Hauptlagerzapfendurchmessers, Markierung “1”
  oder keine Markierung.
9-26 KURBELWELLE/GETRIEBE
Kurbelwelle und Pleuel

• Den Innendurchmesser des Hauptlagers messen und die
  obere Kurbelgehäusenhälfte entsprechend dem Innen-
 durchmesser markieren.
 [A]: Innendurchmessermarkierungen für das Kurbelwel-
      lenhauptlager: “○” oder keine Markierung.

• Die Kurbelgehäuseschrauben mit dem vorgeschriebenen
  Anzugsmoment festziehen (siehe "Zusammenbau des
 Kurbelgehäuses" in diesem Kapitel).
                     ANMERKUNG
 ○Die  bereits am oberen Kurbelgehäuse angebrachte
   Markierung sollte fast genau mit der Messung überein-
   stimmen.

 Innendurchmessermarkierungen für das Kurbelwellen-
 hauptlager
     ○ :  34,000 ∼ 34,008 mm
    Keine: 34,009 ∼ 34,016 mm

• Den richtigen Lagereinsatz [A] entsprechendauswählen.
  rungen von Kurbelgehäuse und Kurbelwelle
                                              den Codie-

  Größe/Farbe [B]




(Motor-Nr. ∼ ZX600PE008560)
     Markierung für        Markierung für den                       Lagereinsatz*
 Innendurchmesser des      Kurbelwellenzapfen-                                       Wellenzapfen
Kurbelwellenhauptlagers       durchmesser           Größe/Farbe     Teilenummer
                                                                                          -Nr.
                                                                     92139-0173              5
           ○                         1                 Braun
                                                                     92139-0191         1, 2, 3, 4
         Keine                       1                               92139-0172              5
                                                      Schwarz
           ○                       Keine                             92139-0190         1, 2, 3, 4
                                                                     92139-0171              5
         Keine                     Keine                Blau
                                                                     92139-0189         1, 2, 3, 4
   *: Die Lagereinsätze für die Wellenzapfen-Nr. 1, 2, 3 und 4 haben jeweils eine Ölnut.

(Motor-Nr. ZX600PE008561 ∼)
     Markierung für        Markierung für den                       Lagereinsatz*
 Innendurchmesser des      Kurbelwellenzapfen-                                       Wellenzapfen
Kurbelwellenhauptlagers       durchmesser           Größe/Farbe     Teilenummer
                                                                                          -Nr.
                                                                     92139-0173             3, 5
           ○                         1                 Braun
                                                                     92139-0191            1, 2, 4
         Keine                       1                               92139-0172             3, 5
                                                      Schwarz
           ○                       Keine                             92139-0190            1, 2, 4
                                                                     92139-0171             3, 5
         Keine                     Keine                Blau
                                                                     92139-0189            1, 2, 4
   *: Die Lagereinsätze für die Wellenzapfen-Nr. 1, 2 und 4 haben jeweils eine Ölnut.

• Die neuenund das Spiel in die Kurbelgehäusehälften
  einbauen
            Lagereinsätze
                          zwischen Lagereinsatz und
 Wellenzapfen mit Plastigauge messen.
KURBELWELLE/GETRIEBE 9-27
Kolben
Ausbau des Kolbens
• Kurbelgehäuse teilen (siehe "Teilen des Kurbelgehäu-
  ses").
• Die Pleueldeckelmuttern [A] und Pleueldeckel [B] aus-
  bauen.
                       ANMERKUNG
    ○Die Lage der Pleuel sowie der Pleuelfüße markieren
     und notieren, damit sie später wieder in den alten Posi-
     tionen eingebaut werden können.

• Ausbauen:
   Nockenwellenkette [C]
     Kurbelwelle [D]
•   Die Pleuel samt den Kolben zur Zylinderkopfseite hin [E]
    ausbauen.

• Die Sicherungsringe für die Kolbenbolzen [A] ausbauen.




• Die Kolbenbolzen[A] ausbauen.
  zen-Abziehwerkzeug
                       mit    einem              Kolbenbol-

    Spezialwerkzeug -
             Kolbenbolzenzieher: 57001-910
• Kolben entfernen.


• Die Ringöffnung vorsichtigGegenseite des Rings [A] drü-
  drücken und dann auf die
                            mit den Daumen auseinander

    cken, um ihn herauszunehmen.
•   Den dreiteiligen Ölring auf gleiche Weise mit den Daumen
    entfernen.
9-28 KURBELWELLE/GETRIEBE
Kolben
Einbau des Kolbens
• Die Ölringdehnvorrichtung [A] mit einer molybdänhaltigen
  Disulfidöllösung schmieren und so in die Nut des unteren
 Kolbenrings einsetzen, dass die Enden [B] zusammen-
 stoßen.
•Molybdänhaltige Disulfidöllösung auf die Kolbenringe aus
 Stahl auftragen und über bzw. unter dem Ölringexpander
 montieren.
○Die Kolbenringe aus Stahl mit den Daumen soweit aus-
 einander drücken, dass der Kolbenring über den Kolben
 passt.
○Den Kolbenring aus Stahl aus der unteren Kolbenringnut
 entfernen.
                        ANMERKUNG
    ○Die Kolbenringe aus Stahl haben kein “oben” oder “un-
     ten”.

• Nichtoberen Kolbenring [A] so einbauen, dass die “R”
       den oberen und den zweiten Ring verwechseln.
• Den
  -Markierung [B] nach oben weist.
• Den zweiten [D] nach oben weist.
  -Markierung
               Kolbenring [C] so einbauen, dass die “RN”

○Molybdänhaltige Disulfidöllösung auf die Kolbenringe auf-
    tragen.




                        ANMERKUNG
    ○Soll ein neuer Kolben verwendet werden, neue Kolben-
     ringe einsetzen.

• Einen neueneinsetzen, sodass die Ringöffnung [A]in die
  Kolbenseite
              Sicherungsring für den Kolbenbolzen
                                                   nicht
 mit dem Schlitz [B] der Kolbenbolzenbohrung überein-
 stimmt.
○Molybdänhaltige Disulfidöllösung auf die Kolbenringe und
 Kolbengelenke auftragen.
○Beim Einbau des Kolbenbolzen-Sicherungsrings diesen
 nur so weit zusammendrücken, wie für den Einbau erfor-
 derlich.
                        VORSICHT
    Sicherungsringe nicht erneut verwenden, da diese
    beim Ausbau geschwächt und deformiert werden.
    Sie können herausfallen und die Zylinderwand zer-
    kratzen.
KURBELWELLE/GETRIEBE 9-29
Kolben

• Die Kolbenringöffnungen müssen wie in der Abbildung
  angeordnet sein. Die Spaltöffnungen der Kolbenringe
 aus Stahl müssen im Winkel von ca. 30 ∼ 40° zur Öff-
 nung des oberen Rings versetzt sein.
  Oberer Kolbenring [A]
  Zweiter Kolbenring [B]
  Ölring-Stützschiene aus Stahl [C] (oben)
  Spreizring des Ölrings [D]
  Ölring-Stützschiene aus Stahl [E] (unten)
  Auskehlung [F]
  40 ∼ 50° [G]

• Molybdänhaltige Kolbenringe auftragen.
  Kolbenhemd und
                   Disulfidöllösung auf Zylinderbohrung,

• Den Kolben so einbauen, dass die hohle Markierung [A]
  zum Auslass hin zeigt.
• Mit dem Kolbenring-Kompressionswerkzeug [B] den Kol-
  ben von der Zylinderkopfseite her einbauen.
 Spezialwerkzeuge -
          Griff für Kolbenring-Kompressionswerkzeug:
             57001-1095
          Kolbenring-Kompressionsriemen, 67 ∼ 79:
             57001-1097
• Folgende Teile einbauen: der Kurbelwelle")
   Kurbelwelle (siehe "Einbau
   Pleueldeckel (siehe "Einbau des Pleuels")
Zylinder auf Verschleiß (obere Kurbelgehäuse-
hälfte)
• Da derRichtung unterschiedlich ist, an jedem der beiden
  jeder
         Zylinderverschleiß (obere Kurbelgehäusehälfte) in

 Messpunkte von Seite zu Seite und von vorn nach hinten
 messen (insgesamt vier Messungen, siehe Abbildung).
 Wenn eines der Maße für den Zylinderinnendurchmesser
 den Grenzwert überschreitet, das Kurbelgehäuse erset-
 zen.
  10 mm [A]
  60 mm [B]
 Zylinder-Innendurchmesser
   Standard:     67,000 ∼ 67,012 mm
    Grenzwert:    68,09 mm

Kolbenverschleiß
• Den [B] von der Unterkante desjedem Kolben messen - 5
  mm
      Außendurchmesser [A] an
                                 Kolbens im rechten Win-
 kel zum Kolbenbolzen.
 Bei Unterschreitung des Grenzwerts den Kolben erneu-
 ern.
 Kolbendurchmesser
   Standard:   66,975 ∼ 66,990 mm
    Grenzwert:    66,83 mm
9-30 KURBELWELLE/GETRIEBE
Kolben
Verschleiß von Kolbenring und Ringnut
• Bei Prüfung achten.
  sene Nuten
              der Ringsitze auf ungleichmäßig verschlis-

    Die Ringe müssen genau parallel zu den Nutenflächen
    stehen. Anderenfalls die Kolben und alle Kolbenringe er-
    setzen.
•   Die Kolbenringe in ihre Nuten setzen und mit der Fühler-
    lehre [A] an mehreren Stellen das Kolbenringspiel mes-
    sen.
    Spiel zwischen Kolbenring/Kolbennut
      Standard:
        Oben                 0,05 ∼ 0,09 mm
        Zweiter Ring         0,03 ∼ 0,07 mm
      Grenzwert:
        Oben                 0,19 mm
        Zweiter Ring         0,17 mm

Kolbenringnutbreite
• Die einem Messschiebermessen.
○Mit
      Kolbenringnutbreite
                          an verschiedenen Punkten um
    den Kolben messen.
    Kolbenringnutbreite
      Standard:
        Oben [A]             0,84 ∼ 0,86 mm
        Zweiter Ring [B]     0,82 ∼ 0,84 mm
      Grenzwert:
        Oben [A]             0,94 mm
        Zweiter Ring [B]     0,92 mm
    Wenn eine der beiden Nuten an einer Stelle breiter ist als
    der Grenzwert, den Kolben erneuern.
Kolbenringdicke
• Die Kolbenringdicke messen. an mehreren Stellen des
○Mit der Mikrometerschraube
    Rings messen.
    Kolbenringdicke
      Standard:
        Oben [A]             0,77 ∼ 0,79 mm
        Zweiter Ring [B]     0,77 ∼ 0,79 mm
      Grenzwert:
        Oben [A]             0,70 mm
        Zweiter Ring [B]     0,70 mm
    Wenn eines der Maße für einen der Ringe den Grenzwert
    unterschreitet, alle Ringe erneuern.
                           ANMERKUNG
    ○Werden neue Kolbenringe in einen gebrauchten Kolben
     eingesetzt, auf ungleichmäßigen Nutverschleiß kontrol-
     lieren. Die Ringe müssen genau parallel zu den Nuten-
     kanten stehen. Anderenfalls den Kolben ersetzen.
KURBELWELLE/GETRIEBE 9-31
Kolben
Kolbenring-Endspalt
• Den Kolbenring [A] dabei mit dem Kolben den(obere Kur-
  belgehäusehälfte),
                     in den Zylinder einsetzen
                                               Ring recht-
    winklig halten. Den Kolbenring nahe an die Zylinderun-
    terseite schieben, wo der Zylinderverschleiß gering ist.
•   Den Spalt [B] zwischen den Ringenden mit einer Fühler-
    lehre messen.
    Kolbenring-Endspalt
      Standard:
        Oben                0,12 ∼ 0,22 mm
        Zweiter Ring        0,30 ∼ 0,45 mm
      Grenzwert:
        Oben                0,5 mm
        Zweiter Ring        0,8 mm
    Wenn der Stoß eines Rings den Grenzwert überschreitet,
    alle Ringe erneuern.
9-32 KURBELWELLE/GETRIEBE
Starterleerlaufzahnrad und Starterkupplung
Ausbau des Starterleerlaufzahnrads
• Ausbauen: Verkleidung (siehe "Ausbau der rechten
   Rechte mittlere
   mittleren Verkleidung" im Kapitel "Rahmen")
   Wärmedämmung [A]
   Schrauben [B]
   Leerlaufzahnrad-Abdeckung [C]




• Das Leerlaufzahnrad (auf der Startermotorseite) samt
  Welle [B] herausziehen.




• Ausbauen: [A]
   Schrauben
   Halterung [B]
   Starterkupplungsdeckel [B]




• Das Welle [B] herausziehen.der
  samt
       Leerlaufzahnrad (auf          Starterkupplungsseite)




Einbau des Starterleerlaufzahnrades
• Molybdänhaltiges Disulfidfett [A] [B] auftragen.
  zahnrad (Starterkupplungsseite)
                                     auf das Starterleerlauf-

• Den Stift [C] in die Nut [D] am Kurbelgehäuse einpassen.
KURBELWELLE/GETRIEBE 9-33
Starterleerlaufzahnrad und Starterkupplung

• Dasder Welle montieren. der Starterkupplungsseite) [A]
  auf
       Leerlaufzahnrad (auf

• Das Leerlaufzahnrad mit dem Starterkupplungszahnrad
  in Eingriff bringen.
• Auf folgende Teile Silikondichtmittel auftragen.
    Kurbelwellensensor-Kabeltülle [B]
     Kontaktflächen der Kurbelgehäusehälften [C]
    Dichtmittel -
              Kawasaki Bond (Silikondichtmittel): 92104-0004
• Die Passstifte [D] und eine neue Dichtung einbauen.
• Die O-Ringe des Startermotors einfetten.
• Folgende Teile einbauen:[A]
   Starterkupplungsdeckel
     Halterung [B]
•   Festziehen:
    Anzugsmoment -
           Schrauben des Starterkupplungsdeckels:        9,8
             N·m (1,0 kgf·m)
     L = 20 mm [C]
     L = 30 mm [D]

• Molybdänhaltiges (Startermotorseite)auf auftragen.Leer-
  lauf-Zahnradwelle
                       Disulfidfett
                                       [A]
                                              die

• Das Leerlaufzahnrad (Startermotorseite) [B] auf der Welle
  montieren.
○Das Leerlaufzahnrad mit dem Startermotorzahnrad und
 -leerlaufzahnrad (Starterkupplungsseite) in Eingriff brin-
 gen.
○Den Stift [C] in die Nut [D] am Starterkupplungsdeckel
 einpassen.
•Das Passstift [E] und die neue Dichtung einbauen.

• Das Deckels anordnen. innerhalb der Kontaktfläche [B]
  des
      Leerlaufzahnrad [A]




• Folgende Teile einbauen: [A]
   Leerlaufzahnrad-Abdeckung
     Schrauben der Leerlaufzahnrad-Abdeckung [B]
     Schrauben der Leerlaufzahnrad-Abdeckung [C] mit
     Dichtungen
•   Festziehen:
    Anzugsmoment -
           Schrauben der Leerlaufzahnrad-Abdeckung: 9,8
             N·m (1,0 kgf·m)
• Die ausgebauten Teile einbauen (siehe entsprechende
  Kapitel).
9-34 KURBELWELLE/GETRIEBE
Starterleerlaufzahnrad und Starterkupplung
Ausbau der Starterkupplung
• Ausbauen:
   Lichtmaschinendeckel (siehe "Ausbau des Lichtmaschi-
     nendeckels" im Kapitel "Elektrik")
     Starterkupplungsdeckel (siehe "Ausbau des Leerlauf-
     zahnrades")
     Leerlaufzahnrad (Starterkupplungsseite, siehe "Ausbau
     des Leerlaufzahnrades")
•   Die Starterkupplungsschraube [A] herausdrehen und da-
    bei den Lichtmaschinenrotor mit dem Läuferhalter gegen-
    halten (siehe "Ausbau des Lichtmaschinenläufers" im Ka-
    pitel "Elektrik").
    Spezialwerkzeuge -
             Griff: 57001-1591
             Anschlag: 57001-1679
             Läuferhalter: 57001-1666
• Ausbauen:
   Unterlegscheibe [B]
     Starterkupplung [C]
Einbau der Starterkupplung
• Die Starterkupplung [A] so in den Ausrichtzahn Ausspa-
  rung [B] des Zahnkranzes
                              einbauen, dass die
                                                 [C] ein-
    greift.
•   Die Unterlegscheibe montieren.
•   Die Starterkupplungsschraube festdrehen und dabei den
    Lichtmaschinenläufer mit dem Läuferhalter gegenhalten
    (siehe "Einbau des Lichtmaschinenläufers" im Kapitel
    "Elektrik").
    Spezialwerkzeuge -
             Griff: 57001-1591
             Anschlag: 57001-1679
             Läuferhalter: 57001-1666
    Anzugsmoment -
           Starterkupplungsschraube: 49 N·m (5,0 kgf·m)
• Die ausgebauten Teile einbauen (siehe entsprechende
  Kapitel).
Zerlegung der Starterkupplung
• Ausbauen:
   Starterkupplung (siehe "Ausbau der Starterkupplung")
• kupplung [B] ziehen.
  Das Anlasserkupplungszahnrad [A] aus der Anlasser-

• Ausbauen: [C]
   Nadellager
KURBELWELLE/GETRIEBE 9-35
Starterleerlaufzahnrad und Starterkupplung

• Ausbauen: [A]
   Sprengring
• häuse [C] ziehen.
  Die Freilaufkupplung [B] aus dem Starterkupplungsge-




Zusammenbau der Starterkupplung
• Die Freilaufkupplung[B] nach innen zeigt. die Seite mit
  dem Sicherungsring
                       [A] so einbauen, dass

• Einen neuen Sprengring einbauen.



• Das Starterkupplungszahnradeinpassen.
  Uhrzeigersinn drehen [C] und
                               [B] hineindrücken [A], im




• Molybdänhaltige Disulfidöllösung auf das Nadellager [A]
  auftragen und dieses einbauen.




Prüfung der Starterkupplung
• Ausbauen:
   Starterkupplungsdeckel (siehe "Ausbau des Leerlauf-
     zahnrades")
     Leerlaufzahnrad (Starterkupplungsseite, siehe "Ausbau
     des Leerlaufzahnrades")
•   Das Starterkupplungszahnrad [A] mit der Hand drehen.
    Das Startermotorkupplungsrad muss sich gegen den Uhr-
    zeigersinn [B] frei drehen können, nicht jedoch im Uhrzei-
    gersinn.
    Wenn die Starterkupplung nicht einwandfrei funktioniert
    oder Geräusche erzeugt, weiter zum nächsten Schritt.
9-36 KURBELWELLE/GETRIEBE
Starterleerlaufzahnrad und Starterkupplung

• Die Starterkupplung zerlegen und die Kupplungsteile ein-
  zeln überprüfen.
  Freilaufkupplung [A]
  Starterkupplungsgehäuse [B]
 Verschlissene oder beschädigte Teile ersetzen.




○Das Starterkupplungszahnrad [C] ebenfalls kontrollieren.
 Bei Beschädigung oder Verschleiß das Kupplungsrad er-
 setzen.
KURBELWELLE/GETRIEBE 9-37
Getriebe
Ausbau des Schaltpedals
• Ausbauen:
   Schalthebelschraube [A]
     Schaltpedal-Befestigungsschraube [B]
     Spurstange [C] und Schaltpedal [D]




Einbau des Fußschalthebels
• Die Gleitflächeneinfetten.
  Schaltpedals [B]
                    [A] der     Befestigungsschraube des

• Folgende Teile einbauen:
   Unterlegscheiben [C]
     Schaltpedalbaugruppe [D]
○Das vordere Ende der Spurstange ist mit Nuten [E] ver-
 sehen.
○Das genutete Ende der Spurstange und die vordere Si-
 cherungsmutter [F] haben Linksgewinde.
•Festziehen:
    Anzugsmoment -
           Schaltpedal-Befestigungsschraube: 25 N·m (2,5
             kgf·m)

• Die Stanzmarkierung [A] ausrichten.
  Schlitz [B] im Schalthebel
                             an der Schaltwelle mit dem

• Festziehen:
    Anzugsmoment -
           Schalthebelschraube [C]: 6,9 N·m (0,70 kgf·m)
• Das Schaltpedal wie folgt einbauen.
   Ca. 90° [D]
  Ca. 95° [E]
  1 ∼ 3 mm [F] (Die Länge entspricht dem Abstand zwi-
  schen der Mittellinie der Spurstange [G] und der Mitte
  des Schaltpedalendes.)
○Zum Einstellen der Pedalposition die Sicherungsmuttern
 [H] lockern und dann die Spurstange drehen.
•Festziehen:
    Anzugsmoment -
           Schaltstangen-Sicherungsmuttern:      6,9   N·m
             (0,70 kgf·m)

Ausbau des externen Schaltmechanismus
• Ausbauen: Ablassen,"Wechsel des Motoröls" im Ka-
   Motoröl (siehe
     pitel "Regelmäßige Wartung")
     Schaltpedal (siehe "Ausbau des Schaltpedals")
     Sicherungsring [A]
     Unterlegscheibe [B]
    Spezialwerkzeug -
             Montagezange für Sicherungsringe: 57001-144
9-38 KURBELWELLE/GETRIEBE
Getriebe

• Ausbauen:
   Kupplung    (siehe "Ausbau der Kupplung" im Kapitel
     "Kupplung")
•   Die Schaltwellenbaugruppe [A] ausbauen, dabei den He-
    belarm des Schaltmechanismus ziehen.




• Ausbauen:
   Ganghebelschraube [A]
     Ganghebel [B], Hülse und Feder




Einbau des externen Schaltmechanismus
• Den Ganghebel [A] gemäß Abbildung einbauen.
   Feder [B]
     Hülse [C]
     Schraube [D]
•   Festziehen:
    Anzugsmoment -
           Ganghebelschraube: 12 N·m (1,2 kgf·m)



• Folgende Teile einbauen:
   Unterlegscheibe [A]
  Schaltwellenbaugruppe [B]
○Feder [C] und Hebelarm des Schaltmechanismus [D] am
 Rückstellfederstift [E] montieren.
•Folgende Teile einbauen:
  Unterlegscheibe [F]
  Sicherungsring [G]
    Spezialwerkzeug -
             Montagezange für Sicherungsringe: 57001-144

Prüfung des externen Schaltmechanismus
• Die Verbiegung die auf Beschädigung prüfen.
  Bei
      Schaltwelle [A]
                      Welle ersetzen.
    Wenn der Zahnkranz [B] beschädigt ist, die Welle austau-
    schen.
    Wenn die Federn [C] beschädigt sind, austauschen.
    Wenn der Schaltarm [D] beschädigt ist, die Schaltwelle
    ersetzen.
KURBELWELLE/GETRIEBE 9-39
Getriebe

• Der Rückstellfederstift [A] darf nichtist, diesen herausdre-
  Wenn der Rückstellfederstift locker
                                          locker sein.

    hen, das Gewinde mit nicht-permanentem Kleber bestrei-
    chen und den Stift festziehen.
    Anzugsmoment -
           Stift der Schaltwellen-Rückstellfeder: 28 N·m
              (2,9 kgf·m)
• Den Ganghebel [B] und dessen Feder auf Bruch oder Ver-
  formung prüfen.
    Wenn Hebel oder Feder beschädigt sind, diese ersetzen.
•   Den Schaltwalzennocken [C] visuell kontrollieren.
    Wenn diese stark verschlissen oder beschädigt sind,
    diese Teile ersetzen.
Ausbau des Getriebes
• Ausbauen: (siehe "Ausbau des Motorkettenrads" im
   Motorkettenrad
     Kapitel "Achsantrieb")
     Gangpositionsschalter (siehe "Ausbau des Gangpositi-
     onsschalters" im Kapitel "Elektrik")
     Hülse [A]
     O-Ring [B]



• Ausbauen:
   Kupplung     (siehe "Ausbau der Kupplung" im Kapitel
     "Kupplung")
     Schaltwellenbaugruppe (siehe "Ausbau des externen
     Schaltmechanismus")
     Getriebegehäuseschrauben [A]
    Falls das Getriebe ausgebaut werden muss, folgende
    Teile ausbauen.
     Ganghebelschraube [B]
     Ganghebel [B], Feder und Hülse

• Das Getriebe [D] aus dem Kurbelgehäuse ziehen.
Zerlegung des Getriebes
• Das Getriebe ausbauen (siehe "Ausbau des Getriebes").
• Folgende Teile aus dem Getriebegehäuse [A] ausbauen.
   Schaltstangen [B]
     Schaltgabeln [C]
     Antriebswelle [D]
     Abtriebswelle [E]
9-40 KURBELWELLE/GETRIEBE
Getriebe

• Ausbauen: [A]
   Ganghebel
     Lagerhalterschrauben [B]
     Lagerhalter [C]
     Schaltwalzenbaugruppe [D]




Zusammenbau des Getriebes
• Den Laufring [A] mitweisend bis zum Anschlag[C] das Ge-
  triebegehäuseseite
                       der großgestuften Seite
                                               in
                                                  zur Ge-

    triebegehäuse [B] einpressen.
    Spezialwerkzeug -
             Lagertreibersatz: 57001-1129
• Dennicht-permanentesgemäß Abbildung einbauen. Lauf-
       Laufringhalter [D]
• ringhalterschraube [E] auftragen.
  Ein                     Gewindedichtmittel auf die

• Festziehen:
    Anzugsmoment -
           Laufringhalterschraube: 4,9 N·m (0,50 kgf·m)
• Die Passstifte [F] bis zum Anschlag in das Getriebege-
  häuse einpressen.

• Das weisend bis[A] mitAnschlag in das Getriebegehäuse
  ßen
      Kugellager
                  zum
                         der großgestuften Seite nach au-

    [B] einpressen.
•   Den Lagerhalter [C] gemäß Abbildung einbauen.
•   Ein nicht-permanentes Gewindedichtmittel auf die Lager-
    halterschraube [D] auftragen.
•   Festziehen:
    Anzugsmoment -
           Lagerhalterschrauben: 4,9 N·m (0,50 kgf·m)


• Folgende Teile einbauen: [A]
   Schaltwalzenbaugruppe
     Lagerhalter
○Den Lagerhalter so montieren, dass die konische Seite
    nach außen zeigt.
•   Ein nicht-permanentes Gewindedichtmittel auf die Lager-
    halterschrauben [C] auftragen.
•   Festziehen:
    Anzugsmoment -
           Lagerhalterschrauben: 4,9 N·m (0,50 kgf·m)
KURBELWELLE/GETRIEBE 9-41
Getriebe

• Die Antriebswelle [A] und die Abtriebswelle [B] im Satz in
  das Getriebegehäuse [C] einbauen.
• Die Schaltgabel [D] für dieAbbildung einbauen. kürzeren
○Die
      Schaltgabeln gemäß
                              Antriebswelle hat die
    Augen.
○Die Schaltgabel [E] [F] für die Abtriebswelle hat die län-
 geren Augen.
○Die Schaltgabel [E] ist mit R markiert [F].
○Die Schaltgabel [G] ist mit L markiert [H].
•Die Schaltstangen so einbauen, dass die Enden der Stan-
 gen auf der gleichen Höhe abschließen.
○Die Schaltstange [I] auf der Antriebswellenseite ist kürzer
 als die Schaltstange [J] auf der Abtriebswellenseite.
•Molybdänhaltige Disulfidöllösung auf die auf Getriebe-
 zahnräder (Markierung x) [K] auftragen.
•Das Distanzstück [L] auf der Abtriebswelle montieren.
•Den O-Ring [M] einfetten und in seiner ursprünglichen
 Lage auf der Abtriebswelle anbringen..




Einbau des Getriebes
• Das Getriebes").
  des
      Getriebe zusammenbauen (siehe "Zusammenbau

• Darauf achten,am Kurbelgehäuse montieren.
                 dass die Passstifte richtig positioniert sind.
• DasGetriebegehäuseschrauben festziehen.
      Getriebe
• Die
    Anzugsmoment -
           Getriebegehäuseschrauben (M8) [A]: 20 N·m (2,0
             kgf·m)
           Getriebegehäuseschrauben (M6) [B]: 9,8 N·m
             (1,0 kgf·m)
9-42 KURBELWELLE/GETRIEBE
Getriebe

• Den Ganghebel einbauen (siehe "Ausbau des externen
  Schaltmechanismus").
• Den Ganghebeldass Antriebs- undbringen [A]. sich
                   in Leerlaufstellung
• Sicherstellen,drehen.
  leichtgängig
                                       Abtriebswelle




• Den O-Ring [A] einfetten und anbringen..ursprünglichen
  Lage auf der Abtriebswelle [B]
                                  in seiner

• Die Hülse [C]der Öldichtung [D] wie folgt vorgehen.
                einbauen.
• Die Dichtlippe der Öldichtung einfetten.
○
  Beim Einbau

○Auf die Außenseite der Öldichtung Öl auftragen, damit sie
 sich leichter einbauen lässt.
○Die neue Öldichtung so hineinpressen, dass die Dich-
 tungsoberfläche gemäß Abbildung mit der Oberfläche
 des Kurbelgehäuses bündig ist.

• Folgendedes Gangpositionsschalters (siehe "Einbau des
   Einbau
           Teile einbauen:

   Gangpositionsschalters" im Kapitel "Elektrik")
   Ausgebaute Teile
Ausbau der Getriebewelle
• Das Getriebe ausbauen (siehe "Ausbau des Getriebes").
• Ausbauen: [A]
   Schaltstangen
   Schaltgabeln [B]
   Antriebswelle [C] und Abtriebswelle [D]




Einbau der Getriebewelle
• Sicherstellen, dassist. Distanzstück [A] auf der Abtriebs-
  welle [B] montiert
                       das




• Das des Getriebes").
  bau
      Getriebe am Kurbelgehäuse montieren (siehe "Ein-
KURBELWELLE/GETRIEBE 9-43
Getriebe
Zerlegung der Getriebewelle
• Die Getriebewellen ausbauen (siehe "Ausbau der Getrie-
  bewellen").
• Die Sicherungsringe entfernen und die Getriebewellen
  zerlegen.
 Spezialwerkzeug -
          Montagezange für Sicherungsringe: 57001-144
• Für denfür Gangformschlüssigen Mechanismusdrei Stahl-
  kugeln
          5.
             den
                   [A] auf der Abtriebswelle sind
                                                  der Neu-
 tralstellung eingebaut. Das Zahnrad für den 5. Gang he-
 rausnehmen.
○Das 3. Gangrad [C] fixieren und die Abtriebswelle vertikal
 ausrichten.
○Das Zahnrad für den 5. Gang [B] schnell drehen und nach
 oben herausziehen.
Zusammenbau der Getriebewelle
• Molybdänhaltiges Disulfidöl auf die Gleitflächen der Zahn-
  räder und Wellen auftragen.
• DasBohrungen [B] [A] so auf densind. montieren, dass
  die
      Getriebelager
                    ausgerichtet
                                    Wellen




• StetsSicherungsring [A] so auf der Antriebswelle [B] mon-
        neue Sicherungsringe einsetzen.
• tieren, dass die Stanzmarkierung [C] zur Unterlegscheibe
  Den

 [D] zeigt, und die Öffnung [E] gemäß Abbildung anordnen.




• Den Sicherungsring [A] so auf der[C] zur Unterlegscheibe
  tieren, dass die Stanzmarkierung
                                    Abtriebswelle [B] mon-

 [D] zeigt, und die Öffnung [E] gemäß Abbildung anordnen.
9-44 KURBELWELLE/GETRIEBE
Getriebe

• Die Zahnräder der AntriebswelleDas Zahnrad mit ihrer
  Größe unterschieden werden:
                                  können anhand
                                                 dem
    größten Durchmesser ist für den 1. Gang, und das
    kleinste für den 6. Gang. Alle Teile müssen in der richti-
    gen Reihenfolge abgelegt und alle Sicherungsringe und
    Unterlegscheiben richtig eingebaut werden.
•   Das Zahnrad für den 3. und 4. Gang so auf der Antriebs-
    welle montieren, dass die Ölbohrungen ausgerichtet sind.
•   Die Zahnräder der Abtriebswelle können anhand ihrer
    Größe unterschieden werden: Das Zahnrad mit dem
    größten Durchmesser ist für den 1. Gang, und das
    kleinste für den 6. Gang. Alle Teile müssen in der richti-
    gen Reihenfolge abgelegt und alle Sicherungsringe und
    Unterlegscheiben richtig eingebaut werden.
•   Die Zahnräder für den 5. und 6. Gang so auf der Ab-
    triebswelle montieren, dass ihre Ölbohrungen ausgerich-
    tet sind.

• Die Stahlkugeln in die Bohrungen dreiden 5. Gang aufaus-
  Abtriebswelle einsetzen und die
                                   für
                                        Ölbohrungen
                                                       der

    richten.
      Zahnrad für 5. Gang [A]
      Abtriebswelle [B]
      Stahlkugeln [C]
      Ölbohrungen [D]
                         VORSICHT
    Auf die Stahlkugeln kein Fett auftragen, um diese
    zu fixieren. Dadurch kommt es zu einer Störung des
    Leerlaufstellers.
○Nach dem Einbau des Zahnrades für den 5.           Gang und
    dem Einbau der Stahlkugeln auf der Abtriebswelle die
    Sperrfunktion der Stahlkugeln kontrollieren; das Zahnrad
    für den 5. Gang darf nicht von der Abtriebswelle rutschen,
    wenn es mit der Hand auf und ab bewegt wird.
•   Jedes Zahnrad muss sich nach dem Zusammenbau frei
    drehen bzw. auf der Getriebewelle verschieben können.
    Beschädigte Zahnräder, die sich nicht frei drehen, müs-
    sen ersetzt werden.
KURBELWELLE/GETRIEBE 9-45
Getriebe




   1. 1. Gang                  15. Sicherungsring
   2. 2. Gang                  16. Wasser, 40 mm
   3. 3. Gang                  17. Buchse
   4. 4. Gang                  18. Zahnscheibe, 40 mm
   5. 5. Gang                  19. Sicherungsring
   6. 6. (höchster) Gang       20. Stahlkugel
   7. Kugellager               21. Buchse
   8. Buchse                   22. Distanzring
   9. Unterlegscheibe, 34 mm   23. O-Ring
  10. Sicherungsring           24. Kugellager
  11. Zahnscheibe, 34 mm       25. Hülse
  12. Buchse                   26. Antriebswelle
  13. Unterlegscheibe, 32 mm   27. Abtriebswelle
  14. Nadellager
9-46 KURBELWELLE/GETRIEBE
Getriebe

Ausbau der Schaltwalze und Schaltgabel
• Das Getriebe ausbauen (siehe "Ausbauausbauen (siehe
                                       des Getriebes").
• "Zerlegung des Getriebes").
  Schaltgabeln [A] und Schaltwalze [B]




Einbau der Schaltwalze und Schaltgabel
• Siehe Zusammenbau und Einbau des Getriebes.
Zerlegung der Schaltwalze
• Die Schaltwalze ausbauen (siehe "Zerlegung des Getrie-
  bes").
• Die Schraube [A]in einen Schaltwalzennockenhalter her-
  die
      Schaltwalze
                   für den
                           Schraubstock einspannen und

    ausdrehen.
•   Ausbauen:
     Schaltwalzennocke [B]
     Passstift [C]
     Nadellager [D]
     Schaltwalze [E]
Zusammenbau der Schaltwalze
• Daspressen. [A] bis zum Anschlag auf die Schaltwalze
  [B]
      Kugellager

• Folgende Teile einbauen:
   Kugellager [C]
     Stift [D] und Schaltwalzennocke [E]
•   Den Stift mit der Nut an der Schaltwalzennocke ausrich-
    ten.
•   Ein nicht-permanentes Gewindedichtmittel auf die Halte-
    schraube der Schaltwalzennocke [F] auftragen und fest-
    ziehen.
    Anzugsmoment -
           Schraube des Schaltwalzennockenhalters: 12
             N·m (1,2 kgf·m)

Schaltgabel auf Verbiegung
• Die Schaltgabeln visuell Eine verbogene Gabel kann
  Schaltgabeln ersetzen.
                            überprüfen und verbogene

    Schaltprobleme verursachen oder der Gang des Getrie-
    bes kann während der Fahrt herausspringen.
     90° [A]
KURBELWELLE/GETRIEBE 9-47
Getriebe
Verschleiß von Schaltgabel und Gangradnut
• Die Dicke der Schaltgabelfinger [A] und die Breite [B] der
  Gangradnuten messen.
 Ist die Dicke des Schaltgabelfingers geringer als nach
 dem Grenzwert zulässig, muss die Schaltgabel ersetzt
 werden.
 Dicke des Schaltgabelauges
   Standard:     5,9 ∼ 6,0 mm
    Grenzwert:     5,8 mm
 Ist die Getriebeschaltnut über den Grenzwert hinaus ver-
 schlissen, muss das Zahnrad ersetzt werden.
 Breite der Gangnut
   Standard:     6,05 ∼ 6,15 mm
    Grenzwert:     6,25 mm

Verschleiß von Schaltwalzennut bzw.
Führungsbolzen der Schaltgabel
• Den Durchmesser beiebenso die Breite [B] für jede Nut
  Schaltgabeln messen,
                       jedem Führungsbolzen [A] der

 der Schaltgabel.
 Sind Führungsstift oder Schaltgabel über den Grenzwert
 hinaus verschlissen, muss die Schaltgabel ersetzt wer-
 den.
 Durchmesser des Schaltgabel-Führungsbolzens
   Standard:    5,9 ∼ 6,0 mm
    Grenzwert:     5,8 mm
 Ist die Schaltwalzennut über den Grenzwert hinaus ver-
 schlissen, muss die Schaltwalze ersetzt werden.
 Breite der Schaltwalzennut
   Standard:      6,05 ∼ 6,20 mm
    Grenzwert:     6,3 mm

Beschädigung von Radklauen und
Klauenaussparung
• Die Radklauen [A] und die Klauenaussparungen [B] einer
  Sichtprüfung unterziehen.
 Beschädigte Gangräder oder Gangräder mit verschlisse-
 nen Klauen bzw. Aussparungen ersetzen.
RÄDER/REIFEN 10-1




                                               Räder/Reifen
                                                 INHALTSVERZEICHNIS
Explosionszeichnung..............................................................................................................               10-2
Technische Daten ...................................................................................................................            10-4
Spezialwerkzeuge ..................................................................................................................             10-5
Räder (Felgen) .......................................................................................................................          10-6
   Ausbau des Vorderrades ..................................................................................................                    10-6
   Einbau des Vorderrads .....................................................................................................                  10-6
   Ausbau des Hinterrades ...................................................................................................                   10-8
   Einbau des Hinterrades ....................................................................................................                  10-8
   Überprüfung des Rads......................................................................................................                  10-10
   Prüfung der Achse ............................................................................................................              10-11
   Prüfung der Auswuchtung.................................................................................................                    10-11
   Auswuchteinstellung .........................................................................................................               10-11
   Ausbau des Auswuchtgewichts ........................................................................................                        10-12
   Einbau des Auswuchtgewichts .........................................................................................                       10-12
Reifen .....................................................................................................................................   10-14
   Prüfung/Einstellung des Reifendrucks ..............................................................................                         10-14
   Prüfung der Reifen............................................................................................................              10-14
   Ausbau des Reifens..........................................................................................................                10-14
   Einbau der Räder..............................................................................................................              10-15
   Reifenreparatur .................................................................................................................           10-17   10
Radnabenlager .......................................................................................................................          10-18
   Ausbau des Radnabenlagers............................................................................................                       10-18
   Einbau des Radnabenlagers.............................................................................................                      10-18
   Prüfung des Radnabenlagers ...........................................................................................                      10-19
   Schmierung des Radnabenlagers.....................................................................................                          10-19
10-2 RÄDER/REIFEN
Explosionszeichnung
RÄDER/REIFEN 10-3
Explosionszeichnung

                                                     Anzugsmoment
 Nr.               Verbindungselement                                   Anmerkungen
                                                      N·m   kgf·m
  1    Klemmschrauben der Vorderachse                  20    2,0              AL
  2    Vorderachsmutter                               127    13
  3    Hinterachsmutter                               127    13
AL: Die beiden Klemmschrauben abwechselnd zweimal anziehen, um ein gleichmäßiges Anzugs-
    moment sicherzustellen.
 G: Fett auftragen.
HG: Hochtemperaturfett auftragen.
 R: Ersatzteile
WL: Mit Seifenlauge benetzen bzw. Gummischmiermittel auftragen.
10-4 RÄDER/REIFEN
Technische Daten

            Teil                       Standard                         Grenzwert
Räder (Felgen)
 Felgenrundlauf:
   Axial                   TIR 0,5 mm oder weniger                      TIR 1,0 mm
   Radial                  TIR 0,8 mm oder weniger                      TIR 1,0 mm
 Achsenschlag/100 mm       0,05 mm oder weniger                           0,2 mm
 Auswuchtung               10 g oder weniger                               – – –
 Auswuchtgewichte          10 g, 20 g, 30 g                                – – –
 Felgengröße:
   Vorn                    17 × 3,50                                      – – –
   Hinten                  17 × 5,50                                      – – –
Reifen
 Reifenluftdruck (kalter
 Reifen):
   Vorn                    Bis 180 kg Ladung: 250 kPa (2,5                – – –
                           kgf/cm²)
   Hinten                  Bis 180 kg Ladung: 290 kPa (2,9                – – –
                           kgf/cm²)
 Profiltiefe:
   Vorn                    3,6 mm                                       1 mm
                                                                 (AT, CH, DE) 1,6 mm
   Hinten                  4,8 mm                                Bis 130 km/h: 2 mm
                                                                Über 130 km/h: 3 mm
 Standardreifen:                    Hersteller, Typ                     Größe
   Vorn                    BRIDGESTONE, BATTLAX BT015F         120/70 ZR17 M/C (58 W)
                           RADIAL J
   Hinten                  BRIDGESTONE, BATTLAX BT015R         180/55 ZR17 M/C (73 W)
                           RADIAL J
                                        ACHTUNG
 Für Vorder- und Hinterrad Reifen des gleichen Herstellers verwenden.
RÄDER/REIFEN 10-5
Spezialwerkzeuge
Lagertreibersatz:                 Lagerabzieherwelle,   13:
57001-1129                        57001-1377




Wagenheber:                       Stützblöcke:
57001-1238                        57001-1608




Lagerabzieherkopf,   25 ×   28:
57001-1346
10-6 RÄDER/REIFEN
Räder (Felgen)
Ausbau des Vorderrades
• Ausbauen:
   Bremssattelhalteschrauben [A]
  Vorderrad-Bremssättel [B]




• Lockern:
   Achsenklemmschrauben [A] (links)
  Achsmutter [B]
  Rechte Achsklemmschraube (rechts)




• Untere Verkleidung ausbauen (siehe "Ausbau der unte-
  ren Verkleidung" im Kapitel "Rahmen").
• Das Vorderrad vom Boden anheben.
 Spezialwerkzeuge -
          Wagenheber: 57001-1238
          Stützblöcke: 57001-1608
• Die Achsmutter ausschrauben, die Achse Vorderradgabel
  rausziehen und das Vorderrad aus der
                                         nach rechts he-

 rutschen lassen.
                     VORSICHT
 Das Rad nicht auf einer der Scheiben ablegen.
 Dabei könnte die Scheibe beschädigt werden oder
 sich verziehen. Das Rad unterlegen, damit die
 Bremsscheibe den Boden nicht berührt.

Einbau des Vorderrads
                     ANMERKUNG
 ○Die Drehrichtung des Rades [A] wird durch einen Pfeil
  [B] auf der Radspeiche angezeigt.

• Die und das Vorderrad montieren. am Vorderrad prü-
  fen
      Markierung der Raddrehrichtung
RÄDER/REIFEN 10-7
Räder (Felgen)

• Die Dichtlippe der Fettdichtungen mit Hochtemperaturfett
  bestreichen.
• Die Hülsen Buchsen sind Seiten der Nabe einpassen.
○Die beiden
              [A] an beiden
                             identisch.
• Die Achsmutter festziehen [B].
  Die Achse einsetzen.
• Rechte Achsklemmschrauben [C]
   Linke Achsklemmschrauben [D]
   Rückansicht [E]
 Anzugsmoment -
        Vorderachsenmutter: 127 N·m (13 kgf·m)

• Vor demvorderen Gabelstrebe die Vorderradgabelan der
  rechten
          Festziehen der Achsklemmschrauben
                                                 [A] 4-
 oder 5-mal ganz nach oben und unten bewegen, damit
 die rechte vordere Gabelstrebe auf der Vorderachse auf-
 sitzt.
                     ANMERKUNG
 ○Vor das Vorderrad einen Keil [B] legen, um die Bewe-
  gung zu stoppen.

• Die Achsklemmenschrauben an der rechten Gabelstrebe
  zuerst anziehen. Dann die linken Achsklemmschrauben
 festziehen.
 Anzugsmoment -
        Vorderachs-Klemmschrauben:          20 N·m (2,0
           kgf·m)

                     ANMERKUNG
 ○Die beiden Klemmschrauben abwechselnd zweimal an-
   ziehen, um ein gleichmäßiges Anzugsmoment sicher-
   zustellen.

• Die Vorderrad-Bremssättel einbauen (siehe "Einbau des
  Bremssattels" im Kapitel "Bremsen").
• Die Bremswirkung der Bremsen" im Kapitel "Regelmä-
  "Funktionsprüfung
                     der Vorderradbremse prüfen (siehe

 ßige Wartung").

                        ACHTUNG
 Das Motorrad erst fahren, wenn durch Pumpbe-
 wegung des Bremshebels eine volle Wirkung des
 Bremshebels erreicht ist und die Bremsbeläge
 gegen die Bremsscheibe drücken. Wird dies un-
 terlassen, funktioniert die Bremse bei der ersten
 Betätigung des Bremshebels nicht.
10-8 RÄDER/REIFEN
Räder (Felgen)
Ausbau des Hinterrades
• Das Hinterrad mit dem Ständer [A] aufbocken.




• Ausbauen:
   Hintere Bremssattel-Befestigungsschrauben [A]
   Hinterer Bremssattel [B]




• Ausbauen:
   Splint [A]
   Achsmutter [B]
   Achse [C] (rechts)




• Die Antriebskette [A] vom hinteren Kettenrad nach links
  abnehmen.
• Das Hinterrad nach hinten schieben und ausbauen.
                        VORSICHT
 Das Rad nicht so ablegen, dass die Bremsscheibe
 nach unten zeigt. Dabei könnte die Scheibe beschä-
 digt werden oder sich verziehen. Das Rad unterle-
 gen, damit die Bremsscheibe den Boden nicht be-
 rührt.
Einbau des Hinterrades
• Die Hülsen der beiden Seiten [A] (mit Flansch)
   Hülse auf
             an
                 rechten Seite
                               der Nabe einpassen.

   Hülse auf der linken Seite [B]
RÄDER/REIFEN 10-9
Räder (Felgen)

○Falls die Kupplung [A] vom Hinterrad abgebaut wird, ge-
 mäß Abbildung einfetten.
  Radflansch [B]
  O-Ring [C]




• Die Antriebskette über das hintere Kettenrad legen.
• Die Bremssattelhalterung [A] auf dem Schwingenan-
  schlag [B] montieren.
○Die Achse von der rechten Seite des Rades einschieben
 und die Achsmutter festziehen.
 Anzugsmoment -
        Hinterrad-Achsmutter: 127 N·m (13 kgf·m)
• Nach dem Einbau den Antriebsketten-Durchhang einstel-
  len (siehe "Prüfung des Antriebsketten-Durchhangs" im
 Kapitel "Regelmäßige Wartung").

○Einen neuen Splint [A] einsetzen.
                     ANMERKUNG
 ○Beim Einsetzen des Splints die Mutter bis zur nächs-
  ten Passung im Uhrzeigersinn [B] anziehen, wenn die
  Schlitze in der Mutter nicht auf die Splintbohrung der
  Achse ausgerichtet sind.
 ○Die Verstellung sollte maximal 30° betragen.
 ○Wenn der Schlitz über die nächstgelegene Bohrung hi-
  naus verstellt ist, die Mutter lockern und wieder festzie-
  hen.

• Den Splint [A] durch die Mutter stecken und umbiegen.
                        ACHTUNG
 Wenn die Hinterrad-Achsmutter nicht fest angezo-
 gen oder der Splint nicht eingesetzt ist, kann es zu
 Gefahrensituationen während der Fahrt kommen.
10-10 RÄDER/REIFEN
Räder (Felgen)

• Den Hinterrad-Bremssattel einbauen (siehe "Einbau des
  Bremssattels" im Kapitel "Bremsen").
• Die Bremswirkung der Bremsen" im Kapitel "Regelmä-
  "Funktionsprüfung
                     der Vorderradbremse prüfen (siehe

    ßige Wartung").
                           ACHTUNG
    Das Motorrad erst fahren, wenn durch Pumpen
    am Bremshebel oder Bremspedal die volle Funk-
    tionsfähigkeit von Bremshebel bzw. Bremspedal
    gewährleistet ist. Die Bremsbeläge müssen nach
    dem Pumpen an der Scheibe anliegen. Wird dies
    unterlassen, funktioniert die Bremse bei der ersten
    Betätigung des Bremshebels nicht.

Überprüfung des Rads
• Das Vorderrad/Hinterrad aufbocken.
    Spezialwerkzeuge -
             Wagenheber: 57001-1238
             Stützblöcke: 57001-1608
• Das kontrollieren. und auf Klemmstellen oder Rau-
  heit
       Rad leicht drehen

    Wenn Klemmstellen oder schwergängige Stellen festge-
    stellt werden, die Radnabenlager ersetzen (siehe "Aus-
    bau/Einbau des Radnabenlagers").
•   Die Räder auf kleine Risse, Dellen, Verzug oder Verbie-
    gung kontrollieren.
    Ist ein Rad beschädigt, muss es erneuert werden.
•   Das Rad ausbauen und mit Reifen auf die Achse stecken.
•   Die Felgenunrundheit axial [A] und radial [B] mit einer
    Messuhr messen.
    Wenn die Felgenunrundheit den Grenzwert überschrei-
    tet, die Radnabenlager kontrollieren (siehe "Prüfung des
    Radnabenlagers").
    Liegt die Ursache nicht im Radnabenlager, das Rad er-
    setzen.
    Felgenrundlauf (mit Reifen)
      Standard:
        Axial         TIR 0,5 mm oder weniger
        Radial        TIR 0,8 mm oder weniger
      Grenzwert:
        Axial         TIR 1,0 mm
        Radial        TIR 1,0 mm

                           ACHTUNG
    Ein beschädigtes Rad niemals reparieren. Sind au-
    ßer den Radlagern noch andere Teile beschädigt,
    muss das Rad erneuert werden, um einen unsiche-
    ren Betrieb zu vermeiden.
RÄDER/REIFEN 10-11
Räder (Felgen)
Prüfung der Achse
• Die Vorderachse und die Hinterachse ausbauen (siehe
  "Ausbau des Vorder-/Hinterrads").
• Vorder- und Hinterachse visuell auf Schäden kontrollie-
  ren.
    Ist die Achse beschädigt oder verbogen, die Achse aus-
    tauschen.
•   Die Achse in V-Blöcken mit einem Abstand von 100 mm
    [A] ablegen, und dann eine Messuhr [B] etwa in der Mitte
    zwischen den beiden V-Blöcken an der Achse platzieren.
    Die Achse [C] drehen und die Unwucht messen. Die Dif-
    ferenz zwischen dem höchsten und dem niedrigsten An-
    zeigewert der Messuhr ist die Unrundheit.
    Überschreitet die Unwucht der Achse den Grenzwert,
    muss die Achse erneuert werden.
    Achsenschlag/100 mm
      Standard:    0,05 mm oder weniger
      Grenzwert:     0,2 mm

Prüfung der Auswuchtung
• Das Vorder- und Hinterrad ausbauen (siehe "Ausbau des
  Vorder-/Hinterrads").
• Das Rad so abstützen, dass nach dem Stillstand an der
                               es sich frei drehen kann.
• oberen Stelle [A] markieren.
  Das Rad leicht drehen und

○Diesen Vorgang mehrmals wiederholen.        Wenn das Rad
    von selbst in verschiedenen Positionen stoppt, ist es gut
    ausgewuchtet.
    Wenn das Rad immer in derselben Position stoppt, muss
    die Auswuchtung des Rades korrigiert werden (siehe
    "Auswuchteinstellung").
Auswuchteinstellung
• Wenn einein Auswuchtgewicht [A] anPosition stoppt, pro-
  visorisch
            Rad immer in der gleichen
                                      der Markierung der
    Felge mit Klebeband befestigen.
•   Das Rad eine Viertelumdrehung [B] drehen und kontrol-
    lieren, ob das Rad in dieser Position stoppt. Ist dies der
    Fall, wurde das richtige Auswuchtgewicht verwendet.
    Dreht sich das Rad weiter und das Auswuchtgewicht nach
    oben, das Auswuchtgewicht durch die nächst schwerere
    Größe ersetzen. Wenn sich das Rad weiterdreht und das
    Gewicht nach unten gedreht wird, das Gewicht durch die
    nächst kleinere Größe ersetzen. Diese Schritte wieder-
    holen, bis das Rad nach einer Vierteldrehung in der be-
    treffenden Position bleibt.
•   Das Rad um zwei weitere Viertelumdrehungen drehen,
    um festzustellen, ob das Rad korrekt ausgewuchtet ist.
•   Den gesamten Vorgang sooft wie nötig wiederholen, bis
    das Rad vorschriftsmäßig ausgewuchtet ist.
•   Das Auswuchtgewicht permanent montieren.
10-12 RÄDER/REIFEN
Räder (Felgen)
Ausbau des Auswuchtgewichts
• Zwischen Rippe [C] und
  dard-Schraubendreher [A]
                                 Gewicht [D] einen Stan-
                                 [B] einsetzen (siehe Ab-
    bildung).
•   Das Auswuchtgewicht mit zwei Schraubendrehern her-
    aushebeln und entfernen.
•   Das alte Auswuchtgewicht entsorgen.
                         VORSICHT
    Nicht mit den Schraubendrehern klopfen. Die Felge
    könnte beschädigt werden.

Einbau des Auswuchtgewichts
• Das Klemme [B] haben. Spiel zwischen Gewichtblatt [A]
  und
      Gewicht darf kein

    Ist dies der Fall, das Gewicht entsorgen.
                          ACHTUNG
    Wenn das Auswuchtgewicht auf der Felge locker
    ist, hat sich das Gewichtblatt und/oder die Klemme
    gedehnt. Das lose Auswuchtgewicht ersetzen.
    Alte Auswuchtgewichte nicht mehr verwenden.
    Nicht ausgewuchtete Räder können beim Fahren
    eine Gefahr darstellen.

Auswuchtgewicht
           Teilenummer                    Gewicht
           41075-0007                       10 g
           41075-0008                       20 g
           41075-0009                       30 g

                         ANMERKUNG
    ○Auswuchtgewichte sind bei den Fachhändlern von Ka-
     wasaki in Größen von 10, 20 und 30 Gramm erhältlich.
     Eine fehlende Auswuchtung von weniger als 10 Gramm
     wirkt sich im Allgemeinen nicht auf die Fahreigenschaf-
     ten aus.
    ○Niemals mehr als vier Auswuchtgewichte (mehr als 90
     Gramm) verwenden. Wenn für das Rad ein zu großes
     Auswuchtgewicht erforderlich ist, das Rad demontieren
     und die Ursache bestimmen.

• Das Auswuchtgewicht [A] [D] auf die Rippe oder leichtes
  Hämmern [C] der Klemme
                           durch Drücken
                                            [B] schieben.
     Linke Seite [E]
     Rechte Seite [F]
RÄDER/REIFEN 10-13
Räder (Felgen)

• Sicherstellen, dassdie Klemme [B] müsseneingesetzt ist.
○Die Zunge [A] und
                      das Auswuchtgewicht
                                           richtig auf der
 Felge [C] sitzen und die Klemme muss über der Rippe [D]
 eingehakt sein.
  Linke Seite [E]
  Rechte Seite [F]
10-14 RÄDER/REIFEN
Reifen
Prüfung/Einstellung des Reifendrucks
• Weitere Informationen finden Sie im Abschnitt Wartung
  des Reifendrucks im Kapitel Regelmäßige
                                                Prüfung

 (siehe "Prüfung des Reifendrucks" im Kapitel "Regelmä-
 ßige Wartung").
Prüfung der Reifen
• Weitere Informationen finden Sie im Abschnitt Prüfung
  der Räder/Reifen auf Beschädigung im Kapitel Regelmä-
 ßige Wartung (siehe "Prüfung der Räder/Reifen auf Be-
 schädigung" im Kapitel "Regelmäßige Wartung").
Ausbau des Reifens
• Ausbauen: "Ausbau des Vorder-/Hinterrads")
   Rad (siehe
   Ventilabdeckung
   Ventileinsatz (die Luft herauslassen)

• Die Ventilstellung am Reifen mit Kreide markieren, damit
  der Reifen wieder in der gleichen Position aufgezogen
 werden kann und keine Unwucht entsteht.
  Kreide- oder gelbe Farbmarkierung [A]
  Luftventil [B]
  Fluchten [C]




• Die einer Seifenlösung oder einem Gummischmiermittel
  mit
      Reifenwulst und die Felgenhörner auf beiden Seiten

 schmieren. Auf diese Weise rutschen die Reifenwülste
 leichter auf die Felgenhörner.
                       VORSICHT
 Zum Schmieren niemals Motoröl oder Erdöldestil-
 late verwenden, da diese den Reifen angreifen.

• Die der Felge drücken. handelsüblichen Reifenwechsler
  von
      Reifen mit einem

                      ANMERKUNG
 ○Die Reifen können nicht mit Handwerkzeugen entfernt
   werden, da sie zu fest auf den Felgen sitzen.
RÄDER/REIFEN 10-15
Reifen
Einbau der Räder
                          ACHTUNG
    Für Vorderrad und Hinterrad dieselben Arbeits-
    schritte ausführen.

• Felge und Reife kontrollieren und gegebenenfalls austau-
  schen.
• Die Dichtfläche der Felge und desder Felgereinigen und
  gegebenenfalls die Dichtflächen
                                      Reifens
                                              mit feinem
    Schmirgelpapier glätten.
•   Das Reifenventil ausbauen und entsorgen.
                         VORSICHT
    Das Reifenventil immer ersetzen, wenn der Reifen
    gewechselt wird. Das Reifenventil nicht erneut ver-
    wenden.

• Ein neues Ventil in der Felge einbauen.
○Die Reifenventilkappe entfernen, die        Schaftdichtung
    [A] mit Seifenlösung oder einem Gummischmiermittel
    schmieren und den Reifenventilschaft [B] durch die Felge
    von innen nach außen ziehen, bis er einrastet.
                         VORSICHT
    Kein Motoröl oder Erdöldestillate zum Schmie-
    ren des Ventilschafts verwenden, da dadurch der
    Gummi altert.

○Das Reifenventil ist in der Abbildung dargestellt.
     Ventilkappe [A]
     Ventileinsatz [B]
     Ventilschaftdichtung [C]
     Ventilschaft [D]
     Ventilsitz [E]
     Ventil geöffnet [F]




• Die Laufrichtungsmarkierungund die Reifen seitenrichtig
  und Hinterrad kontrollieren
                              des Reifens von Vorderrad

    auf der Felge montieren.
     Laufrichtungsmarkierung [A]
     Drehrichtung [B]
10-16 RÄDER/REIFEN
Reifen

• Den Reifen zu der Auswuchtmarkierung [B] desdas Rei-
  fenventil [A]
                so auf der Felge platzieren, dass
                                                  Reifens
    zeigt (zu der Kreidemarkierung, die beim Ausbau ange-
    bracht wurde, bzw. zu der gelben Farbmarkierung bei ei-
    nem neuen Reifen).
•   Den Reifenwulst mit dem handelsüblichen Reifenwechs-
    ler über den Felgenflansch ziehen.
•   Reifenwulst und Felgenflansch mit Seifenlauge oder
    Gummischmiermittel bestreichen, damit sich die Reifen-
    wülste beim Aufpumpen leichter in den Felgendichtflä-
    chen setzen.
•   Die Felge zwischen den Reifenwülsten zentrieren und
    den Reifen mit Druckluft aufpumpen, bis sich die Wülste
    in den Dichflächen setzen.
                         ACHTUNG
    Beim Aufpumpen des Reifens muss der Ventilein-
    satz eingebaut sein, und der Reifen darf maximal
    mit 400 kPa (4,0 kgf/cm²) aufgepumpt werden. Ein
    zu hoher Druck beim Aufpumpen kann zu einem
    Platzen des Reifens sowie zu lebensgefährlichen
    Verletzungen führen.

• Die Felgenlinienparallel zu den Felgenhörnern verlaufen.
  wände müssen
                   [A] auf beiden Seiten der Reifenseiten-

 Wenn Felgenhörner und die Felgenlinien für die Reifen-
 seitenwände nicht parallel verlaufen, den Ventileinsatz
 herausnehmen.
•Reifenwulst und Felgenflansch schmieren.
•Den Ventileinsatz einsetzen und den Reifen erneut auf-
 pumpen.
•Sobald sich die Reifenwülste in der Felge gesetzt haben,
 auf Undichtigkeiten prüfen.
○Den Reifen etwas über den Solldruck hinaus aufpumpen.
○Seifenlauge auftragen oder den Reifen in Wasser tau-
 chen und auf Luftblasen achten, die Undichtigkeiten an-
 zeigen.
•Den Luftdruck auf den vorgeschriebenen Wert einstellen
 (siehe "Prüfung des Reifendrucks" im Kapitel "Regelmä-
 ßige Wartung").
•Die Reifenventilkappe aufsetzen.
•Das Rad auswuchten (siehe "Auswuchteinstellung" in
 diesem Kapitel).
RÄDER/REIFEN 10-17
Reifen
Reifenreparatur
   Derzeit sind zwei Möglichkeiten zur Reparatur schlauch-
loser Reifen allgemein üblich. Es gibt einmal eine so ge-
nannte temporäre (äußere) Reparatur, die ausgeführt wer-
den kann, ohne dass der Reifen von der Felge entfernt
werden muss, und es gibt die so genannte permanente
(interne) Reparatur, bei der der Reifen demontiert werden
muss. Im Allgemeinen gilt, dass mit einer permanenten (in-
neren) Reparatur eine höhere Laufleistung erreicht wird als
mit einer temporären (äußeren) Reparatur. Innere perma-
nente Reparaturen haben außerdem den Vorteil, dass eine
genaue Prüfung auf sekundäre Schäden möglich ist, die
durch eine Überprüfung der Außenseite des Reifens nicht
sichtbar sind. Aus diesen Gründen empfiehlt Kawasaki die
temporäre (externe) Reparatur nicht. Empfohlen wird nur
eine geeignete interne permanente Reparatur. Die Repa-
raturverfahren unterscheiden sich je nach Reifenmarke ge-
ringfügig. Die Reparaturverfahren des Herstellers der Re-
paratursätze und Reparaturmaterialien einhalten, damit ein
sicheres Ergebnis gewährleistet ist.
10-18 RÄDER/REIFEN
Radnabenlager
Ausbau des Radnabenlagers
• Das Rad ausbauen (siehe "Ausbau des
  -/Hinterrads"), und folgende Teile entfernen:
                                                   Vorder

     Hülsen
     Kupplung (der Hinterradnabe)
     Schmierfettdichtungen

• Das Radnabenlager
  bauen.
                         [A] mit dem Lagerabzieher aus-

                        VORSICHT
    Das Rad nicht so ablegen, dass die Bremsscheibe
    nach unten zeigt. Dabei könnte die Scheibe beschä-
    digt werden oder sich verziehen. Das Rad unterle-
    gen, damit die Bremsscheibe den Boden nicht be-
    rührt.
    Spezialwerkzeuge -
             Lagerabzieherkopf, 25 × 28 [C]: 57001-1346
             Lagerabzieherwelle, 13 [B]: 57001-1377

Einbau des Radnabenlagers
• Vor dem Einbau der aus der Nabe blasen, um und Fremd-
  körper mit Pressluft
                       Radnabenlager Schmutz
                                             eine Verun-
    reinigung der Lager zu vermeiden.
•   Die Lager durch neue Lager ersetzen.
•   Die Lager mit dem Lagermontagewerkzeug montieren,
    ohne den inneren Lagerlaufring zu berühren.
•   Jedes der Lager [A] bis zum Anschlag nach rechts hin-
    eindrücken.
    Spezialwerkzeug -
             Lagertreibersatz [B]: 57001-1129

• Die Fettdichtungen [A] einpressen, bis deren Dichtfläche
      Fettdichtungen erneuern.
• Die mit der Öffnungskante ist [B].
  bündig
○Die Dichtlippen der Fettdichtungen mit Hochtemperatur-
    fett bestreichen.
    Spezialwerkzeug -
             Lagertreibersatz [C]: 57001-1129
RÄDER/REIFEN 10-19
Radnabenlager
Prüfung des Radnabenlagers
   Da die Radnabenlager mit sehr engen Toleranzen gefer-
tigt werden, lässt sich das Spiel normalerweise nicht mes-
sen.
                        ANMERKUNG
    ○Die Lager nicht für die Durchsicht ausbauen. Wenn La-
     ger ausgebaut werden, müssen sie durch neue ersetzt
     werden.

• Jedes Lager in der Radnabe vorwärtsKlemmstellen oder
  hen [A] und dabei auf freies Spiel,
                                      und rückwärts dre-

    Schwergängigkeit kontrollieren.
    Wird ein zu hohes Lagerspiel, Schwergängigkeit oder
    eine Klemmstelle festgestellt, das Lager austauschen.
•   Die Lagerdichtung [B] auf Verschleiß und Undichtheit prü-
    fen.
    Ist die Dichtung verschlissen oder undicht, das Lager er-
    setzen.
Schmierung des Radnabenlagers
                        ANMERKUNG
    ○Da die Nabenlager mit Fett gefüllt und versiegelt sind,
     ist eine Schmierung nicht erforderlich.
ACHSANTRIEB 11-1




                                                Achsantrieb
                                               INHALTSVERZEICHNIS
Explosionszeichnung..............................................................................................................           11-2
Technische Daten ...................................................................................................................        11-4
Spezialwerkzeuge ..................................................................................................................         11-5
Antriebskette...........................................................................................................................    11-6
   Prüfung des Antriebsketten-Durchhangs ..........................................................................                         11-6
   Einstellung des Antriebsketten-Durchhangs .....................................................................                          11-6
   Prüfung/Einstellung der Radausrichtung ..........................................................................                        11-6
   Prüfung der Antriebskette auf Verschleiß .........................................................................                       11-6
   Schmierung der Antriebskette...........................................................................................                  11-6
   Ausbau der Antriebskette..................................................................................................               11-6
   Einbau der Antriebskette...................................................................................................              11-7
Kettenrad, Kupplung...............................................................................................................         11-10
   Ausbau des Motorritzels ...................................................................................................             11-10
   Einbau des Motorkettenrades ...........................................................................................                 11-10
   Ausbau des hinteren Kettenrades.....................................................................................                    11-11
   Einbau des hinteren Kettenrades......................................................................................                   11-11
   Einbau der Kupplung ........................................................................................................            11-12
   Ausbau des Kupplungslagers ...........................................................................................                  11-12
   Einbau des Kupplungslagers ............................................................................................                 11-12
   Prüfung des Kupplungslagers...........................................................................................                  11-13
   Schmierung des Kupplungslagers ....................................................................................                     11-13
   Prüfung des Kupplungsdämpfers......................................................................................                     11-13   11
   Prüfung des Kettenrades auf Verschleiß ..........................................................................                       11-14
   Prüfung des hinteren Kettenrades auf Verzug ..................................................................                          11-14
11-2 ACHSANTRIEB
Explosionszeichnung
ACHSANTRIEB 11-3
Explosionszeichnung

                                                           Anzugsmoment
 Nr.                Verbindungselement                                         Anmerkungen
                                                            N·m   kgf·m
  1    Schrauben des Motorkettenraddeckels                  9,8     1,0
  2    Kettenführungsschrauben (vorn)                       9,8     1,0               L
  3    Motorkettenradmutter                                 125     13               MO
  4    Hintere Kettenradmuttern                              59     6,0
  5    Kettenführungsschraube (hinten)                      4,9    0,50                  L
 G: Fett auftragen.
HG: Hochtemperaturfett auftragen.
HO: Schwerflüssiges Öl verwenden.
 L: Ein nicht-permanentes Gewindedichtmittel auftragen.
MO: Molybdänhaltige Disulfidöllösung auftragen.
    (eine Mischung aus Motoröl und molybdänhaltigem Disulfidfett im Verhältnis 10 : 1)
 R: Ersatzteile
11-4 ACHSANTRIEB
Technische Daten

               Teil                                 Standard   Grenzwert
Antriebskette
 Antriebsketten-Durchhang             30 ∼ 40 mm                 – – –
 Antriebskette auf Verschleiß (über   317,5 ∼ 318,2 mm          323 mm
 20 Glieder Länge)
 Standardkette:
   Hersteller                         ENUMA                      – – –
   Typ                                EK520MVXL1                 – – –
   Kettenglied:                       112 Kettenglieder          – – –
Kettenräder
 Hinteres Kettenrad auf Verzug        0,4 mm oder weniger       0,5 mm
ACHSANTRIEB 11-5
Spezialwerkzeuge
Montagezange für Innensicherungsringe:   Lagertreibersatz:
57001-143                                57001-1129
11-6 ACHSANTRIEB
Antriebskette
Prüfung des Antriebsketten-Durchhangs
• Weitere Informationen finden Sie im im Kapitel Prü-
  fung des Antriebsketten-Durchhangs
                                       Abschnitt
                                                 Re-
 gelmäßige Wartung (siehe "Prüfung des Antriebsket-
 ten-Durchhangs" im Kapitel "Regelmäßige Wartung").
Einstellung des Antriebsketten-Durchhangs
• Weitere Informationen finden Sie im im Kapitel Einstel-
  lung des Antriebsketten-Durchhangs
                                      Abschnitt
                                                  Regel-
 mäßige Wartung (siehe "Einstellung des Antriebsketten
 -Durchhangs" im Kapitel "Regelmäßige Wartung").
Prüfung/Einstellung der Radausrichtung
• Weitere Informationen finden Kapitel Regelmäßige War-
  fung der Radausrichtung im
                               Sie im Abschnitt Überprü-

 tung (siehe "Überprüfung der Radausrichtung" im Kapitel
 "Regelmäßige Wartung").
Prüfung der Antriebskette auf Verschleiß
• Weitere Informationen finden Sie im Abschnitt Prüfung
  der Antriebskette auf Verschleiß im Kapitel im Kapitel Re-
 gelmäßige Wartung (siehe "Prüfung der Antriebskette auf
 Verschleiß" im Kapitel "Regelmäßige Wartung").
Schmierung der Antriebskette
• Weiteren Antriebskette im Kapitel Regelmäßige Wartung
  rung der
           Informationen finden Sie im Abschnitt Schmie-

 (siehe "Schmierung der Antriebskette" im Kapitel "Regel-
 mäßige Wartung").
Ausbau der Antriebskette
                      ANMERKUNG
 ○Die Antriebskette wird durch die Schwinge eingebaut
   und kann deshalb nur ausgebaut werden, indem sie
   durchgeschnitten wird. Neue Verbindungsstifte, Ket-
   tenschlossplatten, Fettdichtungen und Werkzeuge zum
   Wiederverbinden der Kette bereitlegen.

• Zumeinem geeignetenAntriebskette die Verbindungsstifte
  mit
       Auftrennen der
                      Werkzeug entfernen.
    Empfohlenes               EK Kettenschloss-Werkzeug
    Werkzeug:                 #50

                       VORSICHT
 Vor der Arbeit das Werkzeughandbuch lesen.
   Rumpf [A]
   Haltestange [B]
   Trenn- und Nietstift [C]
   Zum Trennen [D]
   Zum Nieten [E]
   Plattenhalter (a) [F]
   Plattenhalter (b) [G]
   Lehre [H]
ACHSANTRIEB 11-7
Antriebskette

• Stiftkopf flach schleifen [A]. gemäß Abbildung ansetzen.
• Den Trenn- und Nietstift [B]




• Stifthalter hineinschrauben bis er den Kettenstiftdes Ket-
                                                     berührt.
• tenstiftes sitzt.
  Darauf achten, dass der Trennstift in der Mitte




• Die Haltestangemit dem Schlüssel [B]hineinschrauben.
                  [A] in das Werkzeug
• drehen und den Kettenstift entfernen. im Uhrzeigersinn
  Den Stifthalter




Einbau der Antriebskette
• Die neueEnde der alten mit der alten in Eingriffbis diese
  und am
           Antriebskette
                         Antriebskette ziehen,
                                                    bringen

    durch die neue ersetzt ist.
•   Die alte Antriebskette von der neuen trennen.
•   Verbindungsstifte [A] und Fettdichtungen [B] [C] einfetten.
•   Die Antriebskette durch die Schwinge auf das hintere Ket-
    tenrad auflegen.
•   Die Verbindungsstifte in die Antriebskettenenden einset-
    zen.
•   Die Fettdichtungen einsetzen [C].
•   Die Kettenschlossplatte mit der Markierung [D] nach au-
    ßen einbauen.
•   Die Kettenschlossplatte mit der Hand oder einer Zange
    hineindrücken.
•   Bei einer Kette mit Fettdichtungen sicherstellen, dass
    diese korrekt ausgerichtet sind.
11-8 ACHSANTRIEB
Antriebskette

• Die Plattenhalter (a) [A] und (b) [B] an den Werkzeu-
  grumpf setzen.




• Plattenhalter (a) auf die KettenschlossplattePlattenhalter
                                               setzen.
• (b) die nächste Kettenschlossplatte berührt.
  Den Stifthalter mit der Hand drehen, bis der




• Den Stifthalter mit dem Schlüssel iminUhrzeigersinn Plat-
  hen, bis die beiden Stifte der Platte der Nut des
                                                      dre-

    tenhalters (a) sitzen.
•   Plattenhalter (a) entfernen.




• Halteplatte (b) [A] und Trenn- und Nietstift [B] wie darge-
  stellt ansetzen.




• Den berührt. drehen, bis der Nietstift den Verbindungs-
  stift
        Stifthalter
ACHSANTRIEB 11-9
Antriebskette

• Den Nietstifts die Spitze des Verbindungsstiftesdie Spitze
  des
       Schlüssel im Uhrzeigersinn drehen, bis
                                                   trifft.
• Für weitere Verbindungsstifte ebenso vorgehen.
  Nieten.
•



• Nach auf Risse überprüfen.
  reich
         dem Stemmen den Verbindungsstift im Stemmbe-

• DenBreite der Verbindungsplatten [B] messen.
  die
        Außendurchmesser [A] des Verbindungsstifts und

    Verbindungsstift-Außendurchmesser
      Standard: 5,7 ∼ 6,0 mm

    Verbindungsplatten-Außenbreite
      Standard: 17,25 ∼ 17,45 mm
    Falls der Messwert die angegebene Länge überschreitet,
    die Kette trennen und neu verbinden.
•   Prüfen:
     Bewegung der Rollen
•   Den Antriebsketten-Durchhang nach Montage der
    Kette einstellen (siehe "Einstellung des Antriebsket-
    ten-Durchhangs" im Kapitel "Regelmäßige Wartung").
11-10 ACHSANTRIEB
Kettenrad, Kupplung
Ausbau des Motorritzels
• Ausbauen:
   Drehzahlsensorschraube [A]
     Drehzahlsensor [B]
     Schrauben des Motorkettenraddeckels [C]
     Motorkettenraddeckel [D]




• Die umgebogene Sicherungsscheibe glätten [A].
• Die Motorkettenradmutter [B] und die Unterlegscheibe
  entfernen.
                        ANMERKUNG
    ○Beim Lockern der Motorkettenradmutter die Hinterrad-
     bremse anziehen.




• Das Hinterrad vom Boden und die Hinterrad-Achsmutter
                             anheben.
• lockern.
  Den Achssplint entfernen,

• Die beidendie Antriebskette zu lockern.
  ckern, um
              Sicherungsmuttern der Ketteneinsteller lo-

• Die Antriebskette vom hinteren Kettenrad nach rechts he-
  rausnehmen.
• Das Motorkettenrad [A] samt Antriebskette [B] von der
  Abtriebswelle [C] abziehen.
• Die Antriebskette vom Motorkettenrad abnehmen.
Einbau des Motorkettenrades
• Die Kettenrad-Unterlegscheibe und den Achssplint erset-
  zen.
• Das Motorkettenrad so aufaußenWelle setzen, dass die
  Markierungsseite [A] nach
                               die
                                    zeigt.
• Molybdänhaltige Disulfidöllösung aufder Motorkettenrad-
  der Abtriebswelle und die Sitzfläche
                                        die Gewindegänge

    mutter auftragen.
•   Nach dem Anziehen der Motorkettenradmutter eine Seite
    [B] der Unterlegscheibe [C] um die Mutter biegen.
                        ANMERKUNG
    ○Beim Anziehen der Mutter die Hinterradbremse anzie-
     hen.
    Anzugsmoment -
           Motorkettenradmutter: 125 N·m (13 kgf·m)
• Den Antriebsketten-Durchhang nach Montage des Ket-
  tenrades einstellen (siehe "Einstellung des Antriebsket-
    ten-Durchhangs" im Kapitel "Regelmäßige Wartung").
ACHSANTRIEB 11-11
Kettenrad, Kupplung

• Darauf achten, dass die Passstifte [A] richtig positioniert
  sind.
• Die Motorkettenradabdeckung einbauen und die Deckel-
                               einbauen.
• Klemme [B]festziehen.
  schrauben
             gemäß Abbildung

  Anzugsmoment -
         Schrauben der Motorkettenradabdeckung: 6,9
           N·m (0,70 kgf·m)
• Den Drehzahlsensor einbauen (siehe "Einbau des Dreh-
  zahlsensors" im Kapitel "Elektrik").
• Nach dem Anziehen der Achsmutter das Ende des Achs-
  splints sorgfältig umbiegen.




Ausbau des hinteren Kettenrades
• Das Hinterrad ausbauen (siehe "Ausbau des Hinterrades"
  im Kapitel "Räder/Reifen").
                       VORSICHT
  Das Rad nicht so ablegen, dass die Bremsscheibe
  nach unten zeigt. Dabei könnte die Scheibe beschä-
  digt werden oder sich verziehen. Das Rad unterle-
  gen, damit die Bremsscheibe den Boden nicht be-
  rührt.

• Die hinterenKettenrad [B] entfernen.
              Kettenradmuttern [A] entfernen.
• Das hintere
Einbau des hinteren Kettenrades
• Das Kettenrad nach außen zeigt. die Markierung mit der
  Zähnezahl [A]
                 so einbauen, dass

• Die hinteren Kettenradmuttern festziehen.
  Anzugsmoment -
         Hintere Kettenradmuttern: 59 N·m (6,0 kgf·m)
• Das Hinterrad einbauen (siehe "Einbau des Hinterrades"
  im Kapitel "Räder/Reifen").
11-12 ACHSANTRIEB
Kettenrad, Kupplung
Einbau der Kupplung
• Die folgenden Teile fetten und die Kupplung einbauen.
   Schmierfettdichtlippen der Kupplung [A]
   Innenfläche [B] der Kupplung




• DenHülse [B][A] einfetten.
      O-Ring
• Die          einbauen.




Ausbau des Kupplungslagers
• Ausbauen:
   Kupplung
   Schmierfettdichtung
   Sicherungsring [A] (entsorgen)
 Spezialwerkzeug -
          Montagezange für Innensicherungsringe [B]:
             57001-143



• Das Lagerentfernen. einen leichten Schlag von der Rad-
  seite aus
            [A] durch

 Spezialwerkzeug -
          Lagertreibersatz [B]: 57001-1129




Einbau des Kupplungslagers
• Das Kupplungslager durch ein neues ersetzen.
                      ANMERKUNG
 ○Die Lager so montieren, dass die markierte Seite nach
   außen zeigt.

• Das Lager [A] bis zum Anschlag einpressen.
 Spezialwerkzeug -
          Lagertreibersatz [B]: 57001-1129
• Den Sicherungsring durch einen neuen Sicherungsring
  ersetzen.
 Spezialwerkzeug -
          Montagezange für Innensicherungsringe: 57001
             -143
ACHSANTRIEB 11-13
Kettenrad, Kupplung

• Die Schmierfettdichtung durch eine neue dass die Dich-
                                          ersetzen.
• tung bündig mit dem Ende der Bohrung abschließt.
  Die Schmierfettdichtung so einpressen,

○Die Dichtlippen der Fettdichtungen mit Hochtemperatur-
 fett bestreichen.
 Spezialwerkzeug -
          Lagertreibersatz: 57001-1129

Prüfung des Kupplungslagers
   Da das Kupplungslager mit sehr engen Toleranzen gefer-
tigt wird, lässt sich das Spiel normalerweise nicht messen.
                      ANMERKUNG
 ○Das Kupplungslager muss zur Prüfung nicht ausgebaut
   werden. Wurde das Kupplungslager ausgebaut, muss
   es durch ein neues ersetzt werden.

• Das LagerGeräuschedrehen [A] und Zustand überprüfen.
  Lager, die
             von Hand
                      entwickeln, nicht weich laufen oder
 raue Stellen aufweisen, sind auszuwechseln.
Schmierung des Kupplungslagers
• Das Kupplungslager mit hochwertigem Lagerfett [A] fül-
  len. Das Lager einige Male mit der Hand drehen, damit
 sich das Fett gleichmäßig im Lagerinneren verteilt.




Prüfung des Kupplungsdämpfers
• Dieüberprüfen.
  [A]
      Hinterradkupplung ausbauen und die Gummidämpfer

• Den Gummidämpfer ersetzen, wenn er beschädigt oder
  verschlissen ist.
11-14 ACHSANTRIEB
Kettenrad, Kupplung
Prüfung des Kettenrades auf Verschleiß
• Die Zähne des Motorkettenrades und des hinteren Ket-
  tenrades auf Verschleiß und Beschädigungen kontrollie-
 ren.
 Wenn die Zähne wie in der Abbildung dargestellt ver-
 schlissen sind, das Kettenrad ersetzen und die Antriebs-
 kette auf Verschleiß untersuchen (siehe "Prüfung der An-
 triebskette auf Verschleiß" im Kapitel "Regelmäßige War-
 tung").
   Abgenutzter Zahn (Motorkettenrad) [A]
   Abgenutzter Zahn (Hinteres Kettenrad) [B]
   Drehrichtung [C]
                     ANMERKUNG
 ○Wenn ein Kettenrad ersetzt werden muss, ist wahr-
  scheinlich auch die Antriebskette verschlissen.
  Beim Austausch eines Kettenrades auch die Antriebs-
  kette überprüfen.
Prüfung des hinteren Kettenrades auf Verzug
• Daseiner Messuhr [A] am hinteren Kettenrad in der kann.
       Hinterrad aufbocken, damit es sich frei drehen
• der Zähne wie in der Abbildung dargestellt anbringen und
  Mit                                                 Nähe

 das Hinterrad [C] drehen, um den Kettenradschlag (den
 Verzug) zu messen. Die Differenz zwischen dem höchs-
 ten und dem niedrigsten Anzeigewert der Messuhr ist die
 Unrundheit (der Verzug).
 Wenn die Unrundheit den Grenzwert überschreitet, das
 hintere Kettenrad ersetzen.
 Hinteres Kettenrad auf Verzug
   Standard:            0,4 mm oder weniger
    Grenzwert:          0,5 mm
BREMSEN 12-1




                                                       Bremsen
                                               INHALTSVERZEICHNIS
Explosionszeichnung..............................................................................................................           12-2
Technische Daten ...................................................................................................................        12-6
Spezialwerkzeuge ..................................................................................................................         12-7
Bremshebel, Bremspedal .......................................................................................................              12-8
   Einstellung der Bremshebelposition..................................................................................                     12-8
   Prüfung der Bremspedalposition.......................................................................................                    12-8
   Einstellung der Bremspedalposition..................................................................................                     12-8
   Ausbau des Bremspedals .................................................................................................                 12-8
   Einbau des Bremspedals ..................................................................................................                12-9
Bremssättel.............................................................................................................................   12-10
   Ausbau des Vorderrad-Bremssattels ................................................................................                      12-10
   Ausbau des Hinterrad-Bremssattels .................................................................................                     12-10
   Einbau des Bremssattels ..................................................................................................              12-11
   Zerlegung des Vorderrad-Bremssattels ............................................................................                       12-11
   Zusammenbau des Vorderrad-Bremssattels ....................................................................                             12-11
   Zerlegung des Hinterrad-Bremssattels .............................................................................                      12-11
   Zusammenbau des Hinterrad-Bremssattels .....................................................................                            12-11
   Beschädigung der Bremssattel-Flüssigkeitsdichtung .......................................................                               12-12
   Beschädigung der Staubmanschette und Reibmanschette am Hinterrad-Bremssattel ....                                                       12-12
   Kolben und Zylinder auf Beschädigung ............................................................................                       12-12
   Hintere Bremssattel-Halterwelle auf Verschleiß................................................................                          12-13
Bremsbeläge ..........................................................................................................................     12-14
   Ausbau der Vorderrad-Bremsklötze..................................................................................                      12-14
   Einbau der Vorderrad-Bremsklötze...................................................................................                     12-14   12
   Ausbau der Hinterrad-Bremsklötze...................................................................................                     12-14
   Einbau der Hinterrad-Bremsklötze....................................................................................                    12-15
   Prüfung der Bremsbeläge auf Verschleiß .........................................................................                        12-15
Hauptbremszylinder................................................................................................................         12-16
   Ausbau des Vorderrad-Hauptbremszylinders ...................................................................                            12-16
   Einbau des Vorderrad-Hauptbremszylinders ....................................................................                           12-17
   Ausbau des Hinterrad-Hauptbremszylinders ....................................................................                           12-17
   Einbau des Hinterrad-Hauptbremszylinders .....................................................................                          12-17
   Zerlegung des Vorderrad-Hauptbremszylinders ...............................................................                             12-18
   Zerlegung des Hinterrad-Hauptbremszylinders ................................................................                            12-18
   Prüfung des Hauptbremszylinders (Sichtprüfung) ............................................................                             12-18
   Zusammenbau des Hauptbremszylinders ........................................................................                            12-18
Bremsscheibe.........................................................................................................................      12-19
   Ausbau der Bremsscheibe................................................................................................                 12-19
   Einbau der Bremsscheibe.................................................................................................                12-19
   Bremsscheibenverschleiß.................................................................................................                12-19
   Bremsscheibenverzug ......................................................................................................              12-19
Bremsflüssigkeit .....................................................................................................................     12-20
   Prüfung des Bremsflüssigkeitsstandes .............................................................................                      12-20
   Wechsel der Bremsflüssigkeit...........................................................................................                 12-20
   Entlüftung der Bremsleitungen..........................................................................................                 12-20
Bremsschlauch .......................................................................................................................      12-25
   Ausbau/Einbau des Bremsschlauchs ...............................................................................                        12-25
   Prüfung des Bremsschlauchs ...........................................................................................                  12-25
12-2 BREMSEN
Explosionszeichnung
BREMSEN 12-3
Explosionszeichnung

                                                          Anzugsmoment
 Nr.                Verbindungselement                                     Anmerkungen
                                                           N·m   kgf·m
 1     Entlüftungsventile                                  7,8    0,80
 2     Bremsschlauch-Hohlschrauben                          25     2,5
 3     Bremshebel-Drehzapfenschraube                       1,0    0,10         Si
       Sicherungsmutter der Bremshe-
 4                                                         5,9    0,60
       bel-Drehzapfenschraube
 5     Befestigungsschrauben der vorderen Bremsscheibe     27      2,8          L
 6     Schraube für Vorderrad-Bremsleuchtenschalter        1,2    0,12
 7     Bremsbelagstifte der Vorderradbremse                17      1,7
       Anschlagschraube des Vorder-
 8                                                         1.2    0,12
       rad-Bremsflüssigkeitsbehälterdeckels
  9    Vorderrad-Bremssattelschrauben                      27     2,8
 10    Befestigungsschrauben der vorderen Bremssattel      34     3,5
       Entlüftungsventil des Vorderrad
 11                                                        5,9    0,60
       -Hauptbremszylinders
       Klemmschrauben des Vorderrad
 12                                                        8,8    0,90         S
       -Hauptbremszylinders
 B: Bremsflüssigkeit auftragen.
 L: Ein nicht-permanentes Gewindedichtmittel auftragen.
 R: Ersatzteile
 S: Die vorgeschriebene Anzugsreihenfolge einhalten.
 Si: Silikonfett auftragen.
12-4 BREMSEN
Explosionszeichnung
BREMSEN 12-5
Explosionszeichnung

                                                           Anzugsmoment    Anmerkun-
 Nr.                Verbindungselement
                                                          N·m      kgf·m     gen
 1     Entlüftungsventil                                  7,8       0,80
 2     Bremsschlauch-Hohlschrauben                         25        2,5
 3     Bremspedalschraube                                 8,8       0,90
 4     Befestigungsschrauben der hinteren Bremsscheibe     27        2,8       L
 5     Befestigungsschrauben des Hinterradbremssattels     25        2,5
       Befestigungsschrauben des Hinterrad
 6                                                        25        2,5
       -Hauptbremszylinders
       Sicherungsmutter der Schubstange des
 7                                                        18        1,8
       Hinterrad-Hauptbremszylinders
 B: Bremsflüssigkeit auftragen.
 G: Fett auftragen.
 L: Ein nicht-permanentes Gewindedichtmittel auftragen.
 R: Ersatzteile
 Si: Silikonfett auftragen.
12-6 BREMSEN
Technische Daten

          Teil                         Standard                          Grenzwert
Bremshebel, Bremspedal
                         Mit sechs Einstellpositionen (je nach
 Bremshebelposition                                                        – – –
                         Fahrer).
 Bremshebelspiel         Nicht einstellbar                                 – – –
 Bremspedalspiel         Nicht einstellbar                                 – – –
 Pedalposition           Ca. 78 mm unter der Fußrastenoberkante            – – –
Bremsflüssigkeit
 Qualität                DOT4                                              – – –
Bremsbeläge
 Bremsbelagdicke:
   Vorn                  4 mm                                     1 mm
   Hinten                5 mm                                     1 mm
Bremsscheiben
 Dicke:
   Vorn                  5,8 ∼ 6,2 mm                                      5,5 mm
   Hinten                4,8 ∼ 5,2 mm                                      4,5 mm
 Schlag                  TIR 0,15 mm oder weniger                        TIR 0,3 mm
BREMSEN 12-7
Spezialwerkzeuge
Montagezange für Innensicherungsringe:   Stützblöcke:
57001-143                                57001-1608




Wagenheber:
57001-1238
12-8 BREMSEN
Bremshebel, Bremspedal
Einstellung der Bremshebelposition
  Der Bremshebeleinsteller besitzt sechs Positionen, da-
mit die Bremshebelposition auf die Bedürfnisse des Fah-
rers eingestellt werden kann.
• Den Hebel nach vorn drücken und den Einsteller [A] so
  drehen, dass die Zahl auf die Pfeilmarkierung [B] an der
  Hebelhalterung zeigt.
○Der Abstand zwischen Griff und Hebel ist bei Ziffer 6 am
  kleinsten und bei Ziffer 1 am größten.


Prüfung der Bremspedalposition
• Das Bremspedal [A] muss sich in der richtigen Position
  befinden.
     Fußraste [B]
    Pedalposition
      Standard:     Ca. 78 mm [C] unter Fußrastenoberkante
    Ist die Position nicht korrekt, die Bremspedalposition kor-
    rigieren.


Einstellung der Bremspedalposition
                         ANMERKUNG
    ○In der Regel ist es nicht erforderlich, die Pedalposition
      einzustellen, sie muss jedoch immer eingestellt werden,
      wenn die Sicherungsmutter der Kolbenstange gelockert
      wurde.

• Die dem Sechskantkopf [B] drehen, bis die richtige Pe-
  mit
      Sicherungsmutter [A] lockern und die Kolbenstange

    dalposition erreicht ist.
    Wenn die abgebildete Länge [C] 70 ±1 mm beträgt, ist die
    Pedalposition im Normalbereich.
•   Festziehen:
    Anzugsmoment -
           Sicherungsmutter der Kolbenstange des Hinter-
              rad-Hauptbremszylinders: 18 N·m (1,8 kgf·m)
• Die Funktion des Bremslichtschalters kontrollierenKapitel
  "Funktionsprüfung des Bremslichtschalters" im
                                                     (siehe

    "Regelmäßige Wartung").
Ausbau des Bremspedals
• Ausbauen:
   Befestigungsschrauben            des           Hinter-
     rad-Hauptbremszylinders [A]
     Schrauben der rechten Fußrastenhalterung [B]
BREMSEN 12-9
Bremshebel, Bremspedal

• Ausbauen:
   Splint [A]
     Verbindungsbolzen [B]
     Feder des Hinterrad-Bremslichtschalters [C]
     Rückholfeder [D]
•   Die Befestigungsschraube [E] lösen und das Bremspedal
    abnehmen.




Einbau des Bremspedals
• Hochtemperaturfett auf die Schwingenachse [A] auftra-
  gen und die Unterlegscheibe [B] einbauen.
• Folgende Teile[C]
   Bremspedal
                  einbauen:

     Unterlegscheibe [D]
     Bremspedalschraube [E]
    Anzugsmoment -
           Bremspedalschraube: 8,8 N·m (0,90 kgf·m)


• Das obere Ende der Rückholfeder [A] in den Pedalhaken
  einhaken.
• Das untere Ende derin Feder [B] des anHinter-
  rad-Bremslichtschalters      den Haken            der
    Rückholfeder einhaken.
○Die Schalterfeder so einbauen, dass der Haken [C] ge-
    mäß Abbildung nach außen zeigt.
     Fußrastenhalterung [D]



• Den Splint durch einen neuendie Splintenden [B] ausein-
○Den Splint [A] einsetzen und
                               Splint ersetzen.

    ander biegen.




• Die rechte Fußrastenhalterung montieren.
    Anzugsmoment -
           Schrauben der vorderen Fußrastenhalterung: 25
             N·m (2,5 kgf·m)
○Auf das Bremspedal [A] drücken und dann die Bohrungen
    im Hauptzylinder [B] ausrichten.
    Anzugsmoment -
           Befestigungsschrauben      des         Hinter-
             rad-Hauptbremszylinders:   25     N·m (2,5
             kgf·m)
• Die Bremspedalposition prüfen (siehe "Prüfung der Brem-
  spedalposition").
12-10 BREMSEN
Bremssättel
Ausbau des Vorderrad-Bremssattels
• Die Hohlschraube [A] am unteren Bremsschlauchende lö-
  sen und wieder locker festdrehen.
• Die und den Bremssattel [C] von der Scheibe abnehmen.
  hen
      Bremssattel-Befestigungsschrauben [B] herausdre-

                     VORSICHT
 Die Bremssattelschrauben [D] nicht lockern. Zum
 Ausbau des Bremssattels nur die Befestigungs-
 schrauben des Bremssattels herausdrehen. Beim
 Lösen der Bremssattelschrauben tritt Bremsflüs-
 sigkeit aus.

• Dievom Bremssattel abbauen (siehe "Ausbau/Einbau des
  [E]
      Hohlschraube herausdrehen und den Bremsschlauch

 Bremsschlauchs").
                     VORSICHT
 Ausgetretene Bremsflüssigkeit sofort beseitigen.

                     ANMERKUNG
 ○Wenn der Bremssattel nach dem Ausbau zerlegt wer-
   den soll und keine Druckluft zur Verfügung steht, den
   Bremssattel vor dem Abbau des Bremsschlauchs zer-
   legen (siehe Zerlegung des vorderen Bremssattels).
Ausbau des Hinterrad-Bremssattels
• Die Hohlschraube [A] am unteren Bremsschlauchende lö-
  sen und wieder locker festdrehen.
• Die und den Bremssattel [C] von der Scheibe abnehmen.
  hen
       Bremssattel-Befestigungsschrauben [B] herausdre-

• Die vom Bremssattel abziehen. und den Bremsschlauch
  [D]
      Hohlschraube herausdrehen

                     VORSICHT
 Ausgetretene Bremsflüssigkeit sofort beseitigen.

                     ANMERKUNG
 ○Wenn der Bremssattel nach dem Ausbau zerlegt wer-
   den soll und keine Druckluft zur Verfügung steht, den
   Bremssattel vor dem Ausbau des Bremsschlauchs zer-
   legen (siehe "Zerlegung des Hinterrad-Bremssattels").
BREMSEN 12-11
Bremssättel
Einbau des Bremssattels
• Den Bremssattel und
  schlauchs montieren.
                          das untere Ende des Brems-

○Die Unterlegscheiben an jeder Seite des Schlauchverbin-
    ders durch neue Unterlegscheiben ersetzen.
•   Festziehen:
    Anzugsmoment -
           Bremssattel-Befestigungsschrauben
              vorn: 34 N·m (3,5 kgf·m)
              hinten: 25 N·m (2,5 kgf·m)
           Bremsschlauch-Hohlschrauben: 25 N·m (2,5
              kgf·m)
• Den Bremsflüssigkeitsstand in den Ausgleichsbehältern
  prüfen.
• Die Bremsleitungen entlüften (siehe "Entlüftung der
  Bremsleitungen").
• Die Bremskraft der Bremse kontrollieren;darf keine Flüs-
  cken dürfen nicht angedrückt sein, und es
                                            die Bremsba-

    sigkeit austreten.

                         ACHTUNG
    Das Motorrad erst fahren, wenn durch Pumpen
    am Bremshebel oder Bremspedal die volle Funk-
    tionsfähigkeit von Bremshebel bzw. Bremspedal
    gewährleistet ist. Die Bremsbeläge müssen nach
    dem Pumpen an der Scheibe anliegen. Wird dieses
    Pumpen unterlassen, funktionieren die Bremsen
    bei der ersten Betätigung des Bremshebels oder
    Bremspedals nicht.

Zerlegung des Vorderrad-Bremssattels
• Siehe "Wechsel der Bremssattel-Gummiteile" im Kapitel
  "Regelmäßige Wartung".
Zusammenbau des Vorderrad-Bremssattels
• Siehe "Wechsel der Bremssattel-Gummiteile" im Kapitel
  "Regelmäßige Wartung".
Zerlegung des Hinterrad-Bremssattels
• Siehe "Wechsel der Bremssattel-Gummiteile" im Kapitel
  "Regelmäßige Wartung".
Zusammenbau des Hinterrad-Bremssattels
• Siehe "Wechsel der Bremssattel-Gummiteile" im Kapitel
  "Regelmäßige Wartung".
12-12 BREMSEN
Bremssättel
Beschädigung der Bremssattel
-Flüssigkeitsdichtung
  Die Flüssigkeitsdichtung (Kolbendichtung) [A] dichtet
den Kolben ab und gewährleistet ausreichend Spiel zwi-
schen Bremsklotz und Bremsscheibe. Eine beschädigte
Dichtung kann zu abnormalem Bremsklotzverschleiß und
zum Schleifen der Bremse führen. Zudem können Brems-
scheibe und Bremsflüssigkeit überhitzen.
• Die Flüssigkeitsdichtung erneuert, wenn eine der folgen-
  den Bedingungen auftritt:
○Austritt von Bremsflüssigkeit am Bremsbelag.
○Überhitzung der Bremsen.
○Beträchtliche Verschleißdifferenz zwischen innerem und
  äußerem Bremsbelag.
○Dichtung und Kolben kleben aneinander.
  Bei einem Austausch der Flüssigkeitsdichtung die Staub-
  dichtung [B] ebenfalls erneuern. Außerdem alle Dichtun-
  gen ersetzen, wenn die Bremsbeläge gewechselt wer-
  den.


Beschädigung der Staubmanschette und
Reibmanschette am Hinterrad-Bremssattel
• Sicherstellen, dass Staubmanschette aufgequollen oder
  schette [B] nicht rissig, verschlissen,
                                          [A] und Reibman-

    anderweitig beschädigt sind.
    Bei Beschädigungen auswechseln.




Kolben und Zylinder auf Beschädigung
• Die Kolben [A] undersetzen, wenn [B] visuell und Kolben
  Den Bremssattel
                     Zylinderflächen
                                     Zylinder
                                               überprüfen.

    starke Riefen oder Roststellen aufweisen.
BREMSEN 12-13
Bremssättel
Hintere Bremssattel-Halterwelle auf Verschleiß
  Der Bremssattel muss leicht auf den Bremssattelhalter-
wellen [A] gleiten. Wenn der Bremssattel nur schwer gleitet,
ist einer der Bremsbeläge stärker verschlissen als der an-
dere; dadurch erhöht sich der Bremsbelagverschleiß, und
die ständige Zugbelastung an der Scheibe führt zu einer
Temperaturerhöhung von Bremse und Bremsflüssigkeit.
• Die Bremssattelhalterstifte dürfen nicht übermäßig und
  nicht stufenförmig abgenutzt sein; die Gummireibman-
  schetten dürfen nicht beschädigt sein.
  Wenn die Gummireibmanschette beschädigt ist, diese er-
  neuern. Zum Austausch der Gummireibscheibenman-
  schette die Bremsbeläge und die Bremssattelhalterung
  ausbauen.
  Falls die Bremssattelhalterstifte beschädigt sind, muss
  der Bremssattelhalter erneuert werden.
12-14 BREMSEN
Bremsbeläge
Ausbau der Vorderrad-Bremsklötze
• Ausbauen:
   Bremsbelagstifte [A]
   Bremsbelagfedern [B]
   Bremsbeläge [C]




Einbau der Vorderrad-Bremsklötze
• Die Bremssattelkolben mit der Hand so weit wie möglich
  nach vorn drücken.
• Den den Bremsbelagstift [B] einsetzen.
  und
      äußeren Bremsbelag [A] gemäß Abbildung einbauen




• Einstellen:
   Innerer Bremsbelag [A]
  Bremsbelagfeder [B]
○Den Bremsbelagstift [D] mit Hilfe des Stifthalters [C] in
 das Loch im Bremsbelag hineindrücken.
 Anzugsmoment -
        Bremsbelagstifte der Vorderradbremse: 17 N·m
           (1,7 kgf·m)

                          ACHTUNG
 Das Motorrad erst fahren, wenn der Bremshebel
 voll wirksam ist: dazu den Bremshebel pumpen,
 bis die Bremsbeläge an der Scheibe anliegen. Wird
 dies unterlassen, funktioniert die Bremse bei der
 ersten Betätigung des Bremshebels nicht.

Ausbau der Hinterrad-Bremsklötze
• Den Bremssattel mit angeschlossenem Bremsschlauch
  ausbauen.
• Ausbauen:
   Feder [A]
   Bremsklotzstift [B]
   Bremsbeläge [C]
BREMSEN 12-15
Bremsbeläge
Einbau der Hinterrad-Bremsklötze
• Den Bremssattelkolben mit der Hand so weit wie möglich
  eindrücken.
• Die Bremsbelagfeder einsetzen.
• Zuerstden anderen Bremsbelag.
  dann
          den kolbenseitigen Bremsbelag [A] einsetzen,

○Die Nasen [B] des Bremsbelags in die Aussparung [C] am
    Bremssattelhalter einpassen.
•   Bremsbelaghalterstift und Klemme montieren.     Die
    Klemme muss sich “außerhalb” der Bremsbeläge befin-
    den.
•   Den Bremssattel montieren (siehe "Einbau des Brems-
    sattels").
                        ACHTUNG
    Das Motorrad erst fahren, wenn durch Pumpen
    am Bremshebel oder Bremspedal die volle Funk-
    tionsfähigkeit von Bremshebel bzw. Bremspedal
    gewährleistet ist. Die Bremsbeläge müssen nach
    dem Pumpen an der Scheibe anliegen. Wird dies
    unterlassen, funktioniert die Bremse bei der ersten
    Betätigung des Bremshebels nicht.

Prüfung der Bremsbeläge auf Verschleiß
• Siehe "Prüfung der Wartung". auf Verschleiß" im Ka-
  pitel "Regelmäßige
                     Bremsbeläge
12-16 BREMSEN
Hauptbremszylinder
Ausbau des Vorderrad-Hauptbremszylinders
• Die Behälterhalterungsmutter [A] entfernen.




• Die Hohlschraube [A] herausdrehen, zu lösen Brems-
  schlauch vom Hauptbremszylinder
                                      um den
                                               (siehe
    "Ausbau/Einbau des Bremsschlauchs" in diesem Kapi-
    tel).
•   Die Klemmschrauben [B] herausdrehen und den Haupt-
    bremszylinder [C] mit Ausgleichsbehälter, Bremshebel
    und Bremslichtschalter abnehmen.
•   Den      Steckverbinder       [D]
    rad-Bremslichtschalters abziehen.
                                        des       Vorder-

                        VORSICHT
    Ausgetretene Bremsflüssigkeit sofort beseitigen.

• Ausbauen:
   Bremshebel-Drehzapfenschraube [A] und Mutter
     Bremshebel [B]
     Klemme [C] (abschieben)
     Bremsschlauch [D]
     Vorderrad-Bremslichtschalter [E]
BREMSEN 12-17
Hauptbremszylinder
Einbau des Vorderrad-Hauptbremszylinders
• Den Passflächen [A] mit der Stanzmarkierung [B]dass
  die
       Vorderrad-Hauptbremszylinder so ansetzen,
                                                  am
    Lenker fluchten.
•   Die Klemme des Hauptbremszylinders muss mit der Pfeil-
    markierung [C] nach oben eingebaut werden.
•   Zuerst die obere Klemmschraube und dann die untere
    Klemmschraube anziehen.
    Anzugsmoment -
           Klemmschrauben           des              Vorder-
              rad-Hauptbremszylinders:         8,8      N·m
              (0,90 kgf·m)
• Die Unterlegscheiben auf beiden Seiten des Schlauch-
  verbinders erneuern.
• Festziehen:
    Anzugsmoment -
           Bremsschlauch-Hohlschraube:       25 N·m (2,5
              kgf·m)
• Die Bremsleitungen entlüften (siehe "Entlüftung der
  Bremsleitungen").
• Die Bremskraft der Bremse kontrollieren;darf keine Flüs-
  cken dürfen nicht angedrückt sein, und es
                                            die Bremsba-

    sigkeit austreten.
Ausbau des Hinterrad-Hauptbremszylinders
• Die Bremsschlauch-Hohlschraube [A] herausdrehen und
  den Bremsschlauch [B] entfernen.
• Ausbauen:
   Splint [C]
      Verbindungsbolzen [D]
      Schrauben [E]
      Fußschutz [F]
      Hinterrad-Hauptbremszylinder
•   Die Klemme [G] abschieben.
•   Das untere Ende [H] des Behälterschlauchs abziehen
    und die Bremsflüssigkeit in einen Auffangbehälter ent-
    leeren.
Einbau des Hinterrad-Hauptbremszylinders
• Den Unterlegscheiben ersetzen, die ersetzen.jeder Seite
      Splint durch einen neuen Splint
• des Schlauchverbinders befinden. sich an
  Die

• Festziehen:
    Anzugsmoment -
           Befestigungsschrauben       des     Hinter-
              rad-Hauptbremszylinders:   25 N·m (2,5
              kgf·m)
           Bremsschlauch-Hohlschraube:    25 N·m (2,5
              kgf·m)
• Die Bremsleitungen entlüften (siehe "Entlüftung der
  Bremsleitungen").
• Die Bremskraft der Bremse kontrollieren;darf keine Flüs-
  cken dürfen nicht angedrückt sein, und es
                                            die Bremsba-

    sigkeit austreten.
12-18 BREMSEN
Hauptbremszylinder
Zerlegung des Vorderrad-Hauptbremszylinders
• Sieheim Kapitel "Regelmäßige Wartung".
  ders"
        "Wechsel der Gummiteile des Hauptbremszylin-


Zerlegung des Hinterrad-Hauptbremszylinders
• Sieheim Kapitel "Regelmäßige Wartung".
  ders"
        "Wechsel der Gummiteile des Hauptbremszylin-


Prüfung des Hauptbremszylinders (Sichtprüfung)
• Die Hauptbremszylinder ausbauen (siehe "Ausbau des
  Hinterrad-/Vorderrad-Hauptbremszylinders").
• Den (siehe "WechselHinterrad-Hauptbremszylinder zerle-
  gen
       Vorderrad- und
                       der Gummiteile des Hauptbremszy-
    linders" im Kapitel "Regelmäßige Wartung").
•   An der Innenwand [A] des jeweiligen Hauptbremszylin-
    ders sowie an der Außenseite des jeweiligen Kolbens [B]
    dürfen keine Kratzer, keine Roststellen und keine Riefen
    vorhanden sein.
    Wenn ein Hauptbremszylinder oder Zylinderkolben be-
    schädigt ist, diesen ersetzen.
•   Die Primärmanschette [C] und die Sekundärmanschette
    [D] überprüfen.
    Wenn eine der Manschetten verschlissen, gequollen oder
    in anderer Weise gealtert ist, muss der Kolben zum Wech-
    sel der Manschette ersetzt werden.
    Wenn am Bremshebel Flüssigkeit austritt, muss der Kol-
    ben ersetzt werden, damit neue Manschetten eingebaut
    werden können.
      Vorderrad-Hauptbremszylinder [I]

• Die Staubschutzkappen [E] auf Beschädigung kontrollie-
  ren.
    Wenn diese beschädigt sind, die Staubschutzkappen er-
    setzen.
•   Die Rückstellfeder des Kolbens [F] auf Schäden untersu-
    chen.
    Beschädigte Federn erneuern.
•   Der Druckentlastungsanschluss [G] und der Zulauf-
    anschluss [H] dürfen nicht verstopft sein.
    Bei verstopftem Druckentlastungsanschluss schleifen die
    Bremsklötze an der Bremsscheibe. Die Anschlüsse mit
    Pressluft durchblasen.
     Hinterrad-Hauptbremszylinder [J]




Zusammenbau des Hauptbremszylinders
• Sieheim Kapitel "Regelmäßige Wartung".
  ders"
        "Wechsel der Gummiteile des Hauptbremszylin-
BREMSEN 12-19
Bremsscheibe
Ausbau der Bremsscheibe
• Das Rad ausbauen "Räder/Reifen"). des Vorder
  -/Hinterrads" im Kapitel
                           (siehe "Ausbau

• Die Halteschrauben herausdrehen und die Scheibe aus-
  bauen.
Einbau der Bremsscheibe
• Die Bremsscheibe soaußenRad anbauen, dass die mar-
  kierte Seite [B] nach
                        am
                           zeigt.
• Gewindegänge der Befestigungsschrauben der Hinter-
  Ein nicht-permanentes Gewindedichtmittel auf die

    radbremsscheibe [A] auftragen.
•   Festziehen:
    Anzugsmoment -
           Befestigungsschrauben der Bremsscheibe: 27
             N·m (2,8 kgf·m)

Bremsscheibenverschleiß
• Diedem der größte Verschleiß [A] an dem Punkt messen,
  an
      Dicke jeder Bremsscheibe
                               aufgetreten ist.
    Wenn der Grenzwert der Scheibe überschritten ist, die
    Scheibe ersetzen.
     Messbereich [B]
    Dicke der Bremsscheiben
      Standard:
        Vorn             5,8 ∼ 6,2 mm
        Hinten           4,8 ∼ 5,2 mm
      Grenzwert:
        Vorn             5,5 mm
        Hinten           4,5 mm

Bremsscheibenverzug
• Das Motorrad aufbocken, damit das Rad vom Boden ab-
  hebt.
    Spezialwerkzeuge -
             Wagenheber: 57001-1238
             Stützblöcke: 57001-1608
○Zur     Prüfung der Vorderrad-Bremsscheibe den Lenker
    ganz auf eine Seite einschlagen.
•   Eine Messuhr wie in der Abbildung an die Bremsscheibe
    [A] halten und die Unrundheit beim Scheibenlauf messen,
    wenn das Rad [B] mit der Hand gedreht wird.
    Wenn die Unrundheit den Grenzwert überschreitet, die
    Bremsscheibe ersetzen.
    Bremsscheibenschlag
      Standard:         TIR 0,15 mm oder weniger
      Grenzwert:         TIR 0,3 mm
12-20 BREMSEN
Bremsflüssigkeit
Prüfung des Bremsflüssigkeitsstandes
• Siehe "PrüfungWartung".
  "Regelmäßige
                des Bremsflüssigkeitsstandes" im Kapitel


Wechsel der Bremsflüssigkeit
• Siehe "Wechsel der Bremsflüssigkeit" im Kapitel "Regel-
  mäßige Wartung".
Entlüftung der Bremsleitungen
  Die Bremsflüssigkeit hat einen sehr niedrigen Kompressi-
onskoeffizienten, sodass fast die gesamte Bewegung des
Bremspedals oder Bremshebels direkt auf den Bremssat-
tel übertragen wird. Luft lässt sich jedoch sehr stark zu-
sammendrücken. Wenn Luft in die Bremsleitung gelangt,
wird die Bewegung des Bremspedals oder Bremshebels
teilweise für die Kompression der Luft verwendet. Dies führt
zu einer schwammigen Reaktion des Bremspedals oder
Bremshebels und zu einem Verlust der Bremskraft.
                         ACHTUNG
    Die Bremsleitung immer entlüften, wenn Bremshe-
    bel oder Bremspedal nach dem Wechsel der Brems-
    flüssigkeit nur schwammig oder zögerlich reagie-
    ren oder wenn aus irgendeinem Grund eine Ver-
    schraubung der Bremsleitung gelockert wurde.

                       ANMERKUNG
    ○Zum Entlüften der Leitung der Vorderradbremse wie
     folgt vorgehen. Die Entlüftung der Leitung der Hinter-
     radbremse erfolgt analog zur Vorderradbremse.

• Ausbauen: [A]
   Schraube
  Klemme [B]
  Vorderrad-Bremsflüssigkeitsbehälterdeckel [C]
  Membranplatte
  Membran
•Ausgleichsbehälter mit frischer Bremsflüssigkeit bis zur
 Maximalstandlinie auffüllen.
•Bei abgenommenem Bremsflüssigkeitsbehälterdeckel
 den Bremshebel langsam mehrmals pumpen, bis keine
 Luftblasen mehr aus den Bohrungen am Boden des
 Bremsflüssigkeitsbehälters austreten.
○Den Hauptbremszylinder durch diesen Pumpvorgang
 vollständig entlüften.
BREMSEN 12-21
Bremsflüssigkeit

• Die Gummikappe vomabnehmen.
  -Hauptbremszylinders
                          Entlüftungsventil des Vorderrad

• Einen transparenten Kunststoffschlauch [A] anEnde Ent-
  lüftungsventil anschließen und das andere
                                                 das
                                                     des
 Schlauchs in einen Behälter halten.




• Die Bremsleitung und den Hauptbremszylinder entlüften.
○Diese Schritte wiederholen, bis keine Luftblasen mehr im
 Kunststoffschlauch zu sehen sind.
 1. Mit dem Bremshebel pumpen, bis er straff reagiert, die
    Bremse anziehen und angezogen halten [A].
 2. Das Entlüftungsventil schnell öffnen und schließen [B],
    dabei die Bremse angezogen halten.
 3. Die Bremse freigeben [C].
                     ANMERKUNG
 ○Während der Entlüftung den Bremsflüssigkeitsstand re-
  gelmäßig prüfen und gegebenenfalls neue Bremsflüs-
  sigkeit auffüllen. Wenn bei der Entlüftung die Flüssig-
  keit im Behälter ganz verbraucht wird, muss die Entlüf-
  tung von Anfang an wiederholt werden, weil dann Luft
  in der Leitung eingeschlossen ist.

• Den transparenten Kunststoffschlauch entfernen.
• Das Entlüftungsventil festziehen und die Gummikappe
  aufsetzen.
 Anzugsmoment -
        Entlüftungsventil       des                  Vorder-
          rad-Hauptbremszylinders:             5,9      N·m
          (0,60 kgf·m)

• Die Gummikappe von dem Entlüftungsventil [A] des
  Bremssattels abnehmen.
• Einen transparenten Kunststoffschlauch [B] Endedem
  Entlüftungsventil anschließen und das andere
                                               an
                                                  des
 Schlauchs in einen Behälter halten.
12-22 BREMSEN
Bremsflüssigkeit

• Die Bremsleitung und den Bremssattel entlüften.mehr im
○Diese Schritte wiederholen, bis keine Luftblasen
 Kunststoffschlauch zu sehen sind.
 1. Mit dem Bremshebel pumpen, bis er straff reagiert, die
    Bremse anziehen und angezogen halten [A].
 2. Das Entlüftungsventil schnell öffnen und schließen [B],
    dabei die Bremse angezogen halten.
 3. Die Bremse freigeben [C].
                     ANMERKUNG
 ○Während der Entlüftung den Bremsflüssigkeitsstand re-
  gelmäßig prüfen und gegebenenfalls neue Bremsflüs-
  sigkeit auffüllen. Wenn bei der Entlüftung die Flüssig-
  keit im Behälter ganz verbraucht wird, muss die Entlüf-
  tung von Anfang an wiederholt werden, weil dann Luft
  in der Leitung eingeschlossen ist.
 ○Den Bremsschlauch leicht vom Bremssattel bis zum
  Behälter abklopfen, um die Entlüftung zu unterstützen.
 ○Vorderradbremse: Zunächst den rechten Bremssat-
  tel entlüften, dann die obigen Schritte für den linken
  Bremssattel wiederholen.

• Den transparenten Kunststoffschlauch entfernen.
• Folgende Teile einbauen:
   Membran [A]
   Membranplatte [B]
   Vorderrad-Bremsflüssigkeitsbehälterdeckel [C]




• Die folgenden Schritte ausführen, um denoder Hinterrad-
  Bremsflüssigkeitsbehälter der Vorderrad-
                                           Deckel für den

 bremse richtig zu schließen.
○Zunächst den Deckel [B] des Bremsflüssigkeitsbehälters
 mit der Hand nach rechts drehen [C], bis ein Widerstand
 spürbar ist. Danach den Deckel eine weitere sechstel
 Umdrehung [D] drehen und dabei den Bremsflüssigkeits-
 behälter [A] festhalten.
BREMSEN 12-23
Bremsflüssigkeit

• Festziehen:
 Anzugsmoment -
        Anschlagschraube        des        Vorderrad
          -Bremsflüssigkeitsbehälterdeckels:     1,2
          N·m (0,12 kgf·m)
• Das Entlüftungsventil festziehen und die Gummikappe
  aufsetzen.
 Anzugsmoment -
        Entlüftungsventil: 7,8 N·m (0,80 kgf·m)
• Den Flüssigkeitsstand prüfen (siehe "Prüfung des Brems-
  flüssigkeitsstandes" im Kapitel "Regelmäßige Wartung").
• Nach der Entlüftung schleifen und es darf keine Brems-
  backen dürfen nicht
                        die Bremskraft prüfen. Die Brems-

 flüssigkeit austreten.
12-24 BREMSEN
Bremsflüssigkeit
                       ACHTUNG
 Bei Arbeiten mit der Scheibenbremse die folgenden
 Vorsichtsmaßnahmen einhalten.
 1. Gebrauchte Bremsflüssigkeit keinesfalls wieder ver-
    wenden.
 2. Niemals Flüssigkeit verwenden, die in offenen oder
    seit längerem unversiegelten Behältern aufbewahrt
    wurde.
 3. Niemals zwei verschiedene Marken und Sorten
    Bremsflüssigkeit in der Bremse mischen. Dadurch
    verringert sich der Siedepunkt der Bremsflüssig-
    keit, und die Wirksamkeit der Bremse kann sich
    verschlechtern. Außerdem können dadurch die
    Gummiteile der Bremse schneller altern.
 4. Den Behälter nach Gebrauch stets sofort schließen,
    um ein schädliches Eindringen von Feuchtigkeit in
    die Flüssigkeit zu vermeiden.
 5. Die Bremsflüssigkeit nicht bei Regen oder bei star-
    kem Wind wechseln.
 6. Die Scheibenbremsbeläge oder Bremsscheiben
    nicht reinigen, die anderen Teile der Bremse mit
    Scheibenbremsflüssigkeit, Isopropanol oder Spiri-
    tus reinigen. Keine andere Flüssigkeit zur Reini-
    gung dieser Teile verwenden. Benzin, Motoröl und
    andere Erdöldestillate führen zur Alterung der Gum-
    miteile. Auf Teile verschüttetes Öl lässt sich nur
    schwer vollständig entfernen und führt zur Alterung
    der Gummiteile der Scheibenbremse.
 7. Beim Umgang mit Scheibenbremsbelägen oder
    Bremsscheiben darauf achten, dass keine Schei-
    benbremsflüssigkeit und keine anderen Öle auf
    diese Teile gelangen. Versehentlich auf die Brems-
    beläge oder Bremsscheibe gelangtes Öl oder
    andere Flüssigkeiten mit einem Lösungsmittel mit
    hohem Flammpunkt entfernen. Keine Lösungsmit-
    tel verwenden, die einen Ölfilm zurücklassen. Die
    Bremsbeläge durch neue Beläge ersetzen, wenn
    eine zufrieden stellende Reinigung nicht möglich ist.
 8. Bremsflüssigkeit zerstört schnell den Lack; Flüssig-
    keitsspritzer sind sofort gründlich abzuwischen.
 9. Wenn eine der Bremsleitungsverschraubungen
    oder das Entlüftungsventil geöffnet wurde, MUSS
    DIE BREMSLEITUNG ENTLÜFTET WERDEN.
BREMSEN 12-25
Bremsschlauch
Ausbau/Einbau des Bremsschlauchs
• Siehe "Wechsel des Bremsschlauchs und der -leitung" im
  Kapitel "Regelmäßige Wartung".
Prüfung des Bremsschlauchs
• Siehe "Prüfung des Bremsschlauchs auf Beschädigung
  und einwandfreie Verlegung" im Kapitel "Regelmäßige
 Wartung".
FEDERUNG 13-1




                                                     Federung
                                               INHALTSVERZEICHNIS
Explosionszeichnung..............................................................................................................         13-2
Technische Daten ...................................................................................................................      13-6
Spezialwerkzeuge ..................................................................................................................       13-7
Vorderradgabel .......................................................................................................................    13-9
   Einstellung der Zugstufendämpfung .................................................................................                    13-9
   Einstellung der Federvorspannung ...................................................................................                   13-9
   Einstellung der Druckdämpfungsstärke ............................................................................                     13-10
   Ausbau der Vorderradgabel (für jedes Gabelbein) ...........................................................                           13-10
   Einbau der Vorderradgabel ...............................................................................................             13-11
   Ölwechsel an der Vorderradgabel.....................................................................................                  13-11
   Zerlegung der Vorderradgabel ..........................................................................................               13-15
   Zusammenbau der Vorderradgabel ..................................................................................                     13-16
   Prüfung des Innenrohrs ....................................................................................................           13-17
   Prüfung der Staubdichtung ...............................................................................................             13-18
   Federspannung.................................................................................................................        13-18
Hinterrad-Stoßdämpfer...........................................................................................................         13-19
   Einstellung der Zugstufendämpfung .................................................................................                   13-19
   Einstellung der Druckdämpfungsstärke ............................................................................                     13-19
   Einstellung der Federvorspannung ...................................................................................                  13-20
   Ausbau des Hinterrad-Stoßdämpfers ...............................................................................                     13-21
   Einbau des Hinterrad-Stoßdämpfers ................................................................................                    13-21
   Prüfung des Hinterrad-Stoßdämpfers ...............................................................................                    13-22
   Verschrottung des Hinterrad-Stoßdämpfers .....................................................................                        13-22
Schwingenachse ....................................................................................................................      13-23
   Ausbau der Schwingenachse ...........................................................................................                 13-23
   Einbau der Schwingenachse ............................................................................................                13-24   13
   Ausbau des Schwingenlagers...........................................................................................                 13-25
   Einbau des Schwingenlagers............................................................................................                13-25
   Prüfung des Schwingenlagers und der Hülse...................................................................                          13-26
   Prüfung der Kettenführung................................................................................................             13-26
Spurstange, Kipphebel ...........................................................................................................        13-27
   Ausbau der Spurstange ....................................................................................................            13-27
   Einbau der Spurstange .....................................................................................................           13-27
   Ausbau des Kipphebels ....................................................................................................            13-27
   Einbau des Kipphebels .....................................................................................................           13-28
   Ausbau der Spurstange und des Kipphebellagers............................................................                             13-29
   Einbau der Spurstange und des Kipphebellagers.............................................................                            13-29
   Kipphebel/Spurstangenlager - Prüfung der Hülse ............................................................                           13-31
   Schmierung des Kipphebelarms/Spurstangenlagers........................................................                                13-31
13-2 FEDERUNG
Explosionszeichnung
FEDERUNG 13-3
Explosionszeichnung

                                                      Anzugsmoment
 Nr.                Verbindungselement                                   Anmerkungen
                                                       N·m   kgf·m
 1     Klemmschrauben der Vorderachse                   20    2,0              AL
 2     Untere Inbusschrauben der Vorderradgabel         35    3,5
 3     Klemmschrauben der Vorderradgabel (unten)        25    2,5              AL
 4     Klemmschrauben der Vorderradgabel (oben)         20    2,0
 5     Steuerkopfverschlussschraube                     35    3,5
 6     Kolbenstangenmuttern                             20    2,0
 AL: Die beiden Klemmschrauben abwechselnd zweimal anziehen, um ein gleichmäßiges Anzugs-
     moment sicherzustellen.
  G: Fett auftragen.
  L: Ein nicht-permanentes Gewindedichtmittel auftragen.
  R: Ersatzteile
13-4 FEDERUNG
Explosionszeichnung
FEDERUNG 13-5
Explosionszeichnung

                                                          Anzugsmoment
Nr.                 Verbindungselement                                     Anmerkungen
                                                           N·m   kgf·m
 1    Halterungsmutter für Hinterrad-Stoßdämpfer            59    6,0
 2    Mutter des Hinterrad-Stoßdämpfers (unten)             34    3,5
 3    Mutter des Hinterrad-Stoßdämpfers (oben)              34    3,5
 4    Schwingenachsen-Einstellhülse                         20    2,0          S
      Sicherungsmutter der Schwingenachsen
 5                                                         98     10           S
      -Einstellhülse
 6    Schwingarmachsmutter                                108     11           S
 7    Muttern der Spurstange                               59     6,0
 8    Uni-Track-Kipphebelmutter                            34     3,5
 G: Fett auftragen.
 L: Ein nicht-permanentes Gewindedichtmittel auftragen.
 R: Ersatzteile
13-6 FEDERUNG
Technische Daten

                 Teil                                       Standard
Vorderradgabel (je Gabelbein)
 Durchmesser des Gabelgleitrohrs      41 mm
 Luftdruck                          Atmosphärischer Luftdruck (nicht einstellbar)
 Einstellung der Zugstufendämpfung  1 1/2 Umdrehungen nach links vom äußersten rechten
                                    Anschlag.
                                    (Nutzbarer Bereich: 0 ←→ 3 1/2 Ausdrehungen)
 Einstellung des Kompressionsdämp- 1 1/2 Umdrehungen nach links vom äußersten rechten
 fers                               Anschlag.
                                    (Nutzbarer Bereich: 0 ←→ 3 Ausdrehungen)
 Einstellung der Gabelfedervorspan- 5 Drehungen nach rechts vom äußersten linken Anschlag
 nung                               (Nutzbarer Bereich: 15 ←→ 0 Drehungen nach rechts)
 Gabelöl:
   Viskosität                       SHOWA SS47 oder gleichwertig SAE 10W
   Menge:
      Bei Ölwechsel                  Ca. 430 ml
      Nach Zerlegung und             505 ±2,5 ml
   vollständiger Trocknung
 Gabelölstand: (voll zusammen-       97 ±2 mm
 gedrückt, ohne Gabelfeder, unter
 Gleitrohroberkante)
 Freie Länge der Gabelfeder          257 mm (Grenzwert: 252 mm)
Hinterrad-Stoßdämpfer
 Einstellung der Zugstufendämpfung   19. Klick, wenn die Einstellung von der Position ganz
                                     rechts erfolgt
                                     (Nutzbarer Bereich: 0 ←→ 25. Klick)
 Einstellung des Kompressionsdämp-
 fers:
   Hohe Drehzahl                   2 1/2 Umdrehungen nach links vom äußersten rechten
                                   Anschlag.
                                   (Nutzbarer Bereich: 0 ←→ 4 Ausdrehungen)
   Niedrige Drehzahl               2 Umdrehungen nach links vom äußersten rechten
                                   Anschlag.
                                   (Nutzbarer Bereich: 0 ←→ 5 Ausdrehungen)
 Einstellung der Federvorspannung:
   Standard                        Federlänge: 180 mm
   Nutzbarer Bereich               Federlänge: 175 ∼ 185 mm
                                   (schwächer oder stärker)
 Gasdruck                          980 kPa (10,0 kgf/cm², nicht einstellbar)
FEDERUNG 13-7
Spezialwerkzeuge
Montagezange für Innensicherungsringe:   Gabelölstand-Messgerät:
57001-143                                57001-1290




Öldichtung & Lagerabzieher:              Gabelkolbenstangenabzieher, M10 × 1,0:
57001-1058                               57001-1298




Lagertreibersatz:                        Gabelfederanschlag:
57001-1129                               57001-1374




Wagenheber:                              Lagerabzieherwelle,   13:
57001-1238                               57001-1377




Gabeldichtringtreiber,   41:             Hakenschlüssel T=3,2 R37:
57001-1288                               57001-1539
13-8 FEDERUNG
Spezialwerkzeuge
Schlüssel für Schwingenachsenmutter:    Distanzstück,   18:
57001-1597                              57001-1636




Stützblöcke:                            Distanzstück,   28:
57001-1608                              57001-1637




Nadellagertreiber,   17/ 18:            Gabelfederkompressor:
57001-1609                              57001-1685




Austreiber für Lenkschaftlager,   28:
57001-1610
FEDERUNG 13-9
Vorderradgabel
Einstellung der Zugstufendämpfung
• Zur Einstellung der Dämpfungsfederhärte, die Einstell-
  schraube [A] für den Stoßdämpfer an der Oberseite des
 rechten vorderen Gabelbeins in die gewünschte Position
 drehen.
○Die Standardeinstellung für einen normalen Fahrer mit
 einem Gewicht von 68 kg ohne Sozius und ohne Zubehör
 liegt bei 1 1/2 Umdrehungen nach links vom äußersten
 rechten Anschlag.


○Die Dämpfungsstärke kann zwischen weich und normal
 geändert werden. Die Dämpfungsstärke kann jedoch
 auch für schnelle Fahrt oder Fahrt mit einem Sozius
 härter eingestellt werden. Wenn die Federdämpfung zu
 weich oder zu hart eingestellt ist, diese entsprechend der
 folgenden Tabelle ändern.
Einstellung der Zugstufendämpfung
Einstellerpo-    Dämp-                               Fahr-
                             Einstellung    Last               Geschwindigkeit
   sition       fungskraft                           bahn
 3 1/2 Aus-
                 Niedrig       Weich       Leicht     Gut          Niedrig
 drehungen
     ↑              ↑             ↑          ↑         ↑              ↑
     ↓              ↓             ↓          ↓         ↓              ↓
     0            Hoch          Hart       Schwer   Schlecht        Hoch


Einstellung der Federvorspannung
• Dendie Federvorspannung zu ändern. [A] verdrehen,
  um
      Einsteller für die Federvorspannung

○Die Standardeinstellung für einen normalen Fahrer mit
 einem Gewicht von 68 kg ohne Sozius und ohne Zube-
 hör liegt bei 5 Umdrehungen nach links vom äußersten
 rechten Anschlag.
                                  ACHTUNG
 Falls beide Einsteller ungleichmäßig eingestellt
 sind, leidet die Fahrstabilität und es können ge-
 fährlichen Situationen resultieren.

○Die Federvorspannung kann für einen durchschnittlichen
 Fahrer weich eingestellt bleiben. Die Dämpfungsstärke
 kann jedoch auch für schnelle Fahrt oder Fahrt mit ei-
 nem Sozius härter eingestellt werden. Wenn die Feder
 zu weich oder zu hart eingestellt ist, diese entsprechend
 den Angaben in der folgenden Tabelle ändern.
Federwirkung
 Einsteller-     Dämp-                               Fahr-
                             Einstellung    Last               Geschwindigkeit
  position      fungskraft                           bahn
 15 Ausdre-      Niedrig       Weich       Leicht     Gut          Niedrig
  hungen
     ↑              ↑            ↑           ↑         ↑             ↑
     ↓              ↓            ↓           ↓         ↓             ↓
     0            Hoch          Hart       Schwer   Schlecht        Hoch
13-10 FEDERUNG
Vorderradgabel
Einstellung der Druckdämpfungsstärke
• Zurdie Druckdämpfung [A] verdrehen, bis ein Klicken zu
  für
      Einstellung der Druckdämpfungsstärke den Einsteller

 hören ist.
○Die Standardeinstellung für einen normalen Fahrer mit
 einem Gewicht von 68 kg ohne Sozius und ohne Zubehör
 liegt bei 1 1/2 Umdrehungen nach links vom äußersten
 rechten Anschlag.
                                 ACHTUNG
 Falls beide Einsteller ungleichmäßig eingestellt
 sind, leidet die Fahrstabilität und es können ge-
 fährlichen Situationen resultieren.

○Die Dämpfungsstärke kann zwischen weich und normal
 geändert werden. Die Dämpfungsstärke kann jedoch
 auch für schnelle Fahrt oder Fahrt mit einem Sozius
 härter eingestellt werden. Wenn die Federdämpfung zu
 weich oder zu hart eingestellt ist, diese entsprechend der
 folgenden Tabelle ändern.
Einstellung der Druckdämpfungsstärke
 Einsteller-    Dämp-                               Fahr-
                            Einstellung    Last               Geschwindigkeit
  position     fungskraft                           bahn
 3 Ausdre-
                Niedrig       Weich       Leicht     Gut          Niedrig
  hungen
     ↑             ↑            ↑           ↑         ↑             ↑
     ↓             ↓            ↓           ↓         ↓             ↓
     0           Hoch          Hart       Schwer   Schlecht        Hoch


Ausbau der Vorderradgabel (für jedes Gabelbein)
• Ausbauen:
   Mittlere Verkleidung (siehe "Ausbau der mittleren Ver-
   kleidung" im Kapitel "Rahmen")
   Obere Innenverkleidung (siehe "Ausbau der oberen In-
   nenverkleidung" im Kapitel "Rahmen")
   Vorderrad (siehe "Ausbau des Vorderrades" im Kapitel
   "Räder/Reifen")
   Vorderes Schutzblech (siehe "Ausbau des vorderen
   Schutzbleches" im Kapitel "Rahmen")
 Lenkerschraube [A], obere Gabelklemmschraube [B] und
 Steuerkopfverschlussschraube [C] vor dem Ausbau des
 Gabelholms lockern.
                              ANMERKUNG
 ○Die    Lenkerschraube und die obere Gabelklemm-
    schraube lockern, dann die Steuerkopfverschluss-
    schraube lockern.
FEDERUNG 13-11
Vorderradgabel

• Lenkerschraube, obere Gabelklemmschraube und untere
  Gabelklemmschrauben [A] lockern.
• Den Gabelholm verdrehen und dabei nach unten heraus-
  ziehen.




Einbau der Vorderradgabel
• Die Gabel so einbauen, dass ihr oberes Ende [A] gemäß
  Abbildung as dem Außenrohr hervorsteht.
     8,5 mm [B]
•   Die unteren Gabel-Klemmschrauben und Steuerkopfver-
    schlussschraube festziehen.
    Anzugsmoment -
           Klemmschrauben der Vorderradgabel (unten):
              25 N·m (2,5 kgf·m)
           Oberer Stopfen der Vorderradgabel: 35 N·m (3,5
              kgf·m)
• Lenkerschraube und obere Gabelklemmschraube fest-
  ziehen.
    Anzugsmoment -
           Lenkerschraube: 25 N·m (2,5 kgf·m)
           Klemmschraube der Vorderradgabel (oben): 20
              N·m (2,0 kgf·m)

                      ANMERKUNG
    ○Die beiden Klemmschrauben abwechselnd zweimal an-
     ziehen, um ein gleichmäßiges Anzugsmoment sicher-
     zustellen.
    ○Die Lenkerschraube und die obere Gabelklemm-
     schraube festziehen, dann die Steuerkopfverschluss-
     schraube festziehen.

• Die ausgebauten Teile einbauen (siehe entsprechende
  Kapitel).
• Die Federvorspannung und die Dämpfungskraft einstel-
  len.
Ölwechsel an der Vorderradgabel
• Die Vorderradgabel ausbauen (siehe "Ausbau der Vor-
  derradgabel").
• Das untere Ende des Innenrohres in einen Schraubstock
  einspannen.
• Die Steuerkopfverschlussschraube [A] aus dem Außen-
  rohr schrauben.
13-12 FEDERUNG
Vorderradgabel

• Den Gabelfederkompressor gemäß Abbildung einbauen.
                        ANMERKUNG
    ○Den  Gabelfederkompressor so einbauen, dass das
     Ende des Griffs [A] über der oberen Bohrung im Dis-
     tanzstück [B] liegt, indem der Griff bis zum Anschlag in
     den Halter [C] eingeschraubt wird.
    Spezialwerkzeug -
             Gabelfederkompressor: 57001-1685


• Die Steuerkopfverschlussschraube [A] durch einen Helfer
  halten lassen und den Gabelfederkompressor nach unten
    drücken [B] sowie den Gabelfederanschlag [C] zwischen
    Kolbenstangenmutter [D] und Hülse [E] einführen.
    Spezialwerkzeug -
             Gabelfederanschlag: 57001-1374




• Den Einsteller für die[B] festhalten und die[A] mit einem
  Schraubenschlüssel
                          Federvorspannung
                                                Kolbenstan-
    genmutter [C] lockern.
•   Die Steuerkopfverschlussschraube [D] mit der Einstell-
    stange der Zugstufendämpfung aus der Kolbenstange
    herausdrehen.




• Ausbauen:[A]
   Dämpfer
     Distanzstück [B]
     Federgelenk [C]
     Gabelfeder [D]




• DasKolbenstange [B] geeigneten Behälter ablassen. und
○Die
     Gabelöl in einen
                      mindestens zehnmal aufwärts
    abwärts bewegen, um das Öl aus der Gabel zu verdrän-
    gen.
    Spezialwerkzeug -
             Gabelkolbenstangenabzieher, M10 × 1,0 [A]:
                57001-1298
FEDERUNG 13-13
Vorderradgabel

• Das die Kolbenstange ganzhalten untendas Innenrohr [A]
  und
       Gabelrohr senkrecht
                            nach
                                  und
                                        drücken.
• einfüllen.
  Die vorgegebene Gabelölmenge der richtigen Ölsorte

 Gabelöl
   Viskosi-
              SHOWA SS47 oder gleichwertig SAE 10W
   tät:
    Füllmenge (pro Seite):
      Bei Ölwechsel: Ca. 430 ml
     Nach Zerlegung und vollständiger Trocknung:
      505 ±2,5 ml (17,1 ±.)

 Gegebenenfalls den Ölstand wie folgt bestimmen.
○Das Innenrohr senkrecht in einen Schraubstock einspan-
 nen.
○Das Innenrohr mehrmals pumpen, um Luftblasen zu ent-
 fernen.
○Die Kolbenstange [B] mit dem Kolbenstangenabzieher [A]
 mindestens zehnmal auf- und abbewegen, um Luft aus
 dem Gabelöl zu pumpen.
 Spezialwerkzeug -
          Gabelkolbenstangenabzieher, M10 × 1,0: 57001
             -1298
○Den Kolbenstangenabzieher entfernen.
○Warten, bis der Ölstand ablesbar ist.
○Bei vollständig eingefederter Gabel und ganz hineinge-
 drückter Kolbenstange ein Messband oder einen Mess-
 stab in das Innenrohr einführen und den Abstand zwi-
 schen Außenrohr-Oberkante und Öl messen.

 Ölstand (voll zusammengedrückt, ohne Feder)
   Standard: 97 ±2 mm
              (von Außenrohr-Oberkante gemessen)

                     ANMERKUNG
 ○Der Gabelölstand kann auch mit dem Gabelölstands-
   anzeige bestimmt werden.
 Spezialwerkzeug -
          Gabelölstand-Messgerät [A]: 57001-1290
○Bei voll eingefederter Gabel (ohne Gabelfeder) das Mess-
 rohr in das Innenrohr [B] einführen und den Anschlag des
 Messrohrs quer über der Oberkante des Außenrohrs [C]
 positionieren.
○Den Anschlag [D] so auf dem Messrohr verschieben,
 dass der Abstand zwischen Öl und Anschlag-Unterseite
 dem vorgegebenen Ölstand [E] entspricht.
○Den Griff des Messgeräts langsam betätigen, um das
 überschüssige Öl abzupumpen, bis kein Öl mehr austritt.
 Wenn kein Öl gefördert wird, befindet sich im Innenrohr
 zu wenig Öl. Das Öl auffüllen und dann eventuell über-
 schüssiges Öl, wie oben dargestellt, abpumpen.
13-14 FEDERUNG
Vorderradgabel

• Dieschrauben. [A] vollständig auf die Kolbenstange
  [B]
      Stangenmutter




• Den Gabelkolbenstangenabzieher [A] auf das Kolben-
  stangenende schrauben.
 Spezialwerkzeug -
          Gabelkolbenstangenabzieher, M10 × 1,0: 57001
             -1298
• Den Gabelkolbenstangenabzieher nach oben bis über die
  Oberkante des Außenrohrs ziehen.
• Folgende Teile einbauen:
   Gabelfeder [B]
• Federgelenk [C]
  Die folgenden Teile in das Innenrohr einbauen.

  Distanzstück [D]
  Dämpfer [E]

• Den Abstanddie Federvorspannung [B] und Oberkante
  schraube für
               zwischen Oberkante [A] der Einstell-

 der Einstellstange der Zugstufendämpfung [C] einstellen.
  1,5 mm [D]




• Den Gabelfederkompressor auf das Distanzstück [A] set-
  zen.
 Spezialwerkzeug -
          Gabelfederkompressor: 57001-1685

                     ANMERKUNG
 ○Den   Gabelfederkompressor so einbauen, dass das
   Ende des Griffs [B] über der oberen Bohrung im Dis-
   tanzstück liegt, indem der Griff bis zum Anschlag in
   den Halter [C] eingeschraubt wird.
FEDERUNG 13-15
Vorderradgabel

• Denlassen und den Gabelfederkompressor nach unten
  ten
      Kolbenstangenabzieher [A] durch einen Helfer hal-

    drücken [B] sowie den Gabelfederanschlag [C] zwischen
    Kolbenstangenmutter [D] und Hülse [E] einführen.
    Spezialwerkzeug -
             Gabelkolbenstangenabzieher, M10 × 1,0: 57001
                -1298
             Gabelfederanschlag: 57001-1374
• Den Kolbenstangenabzieher entfernen.
• Den O-Ring der Steuerkopfverschlussschraube erneu-
  ern.
• Den Einsteller der Zugstufendämpfung [A] in die Bohrun-
       O-Ring einfetten.
• gen in der Kolbenstange einführen.
  Den

• Den oberen Stopfen [B] auf die Kolbenstange schrauben.


• Den Einsteller für die[B] festhalten und die[A] mit einem
  Schraubenschlüssel
                          Federvorspannung
                                                Kolbenstan-
    genmutter [C] festziehen.
    Anzugsmoment -
           Kolbenstangenmuttern: 20 N·m (2,0 kgf·m)




• Die Steuerkopfverschlussschraube [A] durch einen Helfer
  halten lassen und den Gabelfederkompressor nach unten
    drücken [B] sowie den Gabelfederanschlag [C] herauszie-
    hen.
•   Den Gabelfederkompressor ausbauen.
•   Das Außenrohr anheben und die Steuerkopfverschluss-
    schraube daran festschrauben.
•   Die Vorderradgabel einbauen (siehe "Einbau der Vorder-
    radgabel").

Zerlegung der Vorderradgabel
• Die Vorderradgabel ausbauen (siehe "Ausbau der Vor-
  derradgabel").
• Das Gabelbein in einen(siehe "Wechsel[A] einspannen.
       Gabelöl ablassen                 des Gabelöls").
• Die Inbusschraube [B] herausdrehen, dann Schraube
  Das                     Schraubstock
• und Dichtung an der Unterseite des Innenrohrs entfer-
    nen.
13-16 FEDERUNG
Vorderradgabel

• DenZylinderbaugruppe nicht zerlegen.
○Die
      Zylinder [A] herausnehmen.




• DasStaubdichtung [A] nach oben schieben.
○Die
     Innenrohr vom Außenrohr wie folgt trennen.

○Den Haltering [B] vom Außenrohr abnehmen.




○Das Innenrohr [A] mit der Hand festhalten, und das Au-
    ßenrohr [B] mehrere Male ziehen, um das Außenrohr he-
    rauszuziehen.




• Die Buchse des Innenrohrs [A], die Führungsbuchse [B]
  des Außenrohrs, die Unterlegscheibe [C], die Öldichtung
    [D] aus dem Innenrohr herausziehen.




Zusammenbau der Vorderradgabel
• Folgende Teile durch neue Teile ersetzen.
   Öldichtung [A]
     Führungsbuchse für das Außenrohr [B]
     Führungsbuchse für das Innenrohr [C]
     Dichtung der unteren Inbusschraube [D]
     Staubschutzdichtung [E]
     Haltering [F]
•   Die folgenden Teile in das Innenrohr einbauen.
     Staubdichtung
     Befestigungsring
     Öldichtung
     Unterlegscheibe [G]
     Führungsbuchse für das Außenrohr
     Führungsbuchse für das Innenrohr
FEDERUNG 13-17
Vorderradgabel

• Das neue Führungsbuchse für das Außenrohr [A] in das
      Innenrohr in das Außenrohr einschieben.
• Außenrohr einsetzen.
  Die

                      ANMERKUNG
 ○Beim  Zusammenbau der neuen Führungsbuchse für
   das Außenrohr die Unterlegscheibe [B] gegen die neue
   Führungsbuchse für das Außenrohr halten und mit dem
   Gabel-Öldichtungstreiber [C] anklopfen, bis sie aufsitzt.
 Spezialwerkzeug -
          Gabel-Öldichtungstreiber,    41: 57001-1288

• Die Öldichtung [A] einbauen.
 Spezialwerkzeug -
          Gabel-Öldichtungstreiber,    41 [B]: 57001-1288
• Befestigungsring und Staubdichtung in das Außenrohr
  einbauen.




• Die Vorderradgabel[A] einen Schraubstock spannen.
      Zylindereinheit    in das Innenrohr [B] einsetzen.
• Festziehen:
  Die                 in
•
 Anzugsmoment -
        Untere Inbusschraube der Vorderradgabel: 35
          N·m (3,5 kgf·m)
• Die richtige Ölsorte auffüllen (siehe "Wechsel des Gabe-
  löls").


Prüfung des Innenrohrs
• Das Innenrohr [A] visuell überprüfen undkönnen scharfe
                                           ggf. reparieren.
• Bei Einkerbungen oder Stellen, welche die Dichtung
  Kanten oder erhabene
                             Rostschäden

 beschädigen, manchmal mit einem Schleifstein entfernt
 werden.
 Lässt sich der Schaden nicht reparieren, das Innenrohr
 ersetzen. Da bei Schäden an dem Innenrohr die Öldich-
 tung beschädigt wird, die Öldichtung immer ersetzen,
 wenn das Innenrohr ausgetauscht oder repariert wird.
13-18 FEDERUNG
Vorderradgabel
                        VORSICHT
    Ein stark verbogenes oder gerissenes Innenrohr
    muss ersetzt werden.       Starke Biegebeanspru-
    chungen mit nachfolgendem Richten können die
    Festigkeit des Innenrohrs beeinträchtigen.

• Das Außen-Pumpbewegungen ausführen, um die Leicht-
  und einige
             und Innenrohr provisorisch zusammenbauen

    gängigkeit zu prüfen.
•   Wenn die Gängigkeit nicht einwandfrei ist, müssen das
    Innenrohr und das Außenrohr ersetzt werden.
                         ACHTUNG
    Ein gerichtetes inneres oder äußeres Gabelrohr
    kann während des Einsatzes ausfallen und so
    einen Unfall verursachen. Stark verbogene oder
    beschädigte Innen- oder Außenrohre austauschen
    und das andere Rohr vor der weiteren Verwendung
    sorgfältig prüfen.

Prüfung der Staubdichtung
• Die Staubdichtungen [A] auf Anzeichen von Verschleiß
  oder Beschädigungen kontrollieren.
    Ggf. ersetzen.




Federspannung
• Da eine Feder sich derwird, wenn dieanhand der freien
  nachlässt, lässt
                   kürzer
                          Federzustand
                                       Federspannung

    Länge [A] kontrollieren.
    Falls die Feder eines Gabelbeins den Grenzwert unter-
    schreitet, muss sie erneuert werden. Unterscheidet sich
    die Länge der Ersatzfeder und der anderen Feder erheb-
    lich, muss auch die andere Feder ersetzt werden, damit
    die Gabelbeine ausgeglichen sind und das Motorrad sta-
    bil fährt.
    Freie Federlänge
      Standard:      257 mm
      Grenzwert:     252 mm
FEDERUNG 13-19
Hinterrad-Stoßdämpfer
Einstellung der Zugstufendämpfung
• Zur Einstellung [A] in die gewünschte Position drehen, bis
  fungseinsteller
                   der Stoßdämpferkraft den unteren Dämp-

 ein Klicken zu hören ist.
○Die Standardeinstellung des Einstellers für einen durch-
 schnittlichen Fahrer mit einem Gewicht von 68 kg ohne
 Sozius und Zubehör ist nach dem 19. Klick erreicht,
 wenn die Einstellung von der Position ganz rechts erfolgt.
Einstellung der Zugstufendämpfung
 Einsteller-    Dämp-
                            Einstellung    Last    Fahrbahn Geschwindigkeit
  position     fungskraft
     25         Niedrig       Weich       Leicht     Gut        Niedrig
     ↑             ↑            ↑           ↑         ↑            ↑
     ↓             ↓            ↓           ↓         ↓            ↓
     0           Hoch          Hart       Schwer   Schlecht      Hoch




Einstellung der Druckdämpfungsstärke
  Es gibt zwei Einstellungen für den Gasbehälter der Hin-
terrad-Stoßdämpfer.
    Einsteller des Kompressionsdämpfers für hohe Ge-
    schwindigkeit [A]
    Einsteller des Kompressionsdämpfers für niedrige Ge-
    schwindigkeit [B]




• Den Kompressionsdämpfer fürEinsteller Geschwindigkeit
  einstellen, indem der obere
                              niedrige
                                        des Kompressi-
 onsdämpfers mit einem Schlitzschraubendreher gedreht
 wird, bis ein Klick spürbar ist.
○Die Standardeinstellung für einen normalen Fahrer mit
 einem Gewicht von 68 kg ohne Sozius und ohne Zube-
 hör liegt bei 2 Umdrehungen nach links vom äußersten
 rechten Anschlag.
                              ANMERKUNG
 ○Das Verstellen des Einstellers der Zugstufendämpfung
    für die Hinterrad-Federung beeinflusst auch leicht die
    Druckstufendämpfung. Die Einstellung der Druckstu-
    fendämpfung immer in kleinen Schritten vornehmen.
13-20 FEDERUNG
Hinterrad-Stoßdämpfer

• Den KompressionsdämpferEinsteller des Kompressions-
  einstellen, indem der obere
                              für hohe Geschwindigkeit

 dämpfers mit einem Schraubenschlüssel 14 mm gedreht
 wird, bis ein Klick spürbar ist.
○Die Standardeinstellung für einen normalen Fahrer mit
 einem Gewicht von 68 kg ohne Sozius und ohne Zubehör
 liegt bei 2 1/2 Umdrehungen nach links vom äußersten
 rechten Anschlag.
                      ANMERKUNG
 ○Das Verstellen des Einstellers der Zugstufendämpfung
  für die Hinterrad-Federung beeinflusst auch leicht die
  Druckstufendämpfung. Die Einstellung der Druckstu-
  fendämpfung immer in kleinen Schritten vornehmen.
Einstellung der Federvorspannung
• Die Sicherungsmutter lockern und die Einstellmutter dre-
  hen, um die Feder freizugeben.
 Spezialwerkzeug -
          Hakenschlüssel T=3,2 R37: 57001-1539

• Zum Einstellen der Federvorspannung die Einstellmut-
  ter [A] in die gewünschte Position drehen und die Siche-
 rungsmutter [B] festziehen.
  Federlänge [C]
 Einstellung der Federvorspannung
   Standard:        Federlänge 180 mm
    Nutzbarer        Federlänge 175 ∼ 185 mm
    Bereich:
○Die Standardeinstellung für die Einstellmutter beträgt für
 einen Fahrer mit Normalgröße und einem Gewicht von 68
 kg ohne Sozius und ohne Zubehör 180 mm.

• Die Schrauben der und den linken Fußschutz [B] ab-
  bauen, damit
                [A]
                     Hakenschlüssel leicht angesetzt
 werden kann.
FEDERUNG 13-21
Hinterrad-Stoßdämpfer

• Zum Einstellen der Position drehen unddie Einstellmutter
  in die gewünschte
                     Federvorspannung
                                         die Sicherungs-
    mutter mit den Hakenschlüsseln [A] festziehen, wobei der
    Hinterrad-Stoßdämpfer am Rahmen angebaut sein muss.
    Spezialwerkzeuge -
             Hakenschlüssel T=3,2 R37: 57001-1539
    Wenn die Feder zu weich oder zu hart eingestellt ist, die
    Einstellung ändern.
Einstellung der Feder
    Einsteller-    Dämp-                               Fahr-
                               Einstellung    Last               Geschwindigkeit
     position     fungskraft                           bahn
    175 mm         Niedrig       Weich       Leicht     Gut          Niedrig
        ↑             ↑            ↑           ↑         ↑             ↑
        ↓             ↓            ↓           ↓         ↓             ↓
    185 mm          Hoch          Hart       Schwer   Schlecht        Hoch


Ausbau des Hinterrad-Stoßdämpfers
• Ausbauen:
   Untere Verkleidung (siehe "Ausbau der unteren Verklei-
     dung" im Kapitel "Rahmen")
     Vorderes Auspuffrohr (siehe "Ausbau des vorderen Aus-
     puffrohrs" im Kapitel "Motoroberseite")
•   Mit dem Wagenheber das Hinterrad aufbocken.
    Spezialwerkzeuge -
             Wagenheber: 57001-1238
             Stützblöcke: 57001-1608
• Denfixieren. langsam drücken und mit einem Band
  [A]
       Bremshebel

                                    ACHTUNG
    Die Vorderradbremse beim Ausbau des Stoßdämp-
    fers festhalten, sonst kippt das Motorrad um. Da-
    durch kann es zu Unfällen und Verletzungen kom-
    men.

• Ausbauen: Schraube des unteren Stoßdämpfers [A]
   Mutter und
     Mutter und Schraube der oberen Spurstange [B]
     Mutter und Schraube des oberen Stoßdämpfers [C]
•   Den Stoßdämpfer nach unten ausbauen.




Einbau des Hinterrad-Stoßdämpfers
• Den Hinterrad-Stoßdämpfer bei angehobenem Hinterrad
  einbauen.
• Festziehen:
    Anzugsmoment -
           Muttern des Hinterrad-Stoßdämpfers: 34 N·m
             (3,5 kgf·m)
           Muttern der Spurstange: 59 N·m (6,0 kgf·m)
13-22 FEDERUNG
Hinterrad-Stoßdämpfer
Prüfung des Hinterrad-Stoßdämpfers
• Den Hinterrad-Stoßdämpfers").
  des
       Hinterrad-Stoßdämpfer ausbauen (siehe "Ausbau

• Folgendes visuellHub
   Leichtgängiger
                    prüfen:

     Ölaustritt
     Risse oder Einkerbung
    Wenn der Hinterrad-Stoßdämpfer in irgendeiner Weise
    beschädigt ist, diesen austauschen.
•   Die Buchse einer Sichtprüfung unterziehen.
    Wenn die Buchse beim Anzeichen einer Beschädigung
    aufweist, die Buchse austauschen.
Verschrottung des Hinterrad-Stoßdämpfers
                        ACHTUNG
    Da der Gastank des Hinterrad-Stoßdämpfers Stick-
    stoffgas enthält, den Gastank nicht ins Feuer wer-
    fen, sonst kann das Gas austreten und der Gastank
    explodieren.

• Den Ventildeckel [A] ausbauenentweichen lassen. voll-
  ständig aus dem Gasbehälter
                               und das Stickstoffgas

• Das Ventil [B] lösen.
                        ACHTUNG
    Da das Gas unter hohem Druck steht, stellt es eine
    Gefahrenquelle dar, und das Ventil darf nicht auf
    Körper oder Gesicht gerichtet sein.
FEDERUNG 13-23
Schwingenachse
Ausbau der Schwingenachse
• Ausbauen: (siehe "Ausbau des Hinterrades" im Kapitel
   Hinterrad
     "Räder/Reifen")
     Motorkettenradabdeckung (siehe "Ausbau des Motor-
     kettenrads" im Kapitel "Achsantrieb")
     Schraube [A]
     Bremsschlauchschelle [B]
     Bremspedal (siehe "Ausbau des Bremspedals" im Kapi-
     tel "Bremsen")
     Hinteres Auspuffrohr (siehe "Ausbau des hinteren Aus-
     puffrohrs" im Kapitel "Motoroberseite")
     Antriebskette (siehe "Ausbau der Antriebskette" im Ka-
     pitel "Achsantrieb")

• Ausbauen: Schraube der oberen Spurstange [A]
   Mutter und
     Hinterrad-Stoßdämpfer [B] (siehe "Ausbau des Hinter-
     rad-Stoßdämpfers")




• Die Sicherungsmutter der Schwingarmachse [A] lösen.




• Diemit dem Mutternschlüssel [B] herausdrehen.
  [A]
      Sicherungsmutter der Schwingachsen-Einstellhülse

    Spezialwerkzeug -
             Schlüssel für Schwingenachsenmutter: 57001
                -1597
• Die Schwingarmachse [C] ein paar Umdrehungen her-
  ausdrehen.
○Die Schwingarmachsen-Einstellhülse [D] nach links dre-
    hen.
•   Die rechte Seite der Schwenkachse aus dem Motorrad
    herausziehen und die Schwinge abnehmen.
13-24 FEDERUNG
Schwingenachse
Einbau der Schwingenachse
• Die Lippe [A] der Fettdichtungen reichlich einfetten.




• Die Einstellhülse [A]die Kontaktfläche [C] der Schwingen-
  dass sie nicht über
                        so in den Rahmen [B] einschrauben,

 achse heraussteht.




• Die Unterlegscheibe [A] zwischen dem am Rahmen ein-
  Schwingenachse und der Kontaktfläche
                                       linken Ende der

 legen.




• Die Schwenkachse [A] von der rechten Seite in den Rah-
  men einsetzen.
• Die Schwenkachse sound dem KugellagerSpiel0zwischen
  der Einstellhülse [B]
                        anziehen, dass das
                                           [C] mm [D]
 beträgt.
 Anzugsmoment -
        Schwingenachsen-Einstellhülse:         20 N·m (2,0
          kgf·m)



• Die Sicherungsmutter der Einstellhülse [A] mit dem
  Schwingenachsen-Mutternschlüssel [B] herausdrehen.
 Spezialwerkzeug -
          Schlüssel für Schwingenachsenmutter: 57001
             -1597
 Anzugsmoment -
        Sicherungsmutter       der    Schwingenachsen
           -Einstellhülse: 98 N·m (10 kgf·m)
FEDERUNG 13-25
Schwingenachse

• Die Schwingenachsenmutter [A] festziehen.
 Anzugsmoment -
        Mutter der Schwingenarmachse: 108 N·m (11
          kgf·m)
• Die ausgebauten Teile einbauen (siehe entsprechende
  Kapitel).




Ausbau des Schwingenlagers
• Ausbauen:
   Schwingenachse (siehe "Ausbau der Schwingenachse")
   Unterlegscheibe [A]
   Fettdichtungen [B]
   Hülse [C]
   Sicherungsring [D] (rechts)
 Spezialwerkzeug -
          Montagezange für Innensicherungsringe: 57001
             -143

• Das Kugellager und das Nadellager ausbauen.
 Spezialwerkzeug -
          Öldichtung & Lagerabzieher [A]: 57001-1058




Einbau des Schwingenlagers
• Die Kugel- und Nadellager mit den Herstellermarken nach
      Kugel- und Nadellager [A] erneuern.
• Die einsetzen.
  außen
 Spezialwerkzeuge -
          Lagertreibersatz: 57001-1129
          Nadellagertreiber, 28 [B]: 57001-1610
          Distanzstück, 28: 57001-1637
13-26 FEDERUNG
Schwingenachse

• Die wie in der AbbildungKugellager [B] und Öldichtungen
  [C]
      Nadellager [A], das
                          gezeigt einsetzen.
     Sicherungsring [D]
     32,5 mm [E]
     0,5 mm [F]
     1 mm [G]
     5 mm [H]




Prüfung des Schwingenlagers und der Hülse
                          VORSICHT
    Die Lager zur Prüfung nicht ausbauen. Beim Aus-
    bau werden die Lager beschädigt.

• Die in der Schwingenachse eingebauten Nadellager [A]
  und das Kugellager überprüfen.
○Die Rollen und Kugeln in einem Lager weisen normaler-
    weise nur geringen Verschleiß auf, der sich nur schwer
    bestimmen lässt. Anstelle einer Messung das Lager vi-
    suell auf Abrieb, Verfärbung oder andere Schäden kon-
    trollieren.
    Wenn das Nadellager und die Hülse [B] Zeichen für anor-
    malen Verschleiß aufweisen, verfärbt oder beschädigt
    sind, diese Teile im Satz ersetzen.

• Die Lager inund dabei auf freies Spiel, Klemmstellen oder
  drehen [A]
               der Schwingenachse vorwärts und rückwärts

    Schwergängigkeit kontrollieren.
    Wird ein zu hohes Lagerspiel, Schwergängigkeit oder
    eine Klemmstelle festgestellt, das Lager austauschen.
•   Die Lagerdichtung des rechten Kugellagers auf Ver-
    schleiß und Undichtheit prüfen.
    Ist die Dichtung verschlissen oder undicht, das Lager er-
    setzen.

Prüfung der Kettenführung
• Siehe "Prüfung der Kettenführung auf Verschleiß" im Ka-
  pitel "Regelmäßige Wartung".
FEDERUNG 13-27
Spurstange, Kipphebel
Ausbau der Spurstange
• Ausbauen:
   Untere Verkleidung (siehe "Ausbau der unteren Verklei-
     dung" im Kapitel "Rahmen")
     Vorderes Auspuffrohr (siehe "Ausbau des vorderen Aus-
     puffrohrs" im Kapitel "Motoroberseite")
•   Den Bremshebel langsam drücken und mit einem Band
    [A] fixieren.



• Mit dem Wagenheber das Hinterrad aufbocken.
    Spezialwerkzeuge -
             Wagenheber: 57001-1238
             Stützblöcke: 57001-1608
• Ausbauen: und Mutter der oberen Spurstange [A]
   Schraube
     Schraube und Mutter der unteren Spurstange [B]
     Spurstangen [C]


Einbau der Spurstange
• Die Innenseite derso einbauen, dass die markierte Seite
                     Fettdichtungen einfetten.
• [A] nach außen zeigt.
  Die Spurstangen

• Festziehen:
    Anzugsmoment -
           Muttern der Spurstange: 59 N·m (6,0 kgf·m)




Ausbau des Kipphebels
• Ausbauen:
   Untere Verkleidung (siehe "Ausbau der unteren Verklei-
     dung" im Kapitel "Rahmen")
•   Den Bremshebel langsam drücken und mit einem Band
    [A] fixieren.




• Ausbauen:Auspuffrohr (siehe "Ausbau des vorderen Aus-
   Vorderes
     puffrohrs" im Kapitel "Motoroberseite")
•   Zunächst folgende Muttern ausbauen.
     [A] Mutter des unteren Hinterrad-Stoßdämpfers
     [B] Untere Spurstangenmutter
     [C] Kipphebelmutter
13-28 FEDERUNG
Spurstange, Kipphebel

• Mit dem Wagenheber das Hinterrad aufbocken.
 Spezialwerkzeuge -
          Wagenheber [A]: 57001-1238
          Stützblöcke [B]: 57001-1608




• Ausbauen:
   Untere Schraube des Hinterrad-Stoßdämpfers [A]
   Untere Schraube der Spurstange [B]
   Kipphebelschraube [C]
   Kipphebel [D]




Einbau des Kipphebels
• Die Innenseite der Fettdichtungen einfetten.
• Festziehen:
 Anzugsmoment -
        Uni-Track-Kipphebelmutter: 34 N·m (3,5 kgf·m)
        Muttern der Spurstange: 59 N·m (6,0 kgf·m)
        Mutter des Hinterrad-Stoßdämpfers (unten): 34
          N·m (3,5 kgf·m)
FEDERUNG 13-29
Spurstange, Kipphebel
Ausbau der Spurstange und des Kipphebellagers
• Ausbauen: (siehe "Ausbau der Spurstange" in diesem
   Spurstangen
  Kapitel)
  Kipphebel (siehe "Ausbau des Kipphebels" in diesem
  Kapitel)
  Hülsen [A]
  Fettdichtung [B]
  Schwingenachse [C]
  Nadellager [D]




○Zum Ausbau der Nadellager [A] die Lager gleichmäßig
 mit der Lagerabzieherwelle [B] beklopfen.
 Spezialwerkzeug -
          Lagerabzieherwelle,   13: 57001-1377




Einbau der Spurstange und des Kipphebellagers
• Die Nadellager und die Öldichtungen durch neue erset-
  zen.
• Die Lippen der Öldichtungen reichlich einfetten.
• Die Nadellager und Öldichtungen wie in der Abbildung
  gezeigt einsetzen.
13-30 FEDERUNG
Spurstange, Kipphebel
○Den Nadellagertreiber [A] in den Lagertreiberhalter [B]
 einschrauben.
○Den Nadellagertreiber in das Nadellager [C] einsetzen
 und das Nadellager in das Lagergehäuse drücken, bis der
 Lagertreiber das Gehäuseende berührt.
  Lager-Einpresstiefe: 5,5 mm [D]
  5,0 mm [E]
                     ANMERKUNG
 ○Bei  einem Lager-Innendurchmesser von 18 dieje-
   nige Seite des Nadellagertreibers wählen, die der
   Einpresstiefe entspricht.
 Spezialwerkzeuge -
          Lagertreibersatz: 57001-1129
          Nadellagertreiber, 17/ 18: 57001-1609
          Distanzstück, 18 [F]: 57001-1636

                     ANMERKUNG
 ○Die Nadellager so montieren, dass die markierten Sei-
   ten nach außen zeigen.
  Nadellager [A]
  Öldichtungen [B]
  Vorn [C]
  Rechte Seite [D]
  Linke Seite [E]
  Hinterrad-Stoßdämpfer [F]
  Spurstangen [G]
  Kipphebel [H]
  7,5 mm [I]
  5,0 mm [J]
  5,5 mm [K]
FEDERUNG 13-31
Spurstange, Kipphebel
Kipphebel/Spurstangenlager - Prüfung der Hülse
                         VORSICHT
 Die Lager zur Prüfung nicht ausbauen. Beim Aus-
 bau werden die Lager beschädigt.

• Die [B] visuell überprüfen.
  ger
      Kipphebel oder Spurstangenhülsen [A] und Nadella-

• Die Rollen geringen Verschleiß auf, derweisen normaler-
  weise nur
              und Kugeln in einem Lager
                                          sich nur schwer
 bestimmen lässt. Anstelle einer Messung das Lager vi-
 suell auf Abrieb, Verfärbung oder andere Schäden kon-
 trollieren.
 Wenn Zweifel an der Funktionsfähigkeit eines Nadella-
 gers oder einer Hülse bestehen, Hülse und Nadellager
 komplett ersetzen.




Schmierung des Kipphebelarms/Spurstangen-
lagers
                         ANMERKUNG
 ○Da die Lager mit Fett gefüllt sind, ist eine Schmierung
   nicht erforderlich.
LENKUNG 14-1




                                                         Lenkung
                                                 INHALTSVERZEICHNIS
Explosionszeichnung..............................................................................................................              14-2
Spezialwerkzeuge ..................................................................................................................            14-4
Lenkung..................................................................................................................................      14-5
   Prüfung der Lenkung ........................................................................................................                14-5
   Einstellung der Lenkung ...................................................................................................                 14-5
Lenkschaft ..............................................................................................................................      14-6
   Ausbau des Lenkschafts und Lenklagers .........................................................................                             14-6
   Einbau der Lenkung und des Lenklagers .........................................................................                             14-7
   Schmierung des Lenkschaftlagers....................................................................................                         14-9
   Lenkschaftverzug..............................................................................................................              14-9
   Mängel, Schäden des Lenkschaft-Staubrings ..................................................................                                14-9
Lenker.....................................................................................................................................   14-10
   Ausbau des Lenkers .........................................................................................................               14-10
   Einbau des Lenkers ..........................................................................................................              14-11




                                                                                                                                                      14
14-2 LENKUNG
Explosionszeichnung
LENKUNG 14-3
Explosionszeichnung

                                                      Anzugsmoment
 Nr.                Verbindungselement                                   Anmerkungen
                                                       N·m   kgf·m
  1    Klemmschrauben der Vorderradgabel (unten)        25     2,5            AL
  2    Klemmschrauben der Vorderradgabel (oben)         20     2,0
  3    Lenkerschrauben                                  25     2,5
  4    Lenkerpositionsschrauben                        9,8     1,0             L
  5    Lenkschaftkopfmutter                             78     8,0
  6    Lenkschaftmutter                                 20     2,0
  7    Schaltergehäuseschrauben                        3,5    0,36
 AD: Kleber auftragen.
 AL: Die beiden Klemmschrauben abwechselnd zweimal anziehen, um ein gleichmäßiges Anzugs-
     moment sicherzustellen.
  G: Fett auftragen.
  L: Ein nicht-permanentes Gewindedichtmittel auftragen.
  R: Ersatzteile
14-4 LENKUNG
Spezialwerkzeuge
Lagerabzieher:                                  Lagertreibersatz:
57001-135                                       57001-1129




Lagerabzieheradapter:                           Austreiber für Lenkschaftlager,   42,5:
57001-136                                       57001-1344




Druckstück    für   äußeren    Laufring   des   Adapter für Lenkerlager-Austreiber,    41,5:
Steuerrohres:                                   57001-1345
57001-1075




                                                Austreiber   für  äußeren         Laufring     des
Lenkschaftmuttern-Schlüssel:                    Steuerrohres, 55:
57001-1100                                      57001-1446
LENKUNG 14-5
Lenkung
Prüfung der Lenkung
• Siehe "Prüfung des Lenkungsspiels" im Kapitel "Regel-
  mäßige Wartung".
Einstellung der Lenkung
• Siehe "Einstellung des Lenkungsspiels" im Kapitel "Re-
  gelmäßige Wartung".
14-6 LENKUNG
Lenkschaft
Ausbau des Lenkschafts und Lenklagers
• Ausbauen: (siehe "Ausbau des Kraftstofftanks" im Ka-
   Kraftstofftank
   pitel "Kraftstoffanlage (DFI)")
   Vorderrad (siehe "Ausbau des Vorderrades" im Kapitel
   "Räder/Reifen")
   Vorderradgabel (siehe "Ausbau der Vorderradgabel" im
   Kapitel "Federung")
   Bremsschlauch-Klemmschraube [A]


• Ausbauen:
   Lenkschaftkopfmutter [A] und Unterlegscheibe [B]
   Lenkschaftkopf
   Lenker (siehe "Ausbau des Lenkers").




• Die Klauen [A] der Sicherungsscheibeausbauen.
                                       gerade biegen.
• Die Lenkschaft-Sicherungsmutter [B]
 Spezialwerkzeug -
          Lenkschaftmuttern-Schlüssel: 57001-1100
• Die Sicherungsscheibe ausbauen.


• Die Gabelbrücke nach oben drücken und die Lenkschaft-
  mutter [A] mit dem Staubring entfernen.
 Spezialwerkzeug -
          Lenkschaftmuttern-Schlüssel [B]: 57001-1100
• Ausbauen: [C]
   Lenkschaft
   Innerer Lagerlaufring des oberen Kugellagers




• Zum Ausbau der äußeren Lagerlaufringe [A], die an das
  Steuerrohr [B] eingepresst sind, eine Stange [C] in die
 Aussparungen des Steuerrohres einsetzen und auf die
 Aussparungen abwechselnd mit einem Hammer schla-
 gen, um die Lagerlaufringe herauszudrücken.
                     ANMERKUNG
 ○Wenn eines der Lenkerschaftlager beschädigt ist, das
   obere und untere Lager (mit den äußeren Laufringen)
   durch neue ersetzen.
LENKUNG 14-7
Lenkschaft

• Den inneren mit Hilfe des Lagerabziehers [C] und Adap-
  dichtung) [A]
                Laufring des unteren Kugellagers (mit Öl-

 ters [D] vom Lenkschaft abziehen.
 Spezialwerkzeuge -
          Lagerabzieher: 57001-135
          Lagerabzieheradapter: 57001-136




Einbau der Lenkung und des Lenklagers
• Die dem Treiber gleichzeitigerneuern.
      äußeren Lagerlaufringe
• cken.
  Mit                          in das Kopfrohr hineindrü-

 Spezialwerkzeuge -
          Druckstück für äußeren Laufring des Steuerroh-
             res [A]: 57001-1075
          Lagertreibersatz: 57001-1129
          Austreiber für äußeren Laufring des Steuerroh-
             res, 55 [B]: 57001-1446
• Die äußeren Laufringe einfetten.
• Die inneren Lagerlaufringe und Öldichtung durch neue
  ersetzen.
• Die Öldichtung [D] im Kugellagers [A] gut gefettet in die
  Laufring des unteren
                        Lenker einbauen und den inneren

 Lenkung eindrücken.
 Spezialwerkzeuge -
          Austreiber für Lenkschaftlager, 42,5 [B]: 57001
             -1344
          Adapter für Lenkerlager-Austreiber, 41,5 [C]:
             57001-1345

• Das auftragen:
      untere Kugellager [A] in den Schaft einbauen.
• Fett und äußere Laufringe
   Innere
  Obere und untere Kugellager
○Die oberen und unteren Kugellager sind identisch.
14-8 LENKUNG
Lenkschaft

• Den Schaft[B] und den inneren Laufring [C] darauf mon-
  Kugellager
             [A] durch das Steuerrohr einführen und das

    tieren.
•   Folgende Teile einbauen:
      Staubring [D]
      Lenkschaftmutter [E]




• Die Lager die folgt setzen.
○Zunächst
            wie
                Lenkschaftmutter mit einem Anzugsmo-
    ment von 55 N·m (5,6 kgf·m) festziehen und wieder
    leicht lösen, bis sich der Lenkschaft leicht drehen lässt
    (Um die Lenkschaftmutter mit dem vorgeschriebenen
    Anzugsmoment festzuziehen, den Hakenschlüssel auf
    die Mutter setzen und den Schlüssel an der Bohrung
    mit einer Kraft von 305 N (31,0 kgf) in die dargestellte
    Richtung ziehen). Danach mit einem Spezialwerkzeug
    [A] erneut mit dem vorgeschriebenen Anzugsmoment
    festziehen.
    Spezialwerkzeug -
             Lenkschaftmuttern-Schlüssel: 57001-1100
    Anzugsmoment -
           Lenkschaftmutter: 20 N·m (2,0 kgf·m)
○Für     ein Anzugsmoment von 20 N·m (2,0 kgf·m) den
    Schlüssel an der Bohrung mit einer Kraft von 101 N (11,1
    kgf) ziehen.

• Die Klauenscheibe [A] so einbauen, dass der Klauen so
  Seite [B] nach oben zeigt, und die Nasen
                                           die gebogene

    biegen, dass sie in die Nuten der Sicherungsmutter des
    Lenkschafts [C] eingreifen.
•   Die Sicherungsmutter des Lenkschafts mit der Hand fest-
    ziehen, bis sie die Klauenscheibe berührt.
•   Die Sicherungsmutter des Lenkschafts im Uhrzeigersinn
    anziehen, bis die Klauen auf die Nuten (zweite bis vierte
    Nut) der Lenkermutter [D] ausgerichtet sind, anschlie-
    ßend die beiden Klauen [E] nach unten biegen.

• Den Lenkkopf [A] mit dem Lenker am Lenkschaft [B] mon-
  tieren.
• Die Unterlegscheibe [C] einbauen und die Lenkschaft-
  mutter [D] provisorisch festziehen.
• Die Vorderradgabel einbauen (siehe "Einbau der Vorder-
  radgabel" im Kapitel "Federung").
LENKUNG 14-9
Lenkschaft
                     ANMERKUNG
 ○Zuerst die oberen Klemmschrauben der Gabel [A], da-
  nach die Steuerkopfmutter [B] und zuletzt die unteren
  Klemmschrauben der Gabel [C] und die Lenkerschrau-
  ben [D] anziehen.
 ○Die beiden unteren Klemmenschrauben der Gabel ab-
  wechselnd zweimal festziehen, damit das gleiche An-
  zugsmoment garantiert ist.
 Anzugsmoment -
        Klemmschrauben der Vorderradgabel (oben): 20
           N·m (2,0 kgf·m)
        Lenkschaftkopfmutter: 78 N·m (8,0 kgf·m)
        Klemmschrauben der Vorderradgabel (unten):
           25 N·m (2,5 kgf·m)
        Lenkerschrauben: 25 N·m (2,5 kgf·m)

                        ACHTUNG
 Die Schwenkbewegung des Lenkers darf nicht
 durch falsches Verlegen von Seilzügen, Kabel-
 bäumen und Schläuchen behindert werden (siehe
 Abschnitt "Verlegung von Seilzügen, Kabeln und
 Schläuchen" im Anhang).

Schmierung des Lenkschaftlagers
• Siehe "Schmierung des Lenkschaftlagers" im Kapitel "Re-
  gelmäßige Wartung".
Lenkschaftverzug
• Immer, wenn der Lenker ausgebaut wird oder kann, die
  kung nicht mehr leichtgängig eingestellt werden
                                                  die Len-

 Geradheit des Lenkers kontrollieren.
 Ein verzogener Lenkschaft [A] muss erneuert werden.




Mängel, Schäden des Lenkschaft-Staubrings
 Der Lenkschaft-Staubring muss erneuert werden, wenn
 die Öldichtung [A] Schäden aufweist.
14-10 LENKUNG
Lenker
Ausbau des Lenkers
• Lockern:
   Klemmschrauben    der Vorderradgabel [A] (links und
   rechts)
   Lenkerschrauben [B] (links und rechts)




• Ausbauen:
   Kupplungshebel-Klemmschrauben [A]
   Kupplungshebeleinheit [B]
   Linkes Schaltergehäuse [C]
   Lenkergewicht [D]




• Ausbauen:
   Vorderrad-Hauptbremszylinder [A] (siehe "Ausbau des
   Vorderrad-Hauptbremszylinders" im Kapitel "Bremsen")
   Rechtes Schaltergehäuse [B]
   Drosselklappengehäuse [C]
   Lenkergewicht [D]
   Gasdrehgriff [E]




• Ausbauen:
   Lenkschaftkopfmutter [A] und Unterlegscheibe [B]
   Lenkschaftkopf [C] mit Lenkern




• Ausbauen:
   Lenkerpositionsschrauben [A]
• Den linken Lenkergriff [C] abmontieren.
  Die Lenker [B] ausbauen.
•
LENKUNG 14-11
Lenker
Einbau des Lenkers
• An der Innenseite des linken Lenkergriffs Klebezement
  auftragen.
• Ein nicht-permanentes Gewindedichtmittel auf die Ge-
  winde der Lenkerpositionsschrauben auftragen.
• Festziehen:
    Anzugsmoment -
           Lenkschaftkopfmutter: 78 N·m (8,0 kgf·m)
           Lenkerschrauben: 25 N·m (2,5 kgf·m)
           Lenkerpositionsschrauben: 9,8 N·m (1,0 kgf·m)
• Den vorderen Hauptbremszylinder einbauen Kapitel
  "Einbau des vorderen Hauptbremszylinders" im
                                               (siehe

    "Bremsen").

• Das rechte undin die kleine Öffnung [B]einbauen. einset-
○Diese Nase [A]
                 linke Schaltergehäuse
                                         im Lenker
    zen.
    Anzugsmoment -
           Schaltergehäuseschrauben:       3,5   N·m   (0,36
             kgf·m)
• Folgende Teile einbauen:"Einbau des Kupplungshebels"
   Kupplungshebel (siehe
     im Kapitel "Kupplung")

• Folgende Teile einbauen:
   Gasdrehgriff
  Gaszugenden
  Drosselklappengehäuse
○Diese Nase [A] in die kleine Öffnung [B] im Lenker einset-
 zen.




• Ein nicht-permanentes Gewindedichtmittel auf und Ge-
  winde der Lenkergewichtschrauben auftragen
                                               die
                                                   die
    Schrauben festziehen.
•   Die ausgebauten Teile einbauen (siehe entsprechende
    Kapitel).
RAHMEN 15-1




                                                          Rahmen
                                                 INHALTSVERZEICHNIS
Explosionszeichnung..............................................................................................................                15-2
Sitze........................................................................................................................................    15-8
    Ausbau des Soziussitzes ..................................................................................................                   15-8
    Einbau des Soziussitzes ...................................................................................................                  15-8
    Ausbau des Vordersitzes ..................................................................................................                   15-8
    Einbau des Vordersitzes ...................................................................................................                  15-8
Verkleidungen.........................................................................................................................           15-9
    Ausbau der unteren Verkleidung.......................................................................................                        15-9
    Einbau der unteren Verkleidung........................................................................................                       15-9
    Ausbau der mittleren Verkleidung .....................................................................................                       15-9
    Ausbau des Windschutzes................................................................................................                     15-11
    Einbau des Windschutzes.................................................................................................                    15-11
    Zerlegung der oberen Verkleidung....................................................................................                        15-12
    Zusammenbau der oberen Verkleidung............................................................................                              15-12
    Einbau der oberen Verkleidung.........................................................................................                      15-12
    Ausbau der inneren Abdeckung........................................................................................                        15-13
    Einbau der inneren Abdeckung.........................................................................................                       15-13
    Ausbau der mittleren inneren Verkleidung ........................................................................                           15-13
    Einbau der mittleren inneren Verkleidung .........................................................................                          15-13
    Ausbau der unteren inneren Verkleidung..........................................................................                            15-14
    Einbau der unteren inneren Verkleidung...........................................................................                           15-14
Seitendeckel ...........................................................................................................................        15-15
    Ausbau des linken Seitendeckels .....................................................................................                       15-15
    Einbau des linken Seitendeckels ......................................................................................                      15-15
    Ausbau des rechten Seitendeckels...................................................................................                         15-15
    Einbau der rechten Seitenabdeckung...............................................................................                           15-15
Sitzbezug................................................................................................................................       15-16
    Ausbau des Sitzbezugs ....................................................................................................                  15-16
    Einbau des Sitzbezuges ...................................................................................................                  15-16
Motordeckel ............................................................................................................................        15-17
    Ausbau der Wärmedämmung ..........................................................................................                          15-17
                                                                                                                                                        15
    Einbau der Wärmedämmung ...........................................................................................                         15-17
    Ausbau der Gummi-Wärmedämmung ..............................................................................                                15-17
    Einbau der Gummi-Wärmedämmung ...............................................................................                               15-18
Schutzbleche ..........................................................................................................................         15-19
    Ausbau des Vorderrad-Schutzbleches..............................................................................                            15-19
    Einbau des Vorderrad-Schutzblechs.................................................................................                          15-19
    Ausbau der Klappe und des Hinterrad-Schutzblechs .......................................................                                    15-19
    Einbau der Klappe und des Hinterrad-Schutzblechs ........................................................                                   15-22
Rahmen ..................................................................................................................................       15-23
    Ausbau des hinteren Rahmens.........................................................................................                        15-23
    Einbau des Heckrahmens.................................................................................................                     15-23
    Prüfung des Rahmens ......................................................................................................                  15-23
Seitenständer .........................................................................................................................         15-24
    Ausbau der Seitenständermutter ......................................................................................                       15-24
    Einbau des Seitenständers ...............................................................................................                   15-24
15-2 RAHMEN
Explosionszeichnung
RAHMEN 15-3
Explosionszeichnung

                                                          Anzugsmoment
 Nr.                Verbindungselement                                    Anmerkungen
                                                           N·m   kgf·m
 1     Schrauben der vorderen Fußrastenhalterung            25     2,5
 2     Schrauben der hinteren Fußrastenhalterung            25     2,5
 3     Hintere Rahmenschrauben                              44     4,5        L
 4     Seitenständerschraube                                44     4,5        G
 5     Schrauben der Seitenständerhalterung                 49     5,0        L
 6     Schraube des Seitenständerschalters                  8,8   0,90        L
 G: Fett auftragen.
 L: Ein nicht-permanentes Gewindedichtmittel auftragen.
 R: Ersatzteile
15-4 RAHMEN
Explosionszeichnung
RAHMEN 15-5
Explosionszeichnung

                                                         Anzugsmoment
 Nr.                 Verbindungselement                                  Anmerkungen
                                                          N·m   kgf·m
  1    Befestigungsschrauben für Vorderrad-Schutzblech    3,9    0,40
  2. Modelle für USA und Kanada
15-6 RAHMEN
Explosionszeichnung
RAHMEN 15-7
Explosionszeichnung

                                                     Anzugsmoment
 Nr.                Verbindungselement                               Anmerkungen
                                                      N·m   kgf·m
  1    Befestigungsschrauben der Windschutzscheibe    0,4    0,04
15-8 RAHMEN
Sitze
Ausbau des Soziussitzes
• Den Zündschlüssel [A]Vorderteil des Soziussitzes [B] erst
  nach links drehen, das
                         in das Sitzschloss einführen und

    nach oben und dann nach vorne abziehen.




Einbau des Soziussitzes
• Den Haken [A] des Soziussitzes in die Rippe [B] einha-
  ken.
• Das Sitzbankstift [C] in die Arretierungsöffnungen [D] ein-
  setzen.




Ausbau des Vordersitzes
• Ausbauen: (Beide Seite) (siehe "Ausbau des rech-
   Seitendeckel
     ten/linken Seitendeckels")
     Befestigungsschrauben [A] (Beide Seite)
•   Die vordere Sitzbank [B] durch Ziehen des vorderen Teils
    nach oben und vorn ausbauen.




Einbau des Vordersitzes
• Die Hakenschieben.
  Halterung
            des Vordersitzes [A] unter die Schelle [B] der

• Befestigungsschrauben festziehen.
RAHMEN 15-9
Verkleidungen
Ausbau der unteren Verkleidung
• Ausbauen: [A] mit Unterlegscheiben
   Schrauben
• Den Haken aus dem Schlitz lösen.



• Den Kern [A] mit einem feinen Schraubendreher hochzie-
  hen.
• Ausbauen: [B]
   Schnellnieten
• Die rechte untere Verkleidung von der linken unteren Ver-
  kleidung trennen.




Einbau der unteren Verkleidung
• Den Schnellniet [A] einsetzen und den Kern [B] hineindrü-
  cken.




• Den Haken [A] in den Schlitz [B] einhaken.




Ausbau der mittleren Verkleidung
Ausbau der linken mittleren Verkleidung
•Ausbauen:
  Untere Verkleidung (siehe "Ausbau der unteren Verklei-
  dung")
  Schrauben [A] mit Unterlegscheiben
  Linke Innenabdeckung [B] (siehe "Ausbau der rechten
  und linken Innenabdeckung")
15-10 RAHMEN
Verkleidungen

• Ausbauen: [A]
   Schnellnieten




• Ausbauen: [A]
   Schnellnieten
     Kabelverbinder für linke Blinkerleuchte
     Bandabscheider (Modell für Kalifornien)
•   Die linke Innenverkleidung zusammen mit der unteren In-
    nenverkleidung ausbauen.




Einbau der linken mittleren Verkleidung
• Das Bandabscheider einbauen (Modell für Kalifornien).
• Den Kabelverbinder der linken Blinkerleuchte anschlie-
  ßen.
• Die Nasen [A] in die Schlitzen [B] einführen.
• Folgende Teile einbauen:
   Linke Innenabdeckung (siehe "Einbau der Innenabde-
   ckung")
   Unterlegscheiben und Schrauben

Ausbau der rechten mittleren Verkleidung
•Ausbauen:
  Untere Verkleidung (siehe "Ausbau der unteren Verklei-
  dung")
  Schrauben [A] mit Unterlegscheiben
  Rechte Innenabdeckung [B] (siehe "Ausbau der Innen-
  abdeckung")




• Ausbauen: [A]
   Schnellnieten
RAHMEN 15-11
Verkleidungen

• Ausbauen: [A]
   Schnellnieten




• Ausbauen: [A] der rechten Blinkerleuchte
   Kabelverbinder
     Lüftermotor-Steckverbinder [B]
     Relaiskasten-Steckverbinder [C]
     Sicherungskasten [D]
•   Die rechte mittlere Verkleidung ausbauen.




Einbau der rechten mittleren Verkleidung
• Sicherungskasten einbauen.
• Anschließen:
   Relaiskasten-Steckverbinder
   Lüftermotor-Steckverbinder
   Kabelverbinder für rechte Blinkerleuchte
• Die Nasen [A] in die Schlitzen [B] einführen.
• Folgende Teile einbauen:
   Rechte Innenabdeckung (siehe "Einbau der Innenabde-
   ckung")
   Unterlegscheiben und Schrauben
Ausbau des Windschutzes
• Ausbauen: [A] und Unterlegscheiben
   Schrauben
     Windschutz [B]




Einbau des Windschutzes
• Die vordere Zungeund Schrauben einbauen. einsetzen.
                    [A] in die Aushöhlung [B]
• Unterlegscheiben
    Anzugsmoment -
           Befestigungsschrauben des Windschutzes: 0,4
             N·m (0,04 kgf·m)
15-12 RAHMEN
Verkleidungen
Ausbau der oberen Verkleidung
•Ausbauen:
  Untere Verkleidung (siehe "Ausbau der unteren Verklei-
  dung")
  Mittlere Verkleidung (siehe "Ausbau der linken mittleren
  Verkleidung")
  Windschutz (siehe "Ausbau des Windschutzes")
  Innenabdeckung (siehe "Ausbau der Innenabdeckung")
  Scheinwerfer-Kabelverbinder [A]
  Klemmen (offen) [B]
  Stadtlicht-Steckverbinder [C]

• Abziehen:
   Instrumenten-Kabelverbinder [A]
  Umkippsensor-Steckverbinder [B]
  Verbinder des Wegfahrsperren-Verstärkers (ausgerüs-
  tete Modelle)
•Ausbauen:
  Blinkgeberrelais [C]
  Schrauben [D]
  Obere Verkleidung
○Die obere Verkleidung nach vorne herausziehen.
Zerlegung der oberen Verkleidung
• Ausbauen: Verkleidung [A] (siehe "Ausbau der mitt-
   Mittlere innere
    leren inneren Verkleidung")
    Muttern [B]
    Rückspiegel (rechts und links)
    Instrumenteneinheit [C] mit Halterung (siehe "Ausbau
    der Instrumenteneinheit" im Kapitel "Elektrik")
    Schrauben [D]
    Schrauben [E]
    Scheinwerfer (siehe "Ausbau des Scheinwerfers" im Ka-
    pitel "Elektrik")
    Stadtlicht
    Halter
Zusammenbau der oberen Verkleidung
• Die ausgebauten Teile einbauen (siehe entsprechende
  Kapitel).
Einbau der oberen Verkleidung
• Die ausgebauten Teile einbauen (siehe entsprechende
  Kapitel).
RAHMEN 15-13
Verkleidungen
Ausbau der inneren Abdeckung
• Die Innenabdeckung [B] abmontieren.
      Schraube [A] herausdrehen.
• Die Innenabdeckung ausbauen, indem sie den hinteren
○
  Die

 Teil [C] angehoben und nach vorne herausgezogen wird,
 ohne an die Anschläge anzustoßen.
○Die Innenabdeckung ausbauen, indem sie den vorderen
 Teil [D] angehoben und nach hinten herausgezogen wird,
 ohne an die Anschläge anzustoßen.


Einbau der inneren Abdeckung
• Das hintere Teil der Abdeckung unter der mittleren Ver-
  kleidung einsetzen.
• Die oberen [B] der Innenabdeckung in die Bohrungen [A]
  der
       Nasen
              Verkleidung einpassen.
• Die Schraube festziehen.




Ausbau der mittleren inneren Verkleidung
• Ausbauen:
   Obere Verkleidung (siehe "Ausbau der oberen Verklei-
  dung")
  Schrauben [A]
  Mittlere inneren Verkleidung [B]
○Die mittlere innere Verkleidung nach hinten [C] heraus-
 schieben.



Einbau der mittleren inneren Verkleidung
• Die Zungen[B] inder mittlerenVerkleidung einsetzen. die
  Bohrungen
             [A]
                   der oberen
                                inneren Verkleidung in
15-14 RAHMEN
Verkleidungen
Ausbau der unteren inneren Verkleidung
• Ausbauen:
   Mittlere Verkleidung (siehe "Ausbau der mittleren Ver-
     kleidung")
     Schrauben [A]
     Schnellniete [B]
     Innere Verkleidung [C]




Einbau der unteren inneren Verkleidung
• Festziehen: [A]
   Schrauben
     Schnellnieten [B]
•   Die ausgebauten Teile einbauen (siehe entsprechende
    Kapitel).
RAHMEN 15-15
Seitendeckel
Ausbau des linken Seitendeckels
• Ausbauen: [A]
   Schraube
     Nasen [B]
•   Die Seitenabdeckung [C] herausziehen.




Einbau des linken Seitendeckels
• Die Nasen [A] festziehen.
                in die Bohrungen [B] einführen.
• Die Schraube




Ausbau des rechten Seitendeckels
• Ausbauen: [A]
   Schrauben
     Nasen [B]
•   Die Seitenabdeckung [C] herausziehen.




Einbau der rechten Seitenabdeckung
• Die Nasen [A] in die Bohrungen [B] einführen.
15-16 RAHMEN
Sitzbezug
Ausbau des Sitzbezugs
• Ausbauen: "Ausbau des vorderen/hinteren Sitzes")
   Sitze (siehe
  Schrauben [A] mit Unterlegscheibe




• Ausbauen: [A] mit Unterlegscheibe
   Schrauben




• Ausbauen: [A] mit Unterlegscheibe
   Schraube
  Sitzabdeckung [B] (nach hinten)




Einbau des Sitzbezuges
• Die ausgebauten Teile wieder einbauen.
RAHMEN 15-17
Motordeckel
Ausbau der Wärmedämmung
• Ausbauen:
   Untere Verkleidung (siehe "Ausbau der unteren Verklei-
     dung")
     Mittlere Verkleidung (siehe "Ausbau der linken mittleren
     Verkleidung")
     Obere Motorkühlerschrauben [A] (Beide Seite)
     Untere Motorkühlerschraube [B]
•   Den Motorkühler nach vorne verschieben.


• Die WärmedämmungWärmedämmung so herausziehen,
○Die rechte Seite der
                      [B] ausbauen.

    dass die Nasen [A] nicht an die Anschläge anstoßen.




Einbau der Wärmedämmung
• Die Nasen [A] in die Bohrungen [B] des Rahmens einfüh-
  ren.
                        ANMERKUNG
    ○Die Wärmedämmung mit der rechten Seite zuerst ein-
     bauen.

• Die ausgebauten Teile einbauen (siehe entsprechende
  Kapitel).


Ausbau der Gummi-Wärmedämmung
• Ausbauen: (siehe "Ausbau des Kraftstofftanks" im Ka-
   Kraftstofftank
     pitel "Kraftstoffanlage")
     Luftfiltergehäuse (siehe "Ausbau des Luftfiltergehäuses"
     im Kapitel "Kraftstoffanlage")
     Drosselklappengehäuse (siehe "Ausbau des Drossel-
     klappengehäuses" im Kapitel "Kraftstoffanlage")
     Kabelverbinder der Lichtmaschine [A]
     Steckverbinder des Gangpositionssensors [B]
     Steckverbinder des Wassertemperatursensors
     Kurbelwellensensorkabel
     Klemmen [C]
     Gummi-Wärmedämmung [D]
15-18 RAHMEN
Motordeckel
Einbau der Gummi-Wärmedämmung
• Die Gummi-Wärmedämmung [A] mit dem weiß markier-
  ten Teil [C] nach oben weisend im Drosselklappenge-
    häuse (Nr. 2, 3) [B] einbauen.
•   Folgende Teile einbauen:
     Steckverbinder des Wassertemperatursensors [D]
     Steckverbinder der Lichtmaschine [E]
     Leiter des Gangpositionsschalters [F]
     Kurbelwellensensorkabel [G]
     Kühlerschlauch [H]
     Entlüftungsschlauch [I]
     Steckverbinder des Startermotors [J]
     Batterie-Minuskabel [K]
     Hauptkabelbaumklemmen [L]
     Klemme für Drehzahlsensor-Kabelverbinder des Haupt-
     kabelbaums [M]
     Klemme [N]
RAHMEN 15-19
Schutzbleche
Ausbau des Vorderrad-Schutzbleches
• Ausbauen:
   Bremsschlauchschellen [A] (Beide Seite)
     Schrauben [B] (Beide Seite)
•   Die Vorderradschutzblech-Baugruppe [C] ausbauen.




• Ausbauen: [A]
   Schrauben
• -Schutzblech [C] trennen.
  Die Vorderradschutzblech-Abdeckung [B] vom Vorderrad




Einbau des Vorderrad-Schutzblechs
• Die Vorderradschutzblech-Baugruppe an der Vorderrad-
  gabel anbauen.
• Festziehen:
    Anzugsmoment -
           Befestigungsschrauben        für       Vorder-
             rad-Schutzblech: 3,9 N·m (0,40 kgf·m)
• Die Bremsschlauchschellen an den Bohrungen im Vor-
  derrad-Schutzblech montieren.
Ausbau der Klappe und des Hinterrad
-Schutzblechs
• Ausbauen: "Ausbau des vorderen/hinteren Sitzes")
   Sitze (siehe
     Sitzbezug (siehe "Ausbau des Sitzbezugs")
     Kraftstofftank (siehe "Ausbau des Kraftstofftanks" im Ka-
     pitel "Kraftstoffanlage (DFI)")
     Schrauben [A] (Beide Seite)
     Schalldämpferabdeckung [B]


• Ausbauen: [A]
   Klemmen
     Steckverbinder [B]
15-20 RAHMEN
Schutzbleche

• Ausbauen: [A] (Beide Seite)
   Schrauben
     Blinkerleuchten [B] (Beide Seite)




• Ausbauen: [A] (Beide Seite)
   Schrauben
     Halterung [B] (Beide Seite)




• Ausbauen: [A] (Beide Seite)
   Schrauben
     Halterung [B]
     Klappe [C] mit Rück-/Bremsleuchte
•   Klappe und Leuchte trennen.




• Ausbauen: (siehe "Ausbau des Auspufftopfs" im Kapitel
   Auspufftopf
     "Motoroberseite")
     Hinteres Auspuffrohr (siehe "Ausbau des hinteren Aus-
     puffrohrs" im Kapitel "Motoroberseite")
•   Ausbauen:
     Schraube [A]
     Deckel [B]



• Ausbauen: [A]
   Schrauben
     Sitzbankschloss [B]
     Schraube [C]
     Schrauben [D]
     Auslassklappenventil-Stelleinheit [E]
RAHMEN 15-21
Schutzbleche

• Ausbauen: [A]
   Steckverbinder
  Tülle [B]




• Ausbauen: der hinteren Fußrastenhalterung [A] (Beide
   Schrauben
  Seite)
  Hintere Fußrastenhalterung [B]




• Ausbauen: [A]
   Kabelbinder
  Kabel [B]
  Batterie [C]




• Ausbauen: [A]
   Schrauben
  Batteriefach [B]
  Starterrelais [C] (herausziehen)




• Ausbauen: Regler-/Gleichrichterhalterung [A]
   Muttern der
15-22 RAHMEN
Schutzbleche

• Ausbauen:
   Hauptkabelbaumklemme [A]




• Ausbauen: [A] (Beide Seite)
   Schnellnieten




• Ausbauen: [A]
   Schrauben
  Schlösser mit Halterung [B]




• Ausbauen: [A]
   Schrauben
  Hinterrad-Schutzblech [B]




Einbau der Klappe und des Hinterrad
-Schutzblechs
• Die ausgebauten Teile einbauen (siehe entsprechende
  Kapitel).
• Kabelbaumklemme und Schläuchen" im Anhang ein-
  Seilzügen, Kabeln
                    gemäß Abschnitt "Verlegung von

 bauen.
RAHMEN 15-23
Rahmen
Ausbau des hinteren Rahmens
• Ausbauen:
   Hinterrad-Kotflügel   (siehe   "Ausbau   des   Hinter-
   rad-Kotflügels")
   Rahmenschrauben [A] und -muttern




Einbau des Heckrahmens
• Ein nicht-permanentes Gewindedichtmittel auf die Ge-
  winde der hinteren Rahmenschraube auftragen.
• Festziehen:
 Anzugsmoment -
        Schrauben und Muttern am hinteren Rahmen: 59
          N·m (6,0 kgf·m)
        Schrauben der hinteren Fußrastenhalterung: 25
          N·m (2,5 kgf·m)

Prüfung des Rahmens
• Den Rahmen auf Risse, Einkerbungen, Verzug oder Ver-
  biegung kontrollieren.
 Den Rahmen ersetzen, wenn er Beschädigungen auf-
 weist.
                         ACHTUNG
 Ein reparierter Rahmen kann während der Benut-
 zung ausfallen und einen Unfall verursachen. Den
 Rahmen ersetzen, wenn er Dellen, Risse, Verzug
 oder Biegungen aufweist.
15-24 RAHMEN
Seitenständer
Ausbau der Seitenständermutter
• Das Hinterrad mit dem Ständer aufbocken.
• Ausbauen:
   Untere Verkleidung (siehe "Ausbau der unteren Verklei-
     dung")
•   Den Kabelverbinder des Seitenständerschalters [A] tren-
    nen.




• Ausbauen:
   Feder [A]
     Seitenständer-Sicherungsmutter
     Seitenständerschraube [B]
     Seitenständer [C]
     Schalterhalterungsschrauben [D]
     Schrauben der Seitenständerhalterung [E]




Einbau des Seitenständers
• Ein nicht-permanentes Gewindedichtmittel auf die Halte-
  rungsschrauben auftragen.
• Die Gleitfläche [A][C] einfetten.
  ständerschraube
                      des Seitenständers [B] und die Seiten-

• Die Schraube festziehen und mit der Mutter sichern.
    Anzugsmoment -
           Schrauben der Seitenständerhalterung [D]: 49
              N·m (5,0 kgf·m)
           Seitenständerschraube: 44 N·m (4,5 kgf·m)
• Die Feder [E] so einhaken, dass die Seite mit dem langen
  Federende nach oben zeigt.
○Den Federhaken in der gezeigten Richtung einbauen.
• Die Schalterhalterung
  montieren.
                           und den Seitenständerschalter

○Ein nicht-permanentes Gewindedichtmittel auf das Ge-
    winde der Schalterschraube auftragen.
    Anzugsmoment -
           Schraube des Seitenständerschalters [F]: 8,8
             N·m (0,90 kgf·m)
ELEKTRIK 16-1




                                                          Elektrik
                                               INHALTSVERZEICHNIS
Lage der Teile ....................................        16-3      Einbau der Zündkerze..................               16-42
Explosionszeichnung.........................               16-4      Reinigung und Prüfung der
Schaltplan (USA und Kanada)...........                    16-10        Zündkerze .................................        16-42
Schaltplan (außer USA, Kanada,                                       Ausbau des Nockenwellensen-
 Australien und Malaysia) ................                16-12        sors ...........................................   16-43
Schaltplan (Australien) ......................            16-14      Einbau des Nockenwellenposi-
Schaltplan (Malaysia) ........................            16-16        tionssensors ..............................        16-43
Technische Daten ..............................           16-18      Prüfung des Nockenwellenposi-
Spezialwerkzeuge und Dichtmittel.....                     16-19        tionssensors ..............................        16-43
Vorsichtsmaßnahmen........................                16-20      Prüfung der Spitzenspannung am
Verkabelung.......................................        16-21        Nockenwellensensor .................               16-44
   Prüfung der Verkabelung .............                  16-21      Funktionsprüfung der
Batterie ..............................................   16-22        Wegfahrsperre ..........................           16-45
   Ausbau der Batterie .....................              16-22      Prüfung der IC-Zündschaltgeräts.                     16-46
   Einbau der Batterie ......................             16-22   Elektrostarteranlage ..........................         16-48
   Batterieaufbereitung.....................              16-22      Ausbau des Starters ....................             16-48
   Vorsichtsmaßnahmen ..................                  16-25      Einbau des Starters .....................            16-48
   Kompatibilität ...............................         16-26      Zerlegung des Startermotors .......                  16-49
   Prüfung des Ladezustandes ........                     16-26      Zusammenbau des Startermotors                        16-49
   Regenerationsladung...................                 16-27      Prüfung der Kohlebürsten ............                16-50
Ladesystem .......................................        16-28      Reinigung und Prüfung des
   Ausbau des Lichtmaschinendeck-                                      Kollektors ..................................      16-50
     els..............................................    16-28      Prüfung des Ankers .....................             16-51
   Einbau des Lichtmaschinendeck-                                    Prüfung der Kontaktbürstenkabel                      16-51
     els..............................................    16-28      Prüfung des rechten
   Ausbau der Statorwicklung ..........                   16-28        Abschlussdeckels......................             16-51
   Einbau der Statorwicklung ...........                  16-29      Prüfung des Starterrelais .............              16-52
   Ausbau des Lichtmaschinen-                                     Beleuchtungssystem .........................            16-54
     läufers .......................................      16-29      Horizontale Einstellung des
   Einbau des Lichtmaschinen-                                          Scheinwerfers ...........................          16-54
     läufers .......................................      16-30      Vertikaleinstellung des
   Prüfung der Lichtmaschine ..........                   16-31        Scheinwerfers ...........................          16-54
   Ausbau des Reglers/Gle-                                           Ersatz der Scheinwerferglüh-                                 16
     ichrichters..................................        16-32        lampe ........................................     16-54
   Prüfung des Reglers/Gle-                                          Austausch der Stadtlicht
     ichrichters..................................        16-33        -Glühlampe................................         16-55
   Prüfung der Ladespannung .........                     16-34      Ausbau/Einbau des
Zündanlage........................................        16-36        Scheinwerfers ...........................          16-55
   Ausbau des Kurbelwellensensors                         16-37      Ausbau der LED für
   Einbau des Kurbelwellensensors.                        16-38        Rück-/Bremsleuchte..................               16-56
   Prüfung des Kurbelwellensensors                        16-38      Einbau der Rück-/Bremsleuchte
   Spitzenspannung am                                                  (LED).........................................     16-56
     Kurbelwellensensor...................                16-39      Austausch der Glühlampe der
   Ausbau der Stabzündspulen........                      16-39        Kennzeichenbeleuchtung..........                   16-56
   Einbau der Stabzündspulen.........                     16-40      Austausch der Blinkerglühlampen                      16-58
   Prüfung der Stabzündspulen .......                     16-40      Ausbau der Blinkerleuchten .........                 16-59
   Spitzenspannung der                                               Prüfung des Blinkgeberrelais .......                 16-60
     Primärwicklung der                                           Unterdruckschaltventil .......................          16-63
     Stabzündspule ..........................             16-41      Funktionsprüfung des
   Ausbau der Zündkerze.................                  16-42        Unterdruckschaltventils .............              16-63
16-2 ELEKTRIK

    Prüfung des Unterdruckschaltven-                                   Einbau des Gangpositionsschal-
      tils..............................................    16-63        ters ............................................   16-106
Kühlerlüfter ........................................       16-64      Prüfung des Gangpositionsschal-
    Prüfung des Lüftermotors ............                   16-64        ters ............................................   16-107
Instrumentenblock, Messgerät,                                          Prüfung des Schalters..................               16-108
  Anzeigeblock ..................................           16-65      Prüfung des Wassertemper-
    Ausbau der Instrumenteneinheit ..                       16-65        atursensors ...............................         16-109
    Zerlegung der Instrumentenein-                                     Ausbau des Drehzahlsensors ......                     16-109
      heit ............................................     16-65      Einbau des Drehzahlsensors .......                    16-110
    Prüfung der elektronischen                                         Prüfung des Drehzahlsensors......                     16-110
      Kombi-Instrumenteneinheit .......                     16-66      Prüfung des Kraftstoffre-
    Prüfung des Selbstdiagnose-                                          serveschalters ...........................          16-111
      modus für die Kraftstoffs-                                       Ausbau der Lambdasonden
      tand-Sensorleitung ....................               16-83        (ausgerüstete Modelle) .............                16-112
Wegfahrsperrensystem                                                   Einbau der Lambdasonden
  (ausgerüstete Modelle) ...................                16-85        (ausgerüstete Modelle) .............                16-112
    Vorsichtsmaßnahmen ..................                   16-85      Prüfung der Lambdasonden
    Schlüsselregistrierung..................                16-85        (ausgerüstete Modelle) .............                16-112
    Austausch von Teilen des                                        Relaiskasten ......................................      16-113
      Wegfahrsperrensystems ...........                    16-101      Ausbau des Relaiskastens...........                   16-113
    Prüfung des Wegfahrsperrensys-                                     Prüfung des Relaisschaltkreises..                     16-113
      tems ..........................................      16-103      Prüfung des Diodenschaltkreises                       16-114
Schalter und Sensoren ......................               16-105   Sicherung ..........................................     16-116
    Prüfung der Zeiteinstellung des                                    Ausbau der Hauptsicherung 30 A                        16-116
      Bremslichtschalters ...................              16-105      Ausbau einer Sicherung aus dem
    Zeiteinstellung des                                                  Sicherungskasten......................              16-116
      Bremsleuchtenschalters............                   16-105      Ausbau der 10-A-ECU-Sicherung                         16-116
    Ausbau des Gangpositionsschal-                                     Einbau der Sicherungen ..............                 16-117
      ters ............................................    16-105      Prüfung der Sicherungen .............                 16-117
ELEKTRIK 16-3
Lage der Teile




  1. Wegfahrsperren-Verstärker (ausgerüs-       13. Gangpositionsschalter
     tete Modelle)                              14. Regler/Gleichrichter
  2. Instrumenteneinheit                        15. ECU (Elektronische Steuereinheit)
  3. Zündschalter       mit    Wegfahrsperren   16. Kraftstoffpumpe mit -reserveschalter
     -Antenne                                   17. Vorderrad-Bremslichtschalter
  4. Wegfahrsperrenschalter                     18. Blinkgeberrelais
  5. Stabzündspulen                             19. Sicherungskasten         mit        ECU
  6. Batterie 12 V 8 Ah                             -Hauptsicherung
  7. Starterrelais mit Hauptsicherung           20. Hinterrad-Bremslichtschalter
  8. Verbinder         des       Wegfahrsper-   21. Startermotor
     ren-Diagnosesystems                        22. Kurbelwellensensor
  9. Wassertemperatursensor                     23. Öldruckschalter
 10. Lichtmaschine                              24. Lambdasonden
 11. Drehzahlsensor                             25. Nockenwellenpositionssensor
 12. Seitenständerschalter                      26. Relaiskasten
16-4 ELEKTRIK
Explosionszeichnung
ELEKTRIK 16-5
Explosionszeichnung

                                                           Anzugsmoment
 Nr.                Verbindungselement                                      Anmerkungen
                                                            N·m   kgf·m
  1    Montageschrauben des Instrumentenblocks              1,2    0,12
  2    Scheinwerfer-Befestigungsschrauben                   1,2    0,12
  3    Befestigungsschrauben für vordere Blinkerleuchten    1,2    0,12
  4    Befestigungsschrauben für hintere Blinkerleuchten    1,2    0,12
  5    Schrauben der hinteren Blinkerstreulinse             1,0    0,10
  6    Befestigungsschrauben für Rück-/Bremsleuchte         4,0    0,40
       Befestigungsschrauben der Nummerschildbe-
  7                                                         1,2    0,12
       leuchtung
  8    Montageschrauben für Kennzeichenbeleuchtung          0,9    0,09
  9. Modelle für USA und Kanada
 10. Modell für Kalifornien
16-6 ELEKTRIK
Explosionszeichnung
ELEKTRIK 16-7
Explosionszeichnung

                                                           Anzugsmoment
 Nr.               Verbindungselement                                        Anmerkungen
                                                           N·m     kgf·m
 1     Schaltergehäuseschrauben                            3,5      0,36
 2     Schraube für Vorderrad-Bremsleuchtenschalter        1,2      0,12
 3     Masseschraube des Zylinderkopfdeckels               9,8       1,0
 4     Schrauben des Kurbelwellensensors                   5,9      0,60
       Schraube für Halteplatte der Lichtmaschinen-
 5                                                         9,8      1,0            L
       kabel
 6     Schrauben des Lichtmaschinendeckels                 9,8      1,0
                                                                                   mit
 7     Schrauben der Leerlaufzahnrad-Abdeckung             9,8      1,0
                                                                             Unterlegscheibe
  8    Schrauben der Leerlaufzahnrad-Abdeckung             9,8      1,0
  9    Steuerzeiten-Inspektionsdeckel                        –       –          Handfest
 10    Kappe der Starterkupplungsschraube                    –       –          Handfest
 11    Schrauben des Starterkupplungsdeckels               9,8      1,0
 12    Schrauben der Starterkupplung                        49      5,0
 13    Schraube des Lichtmaschinenläufers                  155      16
 14    Schrauben der Statorwicklung                         12      1,2            L
 15    Befestigungsschrauben des Startermotors             9,8      1,0
 16. Modelle mit Wegfahrsperre
  G: Fett auftragen.
  L: Ein nicht-permanentes Gewindedichtmittel auftragen.
  M: Molybdänhaltiges Disulfidfett auftragen.
MO: Eine molybdänhaltige Disulfidöllösung auftragen.
  R: Ersatzteile
SS: Silikondichtmittel auftragen.
16-8 ELEKTRIK
Explosionszeichnung
ELEKTRIK 16-9
Explosionszeichnung

                                                           Anzugsmoment
 Nr.                 Verbindungselement                                     Anmerkungen
                                                            N·m   kgf·m
  1    Zündkerzen                                            13     1,3
  2    Klemmschrauben des Starterrelaiskabels               4,0    0,41
  3    Schraube des Nockenwellensensors                     9,8     1,0
  4    Wassertemperatursensor                                25     2,5         SS
  5    Lambdasonden                                          25     2,5
  6    Kraftstoffpumpenschrauben                            9,8     1,0        L, S
  7    Muttern der Regler-/Gleichrichterhalterung           6,9    0,70
  8    Schrauben des Gangpositionsschalters                 2,9    0,30          L
  9    Schrauben für Regler/Gleichrichter                   6,9    0,70
 10    Schrauben des Motorkettenraddeckels                  6,9    0,70
 11    Drehzahlsensorschraube                               6,9    0,70          L
 12    Schraube des Seitenständerschalters                  8,8    0,90          L
 13    Schraube der Seitenständerhalterung                   49     5,0          L
 14    Klemmschraube des Startermotorkabels                 2,9    0,30
 15. Blinkgeberrelais
 16. Wegfahrsperren-Verstärker
 17. Stabzündspulen
 18. Relaiskasten
 19. Batterie 12 V 8 Ah
 20. Starterrelais
 21. Kraftstoffpumpe
 22. Hinterrad-Bremslichtschalter
 23. Regler/Gleichrichter
 24. Gangpositionsschalter
 25. Drehzahlsensor
 26. ECU
 27. Seitenständerschalter
  G: Fett auftragen.
  L: Ein nicht-permanentes Gewindedichtmittel auftragen.
  R: Ersatzteile
  S: Die vorgeschriebene Anziehreihenfolge einhalten.
 SS: Silikondichtmittel auftragen.
16-10 ELEKTRIK
Schaltplan (USA und Kanada)
ELEKTRIK 16-11
Schaltplan (USA und Kanada)
16-12 ELEKTRIK
Schaltplan (außer USA, Kanada, Australien und Malaysia)
ELEKTRIK 16-13
Schaltplan (außer USA, Kanada, Australien und Malaysia)
16-14 ELEKTRIK
Schaltplan (Australien)
ELEKTRIK 16-15
Schaltplan (Australien)
16-16 ELEKTRIK
Schaltplan (Malaysia)
ELEKTRIK 16-17
Schaltplan (Malaysia)
16-18 ELEKTRIK
Technische Daten

                  Teil                                              Standard
Batterie
  Typ                                      Wartungsfreie Batterie
  Kapazität                                12 V 8 Ah
  Spannung                                 12,8 V oder mehr
Ladesystem
  Typ                                      Dreiphasenwechselstrom
  Lichtmaschinen-Ausgangsspannung          42 V oder mehr bei 4.000 U/min
  Widerstand der Statorwicklung            0,1 ∼ 0,3 Ω
  Ladespannung (Ausgangsspannung des       14,2 ∼ 15,0 V
  Reglers/Gleichrichters)
  Widerstand des Reglers/Gleichrichters    Siehe Angaben im Text.
Zündanlage
  Widerstand des Kurbelwellensensors       380 ∼ 570 Ω
  Spitzenspannung am Kurbelwellensen-      3,2 V oder mehr
  sor
  Widerstand des Nockenwellensensors       400 ∼ 460 Ω
  Spitzenspannung des Nockenwellen-        0,4 V oder mehr
  sensors
  Elektrodenabstand der Zündkerze          0,7 ∼ 0,8 mm
  Stabzündspule:
    Widerstand der Primärwicklung          1,2 ∼ 1,6 Ω
    Widerstand der Sekundärwicklung        8,5 ∼ 11,5 kΩ
    Primärspitzenspannung                  80 V oder mehr
Elektrostarteranlage
  Starter:
    Kohlebürstenlänge                      7 mm, Grenzwert: 3,5 mm
    Kollektordurchmesser                   24 mm, Grenzwert: 23 mm
Unterdruckschaltventil
  Widerstand des Unterdruckschaltventils   12 ∼ 22 Ω (bei 20°C)
Schalter und Sensoren:
  Zeiteinstellung des Hinterrad
                                           EIN nach einem Pedalweg von ca. 10 mm
  -Bremslichtschalters
  Anschlüsse des Motoröldruckschalters     Bei gestopptem Motor: EIN
                                           Bei laufendem Motor: AUS
 Widerstand des Wassertemperatursen-       Siehe Angaben im Text.
 sors
ELEKTRIK 16-19
Spezialwerkzeuge und Dichtmittel
Handprüfgerät:                                Griff:
57001-1394                                    57001-1591




Schwungrad-Abziehvorrichtung, M38 × 1,5/M35   Läuferhalter:
× 1,5:                                        57001-1666
57001-1405




                                              Anschlag:
Spitzenspannungsadapter:                      57001-1679
57001-1415




                                              Kawasaki Bond (Silikondichtmittel):
Kabelader-Spitzenspannungsadapter:            92104-0004
57001-1449




Schlüsselregistrierungsgerät:
57001-1582
16-20 ELEKTRIK
Vorsichtsmaßnahmen
  Es gibt eine Reihe von wichtigen Vorsichtsmaßnahmen,
die bei Wartungsarbeiten an der Elektrik beachtet werden
müssen. Diese im Folgenden aufgeführten Vorsichtsmaß-
nahmen müssen bekannt sein und sind unbedingt einzu-
halten.
○Keinesfalls die Batterieanschlüsse vertauschen. Ande-
  renfalls brennen die Dioden in elektrischen Komponenten
  durch.
○Stets den Zustand der Batterie prüfen, bevor Teile der
  Elektrik ausgetauscht werden. Eine volle Batterieladung
  ist Voraussetzung für eine ordnungsgemäße Prüfung des
  elektrischen Systems.
○Die Elektroteile dürfen niemals Schlagbeanspruchungen,
  beispielsweise mit einem Hammer, ausgesetzt werden
  oder auf eine harte Fläche fallen. Ein derartiger Schlag
  kann die Teile beschädigen.
○Keinesfalls die Batteriekabel oder andere elektrische An-
  schlüsse bei eingeschalteter Zündung bzw. laufendem
  Motor lösen.
○Aufgrund der großen Stromstärke niemals die Starter-
  taste gedrückt halten, wenn der Startermotor nicht durch-
  dreht, sonst kann der fließende Strom zum Durchbrennen
  der Startermotorwicklungen führen.
○Leitungen, die direkt am Pluspol (+) der Batterie ange-
  schlossen sind, keinesfalls an Fahrzeugmasse legen.
○Fehler können durch ein und in manchen Fällen auch
  durch mehrere Teile verursacht werden.
  Ein defektes Teil niemals ersetzen, ohne zu überprüfen,
  was den Fehler VERURSACHT hat. Wenn der Fehler
  durch ein anderes Teil oder andere Teile verursacht
  wurde, müssen zuerst diese ausgetauscht oder repariert
  werden, sonst fällt das neue Ersatzteil bald wieder aus.
○Darauf achten, dass alle Steckverbinder im Schaltkreis
  sauber und fest sind, und die Leitungen auf Schmorstel-
  len, Verschleiß usw. untersuchen. Schadhafte Leitun-
  gen und schlechte Kontakte beeinträchtigen die Funkti-
  onsweise der elektrischen Anlage.
○Den Widerstand von Spulen und Wicklungen in kaltem
  Zustand messen (bei Zimmertemperatur).
○Farbcodes:
     BK: Schwarz          G: Grün             P: Rosa
     BL: Blau            GY: Grau            PU: Violett
     BR: Braun           LB: Hellblau         R: Rot
     CH: Schoko          LG: Hellgrün         W: Weiß
     DG: Dunkelgrün       O: Orange           Y: Gelb
ELEKTRIK 16-21
Verkabelung
Prüfung der Verkabelung
• Die Verkabelung auf Brandstellen, Scheuerstellen usw.
  überprüfen.
 Wenn Adern beschädigt sind, die beschädigte Verkabe-
 lung austauschen.
•Jeden Verbinder [A] abziehen und auf Korrosion, Ver-
 schmutzung und Beschädigung kontrollieren.
 Ist der Verbinder korrodiert oder verschmutzt, diesen
 sorgfältig reinigen. Bei Beschädigung ersetzen.
•Die Verkabelung auf Durchgang prüfen.
○Anhand des Schaltplans die Endanschlüsse des Kabels
 suchen, das vermutlich defekt ist.
○Das Handprüfgerät an die Leitungsenden anschließen.
    Spezialwerkzeug -
             Handprüfgerät: 57001-1394
○Das Handprüfgerät auf den Bereich × 1 Ω schalten und
    die Anzeige ablesen.
    Wenn das Handprüfgerät nicht 0 Ω anzeigt, ist das Kabel
    defekt. Das Kabel oder den Kabelbaum [B] gegebenen-
    falls austauschen.
16-22 ELEKTRIK
Batterie
Ausbau der Batterie
• Ausbauen:
   Seitenabdeckungen      (siehe "Ausbau der Seitenabde-
     ckung" im Kapitel "Rahmen")
     Vordersitz (siehe "Ausbau des Vordersitzes" im Kapitel
     "Rahmen")
•   Die Kappen [A] verschieben.
•   Zuerst das Minuskabel (–) [B] und dann das Pluskabel (+)
    [C] abklemmen.
                        VORSICHT
    Unbedingt das Minuskabel (–) zuerst abklemmen.

• DenBatterie herausnehmen.
      Kabelbinder [D] entfernen.
• Die
Einbau der Batterie
• DasAnzeichender Batterie oder Elektrolytleckage an den
  Bei
      Gehäuse
              von Rissen
                           visuell prüfen.

    Seiten die Batterie austauschen.
•   Die Batterie in das Batteriefach setzen.
•   Die Kraftstofftankhalterung und den Verbinder einbauen.
•   Zuerst das Pluskabel [A] (rote Polkappe) an den Pluspol
    (+) der Batterie und dann das Minuskabel [B] (schwarze
    Kappe) an den Minuspol (–) anschließen.
•   Die Polklemmen mit einer dünnen Schicht Fett versehen,
    um sie vor Korrosion zu schützen.
•   Die Polkappen [C] auf den Klemmen anbringen.
                        VORSICHT
    Werden die Batteriekabel nicht in der korrek-
    ten Reihenfolge gelöst oder angeschlossen bzw.
    falsch angeschlossen, kommt es zu Funkenschlag
    und Schäden an den elektrischen Teilen und den
    DFI-Komponenten.

Batterieaufbereitung
Einfüllen von Elektrolyt
• Sicherstellen, dass die Modellbezeichnung [A] auf dem
  Elektrolytbehälter mit der Modellbezeichnung [B] der Bat-
  terie übereinstimmt. Beide Bezeichnungen müssen iden-
  tisch sein.
      Batteriemodellbezeichnung für ZX600P7F: YTX9-BS

                        VORSICHT
    Der Elektrolytbehälter muss die gleiche Bezeich-
    nung wie die Batterie aufweisen, da das Elektro-
    lytvolumen und die spezifische Dichte je nach
    Batterietyp verschieden sind. Auf diese Weise wird
    ein Überfüllen mit Elektrolyt vermieden, was die
    Lebensdauer und die Leistung der Batterie beein-
    trächtigen würde.
ELEKTRIK 16-23
Batterie
                         VORSICHT
    Die Aluminiumdichtfolie [A] der Einfüllöffnungen
    [B] erst kurz vor Befüllen der Batterie entfernen.
    Einen speziellen Elektrolytbehälter verwenden, der
    die betreffende Elektrolytmenge fasst.

• Die Batterie auf einer ebenen Fläche abstellen. noch
• Überprüfen,zerlöchert ist.
  rissig oder
                dass die Dichtfolie weder abgeschält

• Die Dichtfolie entfernen.
                        ANMERKUNG
    ○Die Batterie ist unter Druck versiegelt. Falls Luft in die
      versiegelte Batterie eingedrungen ist, wird eine längere
      Inbetriebsetzungsladung notwendig sein.

• Den Verschlusskappenleistedem Plastikbeutel nehmen.
      Elektrolytbehälter aus
• Die aufbewahren, um die Batterie später damit zu ver-
  und
                             [A] vom Behälter abziehen

    schließen.
                        ANMERKUNG
    ○Die Siegel [B] des Elektrolytbehälters weder abschä-
      len noch durchlöchern. Auf keinen Fall versuchen, ein-
      zelne Versiegelungen abzutrennen.


• Den Elektrolytbehälter umdrehender Batterie ausrichten.
  gelungen auf die Einfüllöffnungen
                                    und die sechs Versie-

    Den Behälter waagrecht halten und fest niederdrücken,
    sodass die Siegel alles sechs Zellen durchbrochen wer-
    den. Während die Batteriesäure in die einzelnen Batte-
    riezellen einfließt, steigen sichtbar Bläschen auf.
                        ANMERKUNG
    ○Den Elektrolytbehälter nicht kippen.

• Den Elektrolytfluss Einfüllöffnungen keine Luftblasen [A]
  Falls an einer der
                      beobachten.

    emporsteigen oder eine der Behälterzellen nicht komplett
    entleert wurde, einige Male an die Unterseite [B] des Be-
    hälters klopfen.
•   Den Behälter mindestens 20 Minuten lang unverändert
    stehen lassen. Den Behälter nicht von der Batterie ent-
    fernen, bis er völlig entleert ist, da die Batterie für den
    ordnungsgemäßen Betrieb die gesamte im Behälter ent-
    haltene Batteriesäure benötigt.
                         VORSICHT
    Wird der Batteriesäurebehälter entfernt, bevor er
    völlig leer ist, kann dies die Lebensdauer der Bat-
    terie verkürzen. Den Batteriesäurebehälter erst 20
    Minuten nach völligem Entleeren von der Batterie
    entfernen.
16-24 ELEKTRIK
Batterie

• Den Batterie vor dem Aufladen Batterie herausziehen.
       Behälter vorsichtig aus der
• lassen, damit sich der Elektrolyt30 Minutenden Batterie-
  Die
                                    zwischen
                                              lang stehen

    platten verteilen kann.
                        ANMERKUNG
    ○Wird der Batterie zu früh nach dem Befüllen mit Säure
     geladen, kann dies deren Lebensdauer verkürzen. Die
     mit Säure befüllte Batterie mindestens 30 Minuten lang
     stehen lassen.

Erstladung
•Die Verschlusskappenleiste [A] provisorisch über die Ein-
 füllöffnungen der Batterie ablegen.
•Eine frisch aufbereitete Batterie benötigt eine Erstladung.
      Standard-Ladung: 0,9 A × 5 ∼ 10 Stunden
    Bei Einsatz eines empfohlenen Batterieladegeräts die
    Herstelleranweisungen für eine frisch aufbereitete war-
    tungsfreie Batterie befolgen.
    Von Kawasaki empfohlene Ladegeräte
      Optimate III
      Yuasa 1,5 A Automatik-Ladegerät
      Battery Mate 150-9
    Falls die oben genannten Ladegeräte nicht erhältlich sind,
    ein gleichwertiges Ladegerät verwenden.
                        ANMERKUNG
    ○Die   Ladedauer hängt von folgenden Faktoren ab:
     Lagerzeit der Batterie, Umgebungstemperatur und Art
     des Ladegeräts. Die Batterie nach der Erstladung 30
     Minuten lang stehen lassen und dann deren Spannung
     mit einem Voltmeter messen. Wenn sie unter 12,8 V
     liegt, den Ladevorgang wiederholen.
ELEKTRIK 16-25
Batterie

• Nach Abschluss beiden Händen fest in die Einfüllöffnun-
  penleiste [A] mit
                    des Ladevorgangs die Verschlusskap-

 gen der Batterie eindrücken (dazu keinen Hammer o. ä.
 Werkzeug verwenden). Die Verschlusskappenleiste sitzt
 korrekt, wenn sie mit der Oberseite des Batteriegehäuses
 fluchtet.
                       VORSICHT
 Nach dem Anbringen der Verschlusskappenleiste
 [A] darf diese nicht mehr von der Batterie abgenom-
 men werden; außerdem darf weder Wasser noch
 Säure nachgefüllt werden.




                      ANMERKUNG
 ○Um maximale Batterielebensdauer und Kundenzufrie-
  denheit zu gewährleisten, wird empfohlen, die Batterie
  versuchsweise 15 Sekunden lang mit dreifacher Nenn-
  kapazität (Ah) zu belasten.
  Die Spannung erneut messen und, falls die gemessene
  Spannung unter 12,8 V liegt, den Ladevorgang wieder-
  holen. Bleibt sie unter 12,8 V, ist die Batterie defekt.

Vorsichtsmaßnahmen
1) Kein Nachfüllen erforderlich
Bei normalem Einsatz ist bei dieser Batterie ein Auffüllen bis zum Ende der normalen Nutzungsdauer
nicht erforderlich. Gewaltsames Entfernen der Versiegelung und Einfüllen von Wasser ist sehr ge-
fährlich . Dies ist keinesfalls zulässig.
2) Regenerationsladung
       Wenn der Motor nicht startet, die Hupe schwach ist oder die Scheinwerfer nur schwach leuch-
    ten, kann dies auf eine entladene Batterie hinweisen. Die Batterie fünf bis zehn Stunden lang mit
    dem in den technischen Daten angegebenen Ladestrom (siehe "Technische Daten" in diesem
    Kapitel) nachladen.
       Wenn eine Schnellladung unbedingt erforderlich ist, den maximalen Ladestrom und die maxi-
    male Ladezeit für die Batterie genau einhalten.
                                            VORSICHT
 Diese Batterie altert nicht wesentlich, wenn das Nachladen gemäß dem oben beschriebe-
 nen Verfahren durchgeführt wird. Werden die oben aufgeführten Ladevorschriften nicht
 eingehalten, kann die Leistung der Batterie jedoch erheblich beeinträchtigt werden. Wäh-
 rend des Nachladens keinesfalls die Verschlussleiste bzw. Abdeckfolie entfernen.
 Wenn durch Überladung doch eine übermäßige Gasmenge erzeugt wurde, entweicht der
 Überdruck über das Sicherheitsventil.
3) Stilllegung des Motorrads für mehrere Monate.
    Die Batterie nachladen und das Minuskabel lösen, bevor das Motorrad stillgelegt wird. Während
   der Stilllegung einmal monatlich nachladen.
16-26 ELEKTRIK
Batterie
4) Batterienutzungsdauer
     Wenn der Starter den Motor auch nach mehreren Nachladungen der Batterie nicht durchdreht,
   hat die Batterie das Ende ihrer Nutzungsdauer erreicht. Die Batterie erneuern (falls kein Defekt
   im Startersystem vorliegt).
                                                ACHTUNG
    Die Batterie beim Laden nicht in die Nähe offener Flammen oder Funken platzieren, da die
    Batterie ein explosives Gasgemisch aus Wasserstoff und Sauerstoff abgibt. Bei Verwen-
    dung eines Batterieladegeräts die Batterie erst am Ladegerät anklemmen und dann das
    Ladegerät einschalten.
    Auf diese Weise werden Funken an den Batterieklemmen vermieden, die zur Entzündung
    von Batteriegasen führen können.
    Offene Flammen sind von der Batterie fern zu halten; die Batteriekabel müssen fest ange-
    klemmt sein.
    Der Elektrolyt enthält Schwefelsäure. Schwefelsäure darf nicht auf die Haut oder in die
    Augen gelangen. Bei Kontakt die Batteriesäure mit viel Wasser abspülen. Bei schweren
    Fällen einen Arzt aufsuchen.
Kompatibilität
  Eine wartungsfreie Batterie kann ihre volle Leistung nur in Kombination mit einer entsprechend
ausgelegten elektrischen Anlage erreichen. Eine auslaufgeschützte Batterie darf daher nur bei ei-
nem Motorrad eingesetzt werden, das ursprünglich ebenfalls mit einer auslaufgeschützten Batterie
ausgerüstet war.
  Wenn eine auslaufgeschützte Batterie in einem Motorrad eingebaut wird, bei dem ursprünglich eine
normale Batterie eingebaut war, verkürzt sich die Nutzungsdauer der auslaufgeschützten Batterie
deutlich.

Prüfung des Ladezustandes
○Die     Batterieladung kann durch Messen der Klemmen-
    spannung mit einem digitalem Spannungsprüfer [A]
    überprüft werden.
•   Ausbauen:
     Kraftstofftank (siehe "Ausbau des Kraftstofftanks" im Ka-
     pitel "Kraftstoffanlage (DFI)")
     Batteriekabelabdeckungen (siehe "Ausbau der Batterie"
     in diesem Kapitel)
•   Die Batteriekabel abklemmen.
                         VORSICHT
    Unbedingt das Minuskabel (–) zuerst abklemmen.

• Die Batterieklemmenspannung messen.
                        ANMERKUNG
    ○Zur Messung einen digitalen Spannungsprüfer mit einer
     Genauigkeit von mindestens einer Dezimalstelle ver-
     wenden.
    Falls die Spannung 12,8 V oder mehr beträgt, ist eine
    Regenerationsladung nicht erforderlich. Bei Spannungen
    unter diesem Wert ist ein Nachladen notwendig.
    Batterieklemmenspannung
      Standard:     12,8 V oder mehr
     Klemmenspannung (V) [A]
     Ladungsrate (%) [B]
     In Ordnung [C]
     Regenerationsladung ist erforderlich [D]
ELEKTRIK 16-27
Batterie
Regenerationsladung
• Die Batterie [A] ausbauen (siehe "Ausbau der Batterie" in
  diesem Kapitel).
• Die Batterie entsprechend ihrer Ruhespannung mit fol-
  gendem Verfahren nachladen.
                            ACHTUNG
 Diese Batterie ist eine wartungsfreie Batterie. Beim
 Laden niemals die Verschlussleiste [B] entfernen.
 Niemals Wasser einfüllen. Beim Aufladen die un-
 ten angegebenen Ladeströme und Ladezeiten ein-
 halten.

 Klemmenspannung: 11,5 ∼ weniger als 12,8 V
                   0,9 A × 5 ∼ 10 Stunden (siehe
   Standard-Ladung
                   folgende Tabelle)
    Schnellladung       4 A × 1 Stunden

                        VORSICHT
 Eine Schnellladung sollte möglichst vermieden
 werden. Falls ein Schnellladen unvermeidbar ist,
 zu späterem Zeitpunkt einen Standardladevorgang
 durchführen.

 Klemmenspannung: weniger als 11,5 V
   Ladeverfahren:  0,9 A × 20 Stunden

                        ANMERKUNG
 ○Die Ladespannung auf maximal 25 Volt erhöhen, wenn
   zunächst kein Ladestrom in die Batterie fließt. Die hö-
   here Ladespannung darf maximal 5 Minuten lang anlie-
   gen, danach den Ladestrom der Batterie kontrollieren.
   Wenn ein Ladestrom in die Batterie fließt, die Lades-
   pannung verringern und nach dem auf dem Batteriege-
   häuse angegebenen Standardverfahren laden. Wenn
   nach 5 Minuten immer noch kein Ladestrom in die Bat-
   terie fließt, die Batterie austauschen.
   Batterie [A]
   Ladegerät [B]
   Standardwert [C]
   Der Ladestrom beginnt zu fließen [D].

• Den Batteriezustand 30 MinutenNachladen prüfen.
○Den
      Batteriezustand nach dem
                                nach Ende des Ladevor-
 gangs durch Messung der Klemmenspannung entspre-
 chend der folgenden Tabelle bestimmen.
        Kriterien                   Beurteilung
   12,8 V oder höher                      Gut
                              Unzureichende Ladung →
12,0 ∼ weniger als 12,8 V
                                     Nachladen
   weniger als 12,0 V         Unbrauchbar → Erneuern
16-28 ELEKTRIK
Ladesystem
Ausbau des Lichtmaschinendeckels
• Ausbauen: Verkleidung (siehe "Ausbau der mittleren
   Linke mittlere
     Verkleidung" im Kapitel "Rahmen")
•   Den Kraftstofftank aufstellen (siehe "Ausbau des Dreh-
    zahlsensors").
     Kabelverbinder der Lichtmaschine [A]
     Klemme [B]



• Ausbauen:
   Wärmedämmung [A]
     Schrauben [B]
     Abdeckung [C]




Einbau des Lichtmaschinendeckels
• Silikondichtmittel auf die Lichtmaschinenkabeltülle und
  die Kontaktflächen [A] der Kurbelgehäusehälften an der
    Vorder- und Rückseite der Deckelhalterung auftragen.
    Dichtmittel -
              Kawasaki Bond (Silikondichtmittel): 92104-0004
• Die Passstifte [B] müssen am Kurbelgehäuse montiert
  sein.
• Folgende Teile einbauen:
   Neue Dichtung
     Lichtmaschinendeckel
     Halterungen
•   Festziehen:
    Anzugsmoment -
           Schrauben des Lichtmaschinendeckels: 12 N·m
             (1,2 kgf·m)

Ausbau der Statorwicklung
• Ausbauen:
   Lichtmaschinendeckel (siehe "Ausbau des Lichtmaschi-
     nendeckels")
     Schrauben der Statorwicklung [A]
     Halteplattenschrauben [B] und Platte [C]
     Lichtmaschinenkabeltülle [D]
•   Die Statorwicklung [E] aus dem Lichtmaschinendeckel
    ausbauen.
ELEKTRIK 16-29
Ladesystem
Einbau der Statorwicklung
• Ein nicht-permanentes Gewindedichtmittel auf die Gewin-
  degänge der Schraube für die Statorwicklung auftragen
    und die Schrauben festziehen.
    Anzugsmoment -
           Schrauben der Statorwicklung:       12 N·m (1,2
             kgf·m)
• Um dieund die Kabeltülle genau inSilikondichtmittel auf-
  tragen
         Lichtmaschinenkabeltülle
                                    die Kerbe der Abde-
    ckung einpassen.
    Dichtmittel -
              Kawasaki Bond (Silikondichtmittel): 92104-0004
• Dasdie Gewinde der Halteplattenschrauben nicht perma-
  auf
      Lichtmaschinenkabel mit der Halteplatte sichern und

    nentes Gewindedichtmittel auftragen; anschließend die
    Schrauben festziehen.
    Anzugsmoment -
           Schrauben für Halteplatte der Lichtmaschinen-
             kabel: 6,9 N·m (0,70 kgf·m)
• Den Lichtmaschinendeckel montieren (siehe "Einbau des
  Lichtmaschinendeckels").
Ausbau des Lichtmaschinenläufers
• Ausbauen:
   Lichtmaschinendeckel (siehe "Ausbau des Lichtmaschi-
     nendeckels")
     Starterleerlaufzahnrad und -welle
•   Das Öl von der Außenseite des Läufers abwischen.
•   Den Lichtmaschinenläufer mit dem Läuferhalter [A] halten
    und die Läuferschraube [B] entfernen.
    Spezialwerkzeuge -
             Griff [C]: 57001-1591
             Läuferhalter: 57001-1666
             Anschlag [D]: 57001-1679

• Mit dem Schwungradabzieher [A] den Lichtmaschinen-
  läufer von der Kurbelwelle abziehen.
    Spezialwerkzeug -
             Schwungradabzieher, M38 × 1,5: 57001-1405

                        VORSICHT
    Nicht auf den Lichtmaschinenläufer selbst schla-
    gen. Durch Schläge auf den Läufer können die Ma-
    gneten unmagnetisch werden.
16-30 ELEKTRIK
Ladesystem
Einbau des Lichtmaschinenläufers
• Mit Reinigungsflüssigkeit Öl und und diesevon den folgen-
  den genannten Teilen entfernen
                                   Schmutz
                                             mit einem sau-
    beren Tuch abtrocknen.
     Konischer Teil der Kurbelwelle [A]
     Konischer Teil des Lichtmaschinenläufers [B]
•   Die Unterlegscheibe [C] montieren.
                        ANMERKUNG
    ○Die Passung des Lichtmaschinenläufers mit der Kurbel-
     welle kontrollieren, bevor er mit dem angegebenen An-
     zugsmoment festgezogen wird.

• Die Läuferschraube [D] montierenfestziehen. Anzugs-
  moment von 70 N·m (7,0 kgf·m)
                                    und mit einem

• Die Läuferschraube ausbauen.dem Läuferhalter fixieren.
○Den Lichtmaschinenläufer mit
    Spezialwerkzeuge -
             Griff: 57001-1591
             Läuferhalter: 57001-1666
             Anschlag [D]: 57001-1679

• Das Anzugsmoment mit dem Schwungradabzieher [A]
  kontrollieren.
    Spezialwerkzeug -
             Schwungrad-Abziehvorrichtung, M38 × 1,5/M35
                × 1,5: 57001-1405
    Wenn der Läufer durch eine Zugkraft von 20 N·m (2,0
    kgf·m) nicht herausgezogen wird, ist er richtig montiert.
    Wird der Läufer bei einem geringeren Anzugsmoment he-
    rausgezogen (unter 20 N·m bzw. 2,0 kgf·m), den koni-
    schen Teil von Kurbelwelle und Läufer von Öl, Schmutz
    oder Spänen reinigen und mit einem sauberen Tuch ab-
    trocknen. Danach kontrollieren, ob die angegebene Min-
    destzugkraft erreicht wird.

• Die Schraube des Lichtmaschinenläufersdem festziehen
  und dabei den Lichtmaschinenläufer mit
                                         [B]
                                             Halter [A]
    gegenhalten.
    Spezialwerkzeuge -
             Griff [C]: 57001-1591
             Läuferhalter: 57001-1666
             Anschlag [D]: 57001-1679
    Anzugsmoment -
           Schraube des Lichtmaschinenläufers: 155 N·m
             (16 kgf·m)
• Den Lichtmaschinendeckel montieren (siehe "Einbau des
  Lichtmaschinendeckels").
ELEKTRIK 16-31
Ladesystem
Prüfung der Lichtmaschine
  Es gibt drei Arten von Defekten bei Lichtmaschinen:
Kurzschluss, Unterbrechung (durchgebrannte Adern) oder
fehlender Magnetismus des Läufers Eine Unterbrechung
oder ein Kurzschluss einer der Spulenwicklungen hat
entweder eine zu niedrige Ausgangsspannung oder keine
Ausgangsspannung zur Folge. Ein fehlender Magnetismus
am Läufer, der zu einer verminderten Ausgangsspannung
führt, kann durch Schlag oder Fall der Lichtmaschine,
durch Lagern in der Nähe eines elektromagnetischen
Feldes oder durch Alterung entstehen.

• Zur folgt vorgehen. Lichtmaschinen-Ausgangsspannung
  wie
       Kontrolle der

○Den Zündschalter ausschalten.
○Den Kraftstofftank aufstellen (siehe "Ausbau des Dreh-
 zahlsensors").
○Den Lichtmaschinenkabelverbinder [A] abziehen.
○Das Handprüfgerät anschließen (siehe Tabelle 1).
○Motor starten.
○Die in Tabelle 1 angegebene Drehzahl einstellen.
○Die Messwerte für die Spannung notieren (insgesamt 3
 Messungen).
Tabelle 1 Lichtmaschinenausgangsspannung
                       Anschlüsse                Anzeige
 Prüfgerät
             Prüfgerät (+)                      bei 4.000
  Bereich                    Prüfgerät (–) an
                  an                              U/min
             Ein schwarzes     Ein anderes      42 V oder
 250 V AC
                 Kabel       schwarzes Kabel      mehr
16-32 ELEKTRIK
Ladesystem
 Wenn die Ausgangsspannung dem Wert in der Tabelle
 entspricht, funktioniert die Lichtmaschine einwandfrei.
 Wenn die gemessene Ausgangsspannung über dem Ta-
 bellenwert liegt, ist der Regler/Gleichrichter defekt. Ein
 deutlich niedrigerer Wert als in der Tabelle weist auf ei-
 nen Defekt der Lichtmaschine hin.
•Den Widerstand der Statorwicklung wie folgt kontrollie-
 ren.
○Den Motor stoppen.
○Das handelsübliche Testgerät anschließen (siehe Tabelle
 2).
○Die Messwerte notieren (insgesamt 3 Messungen).
Tabelle 2 Widerstand der Statorwicklung
 Prüfgerät              Anschlüsse
                                                  Anzeige
  Bereich Prüfgerät (+) an   Prüfgerät (–) an
             Ein schwarzes      Ein anderes
    ×1Ω                                          0,1 ∼ 0,3 Ω
                 Kabel        schwarzes Kabel
    Ist der Widerstand höher als in der Tabelle angegeben
    oder lässt sich kein Prüfgerät ablesen (unendlich hoher
    Widerstand), ist ein Kabel am Stator unterbrochen und
    muss ersetzt werden. Ein deutlich geringerer Widerstand
    ist ein Hinweis auf einen Kurzschluss, in diesem Fall
    muss der Stator ausgetauscht werden.
•   Den höchsten Widerstandsmessbereich am Prüfgerät
    verwenden und den Widerstand zwischen den schwar-
    zen Kabeln und der Fahrgestellmasse messen.
    Jeder andere Handprüfgerät-Messwert als unendlich (∞)
    bedeutet einen Kurzschluss und der Stator muss ersetzt
    werden.
    Ist der Widerstand der Statorwicklungen normal, aber die
    Spannungsprüfung ergab eine defekte Lichtmaschine,
    sind wahrscheinlich die Rotormagnete schwach und der
    Rotor muss ausgetauscht werden.
    Spezialwerkzeug -
             Handprüfgerät: 57001-1394

Ausbau des Reglers/Gleichrichters
• Den Kraftstofftank aufstellen (siehe "Ausbau des Dreh-
  zahlsensors").
• Ausbauen:[A]
   Klemme
     Steckverbinder [B]
ELEKTRIK 16-33
Ladesystem

• Ausbauen: [A]
   Schrauben
     Regler/Gleichrichter [B]




Prüfung des Reglers/Gleichrichters
• DasinHandprüfgerät auf den Bereich × 1 kΩ durchführen.
  die der Tabelle aufgeführten Messungen
                                            schalten und

    Spezialwerkzeug -
             Handprüfgerät: 57001-1394
• Das Handprüfgerät amabweichende Werte anzeigt, den
  Wenn das Prüfgerät
                       Regler/Gleichrichter anschließen.

    Regler/Gleichrichter ersetzen.
                          VORSICHT
    Für diese Prüfung nur das Kawasaki Handprüfgerät
    57001-1394 verwenden. Ein anderes Prüfgerät kann
    abweichende Messwerte anzeigen.
    Bei Verwendung eines Megohmmeters oder eines
    anderen Hochspannungs-Multimeters könnte der
    Regler/Gleichrichter beschädigt werden.


    Widerstand des Reglers/Gleichrichters         (Einheit: kΩ)
                     Anschluss des Prüfgerät-Pluskabels (+)
                BK/BL                                   BK/W
       Klemme            BK1     BK2     BK3      BK
                 (+)                                     (–)
        BK/BL            20 ∼    20 ∼    20 ∼    20 ∼    20 ∼
                 —
         (+)             300     300     300     300     750
                                 20 ∼    20 ∼            20 ∼
         BK1    0∼5       —                      0∼1
                                 300     300             750
                         20 ∼            20 ∼    20 ∼    20 ∼
         BK2    0∼5               —
                         300             300     300     750
(–)*
                         20 ∼    20 ∼            20 ∼    20 ∼
         BK3    0∼5                       —
                         300     300             300     750
                                 20 ∼    20 ∼            20 ∼
         BK     0∼5      0∼1                      —
                                 300     300             750
        BK/W
                5 ∼ 20 5 ∼ 20 5 ∼ 20 5 ∼ 20 5 ∼ 20        —
         (–)
(–)*: (–)-Anschluss des Handprüfgeräts
• Den Regler/Gleichrichter einbauen.
    Anzugsmoment -
           Regler/Gleichrichterschrauben:        6,9 N·m (0,70
             kgf·m)
16-34 ELEKTRIK
Ladesystem
Prüfung der Ladespannung
• Den Batteriezustand prüfen (siehe "Prüfung des Ladezu-
  standes").
• Den Motor warm laufenLichtmaschine herzustellen. Be-
  triebsbedingungen der
                         lassen, um die tatsächlichen

• Ausbauen: (siehe "Ausbau des Vordersitzes" im Kapitel
    Vordersitz
     "Rahmen")
     Kappen [A]
•   Sicherstellen, dass die Zündung ausgeschaltet ist, und
    das Handprüfgerät [B] anschließen, wie in der Tabelle an-
    gegeben.
    Spezialwerkzeug -
             Handprüfgerät: 57001-1394
• Den Motor starten und die Spannungswerte bei verschie-
  denen Motordrehzahlen mit eingeschaltetem Scheinwer-
    fer und abgeschaltetem Scheinwerfer notieren. (Den
    Scheinwerferverbinder in der oberen Verkleidung ab-
    ziehen). Bei niedriger Motordrehzahl muss sich als
    Messwert fast die Batteriespannung ergeben und bei
    höherer Motordrehzahl muss auch eine höhere Span-
    nung gemessen werden. Die Spannung darf jedoch den
    Höchstwert nicht überschreiten.
Ladespannung
                           Anschlüsse
    Testbereich   Prüfgerät (+)   Prüfgerät (–)     Anzeige
                       an              an
       25 V
                   Batterie (+)   Batterie (–)    14,2 ∼ 15,0 V
    Gleichstrom

• Den Motor ausschalten und das Handprüfgerät abtren-
  nen.
    Falls die Ladespannung innerhalb des in der Tabelle an-
    gezeigten Bereichs bleibt, arbeitet das Ladesystem nor-
    mal.
    Ist die Ladespannung deutlich höher als die in der Tabelle
    angegebenen Werte, ist der Regler bzw. Gleichrichter
    defekt, oder Kabel des Reglers oder Gleichrichters sind
    locker oder unterbrochen.
    Wenn die Ladespannung bei steigender Motordrehzahl
    nicht ansteigt, ist der Regler bzw. Gleichrichter defekt
    oder die Ausgangsleistung der Lichtmaschine reicht für
    die angeschlossene Last nicht aus. Die Lichtmaschine
    und den Regler/Gleichrichter prüfen, um die Ursache zu
    ermitteln.
ELEKTRIK 16-35
Ladesystem
Ladestromkreis




  1. Zündschalter
  2. Last
  3. Hauptsicherung 30 A
  4. Starterrelais
  5. Batterie 12 V 8 Ah
  6. Rahmenmasse
  7. Lichtmaschine
  8. Regler/Gleichrichter
16-36 ELEKTRIK
Zündanlage
ELEKTRIK 16-37
Zündanlage
                         ACHTUNG
    Die Zündanlage erzeugt eine extrem hohe Span-
    nung. Die Zündkerzen und die Stabzündspulen bei
    laufendem Motor nicht berühren, sonst kann es zu
    einem schweren elektrischen Schlag kommen.

                        VORSICHT
    Die Batteriekabel oder andere elektrische Verbin-
    dung nicht trennen, wenn der Zündschalter in
    der Stellung ON steht oder der Motor läuft. Auf
    diese Weise werden Schäden an der integrierten
    IC-Zündung vermieden.
    Die Batterie nicht verkehrt herum einbauen. Bei der
    Batterie liegt der Minuspol an Masse. Auf diese
    Weise wird eine Beschädigung der Dioden und der
    Transistorzündung verhindert.

Ausbau des Kurbelwellensensors
• Den Kraftstofftank aufstellen (siehe "Ausbau des Dreh-
  zahlsensors").
     Steckverbinder des Kurbelwellensensors [A]




• Ausbauen:
   Rechte mittlere Verkleidung (siehe "Ausbau der mittle-
     ren Verkleidung" im Kapitel "Rahmen")
     Starterleerlaufzahnrad (siehe "Ausbau des Starterleer-
     laufzahnrades")
     Gummikappe [A]
     Anschluss des Öldruckschalters [B]
     Schrauben [C]
     Kurbelwellensensor [D]
     Klemme [E]
•   Die Tülle [F] herausziehen.
16-38 ELEKTRIK
Zündanlage
Einbau des Kurbelwellensensors
• Das Kabel für den Kurbelwellensensor korrekt verlegen
  (siehe Abschnitt "Verlegung von Seilzügen, Kabeln und
    Schläuchen" im Anhang).
•   Festziehen:
    Anzugsmoment -
           Kurbelwellensensorschrauben:         5,9 N·m (0,60
             kgf·m)
• SilikondichtmittelKurbelwellensensors (allseitig) [A]
   Kabeltülle des
                     auftragen.

     Kontaktflächen der Kurbelgehäusehälften [B]
    Dichtmittel -
              Kawasaki Bond (Silikondichtmittel): 92104-0004
• Folgende Teile einbauen:
   Klemme
     Starterkupplungsdeckel (siehe "Einbau des Starterleer-
     laufzahnrades" im Kapitel "Kurbelwelle/Getriebe")

• Anschließen:
   Sensorkabelverbinder
     Öldruckschalterkabel (siehe "Einbau des Öldruckschal-
     ters" im Kapitel "Motorschmieranlage")
•   Die ausgebauten Teile einbauen (siehe entsprechende
    Kapitel).
Prüfung des Kurbelwellensensors
• Ausbauen:
   Kabelverbinder des Kurbelwellensensors (siehe "Aus-
     bau des Kurbelwellensensors")
•   Das Handprüfgerät [A] auf den Messbereich ×100 Ω ein-
    stellen und das Pluskabel (+) mit dem schwarzen Kabel
    und das Minuskabel (–) mit dem schwarz/gelben Kabel
    im Verbinder [B] verbinden.
    Spezialwerkzeug -
             Handprüfgerät: 57001-1394
    Wenn der Widerstand größer ist als der Sollwert, ist ein
    Kabel der Spule unterbrochen und die Spule muss ersetzt
    werden. Ist der Widerstand deutlich geringer als der Soll-
    wert, hat die Spule einen Kurzschluss und muss ersetzt
    werden.

      Widerstand des Kurbelwellensensors: 380 ∼ 570 Ω

• Den Widerstand zwischen den Kurbelwellensensorka-
  beln und Fahrgestellmasse mit dem höchsten Wider-
    standsmessbereich messen.
    Jede Anzeige auf dem Prüfgerät, die nicht unendlich groß
    (∞) ist, ist ein Hinweis auf einen Kurzschluss, bei dem der
    Kurbelwellensensor ersetzt werden muss.
ELEKTRIK 16-39
Zündanlage
Spitzenspannung am Kurbelwellensensor
                      ANMERKUNG
    ○Die Batterie muss voll aufgeladen sein.
    ○Die Verwendung eines Spitzenspannungsadapters zur
     Prüfung des Kurbelwellensensors ist einer Messung
     des Kurbelwellensensor-Widerstands vorzuziehen.

• Ausbauen:
   Kabelverbinder des Kurbelwellensensors (siehe "Aus-
     bau des Kurbelwellensensors")

• Handprüfgerät [A] auf den Bereich ×10 V anschließen.
  und an den Spitzenspannungsadapter [B]
                                           DC einstellen

• Mit einem das schwarz/gelbe Kabel Kabel (–) [C] und das
  apters an
            Prüfkabel das schwarze
                                    anschließen
                                                  des Ad-

    rote Kabel (+) [D] an das schwarze Kabel im Verbinder
    [E] des Kurbelwellensensors.
•   Den Zündschalter einschalten und den Motorstoppschal-
    ter betätigen.



• Den Starterknopf drücken 5 Sekunden mit dem Anlasser
  lung des Getriebes 4 bis
                           und den Motor bei Leerlaufstel-

    drehen, um die Kurbelwellensensor-Spitzenspannung zu
    messen.
•   Die Messung mindestens fünfmal wiederholen.
    Spitzenspannung am Kurbelwellensensor
      Standard: 3,2 V oder mehr

    Spezialwerkzeuge -
             Handprüfgerät: 57001-1394
             Spitzenspannungsadapter: 57001-1415
             Typ: KEK-54-9-B
    Wenn die Anzeige am Prüfgerät nicht dem Sollwert ent-
    spricht, den Kurbelwellensensor überprüfen.
Ausbau der Stabzündspulen
• Ausbauen:
   Luftfiltergehäuse (siehe "Ausbau des Luftfiltergehäuses"
     im Kapitel "Kraftstoffanlage (DFI)")
•   Die Verbinder für die Stabzündspulen [A] trennen.
•   Die Stabzündspulen [B] von den Zündkerzen abziehen.
                       VORSICHT
    Den Verbinder der Zündspule beim Ausbau der
    Zündspule nicht mit Gewalt abziehen.
16-40 ELEKTRIK
Zündanlage
Einbau der Stabzündspulen
• Die Stabzündspulen [B] gemäß Abbildung einsetzen und
      Stabzündspulen [A] einfetten.
• dabei auf die Orientierung der Spulenköpfe achten.
  Die

○Die Linien [C] am Zylinderkopfdeckel mit den Linien an
    den Spulenkopfverbindern ausrichten.




○Die Montage der Stabzündspulen durch leichtes Ziehen
    an [A] kontrollieren.




                            VORSICHT
    Beim Einbau der Spule nicht auf den Zündspulen-
    kopf schlagen.

• Die Steckverbinder anklemmen.
• Die Schläuche und den Kabelbaum korrekt verlegen
  (siehe Abschnitt "Verlegung von Seilzügen, Kabeln und
    Schläuchen" im Anhang).
•   Die ausgebauten Teile einbauen (siehe entsprechende
    Kapitel).
Prüfung der Stabzündspulen
• Die Stabzündspulen ausbauen (siehe "Ausbau der Stab-
  zündspulen").
• Den Widerstand der Primärwicklung [A] wie folgt messen.
○Das Handprüfgerät mit den Spulenanschlüssen verbin-
    den.
○Das Handprüfgerät auf den Bereich × 1 Ω schalten und
 die Anzeige ablesen.
•Den Widerstand der Sekundärwicklung [B] wie folgt mes-
 sen.
○Das Prüfgerät zwischen Zündkerzenanschluss und (–)
 Spulenanschluss anschließen.
○Das Handprüfgerät auf den Bereich × 1 kΩ schalten und
 die Anzeige ablesen.
    Widerstand der Zündspulenwicklung
     Primärwicklungen:     1,2 ∼ 1,6 Ω
      Sekundärwicklungen: 8,5 ∼ 11,5 kΩ
    Wenn die Anzeige des Handprüfgeräts nicht der Vorga-
    ben entspricht, die Zündspule austauschen.
ELEKTRIK 16-41
Zündanlage
Spitzenspannung der Primärwicklung der
Stabzündspule
                        ANMERKUNG
    ○Die Batterie muss voll aufgeladen sein.
• Die Stabzündspulendie Zündkerzenstecker nicht entfer-
  zündspulen"), aber
                     ausbauen (siehe "Ausbau der Stab-

 nen.
•Die Primärspitzenspannung wie folgt messen.
○Neue Zündkerzen [A] an die Stabzündspulen [B] an-
 schließen und mit der Motormasse verbinden.
○Einen Spitzenspannungsadapter [C] am Prüfgerät [D] an-
 schließen, und dieses auf den Messbereichs × 250 V DC
 einstellen.
○Den Adapter am Kabelader-Spitzenspannungsadapter
 [E] anschließen, der zwischen dem Verbinder der
 Stabzündspule und der Stabzündspulenwicklung ange-
 schlossen ist.
  ECU [F]
    Spezialwerkzeuge -
             Handprüfgerät: 57001-1394
             Spitzenspannungsadapter: 57001-1415
             Typ: KEK-54-9-B
             Kabelader-Spitzenspannungsadapter:      57001
                -1449

    Primärkabelanschluss
      Adapter (R, +) zur Kabelader - Spitzenspannungsad-
      apter:
        Stabzündspule   Nr.   1   (BK)
        Stabzündspule   Nr.   2   (BK/G)
        Stabzündspule   Nr.   3   (BK/W)
        Stabzündspule   Nr.   4   (BK/O)
      Adapter (BK, –) zu Kabela-
      der-Spitzenspannungsadapter (R)
○Das   Luftfiltergehäuse [G] provisorisch einbauen (siehe
 "Einbau des Luftfiltergehäuses" im Kapitel "Kraftstoffan-
 lage (DFI)").
○Die Kraftstoffschlauchverschraubung von der Kraftstoff-
 pumpe abmontieren.
○Den bereitgelegten Kraftstoffschlauch mit der Kraftstoff-
 zuleitung der Kraftstoffpumpe verbinden.
○Den Kraftstoffschlauch in den richtigen Behälter einfüh-
 ren.
16-42 ELEKTRIK
Zündanlage
                           ACHTUNG
    Um Stromschlag durch die extrem hohe Spannung
    zu vermeiden, die Zündkerzen und die Verbindun-
    gen am Prüfgerät nicht berühren.

• Die Zündung einschalten und den Motorstoppschalter auf
  ON stellen.
• Den Anlasserknopf drücken Sekunden mit dem Leerlauf-
  stellung des Getriebes 4 ∼ 5
                               und den Motor bei
                                                 Anlasser
    drehen, um die Primärspitzenspannung zu messen.
•   Die Messung für jede Stabzündspule fünfmal wiederho-
    len.
    Spitzenspannung der Primärwicklung der Stabzündspule
      Standard: 80 V oder mehr

• Die Prüfung für die anderen Stabzündspulen wiederho-
  len.
    Liegt der Messwert unterhalb des angegebenen Soll-
    werts, folgende Details überprüfen.
     Stabzündspulen (siehe "Prüfung der Stabzündspulen")
     Kurbelwellensensor (siehe "Prüfung des Kurbelwellen-
     sensors")
     ECU (siehe "Prüfung der ECU-Stromversorgung" im Ka-
     pitel "Kraftstoffanlage (DFI)")
Ausbau der Zündkerze
• Siehe die Anweisungen zum Ersetzen"Wechsel der Zünd-
  Kapitel Regelmäßige Wartung (siehe
                                     der Zündspulen im

    kerze" im Kapitel "Regelmäßige Wartung").
Einbau der Zündkerze
• Siehe die Anweisungen zum Ersetzen"Wechsel der Zünd-
  Kapitel Regelmäßige Wartung (siehe
                                     der Zündspulen im

    kerze" im Kapitel "Regelmäßige Wartung").
Reinigung und Prüfung der Zündkerze
• Die Zündkerze herausdrehen und einer Sichtprüfung un-
  terziehen.
• Die Zündkerzen vorzugsweise mit einem entfernen. Die
  bläse reinigen und dann die Abriebpartikel
                                             Sandstrahlge-

    Zündkerze kann auch in einem Lösungsmittel mit hohem
    Flammpunkt und mit einer Drahtbürste oder einem ande-
    ren geeigneten Werkzeug gereinigt werden.
    Wenn die Mittelelektrode der Zündkerze [A] und/oder die
    Seitenelektrode [B] korrodiert oder beschädigt sind oder
    der Isolator [C] Risse aufweist, die Zündkerze erneuern.
    Die Zündkerze ersetzen, wenn sie verschmutzt oder ver-
    rußt ist.
•   Den Elektrodenabstand [D] mit einer Fühlerlehre aus
    Draht messen.
    Die Zündkerze ersetzen, wenn der Elektrodenabstand
    falsch ist.
      Elektrodenabstand:       0,7 ∼ 0,8 mm

• Die Standardzündkerze oder eine gleichwertige Zünd-
  kerze verwenden.
      Zündkerze:        CR9E
ELEKTRIK 16-43
Zündanlage
Ausbau des Nockenwellensensors
• Ausbauen:
   Luftfiltergehäuse (siehe "Ausbau des Luftfiltergehäuses"
     im Kapitel "Kraftstoffanlage (DFI)")
     Stecker für den Nockenwellensensor [A]




• Ausbauen:
   Mittlere Verkleidung (siehe "Ausbau der mittleren Ver-
     kleidung" im Kapitel "Rahmen")
     Befestigungsschrauben des Motorkühlers (siehe "Aus-
     bau des Motorkühlers" im Kapitel "Kühlsystem")
     Wärmedämmung [A]
     Schraube für den Nockenwellensensor [A]
     Nockenwellensensor [B]



Einbau des Nockenwellenpositionssensors
• Den O-Ring [A] mit Hochtemperaturfett einfetten.
• Festziehen:
    Anzugsmoment -
           Schraube für Nockenwellensensor: 9,8 N·m (1,0
             kgf·m)




• Die Wärmedämmung [A] mit den linken Nasen zuerst ein-
  bauen.
○Die Nasen [B] der Wärmedämmung in die Bohrungen [C]
    im Rahmen einsetzen.
•   Den Motorkühler einbauen (siehe "Einbau des Motorküh-
    lers" im Kapitel "Kühlsystem").




Prüfung des Nockenwellenpositionssensors
• Ausbauen: den Nockenwellensensor [A]
   Stecker für
16-44 ELEKTRIK
Zündanlage

• mit den Anschlüssenauf den Bereich × 10 Ω stellen und
  Das Handprüfgerät
                      verbinden.
    Spezialwerkzeug -
             Handprüfgerät: 57001-1394
    Ist der Widerstand höher als der Sollwert, ist die Sensor-
    wicklung kurzgeschlossen und muss ersetzt werden. Ist
    der Widerstand deutlich geringer als der Sollwert, hat die
    Sensorspule einen Kurzschluss und muss ersetzt wer-
    den.
      Widerstand des Nockenwellensensors: 400 ∼ 460 Ω

• Mit dem höchsten Widerstandsmessbereich den Wider-
  stand zwischen den Kabeln des Nockenwellensensors
    und der Fahrgestellmasse messen.
    Jede Prüfgeräteanzeige, die nicht unendlich groß (∞) ist,
    weist auf einen Kurzschluss hin, und der Nockenwellen-
    sensor muss ersetzt werden.
Prüfung der Spitzenspannung am
Nockenwellensensor
• Ausbauen:
   Verbinder    des Nockenwellensensors (siehe "Ausbau
     des Nockenwellensensors")
•   Ein Handprüfgerät [A] auf den Messbereich 10 V DC ein-
    stellen.
•   Den Spitzenspannungsadapter [B] an das Handprüfge-
    rät und an den Klemmen des Nockenwellensensors an-
    schließen.
    Spezialwerkzeuge -    Handprüfgerät: 57001-1394
                          Spitzenspannungsadapter:         57001
                             -1415
                          Typ: KEK-54-9-B

    Anschlüsse:
      Anschlussklemme
                                                 Handprüf-
       des Nockenwel-            Adapter
                                                   gerät
         lensensors
         Weiß/gelb [C]     ←       Rot      →        (–)
            Gelb [D]       ←    Schwarz     →        (+)

• Den Zündschalterbetätigen. ON bringen und den Mo-
  torstoppschalter
                    in die Stellung

• Starterknopf drücken, denlaufen lassen, um die Nocken-
  Getriebe-Neutralstellung
                             Motor 4 ∼ 5 Sekunden lang bei

    wellensensor-Spitzenspannung zu messen.
•   Die Messung mindestens fünfmal wiederholen.
    Spitzenspannung des Nockenwellensensors
      Standard: 0,4 V oder mehr
    Wenn die Spitzenspannung niedriger als der Sollwert ist,
    den Nockenwellensensor überprüfen.
ELEKTRIK 16-45
Zündanlage
Funktionsprüfung der Wegfahrsperre
• Mit einem Stützbock [A] das Hinterrad aufbocken.




1. Prüfung
• Den Motor unter folgenden Bedingungen starten.
    Zustand
      Getriebe → 1. Gang
      Kupplungshebel → Freigegeben
      Seitenständer → Herunter- oder hochgeklappt
○Den Zündschalter in die Stellung ON bringen und den
 Starterknopf drücken.
○Bei einwandfreiem Starterschaltkreis darf der Starter
 nicht drehen.
 Wenn der Motor startet, den Wegfahrsperrenschalter,
 Gangpositionsschalter und Relaiskasten überprüfen.
 Falls diese Teile normal sind, die ECU austauschen.
2. Prüfung
• Den Motor unter folgenden Bedingungen starten.
    Zustand
      Getriebe → 1. Gang
      Kupplungshebel → Eingezogen
      Seitenständer → Hochgeklappt
○Den Zündschalter in die Stellung ON bringen und den
 Starterknopf drücken.
○Bei einwandfreiem Starterschaltkreis muss sich der Star-
 ter drehen.
 Wenn sich der Startermotor nicht dreht, den Wegfahr-
 sperrenschalter, Gangpositionsschalter und Relaiskasten
 überprüfen.
 Falls diese Teile normal sind, die ECU austauschen.
3. Prüfung
• Nach Durchführung der folgenden Schritte kontrollieren,
  ob der Motor sicher gestoppt werden kann.
• Den Motor unter folgenden Bedingungen betreiben.
    Zustand
      Getriebe → 1. Gang
      Kupplungshebel → Freigegeben
      Seitenständer → Hochgeklappt

• Den Seitenständer herunterklappen, wodurch der Motor
  stoppen muss.
    Falls der Motor nicht stoppt, den Seitenständerschalter,
    den Wegfahrsperrenschalter, den Getriebepositions-
    schalter und den Relaiskasten überprüfen.
    Falls diese Teile normal sind, die ECU austauschen.
16-46 ELEKTRIK
Zündanlage
Prüfung der IC-Zündschaltgeräts
○Das IC-Zündschaltgerät ist in die ECU [A] integriert.
• Zum ÜberprüfenWegfahrsperre, Fehlersuchdiagramm der
  onsprüfung der
                 der ECU-Stromversorgung siehe Funkti-

 Zündanlage und das Kapitel "Kraftstoffanlage (DFI)".
ELEKTRIK 16-47
Zündanlage
Zündungsschaltkreis




   1. Zündschalter                 14. Motorstoppschalter
   2. Steckverbindung C            15. Masse des Zylinderkopfdeckels
   3. Wegfahrsperrenschalter       16. Zündkerzen
   4. Sicherungskasten             17. Stabzündspulen
   5. ECU-Sicherung 10 A           18. Nockenwellenpositionssensor
   6. Zündungssicherung 10 A       19. Hauptdrosselklappensensor
   7. Relaiskasten                 20. Gangpositionsschalter
   8. ECU-Hauptrelais              21. Seitenständerschalter
   9. Wegfahrsperren-Schaltkreis   22. Kurbelwellensensor
  10. Steckverbindung B            23. ECU
  11. Hauptsicherung 30 A          24. Umkippsensor
  12. Rahmenmasse                  25. Wegfahrsperren-Antenne (ausgerüstete Modelle)
  13. Batterie 12 V 8 Ah           26. Wegfahrsperren-Verstärker (ausgerüstete Modelle)
16-48 ELEKTRIK
Elektrostarteranlage
Ausbau des Starters
• Ausbauen:
   Starterkupplungsdeckel [A] (siehe "Ausbau des Leer-
      laufzahnrades" im Kapitel "Kurbelwelle/Getriebe")
•   Die Gummikappe [B] nach hinten schieben.
•   Folgende Teile entfernen:
      Klemmschraube des Startermotors [C]
      Befestigungsschrauben [D]
•   Den Startermotor [E] von der rechten Motorseite abmon-
    tieren.

Einbau des Starters
                        VORSICHT
    Nicht auf die Welle oder das Gehäuse des Starters
    schlagen, Durch Schlagen auf Welle oder Gehäuse
    kann der Starter beschädigt werden.


• Den O-Ring [A] erneuern.
• Den O-Ring einfetten.




• Vor dem Einbau[B] anStarters dessen Sockel [A] und das
  Kurbelgehäuse
                 des
                       den Stellen reinigen, an denen der
    Starter mit Fahrgestellmasse verbunden wird.
                        ANMERKUNG
    ○Die Befestigungsschrauben des Startermotors proviso-
     risch eindrehen.




• Folgende Teile einbauen:(siehe "Einbau des Starterkupp-
   Starterkupplungsdeckel
     lungsdeckels" im Kapitel "Kurbelwelle/Getriebe")
○Das Loch [A] im Deckel mit dem Starteranschlussstück
    [B] ausrichten und den Deckel am Kurbelgehäuse mon-
    tieren.
•   Festziehen:
    Anzugsmoment -
           Starter-Befestigungsschrauben: 9,8 N·m (1,0
              kgf·m)
           Klemmschraube des Startermotorkabels: 2,9
              N·m (0,30 kgf·m)
ELEKTRIK 16-49
Elektrostarteranlage
Zerlegung des Startermotors
• Den Startermotor an den Schrauben [A] herausnehmen.




• Ausbauen:
   Linker Abschlussdeckel [A]
     Rechter Abschlussdeckel [B]
     Anker [C]
     Joch [D]




Zusammenbau des Startermotors
• Die Öldichtung [A] dünn mit Fett auf die Nase [D] am lin-
                                   bestreichen.
• ken Abschlussdeckel anpassen.
  Die Nut [B] der Zahnscheibe [C]

• Die Unterlegscheibe [E] montieren.



• Die geeigneten Klemmen [A] gemäß Abbildung eindrü-
  mit
      Federn, die die Stromabnehmerbürstenkabel halten,

    cken.
•   Den Anker [B] zwischen die Kontaktbürsten einsetzen.




• Die neuen O-Ringe [A] wie dargestellt einsetzen.
16-50 ELEKTRIK
Elektrostarteranlage

• Die Nut [A] im dem Joch aufeinander ausrichten.Hohlmar-
  kierung [B] in
                 rechten Abschlussdeckel und die




• Die Hohlmarkierung [B] am Joch aufeinander ausrichten.
  die
      Hohlmarkierung [A] am linken Abschlussdeckel und




Prüfung der Kohlebürsten
• Dieeine Kontaktbürste stärker verschlissen als nach dem
  Ist
      Länge [A] jeder Kohlebürste messen.

 Grenzwert zulässig, die Kontaktbürste als komplette Bau-
 gruppe ersetzen.
 Länge der Kohlebürste
   Standard:    7 mm
    Grenzwert:    3,5 mm


Reinigung und Prüfung des Kollektors
• Die KollektoroberflächeNuten reinigen. Schmirgellei-
  nen [B] glätten und die
                          [A] ggf. mit feinem




• Den Durchmesser [A] des Kollektors [B] messen. Grenz-
  Unterschreitet der Kommutatordurchmesser den
 wert, den Startermotor durch einen neuen Startermotor
 ersetzen.
 Kollektordurchmesser
   Standard:    24 mm
    Grenzwert:    23 mm
ELEKTRIK 16-51
Elektrostarteranlage
Prüfung des Ankers
• Mit Messbereichzwei Ω des Handprüfgeräts den Wider-
  stand zwischen
                  ×1
                      beliebigen Kommutatorsegmenten
    [A] messen.
    Spezialwerkzeug -
             Handprüfgerät: 57001-1394
    Wird zwischen zwei Segmenten (∞) ein hoher Widerstand
    oder kein Widerstand gemessen, liegt eine Unterbre-
    chung in der Wicklung vor und der Starter muss ersetzt
    werden.
•   Das Prüfgerät auf den höchsten Widerstandsmess-
    bereich einstellen und den Widerstand zwischen den
    Kollektorsegmenten und der Welle [B] messen.
    Wenn eine Anzeige feststellbar ist, liegt ein Kurzschluss
    im Anker vor und der Starter muss ersetzt werden.

                        ANMERKUNG
    ○Selbst wenn diese Prüfungen des Ankers keine Mängel
     aufzeigen, kann im Anker ein Defekt vorliegen, der sich
     nicht mit dem Prüfgerät erkennen lässt. Wenn alle an-
     deren Komponenten im Stromkreis des Startermotors
     und der Startermotor selbst anscheinend in Ordnung
     sind, der Startermotor jedoch nicht durchdreht oder
     nur schwer durchdreht, den Startermotor durch einen
     neuen ersetzen.

Prüfung der Kontaktbürstenkabel
• Mit Messbereich × 1 messen.
  stand wie dargestellt
                        Ω des Handprüfgeräts den Wider-

     Klemmschraube und positive Bürste [A]
     Rechter Abschlussdeckel und negative Bürste [B]
    Spezialwerkzeug -
             Handprüfgerät: 57001-1394
    Beträgt der Messwert deutlich mehr als 0 Ohm, liegt eine
    Unterbrechung im Kohlebürstenkabel vor. Die Pluskon-
    taktbürste bzw. die Minuskontaktbürste als komplette
    Baugruppe ersetzen.
Prüfung des rechten Abschlussdeckels
• Mit dem höchsten Widerstandsmessbereich am Prüfgerät
  den Widerstand wie in der Abbildung messen.
     Klemme und rechter Abschlussdeckel [A]
    Spezialwerkzeug -
             Handprüfgerät: 57001-1394
    Wenn ein Wert gemessen wird, liegt ein Kurzschluss
    in dem rechten Abschlussdeckel vor. Den rechten Ab-
    schlussdeckel ersetzen.
16-52 ELEKTRIK
Elektrostarteranlage
Prüfung des Starterrelais
• Abziehen:
   Batterie-Minusklemme (–)
• Ausbauen: (siehe "Ausbau des Vordersitzes" im Kapitel
   Vordersitz
     "Rahmen")
•   Das Starterrelais [A] herausziehen.




• Ausbauen: [A]
   Steckverbinder
     Batteriekabel [B]
     Starterkabel [C]




• Das Handprüfgerät [A] undwie gezeigt.
  terrelais [C] anschließen,
                             eine 12 V Batterie [B] am Star-

    Spezialwerkzeug -
             Handprüfgerät: 57001-1394
    Wenn die Relaisfunktion nicht den Vorgaben entspricht,
    ist das Relais defekt. Das Relais ersetzen.
    Prüfung des Relais
      Messbereich      ×1 Ω Bereich
      des Prüfgeräts:
      Kriterien:         Bei angeschlossener Batterie → 0 Ω
                         Bei abgeklemmter Batterie → ∞ Ω
ELEKTRIK 16-53
Elektrostarteranlage
Starterschaltkreis




   1. Motorstoppschalter              11. ECU
   2. Starterknopf                    12. Wegfahrsperrenschalter
   3. Sicherungskasten                13. Relais des Starterstromkreises
   4. Zündungssicherung 10 A          14. Relaiskasten
   5. Zündschalter                    15. Startermotor
   6. Masse des Zylinderkopfdeckels   16. Hauptsicherung 30 A
   7. Steckverbindung C               17. Starterrelais
   8. Steckverbindung B               18. Batterie 12 V 8 Ah
   9. Gangpositionsschalter           19. Masseanschluss des Motors
  10. Seitenständerschalter           20. Rahmenmasse
16-54 ELEKTRIK
Beleuchtungssystem
  Bei diesem Motorrad kommt ein Tageslichtsystem zum
Einsatz, im Relaiskasten befindet sich ein Scheinwerferre-
lais. Wenn der Zündschalter und der Motorstoppschalter
auf ON gestellt werden, schaltet sich der Scheinwerfer zu-
nächst noch nicht ein. Der Scheinwerfer wird eingeschaltet,
sobald den Starterknopf losgelassen wird, und bleibt einge-
schaltet, bis der Zündschalter in die Stellung OFF gedreht
wird. Der Scheinwerfer erlischt kurzzeitig, wenn den Star-
terknopf gedrückt wird, und leuchtet wieder auf, wenn den
Starterknopf freigegeben wird.
Horizontale Einstellung des Scheinwerfers
• Siehe "PrüfungWartung".
  "Regelmäßige
                 der Scheinwerferausrichtung" im Kapitel


Vertikaleinstellung des Scheinwerfers
• Siehe "PrüfungWartung".
  "Regelmäßige
                 der Scheinwerferausrichtung" im Kapitel


Ersatz der Scheinwerferglühlampe
• Ausbauen:
   Rechte Innenabdeckung (siehe "Ausbau der Innenabde-
   ckung" im Kapitel "Rahmen")
   Scheinwerferverbinder [A]




• Dieeindrehen.
  [B]
      Scheinwerferglühlampe [A] gegen den Uhrzeigersinn

                       VORSICHT
 Halogenglühlampen niemals mit bloßen Händen
 am Glaskolben fassen. Stets ein sauberes Tuch
 verwenden. Fettspuren von den Händen oder von
 schmutzigen Putzlappen können die Nutzungs-
 dauer der Glühlampe reduzieren oder zum Bersten
 des Glaskolbens führen.

                      ANMERKUNG
 ○Versehentlich   verunreinigte Glühlampen mit Alkohol
   oder einer Seifenlösung reinigen.

• Die Nasen [A] der Glühlampeersetzen.
      Scheinwerferglühlampe
• Scheinwerfers einsetzen. in die Aussparungen [B] des
  Die

• Die Glühlampe imdie Scheinwerferausrichtung einstellen
                     Uhrzeigersinn drehen.
• Nach dem Einbau Scheinwerferausrichtung" im Kapitel
  (siehe "Prüfung der
 "Regelmäßige Wartung").
ELEKTRIK 16-55
Beleuchtungssystem
Austausch der Stadtlicht-Glühlampe
• Ausbauen: Verkleidung (siehe "Ausbau der mittleren
   Mittlere innere
     inneren Verkleidung" im Kapitel "Rahmen")
•   Die Fassung [A] gegen den Uhrzeigersinn drehen und zu-
    sammen mit der Glühlampe herausziehen.




• Die Glühlampe [A] aus der Fassung [B] ziehen.
                         VORSICHT
    Die Glühlampe nicht drehen. Die Glühlampe so he-
    rausziehen, dass sie nicht beschädigt wird. Nur
    Glühlampen einsetzen, die die gleiche Wattzahl auf-
    weisen.




• Die Fassung hineindrücken und im Uhrzeigersinn drehen.
○Die Nasen [A] an der Fassung in die Nuten des Stadtlicht-
    gehäuses einpassen.




Ausbau/Einbau des Scheinwerfers
• Ausbauen:
   Obere Verkleidung (siehe "Ausbau der oberen Verklei-
     dung" im Kapitel "Rahmen")
     Mittlere innere Verkleidung (siehe "Ausbau der mittleren
     inneren Verkleidung" im Kapitel "Rahmen")
•   Ausbauen:
     Schrauben [A]
     Schrauben [B]
•   Siehe die Anweisungen zum Zusammenbau der oberen
    Verkleidung im Kapitel Rahmen (siehe "Zusammenbau
    der oberen Verkleidung" im Kapitel "Rahmen").
16-56 ELEKTRIK
Beleuchtungssystem
Ausbau der LED für Rück-/Bremsleuchte
• Ausbauen: (siehe "Ausbau der Sitzabdeckung" im
   Sitzabdeckung
     Kapitel "Rahmen")
•   Abziehen:
     Verbinder der Rück-/Bremsleuchte (LED) [A]
•   Ausbauen:
     Klemme [B]



• Ausbauen:
   Linke Auspufftopfabdeckung      [A] (siehe "Ausbau der
     Blinkerleuchten")
     Abdeckung der hinteren Blinkerleuchte [B]
     Linke Blinkerleuchte [C] (siehe "Ausbau der Blinker-
     leuchten")




• Befestigungsschrauben [A] abschrauben.
• Die Rück-/Bremsleuchte (LED) [B] entfernen.




Einbau der Rück-/Bremsleuchte (LED)
• Die Nut [A] der Leuchte in die Kante [B] der Blinkerleuch-
  ten-Abdeckung einpassen.




Austausch der Glühlampe der Kennzeichen-
beleuchtung
• Ausbauen: [A]
   Schrauben
     Abdeckung der Kennzeichenbeleuchtung [B]
     Glühlampe
ELEKTRIK 16-57
Beleuchtungssystem

• Dieauf dieGlühlampe [A] mit dem[C] der Fassung ausrich-
  [B]
      neue
             obere und untere Nut
                                  oberen und unteren Stift

 ten und die Glühlampe nach rechts drehen.
○Die Glühlampe etwa 15° Grad nach rechts drehen.




Schaltkreis des Scheinwerfers/Rücklichts




   1. Zündschalter                                  13. Sicherungskasten
   2. Fernlicht-Anzeigeleuchte (LED)                14. Scheinwerferrelais
   3. Steckverbindung C                             15. Relaiskasten
   4. Scheinwerfer (Abblendlicht)                   16. Steckverbindung B
   5. Stadtlicht                                    17. Starterrelais
   6. Scheinwerfer (Fernlicht)                      18. Hauptsicherung 30 A
   7. Steckverbindung A                             19. Rahmenmasse
   8. Abblendlichtschalter                          20. Batterie 12 V 8 Ah
   9. Abblendschalter                               21. Kennzeichenleuchte
  10. Linke Lenkerarmatur                           22. Rücklicht/Bremslicht (LED)
  11. Scheinwerfersicherung 10 A                    23. Masse des Zylinderkopfdeckels
  12. Rückleuchtensicherung 10 A                    24. Lichtmaschine
16-58 ELEKTRIK
Beleuchtungssystem

Austausch der Blinkerglühlampen
Für die vordere Blinkerleuchte
•Ausbauen:
  Innenabdeckung (siehe "Ausbau der Innenabdeckung"
  im Kapitel "Rahmen")
  Aktivkohlebehälter (Modell für Kalifornien, links)
  Relaiskasten (siehe "Ausbau des Relaiskastens")

• Die Fassung [A] gegen den Uhrzeigersinn drehen und zu-
  sammen mit der Glühlampe herausziehen.




• [A] nachnach links drehen und herausnehmen. links dre-
  hen [B]
           unten drücken, die Glühlampe [C] nach




• Dieauf dieGlühlampe [A] mit dem[C] der Fassung ausrich-
  [B]
      neue
             obere und untere Nut
                                  oberen und unteren Stift

 ten und die Glühlampe nach rechts drehen.
○Die Glühlampe etwa 15° Grad nach rechts drehen.
•Die Fassung hineindrücken und im Uhrzeigersinn drehen.
○Die Nasen [D] an der Fassung in die Nuten der Leuchte
 einpassen.




Für die linke Blinkerleuchte
•Die Schraube [A] herausdrehen und die Blinkerstreulinse
 [B] abnehmen.
ELEKTRIK 16-59
Beleuchtungssystem

• Die Glühlampe [A] nach unten drücken, nach links drehen
  und herausnehmen.




• Eine[B] auf Glühlampeund mit denNut [C] der Fassung aus-
  ten
       neue
              die untere
                         [A]
                             obere
                                   unteren und oberen Stif-

    richten und die Glühlampe nach rechts drehen.




Ausbau der Blinkerleuchten
Für die vordere Blinkerleuchte
•Ausbauen:
  Linke mittlere Verkleidung (siehe "Ausbau der mittleren
  Verkleidung" im Kapitel "Rahmen")
  Behälterhalterung [A] (Modell für Kalifornien)
  Schrauben [B]
  Linke Blinkerleuchte [C]



• Ausbauen:
   Rechte mittlere Verkleidung (siehe "Ausbau der mittle-
     ren Verkleidung" im Kapitel "Rahmen")
     Schrauben [A]
     Relaiskastenhalterung mit Relaiskasten [B]
     Rechte Blinkerleuchte




Für die linke Blinkerleuchte
•Ausbauen:
  Sitzabdeckung (siehe "Ausbau der Sitzabdeckung" im
  Kapitel "Rahmen")
  Verbinder der rechten und linken Blinkerleuchten [A]
16-60 ELEKTRIK
Beleuchtungssystem

• Ausbauen: [A]
   Schrauben
  Linke Auspufftopfabdeckung [B]
○Die Abdeckung so nach vorne herausziehen, dass sie
 nicht an den Haken [C] anstößt.




• Ausbauen: [A]
   Schnellniete
  Schrauben [B]
  Linke Blinkerleuchte mit Abdeckung [C]




• Ausbauen:
   Rück-/Bremsleuchte   (siehe "Ausbau       der   Rück
  -/Bremsleuchte")
  Schrauben [A]
  Rechte Blinkerleuchte mit Abdeckung [B]




• Ausbauen: [A]
   Schrauben
• Die Leuchte [C] von der Abdeckung [B] trennen.




Prüfung des Blinkgeberrelais
• Ausbauen:
   Rechte Innenabdeckung (siehe "Ausbau der Innenabde-
  ckung" im Kapitel "Rahmen")
  Blinkgeberrelais [A]
ELEKTRIK 16-61
Beleuchtungssystem
Modelle für USA, Kanada und Australien
•Eine Batterie 12 Volt und die Blinkerleuchten wie in der
 Abbildung dargestellt anschließen und zählen, wie oft die
 Blinkerleuchten pro Minute blinken.
  Blinkgeberrelais [A]
  Blinkerleuchten [B]
  12 V Batterie [C]
 Wenn die Blinkfrequenz nicht den Vorgaben entspricht,
 das Blinkgeberrelais ersetzen.
Prüfung des Blinkgeberrelais
                  Last
                                          Blinkfrequenz
 Anzahl der Blinksignale   Watt (W)          (1/min*)
           1**                 21          140 ∼ 250
            2                  42           75 ∼ 95
     *: Blinkzyklen pro Minute
    **: Entspricht der “durchgebrannten Lampe”
Außer Modelle für USA, Kanada und Australien
•Eine Batterie 12 Volt und die Blinkerleuchten wie in der
 Abbildung dargestellt anschließen und zählen, wie oft die
 Blinkerleuchten pro Minute blinken.
  Blinkgeberrelais [A]
  Blinkerleuchten [B]
  12 V Batterie [C]
 Wenn die Blinkfrequenz nicht den Vorgaben entspricht,
 das Blinkgeberrelais ersetzen.
Prüfung des Blinkgeberrelais
                  Last                    Blinkfrequenz
 Anzahl der Blinksignale   Watt (W)          (1/min*)
                                         Leuchte bleibt
           1**                 21
                                         eingeschaltet
            2                  42           75 ∼ 95
     *: Blinkzyklen pro Minute
    **: Entspricht der “durchgebrannten Lampe”
16-62 ELEKTRIK
Beleuchtungssystem
Blinkleuchtenstromkreis




   1. Instrumenteneinheit               9. Sicherungskasten
   2. Zündschalter                     10. Masse des Zylinderkopfdeckels
   3. Blinkerleuchte, vorn rechts      11. Blinkgeberrelais
   4. Blinkerleuchte, vorn links       12. Steckverbindung B
   5. Steckverbindung A                13. Hauptsicherung 30 A
   6. Blinkerschalter                  14. Batterie 12 V 8 Ah
   7. Steckverbindung C                15. Rahmenmasse
   8. Blinkgeberrelaissicherung 10 A   16. Blinkerleuchte, hinten links
                                       17. Blinkerleuchte, hinten rechts
ELEKTRIK 16-63
Unterdruckschaltventil
Funktionsprüfung des Unterdruckschaltventils
• Siehe "Prüfung des"Regelmäßige Wartung".
  digung" im Kapitel
                      Ansaugluftsystems auf     Beschä-
                                                 (Siehe
    "Prüfung des Ansaugluftsystems auf Beschädigung" im
    Kapitel "Regelmäßige Wartung")
Prüfung des Unterdruckschaltventils
• Das
  des
           Unterdruckschaltventil ausbauen (siehe "Ausbau
           Unterdruckschaltventils" im Kapitel "Motorober-
    seite").
•   Das Handprüfgerät [A] auf den Bereich × Ω einstellen und
    wie abgebildet an die Klemmen des Unterdruckschaltven-
    tils anschließen.
    Spezialwerkzeug -
             Handprüfgerät: 57001-1394

    Widerstand des Unterdruckschaltventils
     Sollwert:   Ca. 18 ∼ 22 Ω bei 20°C
    Falls die Anzeige des Prüfgeräts nicht dem Sollwert ent-
    spricht, das Ventil erneuern.

• Eine 12 V Batterie [A] wie abgebildet an die Klemmen des
  Unterdruckschaltventils anschließen.




• LuftLuftden Lufteinlass [A] blasen und sicherstellen, dass
  die
       in
           nicht an den Luftauslässen [B] ausströmt.




• Die 12 Luft in den Lufteinlass [A] blasen und sicherstellen,
         V Batterie abklemmen.
• dass die Luft diesmal an den Luftauslässen [B] ausströmt.
  Erneut

    Wenn das Unterdruckschaltventil nicht wie beschrieben
    funktioniert, das Unterdruckschaltventil erneuern.
                       ANMERKUNG
    ○Den   Schlauch des Unterdruckschaltventils (Einlass-
     seite) [C] durchblasen, um den Durchgang durch das
     Unterdruckschaltventil zu prüfen.
16-64 ELEKTRIK
Kühlerlüfter
Prüfung des Lüftermotors
• Ausbauen:
   Rechte Innenabdeckung (siehe "Ausbau der Innenabde-
     ckung" im Kapitel "Rahmen")
•   Steckverbindung [A] trennen.
•   Den Lüftermotor über Prüfkabel mit der Batterie verbin-
    den.
    Wenn sich der Lüfter nicht dreht, ist der Lüftermotor defekt
    und muss ersetzt werden.
    Falls der Lüfter dreht, den Lüfterschaltkreis überprüfen.

Kühlerlüfter-Schaltkreis




      1. ECU                                             10. ECU-Sicherung 10 A
      2. Wassertemperatursensor                          11. Zündungssicherung 10 A
      3. Kühlerlüfter                                    12. Sicherungskasten
      4. Steckverbindung C                               13. Kühlerlüfterrelais
      5. Masse des Zylinderkopfdeckels                   14. ECU-Hauptrelais
      6. Motorstoppschalter                              15. Relaiskasten
      7. Zündschalter                                    16. Hauptsicherung 30 A
      8. Steckverbindung B                               17. Rahmenmasse
      9. Lüftersicherung 15 A                            18. Batterie 12 V 8 Ah
ELEKTRIK 16-65
Instrumentenblock, Messgerät, Anzeigeblock
Ausbau der Instrumenteneinheit
• Ausbauen: (siehe "Ausbau des Windschutzes" im Ka-
   Windschutz
     pitel "Rahmen")
•   Die Gummiabdeckung [A] herausziehen.
•   Steckverbindung [B] trennen.
     Schrauben [C]




• Ausbauen:
   Mutter [A]
     Schrauben [B]
     Verkleidungshalterung mit Instrument [C]




• Die Schrauben [A] herausdrehen.
                        VORSICHT
    Die Instrumenteneinheit so ablegen, dass die Ober-
    seite nach oben zeigt. Wenn eine Instrumentenein-
    heit umgekippt wird oder längere Zeit auf der Seite
    liegt, kommt es zu Fehlfunktionen.




Zerlegung der Instrumenteneinheit
• Ausbauen:
   Instrumenteneinheit (siehe "Ausbau der Instrumenten-
     einheit")
     Schrauben [A]




• Die untere Instrumentenabdeckung [A] [C] trennen.
  tenblock [B] und der oberen Abdeckung
                                        vom Instrumen-
16-66 ELEKTRIK
Instrumentenblock, Messgerät, Anzeigeblock
Prüfung der elektronischen Kombi
-Instrumenteneinheit
• Die Masse (–) der Leerlaufkontrollleuchte (LED)
  [1]
      Instrumenteneinheit [A] ausbauen.

  [2] Rechte Blinkerkontrollleuchte (LED) (+)
  [3] Fernlicht-Anzeigeleuchte (LED) (+)
  [4] Wassertemperatursensor
  [5] Rundenzeit (+)
  [6] Stoppuhr (+)
  [7] Nicht verwendet
  [8] Nicht verwendet
  [9] Nicht verwendet
 [10] Linke Blinkerkontrollleuchte (LED) (+)
 [11] Masse der Warnleuchte (LED) (–)
 [12] Drehzahlmesserimpuls
 [13] Drehzahlsensorimpuls
 [14] ECU-Übertragungsimpuls
 [15] Kraftstoffreserveschalter
 [16] Zündung
 [17] Batterie (+)
 [18] Betriebsspannung des Geschwindigkeitssensors
 [19] Masse (–)
 [20] Nicht verwendet

                       VORSICHT
    Die Instrumenteneinheit nicht fallen lassen. Die In-
    strumenteneinheit so ablegen, dass die Oberseite
    nach oben zeigt. Wenn die Instrumenteneinheit mit
    der Vorderseite nach unten oder seitlich längere
    Zeit abgelegt wird oder herunterfällt, kommt es zu
    Fehlfunktionen.
    Die Anschlüsse nicht kurzschließen.

Prüfung 1: Grundfunktionen der Instrumenteneinheit
•Die 12-V-Batterie [A] mit den Hilfskabeln wie folgt am Ver-
 binder der Instrumenteneinheit anklemmen.
○Den Batteriepluspol mit Anschluss [17] verbinden.
○Den Batterieminuspol mit Anschluss [19] verbinden.
ELEKTRIK 16-67
Instrumentenblock, Messgerät, Anzeigeblock

• Die Nadel [A] des Drehzahlmessers muss kurzzeitig die
  letzten Messwerte anzeigen und dann wieder den nied-
    rigsten Wert.
    Wenn die Instrumenteneinheit nicht funktioniert, den In-
    strumentenblock ersetzen.




• Anschluss [16] mit Anschluss [17] verbinden.




• Nach dem Anschluss
  überprüfen.
                           der Klemmen folgende Punkte

○Die Nadel [A] des Drehzahlmessers zeigt kurzzeitig die
 letzten Messwerte an und dann wieder den niedrigsten
 Wert.
○Alle LCD-Segmente [B] leuchten ca. 1,5 Sekunden bzw.
 ca. 1 Sekunde.
○Die Öldruck-Warnleuchte (LED) blinkt [C].
Operationen der LCD-Segmente in 1,5 Sekunden
                                      Tachometer/Kilome-
                                      terzähler/Uhr- und
               Gangpositionsanzeige
                                      Wassertemperaturan-
                                      zeige
               Segmente leuchten      Segmente leuchten
Operation 1
               von oben nach unten    von links nach rechts
               Segmente erlöschen     Segmente erlöschen
Operation 2
               von oben nach unten    von links nach rechts
               Segmente leuchten      Segmente leuchten
Operation 3
               von oben nach unten    von links nach rechts
 Wenn weder die LCD-Segmente noch die LED noch die
 Warnleuchten aufleuchten, den Instrumentenblock erset-
 zen.
•Klemme [16] abklemmen.
○Alle LCD-Segmente und Warnleuchten (LED) erlöschen.
 Wenn die Segmente nicht erlöschen, die Instrumenten-
 baugruppe ersetzen.
16-68 ELEKTRIK
Instrumentenblock, Messgerät, Anzeigeblock
Prüfung 2: Prüfung der Übertragungsleitung des In-
strumentenblocks (Servicecode 39)
• Die Kabel an den gleichen Schaltkreis wie bei Prüfung 1
  anschließen.
• 10 Sekunden warten, bis die FI-Anzeige [A] auf dem Dis-
  play und die Warnleuchte (LED) [B] blinken.




• Durch Drücken des MODE-Knopfes [B] auf ODO-Modus
  [A] schalten.
• Den MODUS-Knopf mindestens 2 Sekunden drücken.




• Folgende Punkte [A] und die FI-Anzeige [B] blinken auf
○Die Nummer 39
                   kontrollieren.

 dem Display.
○Die Warnleuchte (LED) [C] blinkt.
•Den MODUS-Knopf mindestens 2 Sekunden drücken.
•Folgende Punkte kontrollieren.
○Das Display schaltet von ODO-Modus wieder auf die
 Nummer 39.
○Die FI-Anzeige auf dem Display und die Warnleuchte
 (LED) blinken.
 Wenn die Instrumenteneinheit nicht funktioniert, den In-
 strumentenblock ersetzen.
                       ANMERKUNG
    ○Die Nummer 39 ist der Servicecode für die Selbstdia-
     gnose (siehe das Kapitel "Kraftstoffanlage"). Der Ser-
     vicecode weist auf einen Fehler in der Instrumenten-
     block-Übertragungsleitung hin.
    ○Die Nummer 39 und die FI-Anzeige auf dem Display
     verschwinden, wenn die Instrumenteneinheit an den
     Hauptkabelbaum eines normal arbeitenden Motorrads
     angeschlossen wird.
ELEKTRIK 16-69
Instrumentenblock, Messgerät, Anzeigeblock
Prüfung 3: Funktionsprüfung des Modusknopfes
•Die Kabel an den gleichen Schaltkreis wie bei Prüfung 1
 anschließen.




• Das Display [A] mussReihejeder Betätigung des Modus-
  wahlknopfes [B] der
                       bei
                             nach zwischen ODO, TRIP
 und STOP WATCH umschalten.
○Wenn die Kraftstoffstand-Warnleuchte (LED) blinkt [C],
 schaltet das Display zwischen ODO, TRIP, CLOCK und
 FUEL um.
 Wenn die Umschaltung auf dem Display nicht funktioniert,
 den Instrumentenblock ersetzen.




Prüfung 4: Überprüfung des Einheitenwechsels
•Die Kabel an den gleichen Schaltkreis wie bei Prüfung 1
 anschließen.
16-70 ELEKTRIK
Instrumentenblock, Messgerät, Anzeigeblock

• Durch Drücken des MODE-Knopfes [B] auf ODO-Modus
  [A] schalten.
• Solangebei Betätigung des RESET-Knopfeswechselt das
  Display
           der MODE-Knopf gedrückt bleibt,
                                           [E] alle 2 Se-
    kunden zwischen Anzeige der Entfernungseinheit [C] und
    der Temperatureinheit [D].
    Das Instrument austauschen, wenn es nicht funktioniert.
                       ANMERKUNG
    ○Bei der Anzeige Meilen/Km kann zwischen den angloa-
     merikanischen und den metrischen Maßeinheiten (Mei-
     len und Kilometer) umgeschaltet werden. Vor dem Fah-
     ren kontrollieren, ob entsprechend den geltenden loka-
     len Vorschriften die Geschwindigkeit in Kilometer oder
     Meilen angezeigt wird.




Prüfung 5: Überprüfung der Zeiteinstellung
•Die Kabel an den gleichen Schaltkreis wie bei Prüfung 1
 anschließen.




• Durch Drücken des MODE-Knopfes [B] auf ODO-Modus
  [A] schalten.
• Den RESET-Knopf [C] mindestens zwei Sekunden drü-
  cken.
○Das Uhreinstellmenü (Stunde und Minute) [D] sollte blin-
    ken.
•   Den RESET-Knopf drücken.




○Die Stundenanzeige [A] blinkt.
• Sicherstellen, dass die Stundenanzeige bei jeder Betäti-
  gung des MODE-Knopfes wechselt.
ELEKTRIK 16-71
Instrumentenblock, Messgerät, Anzeigeblock

• Durch Drücken des RESET-Knopfeszu blinken beginnt.
  gen, wonach die Minutenanzeige [A]
                                       die Stunde festle-

• Sicherstellen, dass die Minutenanzeige bei jeder Betäti-
  gung des MODE-Knopfes wechselt.




• Den RESET-Knopfblinken. Stunden- und Minutenan-
  zeige müssen nun
                     drücken;

• Durch DrückenMinutenanzeige festgelegt sind. das die
  Stunden- und
                 des MODE-Knopfes sicherstellen,

• Bei blinkender Stunden-Stundenanzeige muss den blin-
  SET-Knopf drücken; die
                          und Minutenanzeige
                                               nun
                                                   RE-

 ken. Mit diesem Blinken schaltet die Anzeige auf die
 Stundenanzeige zurück.
 Wenn die Umschaltung auf dem Display nicht funktioniert,
 den Instrumentenblock ersetzen.
○Falls Klemme 15 bei der Uhrzeiteinstellung unterbrochen
 wird, wird die Uhr auf diesen Zeitpunkt eingestellt.
Prüfung 6: Prüfung des Tachometers
•Die Kabel an den gleichen Schaltkreis wie bei Prüfung 1
 anschließen.
•Die Drehzahl entspricht einer bestimmten Eingangsfre-
 quenz, die im Oszillator [A] angezeigt wird, wenn an An-
 schluss [13] ein Rechteckwellensignal (siehe Abbildung)
 eingespeist wird.
○Eine Anzeige von 60 MPH entspricht einer Eingangsfre-
 quenz von etwa 525 Hertz.
○Bei einer Eingangsfrequenz von etwa 840 Hz werden
 etwa 60 km/h angezeigt.
                      ANMERKUNG
    ○Die Eingangsfrequenz des Oszillators entspricht dem
     kumulativen Wert des Kilometerzählers.
    ○Der kumulative Wert des Kilometerzählers kann nicht
     rückgestellt werden.
16-72 ELEKTRIK
Instrumentenblock, Messgerät, Anzeigeblock

• Wenn kein Oszillator verfügbar ist, kann das Tachometer
  wie folgt geprüft werden.
○Die Instrumenteneinheit anschließen.
○Das Hinterrad mit dem Ständer aufbocken.
○Den Zündschalter einschalten.
○Das Hinterrad mit der Hand drehen.
○Auf dem Tachometer muss die Geschwindigkeit         ange-
    zeigt werden.
    Wenn das Tachometer nicht funktioniert, die Stromver-
    sorgung für den Drehzahlsensor und den Drehzahlsensor
    kontrollieren.
    Wenn die Stromversorgung anliegt und der Drehzahlsen-
    sor funktionsfähig ist, den Instrumentenblock ersetzen.
Prüfung 7: Überprüfung der Betriebsspannung des
Drehzahlsensors
•Die Kabel an den gleichen Schaltkreis wie bei Prüfung 1
 anschließen.
•Das Handprüfgerät [A] auf einen Messbereich von 25 V
 DC einstellen und mit den Anschlüssen [18] und [19] ver-
 binden.
    Betriebsspannung
      Standard:      Ca. 11,5 V bei 13 V Batteriespannung
    Liegt die Spannung außerhalb des Sollbereichs, den In-
    strumentenblock ersetzen.
Prüfung 8: Prüfung des Kilometerzählers
•Die Kabel an den gleichen Schaltkreis wie bei Prüfung 6
 anschließen.
•Durch Drücken des MODE-Knopfes [B] auf ODO-Modus
 [A] schalten.
•Die Eingangsfrequenz des Oszillators anheben, um das
 Ergebnis der Prüfung abzulesen.
○Beispiel: Zeigt eine Erhöhung um ca. 1 km/h an, wenn die
 Eingangsfrequenz eine Minute lang etwa 525 Hz beträgt.
○Beispiel: Zeigt eine Erhöhung um ca. 1, Meile an, wenn
 die Eingangsfrequenz eine Minute lang etwa 840 Hz be-
 trägt.
 Falls die Anzeige des Kilometerzählers nicht zunimmt,
 das Instrument austauschen.
                       ANMERKUNG
    ○Der kumulative Wert des Kilometerzählers kann nicht
     rückgestellt werden.
    ○Wenn als Zahl 999999 angezeigt wird, wird die Anzeige
     gestoppt und gesperrt.
ELEKTRIK 16-73
Instrumentenblock, Messgerät, Anzeigeblock
Prüfung 9: Prüfung des Streckenzählers
•Die Kabel an den gleichen Schaltkreis wie bei Prüfung 6
 anschließen.
•Durch Drücken des MODE-Knopfes [B] auf TRIP-Modus
 [A] schalten.
•Die Eingangsfrequenz des Oszillators anheben, um das
 Ergebnis der Kilometerzähler-Prüfung abzulesen.
 Falls die Anzeige des Streckenzählers nicht zunimmt, den
 Instrumentenblock austauschen.
•Den RESET-Knopf [C] mindestens 2 Sekunden drücken
 und sicherstellen, dass das Display auf 0.0 wechselt.
 Wenn die Umschaltung auf dem Display nicht funktioniert,
 den Instrumentenblock ersetzen.
                       ANMERKUNG
    ○Der kumulative Wert des Kilometerzählers kann nicht
     rückgestellt werden.
Prüfung 10: Prüfung der Wassertemperaturanzeige
•Die Kabel an den gleichen Schaltkreis wie bei Prüfung 1
 anschließen.
○Die Anzeige “– –” erscheint auf der Wassertemperaturan-
 zeige.
•Klemme [4] and den Minuspol (–) der Batterie anschlie-
 ßen.




• Sicherstellen, wechselt.Wassertemperaturanzeige [A] von
  “– –” auf “HI”
                 dass die

    Wenn die Wassertemperaturanzeige nicht funktioniert,
    den Instrumentenblock ersetzen.




• Den Minuspol (–) [A] (ca. 210 anschließen.
  den
      Widerstand
                    der Batterie
                                 Ω) an die Klemme [4] und
16-74 ELEKTRIK
Instrumentenblock, Messgerät, Anzeigeblock

• Die 50 °C anzeigen.
  ca.
      Wassertemperaturanzeige [A] muss einen Wert von

    Wenn die Wassertemperaturanzeige die Temperatur
    nicht anzeigt, den Instrumentenblock ersetzen.




Prüfung 11: Überprüfung des Drehzahlmessers
•Die Kabel an den gleichen Schaltkreis wie bei Prüfung 1
 anschließen.
•Welche Eingangsfrequenz des Oszillators [A] einer be-
 stimmten Drehzahl pro Minute (RPM) entspricht, wenn
 das Rechtecksignal (siehe Abbildung) an Anschluss [12]
 eingespeist wird, wird auf dem Oszillator angezeigt.
○Eine Drehzahl von etwa 4.000 U/min entspricht einer Ein-
 gangsfrequenz von etwa 133,3 Hz.
 Das Instrument austauschen, wenn es nicht funktioniert.




• Klemme [16] des Drehzahlmessers muss den niedrigsten
                abklemmen.
• Wert (0) anzeigen.
  Die Nadel [A]

    Wenn die Instrumenteneinheit nicht funktioniert, den In-
    strumentenblock ersetzen.




• Wenn der Oszillator nicht verfügbar ist, kann die Dreh-
  zahlanzeige wie folgt geprüft werden:
○Die  12-V-Batterie und die Anschlüsse so anschließen,
 wie bei der Prüfung der “Flüssigkristallanzeige (LCD)“ be-
 schrieben.
○Mit einer Hilfsader die Verbindung zwischen Anschluss
 [17] und Anschluss [12] mehrmals schnell herstellen und
 unterbrechen.
ELEKTRIK 16-75
Instrumentenblock, Messgerät, Anzeigeblock

○Die Drehzahlanzeige [A] muss dann blinken [B].
    Wenn die Anzeige nicht blinkt, den Instrumentenblock er-
    setzen.




Prüfung 12: Überprüfung der Stoppuhr
•Die Kabel an den gleichen Schaltkreis wie bei Prüfung 1
 anschließen.
•Durch mehrmaliges Drücken des Modusknopfes [A] auf
 Stoppuhrmodus [B] schalten.
•Die Hilfsader gemäß Abbildung an Klemme [6] anschlie-
 ßen, wonach die Stoppuhr zu zählen beginnt.
•Klemme [6] unterbrechen und wieder anschließen.
•Die Stoppuhr stoppt die Zählung.




• Während die Stoppuhr weiterzählt, die HilfsaderZählerzeit
  Abbildung mit Anschluss [4] verbinden und die
                                                 wie in der

    [A] für 10 Sekunden anzeigen lassen.
16-76 ELEKTRIK
Instrumentenblock, Messgerät, Anzeigeblock

• Sicherstellen, dass das wenn der RESET-Knopf [B] bei
  Rundenzeit [A] anzeigt,
                          Instrument die abgespeicherte

    gestoppter Stoppuhr weniger als 2 Sekunden gedrückt
    und losgelassen wird.
    Wenn die Umschaltung auf dem Display nicht funktioniert,
    den Instrumentenblock ersetzen.




• Sicherstellen, dass alle der RESET-Knopf bei Stoppuhr-
  gelöscht werden, wenn
                           gespeicherten Rundenzeiten [A]

    anzeige mindestens 2 Sekunden gedrückt wird.
    Wenn die Daten nicht aus dem Speicher gelöscht werden,
    den Instrumentenblock ersetzen.




• Sicherstellen, dass die Stoppuhranzeige 00’ 00” 00 [A]
  lautet und die Runden-Nummernanzeige die Wasser-
    temperatur anzeigt [B], wenn die Klemme [16] wieder an
    die Plusklemme (+) angeschlossen wird, nachdem sie
    für den Betrieb der Stoppuhr unterbrochen worden war.
    Wenn die Umschaltung auf dem Display nicht funktioniert,
    den Instrumentenblock ersetzen.




Prüfung 13: Prüfung der Gangpositionsanzeige
•Die Instrumenteneinheit ausbauen (siehe "Einbau der In-
 strumenteneinheit").
•Den Zündschalter einschalten.
•Sicherstellen, dass die mit N bezeichnete Leerlaufkon-
 trollleuchte (LED) [A] aufleuchtet.
ELEKTRIK 16-77
Instrumentenblock, Messgerät, Anzeigeblock

• Niedrigen Gang einlegen und sicherstellen, dass das Dis-
  play auf 1 wechselt.
• ZumHinterrad mit Hilfe eines Ständers vom Boden abhe-
       Anzeigen anderer Gangpositionen;
• Das (siehe "Funktionsprüfung der Wegfahrsperre").
  ben
• Denjedem starten und den Gang wechseln.
       Motor
• Display wechseln.
  Bei        Gangwechsel muss die Gangposition [A] im

• Den Zündschalter ausschalten. zu Prüfung 1 gehen
  Wenn das Display nicht funktioniert,
    und folgende Punkte überprüfen.
     Verkabelung (siehe "Prüfung der Verkabelung")
     Verkabelung              des            Wegfahrsper-
     ren-Übertragungsschaltkreises
     Gangpositionsschalter (siehe "Prüfung des Gangpositi-
     onsschalters")
    Ist das Ergebnis der obigen Prüfungen in Ordnung, den
    Instrumentenblock und/oder die ECU ersetzen.
Prüfung 14: Prüfung der Leuchten (LED)
•Die Kabel an den gleichen Schaltkreis wie bei Prüfung 1
 anschließen.
   Leerlaufkontrollleuchte (LED) [A]
   Warnleuchte (LED) [B]
   Blinkerkontrollleuchte (LED) [C]
   Fernlicht-Kontrollleuchte (LED) [D]
   Kraftstoffstand-Warnleuchte (LED) [E]
   Hochschalt-Kontrollleuchte (LED) [F]
   Ölsymbol [G]
Leerlaufkontrollleuchte (LED)
  Batterieminuspol (–) von Klemme zu Klemme [1]




Ölsymbol und Warnleuchte (LED)
   Batterieminuspol (–) von Klemme zu Klemme [11]
16-78 ELEKTRIK
Instrumentenblock, Messgerät, Anzeigeblock
Rechte und linke Blinker-Kontrollleuchte (LED)
  Batteriepluspol (+) von Klemme zu Klemme [2]
  Batteriepluspol (+) von Klemme zu Klemme [10]




Fernlicht-Anzeigeleuchte (LED)
   Batteriepluspol (+) von Klemme zu Klemme [3]




Prüfung 15: Kraftstoffstand-Warnleuchte (LED) und
Kraftstoffsymbol
•Die Kabel an den gleichen Schaltkreis wie bei Prüfung 1
 anschließen.
○Die Kraftstoffsegmente auf dem Display blinken.
•Einen verstellbaren Rheostaten [A] wie in der Abbildung
 mit Anschluss [15] verbinden.
•Den Widerstand auf ca. 100 Ω einstellen.
○Die Kraftstoffstand-Warnleuchte (LED) leuchtet [B] und
 das FUEL-Segment blinkt auf dem Display.




    Falls die Leuchten (LED) und/oder das Symbol nicht an-
    sprechen, den Instrumentenblock austauschen.
ELEKTRIK 16-79
Instrumentenblock, Messgerät, Anzeigeblock
Prüfung 16: Prüfung des Wegfahrsperren-Blinkmodus
(ausgerüstete Modelle)
• Die Kabel an den gleichen Schaltkreis wie bei Prüfung 1
  anschließen.
• Klemme [16] abklemmen.




• Sicherstellen, dass die Warnleuchte (LED) [A] zu blinken
  beginnt (Blinkmodus der Wegfahrsperren-Warnleuchte)
• Den MODE- [B] und RESET-Knopf [C]20 Sekunden 2nach
  kunden drücken, und zwar innerhalb
                                        mindestens Se-

    Unterbrechung von Klemme [9].
•   Sicherstellen, dass die Warnleuchte (LED) in Intervallen
    von einer Sekunde ein- und ausschaltet (Nichtblinkmodus
    der Wegfahrsperren-Warnleuchte).
                       ANMERKUNG
    ○Für diese Prüfung muss die Batteriespannung mindes-
     tens 12,2 V betragen.
    ○Bei einer Batteriespannung von weniger als 12 ±0,2
     V funktioniert der Blinkmodus der Wegfahrsper-
     ren-Warnleuchte nicht.

• Klemme [16] and den Pluspol (+) der Batterie anschlie-
  ßen.
• DannMODE- und RESET-Knopf mindestens 2 Sekunden
       Klemme [16] wieder unterbrechen.
• drücken, und zwar innerhalb 20 Sekunden nach Unter-
  Den

    brechung von Klemme [9].
•   Sicherstellen, dass die Warnleuchte (LED) eine Sekunde
    einschaltet und dann zu blinken beginnt (Blinkmodus der
    Wegfahrsperren-Warnleuchte).
    Das Instrument austauschen, wenn es nicht funktioniert.
16-80 ELEKTRIK
Instrumentenblock, Messgerät, Anzeigeblock
Prüfung 17: Hochschalt-Kontrollleuchte (LED)
•Die Kabel an den gleichen Schaltkreis wie bei Prüfung 1
 anschließen.
•Wenn der MODE-Knopf [A] und RESET-Knopf [B] gleich-
 zeitig mindestens 2 Sekunden gedrückt werden, schal-
 tet die Hochschalt-Kontrollleuchte [C] nach 2 Sekunden
 auf einen vorgegebenen Leuchtmodus, die Nadel des TA
 -Instruments [D] zeigt die gegenwärtige vorgegebene Mo-
 tordrehzahl an und der Einstellmodus wird hergestellt.
 Falls Nadel und Leuchte nicht ansprechen, den Instru-
 mentenblock austauschen.




• Wenn die vorgegebenedes TA-Instruments sich innerhalb
  stellen, dass die Nadel
                          Drehzahl verändert wird, sicher-

    des Einstellbereichs bewegt (Änderung der vorgegebe-
    nen Drehzahl), wenn der RESET-Knopf gedrückt wird.




• Wenn die vorgegebene Drehzahl geändert wird, sicher-
  stellen, dass der Modus der Hochschalt-Kontrollleuchte
    wechselt, wenn der MODUS-Knopf nach weniger als 2
    Sekunden langer Betätigung freigegeben wird.




    Wenn die Umschaltung auf dem Display nicht funktioniert,
    den Instrumentenblock ersetzen.
ELEKTRIK 16-81
Instrumentenblock, Messgerät, Anzeigeblock

• Wenn die vorgegebene RESET-Knopf [B] gleichzeitig
  MODUS-Knopf [A] und
                       Drehzahl geändert wird, den

 mindestens 2 Sekunden drücken, um die Drehzahl- und
 Leuchtmoduseinstellungen abzuschließen; dann zu dem
 vor dem Einstellmodus [C] bestehenden Modus zurück-
 schalten.
 Falls Nadel und Leuchte nicht ansprechen, den Instru-
 mentenblock austauschen.




• Wenn die Plusklemmean IGN unterbrochen und wieder
  schalt-Kontrollleuchte
                         (+) [16] zum Einstellen der Hoch-

 angeschlossen wird, sicherstellen, dass die Einstellung
 der vorgegebenen Drehzahl und des Leuchtmodus be-
 endet ist.
 Wenn die Umschaltung auf dem Display nicht funktioniert,
 den Instrumentenblock ersetzen.
16-82 ELEKTRIK
Instrumentenblock, Messgerät, Anzeigeblock

• Die Drehzahl Oszillator angezeigt wird, wenn ein Recht-
  quenz, die im
                entspricht einer bestimmten Eingangsfre-

    eckwellensignal (siehe Abbildung) an der Klemme einge-
    speist wird.
•   Das Oszillatorsignal bei mehr als 1 km/h oder gleichwer-
    tig für die einzustellende Leitung [13] eingeben und auf
    normalen Betrieb prüfen.
•   Wird das Signal des Oszillators bei mehr als 1 km/h oder
    gleichwertig in die Leitung [13] eingespeist, sicherstellen,
    dass die vorgegebene Drehzahl und der Leuchtmodus
    nicht auf Einstellmodus wechseln. Wenn die Umschal-
    tung auf dem Display nicht funktioniert, den Instrumen-
    tenblock ersetzen.




• Welche Eingangsfrequenz des Oszillators [A] einer be-
  stimmten Drehzahl pro Minute (RPM) entspricht, wenn
    das Rechtecksignal (siehe Abbildung) an Anschluss [12]
    eingespeist wird, wird auf dem Oszillator angezeigt.
•   Ist der Oszillator auf eine Frequenz über 550 Hz einge-
    stellt, leuchtet die Hochschalt-Kontrollleuchte (LED) auf.




    Wenn keine der LEDs aufleuchtet, den Instrumenten-
    block ersetzen.
ELEKTRIK 16-83
Instrumentenblock, Messgerät, Anzeigeblock
Prüfung des Selbstdiagnosemodus für die
Kraftstoffstand-Sensorleitung
                    ANMERKUNG
 ○Wenn    eine Unterbrechung oder Kurzschluss im
   Stromkreis des      Kraftstoffstandsensors erkannt
   wird, wird gewöhnlich auf dem Modus Kraftstoff-
   sensor-Selbstdiagnose geschaltet.
○Die Kraftstoffstand-Warnleuchte (LED) [A] und FUEL [B]
 auf dem Display blinken. (Damit wird auf den Kraftstoff-
 sensor-Selbstdiagnosemodus hingewiesen.)
 Wenn das am Motorrad eingebaute Instrument auf
 Selbstdiagnose schaltet, den Kraftstoffreserveschalter
 (siehe "Prüfung des Kraftstoffreserveschalters") und die
 Verkabelung überprüfen.
 Sind Kraftstoffreserveschalter und Verkabelung in Ord-
 nung, den Instrumentenblock austauschen.
16-84 ELEKTRIK
Instrumentenblock, Messgerät, Anzeigeblock
Instrumentenblock-Stromkreis




  1. Zündschalter
  2. Instrumenteneinheit
  3. Steckverbindung C
  4. Rundenschalter
  5. ECU-Sicherung 10 A
  6. Zündungssicherung 10 A
  7. Hupensicherung 10 A
  8. Sicherungskasten
  9. Steckverbindung B
 10. Hauptsicherung 30 A
 11. Rahmenmasse
 12. Batterie 12 V 8 Ah
 13. Kraftstoffreserveschalter
 14. Stoppuhrschalter
 15. Masse des Zylinderkopfdeckels
 16. Wassertemperatursensor
 17. Drehzahlsensor
 18. Gangpositionsschalter
 19. Öldruckschalter
 20. ECU
ELEKTRIK 16-85
Wegfahrsperrensystem (ausgerüstete Modelle)
  Das Motorrad ist mit einer Wegfahrsperre ausgestattet, um es vor Diebstahl zu schützen. Das
System bietet Schutz gegen Diebstahl, indem es einen dem im Schlüssel eingebauten Transponder
zugeordneten Code mit dem in der ECU (Elektronische Steuereinheit) gespeicherten Code vergleicht.
Passt der Code nicht, so werden Zündanlage, Einspritzventile, Teillastventil-Stelleinheit und Auslass-
klappenventil-Stelleinheit funktionsunfähig und der Motor startet nicht.
Zusammenfassung
• Keinesfalls mehr als einen Wegfahrsperrenschlüssel eines Systems am gleichen Schlüsselring tra-
  gen. Dadurch kann das Codesignal des Schlüssels und damit die Funktion des Systems gestört
  werden.
• Die Warnleuchte (LED) blinkt für die Dauer von ca. 24 Stunden nach Ausschalten des Zündschal-
  ters und Abziehen des Schlüssels. Dieses Blinken kann aktiviert bzw. deaktiviert werden, indem die
  Modus- und Rückstellknöpfe innerhalb 20 Sekunden nach Ausschalten der Zündung gleichzeitig 2
  Sekunden gedrückt gehalten werden.
• Falls alle Codeschlüssel (Haupt- und Benutzerschlüssel) verloren gehen, müssen ECU und Zünd-
  schalter ausgetauscht werden.
• Um die Wegfahrsperre funktionsfähig zu machen, muss der Code des Hauptschlüssels in der ECU
  registriert werden.
• Es können jeweils bis zu sechs Schlüssel in der ECU registriert werden (ein Hauptschlüssel und
  fünf Benutzerschlüssel).
• Falls der Hauptschlüssel verloren geht, können keine Benutzerschlüssel mehr registriert werden.

Vorsichtsmaßnahmen
1. Keinesfalls mehr als einen Wegfahrsperrenschlüssel eines Systems am gleichen Schlüsselring
   tragen.
2. Die Schlüssel nicht in Wasser eintauchen.
3. Die Schlüssel keinen übermäßig hohen Temperaturen aussetzen.
4. Die Schlüssel nicht in der Nähe von Magneten ablegen.
5. Keine schweren Gegenstände auf den Schlüsseln abstellen.
6. Die Schlüssel nicht schleifen oder anderweitig die Form bearbeiten.
7. Den Kunststoffteil des Schlüssels nicht zerlegen.
8. Die Schlüssel nicht fallen lassen oder Schlägen aussetzen.
9. Bei Verlust eines Schlüssels sollte der Benutzer den in der ECU registrierten Schlüssel beim Ver-
   tragshändler sperren lassen.
10.Bei Verlust des Hauptschlüssels sollte der Benutzer die ECU vom Vertragshändler austauschen
   lassen und einen neuen Hauptschlüssel und Benutzerschlüssel registrieren.
                                           ANMERKUNG
    ○Posten 9 und 10 werden dringend empfohlen, um die Sicherheit des Motorrads zu gewährleisten.
Schlüsselregistrierung
Fall 1: Ein Benutzerschlüssel ist verloren gegangen
oder ein zusätzlicher Reserveschlüssel wird benötigt.
•Einen neuen Benutzer-Reserveschlüssel bereitlegen.
•Den Schlüssel auf die Form des gegenwärtigen Benut-
 zerschlüssels zuschneiden.
•Ausbauen:
   Vordersitz (siehe "Ausbau des Vordersitzes" im Kapitel
   "Rahmen")
•Den      Verbinder    des    Wegfahrsperren-/Kawasaki
 -Selbstdiagnosesystems [A] abtrennen.
16-86 ELEKTRIK
Wegfahrsperrensystem (ausgerüstete Modelle)

• Das Schlüsselregistriergerät [A] anschließen.
  Spezialwerkzeug -
           Schlüsselregistrierungsgerät: 57001-1582




• Den Hauptschlüssel in den Zündschalter stecken und den
  Zündschalter einschalten.
Verifiziert
○Blinken der Warnleuchte (LED) [A] zeigt an, dass der Re-
 gistriermodus eingestellt ist (weiter zum nächsten Schritt).




Nicht verifiziert
○Blinken der Warnleuchte (LED) [A] zeigt an, dass Kollati-
 onsfehler eingetreten ist (siehe folgende Fehlerillustratio-
 nen).
   Ausfall des Wegfahrsperren-Verstärkers




   Hauptschlüssel-Kollationsfehler




• Den Hauptschlüssel ausschalten und abziehen. [A] zeigt
○Durchgehendes Blinken der Warnleuchte (LED)
  an, dass die ECU sich 15 Sekunden lang im Registrier-
  modus befindet.
                       ANMERKUNG
  ○Den nächsten Schlüssel innerhalb 15 Sekunden nach
   Abziehen des vorherigen Schlüssels einstecken und
   einschalten; andernfalls wird der Registriermodus
   aufgehoben und die Warnleuchte (LED) hört auf zu
   blinken.
  ○Um wieder auf Registriermodus zu schalten, die Haupt-
   schlüssel-Verifizierung einleiten. Dieses Verfahren gilt
   für die Registrierung aller Benutzerschlüssel.
ELEKTRIK 16-87
Wegfahrsperrensystem (ausgerüstete Modelle)

• Den den Zündschalter einschalten.Zündschalter stecken
  und
       Benutzerschlüssel 1 in den

                     ANMERKUNG
 ○Andere    Benutzerschlüssel von der Wegfahrsper-
   ren-Antenne fernhalten.

○Falls  sich bei der Registrierung ein Problem ergeben
 sollte, weist Blinken der Warnleuchte (LED) [A] auf Kol-
 lationsfehler hin.
   Ausfall des Wegfahrsperren-Verstärkers




   Beim Einstecken eines registrierten Benutzerschlüssels.




   Benutzerschlüssel-Kollationsfehler




• Benutzerschlüssel 1 wurde erfolgreich in der ECU regis-
  triert.
○Die Warnleuchte (LED) [A] blinkt zweimal, stoppt 1 Se-
 kunde und wiederholt dann diesen Zyklus.
16-88 ELEKTRIK
Wegfahrsperrensystem (ausgerüstete Modelle)

• Benutzerschlüssel 1 ausschalten und abziehen. der Re-
○Blinken der Warnleuchte (LED) [A] zeigt an, dass
 gistriermodus eingestellt ist.
                      ANMERKUNG
 ○Den Zündschalter ausschalten und mindestens 15 Se-
  kunden warten. Der Registriermodus wird automatisch
  aufgehoben und die Warnleuchte (LED) schaltet aus.
 ○Nach diesem Verfahren werden der Hauptschlüssel
  und ein Benutzerschlüssel registriert.
 ○Nach demselben Verfahren vor Ablauf der 15 Sekun-
  den weitere Schlüssel registrieren.

• Den den Zündschalter einschalten.Zündschalter stecken
  und
       Benutzerschlüssel 2 in den


○Falls  sich bei der Registrierung ein Problem ergeben
 sollte, weist Blinken der Warnleuchte (LED) [A] auf Kol-
 lationsfehler hin.
   Ausfall des Wegfahrsperren-Verstärkers




  Beim Einstecken eines registrierten Benutzerschlüssels.




  Benutzerschlüssel-Kollationsfehler
ELEKTRIK 16-89
Wegfahrsperrensystem (ausgerüstete Modelle)

• Benutzerschlüssel(LED) [A] in der ECU registriert. 1 Se-
○Die Warnleuchte
                    2 wurde
                              blinkt dreimal, stoppt
 kunde und wiederholt dann diesen Zyklus.
○Nach diesem Verfahren werden der Hauptschlüssel und
 2 Benutzerschlüssel registriert.
•Nach demselben Verfahren weitere 3 Benutzerschlüssel
 registrieren.
                       ANMERKUNG
    ○Die ECU kann bis zu sechs Schlüsselcodes speichern
     (Hauptschlüssel × 1 und Benutzerschlüssel × 5).

Die Benutzerschlüsselanzeige blinkt
                     Die            Die
                                               Anmerkun-
                 Warnleuchte    Warnleuchte
                                                 gen
                 (LED) blinkt   (LED) stoppt
Benutzer-
                     4mal        1 Sekunde     Wiederholen
schlüssel 3
Benutzer-
                     5mal        1 Sekunde     Wiederholen
schlüssel 4
Benutzer-
                     6mal        1 Sekunde     Wiederholen
schlüssel 5

• Den Zündschalter ausschalten und mindestens 15 Se-
  kunden warten.
• Der Registriermodus wird automatisch aufgehoben.
• Die FI-Anzeige [A] erlischt.




• Das
  den
            Schlüsselregistriergerät
            Verbinder    des
                                       unterbrechen   und
                                  Wegfahrsperren-/Kawasaki
    -Selbstdiagnosesystems anschließen.
                       ANMERKUNG
    ○Den   Zündschalter mit einem registrierten Benutzer-
     schlüssel einschalten.
    ○Den Motor mit jedem der registrierten Benutzerschlüs-
     sel starten, um deren Funktionsfähigkeit zu überprüfen.
16-90 ELEKTRIK
Wegfahrsperrensystem (ausgerüstete Modelle)
Registrierungsablaufplan für Benutzer-Reserveschlüssel
ELEKTRIK 16-91
Wegfahrsperrensystem (ausgerüstete Modelle)
Fall 2: Der Zündschalter ist defekt und muss ausge-
tauscht werden.
• Einen neuen Zündschalter [A] und zwei neue Benutzer-
  schlüssel [B] bereitlegen.
○Diese Teile sind im Satz erhältlich. Den gegenwärtigen
  Hauptschlüssel [C] bereitlegen.




• Ausbauen:
   Zündschalter      und Wegfahrsperren-Antenne (siehe
     "Austausch von Teilen des Wegfahrsperrensystems")
     Vordersitz (siehe "Ausbau des Vordersitzes" im Kapitel
     "Rahmen")
•   Den     Verbinder    des      Wegfahrsperren-/Kawasaki
    -Selbstdiagnosesystems abtrennen.
•   Das Schlüsselregistriergerät [A] anschließen.
    Spezialwerkzeug -
             Schlüsselregistrierungsgerät: 57001-1582

• Anschließen: des neuen Zündschalters [A]
   Kabelverbinder
     Kabelverbinder der Wegfahrsperren-Antenne [B]
                       ANMERKUNG
    ○Die Antenne muss sich in einer Entfernung von mindes-
     tens 15 cm vom Zündschalter befinden.




• Denhalten. Den neuen Benutzerschlüssel 1 [C] in den
  [B]
      gegenwärtigen Hauptschlüssel [A] an die Antenne

    neuen Zündschalter [D] stecken und den Zündschalter
    einschalten.




Verifiziert
○Blinken der Warnleuchte (LED) [A] zeigt an, dass sich die
 ECU im Registriermodus befindet (weiter zum nächsten
 Schritt).
16-92 ELEKTRIK
Wegfahrsperrensystem (ausgerüstete Modelle)
Nicht verifiziert
○Blinken der Warnleuchte (LED) [A] zeigt an, dass Kollati-
 onsfehler eingetreten ist.
   Ausfall des Wegfahrsperren-Verstärkers




   Hauptschlüssel-Kollationsfehler




• Den neuen Benutzerschlüssel 1 ausschalten und abzie-
  hen.
• Diesetzen. [A] provisorisch auf den neuen Zündschalter
  [B]
      Antenne

• Den Benutzerschlüssel 1 Zündschalter den neuen Zünd-
  schalter stecken und den
                           [C] erneut in
                                         einschalten.




                     ANMERKUNG
 ○Die Antenne auf den Zündschalter setzen, den nächs-
  ten Schlüssel innerhalb 15 Sekunden nach Abziehen
  des vorherigen Schlüssels einstecken und einschalten;
  andernfalls wird der Registriermodus aufgehoben und
  die Warnleuchte (LED) hört auf zu blinken.
 ○Um wieder auf Registriermodus zu schalten, die Haupt-
  schlüssel-Verifizierung einleiten. Dieses Verfahren gilt
  für die Registrierung aller Benutzerschlüssel.
 ○Andere Benutzerschlüssel von der Wegfahrsper-
  ren-Antenne fernhalten.
ELEKTRIK 16-93
Wegfahrsperrensystem (ausgerüstete Modelle)

○Falls  sich bei der Registrierung ein Problem ergeben
 sollte, weist Blinken der Warnleuchte (LED) [A] auf Kol-
 lationsfehler hin.
   Ausfall des Wegfahrsperren-Verstärkers




   Beim Einstecken eines registrierten Benutzerschlüssels.




   Benutzerschlüssel-Kollationsfehler




• Benutzerschlüssel 1 wurde erfolgreich in der ECU regis-
  triert.
○Die  Warnleuchte (LED) [A] blinkt zweimal, stoppt 1
 Sekunde und zeigt dann durch Wiederholen dieses Zy-
 klus an, dass Benutzerschlüssel 1 erfolgreich registriert
 wurde.




• Den Benutzerschlüssel 1(LED) [A] zeigt an,abziehen. Re-
○ Blinken der Warnleuchte
                          ausschalten und
                                             dass der
 gistriermodus eingestellt ist.
                      ANMERKUNG
 ○Den Zündschalter ausschalten und mindestens 15 Se-
  kunden warten. Der Registriermodus wird automatisch
  aufgehoben und die Warnleuchte erlischt.
 ○Nach diesem Verfahren werden der Hauptschlüssel
  und ein Benutzerschlüssel registriert.
 ○Nach demselben Verfahren weitere Schlüssel registrie-
  ren.

• Den den Zündschalter einschalten.Zündschalter stecken
  und
       Benutzerschlüssel 2 in den
16-94 ELEKTRIK
Wegfahrsperrensystem (ausgerüstete Modelle)
○Falls     sich bei der Registrierung ein Problem ergeben
    sollte, weist Blinken der Warnleuchte (LED) [A] auf Kol-
    lationsfehler hin.
      Ausfall des Wegfahrsperren-Verstärkers




     Beim Einstecken eines registrierten Benutzerschlüssels.




     Benutzerschlüssel-Kollationsfehler




• Benutzerschlüssel 2 wurde erfolgreich in der ECU regis-
  triert.
○Die Warnleuchte (LED) [A] blinkt dreimal, stoppt 1 Se-
    kunde und zeigt dann durch Wiederholen dieses Zyklus
    an, dass Benutzerschlüssel 2 erfolgreich registriert
    wurde.
•   Den Zündschalter ausschalten und mindestens 15 Se-
    kunden warten.
•   Der Registriermodus wird automatisch aufgehoben.


• Die FI-Anzeige [A] erlischt.
ELEKTRIK 16-95
Wegfahrsperrensystem (ausgerüstete Modelle)

• Das
  den
            Schlüsselregistriergerät
            Verbinder    des
                                       unterbrechen   und
                                  Wegfahrsperren-/Kawasaki
    -Selbstdiagnosesystems anschließen.
                        ANMERKUNG
    ○Den   Zündschalter mit einem registrierten Benutzer-
     schlüssel einschalten.
    ○Den Motor mit jedem der registrierten Benutzerschlüs-
     sel starten, um deren Funktionsfähigkeit zu überprüfen.

• Einen neuen Zündschalter und die Antenne einbauen.
Fall 3: Die ECU ist defekt und muss ausgetauscht wer-
den.
•Eine neue ECU [A] sowie einen gegenwärtigen Haupt-
 schlüssel [B] and gegenwärtige Benutzerschlüssel [C] be-
 reitlegen.
                        ANMERKUNG
    ○Das Schlüsselregistriergerät wird nicht benötigt.


• Wechseln:
   Elektronische   Steuereinheit [A] (siehe "Ausbau der
     ECU" im Kapitel "Kraftstoffanlage (DFI)").




• Den gegenwärtigen Hauptschlüssel in den Zündschalter
  stecken und den Zündschalter einschalten.

○Falls     sich bei der Registrierung ein Problem ergeben
    sollte, weist Blinken der Warnleuchte (LED) [A] auf Kol-
    lationsfehler hin.
      Ausfall des Wegfahrsperren-Verstärkers
16-96 ELEKTRIK
Wegfahrsperrensystem (ausgerüstete Modelle)
   Hauptschlüssel-Kollationsfehler




• Der Hauptschlüssel wurde inblinktECU registriert. 1 Se-
○Die Warnleuchte (LED) [A]
                              der
                                    einmal, stoppt
 kunde und zeigt dann durch Wiederholen dieses Zyklus
 an, dass der Hauptschlüssel erfolgreich registriert wurde.




• Den Hauptschlüssel ausschalten und abziehen. der Re-
○Blinken der Warnleuchte (LED) [A] zeigt an, dass
 gistriermodus eingestellt ist.
                      ANMERKUNG
 ○Den nächsten Schlüssel innerhalb 15 Sekunden nach
  Abziehen des vorherigen Schlüssels einstecken und
  einschalten; andernfalls wird der Registriermodus auf-
  gehoben und die Warnleuchte (LED) erlischt.
 ○Um wieder auf Registriermodus zu schalten, die Haupt-
  schlüssel-Verifizierung einleiten. Dieses Verfahren gilt
  für die Registrierung aller Benutzerschlüssel.

• Den den Zündschalter einschalten.Zündschalter stecken
  und
       Benutzerschlüssel 1 in den

                      ANMERKUNG
 ○Andere    Benutzerschlüssel von der Wegfahrsper-
   ren-Antenne fernhalten.

○Falls  sich bei der Registrierung ein Problem ergeben
 sollte, weist Blinken der Warnleuchte (LED) [A] auf Kol-
 lationsfehler hin.
   Ausfall des Wegfahrsperren-Verstärkers
ELEKTRIK 16-97
Wegfahrsperrensystem (ausgerüstete Modelle)
   Beim Einstecken eines registrierten Benutzerschlüssels.




   Benutzerschlüssel-Kollationsfehler




• Benutzerschlüssel(LED) [A] in der ECU registriert. 1 Se-
○Die Warnleuchte
                    1 wurde
                              blinkt zweimal, stoppt
 kunde und zeigt dann durch Wiederholen dieses Zyklus
 an, dass der Benutzerschlüssel erfolgreich registriert
 wurde.




• DenWarnleuchte (LED) [A]ausschaltendie Registriercodes
○Die
     Benutzerschlüssel 1
                           blinkt, und
                                       und abziehen.

 werden angezeigt.
                     ANMERKUNG
 ○Den nächsten Schlüssel innerhalb 15 Sekunden nach
  Abziehen des vorherigen Schlüssels einstecken und
  einschalten; andernfalls wird der Registriermodus auf-
  gehoben und die Warnleuchte (LED) erlischt.
 ○Um wieder auf Registriermodus zu schalten, die Haupt-
  schlüssel-Verifizierung einleiten. Dieses Verfahren gilt
  für die Registrierung aller Benutzerschlüssel.

• Den den Zündschalter einschalten.Zündschalter stecken
  und
       Benutzerschlüssel 2 in den
16-98 ELEKTRIK
Wegfahrsperrensystem (ausgerüstete Modelle)
○Falls     sich bei der Registrierung ein Problem ergeben
    sollte, blinkt die Warnleuchte (LED) [A] und der Kollati-
    onsfehlercode wird angezeigt.
     Ausfall des Wegfahrsperren-Verstärkers




     Beim Einstecken eines registrierten Benutzerschlüssels.




     Benutzerschlüssel-Kollationsfehler




• Benutzerschlüssel(LED) [A] in der ECU registriert. 1 Se-
○Die Warnleuchte
                    2 wurde
                              blinkt dreimal, stoppt
    kunde und zeigt dann durch Wiederholen dieses Zyklus
    an, dass Benutzerschlüssel 2 erfolgreich registriert
    wurde.
•   Den Zündschalter ausschalten und mindestens 15 Se-
    kunden warten.
•   Der Registriermodus wird automatisch aufgehoben.



• Die FI-Anzeige [A] erlischt.
ELEKTRIK 16-99
Wegfahrsperrensystem (ausgerüstete Modelle)
                        ANMERKUNG
    ○Den   Zündschalter mit einem registrierten Benutzer-
     schlüssel einschalten.
    ○Den Motor mit jedem der registrierten Benutzerschlüs-
     sel starten, um deren Funktionsfähigkeit zu überprüfen.

Fall 4:        Bei Beschädigung oder Verlust des
Hauptschlüssels.
  Die Notwendigkeit den Hauptschlüssel zu ersetzen ergibt
sich nur in seltenen Fällen. Falls dies jedoch der Fall sein
sollte, wird folgendes benötigt.
                        ANMERKUNG
    ○Die ECU muss ersetzt werden, weil der in der gegen-
     wärtigen ECU abgespeicherte Hauptschlüsselcode
     nicht geändert werden kann.

• Eine neue ECU [A] sowie Benutzerschlüssel [C] bereit-
  [B] and die gegenwärtigen
                            einen neuen Hauptschlüssel

    legen.
                        ANMERKUNG
    ○Das Schlüsselregistriergerät wird nicht benötigt.
    ○Die Schlüsselregistrierung erfolgt nach demselben Ver-
     fahren wie beim Austausch der ECU.



Fall 5: Bei Ersatz der Antenne.
•Eine neue Antenne bereitlegen.
•Siehe "Austausch von Teilen des Wegfahrsperrensys-
 tems" in diesem Kapitel.
                        ANMERKUNG
    ○Registrierung der Schlüssel ist nicht erforderlich.
16-100 ELEKTRIK
Wegfahrsperrensystem (ausgerüstete Modelle)
Ablaufplan für Schlüssel-Erstregistrierung
ELEKTRIK 16-101
Wegfahrsperrensystem (ausgerüstete Modelle)
Austausch von Teilen des Wegfahrsperrensys-
tems
Wegfahrsperren-Antenne
•Ausbauen:
  Linke Innenabdeckung (siehe "Ausbau der Innenabde-
  ckung" im Kapitel "Rahmen")
•Kabelverbinder [A] und Klemme [B] abtrennen.




• Ausbauen:
   Oberes Kupplungszugende
     Obere Seilzugenden der Gaszüge
     Lenkschaftkopf und Lenker (siehe "Ausbau des Len-
     kers" im Kapitel "Lenkung")
•   Die Torx-Schrauben mit einem kleinen Meißel oder einer
    Stanze [A] herausdrehen.




• Die Bänder [A] undherausdrehen.
                     [B] durchschneiden.
• Die Antenne [D] mit der Abdeckung entfernen.
  Die Schrauben [C]
•




○Das Unterteil [A] der Abdeckung so herausziehen, dass
    nicht an die Vorsprünge [B] des Zündschalters angesto-
    ßen wird.




• Den Gummidämpfer [A] oben um den Schalter [B] herum
  einbauen.
○Die Nuten auf die Nasen aufsetzen.
16-102 ELEKTRIK
Wegfahrsperrensystem (ausgerüstete Modelle)

• Die Klemme [A] montieren.[B] anziehen, bis der Schrau-
• Eine neue Torx-Schraube
  benkopf [C] bricht.
• Die Kabel korrekt verlegen Schläuchen" im Anhang).
  von Seilzügen, Kabeln und
                              (siehe Abschnitt "Verlegung




Austausch des Wegfahrsperren-Verstärkers
•Ausbauen:
  Windschutz (siehe "Ausbau des Windschutzes" im Ka-
  pitel "Rahmen")
•Den Verstärker [A] herausziehen.




• Steckverbindung [A] trennen. herausziehen, damit nicht
• Den Verstärkerangestoßen wird.
  an die Haken
                 [B] nach hinten




Austausch der ECU (Elektronische Steuereinheit) (aus-
gerüstete Modelle)
•Siehe Ausbau der ECU im Kapitel Kraftstoffanlage (DFI)
 (siehe "Ausbau der ECU" im Kapitel "Kraftstoffanlage
 (DFI)").
ELEKTRIK 16-103
Wegfahrsperrensystem (ausgerüstete Modelle)
Ablaufplan für Austausch von Teilen der Wegfahrsperre
                                   Defekte oder verlorene Teile
                      Haupt-      Benutzer-
                                               Zünd-     An-       Ver-
                     schlüssel    schlüssel                                 ECU
                                              schalter   tenne    stärker
                       (rot)      (schwarz)
      Haupt-
     schlüssel
          (rot)
                        •
     Benutzer-
     schlüssel
     (schwarz)
                                     •          ○
 *

                                                •
     Zündschal-
          ter

      Antenne
                                                          •
     Verstärker
                                                                    •
          ECU           ○                                                   •
      *           Austauschteil

     •            Wesentliches Austauschteil
     ○            Zusätzliches Austauschteil

Prüfung des Wegfahrsperrensystems
• Siehe "Wegfahrsperren-Verstärker und Erkennung von
  Schlüsselrohlingen" im Kapitel "Kraftstoffanlage (DFI)".
16-104 ELEKTRIK
Wegfahrsperrensystem (ausgerüstete Modelle)
Schaltkreis des Wegfahrsperrensystems




  1. ECU
  2. Zündschalter
  3. Wegfahrsperren-Verstärker
  4. Masse des Zylinderkopfdeckels
  5. Steckverbindung C
  6. Wegfahrsperren-Antenne
  7. Steckverbindung B
  8. Instrumenteneinheit
  9. ECU-Sicherung 10 A
 10. Zündungssicherung 10 A
 11. Sicherungskasten
 12. Relaiskasten
 13. ECU-Hauptrelais
 14. Rahmenmasse
 15. Hauptsicherung 30 A
 16. Starterrelais
 17. Batterie 12 V 8 Ah
 18. Steckverbinder für Wegfahrsperre/Kawasaki-Selbstdiagnosesystem
ELEKTRIK 16-105
Schalter und Sensoren
Prüfung der Zeiteinstellung des Bremslichtschal-
ters
• Siehe die Anweisungen zur
  Bremslichtschalters im Kapitel
                                    Funktionsprüfung des
                                    Regelmäßige Wartung
    (siehe "Funktionsprüfung des Bremslichtschalters" im
    Kapitel "Regelmäßige Wartung").
Zeiteinstellung des Bremsleuchtenschalters
• Siehe die Anweisungen zur
  Bremslichtschalters im Kapitel
                                    Funktionsprüfung des
                                    Regelmäßige Wartung
    (siehe "Funktionsprüfung des Bremslichtschalters" im
    Kapitel "Regelmäßige Wartung").
Ausbau des Gangpositionsschalters
• Den Kraftstofftank aufstellen (siehe "Ausbau des Dreh-
  zahlsensors").
• Abziehen:
   Steckverbinder des Gangpositionsschalters [A]
     Klemme [B]




• Die Klemmen [A] öffnen.




• Ausbauen:
   Motorkettenradabdeckung [A] (siehe "Ausbau des Mo-
      torkettenrads" im Kapitel "Achsantrieb")
      Geschwindigkeitssensor (siehe "Ausbau des Geschwin-
      digkeitssensors") [B]
•   Den Kabelsteckverbinder des Seitenständerschalters [C]
    trennen.
16-106 ELEKTRIK
Schalter und Sensoren

• Ausbauen: [A]
   Schrauben
   Halteplatte [B]
   Gangpositionsschalter




• Die Stifte [A] und Federn aus der Schalttrommel aus-
  bauen.




Einbau des Gangpositionsschalters
• Die Schaltwalzeund Stifte [B] fest in die Bohrungen [C] in
  der
      Federn [A]
                  einpassen.




• Den neuen O-Ring [A] einfetten.
• Folgende Teile einbauen:
   Gangpositionsschalter [B]




• Folgende Teile einbauen:
   Halteplatte [A]
ELEKTRIK 16-107
Schalter und Sensoren

• Ein nicht-permanentes Gewindedichtmittel auf
  Schrauben des Gangpositionsschalters auftragen.
                                                          den

• Festziehen:
    Anzugsmoment -
           Schrauben des Gangpositionsschalters:            2,9
             N·m (0,30 kgf·m)
• Die Kabel des Gangpositions-Abschnitt "Verlegung von
  ters korrekt verlegen (siehe
                               und Seitenständerschal-

    Seilzügen, Kabeln und Schläuchen" im Anhang).
•   Die ausgebauten Teile einbauen (siehe entsprechende
    Kapitel).
Prüfung des Gangpositionsschalters
                          ANMERKUNG
    ○Darauf achten, dass sich der Getriebemechanismus in
      gutem Zustand befindet.

• Steckverbindung [A] trennen.
   Klemme [B]




• Das Handprüfgerät [A] auf den Bereich ×1 kΩ oder Ω100
  Ω einstellen und an die Klemmen des Kabelverbinders
    [B] des Öldruck-/Gangpositionsschalters und Masse an-
    schließen.
     [C] Interner Schaltkreis
     [1] Hellgrünes Kabel
     [2] Grüner/roter Leiter
     [3] Schwarzer Leiter
    Spezialwerkzeug -
             Handprüfgerät: 57001-1394

Widerstand des Gangpositionsschalters                       kΩ
                                Anschlüsse
 Getriebe-
              [1]-Masse      [2]-Masse        [3]-Masse
  gang
    Neutral     ca. 0            –                –
    1. Gang       –          3,00 ∼ 3,32     11,63 ∼ 12,87
    2. Gang       –          1,70 ∼ 1,89     10,33 ∼ 11,44
    3. Gang       –          1,07 ∼ 1,19     9,70 ∼ 10,74
    4. Gang       –         0,695 ∼ 0,769    9,32 ∼ 10,32
    5. Gang       –         0,430 ∼ 0,476    9,06 ∼ 10,03
    6. Gang       –         0,248 ∼ 0,274     8,89 ∼ 9,81
    Falls die Anzeige des Testers nicht den Spezifikationen
    entspricht, den Gangpositionsschalter durch einen neuen
    ersetzen.
16-108 ELEKTRIK
Schalter und Sensoren
Prüfung des Schalters
• Mit einem Handprüfgerät kontrollieren, ob bei den in der
  Tabelle angegeben Verbindungen Durchgang besteht
 (etwa 0 Ohm).
○Zu Schaltergehäusen und Zündschalter siehe die Tabel-
 len zum Verdrahtungsplan.
 Liegt im Schalter ein Kurzschluss oder eine Unterbre-
 chung vor, den Schalter austauschen.
 Spezialwerkzeug -
          Handprüfgerät: 57001-1394
Anschlüsse des Hinterrad-Bremslichtschalters




Anschlüsse des Seitenständerschalters




Anschlüsse des Öldruckschalters*




   *: Das Motorschmiersystem ist einwandfrei.
ELEKTRIK 16-109
Schalter und Sensoren
Prüfung des Wassertemperatursensors
• Den Wassertemperatursensors" im Kapitel "Kraftstoffan-
  des
      Wassertemperatursensor ausbauen (siehe "Ausbau

    lage (DFI)").
•   Den Sensor [A] in einen Behälter mit Kühlflüssigkeit hän-
    gen, so dass der Temperatursensor [E] und der Gewin-
    deteil [E] in die Kühlflüssigkeit eintauchen.
•   Ein genaues Thermometer [B] in die Kühlflüssigkeit hän-
    gen.
                        ANMERKUNG
    ○Sensor und Thermometer dürfen weder die Wand noch
     den Boden des Behälters berühren.

• Den Behälter auf eine Wärmequelle stellenUmrühren all-
  peratur des Kühlmittels unter vorsichtigem
                                             und die Tem-

 mählich erhöhen.
•Mit dem Handprüfgerät den Innenwiderstand des Sen-
 sors messen.
○Der Sensor sendet elektrische Signale an die elektroni-
 sche Steuereinheit (ECU) und die Anzeige für die Kühl-
 flüssigkeitstemperatur im Instrumentenblock.
○Den Widerstand zwischen den Anschlüssen und dem Ge-
 häuse (für die Anzeige) bei den in der Tabelle angegebe-
 nen Temperaturen messen.
 Zeigt das Prüfgerät nicht die Sollwerte an, den Sensor
 ersetzen.
Wassertemperatursensor
                     Widerstand für ECU [C]
                                       Widerstand (kΩ)
           Temperatur
                                     (Anschluss [1] - [3])
                                                +0,115
              20°C                       2,46
                                                –0,143
              80°C                       0,32 ±0,011
             110°C                     0,1426 ±0,0041


          Widerstand für Wassertemperaturanzeige [D]
                                       Widerstand (Ω)
           Temperatur
                                  (Anschluss [2] - Gehäuse)
              50°C                         210 ±40
             120°C                        21,2 ±1,5

Ausbau des Drehzahlsensors
• Die Schrauben vorne seitlich am eines geeigneten Werk-
                                   Kraftstofftank entfernen.
• zeugs oder einer Stange [B] aufstellen.
  Den Kraftstofftank [A] mit Hilfe

○Den Lenker gerade stellen.
16-110 ELEKTRIK
Schalter und Sensoren

• Den Drehzahlsensor-Steckverbinder [A] lösen.




• Die Schraube [A] des Drehzahlsensors ausbauen.
• Die Klemmen [B] öffnen. ausbauen.
• Den Drehzahlsensor [C]




Einbau des Drehzahlsensors
• Den Drehzahlsensor einbauen.
• Ein nicht-permanentes Gewindedichtmittel
  Schraube auftragen.
                                                  auf   die

    Anzugsmoment -
           Drehzahlsensorschraube: 3,9 N·m (0,40 kgf·m)

Prüfung des Drehzahlsensors
• Ausbauen:
   Drehzahlsensor (siehe "Ausbau des Drehzahlsensors")
• Deneinem Widerstand Drehzahlsensors mitPrüfgerät [D]
  [B],
       Verbinder [A] des
                         10 kΩ [C] und dem
                                           der Batterie

    verbinden.
•   Das Prüfgerät auf den Messbereich DC 25 V schalten.
    Spezialwerkzeug -
             Handprüfgerät: 57001-1394


• Jede Seite [A] des Drehzahlsensors mit dem Schrauben-
  zieher berühren.
○Die Anzeige des Prüfgeräts sollte ansprechen [B].
    Falls das Prüfgerät nicht anspricht, den Drehzahlsensor
    ersetzen.
ELEKTRIK 16-111
Schalter und Sensoren
Prüfung des Kraftstoffreserveschalters
• Ausbauen:
   Linke Seitenabdeckung (siehe "Ausbau der Seitenabde-
     ckung" im Kapitel "Rahmen")
     Kabelsteckverbinder der Kraftstoffpumpe [A]




• Den Tankdeckel ordnungsgemäß schließen.
       Tank mit Kraftstoff füllen.
• Die Prüflampe [A] (12 Volt, 3,4 Watt mit Fassung und
  Den
• Prüfleitungen) und die Batterie 12 Volt [B] am Verbinder
    [C] der Kraftstoffpumpe anschließen.
    Anschlüsse
      Batterie (+) →12 V 3,4 W Glühlampe (eine Seite)
      12 V 3,4 W Glühlampe (andere Seite) → Klemme des
      rot/schwarzen Kabels
      Batterie (–) → Klemme des schwarz/weißen Kabels
    Wenn die Prüflampe aufleuchtet, ist der Reserveschalter
    defekt. Die Kraftstoffpumpe ersetzen.

• Ausbauen: (siehe "Ausbau des Kraftstofftanks" im Ka-
   Kraftstofftank
     pitel "Kraftstoffanlage (DFI)").
     Kraftstoffpumpe (siehe "Ausbau der Kraftstoffpumpe" im
     Kapitel "Kraftstoffanlage (DFI)")
•   Die Prüflampe (12 V/3,4 W in einer Fassung mit An-
    schlusskabeln) und die Batterie 12 V wie in der Abbildung
    am Verbinder der Kraftstoffpumpe anschließen.
     12 V Batterie [A]
     Prüflampe [B]
     Kraftstoffpumpen-Steckerbinder [B]
     Kraftstoffreserveschalter [D]
    Falls die Prüflampe nicht aufleuchtet, die Kraftstoffpumpe
    austauschen.
                        ANMERKUNG
    ○Es kann lange dauern, bis die Prüflampe aufleuch-
     tet, wenn der Kraftstoffreserveschalter unmittelbar
     nach Ausbau der Kraftstoffpumpe überprüft wird. Die
     Prüflampe mehrere Minuten am Reserveschalter an-
     geschlossen lassen.
16-112 ELEKTRIK
Schalter und Sensoren
Ausbau der Lambdasonden (ausgerüstete
Modelle)
• Ausbauen:
   Rechte mittlere Verkleidung (siehe "Ausbau der mittle-
     ren Verkleidung" im Kapitel "Rahmen")
•   Die Kabelsteckverbinder [A] der Lambdasonde trennen.
•   Die Lambdasonden [B] ausbauen.




Einbau der Lambdasonden (ausgerüstete
Modelle)
                        VORSICHT
    Die Lambdasonde [A] keinesfalls fallen lassen, be-
    sonders nicht auf harten Boden. Durch solch ei-
    nen Schlag kann die Sonde beschädigt werden. Die
    Sonde [B] nicht berühren, um den Kontakt mit Öl
    zu vermeiden. Eine Verschmutzung durch Öl durch
    Anfassen mit den Händen kann die Leistung der
    Sonde beeinträchtigen.

• Folgende Teile einbauen: (Verbinderfarbe, schwarz)
   Linke Lambdasonde [A]
     Rechte Lambdasonde [B] (Verbinderfarbe, grau)




• Festziehen:
    Anzugsmoment -
           Lambdasonde: 25 N·m (2,5 kgf·m)
• Das Kabel von Seilzügen, Kabeln und verlegen (siehe
  "Verlegung
             der Lambdasonde korrekt
                                      Schläuchen" im
    Anhang).
Prüfung der Lambdasonden (ausgerüstete
Modelle)
• Siehe die Anweisungen zur Prüfung(siehe "Prüfung der
  im Kapitel Kraftstoffanlage (DFI)
                                    der Lambdasonden

    Lambdasonden" im Kapitel "Kraftstoffanlage (DFI)").
ELEKTRIK 16-113
Relaiskasten
  Der Relaiskasten [A] enthält Relais und Dioden. Die Re-
lais und die Dioden können nicht ausgebaut werden.




Ausbau des Relaiskastens
• Ausbauen:
   Rechte Innenabdeckung (siehe "Ausbau der Innenabde-
   ckung" im Kapitel "Rahmen")
   Sicherungskasten [A] (siehe "Ausbau des Sicherungs-
   kastens")




• Die Verbinder [B] trennen und den Relaiskasten [A] her-
  ausnehmen.




Prüfung des Relaisschaltkreises
• Den Relaiskasten ausbauen (siehe "Ausbau des Relais-
  kastens").
• Den Durchgang der KlemmenHandprüfgeräts und Num-
  mern durch Anschluss eines
                               mit den folgenden
                                                 einer
 12-V-Batterie an den Relaiskasten gemäß Abbildung prü-
 fen.
 Wenn das Prüfgerät abweichende Werte anzeigt, den Re-
 laiskasten ersetzen.
16-114 ELEKTRIK
Relaiskasten
Prüfung des Relaisschaltkreises (bei abgeklemmter
Batterie)
                             Prüfgerät             Prüfgerätanzeige
                            -Anschluss                   (Ω)
Scheinwerferrelais                1-3                     ∞
                                  6-7                     ∞
ECU-Hauptrelais
                                  4-5                  Nicht ∞*
Kraftstoffpumpenre-               7-8                     ∞
lais                              9-10                 Nicht ∞*
Relais des                       11-16                    ∞
Starterstromkreises              11-12                    ∞
                                 17-20                    ∞
Lüfterrelais
                                 18-19                 Nicht ∞*

Prüfung des Relaisschaltkreises (bei angeklemmter
Batterie)
                       Batteriean-
                                          Prüfgerät       Prüfgerät-
                         schluss
                                         -Anschluss      anzeige (Ω)
                        (+) (–)
                           2-11              1-3              0
ECU-Hauptrelais
                           4-5               7-6              0
Kraftstoffpum-
                           9-10              7-8              0
penrelais
Lüfterrelais             18-19             17-20              0

                                      Prüfgerät
                 Batteriean-
                                     -Anschluss         Prüfgerätan-
                   schluss
                                    Bereich 25 V         zeige (V)
                  (+) (–)
                                   Gleichspannung
Relais des
                                                          Batterie-
Starterstrom-      16-12                 11-12
                                                         spannung
kreises

Prüfung des Diodenschaltkreises
• Den Relaiskasten ausbauen (siehe "Ausbau des Relais-
  kastens").
• Den Durchgang "Interner Relaiskasten-Schaltkreis").kon-
  trollieren (siehe
                    der nachfolgenden Klemmenpaare

Prüfung des Diodenschaltkreises
Prüfgerät             1-11, 2-11, 12-13, 12-15, 12-16, 13-14,
-Anschluss            13-15
 In einer Stromrichtung muss der Widerstand niedrig und
 in der anderen Stromrichtung mindestens zehnmal so
 groß sein. Ist eine der Dioden in beiden Richtungen
 hoch- oder niederohmig, dann ist die Diode defekt und
 der Relaiskasten muss ersetzt werden.
                         ANMERKUNG
 ○Der tatsächliche Messwert ist je nach Messgerät und
   Diode verschieden, aber der niedrigere Messwert sollte
   immer zwischen Null und dem halben Vollausschlag lie-
   gen.
ELEKTRIK 16-115
Relaiskasten
Interner Relaiskasten-Schaltkreis




  A: Scheinwerferrelais
  B: ECU-Hauptrelais
  C: Kraftstoffpumpenrelais
  D: Relais des Starterstromkreises
  E: Lüfterrelais
16-116 ELEKTRIK
Sicherung
Ausbau der Hauptsicherung 30 A
• Ausbauen: (siehe "Ausbau des Vordersitzes" im Kapitel
   Vordersitz
     "Rahmen")
•   Das Starterrelais herausziehen.




• Ausbauen:
   30-A-Hauptsicherungsverbinder [A]
• Starterrelais ziehen.
  Die Hauptsicherung [B] mit einer Spitzzange aus dem




Ausbau einer Sicherung aus dem
Sicherungskasten
• Die rechte obere Innenabdeckung ausbauen (siehe "Aus-
  bau der Innenabdeckungen" im Kapitel "Rahmen").
• Auf den Haken [A] drücken und den Deckel [B] hochzie-
  hen.




• Die Sicherungen [A] mitziehen.
  dem Sicherungskasten
                          einer Spitzzange waagrecht aus




Ausbau der 10-A-ECU-Sicherung
• Ausbauen: Innenabdeckung (siehe "Ausbau der hin-
   Rechte obere
     teren Sitzbank" im Kapitel "Rahmen")
•   Am Haken [A] ziehen und den Deckel [B] hochheben.
ELEKTRIK 16-117
Sicherung

• Die ECU-Sicherungen [A] mit einer Spitzzange waage-
  recht aus dem Sicherungskasten ziehen.




Einbau der Sicherungen
• Wenn eine Sicherung während des Betriebs durchbrennt,
  die Elektrik überprüfen und die Ursache ermitteln, und
    dann die Sicherung durch eine Sicherung mit dem glei-
    chen Nennwert ersetzen.
•   Die Sicherungen im Sicherungskasten in der auf dem De-
    ckel angegebenen Originalposition einsetzen.
Prüfung der Sicherungen
• Die Sicherung entfernen (siehe "Ausbau der Sicherung")
• Die Sicherung prüfen. Sicherung ersetzen. Vor dem
  Eine durchgebrannte
    Austausch einer durchgebrannten Sicherung immer
    die Stromstärke im betroffenen Stromkreis prüfen. Ist
    der Strom gleich oder größer als die Amperzahl der
    Sicherung, die Verkabelung und die betreffenden Kom-
    ponenten auf Kurzschluss prüfen.
     Gehäuse [A]
     Sicherung [B]
     Klemmen [C]
     Durchgebrannte Sicherung [D]
                       VORSICHT
    Beim Ersetzen einer Sicherung muss die neue Si-
    cherung die für diesen Stromkreis vorgeschriebene
    Amperezahl besitzen. Der Einbau einer Sicherung
    mit höherem Nennwert kann zu Schäden an der Ver-
    kabelung und Bauteilen führen.
ANHANG 17-1




                                                      Anhang
                                            INHALTSVERZEICHNIS
Verlegung von Seilzügen, Kabeln und Schläuchen................................................................                     17-2
Anleitung zur Fehlersuche......................................................................................................   17-32




                                                                                                                                          17
17-2 ANHANG
Verlegung von Seilzügen, Kabeln und Schläuchen
ANHANG 17-3
Verlegung von Seilzügen, Kabeln und Schläuchen
  1. Gaszug (Öffnungszug)
  2. Gaszug (Schließzug)
  3. Klemme
  4. Den Kupplungszug hinter den Gaszügen verlegen.
  5. Kupplungszug
  6. Den Kupplungszug vorne an der Vorderradgabel und am Bremsschlauch vorbei verlegen.
  7. Die Kupplungszüge vorne an den Gaszügen vorbei verlegen.
  8. Vorderrad-Bremsschlauch
  9. Die Klemme an der Wärmedämmung anbauen (Klauen zur Rahmenaußenseite weisend).
 10. Lüftermotorkabel
 11. Klemme
17-4 ANHANG
Verlegung von Seilzügen, Kabeln und Schläuchen
ANHANG 17-5
Verlegung von Seilzügen, Kabeln und Schläuchen
  1. Blinkgeberrelais
  2. Den Kabelbaum festklemmen (Klemme und Kabelbaum dürfen nicht an das Blinkerrelais an-
     stoßen).
  3. Klemme
  4. Sicherungskasten
  5. Klemme
  6. Relaiskastenklemme
  7. Scheinwerfer-Steckverbinder (Abblendlicht)
  8. Klemme (für Abblendlichtkabel und Kabelbaum)
  9. Stadtlichtverbinder
 10. Klemme (für Fernlichtkabel, Fahrtstellungslicht und Kabelbaum führen)
 11. Scheinwerfer-Steckverbinder (Fernlicht)
 12. Klemme (den Hauptkabelbaum verlegen.)
 13. Klemme (für Kabel der Teillastventil-Stelleinheit und Hupenkabel)
 14. Halterung (den Kabelverbinder des Nockenwellensensors halten.)
 15. Verbinder des Nockenwellensensors
 16. Unterdruckschaltventil-Steckverbinder
 17. Klemme (für Kabel aus dem Hauptkabelbaum)
 18. Das Massekabel des Zylinderkopfdeckels links des Motors.
 19. Kabel des Drosselklappensensors (Sensorkabel oberhalb des Hauptkabelbaums führen, Kabel
     des Kurbelwellensensors/Öldruckschalters)
 20. Hauptkabelbaum
 21. Stabzündspulen (Den Anschlussteil der Spulen mit den Linien auf dem Zylinderkopfdeckel aus-
     richten.)
 22. Teillastventil-Stellantrieb-Verbinder
17-6 ANHANG
Verlegung von Seilzügen, Kabeln und Schläuchen
ANHANG 17-7
Verlegung von Seilzügen, Kabeln und Schläuchen
  1. Klemmen (Steckausführung)
  2. Blinkgeberrelais
  3. Sicherungskasten
  4. Klemme
  5. Relaiskasten
  6. Kabelverbinder der Blinkerleuchte, vorn rechts
  7. Kabelsteckerbinder des rechten Schaltergehäuses
  8. Masse des Zylinderkopfdeckels
  9. Hauptkabelbaum
 10. Lambdasonde Nr. 1, Kabelverbinder (schwarz)
 11. Lambdasonde Nr. 2, Kabelverbinder (grau)
 12. Kabelverbinder des Ansaugluftdrucksensors
 13. Kabelverbinder des Hauptdrosselklappensensors
 14. Kabelverbinder des Teillastsensors
 15. Kabelsteckerbinder des hinteren Bremslichtschalters
 16. Kurbelwellensensor-Kabelsteckverbinder
 17. Steckverbinder des Gangpositionsschalters
 18. Masseanschlusskabel des Motors
 19. Kabelverbinder des Wassertemperatursensors
 20. Kabelsteckverbinder des Drehzahlsensors
 21. Kabelverbinder der Primär-Einspritzventile (Nr. 1, 2, 3, 4, von links nach rechts)
 22. Kabelverbinder der Sekundär-Einspritzventile (Nr. 1, 2, 3, 4, von links nach rechts)
 23. Steckverbinder des Ansaugluft-Temperatursensors
 24. Kebalsteckverbinder des Teillastventil-Stellantriebs
 25. Stabzündspulen-Verbinder (Nr. 1, 2, 3, 4, von links nach rechts)
 26. Steckverbinder des Luftschaltventils
 27. Kabelverbinder des Nockenwellensensors
 28. Hupenkabelverbinder
 29. Kabelverbinder der Blinkerleuchte, vorn links
 30. Zündschalter-Kabelsteckverbinder
 31. Wegfahrsperren-Antenne (ausgerüstete Modelle)
 32. Kabelsteckerbinder des linken Schaltergehäuses
 33. Instrumenten-Steckverbinder
 34. Wegfahrsperren-Verstärker (ausgerüstete Modelle)
 35. Umkippsensor
 36. Lüftermotor-Kabelverbinder
17-8 ANHANG
Verlegung von Seilzügen, Kabeln und Schläuchen




  1. Rahmenmasse                              12. Verbinder der Blinkerleuchte, hinten links
  2. Klemmen (Steckausführung)                13. Verbinder der Kennzeichenbeleuchtung
  3. Das Kabel der Lichtmaschine durch die    14. Verbinder        der Auslassklappenven-
     Nut im hinteren Schutzblech führen.          til-Stelleinheit
  4. Das Regler-/Gleichrichterkabel unter     15. Steckverbinder des Umgebungsdruck-
     dem Hauptkabel verlegen.                     sensors
  5. Klemmen                                  16. Starterrelais
  6. Batterie-Minuspol und -kabel             17. Kraftstoffpumpen-Verbinder
  7. Batterie-Pluskabel                       18. Klemme
  8. Steckverbinder      des       Kawasaki   19. Startermotorkabel
     -Diagnosesystems (KDS)                   20. Kabel für Regler/Gleichrichter
  9. ECU-Steckverbinder                       21. Ansicht von der Rahmenvorderseite
 10. Verbinder der Blinkerleuchte, hinten     22. Batterie-Pluskabel
     rechts                                   23. Startermotorkabel
 11. Verbinder des Rück-/Bremslichts          24. Ansicht von der rechten Batterieseite
ANHANG 17-9
Verlegung von Seilzügen, Kabeln und Schläuchen
Freie Seite
17-10 ANHANG
Verlegung von Seilzügen, Kabeln und Schläuchen
ANHANG 17-11
Verlegung von Seilzügen, Kabeln und Schläuchen
  1. Das Kabel der Lambdasonde hinter dem Wasserschlauch (Rücklauf) verlegen.
  2. Das Kabel des rechten Schaltergehäuses von der Vorderseite der rechten Vorderradgabel durch
     diese verlegen und weiter durch die Halterung oben am Lenkschaft.
  3. Klemme
  4. Klemme (Steckausführung)
  5. Bänder (überstehende Bandlänge abschneiden)
  6. Den gekrümmten Teil des Kabels festklemmen und die überstehende Bandlänge abschneiden.
  7. Klemme (für Kabel zum Schaltergehäuse der vorderen rechten Blinkerleuchte)
  8. Kabelverbinder der Blinkerleuchte, vorn rechts
  9. Kabel des rechten Schaltergehäuses (Hauptkabelseite)
 10. Klemme (für Kabel der Lambdasonde Nr. 1 und des Öldruckschalters)
 11. Die Verbinder unbedingt in die Halterung einstecken.
 12. Lambdasondenverlegung - Detailansicht
 13. Kurbelwellensensorkabel
 14. Das Kabel des Öldruckschalters in der dargestellten Richtung rechts des Motors einbauen.
 15. Verbinder der Lambdasonde Nr. 2 (grau)
 16. Verbinder der Lambdasonde Nr. 1 (schwarz)
 17. Lambdasonden (ausgerüstete Modelle)
17-12 ANHANG
Verlegung von Seilzügen, Kabeln und Schläuchen
ANHANG 17-13
Verlegung von Seilzügen, Kabeln und Schläuchen
  1. Kabelverbinder des linken Schaltergehäuses
  2. Kabelverbinder des Zündschalters und der Wegfahrsperren-Antenne
  3. Klemmen
  4. Klemme
  5. Blinkerleuchtenkabel, vorn links
  6. Halterung (für Aktivkohlebehälter, nur Modell für Kalifornien)
  7. Schraube
  8. Linke mittlere Verkleidung
  9. Klemme (für Kabel des Drehzahlsensors, Gangpositionsschalters, Leerlaufeinstellschraube so-
     wie für den Ablassschlauch)
 10. Drehzahlsensor
 11. Gangpositionsschalter
 12. Das Kabel des Gangpositionsschalters darf hier kein Spiel aufweisen. (damit es sich nicht in
     der Antriebskette verfängt).
 13. Klemme (für Kabel des Seitenständerschalters und Gangpositionsschalters)
 14. Halterung (für Gangpositionssensor)
 15. Seitenständerschalter
 16. Kabel des Seitenständerschalters
 17. Auffangbehälter (den Behälter hinten auf der Halterung anordnen.)
 18. Klemme (Die Klemme hinter der Halterung anbringen und die Kabel des Gangspositionsschal-
     ters und Seitenständers festklemmen.)
 19. Klemme (Die Klemme vor der Halterung anbringen und den Ablass-Kabelbaum festklemmen.)
 20. Klemme (Die Klemme mit der kleineren Seite nach hinten anbringen und das Kabel der Leer-
     laufeinstellschraube damit festklemmen.)
 21. Kabelverbinder der Blinkerleuchte, vorn links
 22. Den Hauptkabelbaum unter dem Scheinwerfergehäuse einschieben.
 23. Klemme (für Kabel des Rück-/Bremslichts, der hinteren Blinkerleuchte und der Kennzeichen-
     beleuchtung)
 24. Klemme (für Kabel des Rück-/Bremslichts, der hinteren Blinkerleuchte und der Kennzeichen-
     beleuchtung; die Haken umbiegen)
17-14 ANHANG
Verlegung von Seilzügen, Kabeln und Schläuchen
ANHANG 17-15
Verlegung von Seilzügen, Kabeln und Schläuchen
  1. Das Kabel des Kurbelwellensensors/Öldruckschalters gemäß Abbildung festklemmen.
  2. Kabel des Kurbelwellensensors/Öldruckschalters
  3. Das Kabel des Kurbelwellensensors/Öldruckschalters hinter dem Wasserschlauch verlegen.
  4. Klemme (die Leiter des Öldruckschalters verlegen.)
  5. Kurbelwellensensorkabel
  6. Öldruckschalter
  7. Klemme (die Lichtmaschinenkabel samt Druckleitung halten.)
  8. Das Kabel des Gangpositions-/Seitenständerschalters festklemmen.
  9. Das Lichtmaschinenkabel zwischen Wasserschlauch und Motor verlegen.
 10. Das Kabel des Gangpositions-/Seitenständerschalters zwischen den Wasserschläuchen verle-
     gen.
 11. Klemme (das Kabel der Leerlaufeinstellschraube halten.)
 12. Klemme (das Kabel des Gangpositions- und Seitenständerschalters halten.)
 13. Das Kabel des Gangpositionsschalters darf hier kein Spiel aufweisen (damit es sich nicht in der
     Antriebskette verfängt).
17-16 ANHANG
Verlegung von Seilzügen, Kabeln und Schläuchen
ANHANG 17-17
Verlegung von Seilzügen, Kabeln und Schläuchen
  1. Verbinder des Drosselklappensensors (oben: Teillastsensor, unten: Hauptdrosselklappensen-
     sor)
  2. Kabelverbinder des Gangpositions-/Seitenständerschalters
  3. Klemme (den Gangpositions- und Kurbelwellensensorleiter verlegen.)
  4. Steckverbinder des Kurbelwellensensors
  5. Kabelverbinder des hinteren Bremslichtschalters
  6. Startermotorkabel
  7. Verbinder des Batterie-Minuskabels
  8. Klemmen (das Regler-/Gleichrichterkabel halten.)
  9. Rahmen
 10. Kabelsteckerbinder der Kraftstoffpumpe
 11. Geschwindigkeitssensor-Steckverbinder
 12. Klammer (das Lichtmaschinenkabel halten.)
 13. Klemmen (das Kabel des Primär-Kraftstoffeinspritzventils/Wassertemperatursensors halten.)
 14. Teillastventil-Stellantrieb-Verbinder
 15. Klemme (Hupenkabel und Kabel der Teillastventil-Stelleinheit verlegen.)
 16. Unterdruckschaltventil-Steckverbinder
 17. Hupenkabel
 18. Verbinder des Nockenwellensensors
 19. Halterung (den Kabelverbinder des Nockenwellensensors halten.)
 20. Klemme (die Nockenwellensensorleitung auf der Hauptkabelbaum verlegen.)
17-18 ANHANG
Verlegung von Seilzügen, Kabeln und Schläuchen




  1. Das Massekabel des Motors so mon-         9. Kabel            des          Gangspositions
     tieren, dass sie den Anschlag berührt.       -/Seitenständerschalters
  2. Blowbyschlauch                           10. Kabel des Kurbelwellensensors/Öldruckschal-
  3. Wassertemperatursen-                         ters
     sor-Kabelverbinder                       11. Niet (Befestigung der Gummi-Wärmedämmung
  4. Drosselklappengehäuse Nr. 2                  am Rahmen halten.)
  5. Die Gummi-Wärmedämmung mit dem           12. Gummi-Wärmedämmung
     weiß markierten Teil nach oben wei-      13. Kabelsteckverbinder des Drehzahlsensors
     send einbauen.                           14. Kabelsteckverbinder     des  Drehzahlsensors
  6. Drosselklappengehäuse Nr. 3                  (Hauptkabelbaumseite)
  7. Lichtmaschinenkabel                      15. Klemme für Hauptkabelbaum (Befestigung der
  8. Entlüftungsschlauch (für Thermostat-         Gummi-Wärmedämmung am Rahmen halten.)
     gehäuse)                                 16. Startermotor- und Motor-Massekabel verlegen.
ANHANG 17-19
Verlegung von Seilzügen, Kabeln und Schläuchen




  1. Entlüftungsschlauch (für Thermostatge-     9. Den Schlauch so einbauen, dass die weiß
     häuse)                                        markierte Seite links zum Motor zeigt.
  2. Die Klemme in der abgebildeten Richtung   10. Den Schlauch so einbauen, dass die weiß
     einbauen.                                     markierte Seite links zum Motor zeigt.
  3. Wasserschlauch (für Ölkühler)             11. Den Schlauch mit der weiß markierten
  4. Blowbyschlauch                                Seite nach oben weisend einbauen.
  5. Entlüftungsschlauch                       12. Wasserschlauch
  6. Ölfilter                                  13. Wasserschlauch-Verschraubung
  7. Wasserschlauch                            14. Die weiße Markierung am Schlauch mit
  8. Die Klemme mit dem Schraubenkopf              der Nase am Wasserpumpendeckel aus-
     nach hinten weisend einbauen.                 richten.
17-20 ANHANG
Verlegung von Seilzügen, Kabeln und Schläuchen
ANHANG 17-21
Verlegung von Seilzügen, Kabeln und Schläuchen
  1. Den Schlauch nach hinten weisend einbauen.
  2. Die Klemme gemäß Abbildung mit dem Klemmschraubenkopf nach oben weisend einbauen.
  3. Ausgleichsbehälter-Überlaufschlauch
  4. Kühler-Entlüftungsschlauch
  5. Den Schlauch durch den Schlitz in der Wärmedämmung verlegen.
  6. Entlüftungsschlauch für Thermostatgehäuse
  7. Die Klemme gemäß Abbildung mit dem Klemmschraubenkopf nach rechts weisend einbauen.
  8. Die Klemme mit dem Klemmschraubenkopf nach hinten und nach rechts weisend einbauen.
  9. Die Kühler-Entlüftungs- und Überlaufschläuche in die Klemme der Verkleidungshalterung ein-
     setzen.
 10. Wasserschlauch (Vorlauf)
 11. Wasserschlauch (Rücklauf)
 12. Wasserschlauch für Ölkühler (Rücklauf)
 13. Wasserschlauch für Ölkühler (Vorlauf)
 14. Entlüftungsschlauch (Den Schlauch gemäß Abbildung einbauen.)
 15. Blowbyschlauch-Schlauch (Den Schlauch gemäß Abbildung einbauen.)
 16. Die Klemme mit der Klaue nach hinten weisend einbauen.
 17. Die Schläuche mit der weiß markierten Seite nach hinten weisend einbauen.
 18. Ca. 45°
 19. Die Klemme mit der Klaue nach oben weisend einbauen.
 20. Den weiß markierten Teil des Schlauches parallel mit der Kontaktfläche der Thermostatdeckels
     ausrichten.
 21. Den weiß markierten Teil des Schlauches parallel mit der Kontaktfläche der Verschraubung aus-
     richten.
17-22 ANHANG
Verlegung von Seilzügen, Kabeln und Schläuchen
ANHANG 17-23
Verlegung von Seilzügen, Kabeln und Schläuchen
  1. Kühler
  2. Beläge
  3. Den Belag an der rechten Seite des Motorkühlers anbringen.
  4. Das untere Ende des Belags mit dem Motorkühler ausrichten.
  5. Ansicht von der Rahmenhinterseite
  6. Hauptkabelbaum
  7. Rahmen
  8. Kupplungszug
  9. Wasserschlauch
 10. Kurbelwellensensorkabel
 11. Öldruckschalterkabel
 12. Die Nase am Belag zwischen Wasserschlauch und Leerlaufzahnrad-Abdeckung anordnen.
 13. Leerlaufzahnrad-Abdeckung
 14. Die Nut am Belag rückwärtig in die Schraube der Leerlaufzahnrad-Abdeckung einpassen und
     den Belag an der Zylinderschräge montieren.
 15. Ansicht von der rechten Rahmenseite
 16. Das Lichtmaschinenkabel durch den Schlitz installieren.
 17. Die Nase am Belag zwischen Wasserschlauch und Lichtmaschinendeckel anordnen.
 18. Lichtmaschinendeckel
 19. Den Gummibelag an der Zylinderschräge montieren.
 20. Ansicht von der linken Rahmenseite
17-24 ANHANG
Verlegung von Seilzügen, Kabeln und Schläuchen
ANHANG 17-25
Verlegung von Seilzügen, Kabeln und Schläuchen
  1. Die Nase [2] am Schlauch mit der Mittellinie des Unterdruckschaltventils ausrichten.
  2. Nase
  3. Den Schlauch mit der weiß markierten Seite nach oben weisend einbauen.
  4. Großer Außendurchmesser (weiß markiert)
  5. Die Klaue des Klemme rechts des Motors anordnen.
  6. Auffangbehälter (den Behälter hinten auf der Halterung anordnen.)
  7. Ablassschlauch des Kraftstofftanks
  8. Klemme (Die Klemme vor der Halterung anordnen.)
  9. Das Lichtmaschinenkabel hinter dem Entlüftungsschlauch verlegen.
 10. Ablassschlauch des Luftfiltergehäuses
 11. Klemme (das Kabel des Ablassschlauchs des Luftfiltergehäuses, des Kraftstofftank
     -Ablassschlauchs, der Leerlaufeinstellung, des Drehzahlsensors, des Seitenständerschalters,
     der Lichtmaschine und des Gangpositionsschalters halten.)
 12. Die Ablassschläuche zwischen den Wasserschläuchen verlegen.
 13. Dehzahlsensorkabel
 14. Halterung
 15. Entlüftungsschlauch
 16. Klemme
17-26 ANHANG
Verlegung von Seilzügen, Kabeln und Schläuchen




  1. Ablassschlauch (Kraftstofftank)
  2. Klemme (die Ablassschläuche halten.)
  3. Den Ablassschlauch (Kraftstofftank) aus der linken unteren Verkleidung herausführen (freie
     Länge ca. 40 ∼ 50 mm).
  4. Auffangbehälter (den Behälter hinten auf der Halterung anordnen.)
  5. Klemme (Ablassschläuche verlegen.)
  6. Die Schläuche zwischen den Wasserschläuchen verlegen.
  7. Ablassschlauch (Luftfiltergehäuse)
ANHANG 17-27
Verlegung von Seilzügen, Kabeln und Schläuchen




  1. Vorderrad-Bremsflüssigkeitsbehälter
  2. Bremsschlauch
  3. Klemme
  4. Ansicht A
  5. Bremsschlauch
  6. Klemmen
  7. Blaue Markierung
  8. Weiße Markierung
  9. Linker Vorderrad-Bremssattel
 10. Rechter Vorderrad-Bremssattel
 11. Ansicht B
 12. Linke Vorderrad-Bremsscheibe
 13. Rechte Vorderrad-Bremsscheibe
17-28 ANHANG
Verlegung von Seilzügen, Kabeln und Schläuchen




  1. Weiße Markierung
  2. Ansicht B
  3. Ausgleichsbehälter für Hinterradbremse
  4. Klemmen
  5. Bremsschlauch
  6. Klemmen
  7. Bremsschlauch
  8. Bremsbelag (aufkleben)
  9. Klemme
 10. Hinterer Bremssattel
 11. Hauptbremszylinder der Hinterradbremse
 12. Splint (beide Enden des Splints umbiegen)
 13. Ansicht A
 14. Querschnitt C-C
 15. Hintere Bremsscheibe
ANHANG 17-29
Verlegung von Seilzügen, Kabeln und Schläuchen
Modell für Kalifornien




  1. Klemme                             9. Schlauch (blau)
  2. Klemmen                           10. Schlauch (rot)
  3. Aktivkohlebehälter                11. Verschraubung des Drosselklappenge-
  4. Schlauch (blau)                       häuses Nr. 1
  5. Abscheider                        12. Am Luftfiltergehäuse.
  6. Klemme                            13. Zum Unterdruckschaltventil.
  7. Schlauch (weiß)                   14. Verschraubung
  8. Schlauch (grün)
17-30 ANHANG
Verlegung von Seilzügen, Kabeln und Schläuchen
Modell für Kalifornien
ANHANG 17-31
Verlegung von Seilzügen, Kabeln und Schläuchen
  1. Linke mittlere Verkleidung
  2. Linke Blinkerleuchte
  3. Linke Innenabdeckung
  4. Klemme
  5. Schrauben
  6. Die Schläuche gemäß Abbildung zwischen dem Rahmen und der Rippe der Wärmedämmung
     verlegen.
  7. Am Luftfiltergehäuse.
  8. An der Verschraubung des Drosselklappengehäuses Nr. 1
  9. Zum Kraftstofftankdeckel.
 10. Wärmedämmung
 11. Die Schläuche [12] [13] [15] gemäß Abbildung außerhalb des Schlauchs [17] verlegen.
 12. Schlauch (rot)
 13. Schlauch (weiß)
 14. Zum Unterdruckschaltventil.
 15. Schlauch (blau)
 16. Schlauch (grün)
 17. Schlauch (blau)
 18. Den Schlauch mit der weiß markierten Seite nach oben weisend einbauen.
17-32 ANHANG
Anleitung zur Fehlersuche
              ANMERKUNG                           Kupplungshebel nicht angezogen oder Ge-
 ○Die meisten Hinweise zur Fehlersuche am           triebe nicht in Neutralstellung.
  DFI-System finden Sie im Kapitel zur Kraft-     Niedrige Batteriespannung
  stoffanlage.                                    Störung des Wegfahrsperrensystems
 ○Diese Liste erhebt keinen Anspruch auf          Zündkerze verschmutzt, gerissen oder fal-
  Vollständigkeit und es wird nicht jede mög-       scher Elektrodenabstand
  liche Ursache für ein Problem aufgeführt.       Falsche Zündkerze
  Gedacht ist diese Liste lediglich als Kurz-     Stabzündspule kurzgeschlossen oder Wa-
  anleitung für die Fehlersuche; sie enthält        ckelkontakt
  nur die häufigsten Probleme.                    Defekte Stabzündspule
                                                  Defekte ECU
Motor startet nicht,
                                                  Defekter Nockenwellensensor
Startprobleme:
                                                  Defekt des Gangpositionsschalters, der
 Startermotor dreht sich nicht:
                                                    Wegfahrsperre oder des Seitenständer-
   Zünd- und Motorstoppschalter steht nicht
                                                    schalters
     auf ON
                                                  Defekt des Kurbelwellensensors
   Defekt des Wegfahrsperrenschalters oder
                                                  Zünd- oder Motorstoppschalter kurzge-
     Gangpositionsschalters
                                                    schlossen
   Defekt des Startermotors
                                                  Unterbrechung oder Kurzschluss in der
   Niedrige Batteriespannung
                                                    Verkabelung des Startersystems
   Kein Kontaktschluss des Starterrelais oder
                                                  Durchgebrannte Hauptsicherung 30 A oder
     keine Funktion des Starterrelais
                                                    Zündungssicherung
   Starterknopf schließt nicht
                                                 Falsches Kraftstoff/Luftgemisch:
   Unterbrechung oder Kurzschluss in der
                                                  Bypass-Einstellschraube und/oder Leer-
     Verkabelung des Startersystems
                                                    laufeinstellschraube falsch eingestellt.
   Zündschalter defekt
                                                  Luftkanal zugesetzt
   Defekter Motorstoppschalter
                                                  Verstopfter, schlecht verschlossener oder
   Durchgebrannte Hauptsicherung 30 A oder
                                                    fehlender Luftfilter
     Zündungssicherung
                                                  Undichtigkeiten von Öleinfülldeckel, Kur-
 Startermotor dreht, Motor springt aber
                                                    belgehäuse-Entlüftungsschlauch       oder
 nicht an:
                                                    Luftfilter-Ablassschlauch.
   Gelöster Umkippsensor (DFI)
                                                 Kompression zu niedrig:
   Störung des Wegfahrsperrensystems
                                                  Lockere Zündkerze
   Defekt der Starterkupplung
                                                  Ungenügend festgezogener Zylinderkopf
   Defekt des Starterritzels
                                                  Zylinder, Kolben verschlissen
 Verbrennungsmotor wird nicht
                                                  Mangelhafter Kolbenring (verschlissen, er-
 durchgedreht:
                                                    müdet, gebrochen oder klemmend)
   Klemmendes Ventil
                                                  Zu großes Spiel zwischen Kolbenring/Nut
   Ventilstößel klemmt
                                                  Beschädigte Zylinderkopfdichtung
   Zylinder-, Kolbenfresser
                                                  Verzogener Zylinderkopf
   Festgefressene Kurbelwelle
                                                  Gebrochene oder ermüdete Ventilfeder
   Festgefressenes Pleuelauge
                                                  Kein Ventilspiel
   Festgefressener Pleuelfuß
                                                  Mangelhafter Ventilsitz (Ventil verbogen,
   Festgefressenes Getriebezahnrad oder La-
                                                    verschlissen oder Kohleablagerung auf
     ger
                                                    der Sitzfläche)
   Festgefressene Nockenwelle
   Starterleerlaufzahnrad klemmt.
 Kein Kraftstofffluss:                          Unrunder Lauf bei niedriger
   Leerer Tank                                  Drehzahl:
   Defekt der Kraftstoffpumpe                    Schwacher Zündfunke:
   Verstopfte Kraftstofftankbelüftung             Niedrige Batteriespannung
   Verstopfter Kraftstofffilter                   Störung des Wegfahrsperrensystems
   Verstopfte Kraftstoffleitung                   Defekte Stabzündspule
 Kein oder zu schwacher Zündfunke:                Stabzündspule kurzgeschlossen oder Wa-
   Gelöster Umkippsensor (DFI)                      ckelkontakt
   Zündschalter nicht eingeschaltet               Zündkerze verschmutzt, gebrochen oder
   Motorstoppschalter steht auf OFF.                falsch eingestellt
                                                  Falsche Zündkerze
ANHANG 17-33
Anleitung zur Fehlersuche
  Defekte ECU                                    Defekte Stabzündspule
  Defekter Nockenwellensensor                    Defekte ECU
  Defekt des Kurbelwellensensors                Falsches Kraftstoff/Luftgemisch:
 Falsches Kraftstoff/Luftgemisch:                Verstopfter, schlecht verschlossener oder
  Bypass-Einstellschraube falsch eingestellt       fehlender Luftfilter
  Luftkanal zugesetzt                            Halter des Luftfiltergehäuses locker
  Entlüftungslöcher der Entlüftungsleitung       Wasser oder Fremdkörper im Kraftstoff
    zugesetzt                                    Drosselklappengehäusehalterung locker
  Vorsteuerkanal zugesetzt                       Unzureichender Kraftstofffluss zum Ein-
  Verstopfter, schlecht verschlossener oder        spritzventil
    fehlender Luftfilter                         Verstopfte Kraftstofftankbelüftung
  Verstopfte Kraftstofftankbelüftung             Verstopfte Kraftstoffleitung
  Defekt der Kraftstoffpumpe                     Defekt der Kraftstoffpumpe
  Drosselklappengehäusehalterung locker         Kompression zu niedrig:
  Halter des Luftfiltergehäuses locker           Lockere Zündkerze
 Kompression zu niedrig:                         Ungenügend festgezogener Zylinderkopf
  Lockere Zündkerze                              Kein Ventilspiel
  Ungenügend festgezogener Zylinderkopf          Zylinder, Kolben verschlissen
  Kein Ventilspiel                               Mangelhafter Kolbenring (verschlissen, er-
  Zylinder, Kolben verschlissen                    müdet, gebrochen oder klemmend)
  Mangelhafter Kolbenring (verschlissen, er-     Zu großes Spiel zwischen Kolbenring/Nut
    müdet, gebrochen oder klemmend)              Beschädigte Zylinderkopfdichtung
  Zu großes Spiel zwischen Kolbenring/Nut        Verzogener Zylinderkopf
  Beschädigte Zylinderkopfdichtung               Gebrochene oder ermüdete Ventilfeder
  Verzogener Zylinderkopf                        Mangelhafter Ventilsitz (Ventil verbogen,
  Gebrochene oder ermüdete Ventilfeder             verschlissen oder Kohleablagerung auf
  Mangelhafter Ventilsitz (Ventil verbogen,        der Sitzfläche)
    verschlissen oder Kohleablagerung auf       Klopfen:
    der Sitzfläche)                              Russablagerungen in der Brennkammer
  Verschlissener Nockenwellennocken              Schlechte oder falsche Kraftstoffqualität
 Nachlaufen (Selbstzündung):                     Falsche Zündkerze
  Zündschalter defekt                            Defekte ECU
  Defekter Motorstoppschalter                   Sonstiges:
  Defekt des Einspritzventils                    Drosselklappenventil öffnet nicht vollstän-
  Verbindung am Batterie-Minuskabel (–)            dig.
    oder Massekabel der ECU lockern.             Schleifende Bremsen
  Rußablagerung auf der Ventilsitzfläche         Kupplungsschlupf
  Überhitzung des Motors                         Überhitzung des Motors
 Sonstiges:                                      Zu hohem Motorölstand
  Defekte ECU                                    Zu hohe Viskosität des Motoröls
  Motorunterdruck nicht synchronisiert           Defekt im Antriebsstrang
  Zu hohe Viskosität des Motoröls                Verschlissener Nockenwellennocken
  Defekt im Antriebsstrang                       Defekt des Ansaugluftventils
  Schleifende Bremsen                            Defekt des Unterdruckschaltventils
  Kupplungsschlupf                               Katalysator durch Überhitzung des Auspuff-
  Überhitzung des Motors                           topfs geschmolzen (KLEEN)
  Defekt des Ansaugluftventils
  Defekt des Unterdruckschaltventils           Überhitzung:
                                                Zündungsfehler:
Geringe oder keine Leistung bei                  Zündkerze verschmutzt, gebrochen oder
hoher Drehzahl:                                    falsch eingestellt
 Zündungsfehler:                                 Falsche Zündkerze
  Zündkerze verschmutzt, gebrochen oder          Defekte ECU
    falsch eingestellt                          Überhitzung des Schalldämpfers:
  Falsche Zündkerze                              Bei Ausstattung mit KLEEN den Motor ab-
  Stabzündspule kurzgeschlossen oder Wa-           stellen, wenn auch nur einer der Zylinder
    ckelkontakt defekt                             Fehlzündung aufweist oder unrund läuft
17-34 ANHANG
Anleitung zur Fehlersuche
    (Den Defekt in der nächstgelegene Werk-      Zu starke Kühlung:
    stätte beheben lassen)                        Wassertemperaturanzeige ungenau:
  Bei      Vorhandensein     eines     KLEEN       Defekt der Wassertemperaturanzeige
    -Katalysators nicht mit leerer Batte-          Wassertemperatursensor gebrochen
    rie anschieben (über ein Starterhilfskabel    Defekt von Teilen des Kühlsystems:
    eine andere voll aufgeladene Batterie          Defekter Thermostat
    anschließen und den Motor mit dem
    elektrischen Startermotor starten).          Kupplung funktioniert nicht richtig.
  Bei einem KLEEN-Katalysator den Motor           Kupplung schleift:
    bei Fehlzündungen bei einer Verrußung          Verschlissene oder verzogene Kupplungs-
    der Zündkerze oder aufgrund von Wa-              scheiben
    ckelkontakten der Stabzündspule nicht          Verschlissene oder verzogene Stahlschei-
    starten.                                         ben
  Bei Ausstattung mit KLEEN das Motorrad           Gebrochene oder ermüdete Kupplungsfe-
    nicht mit ausgeschalteter Zündung rollen         der
    lassen (Den Zündschalter einschalten           Ungleichmäßig verschlissene Kupplungs-
    und den Motor laufen lassen)                     nabe oder Gehäuse
  Defekte ECU                                      Kein Kupplungshebelspiel
 Falsches Kraftstoff/Luftgemisch:                  Problem mit dem inneren Kupplungszug
  Drosselklappengehäusehalterung locker            Problem mit dem Auskupplungsmechanis-
  Halter des Luftfiltergehäuses locker               mus
  Schlecht verschlossener oder fehlender          Keine richtige Freigabe der Kupplung:
    Luftfilter                                     Verzogene oder zu raue Kupplungsscheibe
  Luftfilter zugesetzt                             Kupplungsdruckfedern ungleichmäßig
 Zu hohe Kompression:                              Überaltertes Motoröl
  Russablagerungen in der Brennkammer              Zu hohe Viskosität des Motoröls
 Falsche Motorlast:                                Zu hohem Motorölstand
  Kupplungsschlupf                                 Kupplungsgehäuse an Antriebswelle fest-
  Zu hohem Motorölstand                              gefressen
  Zu hohe Viskosität des Motoröls                  Lockere Kupplungsnabenmutter
  Defekt im Antriebsstrang                         Beschädigte Kupplungsnabenzähne
  Schleifende Bremsen                              Falsch eingelegte Kupplungsscheiben
 Unzureichende Schmierung:                         Zu großes Kupplungshebelspiel
  Motorölstand zu niedrig                          Problem mit dem Auskupplungsmechanis-
  Schlechte Motorölqualität oder falsche Öl-         mus
    sorte
 Fehler am Ölkühler:                             Gangschaltung defekt:
  Ölkühler zugesetzt                              Gang lässt sich nicht einlegen;
 Wassertemperaturanzeige ungenau:                 Schalthebel kehrt nicht in die
  Defekt der Wassertemperaturanzeige              Ausgangsstellung zurück:
  Wassertemperatursensor gebrochen                 Kupplung rückt nicht aus
 Falsche Kühlflüssigkeit:                          Schaltgabel verbogen oder festgefressen
  Zu niedriger Kühlflüssigkeitsstand               Zahnrad klemmt auf der Welle
  Überalterte Kühlflüssigkeit                      Verbogener Schaltstellungshebel
  Falsches Mischungsverhältnis der Kühlflüs-       Rückstellfeder ermüdet oder gebrochen
    sigkeit                                        Lockerer Rückstellfederstift
 Defekt von Teilen des Kühlsystems:                Gebrochene Feder des äußeren Schalt-
  Beschädigte Kühlerlamellen                         arms
  Verstopfter Kühler                               Gebrochener Arm des äußeren Schaltme-
  Defekter Thermostat                                chanismus
  Defekt des Kühlerdeckels                         Schaltklaue gebrochen
  Defektes Motorkühlerrelais                      Gang springt heraus:
  Defekter Lüftermotor                             Verschlissener oder verbogener Schaltfin-
  Beschädigte Lüfterflügel                           ger
  Wasserpumpe dreht nicht                          Verschlissene Zahnradnuten
  Beschädigtes Wasserpumpen-Flügelrad              Verschlissene Zahnradklauen und/oder
                                                     Klauenaussparungen
ANHANG 17-35
Anleitung zur Fehlersuche
  Verschlissene Schaltwalzennut                Anormale Geräusche im
  Ermüdete oder gebrochene Schaltstel-         Antriebsstrang:
    lungshebel-Feder                            Kupplungsgeräusch:
  Verschlissener Schaltgabel-Führungsstift       Kupplungsdämpfer zu schwach oder be-
  Verschlissene Zähne von Antriebswelle,           schädigt
    Abtriebswelle und/oder Zahnrädern            Übermäßiges Spiel der Kupplungsscheiben
 Überspringen von Gängen:                          im Kupplungsgehäuse
  Ermüdete oder gebrochene Schaltstel-           Verschlissenes Kupplungsritzel
    lungshebel-Feder                             Falsch eingelegte Kupplungsscheiben
  Gebrochene Feder des äußeren Schalt-          Getriebegeräusche:
    arms                                         Lager verschlissen
                                                 Getriebezahnräder verschlissen oder ge-
Ungewöhnliches Motorengeräusch:                    brochen
 Klopfen:                                        Metallspäne zwischen den Zahnradzähnen
  Defekte ECU                                    Zu niedriger Motorölstand
  Russablagerungen in der Brennkammer           Geräusche des Antriebsstrangs:
  Schlechte oder falsche Kraftstoffqualität      Falsch eingestellte Antriebskette
  Falsche Zündkerze                              Antriebskette verschlissen
  Überhitzung                                    Motorkettenrad und/oder hinteres Ketten-
 Kolbenschlag:                                     rad verschlissen
  Übermäßiges Kolbenlaufspiel                    Unzureichende Kettenschmierung
  Zylinder, Kolben verschlissen                  Falsch ausgerichtetes Hinterrad
  Verbogene Pleuelstange
  Verschleiß von Kolbenbolzen/Bohrung          Ungewöhnliche Geräusche in der
 Ventilgeräusch:                               Rahmenkonstruktion:
  Falsches Ventilspiel                          Geräuschentwicklung der Vorderradga-
  Gebrochene oder ermüdete Ventilfeder          bel:
  Nockenwellenlager verschlissen                 Zu wenig oder zu dünnflüssiges Öl
  Ventilstößel verschlissen                      Ermüdete oder gebrochene Feder
 Andere Geräusche:                              Geräusche am Hinterrad-Stoßdämpfer:
  Zu großes Spiel des Pleuelauges                Stoßdämpfer beschädigt
  Zu großes Spiel des Pleuelfußes               Geräusch an der Scheibenbremse:
  Zu großes Spiel zwischen Kolbenring/Nut        Falsch eingesetzte Bremsklötze
  Kolbenring verschlissen, gebrochen oder        Bremsklötze verglast
    klemmt                                       Bremsscheibe verzogen
  Kolbenringnut verschlissen                     Defekt des Bremssattels
  Kolben klemmt, Kolben beschädigt              Andere Geräusche:
  Undichte Zylinderkopfdichtung                  Halterung, Mutter, Schraube usw. nicht
  Undichtes Auspuffrohr am Anschluss zum            richtig montiert oder nicht richtig festge-
    Zylinderkopf                                    zogen
  Zu großer Kurbelwellenschlag
  Motorträger locker                           Warnleuchte (Öldruck-Warnung)
  Kurbelwellenlager verschlissen               schaltet nicht aus:
  Primärzahnrad verschlissen oder abge-         Motorölpumpe defekt
    spant                                       Motorölsieb verstopft
  Defekt des Nockenwellenkettenspanners         Motorölfilter verstopft
  Nockenwellenkette, Kettenrad und Führung      Motorölstand zu niedrig
    verschlissen                                Zu geringe Viskosität des Motoröls
  Defektes Ansaugluftventil                     Nockenwellenlager verschlissen
  Defektes Überdruckschaltventil                Kurbelwellenlager verschlissen
  Lockerer Lichtmaschinenläufer                 Öldruckschalter defekt
  Katalysator durch Überhitzung des Auspuff-    Verkabelung defekt
    topfs geschmolzen (KLEEN)                   Druckentlastungsventil klemmt in geöffneter
                                                 Stellung
                                                Rundring am Ölkanal im Kurbelgehäuse be-
                                                 schädigt
17-36 ANHANG
Anleitung zur Fehlersuche
Starke Abgasentwicklung:                       (zu weich)
 Weißer Rauch:                                 Zu niedrigem Reifenluftdruck
  Verschlissener Kolben-Ölring                 Zu wenig Gabelöl und/oder Öllecks
  Zylinder verschlissen                        Zu niedrige Viskosität des Gabelöls
  Ventilschaftdichtung beschädigt              Zu weich eingestelltes Hinterrad-Federbein
  Ventilführung verschlissen                   Ermüdete Feder von Vorderradgabel, Hin-
  Zu hohem Motorölstand                          terrad-Federbein
 Schwarzer Rauch:                              Öllecks des Hinterrad-Stoßdämpfers
  Luftfilter zugesetzt
 Brauner Rauch:                              Bremse zieht nicht:
  Halter des Luftfiltergehäuses locker        Luft in der Bremsleitung
  Schlecht verschlossener oder fehlender      Bremsklötze/Bremsscheiben verschlissen
    Luftfilter                                Austritt von Bremsflüssigkeit
                                              Bremsscheibe verzogen
Handling und/oder Stabilität                  Verschmutzte Bremsklötze
Nicht zufrieden stellend:                     Überalterte Bremsflüssigkeit
 Lenker lässt sich nur schwer drehen:         Beschädigte Primär-/Sekundärmanschette
  Falsch verlegte Seilzüge                      des Hauptbremszylinders
  Falsch verlegte Schläuche                   Beschädigte Hauptbremszylinder-Innenwand
  Falsch verlegte Kabel
  Zu fest angezogene Lenkschaftmutter        Störungen der Batterie:
  Lenkschaftlager beschädigt                  Batterie entladen:
  Mangelhaft geschmiertes Lenkschaftlager      Unzureichende Ladung
  Lenkschaft verbogen                          Batterie schadhaft (zu geringe Klemmen-
  Zu niedrigem Reifenluftdruck                   spannung)
 Lenker vibriert stark oder rüttelt:           Schlechter Kontakt des Batteriekabels
  Reifen verschlissen                          Übermäßige Last (z.B. Glühlampen mit zu
  Schwingenlager verschlissen                    hoher Wattzahl)
  Felge verzogen oder schlecht ausgewuch-      Zündschalter defekt
    tet                                        Lichtmaschine defekt
  Radlager verschlissen                        Verkabelung defekt
  Lenkerhalterungsschraube locker              Gleichrichter/Regler defekt
  Steuerkopfmutter lose                       Batterie überladen:
  Übermäßiger Schlag der Vorder- bzw. Hin-     Lichtmaschine defekt
    terachse                                   Gleichrichter/Regler defekt
  Motor locker                                 Batterie defekt
 Lenker zieht nach einer Seite:
  Verbogener Rahmen
  Falsche Radstellung
  Verbogene oder verdrehte Schwingen-
    achse
  Übermäßiger Schlag der Schwingenachse
  Falsch eingestellte Lenkung
  Vorderradgabel verbogen
  Unterschiedlicher Ölstand auf der linken
    und rechten Seite der Vorderradgabel
 Unzureichende Stoßdämpfung:
  (Zu hart)
  Zu hohem Gabelölstand
  Zu hohe Viskosität des Gabelöls
  Zu harte Einstellung des Hinterrad
    -Stoßdämpfers
  Zu hohem Reifenluftdruck
  Vorderradgabel verbogen
Modellanwendung
    Jahr            Modell            Anfangsrahmennummer
                                  JKAZX4P1□7A000001
    2007          ZX600P7F        JKAZX600PPA000001
                                  ZX600P-000001

□:Diese Stelle in der Rahmennummer ändert sich mit jeder Maschine.




              Part No.99953-1039-01                                  Printed in Japan

Werkstatthandbuch zx 6-r_p__2007_2008_

  • 1.
    Ninja ZX-6R Motorrad Werkstatt-Handbuch
  • 3.
    Handbuchübersicht Allgemeine Hinweise 1 j Regelmäßige Wartung 2 j Kraftstoffanlage (DFI) 3 j Kühlsystem 4 j Motoroberseite 5 j Kupplung 6 j Motorschmieranlage 7 j Ausbau/Einbau des Motors 8 j Kurbelwelle/Getriebe 9 j Räder/Reifen 10 j Achsantrieb 11 j Bremsen 12 j Federung 13 j Lenkung 14 j Rahmen 15 j Diese Kurzanleitung soll lhnen helfen, das gewünschte Thema oder die Elektrik 16 j gewünschte Vorgehenswise zu finden. •Die Seiten zurückbiegen, bis die schwarze Zunge mit der gewünschten Anhang 17 j Kapitalnummer mit der schwarzen Registerzunge am Rand jeder Tabelle auf der lnhaltseite übereinstimmt. •Das spezielle Thema finden Sie dann in der Tabelle mit dem Abschnittin- halt mit genauen Seitenangaben zum gesuchten Thema.
  • 5.
    Ninja ZX-6R Motorrad Werkstatt-Handbuch Alle Rechte vorbehalten. Kein Teil dieser Publikation darf ohne die schriftliche Genehmigung von Quality Assurance Division/Consumer Products & Machinery Company/Kawasaki Heavy Industries, Ltd., Japan reproduziert, gespeichert oder in irgendeiner Form als elektronisch-mechanische Fotokopie, Aufzeichnung oder sonst wie übertragen werden. Es kann keine Haftung für Ungenauigkeiten oder Auslassungen in diesen Unterlagen übernommen werden, auch wenn jede erdenkliche Sorgfalt ergriffen wurde, um Vollständigkeit und Genauigkeit sicherzustellen. Alle Rechte zur Änderung ohne vorherige Mitteilung jederzeit vorbehalten; zudem wird keine Verpflichtung übernommen, solche Änderungen auch an bereits hergestellten Produkten vorzunehmen. Aktuelle Informationen über Produktverbesserungen nach Datum der Drucklegung dieser Unterlagen erhalten Sie von Ihrem Motorradhändler. Alle Informationen in diesen Unterlagen beruhen auf den aktuellen Produktinformationen zum Zeitpunkt der Drucklegung. Abbildungen und Fotos in diesen Unterlagen dienen nur zur Bezugnahme und müssen nicht alle Details der aktuellen Modelle wiedergeben. © 2007 Kawasaki Heavy Industries, Ltd. Erste Ausgabe (1): 30. Jan. 2007
  • 6.
    VERZEICHNIS DER ABKÜRZUNGEN A Ampere lb Pfund ABDC Nach unterem Totpunkt m Meter AC Wechselstrom min Minuten ATDC Nach oberem Totpunkt N Newton BBC Vor unterem Totpunkt Pa Pascal BDC Unterer Totpunkt PS Leistung Vor unterem Vor oberem Totpunkt psi Pfund pro Quadratzoll Totpunkt °C Grad Celsius r Umdrehung DC Gleichstrom U/min Umdrehungen pro Minute F Farad TDC Oberer Totpunkt °F Grad Fahrenheit TIR Maximaler Anzeigewert Fuß Fuß V Volt g Gramm W Watt h Stunde Ω Ohm L Liter LÄNDER- UND GEBIETSKENNZAHLEN AU Australien MY Malaysia CA Kanada US Vereinigte Staaten Typengenehmigung für das CAL Kalifornien WVTA Gesamtfahrzeug FR Frankreich
  • 7.
    INFORMATIONEN ZUM ABGASREINIGUNGSSYSTEM Zum Schutz der Umwelt hat Kawasaki einen Emissionsfilter für das Kurbelgehäuse (1) und eine Abgasemissionsanlage (2) entsprechend den geltenden Vorschriften der US-Umweltschutzbehörde und der kalifornischen Umweltschutzbehörde vorgesehen. Außer- dem hat Kawasaki eine Absauganlage für Kraftstoffdämpfe (3) entsprechend den geltenden Vorschriften der kalifornischen Umweltschutzbehörde für in Kalifornien zum Verkauf angebotene Fahrzeuge vorgesehen. 1. Emissionsfilter für das Kurbelgehäuse Dieses System verhindert, dass Dämpfe aus dem Kurbelgehäuse in die Atmosphäre austreten. Die Dämpfe werden stattdessen durch einen Ölabscheider zur Einlassseite des Motors geleitet. Bei laufendem Motor werden die Dämpfe in die Brennkammer eingesaugt und dort zusammen mit dem Kraftstoff und der Luft der Kraftstoffeinspritzanlage verbrannt. 2. Abgasemissionsanlage Diese Anlage verringert die Verschmutzung der Atmosphäre durch die Abgase dieses Mo- torrades. Die Kraftstoffanlage, die Zündanlage und die Abgasanlage dieses Motorrads wurden sorgfältig konzipiert und so gestaltet, dass ein effektiver Motorbetrieb bei niedrigen Abgaswerten sichergestellt ist. Die Abgasanlage dieses Motorrads, die vorwiegend für den Verkauf in Kalifornien produziert wird, besitzt einen Katalysator. 3. Tankdunstsystem Durch Verdunstung des Kraftstoffs entstandene Dämpfe der Kraftstoffanlage werden nicht an die Atmosphäre abgegeben. Die Kraftstoffdämpfe werden stattdessen in den laufenden Motor geleitet und dort verbrannt oder bei gestopptem Motor in einem Behälter gespeichert. Der flüssige Kraft- stoff wird durch einen Dunstabscheider zurückgehalten und zum Kraftstofftank zurückgeleitet. Im "Clean Air Act", dem Bundesgesetz zur Reinhaltung der Luft von Abgasen, ist festgelegt, was unter “unbefugter Eingriff/Manipulationen” zu verstehen ist. “Abschn. 203(a) Die folgenden Handlungen sind daher untersagt: (3)(A) Es ist allen Personen (einschl. Hersteller und Händler) untersagt, Geräte oder konstruk- tive Elemente eines neuen Fahrzeugs oder Fahrzeugmotors, die gemäß dieser Regularien zur Reinhaltung der Luft dienen, vor oder nach dem Verkauf oder der Auslieferung an den Endkunden auszubauen oder unwirksam zu machen. (3)(B) Es ist allen Personen, die Fahrzeuge bzw. Fahrzeugmotoren reparieren, warten, verkaufen, verleasen oder damit handeln oder eine Fahrzeugflotte unterhalten, untersagt, wissentlich Geräte oder konstruktive Elemente eines Fahrzeugs oder Fahrzeugmotors, die unter diese Regularien fallen, nach dem Verkauf oder der Auslieferung an den Endkunden auszubauen oder unwirksam zu machen...” ANMERKUNG ○Die Klausel “Gerät oder konstruktives Element entfernen oder unwirksam machen” wird im Allge- meinen wie folgt interpretiert. 1. Unter Manipulationen wird nicht der vorübergehende Ausbau oder die vorüberge- hende Außerbetriebnahme von Geräten oder konstruktiven Elementen bei Wartungsarbeiten verstanden. 2. Manipulationen können sein. a.Fehleinstellungen von Fahrzeugkomponenten, die zur Überschreitung der zulässi- gen Emissionswerte führen. b.Verwendung von Austauschteilen, die die Leistungsfähigkeit und Haltbarkeit des Motorrads negativ beeinflussen. c.Hinzufügen von Komponenten und Zubehör, die zu einer Überschreitung der zuläs- sigen Fahrzeug-Sollwerte führen. d.Permanenter Ausbau, Abklemmen oder Deaktivierung von Geräten oder konstruk- tiven Elementen der Abgasemissionsanlage. WIR EMPFEHLEN ALLEN HÄNDLERN, DIESE REGELUNGEN DES US-BUNDESRECHTES ZU BEACHTEN. DIE VERLETZUNG DIESER REGELUNGEN WIRD ZIVILRECHTLICH
  • 8.
    MIT EINER GELDSTRAFEVON BIS ZU ZEHNTAUSEND DOLLAR PRO EINZELFALL BESTRAFT. EINE MANIPULATION DER SCHALLDÄMPFERANLAGE IST UNTERSAGT Das Bundesrecht untersagt folgende Handlungen bzw. die Veranlassung der folgenden Hand- lungen. (1) Keine Person darf, ausgenommen für Wartungszwecke, Reparatur oder Austausch, Geräte oder konstruktive Elemente eines neuen Fahrzeugs, die zur Schalldämpfung dienen, vor dem Verkauf oder der Auslieferung an den Endkunden bzw. während der Nutzung ausbauen oder unwirksam machen und (2) das Fahrzeug verwenden, nachdem ein solches Gerät oder konstruktives Element ausgebaut oder unwirksam gemacht wurde. Zu den Handlungen, die als Manipulationen betrachtet werden, zählen unter Anderem. • Ersetzung einer Original-Abgasanlage oder eines Original-Schalldämpfers durch ein Er- satzteil, das nicht den gesetzlichen Bestimmungen entspricht. • Ausbau von Schalldämpfer(n) oder internen Schalldämpferkomponenten. • Ausbau des Luftfiltergehäuses oder Gehäusedeckels. • Modifizierungen an den Schalldämpfer(n) oder an der Luftansauganlage durch Schneiden, Bohren oder andere Handlungen, die den Geräuschpegel erhöhen.
  • 9.
    Vorwort DiesesHandbuch ist vor allem für geschulte Mechaniker in einer Fachwerkstatt gedacht. • Die Arbeitsschritte in diesem Handbuch exakt einhalten. Keine Arbeitsschritte auslassen. Es enthält jedoch genügend Einzelheiten und grundlegende Informationen, um auch für den • Reparaturprotokolle mit Angaben zu dem Wartungs- und Reparaturarbeiten sowie den Fahrzeughalter nützlich zu sein, der einfache Datum und eventuell eingebauten neuen Wartungs- und Reparaturarbeiten selbst aus- Teilen vervollständigen. führt. Grundkenntnisse der Mechanik, der ordnungsgemäße Umgang mit Werkzeugen, und die Arbeitsschritte in der Werkstatt müssen Verwendung dieses bekannt sein, damit die Wartungs- und Re- paraturarbeiten zufrieden stellend ausgeführt Handbuchs werden können. Wenn der Fahrzeughalter In diesem Handbuch wird das Produkt mit sei- nicht über hinreichende Erfahrung verfügt oder nen Hauptbaugruppen vorgestellt. Jede Haupt- sich nicht sicher ist, ob seine Kenntnisse zur baugruppe entspricht einem Kapitel des Hand- Durchführung der Arbeiten ausreichen, sollte er buchs. In der Kurzanleitung finden Sie alle Sys- alle Einstellungen, Wartungs- und Reparatur- teme des Produkts und können so die einzel- arbeiten qualifizierten Fachleuten überlassen. nen Kapitel leichter finden. Jedes Kapitel be- Um Arbeiten effektiv auszuführen und teure sitzt wiederum ein eigenes, separates Inhalts- Fehler zu vermeiden, den Text gründlich verzeichnis. durchlesen, sich selbst eingehend mit den Wenn Sie zum Beispiel Angaben zur Stab- Arbeitsschritten vertraut machen und erst zündspule benötigen, suchen Sie zuerst in der dann die Arbeiten in einem sauberen Bereich Handbuchübersicht das Kapitel zur Elektrik. mit Sorgfalt beginnen. Wenn Spezialwerk- Schlagen Sie danach das Inhaltsverzeichnis zeuge oder besondere Hilfsmittel angegeben auf der ersten Seite des Kapitels auf, bis Sie sind, dürfen diese nicht durch behelfsmäßige den Abschnitt zur Stabzündspule gefunden Werkzeuge oder Hilfsmittel ersetzt werden. haben. Präzisionsmessungen können nur vorgenom- Die mit den Symbolen ACHTUNG und VOR- men werden, wenn die richtigen Instrumente SICHT markierten Anweisungen unbedingt ein- eingesetzt werden, und die Verwendung von halten! Stets auf Sicherheit bei Betrieb und Behelfswerkzeugen kann den sicheren Betrieb Wartungsarbeiten achten. beeinträchtigen. ACHTUNG Während der Garantielaufzeit empfeh- len wir, alle Reparaturen und planmäßigen Diese Textstellen weisen auf wichtige Wartungsarbeiten entsprechend diesem Werk- Sicherheitsvorkehrungen hin, deren statt-Handbuch auszuführen. Werden vom Nichtbefolgung zu Körperverletzungen Fahrzeughalter Wartungs- oder Reparatur- und tödlichen Unfällen führen kann. arbeiten nicht oder abweichend von diesem Handbuch durchgeführt, erlischt die Garantie. VORSICHT So wird die maximale Nutzungsdauer des Dieses Symbol verweist auf besondere Fahrzeugs erreicht. Hinweise oder Arbeitsschritte, die bei • Die Tabelle zur regelmäßigen Wartung im Werkstatt-Handbuch einhalten. Nichteinhaltung Sachschäden verursa- chen können. • Auf Probleme achten und ggf. eine außer- planmäßige Wartung durchführen. Dieses Handbuch enthält vier weitere Sym- bole (neben ACHTUNG und VORSICHT), mit • Nur zugelassene Werkzeuge und Ka- wasaki-Motorradersatzteile verwenden. Spe- denen die verschiedenen Arten von Informatio- zialwerkzeuge, Lehren und Prüfgeräte, die nen gegliedert werden. für Wartungsarbeiten an den Motorrädern von ANMERKUNG Kawasaki benötigt werden, werden im Hand- ○Anmerkungen enthalten allerlei Nützli- buch vorgestellt. Als Ersatzteile lieferbare ches, besonders Tipps für einen wirt- Originalteile finden Sie im Ersatzteilkatalog. schaftlicheren Betrieb und eine komfor- tablere Bedienung.
  • 10.
    • Symbol füreinen Arbeitsschritt, der ausge- führt werden muss. ○Symbol für einen kleineren Arbeitsschritt bzw. für die Ausführung des Arbeitsschritts. Die- ses Symbol steht auch vor einer ANMER- KUNG. Symbol für eine Voraussetzung oder eine Maßnahme, die von den Ergebnissen der Prüfung oder Durchsicht in dem vorherge- henden Arbeitsschritt oder Teilschritt ab- hängt. In den meisten Kapiteln finden Sie nach dem Inhaltsverzeichnis Explosionszeichnungen der Systembauteile. In diesen Abbildungen ist an- gegeben, bei welchen Bauteilen ein bestimm- tes Anzugsmoment eingehalten werden muss oder die beim Zusammenbau geölt oder gefet- tet werden müssen.
  • 11.
    ALLGEMEINE HINWEISE 1-1 Allgemeine Hinweise INHALTSVERZEICHNIS 1 Vorbereitungen vor Beginn der Wartungsarbeiten ................................................................. 1-2 Modellkennzeichnung............................................................................................................. 1-8 Allgemeine technische Daten ................................................................................................. 1-10 Einheitenumrechnungstabelle ................................................................................................ 1-13
  • 12.
    1-2 ALLGEMEINE HINWEISE Vorbereitungenvor Beginn der Wartungsarbeiten Vor Beginn einer Prüfung oder Demontage und eines Zusammenbaus am Motorrad die folgen- den Hinweise zu Vorsichtsmaßnahmen durchlesen. Zur Erleichterung der Arbeitsgänge sind, sofern erforderlich, in dem jeweiligen Kapitel Hinweise, Abbildungen, Warnhinweise und ausführliche Be- schreibungen enthalten. In diesem Abschnitt werden die Einzelheiten erläutert, die beim Ausbau und Einbau bzw. bei der Zerlegung und dem Zusammenbau von Teilen besonders zu beachten sind. Insbesondere folgende Hinweise beachten. Batteriemasse Vor der Durchführung von Wartungsarbeiten an dem Mo- torrad die Batteriekabel von der Batterie abklemmen, damit der Motor nicht versehentlich gestartet werden kann. Zu- erst das Massekabel (–) und dann das Pluskabel (+) ab- klemmen. Nach Abschluss der Wartungsarbeiten zuerst das Pluskabel (+) mit dem Pluspol der Batterie und dann das Minuskabel (–) mit dem Minuspol der Batterie verbin- den. Scharfkantige Teile Große oder schwere Teile mit Handschuhen anheben, um Verletzungen durch scharfe Kanten der Teile zu vermeiden. Lösungsmittel Zur Reinigung von Teilen ein Lösungsmittel mit hohem Flammpunkt verwenden. Das Lösungsmittel mit hohem Flammpunkt entsprechend den Anweisungen des Lö- sungsmittelherstellers einsetzen. Vor der Zerlegung das Fahrzeug reinigen. Vor der Zerlegung das Fahrzeug gründlich reinigen. Schmutz oder andere Fremdkörper, die beim Zerlegen des Fahrzeugs in abgedichtete Bereiche gelangen, können zu übermäßigem Verschleiß und Verkürzung der Nutzungs- dauer des Fahrzeugs führen.
  • 13.
    ALLGEMEINE HINWEISE 1-3 Vorbereitungenvor Beginn der Wartungsarbeiten Anordnung und Reinigung von ausgebauten Teilen Ausgebaute Teile können leicht verwechselt werden. Die Teile in der Reihenfolge ablegen, in der sie demontiert wur- den, und vor dem Zusammenbau die Teile reinigen. Lagerung ausgebauter Teile Nach Reinigung aller Teile und aller Teile von Baugruppen die Teile an einem sauberen Ort aufbewahren. Die Teile mit einem sauberen Tuch oder einer Plastikfolie vor Fremdkör- pern schützen, die sich vor dem erneuten Zusammenbau ablagern könnten. Prüfung Die erneute Verwendung von verschlissenen oder be- schädigten Teilen kann zu schweren Unfällen führen. Ausgebaute Teile visuell auf Korrosion, Verfärbung und sonstige Schäden untersuchen. Die Grenzwerte der einzel- nen Teile finden Sie in den betreffenden Abschnitten dieses Handbuchs. Teile ersetzen, bei denen Beschädigungen festgestellt wurden oder deren Grenzwert überschritten ist. Ersatzteile Ersatzteile müssen Originalersatzteile von Kawasaki oder von Kawasaki empfohlene Ersatzteile sein. Dichtungen, O -Ringe, Öldichtungen, Schmierfettdichtungen, Sicherungs- ringe oder Splinte müssen bei jeder Demontage durch neue Teile ersetzt werden. Montagereihenfolge In den meisten Fällen entspricht die Montagereihenfolge der umgekehrten Reihenfolge der Zerlegung, wird jedoch in diesem Werkstatt-Handbuch eine Montagereihenfolge an- gegeben, sind deren Schritte einzuhalten.
  • 14.
    1-4 ALLGEMEINE HINWEISE Vorbereitungenvor Beginn der Wartungsarbeiten Anziehreihenfolge Grundsätzlich gilt, dass beim Einbau eines Bauteils mit mehreren Schrauben oder Muttern alle erst in ihren Boh- rungen angefädelt werden müssen, bevor sie festgezogen werden. Dann die Schrauben bzw. Muttern gemäß vor- gegebener Anziehreihenfolge festziehen, um ein Verziehen von Gehäusen oder eine Deformierung, die zu Fehlfunktio- nen führen kann, zu vermeiden. Gleichfalls sind beim Lö- sen von Schrauben oder Muttern erst alle um ca. eine Vier- tel Umdrehung zu lösen, bevor sie alle ausgebaut werden. Wenn eine bestimmte Anziehreihenfolge nicht angegeben ist, die Schrauben kreuzweise anziehen. Anzugsmoment Ein falsches Anzugsmoment für Schrauben, Muttern oder Schraubenbolzen kann zu schweren Schäden führen. Schrauben mit dem vorgeschriebenen Anzugsmoment und einem hochwertigen Drehmomentschlüssel festziehen. Kraft Bei Zerlegung und Zusammenbau keine Gewalt anwen- den, dadurch kann es zu kostspieligen oder schwer zu repa- rierenden Schäden kommen. Ggf. Schrauben, auf die ein nicht-permanentes Gewindedichtmittel aufgetragen wurde, mit einem Schlagschraubendreher lösen. Ist der Einsatz eines Hammers erforderlich, einen Hammer mit Kunststoff- mantel verwenden. Dichtung, O-Ring Eine Verhärtung, ein Schrumpfen oder die Beschädigung von Dichtungen und Rundringen nach der Zerlegung kann deren Dichteigenschaften verschlechtern. Die alten Dich- tungen entfernen und die Dichtflächen gründlich reinigen, sodass keine Fremdkörper und kein Dichtmaterial mehr vorhanden sind. Die neuen Dichtungen einbauen und die verwendeten O-Ringe beim Zusammenbau ersetzen.
  • 15.
    ALLGEMEINE HINWEISE 1-5 Vorbereitungenvor Beginn der Wartungsarbeiten Flüssigdichtung, nicht-permanente Sicherungsmasse Muss eine Flüssigdichtung oder ein Gewindedichtmittel aufgetragen werden, die Oberflächen so reinigen, dass kein Restöl mehr vorhanden ist und erst dann die Flüssigdich- tung oder die nicht-permanente Sicherungsmasse auftra- gen. Diese Mittel sparsam auftragen. Bei überreichlichem Auftrag können Ölkanäle verstopft werden, und es kann zu schweren Schäden kommen. Drückvorrichtung Bei Teilen, beispielsweise Lagern oder Öldichtungen, die eingepresst werden müssen, den Kontaktbereich mit etwas Öl benetzen. Auf richtige Ausrichtung achten und bei der Montage ruckartige Bewegungen vermeiden. Kugellager und Nadellager Eingepresste Kugel- oder Nadellager nicht ausbauen, es sei denn, der Ausbau ist unbedingt erforderlich. Die aus- gebauten Teile in jedem Fall durch neue ersetzen. Die La- ger so einpressen, dass die Markierungen für die Größe und den Hersteller nach außen zeigen. Das Lager durch Druck auf die betreffende Lagerlaufbahn, wie in der Abbil- dung dargestellt, eindrücken. Wird der Druck auf die falsche Lagerlaufbahn ausgeübt, kann es zu einem Druckunterschied zwischen dem inneren und äußeren Laufring und damit zu einer Beschädigung des Lagers kommen. Öldichtung, Schmierfettdichtung Eingepresste Öl- oder Schmierfettdichtungen nur aus- bauen, wenn dies unbedingt erforderlich ist. Die ausge- bauten Teile in jedem Fall durch neue ersetzen. Neue Öldichtungen eindrücken, die Herstellermarkierung und die Größenangabe müssen nach außen zeigen. Bei der Mon- tage darauf achten, dass die Dichtung richtig ausgerichtet ist.
  • 16.
    1-6 ALLGEMEINE HINWEISE Vorbereitungenvor Beginn der Wartungsarbeiten Das vorgegebene Schmierfett auf der Lippe des Dicht- rings anordnen, bevor der Dichtring eingebaut wird. Sicherungsringe, Splint Die Sicherungsringe oder Splinte nach dem Ausbau im- mer durch neue Teile ersetzen. Den Sicherungsring bei der Montage nicht zu weit öffnen, um eine Deformation zu ver- meiden. Schmierung Rotierende oder gleitende Teile müssen während des Einbaus geschmiert werden, um den Verschleiß während der ersten Inbetriebnahme zu minimieren. Die Schmier- punkte sind in diesem Handbuch gekennzeichnet, jeweils das vorgeschriebene Öl oder Fett für die Schmierung verwenden. Motordrehrichtung Bei Drehung der Kurbelwelle mit der Hand wirkt sich das freie Spiel in Drehrichtung auf die Einstellung aus. Die Kur- belwelle nach rechts drehen (beim Blick auf die Abtriebs- welle in Uhrzeigerrichtung). Verkabelung Eine zweifarbige Ader wird durch die Grundfarbe und die Streifenfarbe identifiziert. Sofern nicht ausdrücklich anders angegeben, müssen elektrische Adern immer mit Adern der gleichen Farbe verbunden werden.
  • 17.
    ALLGEMEINE HINWEISE 1-7 Vorbereitungenvor Beginn der Wartungsarbeiten Instrument Verwenden Sie ein Messgerät mit ausreichender Genau- igkeit für die Messung. Lesen Sie die Anleitung des Herstel- lers durch, bevor Sie das Messgerät verwenden. Falsche Werte können zu fehlerhaften Einstellungen führen.
  • 18.
    1-8 ALLGEMEINE HINWEISE Modellkennzeichnung ZX600P7F(Europa) Linke Seitenansicht ZX600P7F (Europa) Rechte Seitenansicht
  • 19.
    ALLGEMEINE HINWEISE 1-9 Modellkennzeichnung ZX600P7F(USA und Kanada) Linke Seitenansicht ZX600P7F (USA und Kanada) Rechte Seitenansicht
  • 20.
    1-10 ALLGEMEINE HINWEISE Allgemeinetechnische Daten Teile ZX600P7F (Ninja ZX-6R) Abmessungen Gesamtlänge 2.105 mm Gesamtbreite 720 mm Gesamthöhe 1.125 mm Radstand 1.405 mm Bodenabstand 125 mm Sitzhöhe 820 mm Trockenmasse 167 kg Leermasse: Vorn 101 kg Hinten 99 kg Fassungsvermögen des 17 L Kraftstofftanks Leistung Mindestwenderadius 3,4 m Motor Typ 4-Takt - 4 Zylinder-Motor mit doppelter oben liegender Nockenwelle Kühlsystem Flüssigkeitsgekühlt Bohrung und Hub 67,0 × 42,5 mm Hubraum 599 ml Verdichtungsverhältnis 13,3 : 1 Maximale Leistung 91,9 kW (125 PS) bei 14.000 U/min, (FR) 78,2 kW (106 PS) bei 14.000 U/min, (MY) 80,0 kW (109 PS) bei 12.000 U/min, (CA), (CAL), (US) – – – Maximales Drehmoment 66,0 N·m (6,7 kgf·m) bei 11.700 U/min, (FR) 58,4 N·m (6,0 kgf·m) bei 11.700 U/min, (MY) 64 N·m (6,5 kgf·m) bei 12.000 U/min, (CA), (CAL), (US) – – – Gemischaufbereitungssys- FI (Kraftstoffeinspritzung) tem Primär: KEIHIN TTK 38 × 4 Sekundär: KEIHIN Multihole (8 Bohrungen) × 4 Startersystem Elektrostarter Zündanlage Batterie und Spule (Transistorzündung) Zündvoreinstellung Mit moderner Elektronik (Digitalzünder in der ECU) Zündzeitpunkt Von 12,5° v.OT bei 1.300 U/min Zündkerze NGK CR9E Nummerierung der Zylinder Links nach rechts, 1-2-3-4 Zündfolge 1-2-4-3
  • 21.
    ALLGEMEINE HINWEISE 1-11 Allgemeinetechnische Daten Teile ZX600P7F (Ninja ZX-6R) Ventilsteuerzeiten: Einlass: Öffnen 41° v. OT Schließen 67° n. OT Dauer 288° Auslass: Öffnen 63° v. UT Schließen 23° n. OT Dauer 266° Schmiersystem Druckumlaufschmierung (Nasssumpf mit Ölkühler) Motoröl: Typ API SE, SF oder SG API SH, SJ oder SL mit JASO MA Viskosität SAE10W-40 Kapazität 3,8 Liter Antriebsstrang Primäre Untersetzung: Typ Zahnradgetriebe Übersetzungsverhältnis 1.900 (76/40) Kupplungstyp Mehrscheiben-Ölbadkupplung Getriebe: Typ 6 Gänge, Dauereingriff, mit Zurückstellung Übersetzungsverhält- nisse: 1. Gang 2.714 (38/14) 2. Gang 2.200 (33/15) 3. Gang 1.850 (37/20) 4. Gang 1.600 (32/20) 5. Gang 1.421 (27/19) 6. Gang 1.300 (26/20) Achsantrieb: Typ Kettenantrieb Übersetzungsverhältnis 2.688 (43/16) Gesamtübersetzung 6,638 im obersten Gang Rahmen Typ Rohrrahmen, Parallelogramm Nachlauf (Nachlaufwinkel) 25° Nachversetzte Achse 110 mm Vorderreifen: Typ Schlauchlos Größe 120/70 ZR17 M/C (58 W) Hinterreifen: Typ Schlauchlos Größe 180/55 ZR17 M/C (73 W)
  • 22.
    1-12 ALLGEMEINE HINWEISE Allgemeinetechnische Daten Teile ZX600P7F (Ninja ZX-6R) Felgengröße: Vorn 17 × 3,50 Hinten 17 × 5,50 Vorderrad-Federung: Typ Vorderradgabel (Upside-Down-Anordnung) Federweg 120 mm Hinterradfederung: Typ Schwinge (Uni-Trak) Federweg 133 mm Bremsentyp: Vorn Doppelscheibenbremse Hinten Einzelne Scheibe Elektrik Batterie 12 V 8 Ah Scheinwerfer: Typ Asymmetrisch Glühlampe: Hoch 12 V 55 W + 65 W (Quartz-Halogen) Niedrig 12 V 55 W (Quartz-Halogen) Rück-/Bremslicht 12 V 0,1/1,6 W (LED) Lichtmaschine: Typ Dreiphasenwechselstrom Nennleistung 31 A/14 V bei 5.000 U/min Bei den technischen Daten sind Änderungen ohne vorherige Information vorbehalten, diese Ände- rungen können je nach Land unterschiedlich sein.
  • 23.
    ALLGEMEINE HINWEISE 1-13 Einheitenumrechnungstabelle Präfixe für Einheiten Maßeinheiten für die Länge km × 0,6214 = Meile Präfixe Symbol Leistung m × 3,281 = Fuß Mega M × 1.000.000 mm × 0,03937 = in Kilo k × 1.000 Zenti c × 0,01 Milli m × 0,001 Maßeinheiten für das Mikro µ × 0,000001 Anzugsmoment N·m × 0,1020 = kgf·m N·m × 0,7376 = ft·lb N·m × 8,851 = in·lb Maßeinheiten für die Masse kgf·m × 9,807 = N·m kg × 2,205 = lb kgf·m × 7,233 = ft·lb g × 0,03527 = oz kgf·m × 86,80 = in·lb Maßeinheiten für das Volumen Maßeinheiten für den Druck L × 0,2642 = gal (US) kPa × 0,01020 = kgf/cm² L × 0,2200 = gal (imp) kPa × 0,1450 = psi L × 1,057 = qt (US) kPa × 0,7501 = cmHg L × 0,8799 = qt (imp) kgf/cm² × 98,07 = kPa L × 2,113 = Pint (US) kgf/cm² × 14,22 = psi L × 1,816 = Pint (imp) cmHg × 1,333 = kPa ml × 0,03381 = oz (US) ml × 0,02816 = oz (imp) ml × 0,06102 = cu in Maßeinheiten für die Geschwindigkeit km/h × 0,6214 = mph Maßeinheiten für die Kraft N × 0,1020 = kg Maßeinheiten für die Leistung N × 0,2248 = lb kW × 1,360 = PS kg × 9,807 = N kW × 1,341 = HP kg × 2,205 = lb PS × 0,7355 = kW PS × 0,9863 = HP Maßeinheiten für die Temperatur
  • 25.
    REGELMÄßIGE WARTUNG 2-1 Regelmäßige Wartung INHALTSVERZEICHNIS Tabelle zur regelmäßigen Wartung......................................................................................... 2-3 Anzugsmoment und Gewindedichtmittel ................................................................................ 2-7 2 Technische Daten ................................................................................................................... 2-14 Spezialwerkzeuge .................................................................................................................. 2-16 Wartungsschritte..................................................................................................................... 2-17 Kraftstoffanlage (DFI) .......................................................................................................... 2-17 Prüfung der Drosselklappensteuerung ............................................................................. 2-17 Prüfung der Motorunterdruck-Synchronisation ................................................................. 2-17 Prüfung der Leerlaufdrehzahl ........................................................................................... 2-21 Einstellung der Leerlaufdrehzahl ...................................................................................... 2-22 Prüfung der Bremsschläuche (auf Kraftstoffaustritt, Beschädigung und einwandfreie Verlegung)...................................................................................................................... 2-22 Tankdunstsystem (Modelle für Kalifornien).......................................................................... 2-22 Überprüfung des Tankdunstsystems ................................................................................ 2-22 Motoroberseite..................................................................................................................... 2-23 Prüfung des Ventilspiels.................................................................................................... 2-23 Einstellung des Ventilspiels............................................................................................... 2-25 Ansaugluftsystem ................................................................................................................ 2-28 Prüfung des Ansaugluftsystems auf Beschädigung.......................................................... 2-28 Kühlsystem .......................................................................................................................... 2-28 Prüfung des Kühlflüssigkeitsstands .................................................................................. 2-28 Prüfung der Bremsschläuche auf Beschädigung und einwandfreie Verlegung ................ 2-29 Kupplung.............................................................................................................................. 2-29 Funktionsprüfung der Kupplung........................................................................................ 2-29 Räder/Reifen........................................................................................................................ 2-30 Prüfung des Reifendrucks................................................................................................. 2-30 Prüfung der Räder/Reifen auf Beschädigung ................................................................... 2-30 Prüfung auf Reifenprofilverschleiß.................................................................................... 2-31 Prüfung des Radlagers auf Beschädigung ....................................................................... 2-31 Antriebsstrang...................................................................................................................... 2-32 Prüfung der Antriebskette auf ausreichende Schmierung ................................................ 2-32 Prüfung des Antriebsketten-Durchhangs .......................................................................... 2-33 Einstellung des Antriebsketten-Durchhangs ..................................................................... 2-33 Prüfung der Radausrichtung ............................................................................................. 2-34 Prüfung der Antriebskette auf Verschleiß ......................................................................... 2-35 Prüfung der Kettenführung auf Verschleiß........................................................................ 2-35 Bremsanlage........................................................................................................................ 2-36 Prüfung auf Bremsflüssigkeitsaustritt (Bremsschlauch und -leitung)................................ 2-36 Prüfung der Bremsschläuche auf Beschädigung und einwandfreie Verlegung ................ 2-36 Funktionsprüfung der Bremsen......................................................................................... 2-36 Prüfung des Bremsflüssigkeitsstandes ............................................................................. 2-37 Prüfung der Bremsbeläge auf Verschleiß ......................................................................... 2-38 Funktionsprüfung des Bremslichtschalters ....................................................................... 2-38 Federung ............................................................................................................................. 2-39 Funktionsprüfung von Vorderradgabel/Hinterrad-Stoßdämpfer ........................................ 2-39 Prüfung der Vorderradgabel auf Öllecks........................................................................... 2-39 Prüfung des Hinterrad-Stoßdämpfers auf Ölleck .............................................................. 2-40 Funktionsprüfung des Kipphebels..................................................................................... 2-40 Funktionsprüfung der Spurstange..................................................................................... 2-40 Lenkung ............................................................................................................................... 2-41
  • 26.
    2-2 REGELMÄßIGE WARTUNG Prüfung des Lenkungsspiels............................................................................................. 2-41 Einstellung des Lenkungsspiels........................................................................................ 2-41 Schmierung des Lenkschaftlagers.................................................................................... 2-42 Prüfung der Licht- und Schalterfunktion............................................................................ 2-43 Prüfung der Scheinwerferausrichtung............................................................................... 2-45 Funktionsprüfung des Seitenständerschalters.................................................................. 2-46 Funktionsprüfung des Motorstoppschalters ...................................................................... 2-47 Sonstige Teile ...................................................................................................................... 2-48 Schmierung der Fahrgestellteile ....................................................................................... 2-48 Prüfung der Schrauben, Muttern und Feststeller auf festen Sitz ...................................... 2-49 Ersatzteile ............................................................................................................................ 2-51 Ersatz des Luftfilterelements............................................................................................. 2-51 Wechsel des Kraftstoffschlauches .................................................................................... 2-53 Wechseln der Kühlflüssigkeit ............................................................................................ 2-55 Wechsel des Kühlerschlauches und O-Rings................................................................... 2-58 Wechsel des Motoröls....................................................................................................... 2-59 Wechsel des Ölfilters ........................................................................................................ 2-60 Wechsel des Bremsschlauchs und der -leitung ................................................................ 2-61 Wechsel der Bremsflüssigkeit........................................................................................... 2-61 Wechsel der Gummiteile des Hauptbremszylinders ......................................................... 2-63 Wechsel der Bremssattel-Gummiteile............................................................................... 2-64 Wechsel der Zündkerze .................................................................................................... 2-67
  • 27.
    REGELMÄßIGE WARTUNG 2-3 Tabellezur regelmäßigen Wartung Anhand dieser Tabelle muss eine regelmäßige Wartung durchgeführt werden, um das Motorrad in gutem Zustand zu erhalten. Besonders die Erstinspektion ist von höchster Wichtigkeit und darf auf keinen Fall ausgelassen werden. Regelmäßige Inspektion HÄUFIGKEIT Je nach- dem, * KILOMETERSTAND was × 1.000 km zuerst kommt 1 6 12 18 24 30 36 INSPEKTION Alle Kraftstoffanlage Drosselklappensteuerung (Spiel, leichte Zurückstellung, kein Schleifen) - überprüfen Jahre • • • • Motorunterdrucksynchronisation - überprüfen • • • Leerlaufdrehzahl - überprüfen • • • • Kraftstoffaustritt (Kraftstoffschlauch und -leitung) - überprüfen Jahre • • • • Kraftstoffschläuche und -leitung auf Beschädigung - überprüfen Jahre • • • • Kraftstoffschläuche und -rohr, einwandfreie Verlegung - überprüfen Jahre • • • • Tankdunstsystem (nur Modelle für Kalifornien) Tankdunstsystem - überprüfen • • • • • • • Kühlsystem Kühlflüssigkeitsstand - überprüfen • • • • Kühlflüssigkeitsaustritt (Kühlerschlauch und -leitung) - überprüfen Jahre • • • • Kühlerschläuche auf Beschädigung - überprüfen Jahre • • • • Kühlerschläuche, einwandfreie Verlegung - überprüfen Jahre • • • • Motoroberseite Ventilspiel - überprüfen (Modelle für USA und Kanada) • Ventilspiel - überprüfen (Außer Modelle Alle 42.000 km für USA und Kanada) Ansaugluftsystem Ansaugluftsystem auf Beschädigung - überprüfen • • • Kupplung Kupplungsfunktion (Spiel, Auskuppeln, Einkuppeln) - überprüfen • • • • Räder und Reifen Reifenluftdruck - überprüfen Jahre • • •
  • 28.
    2-4 REGELMÄßIGE WARTUNG Tabellezur regelmäßigen Wartung HÄUFIGKEIT Je nach- dem, * KILOMETERSTAND was × 1.000 km zuerst kommt 1 6 12 18 24 30 36 INSPEKTION Alle Räder/Reifen auf Beschädigung - überprüfen • • • Reifenprofil, übermäßiger Verschleiß - überprüfen • • • Radlager auf Beschädigung - überprüfen Jahre • • • Antriebsstrang Schmierung der Antriebskette - Alle 600 km überprüfen # Antriebskettendurchhang - überprüfen # Alle 1.000 km Abnutzung der Antriebskette - überprüfen # • • • Abnutzung der Antriebskettenführung - überprüfen • • • Bremsanlage Bremsflüssigkeitsaustritt (Bremsschlauch und -leitung) - überprüfen Jahre • • • • • • • Bremsschlauch und -leitung auf Beschädigung - überprüfen Jahre • • • • • • • Bremsbelagverschleiß - überprüfen # • • • • • • Bremsschläuche, einwandfreie Verlegung - überprüfen Jahre • • • • • • • Bremsflüssigkeitsstand - überprüfen 6 Monate • • • • • • • Funktion der Bremsen (Wirkung, Spiel, Kein Schleifen) - überprüfen Jahre • • • • • • • Funktion des Bremslichtschalters - überprüfen • • • • • • • Federung Funktion von Vorderradgabel/Hinterrad -Stoßdämpfer (Dämpfung und leichtgängiger Hub) - überprüfen • • • Öldichtheit der Vorderradgabel/Hinterrad -Stoßdämpfer - überprüfen Jahre • • • Kipphebelfunktion - überprüfen • • • Spurstangenfunktion - überprüfen • • • Lenkung Lenkungsspiel - überprüfen Jahre • • • • Lenkschaftlager - schmieren 2 Jahre • Elektrik Licht- und Schalterfunktion - überprüfen Jahre • • • Scheinwerferausrichtung - überprüfen Jahre • • •
  • 29.
    REGELMÄßIGE WARTUNG 2-5 Tabellezur regelmäßigen Wartung HÄUFIGKEIT Je nach- dem, * KILOMETERSTAND was × 1.000 km zuerst kommt 1 6 12 18 24 30 36 INSPEKTION Alle Funktion des Seitenständerschalters - überprüfen Jahre • • • Funktion des Motorstoppschalters - überprüfen Jahre • • • Sonstige Teile Fahrgestellteile - schmieren Jahre • • • Fester Sitz von Bolzen und Muttern - überprüfen • • • • *: Bei höheren Kilometerständen die hier angegebenen Wartungsintervalle wiederholen. #: Bei Betrieb des Motorrads unter erschwerten Bedingungen, in staubigen, feuchten oder schlam- migen Gegenden und bei häufigen Hochgeschwindigkeit- und Kurzstreckenfahrten muss die Wartung entsprechend häufiger erfolgen. CAL: Modell für Kalifornien
  • 30.
    2-6 REGELMÄßIGE WARTUNG Tabellezur regelmäßigen Wartung Regelmäßig zu ersetzende Teile HÄUFIGKEIT Je nach- dem, * KILOMETERSTAND was × 1.000 km zuerst kommt ZU WECHSELNDE/AUSZUTAUSCHENDE 1 12 24 36 48 FLÜSSIGKEITEN UND TEILE Alle Luftfilterelement # Alle 18.000 km Kraftstoffschlauch 4 Jahre • Kühlflüssigkeit 3 Jahre • Kühlerschlauch und O-Ring 3 Jahre • Motoröl # Jahre • • • • • Ölfilter Jahre • • • • • Bremsschlauch und -leitung 4 Jahre • Bremsflüssigkeit 2 Jahre • • Gummiteile von Hauptbremszylinder und Bremssattel 4 Jahre • Zündkerze • • • • *: Bei höheren Kilometerständen die hier angegebenen Wartungsintervalle wiederholen. #: Bei Betrieb des Motorrads unter erschwerten Bedingungen, in staubigen, feuchten oder schlam- migen Gegenden und bei häufigen Hochgeschwindigkeit- und Kurzstreckenfahrten muss die Wartung entsprechend häufiger erfolgen.
  • 31.
    REGELMÄßIGE WARTUNG 2-7 Anzugsmomentund Gewindedichtmittel In den folgenden Tabellen sind die Anzugsmomente für die wichtigsten Verbindungselemente auf- geführt, bei denen ein nicht-permanenter Gewindekleber oder ein Silikondichtmittel usw. aufgetragen werden muss. Die Buchstaben für die Spalte “Anmerkungen” bedeuten: AL: Die beiden Klemmschrauben abwechselnd zweimal anziehen, um ein gleichmäßiges Anzugs- moment sicherzustellen. G: Die Gewinde fetten. L: Ein nicht-permanentes Gewindedichtmittel auf die Gewindegänge auftragen. MO: Eine molybdänhaltige Disulfidöllösung auftragen. R: Ersatzteile S: Die vorgeschriebene Anzugsreihenfolge einhalten. SI: Silikonfett auftragen. SS: Silikondichtmittel auftragen. Anzugsmoment Verbindungselement Anmerkungen N·m kgf·m Kraftstoffanlage Luftfiltergehäuseschrauben 1,1 0,11 Klemmschrauben des Luftfiltergehäuses 2,0 0,20 Befestigungsschraube des Luftfiltergehäuses 6,9 0,70 Befestigungsschrauben des Lufteinlasskanals 9,8 1,0 L Schraube des Nockenwellensensors 9,8 1,0 Schrauben des Kurbelwellensensors 5,9 0,60 Befestigungsschrauben der Kraftstoffzuleitung 3,4 0,35 (Einspritzdüsensatz) Befestigungsschrauben der Kraftstoffzuleitung 3,4 0,35 (Drosselklappengehäuse) Befestigungsschrauben der Auslassklappenventil 6,9 0,70 -Stelleinheit Schraube der Auslassklappenven- 4,9 0,50 til-Stelleinheitsscheibe Kraftstoffpumpenschrauben 9,8 1,0 L, S Befestigungsschrauben des Einspritzdüsensatzes 6,9 0,70 Schraube des Einspritzdüsensatz-Kraftstoffschlauchs 4,9 0,50 Befestigungsschraube der Abscheiderhalterung 0,8 0,08 Klemmschrauben des Drosselklappengehäusehalters 3,0 0,30 Schrauben des Drosselklappenhalters 12 1,2 L Schraube der Gaszughalteplatte 3,9 0,40 L Schrauben des Umkippsensors 5,9 0,60 Wassertemperatursensor 25 2,5 SS Kühlsystem Halteschraube für Kühlflüssigkeit-Bypass 8,8 0,90 L Kühlflüssigkeits-Ablassschraube (Bremszylinder) 9,8 1,0 Kühlflüssigkeits-Ablassschraube (Wasserpumpe) 8,8 0,90 Befestigungsschrauben des Kühlflüssigkeits 7,0 0,70 -Ausgleichsbehälters Flügelradschraube 9,8 1,0 Befestigungsschrauben des Ölkühlers 20 2,0
  • 32.
    2-8 REGELMÄßIGE WARTUNG Anzugsmomentund Gewindedichtmittel Anzugsmoment Verbindungselement Anmerkungen N·m kgf·m Befestigungsschraube der Kühlerhalterung 9,8 1,0 Untere Kühlerschraube 6,9 0,70 Obere Kühlerschraube 9,8 1,0 Thermostatgehäuse-Deckelschrauben 5,9 0,60 Klemmschrauben des Wasserschlauchs 2,0 0,20 Wasserschlauch-Halteschrauben (Zylinder) 9,8 1,0 Wasserschlauch-Halteschrauben (Zylinderkopfdeckel) 15 1,5 L Wasserpumpen-Deckelschrauben 12 1,2 L Wassertemperatursensor 25 2,5 SS Motoroberseite Schrauben für Ansaugluftventildeckel 9,8 1,0 L Schrauben des Nockenwellendeckels 12 1,2 S Kopfschrauben des Nockenwellenkettenspanners 20 2,0 Befestigungsschrauben des Nockenwellenkettenspan- 11 1,1 ners Befestigungsschrauben des Nockenwellen-Kettenrades 15 1,5 L Zylinderkopfschrauben (M9) 39 4,0 MO, S Zylinderkopfschrauben (M6) 12 1,2 S Schrauben des Zylinderkopfdeckels 9,8 1,0 Befestigungsmuttern der Auslassklappenventil 6,9 0,70 -Stelleinheit Schraube der Auslassklappenven- 4,9 0,50 til-Stelleinheitsscheibe Sicherungsmuttern für Einstellschrauben des 6,9 0,70 Auslassklappenventil-Gaszugs Sicherungsmuttern des Auslassklappenventil-Gaszugs 6,9 0,70 Schraube des Auslassklappenventildeckels 6,9 0,70 Klemmschraube des Auspuffrohrs 17 1,7 Muttern des Abgaskrümmerhalters 17 1,7 Befestigungsschraube des Auspuffrohrs 28 2,8 Stehbolzen des Abgaskrümmerhalters – – (bei ausgeschal- tetem Motor) Schraube der vorderen Nockenwellenkettenführung 12 1,2 (unten) Schraube der vorderen Nockenwellenkettenführung 25 2,5 (oben) Klemmschrauben des Auspufftopfs 17 1,7 Befestigungsschrauben des Auspufftopfs 28 2,8 Schrauben für hintere Schalldämpferabdeckung 6,9 0,70 Schrauben für seitliche Schalldämpferabdeckung 6,9 0,70 Schrauben für obere Schalldämpferabdeckung 6,9 0,70 Schraube für obere Nockenwellenkettenführung 25 2,5 Zündkerzen 13 1,3 Lambdasonden 25 2,5
  • 33.
    REGELMÄßIGE WARTUNG 2-9 Anzugsmomentund Gewindedichtmittel Anzugsmoment Verbindungselement Anmerkungen N·m kgf·m Klemmschrauben des Drosselklappengehäusehalters 2,9 0,30 Schrauben des Drosselklappenhalters 12 1,2 L Wasserkanal-Verschlussschrauben 20 2,0 L Kupplung Kupplungsdeckelschrauben (M6, L = 40 mm) 9,8 1,0 Kupplungsdeckelschrauben (M6, L = 25 mm) 9,8 1,0 Kupplungsnabenmutter 135 14 R Klemmschrauben für den Kupplungshebel 7,8 0,80 S Kupplungsfederschrauben 8,8 0,90 Schrauben der Teilkupplungsnabe 25 2,5 L Motorschmieranlage Öleinfülldeckel 2,0 0,20 Entlüftungsschraube 9,8 1,0 Motoröl-Ablassschraube 29 3,0 Befestigungsschrauben des Ölkühlers/Ölfiltergehäuses 20 2,0 L Ölpumpen-Zahnradschraube 9,8 1,0 L Befestigungsschrauben des Ölkühlers 20 2,0 Ölfilter 31 3,2 G, R Schrauben des Ölfilterschutzes 4,0 0,41 L Schraube des Ölfilterhalters 25 2,5 L Schrauben der Ölwanne 9,8 1,0 Ölkanaldüse 4,9 0,50 Ölkanal-Verschlussschrauben (Kegel) 20 2,0 L Ölkanal-Verschlussschraube (Linke Seite) 17 1,7 Öldruckentlastungsventil 15 1,5 L Öldruckschalter 15 1,5 SS Klemmschraube des Öldruckschalters – – Handfest Klemmschrauben des Wasserschlauchs 2,0 0,20 Wasserpumpen-Deckelschrauben 12 1,2 L Ausbau/Einbau des Motors Sicherungsmutter der Einstellhülse 49 5,0 S Einstellhülse 9,8 1,0 S Untere Motoraufhängungsmutter 44 4,5 S Schraube der mittleren Motoraufhängungshalterung 25 2,5 S Mittlere Motoraufhängungsmutter 44 4,5 S Obere Motoraufhängungsschraube 44 4,5 S Kurbelwelle/Getriebe Entlüftungsplattenschrauben 9,8 1,0 L Muttern des Pleuelfußes siehe siehe MO Angaben Angaben im Text im Text Kurbelgehäuseschrauben (M8) (unten) (erste) 15 1,5 MO, S
  • 34.
    2-10 REGELMÄßIGE WARTUNG Anzugsmomentund Gewindedichtmittel Anzugsmoment Verbindungselement Anmerkungen N·m kgf·m Kurbelgehäuseschrauben (M8) (unten) (letzte) 31 3,2 MO, S Kurbelgehäuseschrauben (M6, L = 50 mm) (unten) 12 1,2 S Schrauben des Gangpositionsschalters 2,9 0,30 L Kurbelgehäuseschraube (M8, L = 90 mm) (oben) 27 2,8 S Kurbelgehäuseschrauben (M8, L = 75 mm) (oben) 27 2,8 S Kurbelgehäuseschrauben (M6, L = 68 mm) (oben) 12 1,2 S Getriebegehäuseschrauben (M8) 20 2,0 Getriebegehäuseschrauben (M6) 9,8 1,0 Kolbenöldüsen 2,9 0,30 Ganghebelschraube 12 1,2 Ölkanalverschlussschrauben (Kegelseite) 20 2,0 L Ölkanal-Verschlussschraube (Linke Seite) 17 1,7 Öldruckschalter 15 1,5 SS Verschraubung (Entlüftungsschlauch) 15 1,5 L Ölkanaldüse 4,9 0,50 Klemmschraube des Öldruckschalters – – Handfest Lagerhalterschrauben 4,9 0,50 L Schraube für Schaltwalzennockenhalter 12 1,2 L Schalthebelschraube 6,9 0,70 Befestigungsschraube des Schaltpedals 25 2,5 Stift der Schaltwellen-Rückstellfeder 28 2,9 L Schaltstangen-Sicherungsmuttern 6,9 0,70 Schraube der Starterkupplung 49 5,0 Kappe der Starterkupplungsschraube – – Handfest Steuerzeiten-Inspektionsdeckel – – Handfest Schrauben des Starterkupplungsdeckels 9,8 1,0 Schrauben der Leerlaufzahnrad-Abdeckung 9,8 1,0 Räder/Reifen Klemmschrauben der Vorderachse 20 2,0 AL Vorderachsmutter 127 13 Hinterachsmutter 127 13 Achsantrieb Schrauben des Motorkettenraddeckels 9,8 1,0 Motorkettenradmutter 125 13 MO Hintere Kettenradmuttern 59 6,0 Kettenführungsschrauben (vorn) 9,8 1,0 L Kettenführungsschraube (hinten) 4,9 0,50 L Bremsen Bremssattel-Entlüftungsventile 7,8 0,80 Bremsschlauch-Hohlschrauben 25 2,5 Bremshebel-Drehzapfenschraube 1,0 0,10 Si Sicherungsmutter der Bremshebel 5,9 0,60 -Drehzapfenschraube
  • 35.
    REGELMÄßIGE WARTUNG 2-11 Anzugsmomentund Gewindedichtmittel Anzugsmoment Verbindungselement Anmerkungen N·m kgf·m Bremspedalschraube 8,8 0,90 Schraube für Vorderrad-Bremsleuchtenschalter 1,, 0.12 Anschlagschraube des Vorder- 1,2 0,12 rad-Bremsflüssigkeitsbehälterdeckels Befestigungsschrauben der vorderen Bremsscheibe 27 2,8 L Bremsbelagstifte der Vorderradbremse 17 1,7 Vorderrad-Bremssattelschrauben 27 2,8 Befestigungsschrauben der vorderen Bremssattel 34 3,5 Entlüftungsventil des Vorderrad-Hauptbremszylinders 5,9 0,60 Klemmschrauben des Vorderrad-Hauptbremszylinders 8,8 0,90 S Befestigungsschrauben der hinteren Bremsscheibe 27 2,8 L Befestigungsschrauben des Hinterradbremssattels 25 2,5 Befestigungsschrauben des Hinter- 25 2,5 rad-Hauptbremszylinders Sicherungsmutter der Schubstange des 18 1,8 Hinterrad-Hauptbremszylinders Federung Klemmschrauben der Vorderachse 20 2,0 AL Untere Inbusschrauben der Vorderradgabel 35 3,5 Klemmschrauben der Vorderradgabel (unten) 25 2,5 AL Klemmschrauben der Vorderradgabel (oben) 20 2,0 Steuerkopfverschlussschraube 35 3,5 Kolbenstangenmuttern 20 2,0 Halterungsmutter für Hinterrad-Stoßdämpfer 59 6,0 Mutter des Hinterrad-Stoßdämpfers (unten) 34 3,5 Mutter des Hinterrad-Stoßdämpfers (oben) 34 3,5 Schwingenachsen-Einstellhülse 20 2,0 S Sicherungsmutter der Schwingenachsen-Einstellhülse 98 10 S Schwingarmachsmutter 108 11 S Muttern der Spurstange 59 6,0 Uni-Track-Kipphebelmutter 34 3,5 Lenkung Klemmschrauben der Vorderradgabel (unten) 25 2,5 AL Klemmschrauben der Vorderradgabel (oben) 20 2,0 Lenkerschrauben 25 2,5 Lenkerpositionsschrauben 9,8 1,0 L Lenkschaftkopfmutter 78 8,0 Lenkschaftmutter 20 2,0 Schaltergehäuseschrauben 3,5 0,36 Rahmen Befestigungsschrauben für Vorderrad-Schutzblech 3,9 0,40 Schrauben der vorderen Fußrastenhalterung 25 2,5 Schrauben der hinteren Fußrastenhalterung 25 2,5 Hintere Rahmenschrauben 44 4,5 L
  • 36.
    2-12 REGELMÄßIGE WARTUNG Anzugsmomentund Gewindedichtmittel Anzugsmoment Verbindungselement Anmerkungen N·m kgf·m Seitenständerschraube 44 4,5 G Schrauben der Seitenständerhalterung 49 5,0 L Schraube des Seitenständerschalters 8,8 0,90 L Befestigungsschrauben der Windschutzscheibe 0,4 0,04 Elektrik Schrauben des Lichtmaschinendeckels 9,8 1,0 Schraube für Halteplatte der Lichtmaschinenkabel 9,8 1,0 L Schraube des Lichtmaschinenläufers 155 16 Schraube des Nockenwellensensors 9,8 1,0 Schrauben des Kurbelwellensensors 5,9 0,60 Masseschraube des Zylinderkopfdeckels 9,8 1,0 Schraube für Vorderrad-Bremsleuchtenschalter 1,2 0,12 Befestigungsschrauben für vordere Blinkerleuchten 1,2 0,12 Scheinwerfer-Befestigungsschrauben 1,2 0,12 Montageschrauben für Kennzeichenbeleuchtung 0,9 0,09 Befestigungsschrauben der Nummerschildbeleuchtung 1,2 0,12 Montageschrauben des Instrumentenblocks 1,2 0,12 Schrauben des Gangpositionsschalters 2,9 0,30 L Schrauben der hinteren Blinkerstreulinse 1,0 0,10 Befestigungsschrauben für hintere Blinkerleuchten 1,2 0,12 Schrauben für Regler/Gleichrichter 6,9 0,70 Muttern der Regler-/Gleichrichterhalterung 6,9 0,70 Schraube des Seitenständerschalters 8,8 0,90 L Zündkerzen 13 1,3 Drehzahlsensorschraube 6,9 0,70 L Schrauben der Statorwicklung 12 1,2 L Klemmschraube des Startermotorkabels 2,9 0,30 Schraube der Starterkupplung 49 5,0 Befestigungsschrauben des Startermotors 9,8 1,0 Klemmschrauben des Starterrelaiskabels 4,0 0,41 Schaltergehäuseschrauben 3,5 0,36 Befestigungsschrauben für Rück-/Bremsleuchte 4,0 0,40 Schrauben des Umkippsensors 5,9 0,60 Wassertemperatursensor 25 2,5 SS Schrauben der Leerlaufzahnrad-Abdeckung 9,8 1,0 Schrauben des Starterkupplungsdeckels 9,8 1,0 Kappe der Starterkupplungsschraube – – Handfest Steuerzeiten-Inspektionsdeckel – – Handfest
  • 37.
    REGELMÄßIGE WARTUNG 2-13 Anzugsmomentund Gewindedichtmittel Die folgende Tabelle enthält die Anzugsmomente für den jeweiligen Gewindedurchmesser sowie die grundlegenden Anzugsmomente für Schrauben und Muttern. Diese Tabelle gilt nur für die Schrauben und Muttern, bei denen kein anderes Anzugsmoment eingehalten werden muss. Alle Werte beziehen sich auf trockene, mit Lösungsmittel gereinigte Gewinde. Basisanzugsmomente für normale Schrauben Gewinde Anzugsmoment Durchmesser (mm) N·m kgf·m 5 3,4 ∼ 4,9 0,35 ∼ 0,50 6 5,9 ∼ 7,8 0,60 ∼ 0,80 8 14 ∼ 19 1,4 ∼ 1,9 10 25 ∼ 34 2,6 ∼ 3,5 12 44 ∼ 61 4,5 ∼ 6,2 14 73 ∼ 98 7,4 ∼ 10,0 16 115 ∼ 155 11,5 ∼ 16,0 18 165 ∼ 225 17,0 ∼ 23,0 20 225 ∼ 325 23,0 ∼ 33,0
  • 38.
    2-14 REGELMÄßIGE WARTUNG TechnischeDaten Teil Standard Grenzwert Kraftstoffanlage (DFI) Gasdrehgriffspiel 2 ∼ 3 mm – – – Leerlaufdrehzahl 1.300 ±50 U/min – – – Unterdruck im 27,3 ±1,333 kPa (205 ±10 mmHg) im Leerlauf – – – Drosselklappengehäuse Luftfilterelement Papierelement – – – Kühlsystem Kühlflüssigkeit: Typ (empfohlen) Permanentes Frostschutzmittel – – – Farbe Grün – – – Mischungsverhältnis Entkalktes Wasser 50%, Kühlmittel 50% – – – Gefrierpunkt –35°C – – – Gesamtmenge 2,6 Liter – – – Motoroberseite Ventilspiel: Auslass 0,24 ∼ 0,31 mm – – – Einlass 0,13 ∼ 0,19 mm – – – Kupplung Kupplungshebelspiel 2 ∼ 3 mm – – – Motorschmieranlage Motoröl: Typ API SE, SF oder SG – – – API SH, SJ oder SL mit JASO MA Viskosität SAE 10W-40 – – – Kapazität 2,9 Liter (ohne Filterwechsel) – – – 3,2 Liter (mit Filterwechsel) – – – 3,8 Liter (bei vollkommen trockenem Motor) – – – Ölstand Zwischen oberen und unteren Ölstand – – – -Markierungslinien (Nach dem Abstellen des Motors 2 ∼ 3 Minuten warten) Räder/Reifen Profiltiefe: Vorn BRIDGESTONE: 3,6 mm 1 mm, (AT, CH, DE) 1,6 mm Hinten BRIDGESTONE: 4,8 mm Bis 130 km/h: 2 mm, Über 130 km/h: 3 mm Reifenluftdruck (kalter Reifen): Vorn Bis 180 kg Ladung: – – – 250 kPa (2,5 kgf/cm²) Hinten Bis 180 kg Ladung: – – – 290 kPa (2,9 kgf/cm²)
  • 39.
    REGELMÄßIGE WARTUNG 2-15 TechnischeDaten Teil Standard Grenzwert Achsantrieb Antriebsketten-Durchhang 30 ∼ 40 mm – – – Antriebskette auf 317,5 ∼ 318,2 mm 323 mm Verschleiß (über 20 Glieder Länge) Standardkette: Hersteller ENUMA – – – Typ EK520MVXL1 – – – Kettenglied: 112 Kettenglieder – – – Bremsen Bremsflüssigkeit: Qualität DOT4 – – – Bremsbelagdicke: Vorn 4 mm 1 mm Hinten 5 mm 1 mm Zeitverzögerung der Bremsleuchte: Vorn Bremse gezogen – – – Hinten Ein nach einem Pedalweg von ca. 10 mm – – –
  • 40.
    2-16 REGELMÄßIGE WARTUNG Spezialwerkzeuge Montagezangefür Innensicherungsringe: Ölfilterschlüssel: 57001-143 57001-1249 Lenkschaftmuttern-Schlüssel: Unterdruckmessgerät: 57001-1100 57001-1369 Wagenheber: Verlängerungsrohr: 57001-1238 57001-1578 Vergasereinstellschraube, A: Stützblöcke: 57001-1239 57001-1608
  • 41.
    REGELMÄßIGE WARTUNG 2-17 Wartungsschritte Kraftstoffanlage(DFI) Prüfung der Drosselklappensteuerung • Der und die Drosselklappe sich leichtgängig drehen las- sen Gasdrehgriff [A] muss muss schnell und vollständig in allen Lenkerpositionen durch die Rückstellfeder wieder geschlossen werden. Wenn der Gasdrehgriff nicht einwandfrei zurückgeholt wird, die Gaszugverlegung, das Gasdrehgriffspiel und den Gaszug auf Beschädigung überprüfen. Anschlie- ßend den Gaszug schmieren. • Das Gasdrehgriffspiel [B] prüfen. Wenn das Spiel falsch eingestellt ist, die Gasseilzüge nachstellen. Gasdrehgriffspiel Standard: 2 ∼ 3 mm Bei falschem Gaszugspiel den Gaszug wie folgt einstel- len. • Die Sicherungsmuttern [A] [B] lösen. • Die beiden Einsteller [C] [D] des Gaszugs so einstellen, dass der Gasdrehgriff viel Spiel hat. • Mit dem Schließzugeinsteller [C] das Spiel am Gasdreh- griff auf 2 ∼ 3 mm einstellen. • Die Sicherungsmutter [A] festziehen. • Mit dem Öffnungszugeinsteller [D] das Spiel am Gasdreh- griff auf 2 ∼ 3 mm einstellen. • Die Sicherungsmutter [B] festziehen. Kann das Spiel mit den Einstellschrauben nicht eingestellt werden, den Seilzug ersetzen. Prüfung der Motorunterdruck-Synchronisation ANMERKUNG ○Bei den folgenden Schritten wird davon ausgegangen, dass die Ansaug- und die Abgasanlage des Motors ein- wandfrei arbeiten. • Das Motorrad so stellen, dass es vertikal steht. • Ausbauen: (siehe "Ausbau des Kraftstofftanks" im Ka- Kraftstofftank pitel "Kraftstoffanlage (DFI)") Luftfiltergehäuse (siehe "Ausbau des Luftfiltergehäuses" im Kapitel "Kraftstoffanlage (DFI)") Kraftstoffschlauch (siehe "Wechsel des Kraftstoffschlau- ches" im Kapitel "Regelmäßige Wartung") ○Beim Ausbau des Luftfiltergehäuses den Schlauch des Ansaugluftdrucksensors nicht abziehen.
  • 42.
    2-18 REGELMÄßIGE WARTUNG Wartungsschritte •Die Gummikappen [A] von den Verschraubungen der ein- zelnen Drosselklappengehäuse abziehen. • Bei der [B] abziehen.für Kalifornien den Unterdruck- schlauch Ausführung • Ein Unterdruckmessgerät an den Verschraubungen ent- sprechende Schläuche [A] (Spezialwerkzeug) und des Drosselklappengehäuses anschließen. Spezialwerkzeug - Unterdruckmessgerät: 57001-1369 • Einen der Stabzündspule anschließen. einem der Primär- kabel präzisen Drehzahlmesser [B] an • DasVerschraubung des Luftfiltergehäuses [B] verschlie- die Ende des Unterdruckschaltventilschlauchs [A] und ßen. • Das Luftfiltergehäuse einbauen (siehe "Einbau des Luft- filtergehäuses" im Kapitel "Kraftstoffanlage (DFI)"). • Folgende Teile provisorisch anschließen. [A] Kabelsteckverbinder der Kraftstoffpumpe Verlängerungsrohr [B] Spezialwerkzeug - Verlängerungsrohr: 57001-1578
  • 43.
    REGELMÄßIGE WARTUNG 2-19 Wartungsschritte •DenLeerlaufdrehzahl mit einem hoch genauen Drehzahl- Motor starten und warmlaufen lassen. • messer [A] messen. Die Leerlaufdrehzahl Standard: 1.300 ±50 U/min Wenn die Leerlaufdrehzahl außerhalb des Sollwertes liegt, die Drehzahl mit der Einstellschraube einstellen (siehe "Einstellung der Leerlaufdrehzahl"). VORSICHT Die Leerlaufdrehzahl nicht mit dem Drehzahlmesser der Instrumenteneinheit messen. • Beim Leerlauf des Motors den Unterdruck im Drossel- klappengehäuse mit dem Unterdruckmanometer [B] prü- fen. Motorunterdruck Standard: 27,3 ±1,333 kPa (205 ±10 mmHg) im Leerlauf Liegt ein Unterdruck außerhalb des Sollwertes, zuerst die linke (Drosselklappenventile Nr. 1, Nr. 2) und rechte (Drosselklappenventile Nr. 3, Nr. 4) Gruppe synchroni- sieren. Beispiel: Nr. 1: 165 mmHg Nr. 2: 190 mmHg Nr. 3: 170 mmHg Nr. 4: 200 mmHg •Wenn für den Motor die richtige Leerlaufdrehzahl einge- stellt ist, den höchsten Unterdruck von Drosselklappen- ventil Nr. 3 und 4 (z. B. 200 mmHg) auf den höchsten Un- terdruckwert von Drosselklappenventil Nr. 1 und 2 (z. B. 190 mmHg) durch Drehen der mittleren Einstellschraube [A] abgleichen. Rückansicht [B] ANMERKUNG ○Nach der Einstellung darf sich bei der Unterdruckmes- sung ein Wert von nicht mehr als 205 mmHg (in diesem Beispiel) ergeben. Die beiden niedrigsten Unterdruck- werte der linken Seite (Drosselklappe Nr. 1 und 2) und der rechten Seite (Drosselklappe Nr. 3 und 4) sollen möglichst gleich sein. • Die Drosselklappe nach jeder Messung öffnen und schlie- ßen und gegebenenfalls die Leerlaufdrehzahl nachstel- len. • Sobald die Drosselklappenventile synchronisiert wurden, die Ausgangsspannung am Hauptdrosselklappensensor auf den richtigen Wert überprüfen (die Arbeitsschritte wer- den am Ende dieses Kapitels beschrieben).
  • 44.
    2-20 REGELMÄßIGE WARTUNG Wartungsschritte Liegt die Messung irgend eines Unterdruckwertes nach Durchführen der Synchronisierung außerhalb des Tole- ranzbereichs sind die Bypass-Schrauben [A] vollständig bis zum Sitz jedoch ohne Kraftaufwand hinein zu drehen. Rückansicht [B] Spezialwerkzeug - Vergasereinstellschraube, A [C]: 57001-1239 VORSICHT Die Bypass-Einstellschraube nicht zu fest anzie- hen. Sie können dadurch beschädigt werden und müssen dann ersetzt werden. • Jene Bypass-Einstellschraube2 mit dem niedrigeren Un- druckwert von Nr. 1 und Nr. auf den höheren Unter- terdruckwert heraus drehen. • Jene Bypass-Einstellschraube mit dem höheren Unter- druckwert von Nr. 3 und Nr. 4 auf den niedrigeren Un- terdruckwert heraus drehen. • Die Drosselklappen nach jeder Messung öffnen und schließen und gegebenenfalls die Leerlaufdrehzahl nachstellen. • Die Unterdrücke wie oben beschrieben prüfen. Wenn alle Unterdrücke innerhalb der technischen Daten liegen, ist die Synchronisierung des Motorunterdrucks ab- geschlossen. Wenn ein Unterdruck nicht innerhalb der tech- nischen Daten eingestellt werden kann, die By- pass-Einstellschrauben Nr. 1 ∼ Nr. 4 herausdrehen und reinigen. • Die Bypass-Einstellschraube [A],[D] ausbauen. die Unter- legscheibe [C] und den O-Ring die Feder [B], ○Die Bypass-Einstellschraube und das Gewindeloch auf Rußablagerungen kontrollieren. Eventuelle Rußablagerungen aus der By- pass-Einstellschraube und dem Gewindeloch mit einem Wattebausch entfernen, der mit einem Lösungs- mittel mit hohem Flammpunkt getränkt wurde. ○Den O-Ring durch einen neuen ersetzen. ○Den konischen Teil [E] der Bypassschraube auf Ver- schleiß und Beschädigung kontrollieren. Ist die Bypass-Einstellschraube beschädigt oder ver- schlissen, die Schraube ersetzen. •Die Bypass-Einstellschraube eindrehen, bis sie richtig sitzt, jedoch nicht Überdrehen.
  • 45.
    REGELMÄßIGE WARTUNG 2-21 Wartungsschritte •Dieselben Schritte wiederholen. anderen pass-Einstellschrauben für die By- • Die Synchronisierung wiederholen.eingestellt sind, Wenn die Unterdrücke richtig die Ausgangsspannung am Hauptdrosselklappensensor überprüfen (siehe "Prüfung der Ausgangsspannung am Hauptdrosselklappensensor" im Kapitel "Kraftstoffanlage (DFI)"). Spezialwerkzeug - Adapter zur Drosselklappensensor-Einstellung: 57001-1538 Ausgangsspannung des Hauptdrosselklappensensors Anschlüsse am Sensor Multimeter (+) → gelb/weißes Kabel Multimeter (–) → braun/schwarzes Kabel Standard: 1,025 ∼ 1,055 V DC (mit Drosselklappe auf Leerlauf) Liegt die Ausgangsspannung außerhalb des Sollwerts, die Eingangsspannung am Hauptdrosselklappensensor überprüfen (siehe "Prüfung der Ausgangsspannung am Hauptdrosselklappensensor" im Kapitel "Kraftstoffanlage (DFI)"). •Die Schläuche des Unterdruckmanometers unterbrechen und die Gummikappen wieder in die ursprüngliche Stel- lung anbringen. •Bei der Ausführung für Kalifornien den Unterdruck- schlauch anbringen. ○Den Unterdruckschlauch gemäß Abschnitt "Verlegung von Seilzügen, Kabeln und Schläuchen" im Anhang korrekt verlegen. Prüfung der Leerlaufdrehzahl • Den Motorleerlauf den warmlaufen lassen. Seiten ein- Motor starten und • schlagen [A]. Bei Lenker nach beiden Wenn die Lenkerbewegung zu einer Änderung der Leer- laufdrehzahl führt, sind vermutlich die Gaszüge falsch eingestellt, falsch verlegt oder beschädigt. Vor der Fahrt diesen Zustand beseitigen (siehe "Prüfung der Leerlauf- drehzahl" und "Verlegung von Seilzügen, Kabeln und Schläuchen" im Anhang). ACHTUNG Eine Nutzung des Fahrzeugs mit falsch eingestell- ten, falsch verlegten oder beschädigten Seilzügen kann eine Verkehrsgefährdung darstellen. • Die Leerlaufdrehzahl überprüfen. Leerlaufdrehzahl Standard: 1.300 ±50 U/min Wenn die Leerlaufdrehzahl außerhalb des Sollwerts liegt, die Drehzahl einstellen.
  • 46.
    2-22 REGELMÄßIGE WARTUNG Wartungsschritte Einstellungder Leerlaufdrehzahl • DenEinstellschraube [A]warmlaufen lassen. Motor starten und • richtig eingestellt ist. drehen, bis die Leerlaufdrehzahl Die ○Die Drosselklappe einige Male öffnen und schließen, um zu kontrollieren, ob die Leerlaufdrehzahl innerhalb des Sollwerts liegt. Gegebenenfalls nochmals korrigieren. Prüfung der Bremsschläuche (auf Kraftstoffaustritt, Beschädigung und einwandfreie Verlegung) ○Wenn das Motorrad falsch behandelt wird, kann der hohe Druck in der Kraftstoffzuleitung zum Austritt von Kraft- stoff [A] bzw. zum Bersten des Schlauchs führen. Den Kraftstofftank ausbauen (siehe "Ausbau des Kraftstoff- tanks" im Kapitel "Kraftstoffanlage (DFI)") und den Kraft- stoffschlauch überprüfen. Den Kraftstoffschlauch ersetzen, wenn er durchgescheu- ert ist oder Risse [B] oder Dellen [C] aufweist. • Die Schlauchverbindungsstücke müssen fest ange- schlossen sein. • Prüfen, ob die Schläuche entsprechendSchläuchen" im "Verlegung von Seilzügen, Kabeln und dem Abschnitt Anhang verlegt sind. Den Schlauch ersetzen, wenn er scharf gebogen oder geknickt wurde. Wenn sich der Anschluss nicht verschieben lässt, den Einbau wiederholen. Tankdunstsystem (Modelle für Kalifornien) Überprüfung des Tankdunstsystems • Den Behälter wie folgt prüfen: ○Ausbauen: Linke Innenabdeckung (siehe "Ausbau der Innenabde- ckung" im Kapitel "Rahmen") ○Den Behälter [A] ausbauen und die Schläuche aus dem Aktivkohlebehälter abziehen. ○Den Aktivkohlebehälter visuell auf Risse oder andere Be- schädigungen kontrollieren. Wenn der Aktivkohlebehälter Risse oder andere starke Schäden aufweist, diesen erneuern. ANMERKUNG ○Der Aktivkohlebehälter ist während der gesamten Nut- zungsdauer des Motorrades wartungsfrei, wenn er un- ter normalen Bedingungen verwendet wird.
  • 47.
    REGELMÄßIGE WARTUNG 2-23 Wartungsschritte •Den Abscheider für Flüssigkeiten und Dämpfe wie folgt überprüfen. ○Ausbauen: Linke mittlere Verkleidung (siehe "Ausbau der mittleren Verkleidung" im Kapitel "Rahmen") ○Die Schläuche vom Abscheider abziehen und den Ab- scheider [A] an der linken Seite des Motorrades abbauen. ○Den Abscheider visuell auf Risse und andere Beschädi- gungen überprüfen. Wenn der Abscheider Risse oder andere Schäden auf- weist, ihn durch einen neuen ersetzen. ○Damit kein Benzin in den Behälter fließen oder von dort herausfließen kann, den Behälter lotrecht zum Boden hal- ten. •Die Schläuche des Tankdunstsystems wie folgt überprü- fen. ○Die Schläuche müssen sicher angeschlossen sein und die Schlauchklemmen korrekt sitzen. ○Geknickte, gealterte oder beschädigte Schläuche erneu- ern. ○Die Schläuche gemäß Abschnitt "Verlegung von Seilzü- gen, Kabeln und Schläuchen" im Anhang korrekt verle- gen. ○Beim Einbau der Schläuche scharfe Knicke, Biegungen, Verdrehungen oder Plattdrücken vermeiden und die Schläuche möglichst geradlinig verlegen, um ungehin- derten Tankdunststrom zu gewährleisten. Motoroberseite Prüfung des Ventilspiels ANMERKUNG ○Das Ventilspiel muss bei kaltem Motor (bei Zimmertem- peratur) überprüft und nachgestellt werden. • Den Zylinderkopfdeckel Kapitel "Motoroberseite"). des Zylinderkopfdeckels" im ausbauen (siehe "Ausbau • Die Starterkupplungsschraube [B] am Starterkupplungs- der Steuerzeiten-Inspektionskappe [A] und die Kappe deckel [C] entfernen.
  • 48.
    2-24 REGELMÄßIGE WARTUNG Wartungsschritte •Einen Schraubenschlüsseldiean die Starterkupplungs- schraube [A] ansetzen und Kurbelwelle im Uhrzeiger- sinn drehen, bis die Markierung [B] (OT-Markierung für die Kolben Nr. 1, 4) an der Starterkupplung auf die Ker- ben [C] am Rand der Steuerzeiten-Inspektionsöffnung im Starterkupplungsdeckel ausgerichtet ist. • Mit einer Fühlerlehre [A] das Ventilspiel zwischen Nocke und Ventilstößel kontrollieren. Ventilspiel Standard: Auslass 0,24 ∼ 0,31 mm Einlass 0,13 ∼ 0,19 mm ANMERKUNG ○Die Fühlerlehre waagerecht in den Ventilstößel einset- zen. Gut [A] Schlecht [B] Fühlerlehre [C] Waagerecht einsetzen [D] Nocken [E] Ventilstößel [F] Berührt den Ventilstößel [G] ○Stellung des Kolbens Nr. 1 am oberen Totpunkt nach Ende des Kompressionshubs: Einlassventilspiel der Zylinder Nr. 1 und Nr. 3 Auslassventilspiel der Zylinder Nr. 1 und Nr. 2 Messung am Ventil [A] ○Stellung des Kolbens Nr. 4 am oberen Totpunkt nach Ende des Kompressionshubs: Einlassventilspiel der Zylinder Nr. 2 und Nr. 4 Auslassventilspiel der Zylinder Nr. 3 und Nr. 4 Messung am Ventil [A]
  • 49.
    REGELMÄßIGE WARTUNG 2-25 Wartungsschritte Liegt das Ventilspiel nicht im angegebenen Bereich, zu- nächst das Ventilspiel notieren und dann einstellen. • Alle Ölräume vor den Nockenkuppen der Nockenwelle mit Motoröl füllen. Einlassseitige Ölräume [A] Auslassseitige Ölräume [B] Einstellung des Ventilspiels • Zum Einstellen des Ventilspiels den Nockenwellenketten- spanner, die Nockenwellen und Ventilstößel ausbauen. Die Beilagscheibe durch eine Beilagscheibe anderer Di- cke ersetzen. ANMERKUNG ○Die Lage des Ventilstößels und der Beilagscheiben markieren und notieren, damit sie später wieder an der Originalposition eingebaut werden können. • Die Beilagscheibe von Schmutz- oder Ölablagerungen reinigen. • Dicke der herausgenommenen Beilagscheibe [A] mes- sen. • Eine neue Berechnung der Beilagscheibendicke wie folgt wählen. a+b–c=d [a] Aktuelle Scheibenstärke [b] Gemessenes Ventilspiel [c] Vorgeschriebenes Ventilspiel (Mittelwert= 0,16) [d] Stärke der Ersatzscheibe Beispiel: 1,600 + 0,33 – 0,16 = 1,77 mm ○Die Beilagscheibe durch eine der Größe 1,775 ersetzen. VORSICHT Die Beilagscheiben nicht für andere Modelle ver- wenden. Dies könnte Verschleiß am Ventilschaf- tende verursachen und den Ventilschaft beschädi- gen.
  • 50.
    2-26 REGELMÄßIGE WARTUNG Wartungsschritte Einstellplättchen Dicke Teilenummer Markierung 1,300 92180-0108 130 1,325 92180-0109 132 1,350 92180-0110 135 1,375 92180-0111 138 1,400 92180-0112 140 1,425 92180-0113 142 1,450 92180-0114 145 1,475 92180-0115 148 1,500 92180-0116 150 1,525 92180-0117 152 1,550 92180-0118 155 1,575 92180-0119 158 1,600 92180-0120 160 1,625 92180-0121 162 1,650 92180-0122 165 1,675 92180-0123 168 1,700 92180-0124 170 1,725 92180-0125 172 1,750 92180-0126 175 1,775 92180-0127 178 1,800 92180-0128 180 1,825 92180-0129 182 1,850 92180-0130 185 1,875 92180-0131 188 1,900 92180-0132 190 1,925 92180-0133 192 1,950 92180-0134 195 1,975 92180-0135 198 2,000 92180-0136 200 2,025 92180-0137 202 2,050 92180-0138 205 2,075 92180-0139 208 2,100 92180-0140 210 2,125 92180-0141 212 2,150 92180-0142 215 2,175 92180-0143 218 2,200 92180-0144 220 2,225 92180-0145 222 2,250 92180-0146 225 2,275 92180-0147 228 2,300 92180-0148 230
  • 51.
    REGELMÄßIGE WARTUNG 2-27 Wartungsschritte VORSICHT Nach dem Auswählen einer Beilagscheibe das Ven- tilspiel nachmessen. Die Toleranz der Beilagschei- ben kann das Ventilspiel aus dem angegebenen Be- reich bringen. ○Ist kein Ventilspiel vorhanden, eine etwas kleinere Beilag- scheibe verwenden und das Ventilspiel nachmessen. • Die Beilagscheibe Zu diesem Zeitpunkt ein Motoröl auf stößel einbauen. mit der markierten Seite zum Ventil- die Beilagscheibe oder den Ventilstößel auftragen, damit die Beilagscheibe während des Einbaus der Nockenwelle nicht verrutscht. VORSICHT Nicht mehrere Beilagscheiben unter die Beilag- scheibe legen. Dies kann dazu führen, dass bei hohen Drehzahlen die Beilagscheibe herausge- drückt und der Motor schwer beschädigt wird. Die Beilagscheibe nicht abschleifen. Dies kann zum Bruch und damit zu schweren Motorschäden führen. • Molybdänhaltige Disulfidöllösung auf die Stößeloberflä- che auftragen und den Stößel einbauen. • Die Nockenwellen"Motoroberseite"). "Einbau der Nocken- welle" im Kapitel einbauen (siehe • Das Ventilspiel erneut messen und gegebenenfalls nach- stellen. • AlleMotoröl füllen.den Nockenkuppen der Nockenwellen mit Ölräume vor Einlassseitige Ölräume [A] Auslassseitige Ölräume [B] • Das Ventilspiel erneut messen und gegebenenfalls nach- stellen. • Die ausgebauten Teile wieder einbauen.
  • 52.
    2-28 REGELMÄßIGE WARTUNG Wartungsschritte Ansaugluftsystem Prüfungdes Ansaugluftsystems auf Beschädigung • Den Kraftstofftank aufstellen (siehe "Wechsel des Luftfil- terelements"). • Den Schlauch [A] des Unterdruckschaltventils aus dem Luftfilter ziehen. • Den Motor starten und im Leerlauf drehen lassen.[B] mit • Das Ende des Unterdruckschaltventilschlauchs Unter- dem Finger verschließen und auf pulsierenden druck prüfen. Falls kein pulsierender Unterdruck fühlbar ist, den Schlauch auf Undichtigkeiten prüfen. Besteht kein Leck, das Unterdruckschaltventil (siehe "Prüfung des Unterdruckschaltventils" im Kapitel "Elektrik") oder das Ansaugluftventil (siehe "Prüfung des Ansaugluftventils" im Kapitel "Motoroberseite") prüfen. Kühlsystem Prüfung des Kühlflüssigkeitsstands ANMERKUNG ○Den Flüssigkeitsstand bei kaltem Motor (Raum- oder Umgebungstemperatur) prüfen. • Den wenn das Motorrad aufrecht steht (nicht den [A] prü- fen, Kühlflüssigkeitsstand im Ausgleichsbehälter Seiten- ständer verwenden). Liegt der Kühlflüssigkeitsstand unter der Standmarkie- rung “L” [B], den Deckel für den Reservetank abschrau- ben und Kühlflüssigkeit bis zur Standmarkierung “F” [C] auffüllen. “L”: Niedrig “F”: Voll VORSICHT Zum Auffüllen die erforderliche Menge Kühlmit- tel und entkalktes Wasser zugeben. Auffüllen von Wasser verdünnt die Kühlflüssigkeit und ver- schlechtert seine Korrosionsschutzeigenschaften. Verdünntes Kühlwasser kann die Aluminiumteile des Motors angreifen. In Notfällen kann auch nur weiches Wasser aufgefüllt werden. Das verdünnte Kühlwasser muss aber innerhalb einiger Tage wie- der auf das richtige Mischungsverhältnis korrigiert werden. Wenn häufig Kühlflüssigkeit ergänzt werden muss, oder der Ausgleichsbehälter vollkommen leer ist, ist das Kühlsystem vermutlich undicht. Das Sys- tem auf austretende Flüssigkeit kontrollieren. Austretende Kühlflüssigkeit ruiniert Lackflächen. Ausgetretene Kühlflüssigkeit auf Rahmen, Motor, Rädern oder Lackteilen sofort abspülen.
  • 53.
    REGELMÄßIGE WARTUNG 2-29 Wartungsschritte Prüfungder Bremsschläuche auf Beschädigung und einwandfreie Verlegung ○Der hohe Druck im Motorkühlerschlauch kann zum Aus- tritt von Kühlflüssigkeit [A] oder zum Bersten des Kühler- schlauchs führen, wenn keine regelmäßigen Wartungsar- beiten erfolgen. Die Kühlerschläuche auf Anzeichen von Alterung überprüfen. Die Schläuche zusammendrücken. Der Schlauch darf weder hart noch brüchig, weder ge- quollen noch weich sein. Schläuche mit Scheuerstellen, Rissen [B] oder Ausbuch- tungen [C] ersetzen. • Die Schläuche müssen sicher angeschlossen und die Schlauchklemmen fest angezogen sein. Anzugsmoment - Klemmschrauben des Wasserschlauchs: 2,0 N·m (0,20 kgf·m) Kupplung Funktionsprüfung der Kupplung • Denmehr vorhanden ist. weit anziehen, dass kein Spiel [A] Kupplungshebel so • Den Spalt zwischen dem Hebel und des Hebelhalters messen. Ist der Spalt zu groß, kann die Kupplung nicht voll frei- gegeben werden. Ist der Spalt zu klein, kann die Kupp- lung nicht voll eingreifen. In beiden Fällen muss der Spalt nachgestellt werden. Kupplungshebelspiel Standard: 2 ∼ 3 mm ACHTUNG Um schwere Verbrennungen zu vermeiden, bei der Einstellung der Kupplung weder das Auspuffrohr noch den Motor berühren. • Den Einsteller [A] so drehen, dass 4 ∼ 6 mm [B] des Ge- windes sichtbar sind. • Die Staubschutzkappe [A] am unteren Ende des Kupp- lungszugs abschieben. • Die beiden Einstellmuttern [B] am Kupplungsdeckel so weit wie möglich lockern. • Äußerengegen die Halterung [D] festziehen. die Einstell- muttern Kupplungszug [C] straff ziehen und • Die Gummi-Staubschutzmanschette wieder in die alte Position schieben. • Den Einsteller am Kupplungshebel drehen, bis das Spiel korrekt ist.
  • 54.
    2-30 REGELMÄßIGE WARTUNG Wartungsschritte •DenerAusrückhebel [A] drehen lässt. nach vorn drücken, bis sich kaum noch am Motorrad ○Dabei muss der Ausrückhebel die richtige Winkelstellung erreicht haben. 60° [B] Wenn der Winkel nicht stimmt, die Kupplung und die Teile des Ausrückhebels auf Verschleiß kontrollieren. ACHTUNG Das Seilzugmantelende des Kupplungshebels muss ganz in der Einstellschraube am Kupplungs- hebel sitzen, sonst verrutscht es später, und das Seilzugspiel vergrößert sich soweit, dass die Kupp- lung herausspringen kann. • Nach der Einstellung den Motorund ordnungsgemäß frei- ob die Kupplung nicht rutscht starten und kontrollieren, gegeben wird. Wenn die Kupplungswirkung unzureichend ist, das Kupp- lungssystem kontrollieren. ACHTUNG Erfolgt die Überprüfung durch Fahren des Fahr- zeugs, aus Sicherheitsgründen immer auf den Umgebungsverkehr achten. Räder/Reifen Prüfung des Reifendrucks • Die Reifenventilkappeeinem Reifendruckmesser [A] be- entfernen. • Den Reifendruck mit kalt sind (d. h. wenn das Mo- stimmen, wenn die Reifen torrad in den letzten drei Stunden nicht mehr als 1,7 km gefahren wurde). Den Reifenluftdruck bei Bedarf entsprechend den techni- schen Daten korrigieren. Reifenluftdruck (kalter Reifen) Vorn: Bis 180 kg 250 kPa (2,5 kgf/cm²) Hinten: Bis 180 kg 290 kPa (2,9 kgf/cm²) • Die Reifenventilkappe aufsetzen. Prüfung der Räder/Reifen auf Beschädigung • Steine [A] und Fremdkörper [B] aus den Profilstollen ent- fernen. • Reifen auf Risse und Schnitteoder erhabene Stellen wei- Bedarf ersetzen. Quellungen visuell überprüfen und bei sen auf interne Schäden hin; in diesem Fall muss der Rei- fen ersetzt werden. • Das Rad visuell auf Risse, Schnitte und Dellen überprü- fen. Wenn Beschädigungen festgestellt werden, das Rad bei Bedarf ersetzen.
  • 55.
    REGELMÄßIGE WARTUNG 2-31 Wartungsschritte Prüfungauf Reifenprofilverschleiß Wenn sich das Reifenprofil abnutzt, wird der Reifen emp- findlicher gegen Perforierungen und andere Schäden. Es wurde statistisch festgestellt, dass 90% aller Reifenausfälle während der letzten 10% der Nutzungsdauer des Reifen- profils (bei einem Verschleiß von 90%) auftreten. Es hieße an der falschen Stelle sparen und unnötige Risiken einge- hen, wenn die Reifen gefahren werden, bis sie völlig abge- nutzt sind. • Die Profiltiefe in der Mitte des Profils mit einer Tiefenlehre [A] messen. Da sich der Reifen ungleichmäßig abnutzen kann, die Messung an mehreren Stellen vornehmen. Falls ein Messwert den Grenzwert unterschreitet, den Reifen erneuern (siehe "Ausbau/Einbau der Räder" im Kapitel "Räder/Reifen"). Profiltiefe Standard: Vorn 3,6 mm Hinten 4,8 mm Grenzwert: Vorn 1 mm (AT, CH, DE) 1,6 mm Hinten 2 mm (bis 130 km/h) 3 mm (über 130 km/h) ACHTUNG Im Interesse des sicheren Fahrbetriebs und der Sta- bilität nur die empfohlenen Standardreifen als Er- satzreifen verwenden, die mit dem normalen Rei- fendruck aufgepumpt sind. ANMERKUNG ○In den meisten Ländern gibt es eigene Vorschriften zur Mindestreifenprofiltiefe: Diese sind unbedingt einzuhal- ten. ○Das Rad überprüfen und auswuchten, wenn ein Reifen ersetzt wird. Prüfung des Radlagers auf Beschädigung • Mit Heber(sieheStützblöcken das Vorderrad vom Kapitel abheben und "Ausbau des Vorderrades" im Boden "Räder/Reifen"). • Den Lenker ganz nach rechts oder links drehen. • Das Vorderradlager durch Hin- und Herbewegen [A] des Rades auf Klemmstellen prüfen. • Das Vorderrad leicht drehen [B] und auf Leichtgängigkeit, Klemmstellen, Rauheit oder Laufgeräusche kontrollieren. Wenn Klemmstellen, Schwergängigkeit oder Laufgeräu- sche festgestellt werden, das Vorderrad ausbauen und das Radlager untersuchen (siehe "Ausbau des Vorder- rades", "Prüfung des Radnabenlagers" im Kapitel "Rä- der/Reifen").
  • 56.
    2-32 REGELMÄßIGE WARTUNG Wartungsschritte •Das Hinterrad"Ausbau des Hinterrades" vomKapitel "Rä- heben (siehe mit Hilfe eines Ständers im Boden ab- der/Reifen"). • Das Hinterradlager durch Hin- und Herbewegen [A] des Rades auf Klemmstellen prüfen. • Das Hinterrad leicht drehen [B] und auf Leichtgängigkeit, Klemmstellen, Rauheit oder Laufgeräusche kontrollieren. Wenn Klemmstellen, Schwergängigkeit oder Laufgeräu- sche festgestellt werden, das Hinterrad ausbauen und das Radlager (siehe "Ausbau des Hinterrades", "Prüfung des Radnabenlagers" im Kapitel "Räder/Reifen") sowie die Kupplung (siehe "Prüfung des Kupplungslagers" im Kapitel "Achsantrieb") untersuchen. Antriebsstrang Prüfung der Antriebskette auf ausreichende Schmierung • Wenn steht,Spezialkettenschmiermittel nichtwie SAE 90 gung ein sollte schweres Maschinenöl zur Verfü- statt dünnflüssigerem Öl bevorzugt werden, da es län- ger an der Kette haftet und eine bessere Schmierung gewährleistet. • Wenn die Kette besonders verschmutzt aussieht, diese vor der Schmierung reinigen. VORSICHT Die O-Ringe zwischen den Seitenplatten dichten Bolzen und Buchse für das Schmiermittel ab. Damit die O-Ringe nicht beschädigt werden und dadurch Schmiermittel austritt, folgende Hinweise beachten. Zum Reinigen des O-Rings einer Antriebskette nur Kerosin oder Dieselöl verwenden. Andere Reinigungsmittel wie Waschbenzin oder Trichlorethylen greifen den O-Ring an und lassen ihn quellen. Die Kette immer sofort nach der Reinigung mit Druckluft trocknen. Reinigung und Trocknung der Kette sollten inner- halb von 10 Minuten abgeschlossen sein. • Die Seiten der Kettenrollen ölen, sodassO-Ringe mitdie Buchsen und Kettenrollen eindringt. Die das Öl in Öl benetzen, sodass die O-Ringe mit einem Ölfilm überzo- gen sind. • Überschüssiges Öl abwischen. Ölschmierstellen [A] O-Ring [B]
  • 57.
    REGELMÄßIGE WARTUNG 2-33 Wartungsschritte Prüfungdes Antriebsketten-Durchhangs ANMERKUNG ○Den Kettendurchhang prüfen, wenn das Motorrad auf dem Seitenständer steht. ○Eine verschmutzte Kette reinigen und ölen, wenn sie trocken aussieht. • Die Radausrichtung kontrollieren (siehe "Prüfung der Ra- dausrichtung"). • DasKette am stärkstenund die Position bestimmen, in der die Hinterrad drehen gespannt ist. • Mitte zwischen beiden Kettenrädern messen. Die vertikale Bewegung (Kettendurchhang) [A] in der Wenn der Kettendurchhang größer ist als der Standard- wert, den Kettendurchhang korrigieren. Kettendurchhang Sollwert: 30 ∼ 40 mm Einstellung des Antriebsketten-Durchhangs • Denbeiden [A] entfernen, und die Achsmutter [B] lockern. Splint • Die ckern. Sicherungsmuttern [C] der Ketteneinsteller lo- Wenn die Kette zu lose ist, den linken und den rechten Ketteneinsteller [D] gleichmäßig herausdrehen. Wenn die Kette zu straff ist, den linken und den rechten Ketteneinsteller gleichmäßig hineindrehen und das Rad nach vorn schieben. • Die beiden Ketteneinsteller gleichmäßig drehen, bis die Antriebskette genau richtig durchhängt. Zur richtigen Ausrichtung von Kette und Rad die Kerbe [E] der linken Ausrichtungsanzeige des Rades [F] auf die Markierung der betreffenden Schwinge bzw. die Position [G] für die Kerbe der rechten Ausrichtungsanzeige ausrichten. ACHTUNG Eine Radfehlausrichtung führt zu anormalem Ver- schleiß und kann zu Gefährdung während der Fahrt führen. • Die beiden Sicherungsmuttern der Ketteneinsteller fest anziehen. • Die Achsmutter festziehen. Anzugsmoment - Hinterrad-Achsmutter: 127 N·m (13 kgf·m) • DasStellung messen den Kettendurchhang in derkorrigie- ten Rad drehen und und dann gegebenenfalls straffs- ren. • Einen neuen Splint in die Achse einführen und die Splin- teenden auseinanderbiegen.
  • 58.
    2-34 REGELMÄßIGE WARTUNG Wartungsschritte •Einen neuen Splint [A] einsetzen. ANMERKUNG ○Beim Einsetzen des Splints die Mutter bis zur nächs- ten Passung im Uhrzeigersinn [B] anziehen, wenn die Schlitze in der Mutter nicht auf die Splintbohrung der Achse ausgerichtet sind. ○Die Verstellung sollte maximal 30 Grad betragen. ○Wenn der Schlitz über die nächstgelegene Bohrung hi- naus verstellt ist, die Mutter lockern und wieder festzie- hen. • Den Splint [A] durch die Mutter stecken und umbiegen. Prüfung der Radausrichtung • Die die gleiche MarkierungAusrichtungsanzeigeSchwinge auf Kerbe [A] der linken oder Position [C] der [B] muss zeigen wie die Kerbe der rechten Ausrichtungsanzeige. Ist dies nicht der Fall, den Kettendurchhang korrigieren und das Rad neu ausrichten (siehe "Einstellung des An- triebsketten-Durchhangs"). ANMERKUNG ○Die Radausrichtung kann auch mit dem Lineal oder mit einem Faden geprüft werden. ACHTUNG Eine falsche Radspur hat übermäßigen Verschleiß zur Folge und gefährdet die Fahrsicherheit.
  • 59.
    REGELMÄßIGE WARTUNG 2-35 Wartungsschritte Prüfungder Antriebskette auf Verschleiß • Ausbauen: Kettenabdeckung (siehe "Ausbau der Antriebskette" im Kapitel "Achsantrieb") • Das Hinterrad drehen, um an der Antriebskette beschä- digte Kettenrollen, lose Bolzen und Kettenglieder zu er- kennen. Bei Fehlern die Antriebskette ersetzen. Die Antriebskette schmieren, wenn sie trocken aussieht. • Die Kette mit einer Kraft [A] von 98 N (10 kg) an der Kette dehnen. • Am geraden Teil [C] der Kette von der Mitte des ersten Kettengliederbolzens bis zur Mitte des 21. Kettenglieder- bolzens die Länge der 20 Kettenglieder [B] messen. Da die Kette ungleichmäßig abgenutzt sein kann, die Mes- sung an mehreren Punkten wiederholen. Wenn bei solchen Messungen der Grenzwert überschrit- ten wird, die Kette austauschen. Beim Wechsel der An- triebskette auch das vordere und hintere Kettenrad erset- zen. Länge von 20 Gliedern der Antriebskette Standard: 317,5 ∼ 318,2 mm Grenzwert: 323 mm ACHTUNG Übersteigt die Abnutzung der Antriebskette den Grenzwert, die Kette ersetzen, sonst ist kein si- cherer Fahrbetrieb mehr gewährleistet. Eine Kette, die reißt oder von den Kettenrädern springt, kann das Kettenrad am Motor beschädigen oder das Hinterrad blockieren. Schäden am Motorrad und ein Verlust der Fahrzeugkontrolle wären die Folge. Aus Sicherheitsgründen nur die Standardkette ver- wenden. Es ist eine endlose Kette, die für den Ein- bau nicht getrennt werden darf. Standardkette Hersteller: ENUMA Typ: EK520MVXL1 Kettenglied: 112 Kettenglieder Prüfung der Kettenführung auf Verschleiß • Ausbauen: (siehe "Ausbau der Schwinge" im Kapitel "Fe- Schwinge derung") • Die Kettenführung [A] visuell kontrollieren. Die Kettenführung austauschen, wenn Anzeichen von anormalem Verschleiß oder Beschädigungen erkennbar sind.
  • 60.
    2-36 REGELMÄßIGE WARTUNG Wartungsschritte Bremsanlage Prüfungauf Bremsflüssigkeitsaustritt (Bremsschlauch und -leitung) • Bremshebel oder -pedal betätigen und[A] und Verschrau- flüssigkeit aus den Bremsschläuchen prüfen, ob Brems- bungen austritt. Wenn an irgendeiner Stelle Bremsflüssigkeit austritt, das entsprechende Problemteil untersuchen oder ersetzen. Prüfung der Bremsschläuche auf Beschädigung und einwandfreie Verlegung • Die Bremsschläuche und Stellen kontrollieren. schleiß, Risse und undichte Verschraubungen auf Ver- ○Der hohe Druck in der Bremsleitung kann dazu führen, dass Flüssigkeitsaustritt [A] oder dass der Schlauch platzt, wenn keine regelmäßige Wartung durchgeführt wird. Den Gummischlauch während der Prüfung biegen und verdrehen. Den Schlauch ersetzen, wenn Risse [B], Ausbuchtungen [C] oder undichte Stellen festgestellt werden. Die Bremsschlauch-Hohlschrauben festziehen. Anzugsmoment - Bremsschlauch-Hohlschrauben: 25 N·m (2,5 kgf·m) • Die Verlegung der Bremsschläuche überprüfen. Brems- Bei einer falschen Bremsschlauchführung den schlauch gemäß Abschnitt "Verlegung von Seilzügen, Kabeln und Schläuchen" im Anhang verlegen. Funktionsprüfung der Bremsen • Die Funktion der vorderentrockener Straße überprüfen. Fahren des Fahrzeugs auf und hinteren Bremse durch Wenn die Bremswirkung unzureichend ist, das Bremssys- tem kontrollieren. ACHTUNG Erfolgt die Überprüfung durch Fahren des Fahr- zeugs, aus Sicherheitsgründen immer auf den Umgebungsverkehr achten.
  • 61.
    REGELMÄßIGE WARTUNG 2-37 Wartungsschritte Prüfungdes Bremsflüssigkeitsstandes • Diemuss über der unteren Standmarkierung [B] stehen. [A] Bremsflüssigkeit im Behälter für die Vorderradbremse ANMERKUNG ○Zur Prüfung des Bremsflüssigkeitsstand den Lenker drehen, bis der Ausgleichsbehälter waagerecht ist. Steht der Bremsflüssigkeitsstand unter der untersten Standmarkierung, den Behälter bis zur oberen Stand- markierung [C] auffüllen. • Der Hinterradbremse [A] mussBremsflüssigkeitsbehälter der Bremsflüssigkeitsstand im über der unteren Stand- markierung [B] stehen. Steht der Bremsflüssigkeitsstand unter der untersten Standmarkierung, den Behälter bis zur oberen Stand- markierung [C] auffüllen. ACHTUNG Falls beim Nachfüllen Typ und Sorte der Brems- flüssigkeit im Ausgleichsbehälter unbekannt sind, muss die gesamte Bremsflüssigkeit im System ge- wechselt werden. Nach Wechsel der Bremsflüssig- keit nur noch die gleiche Marke und die gleiche Art der Bremsflüssigkeit verwenden. Empfohlene Scheibenbremsflüssigkeit Sorte: DOT4 • Um denund Hinterradbremse richtig zu verschließen, wie Vorder- Deckel des Bremsflüssigkeitsbehälters für die folgt vorgehen. ○Zunächst den Deckel [B] des Bremsflüssigkeitsbehälters für die Vorderradbremse von Hand im Uhrzeigersinn [C], drehen, bis ein leichter Widerstand spürbar ist, was dar- auf hinweist, dass der Deckel auf dem Behälter aufsitzt. Danach den Deckel um eine weitere 1/6-Umdrehung [D] anziehen und dabei den Bremsflüssigkeitsbehälter [A] festhalten.
  • 62.
    2-38 REGELMÄßIGE WARTUNG Wartungsschritte Prüfungder Bremsbeläge auf Verschleiß • Die Dicke der Bremsbeläge an allen Bremssätteln kon- trollieren. Bremsbelagdicke Standard: Vorn [A] 4,0 mm Hinten [B] 5,0 mm Grenzwert [C]: 1 mm Unterschreitet die Belagdicke bei einem der Bremsbeläge den Grenzwert [B], beide Bremsbeläge in dem Bremssat- tel als einen Satz ersetzen. Funktionsprüfung des Bremslichtschalters • Den Bremslicht [A]einschalten. Zündschalter • hebel betätigt oder das Bremspedal ca.wenn der Brems- Das sollte aufleuchten, 10 mm herunter- gedrückt wird. Falls nicht, den Bremslichtschalter erneuern. • Das Schaltergehäuse festhalten und die Einstellmutter verdrehen, um den Schalter zu justieren. Schaltergehäuse [A] Einstellmutter [B] Früheres Aufleuchten durch Anhebung des Schalterge- häuses [C] Späteres Aufleuchten durch Senken des Schaltergehäu- ses [D] VORSICHT Um eine Beschädigung der elektrischen An- schlüsse im Inneren des Schalters zu vermeiden, darf sich das Schaltergehäuse bei der Einstellung nicht verdrehen.
  • 63.
    REGELMÄßIGE WARTUNG 2-39 Wartungsschritte Leuchtet das Bremslicht nicht, die folgenden Teile über- prüfen oder ersetzen. Batterie (siehe "Prüfung des Ladezustandes" im Kapitel "Elektrik") Bremslicht (siehe "Ausbau der Rück-/Bremsleuchte" im Kapitel "Elektrik") Hauptsicherung 30 A und Rücklichtsicherung 10 A (siehe "Prüfung der Sicherung" im Kapitel "Elektrik") Vorderrad-Bremslichtschalter [A] (siehe "Prüfung des Schalters" im Kapitel "Elektrik") Hinterrad-Bremslichtschalter (siehe "Prüfung des Schal- ters" im Kapitel "Elektrik") Kabelbaum (siehe "Prüfung der Verkabelung" im Kapitel "Elektrik") Federung Funktionsprüfung von Vorderradgabel/Hinterrad -Stoßdämpfer • Die leichtgängigen Hub auf und ab pumpen [A] und dabei auf Gabel 4 oder 5 Mal achten. Ist die Gabel schwergängig oder verursacht Geräusche, den Gabelölstand oder die Gabelklemmen überprüfen (siehe "Wechsel des Vorderradgabelöls" im Kapitel "Fe- derung"). • DenleichtgängigenMal nach unten drücken [A] und dabei auf Sitz 4 oder 5 Hub achten. Ist der Stoßdämpfer schwergängig oder verursacht Ge- räusche, die Stoßdämpfer auf undichte Stellen oder die Stoßdämpferklemmen kontrollieren (siehe "Prüfung des Hinterrad-Stoßdämpfers auf Ölleck" in diesem Kapitel). Prüfung der Vorderradgabel auf Öllecks • Die Vorderradgabel [A] visuell auf Ölleck überprüfen. Ggf. defekte Teile austauschen oder reparieren.
  • 64.
    2-40 REGELMÄßIGE WARTUNG Wartungsschritte Prüfungdes Hinterrad-Stoßdämpfers auf Ölleck • Den Stoßdämpfer [A] aufwird, den Stoßdämpfer durch ei- Wenn Ölleck festgestellt Ölleck visuell kontrollieren. nen neuen ersetzen. Funktionsprüfung des Kipphebels • Den Sitz 4 oderHub achten. unten drücken und dabei auf leichtgängigen 5 Mal nach Ist der Kipphebel [A] schwergängig oder verursacht Ge- räusche, die Feststeller und Lager untersuchen (siehe "Prüfung der Kipphebel/Spurstangenlager und Hülse" im Kapitel "Federung"). Funktionsprüfung der Spurstange • Den Sitz 4 oderHub achten. unten drücken und dabei auf leichtgängigen 5 Mal nach Sind die Spurstangen [A] schwergängig oder verursachen Geräusche, die Feststeller und Lager untersuchen (siehe "Prüfung der Kipphebel/Spurstangenlager und Hülse" im Kapitel "Federung").
  • 65.
    REGELMÄßIGE WARTUNG 2-41 Wartungsschritte Lenkung Prüfungdes Lenkungsspiels • Untere Verkleidung ausbauen (siehe "Ausbau der unte- ren Verkleidung" im Kapitel "Rahmen"). • Das Vorderrad mit einem Wagenheber aufbocken. Spezialwerkzeuge - Wagenheber: 57001-1238 Stützblöcke: 57001-1608 • Das Vorderrad in Geradeausstellung bringen und Das wechselnd gegen beide Lenkerenden klopfen. ab- Vorderrad muss von allein ganz nach links und rechts schwingen, bis die Gabel den Anschlag berührt. Wenn das Rad klemmt oder vor dem Anschlag hängen bleibt, ist die Lenkung zu straff eingestellt. • Ob die Lenkung zu locker ist, lässt sich durch Drücken und Ziehen der Gabeln feststellen. Wenn sich diese locker anfühlt, ist auch die Lenkung lo- cker. ANMERKUNG ○Die Seilzüge und Kabel behindern etwas die Gabelbe- wegung, dies muss berücksichtigt werden. ○Kabel und Seilzüge müssen ordnungsgemäß verlegt sein. ○Die Lager müssen in gutem Zustand und korrekt ge- schmiert sein, sonst liefert der Test keine verwertbaren Ergebnisse. Einstellung des Lenkungsspiels • Das Vorderrad mit einem Wagenheber anheben. • Ausbauen: des Kupplungszugs Oberes Ende Oberes Ende der Gasseilzüge Lenkkopfmutter [A] und Unterlegscheibe [B] Lenkerpositionsschrauben [C] • Die oberen Klemmschrauben der Gabel lockern [D]. • Den Lenkkopf [E] abnehmen. • Die Klauen [A] der Klauenscheibe gerade biegen. die • Die Sicherungsmutter für den Lenkschaft [B] und Klauenscheibe [C] entfernen.
  • 66.
    2-42 REGELMÄßIGE WARTUNG Wartungsschritte •Die Lenkung einstellen. Spezialwerkzeug - Lenkschaftmuttern-Schlüssel [A]: 57001-1100 Ist die Lenkung zu straff eingestellt, die Lenkermutter den Bruchteil einer Umdrehung anziehen. Ist die Lenkung zu locker, die Lenkermutter den Bruchteil einer Umdrehung anziehen. ANMERKUNG ○Die Lenkermutter jeweils höchstens eine achtel Umdre- hung drehen. • Die Klauenscheibe [A] so einbauen, dass der Klauen so Seite [B] nach oben zeigt, und die Nasen die gebogene biegen, dass sie in die Nuten der Sicherungsmutter des Lenkschafts [C] eingreifen. • Die Sicherungsmutter des Lenkschafts mit der Hand fest- ziehen, bis sie die Klauenscheibe berührt. • Die Sicherungsmutter des Lenkschafts im Uhrzeigersinn anziehen, bis die Klauen auf die Nuten (zweite bis vierte Nut) der Lenkermutter [D] ausgerichtet sind, anschlie- ßend die beiden Klauen [E] nach unten biegen. • Ein nicht-permanentes Gewindedichtmittel auf die Ge- winde der Lenkerpositionsschrauben auftragen. • Festziehen: Anzugsmoment - Lenkschaftkopfmutter: 78 N·m (8,0 kgf·m) Obere Vorderradgabel-Klemmschrauben: 20 N·m (2,0 kgf·m) Lenkerpositionsschrauben: 9,8 N·m (1,0 kgf·m) • Diedie Lenkung immer noch zu straff oder zu locker, die Ist Lenkung erneut überprüfen. Einstellung wiederholen. Schmierung des Lenkschaftlagers • Den Lenkschaft ausbauen (siehe "Ausbau des Lenk- schafts und Lenkschaftlagers" im Kapitel "Lenkung"). • Mit einem untere Kugellager in den Lagerkäfigen reini- obere und Lösungsmittel mit hohem Flammpunkt das gen und die oberen und unteren Laufringe abwischen, die in das Rahmensteuerrohr als Presspassung einge- setzt sind, Fett und Schmutz entfernen. • Die äußeren Laufringe und die Kugellager visuell über- prüfen. Die Lager ersetzen, die Beschädigungen oder Verschleiß aufweisen. • Die oberen und unteren Kugellager [A] in den Lagerkäfi- gen mit Fett füllen und die oberen und unteren äußeren Laufringe leicht einfetten. • Den Lenkschaft einbauen (siehe "Einbau des Lenk- schafts und Lenkschaftlagers" im Kapitel "Lenkung"). • Lenkung einstellen (siehe "Einstellung des Lenkungs- spiels" in diesem Kapitel).
  • 67.
    REGELMÄßIGE WARTUNG 2-43 Wartungsschritte Prüfungder Licht- und Schalterfunktion Erster Schritt •Den Zündschalter einschalten. •Gemäß nachstehender Tabelle sollten die folgenden Lichter leuchten. Stadtlicht [A] leuchtet Rücklicht (LED) [B] leuchtet Kennzeichenleuchte [C] leuchtet Instrumentenblock-LCD [D] leuchtet Kontrollleuchte für die Neutralstellung (LED) leuchtet [E] Warnleuchte (LED) [F] leuchtet (blinkt) Instrumentenblockbeleuchtung (LED) [G] leuchtet Leuchtet das Licht nicht, die folgenden Teile überprüfen oder ersetzen. Batterie (siehe "Prüfung des Ladezustandes" im Kapitel "Elektrik") Entsprechende Glühlampen (siehe "Schaltplan" im Ka- pitel "Elektrik") Instrumenteneinheit (siehe "Prüfung der elektronischen Kombi-Instrumenteneinheit" im Kapitel "Elektrik") ECU (siehe "Prüfung der ECU-Stromversorgung" im Ka- pitel "Kraftstoffanlage (DFI)") Hauptsicherung 30 A und Rücklichtsicherung 10 A (siehe "Prüfung der Sicherung" im Kapitel "Elektrik") Zündschalter (siehe "Schaltplan" im Kapitel "Elektrik") Gangpositionsschalter (siehe "Prüfung des Gangpositi- onsschalters" im Kapitel "Elektrik") Kabelbaum (siehe "Prüfung der Verkabelung" im Kapitel "Elektrik") • Den Zündschalter ausschalten. • Alle Lichter sollten erlöschen (beim Modell mit Wegfahr- sperre blinkt die Warneuchte (LED). Siehe Kurzbeschrei- bung im Kapitel "Elektrik"). Falls das Licht nicht verlöscht, den Zündschalter erset- zen. Zweiter Schritt •Den Zündschalter auf die Position "P" (Parken) stellen. •Stadtlicht, Rück-/Bremslicht (LED) und Kennzeichenbe- leuchtung sollten leuchten. Leuchtet das Licht nicht, die folgenden Teile überprüfen oder ersetzen. Zündschalter (siehe "Schaltplan" im Kapitel "Elektrik")
  • 68.
    2-44 REGELMÄßIGE WARTUNG Wartungsschritte DritterSchritt •Den Zündschalter einschalten. •Blinkerschalter [A] betätigen (nach links oder rechts). •Je nach Schalterposition sollten die linken oder rechten Blinker [B] (vorne und hinten) blinken. •Die Blinker-Kontrollleuchte (LED) [C] in der Instrumenten- einheit sollte blinken. Blinkt ein Licht nicht, die folgenden Teile überprüfen oder ersetzen. Blinkerglühlampe (siehe "Wechseln der Blinkerglüh- lampe" im Kapitel "Elektrik") Instrumenteneinheit für Blinker-Kontrollleuchte (LED) (siehe "Prüfung der elektronischen Kombi-Instrumenteneinheit" im Kapitel "Elektrik") Blinkerrelaissicherung 10 A (siehe "Prüfung der Siche- rung" im Kapitel "Elektrik") Blinkerschalter (siehe "Schaltplan" im Kapitel "Elektrik") Blinkgeberrelais (siehe "Prüfung des Blinkgeberrelais" im Kapitel "Elektrik") Kabelbaum (siehe "Prüfung der Verkabelung" im Kapitel "Elektrik") •Blinkerschalter drücken. •Blinker und Kontrollleuchte (LED) sollten verlöschen. Verlöscht ein Licht nicht, die folgenden Teile überprüfen oder ersetzen. Blinkerschalter (siehe "Prüfung des Schalters" im Kapi- tel "Elektrik") Vierter Schritt • Abblendschalter [A] auf die Abblendlichtposition stellen. • Motor starten. • Das Abblendlicht leuchtet auf. Leuchtet das Abblendlicht nicht, die folgenden Teile über- prüfen oder ersetzen. Abblendlicht-Glühlampe (siehe "Wechseln der Schein- werferglühlampe" im Kapitel "Elektrik") Scheinwerfer-Sicherung 10 A (siehe "Prüfung der Siche- rung" im Kapitel "Elektrik") Abblendschalter (siehe "Schaltplan" im Kapitel "Elek- trik") Scheinwerferrelais (siehe "Prüfung des Relaisschaltkrei- ses" im Kapitel "Elektrik") Kabelbaum (siehe "Prüfung der Verkabelung" im Kapitel "Elektrik")
  • 69.
    REGELMÄßIGE WARTUNG 2-45 Wartungsschritte •Abblendschalter und die Fernlichtposition stellen. auf • Die Fernlicht-Kontrollleuchte (LED) [C] sollte aufleuchten. Abblendlicht [A] Fernlicht [B] leuchten auf. • Leuchtet das Fernlicht und/oder die Fern- licht-Kontrollleuchte (LED) nicht, die folgenden Teile überprüfen oder ersetzen. Fernlicht-Glühlampe (siehe "Wechseln der Scheinwer- ferglühlampe" im Kapitel "Elektrik") Abblendschalter (siehe "Schaltplan" im Kapitel "Elek- trik") Kabelbaum (siehe "Prüfung der Verkabelung" im Kapitel "Elektrik") Scheinwerfer-Sicherung 10 A (siehe "Prüfung der Siche- rung" im Kapitel "Elektrik") Scheinwerferrelais (siehe "Prüfung des Relaisschaltkrei- ses" im Kapitel "Elektrik") • Motorstoppschalter ausschalten. • Abblendlicht und Fernlicht leuchten weiterhin. Wenn Scheinwerfer und Fernlicht-Kontrollleuchte (LED) erlöschen, die folgenden Teile überprüfen oder ersetzen. Scheinwerferrelais (siehe "Prüfung des Relaisschaltkrei- ses" im Kapitel "Elektrik") • Den Zündschalter ausschalten. • Scheinwerfer und Fernlicht-Kontrollleuchte (LED) sollten erlöschen. Prüfung der Scheinwerferausrichtung • Die Ausrichtung des Scheinwerferlichtkegels überprüfen. Wenn der Scheinwerferlichtkegel zur Seite und nicht ge- radeaus strahlt, muss der Scheinwerfer horizontal einge- stellt werden. Horizontale Einstellung des Scheinwerfers •Die Horizontaleinstellschraube [A] an beiden Schein- werfern mit einem Schraubendreher [B] nach links oder rechts drehen, bis der Scheinwerferstrahl geradeaus gerichtet ist. Wenn der Scheinwerferlichtkegel zu niedrig oder zu hoch strahlt, muss der Scheinwerfer vertikal eingestellt wer- den. Vertikaleinstellung des Scheinwerfers •Die Vertikaleinstellschraube [B] an beiden Scheinwerfern heraus- oder hineindrehen, um den Scheinwerfer vertikal auszurichten. ANMERKUNG ○Bei Fernlicht sollte der hellste Punkt etwas unter der ho- rizontalen Schnittebene verlaufen, wenn das Motorrad auf seinen Rädern steht und der Fahrer aufsitzt. Den Scheinwerfer entsprechend den örtlichen Vorschriften einstellen.
  • 70.
    2-46 REGELMÄßIGE WARTUNG Wartungsschritte ANMERKUNG ○Bei der Ausführung für die USA liegt der richtige Einstellwinkel 0,4 Grad unter der horizontalen Schnit- tebene. Im Abstand von 7,6 m von der Mitte des Scheinwerfer bei aufrecht stehendem Motorrad und darauf sitzendem Fahrer sind dies 50 mm unter der Horizontalen. 50 mm [A] Zentrum des hellsten Punkts [B] 7,6 m [C] Höhe des Scheinwerfermittelpunkts [D] Funktionsprüfung des Seitenständerschalters • Die Funktion Tabelle überprüfen. nachfolgender des Seitenständerschalters [A] gemäß Funktion des Seitenständerschalters Seitenstän- Getriebe- Kupplungs- Motor- Motor- der gang hebel start lauf Hochge- Läuft Neutral Freigegeben Startet klappt weiter Hochge- Läuft Neutral Eingezogen Startet klappt weiter Hochge- Gang Startet Läuft Freigegeben klappt eingelegt nicht. weiter Hochge- Gang Läuft Eingezogen Startet klappt eingelegt weiter Läuft Abgeklappt Neutral Freigegeben Startet weiter Läuft Abgeklappt Neutral Eingezogen Startet weiter Gang Startet Abgeklappt Freigegeben Geht aus. eingelegt nicht. Gang Startet Abgeklappt Eingezogen Geht aus. eingelegt nicht.
  • 71.
    REGELMÄßIGE WARTUNG 2-47 Wartungsschritte Wenn der Seitenständerschalter nicht funktioniert, die fol- genden Teile überprüfen oder ersetzen. Batterie (siehe "Prüfung des Ladezustandes" im Kapitel "Elektrik") Hauptsicherung 30 A (siehe "Prüfung der Sicherung" im Kapitel "Elektrik") Zündschaltersicherung 10 A (siehe "Prüfung der Siche- rung" im Kapitel "Elektrik") Zündschalter (siehe "Schaltplan" im Kapitel "Elektrik") Seitenständerschalter (siehe "Prüfung des Schalters" im Kapitel "Elektrik") Motorstoppschalter (siehe "Prüfung des Schalters" im Kapitel "Elektrik") Starterknopf (siehe "Schaltplan" im Kapitel "Elektrik") Gangpositionsschalter (siehe "Prüfung des Gangpositi- onsschalters" im Kapitel "Elektrik") Starterrelais (siehe "Prüfung des Starterrelais" im Kapi- tel "Elektrik") Starterstromkreisrelais (siehe "Prüfung des Relais- schaltkreises" im Kapitel "Elektrik") Kabelbaum (siehe "Prüfung der Verkabelung" im Kapitel "Elektrik") Wenn alle Teile in Ordnung sind, die ECU ersetzen. Funktionsprüfung des Motorstoppschalters Erster Schritt •Den Zündschalter einschalten. •Das Getriebe in Leerlaufstellung bringen. •Den Motorstoppschalter in die Stoppposition [A] stellen. •Den Starterknopf drücken. •Der Motor startet nicht. Falls der Motor doch startet, die folgenden Teile überprü- fen oder ersetzen. Motorstoppschalter (siehe "Prüfung des Schalters" im Kapitel "Elektrik") Zweiter Schritt •Den Zündschalter einschalten. •Das Getriebe in Leerlaufstellung bringen. •Den Motorstoppschalter in die Betriebsposition stellen [A]. •Starterknopf drücken und Motor laufen lassen. •Den Motorstoppschalter in die Stoppposition stellen. •Der Motor geht sofort aus. Falls der Motor nicht stoppt, die folgenden Teile überprü- fen oder ersetzen. Motorstoppschalter (siehe "Prüfung des Schalters" im Kapitel "Elektrik") Wenn der Motorstoppschalter in Ordnung ist, die ECU er- setzen (siehe "Ausbau/Einbau der ECU" im Kapitel "Kraft- stoffanlage (DFI)").
  • 72.
    2-48 REGELMÄßIGE WARTUNG Wartungsschritte SonstigeTeile Schmierung der Fahrgestellteile • Vor der Schmierung von und Fett, Öl, Schmutzeinem Rostentferner beseitigen Teilen Roststellen mit oder Zunder entfernen. • Die im Folgenden aufgeführten Schmierpunkte mit dem angegebenen Schmiermittel schmieren. ANMERKUNG ○Immer wenn das Fahrzeug bei Regen oder Nässe ge- fahren wurde, aber insbesondere nach einer Dampf- strahleinigung eine allgemeine Schmierung durchfüh- ren. Gelenkzapfen: Mit Fett schmieren. Bremshebel Bremspedal Kupplungshebel Gelenkbolzen der Hinterradbremse Seitenständer Punkte: Mit Fett schmieren. Oberes und unteres Ende des Kupplungszugs [A] Oberes und unteres Ende der Gasseilzuges Seilzüge: mit Rostschutzmittel schmieren. Kupplungszug Gasseilzüge •Zur Schmierung der Seilzüge Öl zwischen Seilzug und Seilzughülle träufeln. ○Die Seilzüge können mit einer handelsüblichen Seil- zugschmierpistole und einem Aerosolschmiermittel geschmiert werden.
  • 73.
    REGELMÄßIGE WARTUNG 2-49 Wartungsschritte •Wird der Seilzug freibeiden Seilzugmantel bewegen kön- die Seilzugseele an [A] im Enden ausgehakt, muss sich nen. Wenn nach der Schmierung sich der Seilzug in seinem Mantel nicht frei bewegt, der Seilzug Scheuerstellen aus- weist [B] oder der Seilzugmantel [C] geknickt ist, den Seil- zug ersetzen. Prüfung der Schrauben, Muttern und Feststeller auf festen Sitz • Den angegeben der Schrauben und Muttern prüfen, das hier festen Sitz sind. Außerdem den Zustand und die Vorhandensein der Splinte kontrollieren. ANMERKUNG ○Bei den Motorschrauben den festen Sitz bei kaltem Mo- tor kontrollieren (bei Zimmertemperatur). Wenn Schrauben locker sind, diese mit dem vorge- schriebenen Anzugsmoment in der angegebenen An- ziehreihenfolge festziehen. Die technischen Daten zum Anzugsmoment sind im betreffenden Kapitel angegeben. Wenn die technischen Daten des Anzugsmoments in dem betreffenden Kapitel nicht enthalten sind, die Stan- dardanzugsmomente in der Tabelle verwenden. Jede Schraube erst eine halbe Umdrehung lockern und dann festziehen. Beschädigte Splinte ersetzen.
  • 74.
    2-50 REGELMÄßIGE WARTUNG Wartungsschritte Zuprüfende Schrauben, Muttern und Feststeller Motor: Sicherungsmutter des Kupplungshebel-Drehzapfens Motoraufhängungsschrauben Klemmschrauben des Auspuffrohrs Muttern für Abgaskrümmerhalterung Befestigungsschrauben des Auspufftopfs Räder: Klemmschrauben der Vorderachse Vorderachsmutter Hinterachsmutter Splint für Hinterachsmutter Bremsen: Mutter des Bremshebel-Drehzapfens Bremspedalschraube Splint des Bremsstangengelenks Bremssattel-Befestigungsschrauben Klemmschrauben des Vorderrad-Hauptbremszylinders Befestigungsschrauben des Hinter- rad-Hauptbremszylinders Federung: Vorderradgabel-Klemmschrauben Befestigungsmuttern für Hinterrad-Stoßdämpfer Schwingarmachsmutter Uni-Trak-Gestängemuttern Lenkung: Lenkerschrauben Lenkschaftkopfmutter Sonstige Teile: Schrauben der Fußrastenhalterung Befestigungsschrauben für Vorderrad-Schutzblech Seitenständerschraube
  • 75.
    REGELMÄßIGE WARTUNG 2-51 Wartungsschritte Ersatzteile Ersatzdes Luftfilterelements ANMERKUNG ○Bei staubiger Umgebung muss das Luftfilterelement häufiger als in den empfohlenen Abständen ersetzt werden. ○Nach der Fahrt auf regennassen oder schlammigen Straßen sollte das Luftfilterelement sofort ersetzt wer- den. ACHTUNG Wenn Staub oder Schmutz in das Drosselklappen- gehäuse gelangen, kann die Drosselklappe klem- men und dadurch Unfälle verursachen. VORSICHT Wenn Schmutz in den Motor gelangt, ist ein star- ker Motorverschleiß und evtl. ein Motorschaden die Folge. • Ausbauen: (siehe "Ausbau des Vordersitzes" im Kapitel Vordersitz "Rahmen") • Ausbauen: Kraftstofftankschrauben [A] • Ausbauen: [A] (Modell für Kalifornien) Schläuche
  • 76.
    2-52 REGELMÄßIGE WARTUNG Wartungsschritte •Den KraftstofftankStange [B] aufstellen.geeigneten Werk- zeugs oder einer [A] mit Hilfe eines ○Den Lenker gerade stellen. ANMERKUNG ○Vorsichtig vorgehen, damit der Kraftstofftank nicht her- unterfällt. • Ausbauen: Ansaugluft-Temperatursensor [A] Ansaugluftdrucksensor [B] • Ausbauen: Montageschrauben des Luftfiltergehäuses [A] Oberes Luftfiltergehäuse [B] • Folgende Teile entsorgen: Luftfilterelement • Ein neues Element [A] einbauen. • Festziehen: Anzugsmoment - Luftfiltergehäuseschrauben: 1,1 N·m (0,11 kgf·m) VORSICHT Nur das empfohlene Luftfilterelement verwenden (Teile-Nr: 11013-0016 von Kawasaki). Die Verwen- dung eines anderen Luftfilterelements führt zu vorzeitigem Luftfilterverschleiß oder zu geringerer Motorleistung. • Folgende Teile einbauen: Schläuche (Modell für Kalifornien) Ansaugluft-Temperatursensor (siehe "Einbau des Ansaugluft-Temperatursensors" im Kapitel "Kraftstoff- anlage (DFI)"). Ansaugluftdrucksensor (siehe "Einbau des Ansaugluft- drucksensors" im Kapitel "Kraftstoffanlage (DFI)") Kraftstofftank (siehe "Einbau des Kraftstofftanks" im Ka- pitel "Kraftstoffanlage (DFI)")
  • 77.
    REGELMÄßIGE WARTUNG 2-53 Wartungsschritte Wechseldes Kraftstoffschlauches • Den Kraftstofftank aufstellen (siehe "Wechsel des Luftfil- terelements"). Für Primär-Kraftstoffschlauch •Unbedingt ein Tuch [A] um den Kraftstoffschlauchan- schluss [B] wickeln. •Einen (–) Schraubendreher in den Schlitz [C] der Verbin- dungsverriegelung einsetzen. • Die Verbindungsverriegelung herausziehen [A], wie in der Abbildung gezeigt. • Die Kraftstoffschlauchverbindung [B] aus der Drucklei- tung ziehen. ACHTUNG Vorkehrung für verspritzen Kraftstoff treffen. Ver- spritzter Kraftstoff muss sofort abgewischt werden. Beim Abziehen des Kraftstoffschlauchs fließt Kraftstoff aus dem Schlauch und der Leitung her- aus. Den Schlauchanschluss mit einem sauberen Werkstattlappen abdecken, damit kein Kraftstoff verspritzt. ANMERKUNG ○Beim Ausbau der Kraftstoffschlauchverbindung auf der Pumpenseite ebenso vorgehen wie auf der Drossel- klappengehäuseseite. • Einen neuen Kraftstoffschlauch einbauen. • Die Verbindungsverriegelung [B] ganz herausziehen [A], wie gezeigt. • Den Kraftstoffschlauchanschluss [A] gerade auf die Druckleitung schieben, bis er einrastet. • Die die Schlauchverbindung klickt.zusammendrücken [B], bis Verbindungsverriegelung [C]
  • 78.
    2-54 REGELMÄßIGE WARTUNG Wartungsschritte FürSekundär-Kraftstoffschlauch •Den Kraftstofftank aufstellen (siehe "Wechsel des Luftfil- terelements"). •Unbedingt ein Tuch [A] um den Kraftstoffschlauchan- schluss [B] wickeln. •Die Klauen der Verbindungsverriegelung [C] zusammen- drücken. • Die Verbindungsverriegelung herausziehen [A], wie in der Abbildung gezeigt. • Denziehen. [C] Kraftstoffschlauchanschluss [B] aus der Druckleitung ACHTUNG Vorkehrung für verspritzen Kraftstoff treffen. Ver- spritzter Kraftstoff muss sofort abgewischt werden. Bei abgebautem Kraftstoffschlauch fließt Kraftstoff aus dem Schlauch und der Leitung, da noch ein Restdruck vorhanden ist. Den Schlauchverbinder mit einem sauberen Tuch abdecken, um das Aus- laufen von Kraftstoff zu vermeiden. • Ausbauen: Befestigungsschraube des Kraftstoffschlauchs [A] Kraftstoffschlauch [B] • Motoröl auf den neuen O-Ring [A] auftragen. • Festziehen: Anzugsmoment - Befestigungsschraube des Kraftstoffschlauchs [B]: 9,9 N·m (0,50 kgf·m)
  • 79.
    REGELMÄßIGE WARTUNG 2-55 Wartungsschritte •Den Kraftstoffschlauchanschluss [A] gerade auf die Druckleitung schieben, bis er einrastet. • Die die Schlauchverbindung klickt.zusammendrücken [B], bis Verbindungsverriegelung [C] ACHTUNG Sicherstellen, dass die Kraftstoffschlauchverbin- dung korrekt an der Druckleitung angeschlossen ist. Andernfalls kann Kraftstoff austreten. • Den Kraftstoffschlauch Schläuchen" im Anhang verlegen. Seilzügen, Kabeln und gemäß Abschnitt "Verlegung von • Die ausgebauten Teile einbauen (siehe entsprechende Kapitel). • Den Motor startenuntersuchen. tenden Kraftstoff und den Kraftstoffschlauch auf austre- Wechseln der Kühlflüssigkeit ACHTUNG Zur Vermeidung von Verbrennungen den Kühler- deckel nicht abschrauben und die Kühlflüssigkeit nicht wechseln, wenn der Motor noch heiß ist. Den Motor erst abkühlen lassen. Gelangt Kühlflüssig- keit auf die Reifen, greifen diese nicht mehr auf der Straße und es kann zu Unfällen und Verletzungen kommen. Auf Rahmen, Motor oder Lackteilen ver- schüttete Kühlflüssigkeit sofort abwischen oder abwaschen. Da die Kühlflüssigkeit gesundheitsschädlich ist, diese nicht trinken. • Ausbauen: Rechte Innenabdeckung (siehe "Ausbau der Innenabde- ckung" im Kapitel "Rahmen") Kühlerdeckel [A] ○Den Kühlerdeckel in zwei Schritten abnehmen. Zunächst den Deckel bis zum ersten Anschlag nach links drehen. Danach den Motorkühlerdeckel eindrücken und weiter- drehen, bis er sich abnehmen lässt. • Ausbauen: Verkleidung (siehe "Ausbau der mittleren Linke mittlere Verkleidung" im Kapitel "Rahmen") • Behälter unter die Ablassschrauben [A] [B] des Wasser- pumpendeckels und Zylinders stellen. • Die Kühlflüssigkeit durch Entfernen der Ablassschrauben aus Kühler und Motor ablassen.
  • 80.
    2-56 REGELMÄßIGE WARTUNG Wartungsschritte •Ausbauen: Kühlflüssigkeits-Ausgleichsbehälter [A] (siehe "Ausbau des Kühlflüssigkeits-Ausgleichsbehälters" im Kapitel "Kühlsystem") • Den Deckel [B] abnehmen und die Kühlflüssigkeit in einen Behälter gießen. • Den Kühlflüssigkeits-Ausgleichsbehälter einbauen im Ka- "Einbau des Kühlflüssigkeits-Ausgleichsbehälters" (siehe pitel "Kühlsystem"). •Die Ablassschrauben mit Unterlegscheiben festziehen. ○Die Unterlegscheiben der Ablassschrauben bei Beschä- digung erneuern. Anzugsmoment - Kühlflüssigkeits-Ablassschraube (Wasser- pumpe): 8,8 N·m (0,90 kgf·m) Kühlflüssigkeits-Ablassschraube (Bremszylin- der): 9,8 N·m (1,0 kgf·m) • Den Kühler bis zum den Kühlerdeckel aufsetzen.Kühlflüs- sigkeit befüllen und Kühlereinfüllstutzen [A] mit ANMERKUNG ○Die Kühlflüssigkeit langsam einfüllen, damit die Luft aus Motor und Kühler verdrängt werden kann. • Den Reservetank und zur Füllstandslinie mit Kühlflüs- sigkeit auffüllen bis den Motorkühlerdeckel wieder aufschrauben. VORSICHT Zusammen mit dem Frostschutzmittel muss wei- ches oder destilliertes Wasser verwendet werden (die folgenden Hinweise zum Frostschutz beach- ten). Wird im Kühlsystem hartes Wasser eingesetzt, kommt es zur Kesselsteinbildung in den Wasserka- nälen, und die Wirksamkeit des Kühlsystems wird erheblich verringert. Mischungsverhältnis aus Wasser und Kühlflüssigkeit (Empfehlung) Weiches Wasser: 50% Kühlflüssigkeit: 50% Gefrierpunkt: –35°C Gesamtmenge: 2,6 Liter ANMERKUNG ○Entsprechend den Anweisungen des Kühlflüssig- keitsherstellers ein geeignetes Mischungsverhältnis auswählen.
  • 81.
    REGELMÄßIGE WARTUNG 2-57 Wartungsschritte •Das Kühlsystem wie folgt entlüften. ○Den Motor mit abgeschraubtem Motorkühlerdeckel star- ten und laufen lassen, bis keine Luftblasen [A] mehr in der Kühlflüssigkeit zu erkennen sind. ○Die Kühlerschläuche abklopfen, damit sich evtl. anhaf- tende Luftbläschen lösen. ○Den Motor stoppen und Kühlflüssigkeit bis zum Kühler- einfüllstutzen auffüllen. •Den Kühlerdeckel einsetzen. •Den Motor starten und warmlaufen lassen, bis das Küh- lergebläse anläuft, dann den Motor stoppen. •Den Kühlflüssigkeitsstand im Reservebehälter nach dem Abkühlen des Motors kontrollieren. Liegt der Kühlflüssigkeitsstand unter der entsprechenden Markierung, Kühlflüssigkeit bis zur oberen Füllstandslinie auffüllen. VORSICHT Die obere Füllstandslinie für die Kühlflüssigkeit nicht überschreiten.
  • 82.
    2-58 REGELMÄßIGE WARTUNG Wartungsschritte Wechseldes Kühlerschlauches und O-Rings • Kühlflüssigkeit ablassen (siehe "Wechsel der Kühlflüssig- keit"). • Ausbauen: Mittlere Verkleidung (siehe "Ausbau der mittleren Ver- kleidung" im Kapitel "Rahmen") Drosselklappengehäuse (siehe "Ausbau des Drossel- klappengehäuses" im Kapitel "Kraftstoffanlage (DFI)") Thermostatgehäusedeckel [A] (siehe "Ausbau des Ther- mostaten" im Kapitel "Kühlsystem") Verschraubung [B] Schläuche [C] O-Ringe [D] • Die neuen O-Ringe einfetten und einbauen. • Die neuen Schläuche einbauen und die Klemmen fest an- ziehen. • Festziehen: Anzugsmoment - Klemmschrauben des Wasserschlauchs: 2,0 N·m (0,20 kgf·m) • Die ausgebauten Teile wieder einbauen. der Kühlflüssig- • Kühlflüssigkeit einfüllen (siehe "Wechsel keit"). • Den Schlauch korrekt einbauen (sieheSchläuchen" im legung von Seilzügen, Kabeln und Abschnitt "Ver- Anhang). • Das Kühlsystem auf Dichtheit prüfen.
  • 83.
    REGELMÄßIGE WARTUNG 2-59 Wartungsschritte Wechseldes Motoröls • Linke untere VerkleidungKapitel "Rahmen"). "Ausbau der unteren Verkleidung" im ausbauen (siehe • Das Motorrad nach dem Warmlauf so stellen, dass es vertikal steht. • Motoröl-Ablassschrauben [A] herausdrehen und das Mo- toröl ablassen. ○Das Öl im Ölfilter kann abgelassen werden, wenn der Öl- filter ausgebaut wird (siehe "Wechsel des Ölfilters"). Die Dichtung der Ablassschraube durch eine neue erset- zen. • Die Ablassschraube festziehen. Anzugsmoment - Motoröl-Ablassschraube: 29 N·m (3,0 kgf·m) • Die vorgegebene Ölmenge der richtigen Ölsorte einfüllen.
  • 84.
    2-60 REGELMÄßIGE WARTUNG Wartungsschritte Empfohlenes Motoröl Typ: API SE, SF oder SG API SH, SJ oder SL mit JASO MA Viskosität: SAE 10W-40 Ölmenge: 2,9 Liter (ohne Filterwechsel) 3,2 Liter (mit Filterwechsel) 3,8 Liter (bei vollkommen trockenem Motor) ANMERKUNG ○Für die meisten Fälle wird Motoröl 10W-40 empfohlen, evtl. muss jedoch die Ölviskosität entsprechend den Klimabedingungen im jeweiligen Fahrgebiet angepasst werden. Wechsel des Ölfilters • Das Motoröl[A] mit dem Ölfilterschlüsseldes Motoröls"). ablassen (siehe "Wechsel • Den Ölfilter [B] ausbauen. Spezialwerkzeug - Ölfilterschlüssel: 57001-1249 • Verschüttetes Öl mit einem schwerfeuchten Tuch nach- sungsmittel entfernen und mit einem entflammbaren Lö- wischen. • Dendem Einbau Motoröl auf die Dichtung [A] auftragen. Filter durch einen neuen Filter ersetzen. • Den Ölfilter mit dem Ölfilterschlüssel festziehen. Vor • Anzugsmoment - Ölfilter: 31 N·m (3,2 kgf·m) ANMERKUNG ○Der Ölfilter darf nicht nur mit der Hand festgezogen wer- den, da auf diese Weise das erforderliche Anzugsmo- ment nicht erreicht wird. • Die des Motoröls"). und Ölmenge auffüllen (siehe "Wech- sel richtige Ölsorte
  • 85.
    REGELMÄßIGE WARTUNG 2-61 Wartungsschritte Wechseldes Bremsschlauchs und der -leitung VORSICHT Bremsflüssigkeit greift lackierte Kunststoffflächen schnell an. Deshalb verspritzte Bremsflüssigkeit sofort abwaschen. • Die Bremsschlauch-Hohlschrauben [A] samt Unterleg- scheiben herausdrehen. • Beim Ausbau des Bremsschlauchs darf keine Bremsflüs- sigkeit auf Lackflächen und Kunststoffteile gelangen. • Beim Ausbau derhoch binden, um [B] das Ende des Bremsschlauchs Bremsschläuche den Verlust von Bremsflüssigkeit möglichst gering zu halten. • Ausgetretene Bremsflüssigkeit sofort beseitigen. • Der Bremsschlauchanschluss ist beidseitig mit Unterleg- scheiben versehen. Diese beim Einbau durch neue Un- terlegscheiben ersetzen. • Festziehen: Anzugsmoment - Bremsschlauch-Hohlschrauben: 34 N·m (3,5 kgf·m) • Beim Einbau der Schläuche, Verdrehungen vermeiden mungen, Abflachungen und scharfe Knicke, Einklem- und die Schläuche gemäß Abschnitt "Verlegung von Seil- zügen, Kabeln und Schläuchen" im Anhang verlegen. • Die Bremsleitung nach dem Anschluss des Brems- schlauchs entlüften (siehe "Wechsel der Bremsflüssig- keit"). Wechsel der Bremsflüssigkeit ANMERKUNG ○Die Bremsflüssigkeit an der Vorderbremse wird wie folgt gewechselt. Der Wechsel der Bremsflüssigkeit für die Hinterradbremse erfolgt analog zur Vorderradbremse. • Den Bremsflüssigkeitsbehälter gerade ausrichten. • Ausbauen: [A] Schraube Anschlag [B] Behälterdeckel [C] • Die Gummikappe von dem Entlüftungsventil [A] des Bremssattels abnehmen. • Einen transparenten Kunststoffschlauch [B] Endedem Entlüftungsventil anschließen und das andere an des Schlauchs in einen Behälter halten. • Den Behälter mit frischer Bremsflüssigkeit der entspre- chenden Qualität füllen.
  • 86.
    2-62 REGELMÄßIGE WARTUNG Wartungsschritte •Die Bremsflüssigkeit wechseln. frische Bremsflüssigkeit ○Diese Schritte wiederholen, bis aus dem Kunststoffschlauch austritt oder sich die Farbe der Bremsflüssigkeit ändert. 1. Das Entlüftungsventil [A] öffnen. 2. Die Bremse anziehen und angezogen halten [B]. 3. Das Entlüftungsventil [C] schließen. 4. Die Bremse [D] freigeben. ANMERKUNG ○Der Stand der Bremsflüssigkeit muss beim Wechsel der Bremsflüssigkeit regelmäßig geprüft werden; gegebe- nenfalls frische Bremsflüssigkeit auffüllen. Wenn die Bremsflüssigkeit in dem Behälter während des Brems- flüssigkeitswechsels verbraucht ist, müssen die Brem- sen entlüftet werden, da dabei Luftblasen in die Brems- leitung gelangen. ○Vorderradbremse: Die oben beschriebenen Schritte für den anderen Bremssattel wiederholen. • Die folgenden Schritte ausführen, um denoder Hinterrad- Bremsflüssigkeitsbehälter der Vorderrad- Deckel für den bremse richtig zu schließen. ○Zunächst den Behälterdeckel der Vorderrad- bzw. Hin- terradbremse [B] mit der Hand nach rechts drehen [C], bis ein Widerstand spürbar ist; danach den Deckel eine weitere Sechstelumdrehung [D] drehen, und dabei den Bremsflüssigkeitsbehälter [A] festhalten. • Festziehen: Anzugsmoment - Anschlagschraube des Vorderrad -Bremsflüssigkeitsbehälterdeckels: 1,2 N·m (0,12 kgf·m) • Das Entlüftungsventil festziehen und die Gummikappe aufsetzen. Anzugsmoment - Entlüftungsventil: 7,8 N·m (0,80 kgf·m) • Nach Wechsel der Bremsflüssigkeit die Funktionsfähig- keit der Bremse, die Freigabe der Bremsbacken und die Dichtheit prüfen. Ggf. die Leitungen entlüften.
  • 87.
    REGELMÄßIGE WARTUNG 2-63 Wartungsschritte Wechselder Gummiteile des Hauptbremszylinders Zerlegung des Vorderrad-Hauptbremszylinders •Den vorderen Hauptbremszylinder ausbauen (siehe "Ausbau des vorderen Hauptbremszylinders" im Kapitel "Bremsen"). •Dichtscheibe [A], Sichrungsring [B], Verbinder [C] und O -Ring [D] abbauen. Spezialwerkzeug - Montagezange für Innensicherungsringe: 57001 -143 • Die Sicherungsmutterentfernen. Drehbolzen [F] lösen und den Bremshebel [E] und den • Die Staubschutzkappe und den Sicherungsring [G] ent- fernen. • Die Kolbenbaugruppe [H] herausziehen. • Wechseln: [A] Dichtscheibe Sicherungsring [B] O-Ring [D] Sicherungsring [G] Kolbengaugruppe [H] Zerlegung des Hinterrad-Hauptbremszylinders •Den Hinterrad-Hauptbremszylinder ausbauen (siehe "Ausbau des Hinterrad-Hauptbremszylinders" im Kapitel "Bremsen"). •Sicherungsring [A], Verbinder [B] und O-Ring [C] entfer- nen. Spezialwerkzeug - Montagezange für Innensicherungsringe: 57001 -143 • Die Staubschutzkappe [D] verschieben und den Siche- rungsring [E] entfernen. • Die Schubstangenbaugruppe [F] herausziehen. • Die Kolbenbaugruppe [G] abnehmen. VORSICHT Keinesfalls die Sekundärmanschette vom Kolben abziehen, da sie dabei beschädigt würde. • Wechseln: Sicherungsring [A] O-Ring [C] Sicherungsring [E] Schubstangenbaugruppe [F] Kolbengaugruppe [G]
  • 88.
    2-64 REGELMÄßIGE WARTUNG Wartungsschritte Zusammenbaudes Hauptbremszylinders •Vor dem Zusammenbau alle Teile im Hauptbremszylinder mit Bremsflüssigkeit oder Spiritus reinigen. VORSICHT Bremsklötze und Bremsscheiben ausgenommen, nur Bremsflüssigkeit, Isopropylalkohol oder Äthyl- alkohol zum Reinigen der Bremse verwenden. Keine andere Flüssigkeit zur Reinigung dieser Teile verwenden. Benzin, Motoröl und andere Erd- öldestillate führen zur Alterung der Gummiteile. Auf Teilen verschüttetes Öl lässt sich nur schwer wieder vollständig abwaschen und kann die Gum- miteile der Scheibenbremse angreifen. • Auf die neuen Teile und die Innenwand des Zylinders Bremsflüssigkeit auftragen. • Die Innenwand des Zylinders und den Kolben nicht zer- kratzen. • Den Bremshebel-Drehzapfen und die Sicherungsmutter festziehen. Silikonfett - Bremshebel-Drehzapfenschraube Anzugsmoment - Bremshebelzapfenschraube: 1,0 N·m (0,10 kgf·m) Sicherungsmutter der Bremshebel -Drehzapfenschraube: 5,9 N·m (0,60 kgf·m) Wechsel der Bremssattel-Gummiteile Zerlegung des Vorderrad-Bremssattels •Vorderrad-Bremsbelagbolzen [A] und Hohlschraube [B] lockern und wieder leicht festziehen. •Ausbauen: Vorderer Bremssattel [C] (siehe "Ausbau des vorderen Bremssattels" im Kapitel "Bremsen") Bremsbelag (siehe "Ausbau der Vorderradbremsbe- läge" im Kapitel "Bremsen") Vorderrad-Bremssattelschrauben O-Ringe • Die Kolben mit Druckluft herausdrücken. Die Kolben kön- nen wie folgt herausgenommen werden. ○Eine Gummidichtung [A] und einen Holzklotz [B] von mehr als 10 mm Dicke auf die Bremssattelhälfte legen und mit einer geeigneten Schraube und Mutter wie abgebildet be- festigen. Eine der Ölpassagen [C] geöffnet lassen. ○Etwas Pressluft [D] in die Ölpassage einleiten, bis die Kol- ben gegen die Gummidichtung drücken. ○Sofern die Bremssattelhälfte auf der Bremsschlauch -Anschlussseite eine Anschlussöffnung besitzt, diese Öffnung während des Arbeitsvorgangs verschließen. Schraube und Mutter [E] Herunterdrücken [F].
  • 89.
    REGELMÄßIGE WARTUNG 2-65 Wartungsschritte ACHTUNG Um schwere Verletzungen zu vermeiden, niemals Finger oder Handfläche vor den Kolben halten. Wenn Druckluft am Bremssattel anliegt, kann der Kolben Finger oder Hand quetschen. ○Die Kolben mit der Hand herausziehen. • Die Staubdichtungen [A] und Flüssigkeitsdichtungen [B] entfernen. • Das Entlüftungsventil [C] und die Gummikappe [D] entfer- nen. • Dender anderen SeiteSchritt wiederholen, um die Kolben auf vorhergehenden des Bremssattels auszubauen. ANMERKUNG ○Wenn keine Druckluft zur Verfügung steht, die folgen- den Arbeitsschritte gleichzeitig für beide Bremssättel ausführen und dabei den Bremsschlauch am Brems- sattel montiert lassen. ○Einen Behälter für die Bremsflüssigkeit vorbereiten und die Arbeiten über diesem Behälter ausführen. ○Bremsbelagfeder und Bremsbeläge ausbauen (siehe "Ausbau der Vorderradbremsbeläge" im Kapitel "Brem- sen"). ○Am Bremshebel pumpen, bis die Kolben aus den Zylin- dern austreten, und dann den Bremssattel zerlegen. Zusammenbau des Vorderrad-Bremssattels •Die Bremssattelteile mit Ausnahme der Bremsbeläge rei- nigen. VORSICHT Zum Reinigen der Teile ausschließlich Scheiben- bremsflüssigkeit, Isopropanol oder Äthylalkohol verwenden. • Das Entlüftungsventil und die Gummikappe einbauen. Anzugsmoment - Entlüftungsventil: 7,8 N·m (0,80 kgf·m) • Die Flüssigkeitsdichtungen [A] erneuern. auftragen ○Silikonfett auf die Bremsflüssigkeitsdichtungen und diese mit der Hand in die Bremszylinder einsetzen. •Die Staubdichtungen [B] erneuern, falls diese beschädigt sind. ○Silikonfett auf die Staubdichtungen auftragen und diese mit der Hand in die Bremszylinder einsetzen.
  • 90.
    2-66 REGELMÄßIGE WARTUNG Wartungsschritte •DenAußenseite erneuern. mit Bremsflüssigkeit bestrei- O-Ring [A] • chen und mit derder Kolben Zylinder eindrücken. Die Hand in die • Unbedingt die O-Ringe einsetzen. • Festziehen: Anzugsmoment - Vorderrad-Bremssattelschrauben: 27 N·m (2,8 kgf·m) • Bremsbeläge einbauen (siehe "Einbau der Vorderrad- bremsbeläge" im Kapitel "Bremsen"). • Ausgetretene Bremsflüssigkeit auf dem Bremssattel mit einem feuchten Tuch aufnehmen. Zerlegung des Hinterrad-Bremssattels •Hinteren Bremssattel ausbauen (siehe "Ausbau des Hin- terrad-Bremssattels" im Kapitel "Bremsen"). •Bremsbeläge und Bremsbelagfedern ausbauen (siehe "Ausbau der Hinterradbremsbeläge" im Kapitel "Brem- sen"). •Den Kolben mit Druckluft herausdrücken. ○Die Bremssattelöffnung mit einem sauberen dicken Tuch [A] abdecken. ○Den Kolben mit Druckluft [B] vorsichtig herausdrücken, die Druckluft am Anschluss der Bremsleitung am Brems- sattel anschließen. ACHTUNG Um schwere Verletzungen zu vermeiden, niemals mit Fingern oder Hand in den geöffneten Bremssat- tel greifen. Wenn Druckluft am Bremssattel anliegt, kann der Kolben Finger oder Hand quetschen. • Die Staubdichtung und diedie Gummikappe ausbauen. Öldichtung entfernen. • Das Entlüftungsventil und ANMERKUNG ○Wenn keine Druckluft zur Verfügung steht, bei am Bremssattel angeschlossenem Bremsschlauch wie folgt vorgehen: ○Einen Behälter für die Bremsflüssigkeit vorbereiten und die Arbeiten über diesem Behälter ausführen. ○Bremsbeläge und Bremsbelagfeder ausbauen (siehe "Ausbau der Hinterradbremsbeläge" im Kapitel "Brem- sen"). ○Am Bremspedal pumpen, um den Bremssattelkolben zu entfernen.
  • 91.
    REGELMÄßIGE WARTUNG 2-67 Wartungsschritte Zusammenbaudes Hinterrad-Bremssattels •Die Bremssattelteile mit Ausnahme der Bremsbeläge rei- nigen. VORSICHT Zum Reinigen der Teile nur Scheibenbremsflüssig- keit, Isopropanol oder Spiritus verwenden. • Das Entlüftungsventil und die Gummikappe einbauen. Anzugsmoment - Entlüftungsventil: 7,8 N·m (0,80 kgf·m) • Die Flüssigkeitsdichtung [A] durch eine neue Dichtung er- setzen. ○Auf die Bremsflüssigkeitsdichtung mit Gummifett auftra- gen und mit der Hand in den Bremszylinder einsetzen. •Die Staubdichtung [B] durch eine neue Dichtung erset- zen. ○Auf die Staubdichtung mit Gummifett auftragen und mit der Hand in den Bremszylinder einsetzen. • Die Bremsbelagfeder [A] wie gezeigt im Bremssattel ein- bauen. • Die Außenseite des Kolbens [B]HandBremsflüssigkeitein- netzen und den Kolben mit der mit in den Zylinder be- drücken. • Die Manschette für die Wellengummireibscheibe [C] und die Staubschutzmanschette [D] bei Beschädigung erset- zen. • Diebefestigen. ter Bremsbelagfeder [A] wie gezeigt am Bremssattelhal- • Einen dünnen Film PBC-Fett (Polybutylkuprysil) auf die Wellen der Bremssattelhalterung [B] und die Bohrungen der Halterung auftragen (PBC-Fett ist ein spezielles, ge- gen Wasser beständiges Hochtemperaturfett). • Bremsbeläge einbauen (siehe "Einbau der Hinterrad- bremsbeläge" im Kapitel "Bremsen"). • Ausgetretene Bremsflüssigkeit auf dem Bremssattel mit einem feuchten Tuch aufnehmen. Wechsel der Zündkerze • Ausbauen: Stabzündspulen (siehe "Ausbau der Stabzündspule" im Kapitel "Elektrik") • Die Zündkerze durch vertikalen Einsatz des 16 mm Zünd- kerzenschlüssels [A] herausdrehen. Fahrerwerkzeug - Zündkerzenschlüssel 16 mm: 92110-1132 • Die Zündkerze durch eine neue ersetzen. Standardzündkerze Typ: NGK CR9E
  • 92.
    2-68 REGELMÄßIGE WARTUNG Wartungsschritte •Eineund zunächst mit den Fingern festziehen. einset- zen neue Zündkerze in die Zündkerzenbohrung • Den Zündkerzenschlüssel [A] vertikal einsetzen und die Zündkerze festziehen. VORSICHT Wird der Schlüssel während des Festziehens ge- neigt, kann die Isolation der Zündkerze abbrechen. Anzugsmoment - Zündkerzen: 13 N·m (1,3 kgf·m) • Die Stabzündspulen sicher montieren. leichtes Ziehen ○Die Montage der Stabzündspulen durch an kontrollieren.
  • 93.
    KRAFTSTOFFANLAGE (DFI) 3-1 Kraftstoffanlage (DFI) INHALTSVERZEICHNIS Explosionszeichnung......................... 3-4 Wassertemperatursensor Technische Daten .............................. 3-10 (Servicecode 14)............................. 3-60 Spezialwerkzeuge und Dichtmittel..... 3-12 Ausbau/Einbau des Lage der DFI-Teile ............................. 3-14 Wassertemperatursensors ........ 3-60 3 DFI-System........................................ 3-16 Prüfung der Ausgangsspannung Vorsichtsmaßnahmen bei des Wassertemperatursensors . 3-60 DFI-Wartungsarbeiten .................... 3-22 Prüfung des Wassertemper- Fehlersuche im DFI-System .............. 3-24 atursensor-Widerstands ............ 3-61 Beschreibung.................................. 3-24 Umgebungsdrucksensor Fragen an den Fahrer..................... 3-29 (Servicecode 15)............................. 3-62 Fehlersuchanleitung für das Ausbau des Umgebungsdruck- DFI-System..................................... 3-32 sensors...................................... 3-62 Selbstdiagnose .................................. 3-37 Einbau des Umgebungsdruck- Überblick über die Selbstdiagnose . 3-37 sensors...................................... 3-62 Schritte bei der Selbstdiagnose ...... 3-38 Prüfung der Eingangsspannung Lesen der Servicecodes .............. 3-40 des Umgebungsdrucksensors... 3-63 Löschen von Servicecodes .......... 3-40 Prüfung der Ausgangsspannung Notlauffunktionen............................ 3-43 des Umgebungsdrucksensors... 3-64 Hauptdrosselklappensensor Kurbelwellensensor (Servicecode (Servicecode 11)............................. 3-47 21)................................................... 3-67 Ausbau/Einstellung des Ausbau/Einbau des Hauptdrosselklappensensors.... 3-47 Kurbelwellensensors ................. 3-67 Überprüfung der Eingangsspan- Prüfung des Kurbelwellensensors 3-67 nung des Hauptdrosselklap- Nockenwellensensor (Servicecode pensensors................................ 3-47 23)................................................... 3-68 Prüfung der Ausgangsspannung Ausbau/Einbau des des Hauptdrosselklappensen- Nockenwellensensors ............... 3-68 sors ........................................... 3-49 Prüfung des Nockenwellenposi- Widerstandsprüfung des tionssensors .............................. 3-68 Hauptdrosselklappensensors.... 3-50 Drehzahlsensor (Servicecode 24) ..... 3-69 Ansaugluftdrucksensor (Servicecode Ausbau/Einbau des 12)................................................... 3-52 Drehzahlsensors ....................... 3-69 Ausbau des Ansaugluftdrucksen- Prüfung des Drehzahlsensors...... 3-69 sors ........................................... 3-52 Prüfung der Eingangsspannung Einbau des Ansaugluftdrucksen- des Drehzahlsensors ................ 3-69 sors ........................................... 3-52 Prüfung der Ausgangsspannung Prüfung der Eingangsspannung des Drehzahlsensors ................ 3-69 des Ansaugluftdrucksensors ..... 3-52 Gangpositionsschalter (Servicecode Prüfung der Ausgangsspannung 25)................................................... 3-71 des Ansaugluftdrucksensors ..... 3-53 Ausbau/Einbau des Ansaugluft-Temperatursensor Gangpositionsschalters............. 3-71 (Servicecode 13)............................. 3-57 Prüfung des Gangpositionsschal- Ausbau/Einbau des ters ............................................ 3-71 Ansaugluft-Temperatursensors . 3-57 Prüfung der Eingangsspannung Prüfung der Ausgangsspannung des Gangpositionsschalters ...... 3-71 des Ansauglufttemperatursen- Umkippsensor (Servicecode 31) ....... 3-73 sors ........................................... 3-57 Ausbau des Umkippsensors ........ 3-73 Prüfung des Widerstands des Einbau des Umkippsensors ......... 3-73 Ansaugluft-Temperatursensors . 3-58 Prüfung des Umkippsensors........ 3-74 Teillastsensor (Servicecode 32)......... 3-77
  • 94.
    3-2 KRAFTSTOFFANLAGE (DFI) Ausbau/Einstellung des Prüfung der Teillastventil Teillastsensors........................... 3-77 -Stelleinheit ............................... 3-95 Prüfung der Eingangsspannung Widerstandsprüfung der am Teillastsensor ...................... 3-77 Teillastventil-Stelleinheit ............ 3-95 Prüfung der Ausgangsspannung Prüfung der Eingangsspannung des Teillastsensors.................... 3-78 an der Teillastventil-Stelleinheit. 3-96 Widerstandsprüfung..................... 3-80 Auslassklappenventil-Stelleinheit Lambdasonde – nicht aktiviert (Nr. (Servicecode 63)............................. 3-97 1, Nr. 2: Servicecode 33, 83) – Ausbau der Auslassklappenventil ausgerüstete Modelle ..................... 3-81 -Stelleinheit ............................... 3-97 Ausbau/Einbau der Einbau der Auslassklappenventil Lambdasonde ........................... 3-81 -Stelleinheit ............................... 3-97 Prüfung der Lambdasonde .......... 3-81 Prüfung der Auslassklappenventil Sensor der Auslassklappenventil -Stelleinheit ............................... 3-99 -Stelleinheit (Servicecode 34)......... 3-83 Prüfung der Ausgangsspannung Ausbau/Einbau des Sensors der Auslassklappenventil der Auslassklappenventil -Stelleinheit ............................... 3-99 -Stelleinheit ............................... 3-83 Unterdruckschaltventil (Servicecode Prüfung der Sensor 64)................................................... 3-101 -Eingangsspannung der Ausbau/Einbau des Auslassklappenventil Unterdruckschaltventils ............. 3-101 -Stelleinheit ............................... 3-83 Prüfung des Unterdruckschaltven- Prüfung der Sensor tils.............................................. 3-101 -Ausgangsspannung der Lambdasonden-Heizungen (Nr. 1, Nr. Auslassklappenventil 2: Servicecode 67) - ausgerüstete -Stelleinheit ............................... 3-84 Modelle ........................................... 3-102 Prüfung des Sensors der Ausbau/Einbau der Auslassklappenventil Lambdasonden-Heizung ........... 3-102 -Stelleinheit ............................... 3-86 Prüfung der Lambdasonden Wegfahrsperren-Verstärker -Heizung.................................... 3-102 (Servicecode 35) - ausgerüstete Lambdasonden – falsche Modelle ........................................... 3-87 Ausgangsspannung (Nr. 1, Nr. 2: Prüfung des Antennenwider- Servicecode 94, 95) - ausgerüstete stands........................................ 3-87 Modelle ........................................... 3-104 Überprüfung der Verstärker Ausbau/Einbau der -Eingangsspannung .................. 3-87 Lambdasonde ........................... 3-104 Erkennung von Schlüsselrohlingen Prüfung der Lambdasonde .......... 3-104 (Servicecode 36)............................. 3-88 ECU ................................................... 3-107 Prüfung des Benutzerschlüssels.. 3-88 Kennzeichnung der ECU ............. 3-107 ECU-Übertragungsfehler Ausbau der ECU .......................... 3-107 (Servicecode 39)............................. 3-90 Einbau der ECU ........................... 3-108 Prüfung der Wegfahrsperren Prüfung der ECU -Übertragungsleitung................. 3-90 -Stromversorgung ..................... 3-108 Stabzündspulen Nr. 1, Nr. 2, Nr. 3, DFI-Stromversorgung ........................ 3-111 Nr. 4: (Servicecode 51, 52, 53, 54) 3-91 Ausbau der ECU-Sicherung 15 A 3-111 Ausbau/Einbau der Einbau der ECU-Sicherung.......... 3-111 Stabzündspule .......................... 3-91 Prüfung der Sicherung der ECU .. 3-111 Prüfung der Eingangsspannung Warnleuchte (LED) ............................ 3-112 der Stabzündspule .................... 3-91 Prüfung der Warnleuchte (LED)... 3-112 Kühlerlüfterrelais (Servicecode 56) ... 3-93 Kraftstoffleitung.................................. 3-113 Ausbau/Einbau des Prüfung des Kraftstoffdrucks........ 3-113 Kühlerlüfterrelais ....................... 3-93 Prüfung der Kraftstoffflussrate ..... 3-115 Prüfung des Kühlerlüfterrelais...... 3-93 Kraftstoffpumpe ................................. 3-117 Teillastventil-Stelleinheit Ausbau der Kraftstoffpumpe ........ 3-117 (Servicecode 62)............................. 3-95 Einbau der Kraftstoffpumpe ......... 3-117 Ausbau der Teillastventil Funktionsprüfung der -Stelleinheit ............................... 3-95 Kraftstoffpumpe......................... 3-118
  • 95.
    KRAFTSTOFFANLAGE (DFI) 3-3 Prüfung der Kraftstoffpumpen Einspritzdüsensatz ............................ 3-134 -Betriebsspannung .................... 3-118 Ausbau des Einspritzdüsen- Kraftstoffpumpenrelais....................... 3-120 satzes........................................ 3-134 Ausbau des Kraftstoffpumpenre- Einbau des Einspritzdüsensatzes 3-134 lais............................................. 3-120 Zerlegung des Einspritzdüsen- Prüfung des Kraftstoffpumpenre- satzes........................................ 3-135 lais............................................. 3-120 Zusammenbau des Einspritzventile .................................. 3-121 Einspritzdüsensatzes ................ 3-135 Akustische Überprüfung............... 3-121 Luftfilter.............................................. 3-137 Einspritzsignalprüfung.................. 3-121 Ausbau des Luftfilterelements...... 3-137 Widerstandsprüfung der Einbau des Luftfilterelements....... 3-137 Einspritzventile .......................... 3-123 Prüfung des Luftfilterelements ..... 3-137 Prüfung des Einspritzventils......... 3-124 Ausbau des Luftfiltergehäuses..... 3-137 Prüfung der Einspritzventilspan- Einbau des Luftfiltergehäuses...... 3-138 nung .......................................... 3-124 Zerlegung des Luftfiltergehäuses. 3-139 Prüfung der Einspritzleitung......... 3-126 Zusammenbau des Gasdrehgriff und Gaszüge ................ 3-128 Luftfiltergehäuses...................... 3-139 Prüfung des Spiels....................... 3-128 Ölablass ....................................... 3-140 Spieleinstellung............................ 3-128 Kraftstofftank ..................................... 3-141 Einbau des Seilzugs .................... 3-128 Ausbau des Kraftstofftanks .......... 3-141 Seilzugschmierung....................... 3-128 Einbau des Kraftstofftanks ........... 3-143 Drosselklappengehäuse .................... 3-129 Prüfung des Kraftstofftanks und Prüfung der Leerlaufdrehzahl ...... 3-129 Tankdeckels .............................. 3-144 Synchronisationsprüfung ............. 3-129 Reinigung des Kraftstofftanks ...... 3-144 Synchroneinstellung..................... 3-129 Tankdunstsystem (Modelle für Ausbau des Drosselklappenge- Kalifornien)...................................... 3-145 häuses....................................... 3-129 Ausbau/Einbau der Teilen ............ 3-145 Einbau des Drosselklappenge- Prüfung der Schläuche ................ 3-145 häuses....................................... 3-131 Prüfung des Abscheiders............. 3-145 Zerlegung des Drosselklappenge- Funktionsprüfung des häuses....................................... 3-132 Abscheiders .............................. 3-146 Zusammenbau des Prüfung des Aktivkohlebehälters . 3-146 Drosselklappengehäuses.......... 3-133
  • 96.
  • 97.
    KRAFTSTOFFANLAGE (DFI) 3-5 Explosionszeichnung Anzugsmoment Nr. Verbindungselement Anmerkungen N·m kgf·m 1 Schrauben des Umkippsensors 5,9 0,60 2 Befestigungsschrauben des Lufteinlasskanals 9,8 1,0 L 3 Befestigungsschraube des Luftfiltergehäuses 6,9 0,70 4 Luftfiltergehäuseschrauben 1,1 0,11 5 Klemmschrauben des Luftfiltergehäuses 2,0 0,20 6. Umkippsensor 7. Wegfahrsperren-Verstärker 8. Unterdruckschaltventil 9. Wegfahrsperren-Antenne 10. Luftfilterelement 11. Auffangbehälter L: Ein nicht-permanentes Gewindedichtmittel auftragen. R: Ersatzteile
  • 98.
  • 99.
    KRAFTSTOFFANLAGE (DFI) 3-7 Explosionszeichnung Anzugsmoment Nr. Verbindungselement Anmerkungen N·m kgf·m Befestigungsschrauben der Kraftstoffzuleitung 1 3,4 0,35 (Einspritzdüsensatz) 2 Befestigungsschrauben des Einspritzdüsensatzes 6,9 0,70 3 Schraube der Gaszughalteplatte 3,9 0,40 L Schraube des Einspritzdüsensatz 4 4,9 0,50 -Kraftstoffschlauchs Befestigungsschrauben der Kraftstoffzuleitung 5 3,4 0,35 (Drosselklappengehäuse) Klemmschrauben des Drosselklappengehäusehal- 6 3,0 0,30 ters 7 Schrauben des Drosselklappenhalters 12 1,2 L 8. Sekundär-Einspritzventile 9. Ansaugluftdrucksensor 10. Ansaugluft-Temperatursensor 11. Teillastsensor 12. Hauptdrosselklappensensor 13. Teillastventil-Stelleinheit 14. Primär-Einspritzventile 15. Gaszug (Öffnungszug) 16. Gaszug (Schließzug) 17. Bypass-Einstellschraube CL: Mit Seilzugöl schmieren. EO: Motoröl auftragen. G: Fett auftragen. L: Ein nicht-permanentes Gewindedichtmittel auftragen. R: Ersatzteile
  • 100.
  • 101.
    KRAFTSTOFFANLAGE (DFI) 3-9 Explosionszeichnung Anzugsmoment Nr. Verbindungselement Anmerkungen N·m kgf·m 1 Befestigungsschraube der Abscheiderhalterung 0,8 0,08 2 Zündkerzen 13 1,3 3 Schraube des Nockenwellensensors 9,8 1,0 4 Wassertemperatursensor 25 2,5 SS 5 Schrauben des Kurbelwellensensors 5,9 0,60 6 Kraftstoffpumpenschrauben 9,8 1,0 L, S Befestigungsschrauben der Auslassklappenventil 7 6,9 0,70 -Stelleinheit 8 Schrauben des Gangpositionsschalters 2,9 0,30 L 9 Drehzahlsensorschraube 3,9 0,40 L Schraube der Auslassklappenven- 10 4,9 0,50 til-Stelleinheitsscheibe 11. Aktivkohlebehälter 12. Abscheider 13. Relaiskasten 14. Batterie 12 V 8 Ah 15. Umgebungsdrucksensor 16. ECU 17. Stabzündspule 18. Kraftstoffpumpe 19. Auslassklappenventil 20. Kurbelwellensensor 21. Drehzahlsensor 22. Gangpositionssensor 23. Auslassklappenventil-Stelleinheit 24. Nockenwellenpositionssensor G: Fett auftragen. L: Ein nicht-permanentes Gewindedichtmittel auftragen. R: Ersatzteile S: Die vorgeschriebene Anziehreihenfolge einhalten. SS: Silikondichtmittel auftragen.
  • 102.
    3-10 KRAFTSTOFFANLAGE (DFI) TechnischeDaten Teil Standard Digitales Kraftstoffeinspritzsystem Leerlaufdrehzahl 1.300 ±50 U/min Drosselklappengehäuse: Typ Ovaler Typ Bohrung 38 mm Unterdruck im 27,3 ±1,0 kPa (205 ±10 mmHg) Drosselklappengehäuse Bypass-Einstellschrauben ––– ECU (Elektronische Steuereinheit): Hersteller Denso Typ Digitalspeicher mit integrierter IC-Zündung, in Kunstharz vergossen Kraftstoffdruck (Hochdruckleitung): Unmittelbar nach Drehen des 294 kPa (3,0 kgf/cm²) bei laufender Kraftstoffpumpe Zündschalters auf Stellung 280 kPa (2,9 kgf/cm²) bei stehender Kraftstoffpumpe ON, mit 3 Sekunden laufender Kraftstoffpumpe im Motorleerlauf Kraftstoffpumpe: Typ Tauchpumpe (im Kraftstofftank), oder Wesco-Pumpe (Pumpe mit Reibradantrieb) Fördermenge 3 Sekunden lang mindestens 67 ml Primär-Einspritzventile: Typ INP-288 Düsenart Feinsprühdüse mit 8 Bohrungen Widerstand Ca. 11,7 ∼ 12,3 Ω bei 20°C Sekundär-Einspritzventile: Düsenart Mehrlochdüse mit 8 Bohrungen Widerstand Ca. 10,5 Ω bei 20°C Hauptdrosselklappensensor: Nicht einstellbar und nicht ausbaubar 4,75 ∼ 5,25 V DC zwischen dem blauen und Eingangsspannung braun/schwarzen Kabel Ausgangsspannung 1,04 ±0,015 V DC zwischen dem gelb/weißen und braun/schwarzen Kabel (mit Drosselklappe auf Leerlauf) Widerstand 4 ∼ 6 kΩ Ansaugluftdrucksensor/Umge- bungsdrucksensor: Eingangsspannung 4,75 ∼ 5,25 V DC zwischen dem blauen und braun/schwarzen Kabel Ausgangsspannung 3,80 ∼ 4,20 V DC bei normalem Umgebungsdruck (Details in diesem Text) Ansaugluft-Temperatursensor: Widerstand 1,6 ∼ 3,7 kΩ (bei 20°C) 0,24 ∼ 0,43 kΩ (bei 80°C) Ausgangsspannung an der ECU Ca. 2,25 ∼ 2,50 V bei 20°C
  • 103.
    KRAFTSTOFFANLAGE (DFI) 3-11 TechnischeDaten Teil Standard Wassertemperatursensor: Widerstand Siehe Kapitel "Elektrik". Ausgangsspannung an der ECU Ca. 3 ∼ 6 V bei 20°C Drehzahlsensor: Eingangsspannung am Sensor Ca. 9∼11 V DC bei Zündschalter in Stellung ON Ca. 0,05 ∼ 0,07 V DC bei Zündschalter in Stellung ON und Ausgangsspannung am Sensor 0 km/h Umkippsensor: Erfassungsmethode Erfassung von Magnetströmen Erfassungswinkel Pro Bank mehr als 60∼70° Erfassungszeit Innerhalb 1,0 ∼ 1,5 Sek. Ausgangsspannung Pfeilmarkierung am Sensor nach oben zeigend: 3,55 ∼ 4,45 V Sensor um mindestens 60 ∼ 70° geneigt : 0,65 ∼ 1,35 V Teillastsensor: Nicht einstellbar und nicht ausbaubar 4,75 ∼ 5,25 V DC zwischen dem blauen und Eingangsspannung braun/schwarzen Kabel Ausgangsspannung 1,1 ±0,02 V DC zwischen dem braunen und braun/schwarzen Kabel (vollständig geschlossen) Widerstand 4 ∼ 6 kΩ Sensor der Auslassklappenventil -Stelleinheit: Eingangsspannung 4,75 ∼ 5,25 V DC Ausgangsspannung 3,46 ∼ 3,76 V DC in Scheiben-Ausgangsstellung Widerstand 4 ∼ 6 kΩ Wegfahrsperren-Verstärker: Antennenwiderstand Ca. 0,6 ∼ 0,9 Ω Auslassklappenventil-Stelleinheit: Widerstand 5 ∼ 200 Ω (Bezugswert) Teillastventil-Stelleinheit: Widerstand Ca. 5,5 ∼ 7,5 Ω Eingangsspannung Ca. 8,0 ∼ 16,0 V DC Lambdasonde: Ausgangsspannung (fett) 0,45 ∼ 2,5 V Ausgangsspannung (mager) 0,05 ∼ 0,45 V Heizungswiderstand Ca. 8 Ω bei 20°C Gasdrehgriff und Gaszüge Gasdrehgriffspiel 2 ∼ 3 mm
  • 104.
    3-12 KRAFTSTOFFANLAGE (DFI) Spezialwerkzeugeund Dichtmittel Öldruckmanometer, 5 kgf/cm²: Nadeladaptersatz: 57001-125 57001-1457 Schlüssel für Vergaserablassschraube, Hex 3: Adapter zur Drosselklappensensor-Einstellung: 57001-1269 57001-1538 Gabelölstand-Messgerät: Sensor-Kabelbaumadapter: 57001-1290 57001-1561 Handprüfgerät: Adapter für Kraftstoffmanometer: 57001-1394 57001-1593 Adapter zur Drosselklappensensor-Einstellung Kraftstoffschlauch: Nr. 1: 57001-1607 57001-1400
  • 105.
    KRAFTSTOFFANLAGE (DFI) 3-13 Spezialwerkzeugeund Dichtmittel Kawasaki Bond (Silikondichtmittel): 56019-120
  • 106.
    3-14 KRAFTSTOFFANLAGE (DFI) Lageder DFI-Teile Ansaugluftdrucksensor [A] Ansaugluft-Temperatursensor [B] Einspritzdüsensatz [C] Kraftstoffpumpe [D] Unterdruckschaltventil [A] Teillastventil-Stelleinheit [B] Stabzündspulen Nr. 1, 2, 3, 4 [C] Drosselklappengehäuse [D] Teillastsensor [A] Hauptdrosselklappensensor [B] Wassertemperatursensor [C] Batterie [A] Steckverbinder des Kawasaki-Selbstdiagnosesystems (KDS) [B] Auslassklappenventil-Stelleinheit [C] Umgebungsdrucksensor [D] ECU (Elektronische Steuereinheit) [E] Auslassklappenventil [A]
  • 107.
    KRAFTSTOFFANLAGE (DFI) 3-15 Lageder DFI-Teile Nockenwellenpositionssensor [A] Kurbelwellensensor [B] Gangpositionsschalter [A] Drehzahlsensor [B] Sicherungskasten mit ECU-Hauptsicherung [A] Relaiskasten [B] Zündschlüssel [A] (Transponder, ausgerüstete Modelle) Wegfahrsperren-Antenne [B] (ausgerüstete Modelle) Zündschalter [C] Wegfahrsperren-Verstärker [D] (ausgerüstete Modelle) Umkippsensor [E] Lambdasonde [A] (ausgerüstete Modelle)
  • 108.
  • 109.
    KRAFTSTOFFANLAGE (DFI) 3-17 DFI-System 1. ECU (Elektronische Steuereinheit) 2. Batterie 12 V 8 Ah 3. Luftstrom 4. Luftfilterelement 5. Ansaugluft-Temperatursensor 6. Ansaugluftdrucksensor 7. Teillastventil-Stelleinheit 8. Teillastsensor 9. Sekundär-Einspritzventile 10. Primär-Einspritzventile 11. Druckleitung 12. Kraftstofffilter 13. Druckregler 14. Kraftstoffpumpe 15. Kraftstofffluss 16. Nockenwellenpositionssensor 17. Hauptdrosselklappensensor 18. Kurbelwellensensor 19. Wassertemperatursensor 20. Drehzahlsensor 21. Umkippsensor 22. Umgebungsdrucksensor 23. Gangpositionsschalter 24. Starterkupplungsgehäuse 25. Lambdasonden (ausgerüstete Modelle) 26. Unterdruckschaltventil
  • 110.
  • 111.
    KRAFTSTOFFANLAGE (DFI) 3-19 DFI-System Teilebezeichnung 1. Zündschalter 2. Warnleuchte (LED) 3. Steckverbindung C 4. Sicherung der Lambdasonde 10 A 5. ECU-Sicherung 10 A 6. Zündungssicherung 10 A 7. ECU-Hauptrelais 8. Kraftstoffpumpenrelais 9. Relaiskasten 10. Steckverbindung B 11. Hauptsicherung 30 A 12. Rahmenmasse 13. Batterie 12 V 8 Ah 14. Kraftstoffpumpe 15. Umkippsensor 16. Steckverbinder des Kawasaki-Selbstdiagnosesystems (KDS) 17. Motorstoppschalter 18. Starterknopf 19. Lambdasonde (Nr. 1, ausgerüstete Modelle) 20. Lambdasonde (Nr. 2, ausgerüstete Modelle) 21. Masse des Zylinderkopfdeckels 22. Zündkerzen 23. Stabzündspulen Nr. 1, 2, 3, 4 24. Primär-Einspritzventile 25. Sekundär-Einspritzventile 26. Teillastventil-Stelleinheit 27. Wassertemperatursensor 28. Drehzahlsensor 29. Nockenwellenpositionssensor 30. Umgebungsdrucksensor 31. Ansaugluft-Temperatursensor 32. Teillastsensor 33. Hauptdrosselklappensensor 34. Ansaugluftdrucksensor 35. Auslassklappenventil-Stelleinheit 36. Gangpositionsschalter 37. Kurbelwellensensor 38. ECU (Elektronische Steuereinheit) 39. Wegfahrsperren-Antenne (ausgerüstete Modelle) 40. Wegfahrsperren-Verstärker (ausgerüstete Modelle)
  • 112.
    3-20 KRAFTSTOFFANLAGE (DFI) DFI-System Klemmen-Nummernder ECU-Steckverbinder Klemmenbezeichnungen 1. Teillastventil-Stellantriebsteuersignal 3 2. Teillastventil-Stellantriebsteuersignal 1 3. Auslassklappenventil-Stelleinheit (–) 4. Auslassklappenventil-Stelleinheit (+) 5. Auslassklappenventilsensor 6. Ausgangssignal des Drehzahlsensors 7. Ausgangssignal des Hauptdrosselklappensensors 8. Ausgangssignal des Ansaugluftdrucksensors 9. Ausgangssignal des Wassertemperatursensors 10. Stromversorgung zu den Sensoren 11. Ausgangssignal des Umkippsensors 12. Ausgangssignal des Nockenwellenpositionssensors (+) 13. Ausgangssignal des Kurbelwellensensors (+) 14. Wegfahrsperren-Übertragungsleitung (ausgerüstete Modelle) 15. Wegfahrsperren-Übertragungsleitung (ausgerüstete Modelle) 16. Stromversorgung zur ECU (vom ECU-Hauptrelais) 17. Stromversorgung zur ECU (von der Batterie) 18. Teillastventil-Stellantriebsteuersignal 4 19. Teillastventil-Stellantriebsteuersignal 2 20. Nicht verwendet 21. Nicht verwendet 22. Nicht verwendet 23. Nicht verwendet 24. Ausgangssignal des Teillastsensors 25. Ausgangssignal des Umgebungsdrucksensors 26. Ausgangssignal des Ansaugluft-Temperatursensors 27. Nicht verwendet 28. Masse zu den Sensoren 29. Ausgangssignal des Nockenwellenpositionssensors (–) 30. Ausgangssignal des Kurbelwellensensors (–) 31. Wegfahrsperren-Übertragungsleitung 32. Nicht verwendet 33. Nicht verwendet 34. Masse zur ECU 35. Ausgangssignal der Lambdasonde Nr. 1 (ausgerüstete Modelle) 36. Nicht verwendet 37. Motorstoppschalter-Signalerkennung 38. Ausgangssignal des Wegfahrsperrenschalters 39. Ausgangssignal des Starterknopfs 40. Instrumenten-Signalübertragung 41. Masse 42. Kraftstoffpumpenrelais-Ansteuersignal 43. Nicht verwendet 44. Kühlerlüfterrelais-Ansteuersignal 45. Ansteuersignal des Sekundär-Einspritzventils Nr. 2
  • 113.
    KRAFTSTOFFANLAGE (DFI) 3-21 DFI-System 46. Ansteuersignal des Sekundär-Einspritzventils Nr. 1 47. Ansteuersignal des Primär-Einspritzventils Nr. 2 48. Ansteuersignal des Primär-Einspritzventils Nr. 1 49. Zündsignal für Stabzündspule Nr. 3 50. Zündsignal für Stabzündspule Nr. 2 51. Zündsignal für Stabzündspule Nr. 1 52. Ausgangssignal der Lambdasonde Nr. 2 (ausgerüstete Modelle) 53. Ausgangssignal des Gangpositionsschalters 54. Signal des Seitenständerschalters 55. Nicht verwendet 56. Externe Übertragungsleitung (Modusknopf) 57. Nicht verwendet 58. Stromversorgung zur Lambdasonde 59. Ausgangssignal des Drehzahlmessers 60. Ansteuersignal des Unterdruckschaltventils 61. Nicht verwendet 62. Ansteuersignal des Sekundär-Einspritzventils Nr. 4 63. Ansteuersignal des Sekundär-Einspritzventils Nr. 3 64. Ansteuersignal des Primär-Einspritzventils Nr. 4 65. Ausgangssignal des Primär-Einspritzventils Nr. 3 66. Masse für die Kraftstoffanlage 67. Masse für die Zündanlage 68. Zündsignal für Stabzündspule Nr. 4 35. Ausgangssignal der Lambdasonde Nr. 1 (ausgerüstete Modelle) 36. Nicht verwendet 37. Motorstoppschalter-Signalerkennung 38. Ausgangssignal des Wegfahrsperrenschalters 39. Ausgangssignal des Starterknopfs 40. Instrumenten-Signalübertragung 41. Masse 42. Kraftstoffpumpenrelais-Ansteuersignal 43. Nicht verwendet 44. Kühlerlüfterrelais-Ansteuersignal 45. Ansteuersignal des Sekundär-Einspritzventils Nr. 2 46. Ansteuersignal des Sekundär-Einspritzventils Nr. 1 47. Ansteuersignal des Primär-Einspritzventils Nr. 2 48. Ansteuersignal des Primär-Einspritzventils Nr. 1 49. Zündsignal für Stabzündspule Nr. 3 50. Zündsignal für Stabzündspule Nr. 2 51. Zündsignal für Stabzündspule Nr. 1 52. Ausgangssignal der Lambdasonde Nr. 2 (ausgerüstete Modelle) 53. Ausgangssignal des Gangpositionsschalters 54. Signal des Seitenständerschalters 55. Nicht verwendet 56. Externe Übertragungsleitung (Modusknopf) 57. Nicht verwendet 58. Stromversorgung zur Lambdasonde 59. Ausgangssignal des Drehzahlmessers 60. Ansteuersignal des Unterdruckschaltventils 61. Nicht verwendet 62. Ansteuersignal des Sekundär-Einspritzventils Nr. 4 63. Ansteuersignal des Sekundär-Einspritzventils Nr. 3 64. Ansteuersignal des Primär-Einspritzventils Nr. 4 65. Ausgangssignal des Primär-Einspritzventils Nr. 3 66. Masse für die Kraftstoffanlage 67. Masse für die Zündanlage 68. Zündsignal für Stabzündspule Nr. 4
  • 114.
    3-22 KRAFTSTOFFANLAGE (DFI) Vorsichtsmaßnahmenbei DFI-Wartungsarbeiten Bei Wartungsarbeiten am DFI-System ist eine Reihe wichtiger Vorsichtsmaßnahmen einzuhalten. ○Dieses DFI-System arbeitet mit einer wartungsfreien 12 V-Batterie als Stromquelle. Als Stromquelle darf nur die wartungsfreie 12 V-Batterie und keine andere Batterie eingesetzt werden. ○Keinesfalls die Batterieanschlüsse vertauschen. Dies würde die ECU beschädigen. ○Um eine Beschädigung der Teile des DFI-Systems zu ver- meiden, die Batteriekabel oder andere elektrische Verbin- dungen nicht abklemmen, wenn der Zündschalter in Stel- lung ON steht oder der Motor läuft. ○Einen Kurzschluss der direkt am Batteriepluspol (+) ange- schlossenen Kabel mit der Fahrgestellmasse unbedingt vermeiden. ○Die Batterie zum Aufladen aus dem Motorrad ausbauen. Auf diese Weise wird verhindert, dass die ECU durch zu hohe Spannung beschädigt wird. ○Immer, wenn die elektrischen Verbindungen des DFI-Systems abgeklemmt werden müssen, zuerst den Zündschalter in die Stellung OFF drehen. Außer- dem vor dem Starten des Motors kontrollieren, ob alle elektrischen Steckverbinder des DFI-Systems fest ange- schlossen sind. ○Diese Steckverbinder müssen beim Verbinden mit einem Klickgeräusch [A] einrasten.
  • 115.
    KRAFTSTOFFANLAGE (DFI) 3-23 Vorsichtsmaßnahmenbei DFI-Wartungsarbeiten ○Keinesfalls bei abgeklemmten DFI-Steckverbindern die Zündung einschalten. Die ECU speichert sonst Service- codes ab. ○Keinesfalls Wasser auf die Elektroteile, die Teile des DFI -Systems, die Steckverbinder, die Kabel und Kabeldrähte sprühen. ○Falls das Motorrad über ein Funkgerät verfügt, sicherstel- len, dass das DFI-System nicht durch die von der An- tenne abgegebenen elektromagnetischen Wellen gestört wird. Die Funktion des Systems im Motorleerlauf prüfen. Die Antenne so weit weg wie möglich von der ECU an- ordnen. ○Wenn ein Kraftstoffschlauch abgeklemmt ist, den Zünd- schalter nicht in die Stellung ON drehen. Anderenfalls wird die Kraftstoffpumpe eingeschaltet und aus dem Kraftstoffschlauch tritt Kraftstoff aus. ○Die Kraftstoffpumpe nicht betreiben, wenn sie vollständig trocken ist. Dies beugt Pumpenfressern vor. ○Vor dem Ausbau von Bauteilen des Kraftstoffsystems die Bauteile äußerlich mit Pressluft säubern. ○Beim Lösen eines Kraftstoffschlauchs kann durch den Restdruck in der Kraftstoffleitung Kraftstoff heraussprit- zen. Den Schlauchanschluss mit einem sauberen Tuch abdecken, damit kein Kraftstoff heraustropft. ○Beim Einbau von Kraftstoffschläuchen scharfe Knicke, Biegungen, Verdrehungen oder Plattdrücken vermeiden und die Schläuche möglichst geradlinig verlegen, um guten Kraftstofffluss zu gewährleisten. ○Die Schläuche gemäß Abschnitt "Verlegung von Seilzü- gen, Kabeln und Schläuchen" im Anhang korrekt verle- gen. ○Den Kraftstoffschlauch [A] ersetzen, wenn er scharf ge- bogen oder geknickt wurde. ○Wenn das Motorrad falsch behandelt wird, kann der hohe Druck in der Kraftstoffzuleitung zum Austritt von Kraftstoff bzw. zum Bersten des Schlauchs führen. Den Kraftstoff- schlauch bei der Prüfung biegen und verdrehen. Den Schlauch ersetzen, wenn er Risse oder Ausbuchtun- gen aufweist. ○Damit die korrekte Mischung aus Kraftstoff und Luft beibehalten wird, dürfen in dem DFI-System keine Mög- lichkeiten für Lufteintritt vorhanden sein. Die Öleinfüll- schraube [A] nach dem Auffüllen des Motoröls eindrehen. Anzugsmoment - Öleinfüllschraube: 1,5 N·m (0,15 kgf·m)
  • 116.
    3-24 KRAFTSTOFFANLAGE (DFI) Fehlersucheim DFI-System Die Warnleuchte (LED) [A] dient als FI-Anzeige, Wegfahr- sperren-Kontrollleuchte (Modelle mit Wegfahrsperre) und Öldruck-Warnleuchte. Beschreibung Bei einer Störung des DFI-Systems wird der Fah- rer durch Blinken der Warnleuchte (LED) [A] und des FI-Warnsymbols [B] gewarnt. Außerdem wird die Fehler- bedingung im Speicher der ECU gespeichert. Bei Modellen mit Wegfahrsperre wird der Fahrer bei einer Störung des Systems durch die Warnleuchte (LED) und Blinken des Wegfahrsperren-Warnsymbols [C] gewarnt. Bei abgestelltem Motor und aktiviertem Selbstdiagnose- modus wird der Servicecode [A] zweistellig auf dem Display (LCD) angezeigt. Die ECU kann Probleme nicht erkennen, wenn folgende Teile betroffen sind. Deshalb blinken die Warnleuchte (LED), FI- und/oder die Wegfahrsperren-Warnsymbole nicht und es wird kein Servicecode angezeigt. LCD für Instrumenteneinheit Kraftstoffpumpe Sekundär-Einspritzventile Stabzündspulen-Sekundärwicklung und -Massekabel Stromversorgungs- und Massekabel der ECU
  • 117.
    KRAFTSTOFFANLAGE (DFI) 3-25 Fehlersucheim DFI-System Wenn der Servicecode [A] angezeigt wird, zunächst vom Fahrer Erkundigungen einziehen, unter welchen Bedingun- gen [B] das Problem auftrat, und dann die Ursache [C] er- mitteln. Vor der Diagnose eine Durchsicht durchführen, die Mas- severbindung und Stromversorgung der ECU kontrollieren, die Kraftstoffleitung auf Kraftstoffaustritt prüfen und den kor- rekten Druck kontrollieren. Diese Prüfposten vor der eigent- lichen Diagnose werden nicht durch die Warnleuchte (LED) und das FI-Warnsymbol signalisiert. Immer nach gesundem Menschenverstand urteilen und nicht ausschließlich auf die Ergebnisse der Selbstdiagnose des DFI-Systems verlassen. Selbst wenn das DFI-System einwandfrei funktioniert, kann bei starken elektrischen Interferenzen die Warn- leuchte (LED) und das FI-Warnsymbol leuchten. Zusätzli- che Maßnahmen sind nicht erforderlich. Den Zündschalter ausschalten, um die Warnleuchte (LED) und das Symbol abzuschalten. Blinken die Warnleuchte (LED) und das FI-Warnsymbol des zur Reparatur abgegebenen Motorrads noch immer, so muss der Servicecode überprüft werden. Nach der Reparatur erlischt das FI-Warnsymbol. Die Ser- vicecodes im Speicher der ECU werden jedoch nicht ge- löscht, sodass sich das Problem auch später noch nach- vollziehen lässt. Der Problemverlauf kann mit Hilfe des Ka- wasaki-Diagnosesystems (KDS) verfolgt werden, wenn nur hin und wieder auftretende Probleme beseitigt werden sol- len. Wenn das Motorrad auf der Seite liegt, wird der Umkipp- sensor deaktiviert und die ECU schaltet das Kraftstoffpum- penrelais, die Einspritzventile und die Zündanlage ab. Der Zündschalter bleibt eingeschaltet. Wenn der Starterknopf gedrückt wird, dreht der Elektrostarter durch, aber der Mo- tor startet nicht. Wenn der Starterknopf gedrückt wird, blin- ken die Warnleuchte (LED) und das FI-Warnsymbol, aber es wird kein Servicecode angezeigt. Um den Motor er- neut zu starten, das Motorrad anheben, den Zündschalter in Stellung OFF, und dann wieder auf ON drehen. Die Hauptarbeit bei der Fehlersuche im DFI-System ist die Kontrolle der Verkabelung auf Durchgang. Die DFI-Teile werden als Präzisionsteile zusammengebaut und justiert; sie können nicht zerlegt oder repariert werden.
  • 118.
    3-26 KRAFTSTOFFANLAGE (DFI) Fehlersucheim DFI-System • Bei der Überprüfung von TeilenWiderstand und Spannung talmultimeter verwenden, das des DFI-Systems ein Digi- mit zwei Dezimalstellen anzeigen kann. ○Die Verbinder des DFI-Systems [A] besitzen Dichtungen [B], auch die Verbinder der ECU. Bei der Messung der Eingangs- oder Ausgangsspannung mit angeschlosse- nem Verbinder den Nadeladaptersatz [C] verwenden. Den Nadeladapter in die Dichtungen einschieben, bis der Adapter den Anschluss berührt. Spezialwerkzeug - Nadeladaptersatz: 57001-1457 VORSICHT Den Nadeladapter gerade in den Anschluss des Steckverbinders einführen, um einen Kurzschluss zwischen den Klemmen zu vermeiden. • Sicherstellen,und diedie Messpunkte im Steckverbinder korrekt sind dass Lage der Arretierung [D] und die Kabelfarbe vor der Messung notieren. Keinesfalls die Anschlüsse des Digitalmultimeters vertauschen. • Keinesfalls die Kabel des DFI-Systems oder der Elektrik durch versehentlichen Kontakt zwischen den Adaptern kurzschließen. • Den Zündschalter einschalten und die Spannung bei an- geklemmtem Steckverbinder messen. VORSICHT Falscher oder seitenverkehrter Anschluss oder Kurzschluss durch die Nadeladapter kann zu Schä- den am DFI-System sowie den Teilen der Elektrik führen. ○Nach der Messung die Nadeladapter entfernen und auf die Dichtungen [A] des Steckverbinders [B] Silikondicht- mittel auftragen, damit der Steckverbinder wasserdicht ist. Dichtmittel - Kawasaki Bond (Silikondichtmittel): 56019-120
  • 119.
    KRAFTSTOFFANLAGE (DFI) 3-27 Fehlersucheim DFI-System • Vor dem Austausch von DFI-Bauteilen stets den Zustand der Batterie prüfen. Eine volle Batterieladung ist Vor- aussetzung für eine ordnungsgemäße Prüfung des DFI -Systems. • Störungen können durch ein Teil und in manchen Fällen durch alle Teile verursacht werden. Ein defektes Teil nie- mals ersetzen, ohne zu prüfen, ob es tatsächlich den Feh- ler verursacht hat. Falls die Störung durch andere Kom- ponenten verursacht wurde, müssen diese ersetzt wer- den, da sonst der gleiche Defekt erneut auftritt. • Spulen- und Wicklungswiderstände bei kalten DFI -Bauteilen (Zimmertemperatur) messen. • Alle Steckverbinder im Stromkreis müssen sauber sein und fest sitzen. Die Kabel auf Brandstellen, Scheuer- stellen usw. untersuchen. Korrodierte Kabel und lockere Verbindungen können dazu führen, dass Probleme im- mer wieder auftreten und das DFI-System negativ beein- flussen. Beschädigte Kabel erneuern. • Jeden Verbinder Beschädigung und auf Korrosion, Ver- schmutzung und [A] abziehen kontrollieren. Ist der Verbinder korrodiert oder verschmutzt, diesen sorgfältig reinigen. Bei Beschädigung ersetzen. Die Steckverbinder fest anklemmen. •Die Verkabelung auf Durchgang prüfen. ○Anhand des Schaltplans die Endanschlüsse des Kabels suchen, das vermutlich defekt ist. ○Das Handprüfgerät an die Leitungsenden anschließen. ○Das Handprüfgerät auf den Bereich × 1 Ω schalten und die Anzeige ablesen. Wenn das Handprüfgerät nicht 0 Ω anzeigt, ist das Kabel defekt. Den Hauptkabelbaum oder das Kabel oder den Teilkabelbaum austauschen. ○Wenn beide Enden eines Kabelbaums [A] frei sind, ein Ende [C] mit Masse [B] mit Hilfe einer Drahtbrücke [D] ver- binden und den Durchgang zwischen dem Ende [E] und Masse [F] kontrollieren. Auf diese Weise können auch lange Kabelbäume auf Durchgang geprüft werden. Liegt eine Unterbrechung im Kabelbaum vor, den Kabelbaum reparieren oder ersetzen.
  • 120.
    3-28 KRAFTSTOFFANLAGE (DFI) Fehlersucheim DFI-System ○Bei Prüfung eines Kabelbaums [A] auf Kurzschluss ein Ende [B] lösen und zwischen dem anderen Ende [C] und Masse [D] auf Durchgang prüfen. Ist Durchgang vorhan- den, liegt ein Masseschluss im Kabelbaum vor. Den Ka- belbaum reparieren oder austauschen. • Verdächtige Stellen eingrenzen, indem die Durchgangs- prüfungen an den ECU-Steckverbindern wiederholt wer- den. Kann am Kabelbaum oder den Steckverbindern kein Feh- ler festgestellt werden, als Nächstes die DFI-Teile prü- fen. An dem verdächtigen Teil zunächst die Eingangs- und Ausgangsspannung prüfen. Die ECU selbst kann je- doch nicht geprüft werden. Bei einem Defekt das betreffende DFI-Teil austauschen. Kann am Kabelbaum, den Steckverbindern und den DFI -Teilen kein Fehler festgestellt werden, die ECU austau- schen. ○Nach der Prüfung alle elektrischen Verbinder für das DFI -System wieder anschließen. Den Zündschalter nicht in die Stellung ON drehen, solange die elektrischen Verbin- der des DFI-Systems und die Verbinder für die Zündung noch nicht angeschlossen sind. Anderenfalls speichert die ECU-Fehlercodes für eine Stromkreisunterbrechung. ○Farbcodes der Kabel: BK: Schwarz G: Grün P: Rosa BL: Blau GY: Grau PU: Violett BR: Braun LB: Hellblau R: Rot CH: Schoko LG: Hellgrün W: Weiß DG: Dunkelgrün O: Orange Y: Gelb
  • 121.
    KRAFTSTOFFANLAGE (DFI) 3-29 Fehlersucheim DFI-System DFI-Diagnoseablaufplan Fragen an den Fahrer ○Jeder Fahrer reagiert unterschiedlich auf Störungen. Daher ist es wichtig, die Symptome bei Auftritt der Störung zu erfragen. ○Den Fahrer befragen, unter exakt welchen Umstände welche Probleme auftraten. Durch diese In- formationen können die Störungen dann leichter reproduziert werden. ○Der Diagnosefragebogen (siehe folgendes Beispiel) vermindert die Gefahr, mögliche Störungsbe- reiche zu übersehen und hilft bei der Entscheidung, ob es sich um einen Defekt des DFI-Systems oder um eine allgemeine Motorstörung handelt.
  • 122.
    3-30 KRAFTSTOFFANLAGE (DFI) Fehlersucheim DFI-System Beispiel eines Diagnosefragebogens Name des Registrierungsnummer Jahr der Erstzulassung: Fahrers: (Kennzeichen): Modell: Motor-Nr.: Rahmen-Nr.: Datum des Störungsauftritts: Kilometerstand: Umweltbedingungen bei Störungsauftritt. Wetter □ gut, □ wolkig, □ regnerisch, □ Schnee, □ immer, □ andere: Temperatur □ heiß, □ warm, □ kalt, □ sehr kalt, □ immer, □ andere: Problemhäufigkeit □ ständig, □ häufig, □ einmal Fahrbahn □ Straße, □ Autobahn, □ Bergstraße (□ bergauf, □ bergab), □ Feldweg, □ Schotterstraße Höhe □ Normal, □ Hoch (ca. 1.000 m oder höher) Betriebszustand des Motorrads bei Störungsauftritt. FI-Anzeige (LED) □ leuchtet sofort nach Drehen des Zündschalters auf ON, und erlischt nach 1 – 2 Sekunden (normal). □ leuchtet(DFI-Problem). ständig sofort nach Drehen des Zündschalters auf ON, und leuchtet dann □ leuchtet sofort nach Drehen des Zündschalters auf ON, und blinkt (Wegfahrsperren-Problem). □ leuchtet unmittelbar nach Drehen des Zündschalters auf ON, aber erlischt nach ca. 10 Sekunden (DFI-Problem). □ erlischt (Fehler der LED, ECU oder Verkabelung). □ leuchtet manchmal (vermutlicher Kabeldefekt). Startschwierigkei- □ Startermotor dreht nicht. ten □ Startermotor dreht, aber Motor springt nicht an. □ Startermotor dreht nicht, Motor springt nicht an. □ -Betriebsgeräusch). (□ leerer Tank, □ Kein Kraftstoffpumpen Kein Kraftstofffluss □ kein Zündfunke. □ Chokehebel wird nicht voll gezogen (den Chokehebel bei Verwendung immer voll ziehen). □ Sonstiges: Motor stirbt ab □ sofort nach dem Motorstart. □ beim Gasgeben. □ bei Verzögerung. □ beim Anfahren. □ beim Anhalten des Motorrads. □ während der Fahrt. □ Sonstiges:
  • 123.
    KRAFTSTOFFANLAGE (DFI) 3-31 Fehlersucheim DFI-System Unrunder Lauf bei □ Sehr niedrige Leerlaufdrehzahl, □ sehr hohe Leerlaufdrehzahl, □ niedriger Drehzahl schwankende Leerlaufdrehzahl. □ Niedrige Batteriespannung (Batterie aufladen). □ lockere Zündkerze (festziehen). □ verschmutzte oder defekte Zündkerze oder falscher Elektrodenabstand (korrigieren). □ Auspuffknallen. □ Nachlaufen. □ Ruckeln beim Beschleunigen. □ zu hohe Viskosität des Motoröls. □ schleifende Bremsen. □ Überhitzung des Motors. □ Kupplungsschlupf. □ Sonstiges: Geringe oder keine □ lockere Zündkerze (festziehen). Leistung bei hoher □ verschmutzte oder defekte Zündkerze oder falscher Elektrodenabstand Drehzahl (korrigieren). □ falsche Zündkerze (erneuern). □ Motorklopfen (schlechter oder falscher Kraftstoff, → Superbenzin tanken). □ schleifende Bremsen. □ Kupplungsschlupf. □ Überhitzung des Motors. □ zu hoher Motorölstand. □ zu hohe Viskosität des Motoröls. □ Sonstiges:
  • 124.
    3-32 KRAFTSTOFFANLAGE (DFI) Fehlersuchanleitungfür das DFI-System ANMERKUNG ○Diese Liste erhebt keinen Anspruch auf Vollständigkeit und es wird nicht jede mögliche Ursache für ein Problem aufgeführt. Gedacht ist diese Liste lediglich als Kurzanleitung für die Fehlersuche im DFI-System; sie behandelt nur die häufigsten Probleme. ○Die ECU kann für Fehler in der Zündanlage und dem DFI-System verantwortlich sein. Wenn diese Teile und Stromkreise geprüft wurden und kein Fehler festgestellt wurde, Stromversorgung und Masseanschluss der ECU kontrollieren. Wenn Stromversorgung und Masseanschluss einwand- frei sind, die ECU ersetzen. Verbrennungsmotor dreht nicht durch Fehlersymptome und mögliche Ursachen Abhilfe (Kapitel) Defekt des Leerlauf-, Wegfahrsperren- oder Alle Schalter prüfen (siehe Kapitel 16). Seitenständerschalters Störung des Wegfahrsperrensystems Prüfen (siehe Kapitel 3). Gelöster Umkippsensor Neu einbauen (siehe Kapitel 3). Defekt des Umkippsensors Prüfen (siehe Kapitel 3). Defekt des Kurbelwellensensors Prüfen (siehe Kapitel 16). Stabzündspule kurzgeschlossen oder Prüfen bzw. erneut einbauen (siehe Kapitel 16). Wackelkontakt Defekte Stabzündspule Prüfen (siehe Kapitel 16). Verschmutzte oder defekte Zündkerze oder Prüfen und austauschen (siehe Kapitel 2). falscher Elektrodenabstand Durch korrekte Zündkerze ersetzen (siehe Falsche Zündkerze Kapitel 2). Defekt von ECU-Masse und -Stromversorgung Prüfen (siehe Kapitel 3). Defekte ECU Prüfen (siehe Kapitel 3). Kein oder nur wenig Benzin im Tank Tanken (siehe Benutzerhandbuch). Defekt des Einspritzventils Prüfen und austauschen (siehe Kapitel 3). Kraftstoffpumpe läuft nicht Prüfen (siehe Kapitel 3). Defekt des Kraftstoffpumpenrelais Prüfen und austauschen (siehe Kapitel 3). Prüfen und Kraftstoffpumpe austauschen (siehe Kraftstofffilter oder Pumpensieb zugesetzt Kapitel 3). Defekt des Kraftstoffdruckreglers Kraftstoffdruck prüfen und Kraftstoffpumpe austauschen (siehe Kapitel 3). Verstopfte Kraftstoffleitung Prüfen und reparieren (siehe Kapitel 3). Unrunder Lauf bei niedriger Drehzahl Fehlersymptome und mögliche Ursachen Abhilfe (Kapitel) Schwacher Zündfunke: Stabzündspule kurzgeschlossen oder Prüfen bzw. erneut einbauen (siehe Kapitel 16). Wackelkontakt Defekte Stabzündspule Prüfen (siehe Kapitel 16). Verschmutzte oder defekte Zündkerze oder Prüfen und austauschen (siehe Kapitel 2). falscher Elektrodenabstand Durch korrekte Zündkerze ersetzen (siehe Falsche Zündkerze Kapitel 2). Defekte ECU Prüfen (siehe Kapitel 3). Falsches Kraftstoff/Luftgemisch: Nur wenig Benzin im Tank Tanken (siehe Benutzerhandbuch).
  • 125.
    KRAFTSTOFFANLAGE (DFI) 3-33 Fehlersuchanleitungfür das DFI-System Fehlersymptome und mögliche Ursachen Abhilfe (Kapitel) Verstopfter, schlecht verschlossener oder Reinigen bzw. Dichtung prüfen (siehe Kapitel 2). fehlender Luftfilter Lockerer Luftfilterkanal Neu einbauen (siehe Kapitel 3). Drosselklappengehäusehalterung locker Neu einbauen (siehe Kapitel 3). Staubdichtung des Drosselklappengehäuses Austauschen (siehe Kapitel 3). beschädigt O-Ring des Einspritzventils beschädigt Austauschen (siehe Kapitel 3). Prüfen und Kraftstoffpumpe austauschen (siehe Kraftstofffilter oder Pumpensieb zugesetzt Kapitel 3). Defekt des Kraftstoffdruckreglers Kraftstoffdruck prüfen und Kraftstoffpumpe austauschen (siehe Kapitel 3). Verstopfte Kraftstoffleitung Prüfen und reparieren (siehe Kapitel 3). Defekt des Ansaugluftdrucksensors Prüfen (siehe Kapitel 3). Defekt des Umgebungsdrucksensors Prüfen (siehe Kapitel 3). Defekt des Wassertemperatursensors Prüfen (siehe Kapitel 3). Defekt des Ansaugluft-Temperatursensors Prüfen (siehe Kapitel 3). Fehler am Hauptdrosselklappensensor Prüfen (siehe Kapitel 3). Problem mit dem Teillastsensor Prüfen (siehe Kapitel 3). Problem mit der Stelleinheit des Teillastventils Prüfen (siehe Kapitel 3). Instabiler (unrunder) Leerlauf: Zu niedriger oder zu hoher Kraftstoffdruck Prüfen (siehe Kapitel 3). Defekt des Einspritzventils Prüfen (siehe Kapitel 3). Fehler am Hauptdrosselklappensensor Prüfen (siehe Kapitel 3). Problem mit dem Teillastsensor Prüfen (siehe Kapitel 3). Problem mit der Stelleinheit des Teillastventils Prüfen (siehe Kapitel 3). Motorunterdruck nicht synchronisiert Prüfen und einstellen (siehe Kapitel 2). Defekt des Ansaugluftdrucksensors Prüfen (siehe Kapitel 3). Defekt des Umgebungsdrucksensors Prüfen (siehe Kapitel 3). Defekt des Wassertemperatursensors Prüfen (siehe Kapitel 3). Defekt des Ansaugluft-Temperatursensors Prüfen (siehe Kapitel 3). Motor stirbt leicht ab: Verschmutzte oder defekte Zündkerze oder Prüfen und austauschen (siehe Kapitel 2). falscher Elektrodenabstand Defekte Stabzündspule Prüfen (siehe Kapitel 16). Defekter Nockenwellensensor Prüfen (siehe Kapitel 16). Fehler am Hauptdrosselklappensensor Prüfen (siehe Kapitel 3). Problem mit dem Teillastsensor Prüfen (siehe Kapitel 3). Problem mit der Stelleinheit des Teillastventils Prüfen (siehe Kapitel 3). Defekt des Ansaugluftdrucksensors Prüfen (siehe Kapitel 3). Defekt des Umgebungsdrucksensors Prüfen (siehe Kapitel 3). Defekt des Wassertemperatursensors Prüfen (siehe Kapitel 3). Defekt des Ansaugluft-Temperatursensors Prüfen (siehe Kapitel 3). Defekt der Kraftstoffpumpe Prüfen (siehe Kapitel 3). Defekt des Einspritzventils Prüfen (siehe Kapitel 3). Zu niedriger oder zu hoher Kraftstoffdruck Prüfen (siehe Kapitel 3).
  • 126.
    3-34 KRAFTSTOFFANLAGE (DFI) Fehlersuchanleitungfür das DFI-System Fehlersymptome und mögliche Ursachen Abhilfe (Kapitel) Defekt des Kraftstoffdruckreglers Kraftstoffdruck prüfen und Kraftstoffpumpe austauschen (siehe Kapitel 3). Verstopfte Kraftstoffleitung Prüfen und reparieren (siehe Kapitel 3). Schlechte Beschleunigung: Zu niedriger Kraftstoffdruck Prüfen (siehe Kapitel 3). Wasser oder Fremdkörper im Kraftstoff Kraftstoff wechseln. Kraftstoffanlage prüfen und reinigen (siehe Kapitel 3). Prüfen und Kraftstoffpumpe austauschen (siehe Kraftstofffilter oder Pumpensieb zugesetzt Kapitel 3). Defekt der Kraftstoffpumpe Prüfen (siehe Kapitel 3). Defekt des Einspritzventils Prüfen (siehe Kapitel 3). Fehler am Hauptdrosselklappensensor Prüfen (siehe Kapitel 3). Problem mit dem Teillastsensor Prüfen (siehe Kapitel 3). Problem mit der Stelleinheit des Teillastventils Prüfen (siehe Kapitel 3). Defekt des Ansaugluftdrucksensors Prüfen (siehe Kapitel 3). Defekt des Umgebungsdrucksensors Prüfen (siehe Kapitel 3). Defekt des Wassertemperatursensors Prüfen (siehe Kapitel 3). Defekt des Ansaugluft-Temperatursensors Prüfen (siehe Kapitel 3). Verschmutzte oder defekte Zündkerze oder Prüfen und austauschen (siehe Kapitel 2). falscher Elektrodenabstand Defekte Stabzündspule Prüfen (siehe Kapitel 16). Stottern: Zu niedriger Kraftstoffdruck Prüfen (siehe Kapitel 3). Defekt des Einspritzventils Prüfen (siehe Kapitel 3). Fehler am Hauptdrosselklappensensor Prüfen (siehe Kapitel 3). Problem mit dem Teillastsensor Prüfen (siehe Kapitel 3). Problem mit der Stelleinheit des Teillastventils Prüfen (siehe Kapitel 3). Defekt des Ansaugluftdrucksensors Prüfen (siehe Kapitel 3). Defekt des Umgebungsdrucksensors Prüfen (siehe Kapitel 3). Defekt des Wassertemperatursensors Prüfen (siehe Kapitel 3). Defekt des Ansaugluft-Temperatursensors Prüfen (siehe Kapitel 3). Motorruckeln: Instabiler Kraftstoffdruck Defekter Kraftstoffdruckregler (Kraftstoffpumpe überprüfen und ersetzen) oder geknickte Kraftstoffleitung (Kraftstoffpumpe überprüfen und ersetzen) (siehe Kapitel 3). Defekt des Einspritzventils Prüfen (siehe Kapitel 3). Defekt des Wassertemperatursensors Prüfen (siehe Kapitel 3). Fehlzündung bei Verzögerung: Verschmutzte oder defekte Zündkerze oder Prüfen und austauschen (siehe Kapitel 2). falscher Elektrodenabstand Zu niedriger Kraftstoffdruck Prüfen (siehe Kapitel 3). Defekt der Kraftstoffpumpe Prüfen (siehe Kapitel 3). Fehler am Hauptdrosselklappensensor Prüfen (siehe Kapitel 3). Problem mit dem Teillastsensor Prüfen (siehe Kapitel 3). Problem mit der Stelleinheit des Teillastventils Prüfen (siehe Kapitel 3).
  • 127.
    KRAFTSTOFFANLAGE (DFI) 3-35 Fehlersuchanleitungfür das DFI-System Fehlersymptome und mögliche Ursachen Abhilfe (Kapitel) Defekt des Ansaugluftdrucksensors Prüfen (siehe Kapitel 3). Defekt des Umgebungsdrucksensors Prüfen (siehe Kapitel 3). Defekt des Wassertemperatursensors Prüfen (siehe Kapitel 3). Defekt des Ansaugluft-Temperatursensors Prüfen (siehe Kapitel 3). Defekt des Unterdruckschaltventils Prüfen und austauschen (siehe Kapitel 16). Defekt des Ansaugluftventils Prüfen und austauschen (siehe Kapitel 5). Nachzündung: Verschlissene Zündkerze oder falscher Austauschen (siehe Kapitel 2). Elektrodenabstand Defekt des Einspritzventils Prüfen (siehe Kapitel 3). Defekt des Ansaugluftdrucksensors Prüfen (siehe Kapitel 3). Defekt des Umgebungsdrucksensors Prüfen (siehe Kapitel 3). Defekt des Wassertemperatursensors Prüfen (siehe Kapitel 3). Defekt des Ansaugluft-Temperatursensors Prüfen (siehe Kapitel 3). Sonstiges: Zeitweilige DFI-Störungen Sicherstellen, dass sämtliche Anschlüsse eines Schaltkreises sauber sind und fest sitzen. Kabel auf Mängel wie Verschmelzung, Abrieb usw. untersuchen (siehe Kapitel 3). Geringe oder keine Leistung bei hoher Drehzahl: Fehlersymptome und mögliche Ursachen Abhilfe (Kapitel) Zündungsfehler: Stabzündspule kurzgeschlossen oder Prüfen bzw. erneut einbauen (siehe Kapitel 16). Wackelkontakt Defekte Stabzündspule Prüfen (siehe Kapitel 16). Verschmutzte oder defekte Zündkerze oder Prüfen und austauschen (siehe Kapitel 2). falscher Elektrodenabstand Durch korrekte Zündkerze ersetzen (siehe Falsche Zündkerze Kapitel 2). Defekte ECU Prüfen (siehe Kapitel 3). Falsches Kraftstoff/Luftgemisch: Verstopfter, schlecht verschlossener oder Reinigen bzw. Dichtung prüfen (siehe Kapitel 2). fehlender Luftfilter Lockerer Luftfilterkanal Neu einbauen (siehe Kapitel 3). Drosselklappengehäusehalterung locker Neu einbauen (siehe Kapitel 3). Staubdichtung des Drosselklappengehäuses Austauschen (siehe Kapitel 3). beschädigt Wasser oder Fremdkörper im Kraftstoff Kraftstoff wechseln. Kraftstoffanlage prüfen und reinigen (siehe Kapitel 3). O-Ring des Einspritzventils beschädigt Austauschen (siehe Kapitel 3). Einspritzventil zugesetzt Prüfen und reparieren (siehe Kapitel 3). Verstopfte Kraftstoffleitung Prüfen und reparieren (siehe Kapitel 3). Eventuell sind die Kraftstoffpumpenlager Kraftstoffpumpe arbeitet nicht ständig und verschlissen. Die Kraftstoffpumpe ersetzen DFI-Sicherung brennt oft durch. (siehe Kapitel 3).
  • 128.
    3-36 KRAFTSTOFFANLAGE (DFI) Fehlersuchanleitungfür das DFI-System Fehlersymptome und mögliche Ursachen Abhilfe (Kapitel) Defekt der Kraftstoffpumpe Prüfen (siehe Kapitel 3). Defekt des Ansaugluftdrucksensors Prüfen (siehe Kapitel 3). Brüchiger oder verstopfter Schlauch des Prüfen und reparieren oder austauschen (siehe Ansaugluftdrucksensors Kapitel 3). Defekt des Umgebungsdrucksensors Prüfen (siehe Kapitel 3). Defekt des Wassertemperatursensors Prüfen (siehe Kapitel 3). Defekt des Ansaugluft-Temperatursensors Prüfen (siehe Kapitel 3). Fehler am Hauptdrosselklappensensor Prüfen (siehe Kapitel 3). Problem mit dem Teillastsensor Prüfen (siehe Kapitel 3). Problem mit der Stelleinheit des Teillastventils Prüfen (siehe Kapitel 3). Klopfen: Schlechte oder falsche Kraftstoffqualität Kraftstoffbefüllung (das im Fahrerhandbuch empfohlene Benzin verwenden). Durch korrekte Zündkerze ersetzen (siehe Falsche Zündkerze Kapitel 2). Defekte Stabzündspule Prüfen (siehe Kapitel 16). Defekte ECU Prüfen (siehe Kapitel 3). Motorunterdruck nicht synchronisiert Prüfen und einstellen (siehe Kapitel 2). Defekt des Ansaugluftdrucksensors Prüfen (siehe Kapitel 3). Defekt des Umgebungsdrucksensors Prüfen (siehe Kapitel 3). Defekt des Wassertemperatursensors Prüfen (siehe Kapitel 3). Defekt des Ansaugluft-Temperatursensors Prüfen (siehe Kapitel 3). Sonstiges: Problem mit dem Teillastsensor Prüfen (siehe Kapitel 3). Problem mit der Stelleinheit des Teillastventils Prüfen (siehe Kapitel 3). Fehler am Drehzahlsensor. Prüfen (siehe Kapitel 3). Drosselklappenventile öffnen nicht vollständig Gaszüge und Hebelgestänge prüfen (siehe Kapitel 3). Überhitzung des Motors - Wassertemperatursen- (siehe Überhitzung in der Anleitung zur sor, Kurbelwellensensor oder Drehzahlsensor Fehlersuche in Kapitel 17) defekt Defekt des Unterdruckschaltventils Prüfen und austauschen (siehe Kapitel 16). Defekt des Ansaugluftventils Prüfen und austauschen (siehe Kapitel 5). Starke Abgasentwicklung: (Schwarzer Rauch) Luftfilterelement verstopft Element reinigen (siehe Kapitel 2). Zu hoher Kraftstoffdruck Prüfen (siehe Kapitel 3). Defekt des Einspritzventils Prüfen (siehe Kapitel 3). Defekt des Wassertemperatursensors Prüfen (siehe Kapitel 3). Defekt des Ansaugluft-Temperatursensors Prüfen (siehe Kapitel 3). (Brauner Rauch) Lockerer Luftfilterkanal Neu einbauen (siehe Kapitel 3). Zu niedriger Kraftstoffdruck Prüfen (siehe Kapitel 3). Defekt des Wassertemperatursensors Prüfen (siehe Kapitel 3). Defekt des Ansaugluft-Temperatursensors Prüfen (siehe Kapitel 3).
  • 129.
    KRAFTSTOFFANLAGE (DFI) 3-37 Selbstdiagnose Die Warnleuchte (LED) [A] dient als FI-Anzeige, Wegfahr- sperren-Kontrollleuchte (Modelle mit Wegfahrsperre) und Öldruck-Warnleuchte. Überblick über die Selbstdiagnose Die Selbstdiagnose besitzt zwei Betriebsarten, zwischen denen über die Instrumenteneinheit umgeschaltet werden kann. Benutzermodus Die ECU meldet dem Fahrer in den DFI-, Zünd- und Weg- fahrsperrensystemen auftretende Probleme durch Blinken der Warnleuchte (LED) [A], des FI-Warnsymbols [B] und des Wegfahrsperren-Warnsymbols [C], wenn Teile des DFI-, Zünd- oder Wegfahrsperrensystems defekt sind, und schaltet dann auf Fehlerbetrieb um. Bei schweren Fehlern schaltet die ECU Einspritzung/Zündung/Startermotor ab. Händlermodus Das Display (LCD) zeigt mit Servicecode(s) [A] an, wel- che Problem(e) im DFI-, Zünd- oder Wegfahrsperrensys- tem zum Diagnosezeitpunkt aufgetreten sind. Modelle mit Wegfahrsperre [B]
  • 130.
    3-38 KRAFTSTOFFANLAGE (DFI) Selbstdiagnose Schrittebei der Selbstdiagnose ○Bei einer Störung des DFI- oder Zündsystems wird der Fahrer durch Blinken der Warnleuchte (LED) [A] und des FI-Warnsymbols [B] gewarnt. ○Bei Modellen mit Wegfahrsperre wird der Fahrer bei einer Störung des Systems durch Blinken der Warnleuchte (LED) und des Wegfahrsperren-Warnsymbols [C] ge- warnt. ANMERKUNG ○Bei der Selbstdiagnose eine voll geladene Batterie ver- wenden. Andernfalls blinken Anzeige (LED) und Warn- symbol sehr langsam oder gar nicht. • Den Zündschalter einschalten. um den Kilometerzähler • Den MODE-Knopf [A] drücken, anzuzeigen. Modelle mit Wegfahrsperre [B]
  • 131.
    KRAFTSTOFFANLAGE (DFI) 3-39 Selbstdiagnose •Den MODUS-Knopf [A] mindestens zwei Sekunden drü- cken. • Der Servicecode [B] wird zweistellig auf dem Display an- gezeigt. Modelle mit Wegfahrsperre [C] •Die folgenden Vorgänge beenden die Selbstdiagnose. ○Bei Anzeige des Servicecodes auf dem Display den MO- DUS-Knopf mindestens zwei Sekunden drücken. ○Drehen des Zündschalters auf OFF. Selbstdiagnoseablaufplan
  • 132.
    3-40 KRAFTSTOFFANLAGE (DFI) Selbstdiagnose Lesender Servicecodes ○Servicecode(s) wird(werden) zweistellig auf dem Display angezeigt. ○Wenn mehrere Störungen auftreten, werden alle Störungscodes aufgezeichnet und beginnend mit der kleinsten Störungscode-Nummer der Reihe nach angezeigt. ○Nach Ausgabe aller Codes beginnt die Anzeige von vorn, bis der Zündschalter ausgeschaltet wird oder der MODE-Knopf mindestens zwei Sekunden gedrückt wird. ○Wenn zum Beispiel drei Störungen in der Reihenfolge 56, 15, 35 aufgetreten sind, so wird der kleinste Servicecode zuerst angezeigt (jeweils zwei Sekunden), wodurch sich folgende Ausgabe- reihenfolge ergibt: (15→35→56)→(15→35→56)→· · ·(beginnt von vorn) ○Wenn kein Defekt vor,liegt oder die Reparatur beendet ist, erlöschen die FI- und/oder die Wegfahr- sperren-Warnsymbole und es wird kein Servicecode angezeigt. Löschen von Servicecodes ○Wenn die Reparatur beendet ist, erlöschen die FI- und/oder die Wegfahrsperren-Warnsymbole und es wird kein Servicecode angezeigt. Die Servicecodes im Speicher der ECU werden jedoch nicht gelöscht, sodass sich das Problem auch später noch nachvollziehen lässt. Bei diesem Modell kann der Problemverlauf nicht gelöscht werden.
  • 133.
    KRAFTSTOFFANLAGE (DFI) 3-41 Selbstdiagnose Tabelleder Servicecodes Servicecode Probleme Fehlfunktion des Hauptdrosselklappensensors, Verkabelung unterbrochen oder 11 kurzgeschlossen Fehlfunktion des Ansaugluftdrucksensors, Verkabelung unterbrochen oder 12 kurzgeschlossen Fehlfunktion des Ansaugluft-Temperatursensors, Verkabelung unterbrochen oder 13 kurzgeschlossen Fehlfunktion des Wassertemperatursensors, Verkabelung unterbrochen oder 14 kurzgeschlossen Fehlfunktion des Umgebungsdrucksensors, Verkabelung unterbrochen oder 15 kurzgeschlossen Fehlfunktion des Kurbelwellensensors, Verkabelung unterbrochen oder 21 kurzgeschlossen Fehlfunktion des Nockenwellensensors, Verkabelung unterbrochen oder 23 kurzgeschlossen Fehlfunktion des Drehzahlsensors, Verkabelung unterbrochen oder 24 kurzgeschlossen Fehlfunktion des Gangpositionsschalters, Verkabelung unterbrochen oder 25 kurzgeschlossen Fehlfunktion des Umkippsensors, Verkabelung unterbrochen oder 31 kurzgeschlossen Fehlfunktion des Teillastsensors, Verkabelung unterbrochen oder 32 kurzgeschlossen Lambdasonde Nr. 1 inaktiv, Verkabelung unterbrochen oder kurzgeschlossen 33 (ausgerüstete Modelle) Fehlfunktion des Sensors der Auslassklappenventil-Stelleinheit, Verkabelung 34 unterbrochen oder kurzgeschlossen 35 Fehlfunktion des Wegfahrsperren-Verstärkers 36 Erkennung von Schlüsselrohlingen 39 Übertragungsfehler bei ECU Störung der Stabzündspule Nr. 1, Verkabelung unterbrochen oder 51 kurzgeschlossen Störung der Stabzündspule Nr. 2, Verkabelung unterbrochen oder 52 kurzgeschlossen Störung der Stabzündspule Nr. 3, Verkabelung unterbrochen oder 53 kurzgeschlossen Störung der Stabzündspule Nr. 4, Verkabelung unterbrochen oder 54 kurzgeschlossen 56 Störung des Kühlerlüfterrelais, Verkabelung unterbrochen oder kurzgeschlossen Fehlfunktion des Teillastventil-Stellantriebs, Verkabelung unterbrochen oder 62 kurzgeschlossen Fehlfunktion des Sensors der Auslassklappenventil-Stelleinheit, Verkabelung 63 unterbrochen oder kurzgeschlossen Störung des Unterdruckschaltventils, Verkabelung unterbrochen oder 64 kurzgeschlossen Störung der Lambdasonden-Heizung, Verkabelung unterbrochen oder 67 kurzgeschlossen (ausgerüstete Modelle)
  • 134.
    3-42 KRAFTSTOFFANLAGE (DFI) Selbstdiagnose Servicecode Probleme Lambdasonde Nr. 2 inaktiv, Verkabelung unterbrochen oder kurzgeschlossen 83 (ausgerüstete Modelle) Störung der Lambdasonde Nr. 1, Verkabelung unterbrochen oder 94 kurzgeschlossen (Modelle für Europa) Störung der Lambdasonde Nr. 2, Verkabelung unterbrochen oder 95 kurzgeschlossen (Modelle für Europa) Hinweise: ○Ursache für solche Probleme kann auch die ECU sein. Wenn alle geprüften Teile und Stromkreise in Ordnung sind, Masse und Stromversorgung der ECU prüfen. Wenn Stromversorgung und Mas- seanschluss einwandfrei sind, die ECU ersetzen. ○Wenn kein Servicecode ausgegeben wird und die elektrischen Komponenten des DFI-System stö- rungsfrei sind, dann wird die Störung vermutlich durch mechanische DFI-Komponenten oder Mo- tordefekte verursacht.
  • 135.
    KRAFTSTOFFANLAGE (DFI) 3-43 Selbstdiagnose Notlauffunktionen ○DieECU verhindert auf folgende Weise Motorschäden, wenn Probleme mit dem DFI-, Zünd- oder Wegfahrsperrensystem auftreten. Sollbereich des Service- Bauteile Ausgangssignals bzw. Notlauffunktionen durch ECU codes Kriterium Wenn die Regelung mit dem Hauptdrosselklappensensor ausfällt (die Ausgangsspannung außerhalb des Sollwertes liegt, die Verkabelung Hauptdrossel- Ausgangsspannung 11 unterbrochen oder kurzgeschlossen ist), klappensensor 0,2 ∼ 4,8 V benutzt die ECU den Zündzeitpunkt bei geschlossener Drosselklappe und stellt für das DFI-System das D-J-Verfahren ein. Bei Störung des Ansaugluftdrucksensors Ansaugluftdruck (Signal außerhalb des Sollwerts, Ansaugluft- 12 (Absolutdruck) Verkabelung unterbrochen oder drucksensor Pv = 100 ∼ 900 mmHg kurzgeschlossen), versetzt die ECU das DFI-System in das α-N Verfahren (1). Bei Störung des Ansaugluft -Temperatursensorsystems (Signal Ansaugluft Ansauglufttemperatur 13 außerhalb des Sollwerts, Verkabelung -Temperatursensor = – 47 ∼ + 178°C Ta unterbrochen oder kurzgeschlossen), fixiert die ECU Ta bei 30°C. Bei Störung des Wassertemperatursen- sors (Signal außerhalb des Sollwerts, Wassertempe- Wassertemperatur Verkabelung unterbrochen oder kurzge- 14 ratursensor Tw = – 30 ∼ + 120°C schlossen), fixiert die ECU Tw bei 80°C. Bei Einschaltung eines Kühlerlüfters stellt die ECU Tw bei 110°C ein. Bei Störung des Umgebungsdrucksen- Umgebungsdruck sors (Signal außerhalb des Sollwerts, Umgebungs- 15 (Absolutdruck) Verkabelung unterbrochen oder kurzge- drucksensor Pa = 100 ∼ 900 mmHg schlossen), fixiert die ECU Pa auf 760 mmHg (Standard-Umgebungsdruck). Der Kurbelwellensensor muss für 1 Wenn der Kurbelwellensensor weniger Kurbelwellen- 21 Wellenumdrehung 22 oder mehr als 22 Impulse erzeugt, stoppt sensor Impulse an die ECU der Motor automatisch. senden. Wenn die Regelung mit dem Nockenwellensensors ausfällt (das Signal Der Nockenwellenposi- Nockenwel- fehlt, die Verkabelung unterbrochen tionssensor muss für 2 23 lenpositions- oder kurzgeschlossen ist), zündet die Wellenumdrehungen 1 Im- sensor ECU die Zylinder weiter so wie bei puls an die ECU senden. der letzten einwandfreien Funktion der Zündsteuerung. Der Drehzahlsensor Wenn der Drehzahlsensorstromkreis Drehzahlsen- muss pro Umdrehung der ausfällt (kein Signal, Verkabelung 24 sor Antriebswelle 8 Impulse unterbrochen oder kurzgeschlossen), an die ECU senden. zeigt der Tachometer 0 an.
  • 136.
    3-44 KRAFTSTOFFANLAGE (DFI) Selbstdiagnose Sollbereich des Service- Bauteile Ausgangssignals bzw. Notlauffunktionen durch ECU codes Kriterium Ausgangsspannung Gangpositions- (Signal) des Die ECU stellt den obersten Gang (6.) 25 schalter Gangpositionsschalters ein. Vd = 0,2 V ∼ 4,8 V Bei Störung des Umkippsensors (Ausgangsspannung außerhalb des Ausgangsspannung Sollwerts, Verkabelung unterbrochen 31 Umkippsensor 0,65 ∼ 4,45 V oder kurzgeschlossen) schaltet die ECU Kraftstoffpumpenrelais, Einspritzventile und Zündsystem ab. Bei Störung des Teillastventilsensors (Ausgangsspannung außerhalb des Sollwerts, Verkabelung unterbrochen Ausgangsspannung oder kurzgeschlossen) verriegelt 32 Teillastsensor 0,15 ∼ 4,85 V die ECU das Teillastventil in voll geöffneter Stellung und unterbricht die Stromversorgung zur Teillastventil-Stelleinheit. Die Lambdasonde Nr. 1 Lambdasonde ist aktiv und muss an die Wenn die Lambdasonde nicht aktiv ist, Nr. 1 33 ECU ununterbrochen bricht die ECU den Feedback-Modus der (ausgerüstete Signale senden Lambdasonde ab. Modelle) (Ausgangsspannung). Falls die Regelung mit dem Auslassklappenventilsensors ausfällt (Ausgangsspannung außerhalb des Sensor der Sollwerts, Verkabelung unterbrochen Auslass- Ausgangsspannung 34 oder kurzgeschlossen), verriegelt klappenven- 0,1 ∼ 4,8 V die ECU das Auslassklappenventil til-Stelleinheit in fast voll geöffneter Stellung und unterbricht die Stromversorgung zur Auslassklappenventil-Stelleinheit. Bei Störung des Wegfahrsperrensystems (kein Signal, Verkabelung unterbrochen Wegfahrsper- 35 – oder kurzgeschlossen) kann das ren-Verstärker Motorrad nicht gestartet und gefahren werden. Bei Verwendung eines Schlüsselrohlings Haupt- oder Der Benutzer- oder oder eines beschädigten Schlüssels 36 Benutzer- Hauptschlüssel muss kann das Motorrad nicht gestartet und schlüssel registriert sein. gefahren werden. Die ECU überträgt die Daten (Gangposition 39 ECU -Servicecode und – Schlüsselregistrierung) zur Instrumenteneinheit.
  • 137.
    KRAFTSTOFFANLAGE (DFI) 3-45 Selbstdiagnose Sollbereich des Service- Bauteile Ausgangssignals bzw. Notlauffunktionen durch ECU codes Kriterium Bei Ausfall der Stabzündspulen -Primärwicklung Nr. 1 (kein Signal, Die Stabzündspulen Verkabelung unterbrochen oder -Primärwicklung Stabzündspule kurzgeschlossen) schaltet die ECU 51 muss ununterbrochen Nr. 1* das Einspritzventil Nr. 1 ab, um die mindestens 20 Signale an Kraftstoffzufuhr zum Zylinder Nr. 1 zu die ECU senden. unterbrechen, der Motor läuft jedoch weiter. Bei Ausfall der Stabzündspulen -Primärwicklung Nr. 2 (kein Signal, Die Stabzündspulen Verkabelung unterbrochen oder -Primärwicklung Stabzündspule kurzgeschlossen) schaltet die ECU 52 muss ununterbrochen Nr. 2* das Einspritzventil Nr. 2 ab, um die mindestens 20 Signale an Kraftstoffzufuhr zum Zylinder Nr. 2 zu die ECU senden. unterbrechen, der Motor läuft jedoch weiter. Bei Ausfall der Stabzündspulen -Primärwicklung Nr. 3 (kein Signal, Die Stabzündspulen Verkabelung unterbrochen oder -Primärwicklung Stabzündspule kurzgeschlossen) schaltet die ECU 53 muss ununterbrochen Nr. 3* das Einspritzventil Nr. 3 ab, um die mindestens 20 Signale an Kraftstoffzufuhr zum Zylinder Nr. 3 zu die ECU senden. unterbrechen, der Motor läuft jedoch weiter. Bei Ausfall der Stabzündspulen -Primärwicklung Nr. 4 (kein Signal, Die Stabzündspulen Verkabelung unterbrochen oder -Primärwicklung Stabzündspule kurzgeschlossen) schaltet die ECU 54 muss ununterbrochen Nr. 4* das Einspritzventil Nr. 4 ab, um die mindestens 20 Signale an Kraftstoffzufuhr zum Zylinder Nr. 4 zu die ECU senden. unterbrechen, der Motor läuft jedoch weiter. Kühlerlüfter- In Position OFF ist das 56 – relais Lüfterrelais offen. Wenn die Stelleinheit für das Teillastventil Die Stelleinheit öffnet und ausfällt (Signal außerhalb des Sollwerts, Teillastventil schließt das Teillastventil 62 Verkabelung unterbrochen oder -Stelleinheit durch ein Impulssignal von kurzgeschlossen), unterbricht die ECU der ECU. den Strom zur Stelleinheit. Die Stelleinheit öffnet Wenn die Auslassklappenventil Auslass- und schließt das -Stelleinheit ausfällt (Signal außerhalb 63 klappenven- Auslassklappenventil des Sollwerts, Verkabelung unterbrochen til-Stelleinheit durch ein Impulssignal von oder kurzgeschlossen), unterbricht die der ECU. ECU den Strom zur Stelleinheit. Das Unterdruckschaltventil regelt den Unterdruck- 64 Sekundärluftstrom durch – schaltventil Öffnen und Schließen des Magnetventils.
  • 138.
    3-46 KRAFTSTOFFANLAGE (DFI) Selbstdiagnose Sollbereich des Service- Bauteile Ausgangssignals bzw. Notlauffunktionen durch ECU codes Kriterium Das Lambdasonden Fällt die Lambdasonden-Heizung Lambdason- -Heizelement erwärmt aus (Verkabelung unterbrochen oder den-Heizung die Lambdasonde, damit kurzgeschlossen), unterbricht die ECU 67 (ausgerüstete diese früher aktiviert den Strom zum Heizelement und bricht Modelle) werden kann. 12 V-3,6 W, den Feedback-Modus der Lambdasonde 1,5 A ab. Die Lambdasonde Nr. 1 Lambdasonde ist aktiv und muss an die Wenn die Lambdasonde nicht aktiv ist, Nr. 2 83 ECU ununterbrochen bricht die ECU den Feedback-Modus der (ausgerüstete Signale senden Lambdasonde ab. Modelle) (Ausgangsspannung). Die Lambdasonde Ist die Ausgangsspannung der Lambdasonde Nr. 1 muss Lambdasonde Nr. 1 nicht Nr. 1 94 ununterbrochen Signale korrekt, bricht die ECU den (ausgerüstete (Ausgangsspannung) an Lambdasonden-Feedback-Modus Modelle) die ECU senden. ab. Die Lambdasonde Lambdasonde Ist die Ausgangsspannung der Nr. 1 muss Nr. 2 Lambdasonde Nr. 2 nicht korrekt, bricht 95 ununterbrochen Signale (ausgerüstete die ECU den Feedback-Modus der (Ausgangsspannung) an Modelle) Lambdasonde ab. die ECU senden. Hinweis: (1) α-N Verfahren: Die DFI-Regelung bei mittlerer und schwerer Motorlast. Wenn der Motor wie im Leerlauf oder bei niedriger Drehzahl nur gering belastet wird, bestimmt die ECU die Einspritzmenge unter Berücksichtigung des Drosselklappenunterdrucks (Ausgangsspannung des Ansaugluftdruck- sensors) und der Motordrehzahl (Ausgangsspannung des Kurbelwellensensors). Dieses Verfahren ist das so genannte D-J-Verfahren. Bei steigender Motordrehzahl und mittlerer oder hoher Motor- last berechnet die ECU die Einspritzmenge aus der Drosselklappenöffnung (Ausgangsspannung am Drosselklappensensor) und der Motordrehzahl. Dieses Verfahren ist das so genannte α-N Verfahren. *: Hängt von der Anzahl der nicht mitlaufenden Zylinder ab.
  • 139.
    KRAFTSTOFFANLAGE (DFI) 3-47 Hauptdrosselklappensensor(Servicecode 11) Der Hauptdrosselklappensensor ist ein Potentiometer, das die Ausgangsspannung je nach Reaktion der Drossel- klappe verändert. Die ECU misst die Spannungsänderung und bestimmt dann, welche Kraftstoffeinspritzmenge und welcher Zündzeitpunkt für diese Drosselklappenstellung und Motordrehzahl benötigt werden. Eingangsanschluss [A] Ausgangsanschluss [B] Masseanschluss [C] Ausbau/Einstellung des Hauptdrosselklap- pensensors VORSICHT Den Hauptdrosselklappensensor nicht ausbauen oder einstellen. Er wurde bereits im Werk hochge- nau eingestellt und eingebaut. Das Drosselklappengehäuse niemals fallen lassen, besonders nicht auf harte Flächen. Fall oder Stoß kann den Sensor beschädigen. Verbinder für Hauptdrosselklappensensor [A] Überprüfung der Eingangsspannung des Hauptdrosselklappensensors ANMERKUNG ○Die Batterie muss voll aufgeladen sein. • DenECU ausbauenausschalten. der ECU"). Die ECU Zündschalter • Die (siehe "Ausbau -Steckverbinder nicht abziehen. • Ein Digitalvoltmeter [A] mit dem Nadeladaptersatz an die Verbinder [B] anschließen. Spezialwerkzeug - Nadeladaptersatz: 57001-1457 Eingangsspannung für Hauptdrosselklappensensor Anschlüsse an den ECU-Steckverbinder Multimeter (+) → blaues Kabel (Klemme 10) Multimeter (–) → braun/schwarzes Kabel (Klemme 28) • Die angeschlossenen Verbindern messen. Motor und mit Eingangsspannung bei ausgeschaltetem • Den Zündschalter einschalten.
  • 140.
    3-48 KRAFTSTOFFANLAGE (DFI) Hauptdrosselklappensensor(Servicecode 11) Eingangsspannung am ECU-Verbinder Standard: 4,75 ∼ 5,25 V DC • Den Zündschalter ausschalten. Liegt der Messwert der Eingangsspannung unterhalb des Sollwerts, die Masseverbindung und Stromversorgung der ECU und die Verkabelung auf Kurzschluss prüfen. Wenn die Eingangsspannung innerhalb des Sollwerts liegt, die Eingangsspannung am Verbinder des Haupt- drosselklappensensors kontrollieren. • Ausbauen: Luftfiltergehäuse (siehe "Ausbau des Luftfiltergehäu- ses") Kraftstoffpumpen-Kabelverbinder (siehe "Ausbau des Kraftstofftanks") • Den Verbinder des Hauptdrosselklappensensors Ka- ziehen und den Kabelbaumadapter [A] zwischen ab- belbaumverbinder und Hauptdrosselklappensensor anschließen. • Ein Digitalmultimeter [B] an den Kabelbaumadapterka- beln anschließen. Spezialwerkzeug - Adapter zur Drosselklappensensor-Einstellung: 57001-1538 Eingangsspannung für Hauptdrosselklappensensor Anschlüsse am Sensor Multimeter (+) → blaues Kabel Multimeter (–)→ braun/schwarzes Kabel • Das Drosselklappengehäuses"). des Drosselklappengehäuse einbauen (siehe "Einbau • Dieund mit angeschlossenem Verbinder messen. Mo- tor Sensoreingangsspannung bei ausgeschaltetem • Den Zündschalter einschalten. Eingangsspannung am Sensor Sollwert: 4,75 ∼ 5,25 V DC • Den Zündschalter ausschalten.des zulässigen Bereichs, Liegt der Messwert außerhalb die Verkabelung überprüfen (siehe Schaltplan). Falls der Messwert in Ordnung ist, die Ausgangsspan- nung des Sensors prüfen.
  • 141.
    KRAFTSTOFFANLAGE (DFI) 3-49 Hauptdrosselklappensensor(Servicecode 11) Prüfung der Ausgangsspannung des Hauptdrosselklappensensors • Die Ausgangsspannung an der ECU genauso wie die Ein- gangsspannung messen. Digitalvoltmeter [A] Steckverbinder [B] Spezialwerkzeug - Nadeladaptersatz: 57001-1457 Ausgangsspannung des Hauptdrosselklappensensors Anschlüsse an der ECU Multimeter (+) → gelb/weißes Kabel (Klemme 7) Multimeter (–) → braun/schwarzes Kabel (Klemme 28) • Denrichtigestarten und warmlaufen lassen. der Leerlauf- Motor • drehzahl prüfen. der Drosselklappe mit Die Stellung Leerlaufdrehzahl Standard: 1.300 U/min Wenn die Leerlaufdrehzahl außerhalb des Sollwerts liegt, die Leerlaufdrehzahl einstellen (siehe "Einstellung der Leerlaufdrehzahl" im Kapitel "Regelmäßige Wartung"). • Den Zündschalter ausschalten. • Die Ausgangsspannung bei ausgeschaltetem Motor und mit angeschlossenem Steckverbinder messen. • Den Zündschalter einschalten. • Die Ausgangsspannung messen, wenn die Drossel- klappe voll geöffnet oder vollständig geschlossen ist. Ausgangsspannung an der ECU Standard: 1,025 ∼ 1,055 V DC (mit Drosselklappe auf Leerlauf) Ca. 4,22 ∼ 4,42 V DC (mit ganz geöffneter Drosselklappe) Liegt die Ausgangsspannung innerhalb des Sollwerts, die Masseverbindung und Stromversorgung der ECU überprüfen (siehe "Prüfung der ECU-Stromversorgung"). Sind Masseverbindung und Stromversorgung in Ord- nung, die ECU ersetzen. Liegt die Ausgangsspannung deutlich außerhalb des Sollwerts (beträgt z. B. die Spannung bei Unterbrechung der Verkabelung ca. 0 V), die Ausgangsspannung erneut am Verbinder des Sensors überprüfen.
  • 142.
    3-50 KRAFTSTOFFANLAGE (DFI) Hauptdrosselklappensensor(Servicecode 11) • Den Verbinder des Hauptdrosselklappensensors Ka- ziehen und den Kabelbaumadapter [A] zwischen ab- belbaumverbinder und Hauptdrosselklappensensor anschließen. • Ein Digitalmultimeter [B] an den Kabelbaumadapterka- beln anschließen. Spezialwerkzeug - Adapter zur Drosselklappensensor-Einstellung: 57001-1538 Ausgangsspannung des Hauptdrosselklappensensors Anschlüsse am Sensor Multimeter (+) → gelb/weißes Kabel Multimeter (–)→ braun/schwarzes Kabel • Dieund mit angeschlossenem Verbinder messen. Mo- tor Sensorausgangsspannung bei ausgeschaltetem • Den Zündschalter einschalten. wenn die Drossel- • Die Ausgangsspannung vollständig geschlossen ist. klappe voll geöffnet oder messen, Ausgangsspannung am Sensor Standard: 1,025 ∼ 1,055 V DC (mit Drosselklappe auf Leerlauf) Ca. 4,22 ∼ 4,42 V DC (mit ganz geöffneter Drosselklappe) VORSICHT Den Hauptdrosselklappensensor nicht ausbauen oder einstellen. Die Einstellung und der Einbau erfolgten bereits hochgenau im Werk. • NachKabelbaumadapter entfernen. der Drosselklappe den Prüfung der Sensorspannung Falls der Messwert außerhalb des Sollwerts liegt, den Wi- derstand des Drosselklappensensors prüfen. Falls die Ausgangsspannung normal ist, die Verkabelung auf Durchgang überprüfen (siehe nächsten Schaltplan). Widerstandsprüfung des Hauptdrosselklap- pensensors • Den Zündschalter ausschalten. • Den Verbinder des Hauptdrosselklappensensors abzie- hen. • Ein Digitalmultimeteranschließen. des Hauptdrossel- klappensensors [B] [A] am Verbinder • Den Widerstand des Hauptdrosselklappensensors mes- sen. Widerstand des Hauptdrosselklappensensors blaues Kabel [C] ←→ braun/schwarzes Anschlüsse: Kabel [D] Standard: Ca. 5 kΩ Liegt der Messwert außerhalb des Sollwerts, das Dros- selklappengehäuse ersetzen (siehe "Ausbau/Einbau des Drosselklappengehäuses"). Liegt der Messwert innerhalb des Sollwerts, obwohl das Problem nicht beseitigt ist, die ECU ersetzen (siehe "Aus- bau/Einbau der ECU").
  • 143.
    KRAFTSTOFFANLAGE (DFI) 3-51 Hauptdrosselklappensensor(Servicecode 11) Schaltkreis des Hauptdrosselklappensensors 1. ECU 2. Hauptdrosselklappensensor 3. Teillastsensor
  • 144.
    3-52 KRAFTSTOFFANLAGE (DFI) Ansaugluftdrucksensor(Servicecode 12) VORSICHT Den Sensor keinesfalls fallen lassen, besonders nicht auf harten Boden. Fall oder Stoß kann das Teil beschädigen. Ausbau des Ansaugluftdrucksensors • Den Zündschalter ausschalten. "Ausbau des Luftfil- • Den Kraftstofftank aufstellen (siehe tergehäuses"). • Ausbauen: [A] des Ansaugluftdrucksensors Steckverbinder Ansaugluftdrucksensor [B] Unterdruckschlauch [C] Einbau des Ansaugluftdrucksensors • Folgende Teile einbauen: Unterdruckschlauch [A] • Den Gummidämpfer Luftfiltergehäuse einpassen. [C] in den Schlitz [D] im [B] des Ansaugluftdrucksensors • Den Steckverbinder anschließen. Prüfung der Eingangsspannung des Ansaugluftdrucksensors ANMERKUNG ○Die Batterie muss voll aufgeladen sein. ○Die Überprüfung erfolgt auf gleiche Weise wie die “Überprüfung der Eingangsspannung” des Drossel- klappen- und Umgebungsdrucksensors. • DenECU ausbauenausschalten. der ECU"). Die ECU Zündschalter • -Steckverbinder nicht abziehen. Die (siehe "Ausbau • Ein Digitalvoltmeter [A] mit dem Nadeladaptersatz am Verbinder [B] anschließen. Spezialwerkzeug - Nadeladaptersatz: 57001-1457 Eingangsspannung des Ansaugluftdrucksensors Anschlüsse an der ECU Multimeter (+) → blaues Kabel (Klemme 10) Multimeter (–) → braun/schwarzes Kabel (Klemme 28) • Die angeschlossenen Verbindern messen. Motor und mit Eingangsspannung bei ausgeschaltetem • Den Zündschalter einschalten. Eingangsspannung an der ECU Standard: 4,75 ∼ 5,25 V DC Liegt der Messwert unterhalb des Sollwerts, die Masse- verbindung und Stromversorgung der ECU prüfen (siehe "Prüfung der ECU-Stromversorgung"). Sind Massever- bindung und Stromversorgung in Ordnung, die ECU er- setzen (siehe "Ausbau/Einbau der ECU").
  • 145.
    KRAFTSTOFFANLAGE (DFI) 3-53 Ansaugluftdrucksensor(Servicecode 12) Wenn der Messwert im zulässigen Bereich liegt, die Ein- gangsspannung am Verbinder des Sensors kontrollieren. • Den Verbinder des Ansaugluftdrucksensors abziehen und den Kabelbaumadapter [A] zwischen Hilfskabel- baumverbinder und dem Verbinder des Ansaugluftdruck- sensors anschließen. • Ein Digitalmultimeter [B] an den Kabelbaumadapterka- beln anschließen. Spezialwerkzeug - Sensor-Kabelbaumadapter: 57001-1561 Eingangsspannung des Ansaugluftdrucksensors Anschlüsse am Sensor Multimeter (+) → blaues Kabel [C] Multimeter (–) → braun/schwarzes Kabel [D] • Die Eingangsspannung bei gestopptem Motor messen. • Den Zündschalter einschalten. Eingangsspannung am Sensorverbinder Standard: 4,75 ∼ 5,25 V DC Liegt der Messwert außerhalb des Sollwerts, die Verka- belung überprüfen (siehe Schaltplan). Wenn der Messwert in Ordnung ist, ist die Eingangsspan- nung normal. Die Ausgangsspannung prüfen. • Den Zündschalter ausschalten. Prüfung der Ausgangsspannung des Ansaugluftdrucksensors • Die Ausgangsspannung an der ECU genauso wie die Ein- gangsspannung messen. Ausgangsspannung des Ansaugluftdrucksensors Anschlüsse an der ECU Multimeter (+) → gelb/blaues Kabel (Klemme 8) Multimeter (–) → braun/schwarzes Kabel (Klemme 28) Ausgangsspannung an der ECU Nutzbarer 3,80 ∼ 4,20 V DC bei normalem Bereich: Umgebungsdruck (101,32 kPa, 76 cmHg abs.) ANMERKUNG ○Die Ausgangsspannung ändert sich entsprechend dem örtlichen Luftdruck. ○Die Ausgangsspannung des Ansaugluftdrucksensors basiert auf dem nahezu perfekten Unterdruck in der kleinen Druckkammer des Sensors. Daher zeigt der Sensor den absoluten Unterdruck an. Liegt die Ausgangsspannung innerhalb des Sollwerts, die Masseverbindung und die Stromversorgung der ECU prü- fen (siehe "Prüfung der ECU-Stromversorgung"). Sind Masseverbindung und Stromversorgung in Ordnung, die ECU ersetzen (siehe "Ausbau/Einbau der ECU").
  • 146.
    3-54 KRAFTSTOFFANLAGE (DFI) Ansaugluftdrucksensor(Servicecode 12) Liegt die Ausgangsspannung deutlich außerhalb des Sollwerts (z. B. beträgt bei Unterbrechung der Verkabe- lung die Spannung ca. 1,8 V), die Ausgangsspannung am Sensorverbinder [A] erneut kontrollieren. • Ein Digitalmultimeter an dem Verbinder für die Kabelbau- madapterkabel anschließen. Ansaugluftdrucksensor [B] Spezialwerkzeug - Sensor-Kabelbaumadapter: 57001-1561 Ausgangsspannung des Ansaugluftdrucksensors Anschlüsse am Sensor Multimeter (+) → gelb/blaues Kabel [C] Multimeter (–) → braun/schwarzes Kabel [D] Ausgangsspannung am Sensor-Steckverbinder Nutzbarer 3,80 ∼ 4,20 V DC bei normalem Bereich: Umgebungsdruck (101,32 kPa, 76 cmHg abs.) Falls die Ausgangsspannung normal ist, die Verkabelung auf Durchgang überprüfen. Liegt die Ausgangsspannung außerhalb des Sollwerts, den Sensor austauschen. • Den Zündschalter ausschalten. • Den Adapter vom Sensor-Kabelbaum entfernen. Schaltkreis des Ansaugluftdrucksensors 1. ECU 2. Ansaugluftdrucksensor Falls der Ansaugluftdrucksensor bei einem anderen Un- terdruck als 76 cmHg (abs.) geprüft werden muss, die Ausgangsspannung wie folgt kontrollieren.
  • 147.
    KRAFTSTOFFANLAGE (DFI) 3-55 Ansaugluftdrucksensor(Servicecode 12) • Den Ansaugluftdrucksensorabziehen. und den Unter- druckschlauch vom Sensor [A] abbauen ○Den Verbinder für den Sensor nicht abziehen. • Einen Zubehörschlauch [B] am Ansaugluftdrucksensor anschließen. • Den handelsübliches Digitalmultimeter [C], die Unter- ○Ein Ansaugluftdrucksensor provisorisch einbauen. druckanzeige [D] und den Gabelölstandsanzeige [E] am Ansaugluftdrucksensor anschließen. Spezialwerkzeuge - Gabelölstand-Messgerät: 57001-1290 Sensor-Kabelbaumadapter: 57001-1561 Ausgangsspannungsanschluss für Ansaugluftdrucksen- sor Multimeter (+) → gelb/blaues Kabel Multimeter (–) → braun/schwarzes Kabel ○Den Zündschalter einschalten. ○Den Griff des Gabelölstand-Messgeräts pumpen und die Ausgangsspannung des Ansaugluftdrucksensors bei ver- schiedenen Unterdruckwerten messen. ○Die Ausgangsspannung des Ansaugluftdrucksensors mit folgender Formel und Tabelle prüfen. Annahme: Pg: Unterdruck (Manometer) des Drosselklappengehäu- ses Pl: Örtlicher Umgebungsdruck (Absolutdruck) gemessen mit einem Barometer Pv: Unterdruck (absolut) des Drosselklappengehäuses Vv: Sensor-Ausgangsspannung (V) dann gilt Pv = Pl – Pg Beispiel: Es werden folgende Daten angezeigt: Pg = 8 cmHg (Messwert des Unterdruckmanometers) Pl = 70 cmHg (Messwert des Barometers) Vv = 3,2 V (Anzeige des Digitalmultimeters) dann gilt Pv = 70 – 8 = 62 cmHg (abs.) Diesen Wert Pv (62 cmHg) als Punkt [1] in die Tabelle ein- tragen und eine vertikale Linie durch diesen Punkt ziehen. Daraus ergibt sich der nutzbare Bereich [2] für die Sensor- ausgangsspannung. Nutzbarer Bereich = 3,08 ∼ 3,48 V Den Wert Vv (3,2 V) auf die vertikale Linie eintragen. → Punkt [3]. Ergebnisse: In der Abbildung liegt Vv im nutzbaren Be- reich, und der Sensor funktioniert normal.
  • 148.
    3-56 KRAFTSTOFFANLAGE (DFI) Ansaugluftdrucksensor(Servicecode 12) ID: Leerlauf Ps: Standard-Umgebungsdruck (Absolutdruck) Pv: Drosselklappenunterdruck (Absolutdruck) ST: Sollwert der Sensor-Ausgangsspannung (V) TO: Drosselklappe voll geöffnet UR: Nutzbarer Bereich der Sensor-Ausgangsspannung (V) Vv: Ausgangsspannung des Ansaugluftdrucksensors (V) (Anzeige des Digitalmultimeters)
  • 149.
    KRAFTSTOFFANLAGE (DFI) 3-57 Ansaugluft-Temperatursensor(Servicecode 13) Ausbau/Einbau des Ansaugluft -Temperatursensors VORSICHT Den Sensor keinesfalls fallen lassen, besonders nicht auf harten Boden. Fall oder Stoß kann den Sensor beschädigen. • Den Kraftstofftank aufstellen (siehe "Ausbau des Luftfil- tergehäuses"). • Den Verbinder [A] vom Ansaugluft-Temperatursensor ab- ziehen. • Den Ansaugluft-Temperatursensor [B] herausziehen. • Deneinbauen. [B] Ansaugluft-Temperatursensor [A] in der Schutzhülle Prüfung der Ausgangsspannung des Ansauglufttemperatursensors ANMERKUNG ○Die Batterie muss voll aufgeladen sein. • Die ECU ausbauen (siehe "Ausbau der ECU"). Die ECU -Steckverbinder nicht abziehen. • Ein Digitalvoltmeter [A] mit dem Nadeladaptersatz [B] am ECU-Verbinder anschließen. Spezialwerkzeug - Nadeladaptersatz: 57001-1457 Ausgangsspannung des Ansaugluft-Temperatursensors Anschlüsse an den ECU-Steckverbinder Multimeter (+) → gelbes Kabel (Klemme 26) Multimeter (–) → braun/schwarzes Kabel (Klemme 28) • Dieund mit angeschlossenem Verbinder messen. Mo- tor Sensorausgangsspannung bei ausgeschaltetem • Den Zündschalter einschalten. Ausgangsspannung an der ECU Standard: Ca. 2,25 ∼ 2,50 V bei einer Ansauglufttemperatur von 20°C ANMERKUNG ○Die Ausgangsspannung ändert sich entsprechend der Ansauglufttemperatur. • Den Zündschalter ausschalten.
  • 150.
    3-58 KRAFTSTOFFANLAGE (DFI) Ansaugluft-Temperatursensor(Servicecode 13) Liegt die Ausgangsspannung außerhalb des Sollwerts, die Masseverbindung und die Stromversorgung der ECU prüfen (siehe "Prüfung der ECU-Stromversorgung"). Sind Masseverbindung und Stromversorgung in Ord- nung, die ECU ersetzen (siehe "Ausbau/Einbau der ECU"). Liegt die Ausgangsspannung deutlich außerhalb des Standardbereichs (beträgt z. B. die Spannung bei Unter- brechung der Verkabelung ca. 5,0 V), die Verkabelung überprüfen. • Den Nadeladaptersatz entfernen, und Silikondichtmittel auf die Dichtungen der Verbinder auftragen, um sie was- serfest zu machen. Dichtmittel - Kawasaki Bond (Silikondichtmittel): 56019-120 Wenn die Verkabelung in Ordnung ist, den Widerstand des Sensors prüfen. Prüfung des Widerstands des Ansaugluft -Temperatursensors • Den Ansaugluft-Temperatursensor ausbauen (siehe "Ausbau des Ansaugluft-Temperatursensors"). • Den Sensor [A] in einen Behälter mit Maschinenöl hän- gen, so dass der Temperaturmessfühler darin eintaucht. • Ein Thermometergleicheraufhängen,dem Sensor ist. terspitze [C] auf [B] so Höhe mit dass die Thermome- ANMERKUNG ○Sensor und Thermometer dürfen weder die Wand noch den Boden des Behälters berühren. • Den Behälter auf eine Wärmequelle platzieren und lang- sam die Öltemperatur erhöhen. Das Öl umrühren, um eine gleichmäßige Temperaturverteilung zu gewährleis- ten. • Mit einem Digitalmultimeter den internen Widerstand des Sensors zwischen den Klemmen bei den in der Tabelle angegebenen Temperaturen messen. Widerstand des Ansaugluft-Temperatursensors Standard: 2,09 ∼ 2,81 kΩ bei 20°C Ca. 0,322 kΩ (bei 80°C) (Bezugswert) Falls die Messwerte nicht den Vorgaben entsprechen, den Sensor ersetzen. Liegt der Messwert innerhalb des Sollwerts, die ECU er- setzen (siehe "Ausbau/Einbau der ECU").
  • 151.
    KRAFTSTOFFANLAGE (DFI) 3-59 Ansaugluft-Temperatursensor(Servicecode 13) Schaltkreis des Ansaugluft-Temperatursensors 1. ECU 2. Ansaugluft-Temperatursensor
  • 152.
    3-60 KRAFTSTOFFANLAGE (DFI) Wassertemperatursensor(Servicecode 14) Ausbau/Einbau des Wassertemperatursensors VORSICHT Den Sensor keinesfalls fallen lassen, besonders nicht auf harten Boden. Fall oder Stoß kann den Sensor beschädigen. • Die Kühlflüssigkeit ablassen (siehe "Wechsel der Kühl- flüssigkeit" im Kapitel "Regelmäßige Wartung"). • Das Drosselklappengehäuses"). des Drosselklappengehäuse ausbauen (siehe "Ausbau • Ausbauen: Verbinder Gummi-Wärmedämmung Wassertemperatursensor [A] • Die Dichtung durch eine neue ersetzen. • Silikondichtmittel auf die Gewindegänge des Wassertem- peratursensors auftragen und festziehen. Dichtmittel - Kawasaki Bond (Silikondichtmittel): 56019-120 Anzugsmoment - Wassertemperatursensor: 25 N·m (2,5 kgf·m) • Den Motor mit Kühlflüssigkeit füllen und das Kühlsystem entlüften (siehe "Auffüllen der Kühlflüssigkeit" im Kapitel "Kühlsystem"). Prüfung der Ausgangsspannung des Wassertemperatursensors ANMERKUNG ○Die Batterie muss voll aufgeladen sein. • Die ECU ausbauen (siehe "Ausbau der ECU"). Die Steck- verbinder nicht abklemmen. • Einden ECU-Verbinder mit anschließen. an Digitalvoltmeter [A] [B] Hilfe des Nadeladaptersatzes Spezialwerkzeug - Nadeladaptersatz: 57001-1457 Ausgangsspannung des Wassertemperatursensors Anschlüsse an der ECU Multimeter (+) → orangefarbenes Kabel (Klemme 9) Multimeter (–) → braun/schwarzes Kabel (Klemme 28) • Dieund mit angeschlossenem Verbinder messen. Mo- tor Sensorausgangsspannung bei ausgeschaltetem • Den Zündschalter einschalten. Ausgangsspannung an der ECU Standard: Ca. 2,80 ∼ 2,97 V bei 20°C ANMERKUNG ○Die Ausgangsspannung ändert sich entsprechend der Kühlflüssigkeitstemperatur im Motor.
  • 153.
    KRAFTSTOFFANLAGE (DFI) 3-61 Wassertemperatursensor(Servicecode 14) • Den Zündschalter ausschalten.außerhalb des Sollwerts, Liegt die Ausgangsspannung die Masseverbindung und die Stromversorgung der ECU prüfen (siehe "Prüfung der ECU-Stromversorgung"). Sind Masseverbindung und Stromversorgung in Ord- nung, die ECU ersetzen (siehe "Ausbau/Einbau der ECU"). Liegt die Ausgangsspannung deutlich außerhalb des Standardbereichs (beträgt z. B. die Spannung bei Un- terbrechung der Verkabelung ca. 5 V), die Verkabelung überprüfen. Falls die Verkabelung in Ordnung ist, den Widerstand des Wassertemperatursensors prüfen. • Den Nadeladaptersatz entfernen, und Silikondichtmittel auf die Dichtungen der Verbinder auftragen, um sie was- serfest zu machen. Dichtmittel - Kawasaki Bond (Silikondichtmittel): 56019-120 Schaltkreis des Wassertemperatursensors 1. ECU 2. Instrumenteneinheit 3. Wassertemperatursensor Prüfung des Wassertemperatursensor -Widerstands • Den Wassertemperatursensor ausbauen (siehe "Aus- bau/Einbau des Wassertemperatursensors"). • Hinweiseim Kapitel "Elektrik". den Sie zur Prüfung des Wassertemperatursensors fin-
  • 154.
    3-62 KRAFTSTOFFANLAGE (DFI) Umgebungsdrucksensor(Servicecode 15) VORSICHT Den Sensor keinesfalls fallen lassen, besonders nicht auf harten Boden. Fall oder Stoß kann den Sensor beschädigen. Ausbau des Umgebungsdrucksensors • Den Zündschalter ausschalten. • Ausbauen: "Ausbau des Sitzes" im Kapitel "Rahmen") Sitz (siehe Verbinder des Umgebungsdrucksensors [A] Umgebungsdrucksensors [B] mit Dämpfer Einbau des Umgebungsdrucksensors • Den Dämpfer [A] des Umgebungsdrucksensors in das Loch [B] in der Trägerplatte einsetzen.
  • 155.
    KRAFTSTOFFANLAGE (DFI) 3-63 Umgebungsdrucksensor(Servicecode 15) Prüfung der Eingangsspannung des Umgebungsdrucksensors ANMERKUNG ○Die Batterie muss voll aufgeladen sein. ○Die Überprüfung erfolgt auf gleiche Weise wie die “Überprüfung der Eingangsspannung” des Drossel- klappen- und Ansaugluftdrucksensors. • DenECU ausbauenausschalten. der ECU"). Die ECU Zündschalter • Die (siehe "Ausbau -Steckverbinder nicht abziehen. • Ein Digitalvoltmeter [A] mit dem Nadeladaptersatz am Verbinder [B] anschließen. Spezialwerkzeug - Nadeladaptersatz: 57001-1457 Eingangsspannung des Umgebungsdrucksensors Anschlüsse an der ECU Multimeter (+) → blaues Kabel (Klemme 10) Multimeter (–) → braun/schwarzes Kabel (Klemme 28) • Die angeschlossenen Verbindern messen. Motor und mit Eingangsspannung bei ausgeschaltetem • Den Zündschalter einschalten. Eingangsspannung an der ECU Standard: 4,75 ∼ 5,25 V DC Liegt der Messwert der Eingangsspannung unter- halb des Sollwerts, die Masseverbindung und Strom- versorgung der ECU prüfen (siehe "Prüfung der ECU-Stromversorgung"). Sind Masseverbindung und Stromversorgung in Ordnung, die ECU ersetzen (siehe "Ausbau/Einbau der ECU").
  • 156.
    3-64 KRAFTSTOFFANLAGE (DFI) Umgebungsdrucksensor(Servicecode 15) Falls der Messwert innerhalb des Sollwerts liegt, die Ein- gangsspannung am Verbinder des Sensors kontrollieren. • Die Sitzabdeckung ausbauen (siehe "Ausbau der Sitzab- deckung" im Kapitel "Rahmen"). • Den Verbinder des Umgebungsdrucksensors abziehen und den Kabelbaumadapter [A] zwischen dem Hauptka- belbaumverbinder und dem Verbinder des Umgebungs- drucksensors anschließen. • Ein Digitalmultimeter an dem Verbinder für die Kabelbau- madapterkabel anschließen. Umgebungsdrucksensor [B] Spezialwerkzeug - Sensor-Kabelbaumadapter: 57001-1561 Eingangsspannung des Umgebungsdrucksensors Anschlüsse am Sensor Multimeter (+) → blaues Kabel [C] Multimeter (–) → braun/schwarzes Kabel [D] • Die angeschlossenem Verbinder messen. Motor und mit Eingangsspannung bei ausgeschaltetem • Den Zündschalter einschalten. Eingangsspannung am Sensorverbinder Standard: 4,75 ∼ 5,25 V DC Liegt der Messwert außerhalb des Sollwerts, die Verka- belung überprüfen (siehe Schaltplan). Wenn der Messwert in Ordnung ist, ist die Eingangsspan- nung normal. Die Ausgangsspannung prüfen. • Den Zündschalter ausschalten. Prüfung der Ausgangsspannung des Umgebungsdrucksensors • Die Ausgangsspannung an der ECU genauso wie die Ein- gangsspannung messen. Digitalmultimeter [A] ECU-Verbinder [B] Ausgangsspannung des Umgebungsdrucksensors Anschlüsse an der ECU Multimeter (+) → grün/weißes Kabel (Klemme 25) Multimeter (–) → braun/schwarzes Kabel (Klemme 28) Ausgangsspannung Nutzbarer 3,80 ∼ 4,20 V DC bei normalem Bereich: Umgebungsdruck (101,32 kPa, 76 cmHg abs.) ANMERKUNG ○Die Ausgangsspannung ändert sich entsprechend dem örtlichen Luftdruck. ○Die Ausgangsspannung des Umgebungsdrucksensors basiert auf dem nahezu perfekten Unterdruck in der kleinen Druckkammer des Sensors. Daher zeigt der Sensor den absoluten atmosphärischen Druck an. Liegt die Ausgangsspannung innerhalb des Sollwerts, die Masseverbindung und die Stromversorgung der ECU prü- fen (siehe "Prüfung der ECU-Stromversorgung"). Sind Masseverbindung und Stromversorgung in Ordnung, die ECU ersetzen (siehe "Ausbau/Einbau der ECU").
  • 157.
    KRAFTSTOFFANLAGE (DFI) 3-65 Umgebungsdrucksensor(Servicecode 15) Liegt die Ausgangsspannung deutlich außerhalb des Sollwerts (z. B. beträgt bei Unterbrechung der Verkabe- lung die Spannung ca. 1,8 V), die Ausgangsspannung am Sensorverbinder [A] kontrollieren. • Ein Digitalmultimeter an dem Verbinder für die Kabelbau- madapterkabel anschließen. Umgebungsdrucksensor [B] Spezialwerkzeug - Sensor-Kabelbaumadapter: 57001-1561 Ausgangsspannung des Umgebungsdrucksensors Anschlüsse am Sensor Multimeter (+) → gelb/weißes Kabel [C] Multimeter (–) → braun/schwarzes Kabel [D] Ausgangsspannung am Sensor Nutzbarer 3,80 ∼ 4,20 V DC bei normalem Bereich: Umgebungsdruck (101,32 kPa, 76 cmHg abs.) Falls die Ausgangsspannung normal ist, die Verkabelung auf Durchgang überprüfen. Liegt die Ausgangsspannung außerhalb des Sollwerts, den Sensor austauschen. Schaltkreis des Umgebungsdrucksensors 1. ECU 2. Umgebungsdrucksensor Falls der Umgebungsdrucksensor für verschiedene Hö- hen über Meereshöhe geprüft werden soll, die Ausgangs- spannung wie folgt prüfen: ○Die Höhe (über NN) bestimmen.
  • 158.
    3-66 KRAFTSTOFFANLAGE (DFI) Umgebungsdrucksensor(Servicecode 15) Wenn Sie den atmosphärischen Luftdruck mit einem Barometer bestimmen, können Sie diesen Wert für den Drosselklappenunterdruck anstelle des Werts verwen- den, der in der Tabelle für den Ansaugluftdrucksensor angegeben ist (siehe Abschnitt "Ansaugluftdrucksen- sor"). Den nutzbaren Bereich für die Ausgangsspannung des Umgebungsdrucksensors nachschlagen und auf die- selbe Weise wie bei der Prüfung der Ausgangsspannung des Ansaugluftdrucksensors prüfen, ob die Ausgangs- spannung innerhalb des Sollwerts liegt. Wenn die Höhe über NN bekannt ist, das folgende Dia- gramm verwenden. Zusammenhang zwischen atmosphärischem Luftdruck/Höhe über NN.
  • 159.
    KRAFTSTOFFANLAGE (DFI) 3-67 Kurbelwellensensor(Servicecode 21) Ausbau/Einbau des Kurbelwellensensors • Siehe die Anweisungen zu Ausbau/Einbau des Kurbel- wellensensors im Kapitel Elektrik (siehe "Ausbau/Einbau des Kurbelwellensensors" im Kapitel "Elektrik"). Prüfung des Kurbelwellensensors ○Der Kurbelwellensensor hat keine eigene Stromversor- gung, und wenn der Motor stoppt, erzeugt der Kurbelwel- lensensor kein Signal. • Den Motor durchdrehen und zur Kontrolle des Kurbel- wellensensors dessen Spitzenspannung messen (siehe "Prüfung der Spitzenspannung am Kurbelwellensensor" im Kapitel "Elektrik"). • Die Verkabelung auf Durchgang prüfen. Schaltkreis des Kurbelwellensensors 1. ECU 2. Kurbelwellensensor
  • 160.
    3-68 KRAFTSTOFFANLAGE (DFI) Nockenwellensensor(Servicecode 23) Ausbau/Einbau des Nockenwellensensors Der Nockenwellensensor erkennt die Position der No- ckenwelle und die einzelnen Zylinder. • Siehe die Anweisungen zu Ausbau/Einbau des Nocken- wellenpositionssensors im Kapitel Elektrik (siehe "Aus- bau/Einbau des Nockenwellenpositionssensors" im Kapi- tel "Elektrik"). Prüfung des Nockenwellenpositionssensors ○Der Nockenwellensensor hat keine eigene Stromversor- gung, und wenn der Motor stoppt, erzeugt der Nocken- wellensensor kein Signal. • Den Motor durchdrehen und zur Kontrolle des No- ckenwellenpositionssensors dessen Spitzenspannung messen (siehe "Prüfung der Spitzenspannung am No- ckenwellenpositionssensor" im Kapitel "Elektrik"). • Die Verkabelung auf Durchgang prüfen. Schaltkreis des Nockenwellenpositionssensors 1. ECU 2. Nockenwellenpositionssensor
  • 161.
    KRAFTSTOFFANLAGE (DFI) 3-69 Drehzahlsensor(Servicecode 24) Ausbau/Einbau des Drehzahlsensors • Siehe "Ausbau/Einbau des Drehzahlsensors" im Kapitel "Elektrik". Prüfung des Drehzahlsensors • Siehe "Prüfung des Drehzahlsensors" im Kapitel "Elek- trik". Prüfung der Eingangsspannung des Drehzahlsensors ANMERKUNG ○Die Batterie muss voll aufgeladen sein. • Den Zündschalter ausschalten. "Ausbau des Luftfil- • Den Kraftstofftank aufstellen (siehe tergehäuses"). • Den Verbinder des [A] zwischen Kabelbaumverbinderden Kabelbaumadapter Drehzahlsensors abziehen und [B] und Verbinder des Drehzahlsensors [C] anschließen. • Ein Digitalmultimeter an dem Verbinder für die Kabelbau- madapterkabel anschließen. Spezialwerkzeug - Adapter zur Drosselklappensensor-Einstellung Nr. 1: 57001-1400 Eingangsspannung des Drehzahlsensors Verbinder zum Sensor Multimeter (+) → rosa Kabel [C] Multimeter (−) → schwarz/gelbes Kabel [D] • Dieund mit angeschlossenem Verbinder messen. Mo- tor Sensoreingangsspannung bei ausgeschaltetem • Den Zündschalter einschalten. Eingangsspannung am Sensor Standard: Ca. 9 ∼ 11 V DC Liegt der Messwert außerhalb des Sollwerts, die Verkabe- lung (siehe Schaltplan) und den Instrumentenblock (siehe "Prüfung der elektronischen Kombi-Instrumenteneinheit" im Kapitel "Elektrik") überprüfen. Wenn die Anzeige in Ordnung ist, die Ausgangsspannung kontrollieren. • Den Zündschalter ausschalten. Prüfung der Ausgangsspannung des Drehzahlsensors • Vor Beginn Abschnitt "Prüfung Eingangsspannung prüfen (siehe den dieser Prüfung, die der Eingangsspannung"). ANMERKUNG ○Die Batterie muss voll aufgeladen sein. • Den Zündschalter ausschalten.
  • 162.
    3-70 KRAFTSTOFFANLAGE (DFI) Drehzahlsensor(Servicecode 24) • Den Verbinder des [A] zwischen Kabelbaumverbinderden Kabelbaumadapter Drehzahlsensors abziehen und [B] und Verbinder des Drehzahlsensors [C] anschließen. • Ein Digitalmultimeter an dem Verbinder für die Kabelbau- madapterkabel anschließen. Spezialwerkzeug - Adapter zur Drosselklappensensor-Einstellung Nr. 1: 57001-1400 Ausgangsspannung des Drehzahlsensors Anschlüsse am Sensor Multimeter (+) → gelbes Kabel [C] Multimeter (–) → schwarz/gelbes Kabel [D] • Dieund mit angeschlossenem Verbinder messen. Mo- tor Sensorausgangsspannung bei ausgeschaltetem • Den Zündschalter einschalten. Ausgangsspannung am Sensor Standard: Ca. 0,05 ∼ 0,07 V DC ANMERKUNG ○Wird die Antriebswelle gedreht, muss die Ausgangs- spannung ansteigen. Liegt der Messwert außerhalb des Sollwerts, den Dreh- zahlsensor (siehe "Prüfung des Drehzahlsensors" im Ka- pitel "Elektrik") und die Verkabelung zur ECU überprüfen (siehe Schaltplan). Sind die Messwerte, der Drehzahlsensor und die Ver- kabelung einwandfrei, die ECU ersetzen (siehe "Aus- bau/Einbau der ECU"). Schaltkreis des Drehzahlsensors 1. ECU 2. Instrumenteneinheit 3. Drehzahlsensor 4. Rahmenmasse 5. Batterie 12 V 8 Ah
  • 163.
    KRAFTSTOFFANLAGE (DFI) 3-71 Gangpositionsschalter(Servicecode 25) Ausbau/Einbau des Gangpositionsschalters • Siehe die Anweisungen zuElektrik (siehe "Ausbau/Einbau sitionsschalters im Kapitel Ausbau/Einbau des Gangpo- des Gangpositionsschalters" im Kapitel "Elektrik"). Prüfung des Gangpositionsschalters • Siehe dieim Kapitel Elektrik (siehe "Prüfung des Gangpo- schalters Anweisungen zur Prüfung des Gangpositions- sitionsschalters" im Kapitel "Elektrik"). Prüfung der Eingangsspannung des Gangpositionsschalters ANMERKUNG ○Die Batterie muss voll aufgeladen sein. • DenECU ausbauenausschalten. der ECU"). Zündschalter • Die ECU-Steckverbinder nicht abziehen. ○ Die (siehe "Ausbau • Ein Digitalmultimeter [A] mit dem Nadeladaptersatz am Verbinder [B] anschließen. Spezialwerkzeug - Nadeladaptersatz: 57001-1457 Eingangsspannung des Gangpositionsschalters in der 1. ∼ 6. Getriebegangposition Anschlüsse an den ECU-Steckverbinder Multimeter (+) → weiß/gelbes Kabel (Klemme 53) Multimeter (–) → Motormasse • Die Schalter-EingangsspannungVerbinder messen. Motor und mit angeschlossenem bei ausgeschaltetem • Den Zündschalter einschalten. Eingangsspannung in der 1. ∼ 6. Getriebegangposition Standard: 1. Gang Ca. 3,0 V 2. Gang Ca. 2,5 V 3. Gang Ca. 2,0 V 4. Gang Ca. 1,5 V 5. Gang Ca. 1,1 V 6. Gang Ca. 0,7 V • Den Zündschalter ausschalten.des Sollwerts, den Gang- Liegt der Messwert außerhalb positionsschalter überprüfen (siehe "Prüfung des Gang- positionsschalters" im Kapitel "Elektrik"). Wenn der Schalter in Ordnung ist, den Masseanschluss und die Stromversorgung der ECU überprüfen (siehe "Prüfung der ECU-Stromversorgung"). Sind Masseverbindung und Stromversorgung in Ord- nung, die ECU ersetzen (siehe "Ausbau der ECU").
  • 164.
    3-72 KRAFTSTOFFANLAGE (DFI) Gangpositionsschalter(Servicecode 25) Schaltkreis des Gangpositionsschalters 1. ECU 2. Gangpositionsschalter 3. Batterie 12 V 8 Ah 4. Rahmenmasse
  • 165.
    KRAFTSTOFFANLAGE (DFI) 3-73 Umkippsensor(Servicecode 31) Dieser Sensor besteht aus einem Gewicht [A] mit zwei in- ternen Magneten, und sendet ein Signal an die ECU. Wenn das Motorrad sich um mindestens 60 ∼ 70° nach einer Seite neigt (d. h. umfällt), bewegt sich das Gewicht und unter- bricht das Signal. Die ECU erkennt diese Änderung, und schaltet die Kraftstoffpumpe, die Einspritzventile und die Zündanlage ab. Hall IC [B] Wenn das Motorrad ausgegangen ist, steht der Zünd- schalter noch auf ON. Wenn der Starterknopf gedrückt wird, dreht der Elektrostarter durch, aber der Motor startet nicht. Um den Motor erneut zu starten, das Motorrad anheben, den Zündschalter in Stellung OFF, und dann wieder auf ON drehen. Wenn der Zündschalter in Stellung ON steht, fließt Strom durch den Verriegelungsstromkreis und der Transis- tor im Stromkreis öffnet, um die Verriegelung aufzuheben. Umkippsensor [A] Masseklemme braun/schwarz [B] Ausgangsklemme gelb/grün [C] Stromversorgungsklemme schwarz [D] Ausbau des Umkippsensors VORSICHT Den Umkippsensor keinesfalls fallen lassen, be- sonders nicht auf harten Boden. Fall oder Stoß kann den Sensor beschädigen. • Ausbauen: (siehe "Ausbau des Windschutzes" im Ka- Windschutz pitel "Rahmen") Gummiabdeckung [A] Steckverbinder [B] Schrauben [C] Umkippsensor [D] und Hülsen Einbau des Umkippsensors • Die Markierung UP [A] des Sensors muss nach oben zei- gen. • Festziehen: Anzugsmoment - Schrauben des Umkippsensors: 5,9 N·m (0,60 kgf·m) ACHTUNG Ein falscher Einbau des Umkippsensors kann zu einem plötzlichen Verlust an Motorleistung führen. Der Fahrer kann in bestimmten Situationen, zum Beispiel bei Kurvenfahrten, die Balance verlieren, wodurch die Gefahr lebensgefährlicher Verletzun- gen besteht. Der Sensor muss fest in der Kraftstoff- tankhalterung sitzen.
  • 166.
    3-74 KRAFTSTOFFANLAGE (DFI) Umkippsensor(Servicecode 31) Prüfung des Umkippsensors ANMERKUNG ○Die Batterie muss voll aufgeladen sein. • Ausbauen: (siehe "Ausbau des Windschutzes" im Ka- Windschutz pitel "Rahmen") Gummiabdeckung (aufstemmen) • Ein Digitalvoltmeter [A] mit dem[B] anschließen. [C] am Verbinder des Umkippsensors Nadeladaptersatz Spezialwerkzeug - Nadeladaptersatz: 57001-1457 Stromversorgungsspannung des Umkippsensors Anschlüsse am Sensor Multimeter (+) → blaues Kabel [D] Multimeter (–) → braun/schwarzes Kabel [E] • Den Zündschalter in bei Stellung ON bringenVerbinder Ausgangsspannung die angeschlossenem und die messen. Stromversorgungsspannung am Sensor Standard: 4,75 ∼ 5,25 V DC • Den Zündschalter ausschalten. ist, folgende Details Wenn keine Spannung vorhanden kontrollieren: Batterie (siehe "Prüfung des Ladezustandes" im Kapitel "Elektrik") ECU-Hauptrelais (siehe "Prüfung des Relaisschaltkrei- ses" im Kapitel "Elektrik") ECU-Sicherung 10 A (siehe "Prüfung der Sicherung" im Kapitel "Elektrik") Ist die Stromversorgung normal, die Ausgangsspannung prüfen.
  • 167.
    KRAFTSTOFFANLAGE (DFI) 3-75 Umkippsensor(Servicecode 31) • Den Zündschalter ausschalten."Ausbau des Umkippsen- • Den Sensor ausbauen (siehe sors"). ○Den Steckverbinder nicht abklemmen. • Ein Digitalvoltmeter [A] mit dem Nadeladaptersatz [B] am Verbinder anschließen. Spezialwerkzeug - Nadeladaptersatz: 57001-1457 Ausgangsspannung des Umkippsensors Anschlüsse am Sensor Multimeter (+) → gelb/grünes Kabel [C] Multimeter (–) → braun/schwarzes Kabel [D] • Den Sensor vertikalinhalten. • Den Zündschalter bei Stellung ON bringenVerbinder Ausgangsspannung die angeschlossenem und die messen. ○Den Sensor um 60 ∼ 70° oder mehr [E] nach rechts oder links kippen, dann den Sensor mit dem Pfeil nach oben fast vertikal halten und danach die Ausgangsspannung messen. Ausgangsspannung am Sensor Standard: Pfeilmarkierung am Sensor nach oben zeigend: 3,55 ∼ 4,45 V wenn der Sensor um 60 ∼ 70° oder mehr nach rechts oder links geneigt wird: 0,65 ∼ 1,35 V ANMERKUNG ○Muss der Test wiederholt werden, den Zündschalter erst in die Stellung OFF und wieder auf ON drehen. • Den Zündschalter ausschalten. und Silikondichtmittel • Dendie Dichtungen der Verbinder auftragen, um sie was- auf Nadeladaptersatz entfernen, serfest zu machen. Dichtmittel - Kawasaki Bond (Silikondichtmittel): 56019-120 Falls die Ausgangsspannung außerhalb des Sollwerts liegt, den Umkippsensor austauschen.
  • 168.
    3-76 KRAFTSTOFFANLAGE (DFI) Umkippsensor(Servicecode 31) Schaltkreis des Umkippsensors 1. ECU 2. Umkippsensor
  • 169.
    KRAFTSTOFFANLAGE (DFI) 3-77 Teillastsensor(Servicecode 32) Ausbau/Einstellung des Teillastsensors VORSICHT Den Teillastsensor [A] nicht ausbauen oder einstel- len. Er wurde bereits im Werk hochgenau einge- stellt und eingebaut. Das Drosselklappengehäuse niemals fallen lassen, besonders nicht auf harte Flächen. Fall oder Stoß kann den Sensor beschädigen. Verbinder für Teillastsensor [B] Prüfung der Eingangsspannung am Teillastsensor ANMERKUNG ○Die Batterie muss voll aufgeladen sein. • DenECU ausbauenausschalten. der ECU"). Die ECU Zündschalter • -Steckverbinder nicht abziehen. Die (siehe "Ausbau • Ein Digitalvoltmeter [A] mit dem Nadeladaptersatz am Verbinder [B] anschließen. Spezialwerkzeug - Nadeladaptersatz: 57001-1457 Eingangsspannung am Teillastsensor Anschlüsse an den ECU-Steckverbinder Multimeter (+) → blaues Kabel (Klemme 10) Multimeter (–) → braun/schwarzes Kabel (Klemme 28) • Die angeschlossenen Verbindern messen. Motor und mit Eingangsspannung bei ausgeschaltetem • Den Zündschalter einschalten. Eingangsspannung am ECU-Verbinder Sollwert: 4,75 ∼ 5,25 V DC • Den Zündschalter ausschalten. Liegt der Messwert der Eingangsspannung unterhalb des Sollwerts, die Masseverbindung und Stromversorgung der ECU und die Verkabelung auf Kurzschluss prüfen. Wenn die Eingangsspannung innerhalb des Sollwerts liegt, die Eingangsspannung am Verbinder des Teillast- sensors kontrollieren. • Ausbauen: Luftfiltergehäuse (siehe "Ausbau des Luftfiltergehäu- ses") Kraftstoffpumpen-Kabelverbinder (siehe "Ausbau des Kraftstofftanks")
  • 170.
    3-78 KRAFTSTOFFANLAGE (DFI) Teillastsensor(Servicecode 32) • Den Verbinder des Teillastsensors [A] abziehen und den Kabelbaumadapter [B] zwischen Kabelbaumverbinder und Verbinder des Teillastsensors anschließen. • Ein Digitalmultimeter an dem Verbinder für die Kabelbau- madapterkabel anschließen. Spezialwerkzeug - Adapter zur Drosselklappensensor-Einstellung: 57001-1538 Eingangsspannung am Teillastsensor Anschlüsse am Sensor Multimeter (+) → blaues Kabel Multimeter (–) → braun/schwarzes Kabel • Das Drosselklappengehäuses"). des Drosselklappengehäuse einbauen (siehe "Einbau • Dieund mit angeschlossenem Verbinder messen. Mo- tor Sensoreingangsspannung bei ausgeschaltetem • Den Zündschalter einschalten. Eingangsspannung am Sensor Sollwert: 4,75 ∼ 5,25 V DC • Den Zündschalter ausschalten.des zulässigen Bereichs, Liegt der Messwert außerhalb die Verkabelung überprüfen (siehe Schaltplan). Falls der Messwert in Ordnung ist, die Ausgangsspan- nung des Sensors prüfen. Prüfung der Ausgangsspannung des Teillastsensors • Die Ausgangsspannung an der ECU genauso wie die Ein- gangsspannung messen. Digitalvoltmeter [A] Steckverbinder [B] Spezialwerkzeug - Nadeladaptersatz: 57001-1457 Ausgangsspannung des Teillastsensors Anschlüsse an der ECU Multimeter (+) → braunes Kabel (Klemme 24) Multimeter (–) → braun/schwarzes Kabel (Klemme 28) • DenAusgangsspannung messen, wenn das Teillastventil Zündschalter einschalten. • voll geöffnet oder vollständig geschlossen ist. Die Ausgangsspannung an der ECU Standard: 1,08 ∼ 4,60 V DC (bei voll geöffnetem bzw. voll geschlossenem Teillastventil) VORSICHT Den Teillastsensor nicht ausbauen oder einstellen. Die Einstellung und der Einbau erfolgten bereits hochgenau im Werk. Das Drosselklappengehäuse niemals fallen lassen, besonders nicht auf harte Flächen. Ein Stoß kann den Sensor beschädigen.
  • 171.
    KRAFTSTOFFANLAGE (DFI) 3-79 Teillastsensor(Servicecode 32) Liegt die Ausgangsspannung innerhalb des Sollwerts, die Masseverbindung und Stromversorgung der ECU überprüfen (siehe "Prüfung der ECU-Stromversorgung"). Sind Masseverbindung und Stromversorgung in Ord- nung, die ECU ersetzen (siehe "Ausbau/Einbau der ECU"). Liegt die Ausgangsspannung deutlich außerhalb des Standardbereichs (beträgt z. B. die Spannung bei Unterbrechung der Verkabelung ca. 0 V), die Ausgangs- spannung erneut am Verbinder des Sensors überprüfen. • Den Verbinder des Teillastsensors [A] abziehen und den Kabelbaumadapter [B] zwischen Kabelbaumverbinder und Verbinder des Teillastsensors anschließen. • Ein Digitalmultimeter an dem Verbinder für die Kabelbau- madapterkabel anschließen. Spezialwerkzeug - Adapter zur Drosselklappensensor-Einstellung: 57001-1538 Ausgangsspannung des Teillastsensors Anschlüsse am Sensor Multimeter (+) → braunes Kabel Multimeter (–) → braun/schwarzes Kabel • Dieund mit angeschlossenem Verbinder messen. Mo- tor Sensorausgangsspannung bei ausgeschaltetem • DenAusgangsspannung messen, wenn das Teillastventil Zündschalter einschalten. • Die geöffnet oder vollständig geschlossen ist. voll Ausgangsspannung am Sensor Standard: 1,08 ∼ 4,60 V DC (bei voll geöffnetem bzw. voll geschlossenem Teillastventil) VORSICHT Den Teillastsensor nicht ausbauen oder einstellen. Die Einstellung und der Einbau erfolgten bereits hochgenau im Werk. Das Drosselklappengehäuse niemals fallen lassen, besonders nicht auf harte Flächen. Ein Stoß kann den Sensor beschädigen. • Nach Prüfung der Teillastsensorspannung den Kabelbau- madapter entfernen. Falls der Messwert außerhalb des Sollwerts liegt, den Wi- derstand des Drosselklappensensors prüfen. Falls die Ausgangsspannung normal ist, die Verkabelung auf Durchgang überprüfen (siehe Schaltplan).
  • 172.
    3-80 KRAFTSTOFFANLAGE (DFI) Teillastsensor(Servicecode 32) Widerstandsprüfung • Den Zündschalter ausschalten. abklemmen. • Steckverbinder des Teillastsensors Verbinder für • Ein Digitalmultimeter [A] an dem Teillastsensor [B] anschließen. den • Widerstand des Teillastsensors messen. Widerstand des Teillastsensors blaues Kabel [C] ←→ braun/schwarzes Anschlüsse: Kabel [D] Standard: 4 ∼ 6 kΩ Liegt der Messwert außerhalb des Sollwerts, das Dros- selklappengehäuse ersetzen (siehe "Ausbau/Einbau des Drosselklappengehäuses"). Liegt der Messwert innerhalb des Sollwerts, obwohl das Problem nicht beseitigt ist, die ECU ersetzen (siehe "Aus- bau/Einbau der ECU"). Schaltkreis des Teillastsensors 1. ECU 2. Hauptdrosselklappensensor 3. Teillastsensor
  • 173.
    KRAFTSTOFFANLAGE (DFI) 3-81 Lambdasonde– nicht aktiviert (Nr. 1, Nr. 2: Servicecode 33, 83) – ausgerüstete Modelle Lambdasonde Nr. 1: Servicecode 33 Lambdasonde Nr. 2: Servicecode 83 Ausbau/Einbau der Lambdasonde • Siehe dieim Kapitel Elektrik (siehe "Ausbau/Einbau der dasonde Anweisungen zu Ausbau/Einbau der Lamb- Lambdasonde" im Kapitel "Elektrik"). Prüfung der Lambdasonde ANMERKUNG ○Die Lambdasonden Nr. 1 [A] und Nr. 2 [B] sind iden- tisch, aber die Verdrahtung auf der Hauptkabelbaum- seite ist unterschiedlich. • Den Motor auf Betriebstemperatur bringen. • Den Zündschalter ausschalten. • Rechte mittlere Verkleidung ausbauen (siehe "Ausbau der rechten mittleren Verkleidung" im Kapitel "Rahmen"). • Ein Digitalvoltmeter(an der Sondenseite) der Lambdason- Steckverbinder [B] [A] mit dem Nadeladaptersatz an die den anschließen. Spezialwerkzeug - Nadeladaptersatz: 57001-1457 Ausgangsspannung der Lambdasonde Anschlüsse am Lambdasonden-Steckverbinder Messgerät (+) → schwarzes Kabel Messgerät (−) → graues Kabel • Das Luftfiltergehäuse ausbauen (siehe "Ausbau des Luft- filtergehäuses"). • Die Unterdruckschaltventilschläuche [A] (auf beiden Sei- ten) vom Ansaugluftventildeckel abziehen. • Die [A] verschließen beiden Seiten) mit geeigneten Stop- fen Bohrungen (auf um die Sekundärluft abzustellen. • Das Luftfiltergehäuses"). des Luftfiltergehäuse wieder einbauen (siehe "Einbau • Den Motor starten einschalten. drehen lassen. Zündschalter • Die Ausgangsspannung des Sensors bei angeschlosse- Den und im Leerlauf • nem Steckverbinder messen. Ausgangsspannung der Lambdasonde (mit Stopfen) Standard: 0,45 ∼ 2,5 V
  • 174.
    3-82 KRAFTSTOFFANLAGE (DFI) Lambdasonde– nicht aktiviert (Nr. 1, Nr. 2: Servicecode 33, 83) – ausgerüstete Modelle • Als nächstes die Stopfen (Motor im Leerlauf). den Ver- schraubungen entfernen [A] (beide Seiten) von • Die Ausgangsspannung des Sensors bei angeschlosse- nem Steckverbinder messen. Ausgangsspannung der Lambdasonde (ohne Stopfen) Standard: 0,05 ∼ 0,45 V Falls der Messwert in Ordnung ist (mit Stopfen: 0,45 ∼ 2,5 V, ohne Stopfen: 0,05 ∼ 0,45 V), ist die Lambdasonde in Ordnung. Liegt der Messwert außerhalb dem Bereich, die Lambda- sonde ersetzen. • Den Nadeladaptersatz entfernen, und Silikondichtmittel auf die Dichtungen der Verbinder auftragen, um sie was- serfest zu machen. Dichtmittel - Kawasaki Bond (Silikondichtmittel): 56019-120 Lambdasonden-Schaltkreis 1. ECU 2. Lambdasonde Nr. 1 3. Lambdasonde Nr. 2 4. Sicherung der Lambdasonden-Heizung 10 A 5. Hauptsicherung 30 A 6. Starterrelais 7. Batterie 12 V 8 Ah 8. Rahmenmasse
  • 175.
    KRAFTSTOFFANLAGE (DFI) 3-83 Sensorder Auslassklappenventil-Stelleinheit (Servicecode 34) Ausbau/Einbau des Sensors der Auslassklappen- ventil-Stelleinheit Der Sensor der Auslassklappenventil-Stelleinheit ist in der Stelleinheit eingebaut. Der Sensor selbst kann daher nicht ausgebaut werden. Die Auslassklappenven- til-Stelleinheit ausbauen (siehe "Ausbau der Auslassklap- penventil-Stelleinheit"). Prüfung der Sensor-Eingangsspannung der Auslassklappenventil-Stelleinheit ANMERKUNG ○Die Batterie muss voll aufgeladen sein. • Den Zündschalter ausschalten. • Ausbauen: (siehe "Ausbau der Sitzabdeckung" im Sitzabdeckung Kapitel "Rahmen") Auslassklappenventil-Stelleinheit (siehe "Ausbau der Auslassklappenventil-Stelleinheit"). • Den Kabelverbinder (3-polig) [A] am Sensor der Auslass- klappenventil-Stelleinheit unterbrechen und den Kabel- baumadapter [B] zwischen diesen Verbindern anschlie- ßen. Spezialwerkzeug - Adapter zur Drosselklappensensor-Einstellung Nr. 1: 57001-1400 • Ein Digitalmultimeter an dem Verbinder für die Kabelbau- madapterkabel anschließen. Sensor-Eingangsspannung der Auslassklappenventil -Stelleinheit Anschlüsse am Adapter: Multimeter (+) → gelb/weißes Kabel (Stelleinheit weiß) Multimeter (−) → schwarz/blaues Kabel (Stelleinheit schwarz) • Die angeschlossenem Verbinder messen. Motor und mit Eingangsspannung bei ausgeschaltetem • Den Zündschalter einschalten. Eingangsspannung an der Stelleinheit Sollwert: 4,75 ∼ 5,25 V DC • Den Zündschalter ausschalten. des Sollwerts, Liegt der Messwert innerhalb die Aus- gangsspannung prüfen (siehe "Prüfung der Ausgangs- spannung an der Auslassklappenventil-Stelleinheit").
  • 176.
    3-84 KRAFTSTOFFANLAGE (DFI) Sensorder Auslassklappenventil-Stelleinheit (Servicecode 34) Liegt der Messwert außerhalb des Sollwerts, die ECU ausbauen und die Verkabelung zwischen den Anschlüs- sen prüfen. ○Die Verbinder für ECU und Sensor abziehen. Verkabelung ECU-Steckverbinder [A] ←→ Sensor-Verbinder der Auslassklappenventil -Stelleinheit [B] blaues Kabel (ECU-Klemme 10) [C] braun/schwarzes Kabel (ECU-Klemme 28) [D] Wenn die Verkabelung in Ordnung ist, den Massean- schluss und die Stromversorgung der ECU überprüfen (siehe "Prüfung der ECU-Stromversorgung"). Sind Masseverbindung und Stromversorgung in Ord- nung, die ECU ersetzen (siehe "Ausbau/Einbau der ECU"). Prüfung der Sensor-Ausgangsspannung der Auslassklappenventil-Stelleinheit ANMERKUNG ○Vor der Prüfung sicherstellen, dass die Scheibe [A] sich in Ausgangsstellung befindet (siehe "Einbau der Aus- lassklappenventil-Stelleinheit"). • Ausbauen: Auslassklappenventil-Stelleinheit (siehe "Ausbau der Auslassklappenventil-Stelleinheit"). • Abziehen: 2-poliger Verbinder [B] 3-poliger Verbinder [C]
  • 177.
    KRAFTSTOFFANLAGE (DFI) 3-85 Sensorder Auslassklappenventil-Stelleinheit (Servicecode 34) • Den Kabelbaumadapter [A] zwischen den 3-poligen Ver- bindern anschließen. Spezialwerkzeug - Adapter zur Drosselklappensensor-Einstellung Nr. 1: 57001-1400 • Ein Digitalmultimeter an dem Verbinder für die Kabelbau- madapterkabel anschließen. Sensor-Ausgangsspannung der Auslassklappenventil -Stelleinheit Anschlüsse am Adapter: Multimeter (+) → schwarzes Kabel (Stelleinheit gelb) Multimeter (−) → schwarz/blaues Kabel (Stelleinheit schwarz) • Die Ausgangsspannung an den 3-poligen Verbindern der Auslassklappenventil-Stelleinheit messen, wobei sich die Scheibe in Ausgangsstellung befinden muss. • Den Zündschalter einschalten. Ausgangsspannung an der Stelleinheit Sollwert: 3,46 ∼ 3,76 V DC in Scheiben -Ausgangsstellung • Den Zündschalter ausschalten.des Sollwerts, den Wider- Liegt der Messwert außerhalb stand am Sensor der Auslassklappenventil-Stelleinheit prüfen (siehe "Prüfung des Widerstands am Sensor der Auslassklappenventil-Stelleinheit"). Liegt der Messwert innerhalb des Sollwerts, die ECU aus- bauen und die Verkabelung zwischen den Anschlüssen prüfen. ○Die Verbinder für ECU und Sensor abziehen. Verkabelung ECU-Steckverbinder [A] ←→ Sensor-Verbinder der Auslassklappenventil -Stelleinheit [B] rot/schwarzes Kabel (ECU-Klemme 5) [C] braun/schwarzes Kabel (ECU-Klemme 28) [D] Wenn die Verkabelung in Ordnung ist, den Massean- schluss und die Stromversorgung der ECU überprüfen (siehe "Prüfung der ECU-Stromversorgung"). Sind Masseverbindung und Stromversorgung in Ord- nung, die ECU ersetzen (siehe "Ausbau/Einbau der ECU").
  • 178.
    3-86 KRAFTSTOFFANLAGE (DFI) Sensorder Auslassklappenventil-Stelleinheit (Servicecode 34) Prüfung des Sensors der Auslassklappenventil -Stelleinheit • Ausbauen: (siehe "Ausbau der Sitzabdeckung" im Sitzabdeckung Kapitel "Rahmen") Schrauben [A] Schraube [B] • Die Auslassklappenventil-Stelleinheit [C] herausziehen. • Den Zündschalter ausschalten.der Auslassklappenven- • Den Sensor-Verbinder [A] til-Stelleinheit abziehen. • Ein Digitalmultimeter [B] an den Sensor-Verbinder [A] der Auslassklappenventil-Stelleinheit anschließen. • Den Widerstand am Sensor der Auslassklappenven- til-Stelleinheit messen. Widerstand am Sensor der Auslassklappenventil -Stelleinheit weißes Kabel [C] ←→ schwarzes Kabel Anschlüsse: [D] Standard: 4 ∼ 6 kΩ Liegt der Messwert außerhalb des Sollwerts, die Aus- lassklappenventil-Stelleinheit ersetzen (siehe "Ausbau der Auslassklappenventil-Stelleinheit"). Schaltkreis des Sensors der Auslassklappenventil-Stelleinheit 1. ECU 2. Auslassklappenventil-Stelleinheit
  • 179.
    KRAFTSTOFFANLAGE (DFI) 3-87 Wegfahrsperren-Verstärker(Servicecode 35) - ausgerüstete Modelle Prüfung des Antennenwiderstands • Ausbauen: Linke Innenabdeckung (siehe "Ausbau der Innenabde- ckung" im Kapitel "Rahmen") • Abziehen: Antennenkabel-Verbinder [A] • Den Widerstand der Antennenspule im Zündschalter wie folgt messen. Antennenwiderstand Anschlüsse an die Antenne Multimeter (+)→ rotes Kabel Multimeter (–)→ rotes Kabel Standard: Ca. 0,6 ∼ 0,9 Ω Falls der Widerstand außerhalb des Sollwerts liegt, den Zündschalter ersetzen. Überprüfung der Verstärker-Eingangsspannung ANMERKUNG ○Die Batterie muss voll aufgeladen sein. • Den Zündschalter ausschalten. • Ausbauen: (siehe "Ausbau des Windschutzes" im Ka- Windschutz pitel "Rahmen") Wegfahrsperren-Verstärker (siehe "Austausch von Tei- len des Wegfahrsperrensystems" im Kapitel "Elektrik") • Ein Digitalvoltmeter mit dem Nadeladaptersatz an die Verbinder anschließen. Spezialwerkzeug - Nadeladaptersatz: 57001-1457 Verstärker-Eingangsspannung Anschlüsse an die Verbinder Messgerät (+) → schwarz/weißes Kabel [A] Multimeter (–) → schwarz/gelbes Kabel [B] • Die Eingangsgleichspannung bei angeschlossenen Ver- bindern messen. • Den Zündschalter einschalten. Eingangsspannung Standard: Batteriespannung (mindestens 12,8 V) • Den Zündschalter ausschalten.des zulässigen Bereichs, Liegt der Messwert außerhalb die Verkabelung überprüfen (siehe "Erkennung von Schlüsselrohlingen"). Ist der Messwert und Antennenwiderstand in Ordnung, den Verstärker ersetzen (siehe "Austausch von Teilen des Wegfahrsperrensystems" im Kapitel "Elektrik").
  • 180.
    3-88 KRAFTSTOFFANLAGE (DFI) Erkennungvon Schlüsselrohlingen (Servicecode 36) Dieser Code erscheint in folgenden Situationen. ○Bei Ausfall des Transponders [A] im Haupt- und/oder Be- nutzerschlüssel. ○Bei Verwendung eines nicht registrierten Reserveschlüs- sels. ○Bei Registrierung des Hauptschlüssels in der registrierten ECU. Der Servicecode 36 verschwindet daher, wenn das obige Problem gelöst wird. Prüfung des Benutzerschlüssels • Den Benutzerschlüssel vorschriftsmäßig registrieren (siehe "Schlüsselregistrierung" im Kapitel "Elektrik"). Erscheint Servicecode 36 erneut, so ist der Transponder im Schlüssel gestört und muss ersetzt werden.
  • 181.
    KRAFTSTOFFANLAGE (DFI) 3-89 Erkennungvon Schlüsselrohlingen (Servicecode 36) Schaltkreis des Wegfahrsperrensystems 1. ECU 2. Zündschalter 3. Wegfahrsperren-Verstärker 4. Masse des Zylinderkopfdeckels 5. Steckverbindung C 6. Wegfahrsperren-Antenne 7. Steckverbindung B 8. Instrumenteneinheit 9. ECU-Sicherung 10 A 10. Zündungssicherung 10 A 11. Sicherungskasten 12. Relaiskasten 13. ECU-Hauptrelais 14. Rahmenmasse 15. Hauptsicherung 30 A 16. Starterrelais 17. Batterie 12 V 8 Ah 18. Steckverbinder für Wegfahrsperre/Kawasaki-Diagnosesystem
  • 182.
    3-90 KRAFTSTOFFANLAGE (DFI) ECU-Übertragungsfehler(Servicecode 39) Prüfung der Wegfahrsperren-Übertragungsleitung ○Falls die ECU die Daten nicht innerhalb ca. 10 Sekunden zur Instrumenteneinheit überträgt, erscheint der Service- code 39. ○Servicecode 39 wird von der Instrumenteneinheit erkannt. •Die ECU und die Instrumenteneinheit ausbauen und die Verkabelung zwischen den Verbindern überprüfen. ○Die Verbinder für ECU und Instrumenteneinheit abziehen. Verkabelung ECU-Verbinder [A]←→Instrumenteneinheit-Verbinder [B] braun/rotes Kabel [C] Ist die Verkabelung in Ordnung, die Instrumentenein- heit überprüfen (siehe "Prüfung der elektronischen Kombi-Instrumenteneinheit" im Kapitel "Elektrik"). Ist die Instrumenteneinheit in Ordnung, die ECU ersetzen (siehe "Ausbau/Einbau der ECU"). Schaltkreis der Wegfahrsperren-Übertragungsleitung 1. ECU 2. Instrumenteneinheit 3. Warnleuchte (LED) 4. Batterie 12 V 8 Ah 5. Rahmenmasse
  • 183.
    KRAFTSTOFFANLAGE (DFI) 3-91 StabzündspulenNr. 1, Nr. 2, Nr. 3, Nr. 4: (Servicecode 51, 52, 53, 54) Stabzündspule Nr. 1: Servicecode 51 Stabzündspule Nr. 2: Servicecode 52 Stabzündspule Nr. 3: Servicecode 53 Stabzündspule Nr. 4: Servicecode 54 Ausbau/Einbau der Stabzündspule VORSICHT Keinesfalls die Stabzündspulen fallen lassen, be- sonders nicht auf harte Flächen. Eine solche Be- lastung kann zur Beschädigung der Stabzündspule führen. • Siehe die AnweisungenElektrik (siehe "Ausbau/Einbau zündspulen im Kapitel zu Ausbau/Einbau der Stab- der Stabzündspule" im Kapitel "Elektrik"). Prüfung der Eingangsspannung der Stabzündspule ANMERKUNG ○Die Batterie muss voll aufgeladen sein. • DenECU ausbauenausschalten. der ECU"). Den ECU Zündschalter • -Steckverbinder nicht abziehen. Die (siehe "Ausbau • Einden Verbinder der ECU Hilfeanschließen. an Digitalvoltmeter [A] mit [B] des Nadeladaptersatzes Spezialwerkzeug - Nadeladaptersatz: 57001-1457 ○Die Eingangsspannung der Primärwicklung der jeweili- gen Zündspule bei ausgeschaltetem Motor und mit an- geschlossenen Steckverbindern messen. • Den Zündschalter einschalten. Eingangsspannung der Stabzündspule an der ECU Anschlüsse für Stabzündspule Nr. 1 Messgerät (+) → schwarzes Kabel (Klemme 51) Multimeter (–) → schwarz/gelbes Kabel (Klemme 67) Anschlüsse für Stabzündspule Nr. 2 Messgerät (+) → schwarz/grünes Kabel (Klemme 50) Multimeter (–) → schwarz/gelbes Kabel (Klemme 67) Anschlüsse für Stabzündspule Nr. 3 Multimeter (+) → schwarz/weißes Kabel (Klemme 49) Multimeter (–) → schwarz/gelbes Kabel (Klemme 67) Anschlüsse für Stabzündspule Nr. 4 Multimeter (+) → schwarz/orange Kabel (Klemme 68) Multimeter (–) → schwarz/gelbes Kabel (Klemme 67) Eingangsspannung an der ECU Standard: Batteriespannung (mindestens 12,8 V) Liegt der Messwert außerhalb des Sollwerts, die Verka- belung überprüfen (siehe Schaltplan). Wenn der Messwert in Ordnung ist, ist die Eingangsspan- nung normal. Den Motor durchdrehen und die Spitzen- spannung der Stabzündspule kontrollieren (siehe "Prü- fung der Spitzenspannung der Primärwicklung der Stab- zündspule" im Kapitel "Elektrik") um die Funktion der Pri- märwicklungen zu testen.
  • 184.
    3-92 KRAFTSTOFFANLAGE (DFI) StabzündspulenNr. 1, Nr. 2, Nr. 3, Nr. 4: (Servicecode 51, 52, 53, 54) Schaltkreis der Stabzündspule 1. Zündschalter 2. Motorstoppschalter 3. Stabzündspule Nr. 1 4. Stabzündspule Nr. 2 5. Stabzündspule Nr. 3 6. Stabzündspule Nr. 4 7. ECU 8. Sicherungskasten 9. Zündungssicherung 10 A 10. Starterrelais 11. Hauptsicherung 30 A 12. Rahmenmasse 13. Batterie 12 V 8 Ah
  • 185.
    KRAFTSTOFFANLAGE (DFI) 3-93 Kühlerlüfterrelais(Servicecode 56) Ausbau/Einbau des Kühlerlüfterrelais ○Das Kühlerlüfterrelais ist im Relaiskasten [A] eingebaut. • Siehe "Ausbau des Relaiskastens" im Kapitel "Elektrik". Prüfung des Kühlerlüfterrelais • Siehe "Prüfung des Relaisschaltkreises" im Kapitel "Elek- trik". Falls das Kühlerlüfterrelais normal ist, die Verkabelung auf Durchgang überprüfen. Wenn die Verkabelung in Ordnung ist, den Massean- schluss und die Stromversorgung der ECU überprüfen (siehe "Prüfung der ECU-Stromversorgung"). Sind Masseverbindung und Stromversorgung in Ord- nung, die ECU ersetzen (siehe "Ausbau/Einbau der ECU").
  • 186.
    3-94 KRAFTSTOFFANLAGE (DFI) Kühlerlüfterrelais(Servicecode 56) Kühlerlüfterrelais-Schaltkreis 1. ECU 10. ECU-Sicherung 10 A 2. Wassertemperatursensor 11. Zündungssicherung 10 A 3. Kühlerlüfter 12. Sicherungskasten 4. Steckverbindung C 13. Kühlerlüfterrelais 5. Masse des Zylinderkopfdeckels 14. ECU-Hauptrelais 6. Motorstoppschalter 15. Relaiskasten 7. Zündschalter 16. Hauptsicherung 30 A 8. Steckverbindung B 17. Rahmenmasse 9. Kühlerlüftersicherung 15 A 18. Batterie 12 V 8 Ah
  • 187.
    KRAFTSTOFFANLAGE (DFI) 3-95 Teillastventil-Stelleinheit(Servicecode 62) Ausbau der Teillastventil-Stelleinheit VORSICHT Die Teillastventil-Stelleinheit [A] nicht ausbauen. Sie wurde bereits im Werk hochgenau eingestellt und eingebaut. Das Drosselklappengehäuse niemals fallen lassen, besonders nicht auf harte Flächen. Ein derartiger Schlag kann die Stelleinheit beschädigen. Prüfung der Teillastventil-Stelleinheit • Ausbauen: Luftfiltergehäuse (siehe "Ausbau des Luftfiltergehäu- ses") Kraftstoffpumpen-Kabelverbinder (siehe "Ausbau des Kraftstofftanks") • Den Zündschalter einschalten. • Alle Teillastventile [A] müssen sich leicht öffnen und schließen lassen. Wenn das Teillastventil nicht funktioniert, den Innenwi- derstand der Stelleinheit prüfen (siehe "Widerstandsprü- fung"). Widerstandsprüfung der Teillastventil-Stelleinheit • Den Verbinder der ausschalten. Zündschalter • Den Teillastventil-Stelleinheit [A] abziehen. • Ein DigitalmultimeterTeillastventil-Stelleinheit messen. am Verbinder [A] anschließen. • Den Widerstand der Widerstand der Teillastventil-Stelleinheit grünes Kabel [1] ←→ weiß/blaues Kabel Anschlüsse: [3] schwarz/blaues Kabel [2] ←→ rosa/blaues Kabel [4] Standard: Ca. 5 ∼ 7 Ω Liegt der Messwert außerhalb des Sollwerts, das Dros- selklappengehäuse ersetzen (siehe "Ausbau des Dros- selklappengehäuses"). Liegt der Messwert innerhalb des Sollwerts, die Ein- gangsspannung prüfen (siehe "Prüfung der Eingangs- spannung").
  • 188.
    3-96 KRAFTSTOFFANLAGE (DFI) Teillastventil-Stelleinheit(Servicecode 62) Prüfung der Eingangsspannung an der Teillastventil-Stelleinheit ANMERKUNG ○Die Batterie muss voll aufgeladen sein. • Den Zündschalter ausschalten. [A] und ein Digitalmulti- • Den Spitzenspannungsadapter [D] am Verbinder [C] meter [B] mit dem Nadeladaptersatz anschließen. Spezialwerkzeuge - Spitzenspannungsadapter: 57001-1415 Typ: KEK-54-9-B Nadeladaptersatz: 57001-1457 Eingangsspannung an der Teillastventil-Stelleinheit Anschlüsse am Kabelbaumverbinder (I) Messgerät (+) → grünes Kabel [1] Messgerät (–) → weiß/blaues Kabel [3] (II) Multimeter (+) → schwarz/blaues Kabel [2] Multimeter (–) → rosa/blaues Kabel [4] • Die Eingangsspannung der StelleinheitVerbinder messen. tem Motor und mit angeschlossenem bei ausgeschalte- • Den Zündschalter einschalten. Eingangsspannung am Sensor Standard: Ca. 8,5 ∼ 10,5 V DC Falls der Messwert außerhalb des Sollwerts ist, die Ver- drahtung zur ECU prüfen. Ist die Verkabelung in Ordnung, die ECU ersetzen (siehe "Ausbau der ECU"). Schaltkreis der Teillastventil-Stelleinheit 1. ECU 2. Teillastventil-Stelleinheit
  • 189.
    KRAFTSTOFFANLAGE (DFI) 3-97 Auslassklappenventil-Stelleinheit(Servicecode 63) Ausbau der Auslassklappenventil-Stelleinheit • Ausbauen: (siehe "Ausbau der Sitzabdeckung" im Sitzabdeckung Kapitel "Rahmen") •Die Gummimanschetten von den Kabeln des Auslass- klappenventils entfernen. •Die Sicherungsmutter [A] und Einstellmutter [B] lösen. ○Beide Einsteller ganz hineindrehen, bis keine Einstellung mehr möglich ist. • Ausbauen: [A] Schrauben Schraube [B] • Die Auslassklappenventil-Stelleinheit [C] herausziehen. • Ausbauen:[A] Klemme Kabel der Auslassklappenventil-Stelleinheit [B] Steckverbinder [C] • Die Auslassklappenventil-Stelleinheit [D] samt Halterung [E] ausbauen. • Ausbauen: Auslassklappenventil-Stelleinheitsscheibe [A]. ○Die Scheibe mit einem geeigneten Werkzeug [B] festhal- ten. VORSICHT Wird die Schraube der Scheibe entfernt, ohne die Scheibe festzuhalten, kann die Stelleinheit beschä- digt werden. Einbau der Auslassklappenventil-Stelleinheit • Die Halterung [A] an der Stelleinheit [B] montieren. Unterlegscheiben [C] Muttern [D]
  • 190.
    3-98 KRAFTSTOFFANLAGE (DFI) Auslassklappenventil-Stelleinheit(Servicecode 63) • Die Scheibe soder Seite Stelleinheit[B] liegen. dass ihre Löcher [A] auf auf die det Kerbe aufsetzen, • Die Scheibe mit an der geeigneten Werkzeug [B] festhal- Scheibe [A] Stelleinheit montieren. • ten und die Schraube anziehen. Die einem Anzugsmoment - Schraube der Auslassklappenven- til-Stelleinheitsscheibe: 4,9 N·m (0,50 kgf·m) VORSICHT Wird die Schraube der Scheibe festgezogen, ohne die Scheibe festzuhalten, kann die Stelleinheit be- schädigt werden. • Den Winkel derist die Ausgangsstellung wie gezeigt kon- trollieren. Dies Scheibe [A] (41,7° ±7°) der Scheibe. ANMERKUNG ○Die Position elektrisch korrigieren, nachdem sicherge- stellt wurde, dass die Stelleinheit außer Betrieb ist und durch die Abweichung vom dargestellten Winkel keinen Schaden erlitten hat. VORSICHT Die Position der Scheibe nicht mit Gewalt mit einem Werkzeug korrigieren. Dabei wird die Stelleinheit beschädigt. Liegt der Winkel nicht innerhalb des Sollwerts, die Stel- leinheit wie folgt einstellen. ○Die Verbinder der Stelleinheit anklemmen. ○Den Zündschalter einschalten. ○Sicherstellen, dass die Scheibe sich nach rechts und dann nach links dreht. ○Die Scheibe befindet sich in Ausgangsstellung. ○Den Zündschalter ausschalten. Liegt die Position nicht innerhalb des oben angegebenen Winkels, die Auslassklappenventil-Stelleinheit ersetzen. • Festziehen: Anzugsmoment - Befestigungsschrauben der Auslassklappen- ventil-Stelleinheit: 6,9 N·m (0,70 kgf·m) • Zuerst das (siehe "Einbauund dann das Schließkabel montieren Öffnungskabel des Auslassklappenven- til-Gaszugs" im Kapitel "Motoroberseite").
  • 191.
    KRAFTSTOFFANLAGE (DFI) 3-99 Auslassklappenventil-Stelleinheit(Servicecode 63) Prüfung der Auslassklappenventil-Stelleinheit ANMERKUNG ○Die Batterie muss voll aufgeladen sein. • Ausbauen: (siehe "Ausbau der Sitzabdeckung" im Sitzabdeckung Kapitel "Rahmen") •Den Zündschalter einschalten. •Sicherstellen, das die Scheibe [A] sich leichtgängig nach rechts [B] und nach links [C] dreht. ○Die Scheibe dreht sich nach rechts, dann nach links und wieder nach rechts. Dreht sich die Scheibe nicht, die Ausgangsspannung der Auslassklappenventil-Stelleinheit überprüfen. Prüfung der Ausgangsspannung der Auslassklappenventil-Stelleinheit • Ausbauen: (siehe "Ausbau der Sitzabdeckung" im Sitzabdeckung Kapitel "Rahmen") Auslassklappenventil-Stelleinheit • Die Ausgangsspannung an den 3-poligen Verbindern der Auslassklappenventil-Stelleinheit [A] messen, wobei sich die Scheibe in Ausgangsstellung wie folgt befinden muss. • Abziehen: 2-poliger Verbinder [B] 3-poliger Verbinder [C] • Adapter [D] zwischen den 3-poligen Verbindern und ei- nem Digitalmultimeter [E] anschließen. Hauptkabelbaum [F] Spezialwerkzeug - Adapter zur Drosselklappensensor-Einstellung Nr. 1: 57001-1400 Anschlüsse Multimeter (+) → schwarzes Kabel [G] im Adapter (gelbes Kabel der Stelleinheit) Multimeter (–) → schwarz/blaues Kabel [H] im Adapter (schwarzes Kabel der Stelleinheit) Ausgangsspannung der Stelleinheit (Scheiben -Ausgangsposition) Standard: 3,46 ∼ 3,76 V Liegt die Ausgangsspannung außerhalb des Sollwerts, die Stelleinheit ausbauen und prüfen, ob die Scheibe sich in Ausgangsstellung befindet (siehe "Einbau der Auslass- klappenventil-Stelleinheit").
  • 192.
    3-100 KRAFTSTOFFANLAGE (DFI) Auslassklappenventil-Stelleinheit(Servicecode 63) Schaltkreis der Auslassklappenventil-Stelleinheit 1. ECU 2. Auslassklappenventil-Stelleinheit
  • 193.
    KRAFTSTOFFANLAGE (DFI) 3-101 Unterdruckschaltventil(Servicecode 64) Ausbau/Einbau des Unterdruckschaltventils • Siehe Abschnitt "Abgasreinigungssystem" "Motoroberseite". im Kapitel Prüfung des Unterdruckschaltventils • Siehe "Prüfung des Unterdruckschaltventils" im Kapitel "Elektrik". • Die Verkabelung gemäß dem folgenden Schaltplan auf Durchgang prüfen. Schaltkreis des Unterdruckschaltventils (außer Modelle für Europa) 1. ECU 10. Hauptsicherung 30 A 2. Motorstoppschalter 11. Starterrelais 3. Zündschalter 12. Batterie 12 V 8 Ah 4. Zündungssicherung 10 A 13. Steckverbindung C 5. ECU-Sicherung 10 A 14. Steckverbindung B 6. Sicherungskasten 15. Rahmenmasse 7. ECU-Hauptrelais 16. Masse des Zylinderkopfdeckels 8. Kraftstoffpumpenrelais 17. Kraftstoffpumpe 9. Relaiskasten 18. Unterdruckschaltventil
  • 194.
    3-102 KRAFTSTOFFANLAGE (DFI) Lambdasonden-Heizungen(Nr. 1, Nr. 2: Servicecode 67) - ausgerüstete Modelle Ausbau/Einbau der Lambdasonden-Heizung Die Lambdasonden-Heizung ist in der Lambdasonde ein- gebaut. Das Heizelement selbst kann daher nicht ausge- baut werden. Die Lambdasonde ausbauen (siehe "Ausbau der Lambdasonde" im Kapitel "Elektrik"). Prüfung der Lambdasonden-Heizung • Ausbauen: Verkleidung (siehe "Ausbau der rechten Rechte mittlere mittleren Verkleidung" im Kapitel "Rahmen") • Den Steckverbinder [A] aller Lambdasondenkabel tren- nen. • Das am Kabelverbinderauf den Bereich × 1 Ω einstellen und Handprüfgerät [A] [B] der Lambdasonde anschlie- ßen. Weißer Kabelanschluss [C] Weißer Kabelanschluss [D] Spezialwerkzeug - Handprüfgerät: 57001-1394 Widerstand der Lambdasonde Standard: ca. 8 Ω bei 20°C Wenn der Messwert nicht mit den angegebenen Werten übereinstimmt, die Lamdasonde durch eine neue erset- zen. Stimmt der gemessene Wert, die Spannung der Strom- versorgung prüfen. ANMERKUNG ○Die Batterie muss voll aufgeladen sein. • Ein Digitalvoltmeter [A] mit dem Nadeladapter [C][B] an- den der beiden Lambdasonden-Steckverbinder an je- schließen. Spezialwerkzeug - Nadeladaptersatz: 57001-1457 Versorgungsspannung der Lambdasonden-Heizung Anschlüsse am Lambdasonden-Steckverbinder Prüfgerät (+) → weißes (Hauptkabelbaumseite rosa/schwarz) Kabel [D] Prüfgerät (−) → Batterie-Klemme (−) [E] Lambdasonde Nr. 1 [F] Lambdasonde Nr. 2 [G] • Die Stromversorgungsspannung bei ausgeschalte- tem Motor und mit angeschlossenem Lambdason- den-Steckverbinder messen. • Den Zündschalter einschalten. Versorgungsspannung am Lambdasonden -Steckverbinder Standard: Batteriespannung
  • 195.
    KRAFTSTOFFANLAGE (DFI) 3-103 Lambdasonden-Heizungen(Nr. 1, Nr. 2: Servicecode 67) - ausgerüstete Modelle Wenn der Messwert die Vorgabe nicht erfüllt, Folgendes prüfen. Batterie (siehe "Prüfung des Ladezustandes" im Kapitel "Elektrik") Hauptsicherung 30 A (siehe "Prüfung der Sicherung" im Kapitel "Elektrik") Lambdasonden-Heizungssicherung 10 A (siehe "Prü- fung der Sicherung" im Kapitel "Elektrik") Ist der Messwert in Ordnung, die Spannung der Strom- versorgung normal, das rote Kabel zwischen Lambda- sonden-Steckverbinder und ECU anhand dem folgenden Schaltplan auf Durchgang überprüfen. Wenn die Verkabelung in Ordnung ist, den Massean- schluss und die Stromversorgung der ECU überprüfen (siehe "Prüfung der ECU-Stromversorgung"). Sind Mas- severbindung und Stromversorgung in Ordnung, die ECU ersetzen (siehe Abschnitt "ECU"). • Den Nadeladaptersatz entfernen, und Silikondichtmittel auf den Verbinder auftragen, um ihn wasserfest zu ma- chen. Dichtmittel - Kawasaki Bond (Silikondichtmittel): 56019-120 Lambdasonden-Schaltkreis 1. ECU 2. Lambdasonde Nr. 1 3. Lambdasonde Nr. 2 4. Zündschalter 5. Sicherungskasten 6. Sicherung der Lambdasonde 10 A 7. Hauptsicherung 30 A 8. Starterrelais 9. Batterie 10. Rahmenmasse
  • 196.
    3-104 KRAFTSTOFFANLAGE (DFI) Lambdasonden– falsche Ausgangsspannung (Nr. 1, Nr. 2: Servicecode 94, 95) - ausgerüstete Modelle Lambdasonde Nr. 1: Servicecode 94 Lambdasonde Nr. 2: Servicecode 95 Ausbau/Einbau der Lambdasonde • Siehe "Ausbau und Einbau der Lambdasonde" im Kapitel "Elektrik". Prüfung der Lambdasonde ANMERKUNG ○Die Lambdasonden Nr. 1 [A] und Nr. 2 [B] sind iden- tisch, aber die Verdrahtung auf der Hauptkabelbaum- seite ist unterschiedlich. • Den Motor auf Betriebstemperatur bringen. • Den rechte Seitenabdeckung ausbauen (siehe "Ausbau Zündschalter ausschalten. • der rechten Seitenabdeckung" im Kapitel "Rahmen"). Die • Ein Digitalvoltmeter(an der Sondenseite) der Lambdason- Steckverbinder [B] [A] mit dem Nadeladaptersatz an die den anschließen. Spezialwerkzeug - Nadeladaptersatz: 57001-1457 Ausgangsspannung der Lambdasonde Anschlüsse am Lambdasonden-Steckverbinder Messgerät (+) → schwarzes Kabel Messgerät (−) → graues Kabel • Die den Verschraubungen abziehen. [A] (beide Seiten) von Unterdruckschaltventilschläuche
  • 197.
    KRAFTSTOFFANLAGE (DFI) 3-105 Lambdasonden– falsche Ausgangsspannung (Nr. 1, Nr. 2: Servicecode 94, 95) - ausgerüstete Modelle • Die Verschraubungenund die Sekundärluft abstellen. Seiten) verschließen mit geeigneten Stopfen [A] (beide • Den Motor starten einschalten. drehen lassen. Zündschalter • Die Ausgangsspannung des Sensors bei angeschlosse- Den und im Leerlauf • nem Steckverbinder messen. Ausgangsspannung der Lambdasonde (mit Stopfen) Standard: 0,45 ∼ 2,5 V • Als nächstes die Stopfen (Motor im Leerlauf). den Ver- schraubungen entfernen [A] (beide Seiten) von • Die Ausgangsspannung des Sensors bei angeschlosse- nem Steckverbinder messen. Ausgangsspannung der Lambdasonde (ohne Stopfen) Standard: 0,05 ∼ 0,45 V Falls der Messwert in Ordnung ist (mit Stopfen: 0,45 ∼ 2,5 V, ohne Stopfen: 0,05 ∼ 0,45 V), ist die Lambdasonde in Ordnung. Liegt der Messwert außerhalb des Standardbereichs, den Motor und das Kraftstoffsystem überprüfen. Sind Motor und Kraftstoffsystem in Ordnung, die Lamb- dasonde ersetzen. • Den Nadeladaptersatz entfernen, und Silikondichtmittel auf die Dichtungen der Verbinder auftragen, um sie was- serfest zu machen. Dichtmittel - Kawasaki Bond (Silikondichtmittel): 56019-120
  • 198.
    3-106 KRAFTSTOFFANLAGE (DFI) Lambdasonden– falsche Ausgangsspannung (Nr. 1, Nr. 2: Servicecode 94, 95) - ausgerüstete Modelle Lambdasonden-Schaltkreis 1. ECU 2. Lambdasonde Nr. 1 3. Lambdasonde Nr. 2 4. Zündschalter 5. Sicherungskasten 6. Sicherung der Lambdasonde 10 A 7. Hauptsicherung 30 A 8. Starterrelais 9. Batterie 10. Rahmenmasse
  • 199.
    KRAFTSTOFFANLAGE (DFI) 3-107 ECU VORSICHT Die ECU keinesfalls fallen lassen, besonders nicht auf harten Boden. Durch solch einen Schlag kann die ECU beschädigt werden. Kennzeichnung der ECU ○In den meisten Ländern gibt es eigene Vorschriften, so- dass die ECU jeweils verschiedene Eigenschaften auf- weist. Achten Sie deshalb darauf, die ECUs nicht zu ver- wechseln und nur die speziell für Ihr Modell bestimmte ECU zu verwenden. Anderenfalls werden durch das Mo- torrad die gesetzlichen Vorschriften nicht eingehalten. Kennzeichnung der ECU Teilenummer [A] Technische Daten U.S.A., ohne Wegfahrsperre 21175-0111 U.S.A. (Kalifornien), ohne Wegfahrsperre Kanada, ohne Wegfahrsperre Außer U.S.A., U.S.A. (Kalifornien), 21175-0109 Kanada, Malaysia und Australien mit Wegfahrsperre 21175-0114 Malaysia, mit Wegfahrsperre 21175-0113 Australien, mit Wegfahrsperre Ausbau der ECU • Ausbauen: Auspufftopf Sitzabdeckung (siehe "Ausbau des Auspufftopfs" im Ka- pitel "Motoroberseite") Batterie (siehe "Ausbau der Batterie" im Kapitel "Elek- trik") Hinterrad-Schutzblech [A] (siehe "Ausbau der Klappe und des Hinterrad-Schutzbleches" im Kapitel "Rahmen") •Die ECU [B] mit dem Gummischutz herausziehen. • Ausbauen: ECU-Kabelverbinder [A] Gummischutz [B] ECU [C]
  • 200.
    3-108 KRAFTSTOFFANLAGE (DFI) ECU Einbauder ECU • Folgende (im Gummischutz [B]) ECU [A] Teile einbauen: ECU-Kabelverbinder [C] • Die Schlitze [A] des Gummischutzes fest in die Halterun- gen [B] einsetzen. Prüfung der ECU-Stromversorgung • Die Anschlüsse [A] der ECU-Verbinder visuellStaub zuge- Falls der Steckverbinder mit Schlamm oder überprüfen. setzt ist, den Steckverbinder mit Pressluft reinigen. Den Hauptkabelbaum austauschen, wenn die An- schlüsse der Verbinder des Hauptkabelbaums gerissen, verbogen oder in anderer Weise beschädigt sind. Die ECU ersetzen, wenn die Anschlüsse der ECU -Verbinder gerissen, verbogen oder in anderer Weise beschädigt sind. • Beiund einem Nadeladaptersatz die folgenden Masselei- rät angeschlossenen ECU-Verbindern mit einem Prüfge- tungen auf Durchgang prüfen, wenn der Zündschalter in Stellung OFF steht. Spezialwerkzeug - Nadeladaptersatz: 57001-1457 Prüfung des ECU-Masseanschlusses Klemme 34, 66 oder Batterie-Minusklemme (–): ←→ 67 (schwarz/gelb) 0Ω Masseanschluss Batterie-Minusklemme (–): ←→ des Motors 0Ω Besteht kein Durchgang, Steckverbinder, Motormasseka- bel bzw. Hauptkabelbaum prüfen und ggf. reparieren oder erneuern.
  • 201.
    KRAFTSTOFFANLAGE (DFI) 3-109 ECU •Die ECU-Versorgungsspannung mit einem Prüfgerät [A] messen. ○Die Klemmenbelegung mit der in der Abbildung in diesem Kapitel angegebenen Klemmennummerierung der ECU in Übereinstimmung bringen. Batterie [B] Prüfung der ECU-Stromversorgung Prüfgerät-Anschlüsse: zwischen Klemme 16 (weiß/gelb) und Batterieklemme (–) zwischen Klemme 17 (weiß/schwarz) und Batterieklemme (–) Zündschalter OFF: Klemme 16 (weiß/gelb) 0 V, Klemme 17 (weiß/schwarz), Batteriespannung (mindestens 12,8 V) Zündschalter ON: Batteriespannung (mindestens 12,8 V) Falls die Anzeige des Prüfgeräts nicht den Vorgaben ent- spricht, Folgendes prüfen: Sromversorgungskabel Hauptsicherung 30 A (siehe "Prüfung der Sicherung" im Kapitel "Elektrik") ECU-Sicherung 10 A (siehe "Prüfung der Sicherung" im Kapitel "Elektrik") ECU-Hauptrelais (siehe "Prüfung des Relaisschaltkrei- ses" im Kapitel "Elektrik")
  • 202.
    3-110 KRAFTSTOFFANLAGE (DFI) ECU ECU-Stromversorgungsstromkreis 1. ECU 2. Zündschalter 3. Steckverbindung C 4. Masse des Zylinderkopfdeckels 5. ECU-Sicherung 10 A 6. Sicherungskasten 7. Relaiskasten 8. ECU-Hauptrelais 9. Rahmenmasse 10. Hauptsicherung 30 A 11. Starterrelais 12. Batterie,12 V 8 Ah
  • 203.
    KRAFTSTOFFANLAGE (DFI) 3-111 DFI-Stromversorgung Ausbauder ECU-Sicherung 15 A • Zum Ausbau der 10 A ECU-Sicherung siehe das Kapitel Elektrik (siehe "Ausbau der ECU-Sicherung" im Kapitel "Elektrik"). Einbau der ECU-Sicherung Wenn eine Sicherung während des Betriebs durchbrennt, das DFI-System überprüfen und die Ursache ermitteln. Dann die Sicherung durch eine Sicherung mit gleicher Amperezahl ersetzen. • Zum Einbau der Sicherung siehe das Kapitel Elektrik (siehe "Einbau der Sicherung" im Kapitel "Elektrik"). Prüfung der Sicherung der ECU • Zur Prüfung derder Sicherung" im KapitelKapitel Elektrik (siehe "Prüfung Sicherung siehe das "Elektrik").
  • 204.
    3-112 KRAFTSTOFFANLAGE (DFI) Warnleuchte(LED) Prüfung der Warnleuchte (LED) ○Die Warnleuchte (LED) [A] dient als FI-Anzeige, Wegfahr- sperren-Kontrollleuchte (Modelle mit Wegfahrsperre) und Öldruck-Warnleuchte. ○Bei diesem Modell blinkt die Warnleuchte (LED) (FI/Weg- fahrsperre) entsprechend den von der ECU übertragenen Daten. •Zur Prüfung der Warnleuchte (LED) (FI/Wegfahrsperre) siehe "Prüfung der Instrumenteneinheit" im Kapitel "Elek- trik". Schaltkreis der Warnleuchte (LED) (FI/Wegfahrsperre) 1. ECU 2. Batterie 12 V 8 Ah 3. Rahmenmasse 4. Instrumenteneinheit 5. Warnleuchte (LED)
  • 205.
    KRAFTSTOFFANLAGE (DFI) 3-113 Kraftstoffleitung Prüfungdes Kraftstoffdrucks ANMERKUNG ○Die Batterie muss voll aufgeladen sein. • Ausbauen: (siehe "Ausbau des Vordersitzes" im Kapitel Vordersitz "Rahmen") • Den Kraftstofftank aufstellen (siehe "Ausbau des Luftfil- ters"). • Um die Kraftstoffzuleitung des Drosselklappengehäuses und die Kraftstoffpumpe einen Lappen wickeln. • Den Kraftstoffschlauch ausbauen (siehe "Ausbau des Kraftstofftanks"). ACHTUNG Vorkehrung für verspritzen Kraftstoff treffen. Ver- spritzter Kraftstoff muss sofort abgewischt werden. Bei abgebautem Kraftstoffschlauch fließt Kraftstoff aus dem Schlauch und der Leitung, da noch ein Restdruck vorhanden ist. Den Schlauchverbinder mit einem sauberen Tuch abdecken, um das Aus- laufen von Kraftstoff zu vermeiden.
  • 206.
    3-114 KRAFTSTOFFANLAGE (DFI) Kraftstoffleitung •Den Adapter für das zwischen die Kraftstoffzuleitungen Kraftstoffschläuche [B] Kraftstoffmanometer [A] und die der Kraftstoffpumpe und des Drosselklappengehäuses einbauen. • Das Druckmanometer [C] an den Adapter des Kraftstoff- manometers anschließen. Spezialwerkzeuge - Öldruckmanometer, 5 kgf/cm²: 57001-125 Adapter für Kraftstoffmanometer: 57001-1593 Kraftstoffschlauch: 57001-1607 ACHTUNG Bei abgezogenen Kraftstoffschläuchen keine Start- versuche durchführen. • Den3 Zündschalter einschalten.und stoppt dann. wird für Sekunden eingeschaltet Die Kraftstoffpumpe VORSICHT Die Kraftstoffpumpe ohne Kraftstoff im Kraftstoff- tank maximal 3 Sekunden lang laufen lassen. Wird die Kraftstoffpumpe ohne Kraftstoff betrieben, wird sie beschädigt. • Den Kraftstoffdruck bei gestopptem Motor messen. Kraftstoffdruck Unmittelbar nach Drehung des Zündschalters auf ON bei laufender Pumpe: Sollwert: 294 kPa (3,0 kgf/cm²) 3 Sekunden nach Einschalten des Zündschalters mit stehender Pumpe: Sollwert: 280 kPa (2,9 kgf/cm²), Kraftstoff-Restdruck Das System muss den Restdruck mindestens 30 Sekunden lang halten. • Den Motor starten und im Leerlauf drehen messen. lassen. • Den Kraftstoffdruck bei gestopptem Motor
  • 207.
    KRAFTSTOFFANLAGE (DFI) 3-115 Kraftstoffleitung Kraftstoffdruck (Leerlauf) Standard: 294 kPa (3,0 kgf/cm²) ANMERKUNG ○Der Zeiger des Manometers schwankt. Der Durch- schnittswert zwischen der größten und kleinsten Anzeige gilt als Kraftstoffdruck. Wenn der Kraftstoffdruck deutlich höher ist als der Soll- wert, die Kraftstoffpumpe ersetzen (siehe "Ausbau/Ein- bau der Kraftstoffpumpe"). Liegt der Kraftstoffdruck deutlich unter dem angegebenen Sollwert, Folgendes prüfen: Undichte Kraftstoffleitung Stärke des Kraftstoffflusses (siehe "Prüfung der Kraft- stoffflussrate") Falls der Kraftstoffdruck erheblich unter dem Sollwert liegt, die obige Überprüfung aber einen guten Zustand ergibt, das Drosselklappengehäuse, den Einspritzdü- sensatz oder die Kraftstoffpumpe austauschen und den Kraftstoffdruck erneut messen (siehe die einschlägigen Abschnitte). • Das Kraftstoffdruckmanometer, die Kraftstoffschläuche und den Adapter entfernen. • Den Kraftstofftank einbauen (siehe "Einbau des Kraft- stofftanks"). Prüfung der Kraftstoffflussrate ANMERKUNG ○Die Batterie muss voll aufgeladen sein. ACHTUNG Benzin ist extrem leicht entzündlich und kann unter bestimmten Bedingungen explodieren. Der Arbeitsbereich muss gut belüftet sowie frei von Funken und offenen Flammen sein; dazu gehört auch jedes Gerät mit Kontrollleuchte. Nicht rau- chen. Den Zündschalter ausschalten. Vorkehrung für verspritzen Kraftstoff treffen. Ver- spritzter Kraftstoff muss sofort abgewischt werden. • DenOFF stellen. drehen und den Motorstoppschalter auf Zündschlüssel • Den Motor abkühlen lassen. • Einen Messbecher bereitlegen. • Ausbauen: (siehe "Ausbau des Vordersitzes" im Kapitel Vordersitz "Rahmen") Kraftstofftankschrauben (siehe "Ausbau des Kraftstoff- tanks")
  • 208.
    3-116 KRAFTSTOFFANLAGE (DFI) Kraftstoffleitung •Den Tankdeckel [A] öffnen, um den Druck im Kraftstoff- tank abzubauen. • Um die Kraftstoffzuleitung der Kraftstoffpumpe einen Lap- pen wickeln. • Den Kraftstoffschlauch von der "Ausbau des Kraftstoff- Kraftstoffpumpe abbauen (siehe Kraftstoffzuleitung der tanks"). ACHTUNG Vorkehrung für verspritzen Kraftstoff treffen. Ver- spritzter Kraftstoff muss sofort abgewischt werden. Bei abgebautem Kraftstoffschlauch fließt Kraftstoff aus dem Schlauch und der Leitung, da noch ein Restdruck vorhanden ist. Den Schlauchverbinder mit einem sauberen Tuch abdecken, um das Aus- laufen von Kraftstoff zu vermeiden. • Den Kraftstoffschlauch [A] mit der Kraftstoffzuleitung der Kraftstoffpumpe verbinden. Spezialwerkzeug - Kraftstoffschlauch: 57001-1607 • Den Kraftstoffschlauch in den Messbecher [B] halten. Kraftstoffschlauch mit einer Schelle sichern. • Den ACHTUNG Ausgetretenen Kraftstoff sofort abwischen. Den Messbecher senkrecht halten. • Dengestopptem Motor den Zündschalter auf die Stellung Kraftstofftankdeckel schließen. • ON drehen. Die Kraftstoffpumpe darf nur 3 Sekunden Bei arbeiten und muss dann stoppen. VORSICHT Die Kraftstoffpumpe ohne Kraftstoff im Kraftstoff- tank maximal 3 Sekunden lang laufen lassen. Wird die Kraftstoffpumpe ohne Kraftstoff betrieben, wird sie beschädigt. • Die nach 3 Sekunden ausgelaufene Menge messen. ○Diesen Vorgang mehrmals wiederholen. Stärke des Kraftstoffflusses Standard: 3 Sekunden lang mindestens 67 ml Falls die geförderte Kraftstoffmenge erheblich unter der Vorgabe liegt, Folgendes prüfen: Zustand der Batterie (siehe "Prüfung des Ladezustan- des" im Kapitel "Elektrik") • Nach der Prüfung die Kraftstoffschläuche anschließen (siehe "Einbau des Kraftstofftanks"). • Den Motor starten und auf austretenden Kraftstoff achten.
  • 209.
    KRAFTSTOFFANLAGE (DFI) 3-117 Kraftstoffpumpe Ausbauder Kraftstoffpumpe VORSICHT Die Kraftstoffpumpe keinesfalls fallen lassen, be- sonders nicht auf harten Boden. Durch solch einen Schlag kann die Pumpe beschädigt werden. ACHTUNG Benzin ist extrem leicht entzündlich und kann unter bestimmten Bedingungen explodieren. Der Arbeitsbereich muss gut belüftet sowie frei von Funken und offenen Flammen sein; dazu ge- hört auch jedes Gerät mit Kontrollleuchte. Nicht rauchen. Den Zündschalter ausschalten. Das Bat- terie-Minuskabel (–) abklemmen. Um ein Auslaufen von Kraftstoff möglichst zu ver- meiden, den Kraftstoff aus dem Kraftstofftank ab- lassen, wenn der Motor kalt ist. Vorkehrung für verspritzen Kraftstoff treffen. Verspritzter Kraftstoff muss sofort abgewischt werden. • Den Kraftstoff mit einer handelsüblichen elektrischen Pumpe aus dem Kraftstofftank abpumpen. • Den Kraftstofftank ausbauen (siehe "Ausbau des Kraft- stofftanks"). ○Ein Auslaufen von Kraftstoff aus dem Kraftstofftank ver- meiden, da noch Kraftstoff im Kraftstofftank und der Kraft- stoffpumpe vorhanden ist. Die Kraftstoffleitung des Kraft- stofftanks mit Stopfen verschließen. • Den Kraftstoffpumpenschrauben [A] herausdrehen und Kraftstofftank umdrehen. • die Kraftstoffpumpenbaugruppe [B] mit der Dichtung Die abnehmen. • Die Kraftstoffpumpendichtung entsorgen. VORSICHT Nicht an den Kabeln [C] der Kraftstoffpumpe und des Kraftstoffreserveschalters ziehen. Bei einer Zugbeanspruchung können die Kabelanschlüsse beschädigt werden. Einbau der Kraftstoffpumpe • Die Kraftstoffpumpe [A] mit Druckluft vorsichtig von Staub und Schmutz säubern. • Die Dichtung der Kraftstoffpumpe erneuern.
  • 210.
    3-118 KRAFTSTOFFANLAGE (DFI) Kraftstoffpumpe •Sicherstellen,Kraftstoffreserveschalters [B] und das Mas- Klemme des dass die Kraftstoffpumpenklemmen [A], die seband [C] angeschlossen sind. Vorn [D] • Einen nicht-permanenten Gewindekleber auf das Ge- winde der Kraftstoffpumpenschrauben auftragen. • Dann die Kraftstoffpumpenschrauben in der gezeigten Reihenfolge festdrehen. • Entsprechend der Anzugsreihenfolge die Kraftstoffpum- penschrauben mit dem vorgeschriebenen Anzugsmo- ment festziehen. Anzugsmoment - Kraftstoffpumpenschrauben: 9,8 N·m (1,0 kgf·m) • Die Kraftstoffpumpenschrauben insicherzustellen.Reihen- folge nachziehen, um festen Sitz der gezeigten Funktionsprüfung der Kraftstoffpumpe ANMERKUNG ○Die Batterie muss voll aufgeladen sein. • Den Zündschalter in die StellungSekunden lang läuft (sie lieren, ob die Kraftstoffpumpe 3 ON drehen und kontrol- erzeugt ein leises Geräusch) und dann abgeschaltet wird. • Den Zündschalter ausschalten. Wenn die Pumpe nicht wie vorgesehen funktioniert, überprufen die Betriebsspannung. Prüfung der Kraftstoffpumpen-Betriebsspannung ANMERKUNG ○Die Batterie muss voll aufgeladen sein. • Den Zündschalter ausschalten. • Ausbauen: Linke Seitenabdeckung (siehe "Ausbau der Seitenabde- ckung" im Kapitel "Rahmen") • Das Handprüfgerät (25 V DC) am Verbinder [A] mit dem Nadeladaptersatz anschließen. Spezialwerkzeuge - Handprüfgerät: 57001-1394 Nadeladaptersatz: 57001-1457 ○Die Betriebsspannung bei ausgeschaltetem Motor und mit angeschlossenem Verbinder messen. •Den Zündschalter einschalten. ○Der Zeiger des Prüfgeräts muss 3 Sekunden lang die Bat- teriespannung und dann 0 V anzeigen. Pumpenbetriebsspannung an der Pumpe Anschlüsse für die Pumpenverbinder Prüfgerät (+) → Kabel gelb/rot Prüfgerät (–) → schwarz/weißes Kabel Betriebsspannung am Pumpenverbinder Standard: Batteriespannung (12,8 Volt) für 3 Sekunden, danach 0 Volt
  • 211.
    KRAFTSTOFFANLAGE (DFI) 3-119 Kraftstoffpumpe Wenn weiter die Batteriespannung angezeigt wird, und niemals 0 V, die ECU und das Kraftstoffpumpenrelais überprüfen. Entspricht die Spannung den Sollwerten, obwohl die Pumpe nicht arbeitet, die Pumpe ersetzen (siehe "Aus- bau/Einbau der Kraftstoffpumpe"). Wenn keine Batteriespannung gemessen werden kann, das Pumpenrelais überprüfen (siehe "Prüfung des Relais- schaltkreises" im Kapitel "Elektrik"). Schaltkreis der Kraftstoffpumpe 1. ECU 2. Motorstoppschalter 3. Zündschalter 4. Masse des Zylinderkopfdeckels 5. Steckverbindung C 6. ECU-Sicherung 10 A 7. Zündungssicherung 10 A 8. Sicherungskasten 9. ECU-Hauptrelais 10. Kraftstoffpumpenrelais 11. Relaiskasten 12. Steckverbindung B 13. Rahmenmasse 14. Hauptsicherung 30 A 15. Batterie 12 V 8 Ah 16. Kraftstoffpumpe
  • 212.
    3-120 KRAFTSTOFFANLAGE (DFI) Kraftstoffpumpenrelais Ausbaudes Kraftstoffpumpenrelais VORSICHT Das Relais keinesfalls fallen lassen, besonders nicht auf harten Boden. Durch solch einen Schlag kann das Relais beschädigt werden. ○Das Kraftstoffpumpenrelais ist im Relaiskasten unterge- bracht. • Ausbauen: Rechte Innenabdeckung (siehe "Ausbau der Innenabde- ckung" im Kapitel "Rahmen") Sicherungskasten [A] • Verbinder [B] abziehen und den Relaiskasten [A] aus der Halterung ausbauen. Prüfung des Kraftstoffpumpenrelais • Den Relaiskasten ausbauen (siehe "Ausbau des Kraft- stoffpumpenrelais"). • Das Handprüfgerät [A] und eine Batterie 12 Volt wie ab- gebildet an den Relais-Steckverbinder anschließen. Spezialwerkzeug - Handprüfgerät: 57001-1394 Relaisspulenklemmen [1] und [2] Relaisschalterklemmen [3] und [4] Prüfung des Relais Messbereich 1 Ω Bereich des Prüfgeräts: Kriterien: Bei angeschlossener Batterie → 0 Ω Bei abgeklemmter Batterie → ∞ Ω Falls das Relais die Vorgaben nicht erfüllt, muss der Re- laiskasten erneuert werden.
  • 213.
    KRAFTSTOFFANLAGE (DFI) 3-121 Einspritzventile VORSICHT Das Einspritzventil keinesfalls fallen lassen, beson- ders nicht auf harten Boden. Durch solch einen Schlag kann das Einspritzventil beschädigt werden. Akustische Überprüfung • Den Kraftstofftank aufstellen (siehe "Ausbau des Luftfil- tergehäuses"). • Motor starten. [B] die Spitze eines Schraubenziehers • Am ansetzen. Das Griffende an das Ohr halten und auf [A] Einspritzventil ein Klickgeräusch des Einspritzventils achten. •Es kann auch ein Stethoskop verwendet werden. •Die gleiche Prüfung beim anderen Einspritzventil wieder- holen. Wenn alle Einspritzventile in regelmäßigen Intervallen kli- cken, dann arbeiten sie einwandfrei. ○Die Abstände zwischen den Klickgeräuschen werden kür- zer, wenn die Motordrehzahl ansteigt. Falls eines der Einspritzventile kein Klickgeräusch abgibt, die “Prüfung des Einspritzventilsignals” durchführen, um die Funktion der Einspritzventile zu überprüfen. ANMERKUNG ○Die Sekundär-Einspritzventile werden unter folgenden Bedingungen aktiv. Die Motordrehzahl beträgt über 8.000 U/min Die Drosselklappenöffnung beträgt mehr als 30° Einspritzsignalprüfung • Zwei Prüflampen mit Steckern wie in der Abbildung vor- bereiten. Nennleistung der Glühlampe [A]: 12 V × 3 ∼ 3,4 W Klemmbreite [B]: 1,8 mm Klemmdicke [C]: 0,8 mm VORSICHT Keine größeren Klemmen als oben angegeben ver- wenden. Eine größere Anschlussklemme könnte den Hauptkabelbaum-Steckverbinder (Steck- buchse) des Einspritzventils beschädigen, wo- durch der Kabelbaum repariert oder ausgetauscht werden müsste. Die Glühlampen unbedingt in Serie schalten. Die Prüflampe dient zur Strombegrenzung und schützt den Magnetschalter im Einspritzventil vor Über- strom.
  • 214.
    3-122 KRAFTSTOFFANLAGE (DFI) Einspritzventile •Die Steckverbinder vom Einspritzventil [A] lösen. • Jeden Prüflampensatz [B]verbinden. der [C] der Einspritzdüse mit dem Teilkabelbaumverbin- • Den Motor mit demeinschalten. und die Prüflampe be- Zündschalter • obachten. Den Starter drehen Wenn die Prüflampe in regelmäßigen Intervallen flackert, sind Einspritzventil-Stromkreis der ECU und Verkabelung in Ordnung. Die in diesem Kapitel beschriebene “Wider- standsprüfung der Einspritzventile” durchführen. ○Einspritzventilsignalelassen sich auch durch den An- schluss eines Handprüfgeräts (10 V AC) statt durch Anschluss des Prüflampensatzes an den Steckverbinder (die Steckbuchse) des Einspritzventil-Hauptkabelbaums überprüfen. Den Verbrennungsmotor mit dem Starter- motor durchdrehen und kontrollieren, ob der Zeiger in regelmäßigen Intervallen schwankt. Spezialwerkzeug - Handprüfgerät: 57001-1394 Wenn die Prüflampe nicht blinkt (bzw. der Zeiger des Prüfgeräts nicht schwankt), die Verkabelung und die Ver- binder erneut überprüfen. Wenn die Verkabelung in Ord- nung ist, die Einspritzventilspannung prüfen (siehe "Prü- fung der Einspritzventilspannung").
  • 215.
    KRAFTSTOFFANLAGE (DFI) 3-123 Einspritzventile Widerstandsprüfungder Einspritzventile • Den Kraftstofftank aufstellen (siehe "Ausbau des Luftfil- tergehäuses"). • Den Steckverbinder von den Einspritzventilen [A] abklem- men. ○Am Primär-Einspritzventil Nr. 3 [B] den Schlauchan- schluss des Einspritzdüsensatzes abmontieren (siehe "Ausbau der Einspritzdüsen"). • Den Widerstand des Einspritzventils mit dem Handprüf- gerät messen. Spezialwerkzeug - Handprüfgerät: 57001-1394 Widerstand der Sekundär-Einspritzventile Anschlüsse an Einspritzventilen Multimeter (+) Multimeter (–) Nr. 1: weiß/rot ←→ orangefarben/rote Klemme Nr. 2: weiß/rot ←→ orangefarben/grüne Klemme orangefarben/schwarze Nr. 3: weiß/rot ←→ Klemme Nr. 4: weiß/rot ←→ orangefarben/gelbe Klemme Standard: Ca. 10,5 Ω bei 20°C Widerstand der Primär-Einspritzventile Anschlüsse am Einspritzventil Multimeter (+) Multimeter (–) Nr. 1: weiß/rot ←→ blau/rote Klemme Nr. 2: weiß/rot ←→ blau/grüne Klemme Nr. 3: weiß/rot ←→ blau/schwarze Klemme Nr. 4: weiß/rot ←→ blau/gelbe Klemme Standard: ca. 11,7∼ 12,3 Ω bei 20°C Falls der Messwert außerhalb des Sollwerts liegt, die in diesem Kapitel beschriebene “Prüfung des Einspritzven- tils” durchführen. Bei normalem Messwert die “Prüfung des Einspritzven- tils” zur Bestätigung durchführen.
  • 216.
    3-124 KRAFTSTOFFANLAGE (DFI) Einspritzventile Prüfungdes Einspritzventils • Zwei Kabel [A] und den gleichen Prüflampensatz [B] wie in der “Prüfung des Einspritzsignals” verwenden. Nennleistung der Glühlampe [C]: 12 V × (3 ∼ 3,4) W Batterie 12 V [D] VORSICHT Die Glühlampen unbedingt in Serie schalten. Die Prüflampe dient zur Strombegrenzung und schützt den Magnetschalter im Einspritzventil vor Über- strom. • Den Prüflampensatz wie abgebildet am Einspritzventil [E] anschließen. • Das anklemmen [F]. Das Einspritzventil(–) mehrmals ab- und Ende des Kabels zum Batteriepol muss klicken. Wenn das Einspritzventil nicht klickt, das Einspritzventil austauschen. Falls das Einspritzventil klickt, die Verkabelung erneut prüfen. Ist die Verkabelung in Ordnung, die ECU erset- zen. Prüfung der Einspritzventilspannung ANMERKUNG ○Die Batterie muss voll aufgeladen sein. • Den Zündschalter ausschalten. "Ausbau des Luftfil- • Den Kraftstofftank aufstellen (siehe tergehäuses"). • Ein Digitalvoltmeter [A] mit dem Nadeladaptersatz am Verbinder [B] anschließen. Spezialwerkzeug - Nadeladaptersatz: 57001-1457 Versorgungsspannung der Sekundär-Einspritzventile Verbinder an Einspritzventil Nr. 1, 2, 3, 4 Multimeter (+) → weiß/rotes Kabel Multimeter (–) → Batterie-Minusklemme (–) Versorgungsspannung der Primär-Einspritzventile Verbinder an Einspritzventil Nr. 1, 2, 3, 4 Multimeter (+) → weiß/rotes Kabel Multimeter (–) → Batterie-Minusklemme (–) • Den Kraftstofftank einbauen (siehe "Einbau des Kraft- stofftanks"). • Den Zündschalter einschalten. Stromversorgungsspannung am Verbinder der Einspritzdüse Standard: Batteriespannung (mindestens 12,8 V) Liegt die Stromversorgungsspannung unterhalb des Sollwerts, die Verkabelung (siehe Schaltplan), das Kraftstoffpumpenrelais (siehe "Prüfung des Kraftstoff- pumpenrelais") und die ECU-Stromversorgung (siehe "Prüfung der Stromversorgung der ECU") prüfen.
  • 217.
    KRAFTSTOFFANLAGE (DFI) 3-125 Einspritzventile •Den Zündschalter ausschalten. "Ausbau des Luftfil- • Den Kraftstofftank aufstellen (siehe tergehäuses"). • Ein Digitalvoltmeter [A] mit dem Nadeladaptersatz [C] am Verbinder [B] anschließen. Spezialwerkzeug - Nadeladaptersatz: 57001-1457 Ausgangsspannung der Sekundär-Einspritzventile Anschlüsse an Einspritzventil Nr. 1 Multimeter (+) → orangefarben/rotes Kabel Multimeter (–) → Batterie-Minusklemme (–) Anschlüsse an Einspritzventil Nr. 2 Multimeter (+) → orangefarben/grünes Kabel Multimeter (–) → Batterie-Minusklemme (–) Anschlüsse an Einspritzventil Nr. 3 Multimeter (+) → orangefarben/schwarzes Kabel Multimeter (–) → Batterie-Minusklemme (–) Anschlüsse an Einspritzventil Nr. 4 Multimeter (+) → orangefarben/gelbes Kabel Multimeter (–) → Batterie-Minusklemme (–) Ausgangsspannung der Primär-Einspritzventile Anschlüsse an Einspritzventil Nr. 1 Multimeter (+) → blau/rotes Kabel Multimeter (–) → Batterie-Minusklemme (–) Anschlüsse an Einspritzventil Nr. 2 Multimeter (+) → blau/grünes Kabel Multimeter (–) → Batterie-Minusklemme (–) Anschlüsse an Einspritzventil Nr. 3 Messgerät (+) → blau/schwarzes Kabel Multimeter (–) → Batterie-Minusklemme (–) Anschlüsse an Einspritzventil Nr. 4 Multimeter (+) → blau/gelbes Kabel Multimeter (–) → Batterie-Minusklemme (–)
  • 218.
    3-126 KRAFTSTOFFANLAGE (DFI) Einspritzventile •Den Kraftstofftank einbauen (siehe "Einbau des Kraft- stofftanks"). • Den Zündschalter einschalten. Ausgangsspannung am Verbinder der Einspritzdüse Standard: Batteriespannung (mindestens 12,8 V) ANMERKUNG ○Die Sekundär-Einspritzventile werden unter folgenden Bedingungen aktiv. Die Motordrehzahl beträgt über 8.000 U/min Die Drosselklappenöffnung beträgt mehr als 30° Liegt die Ausgangsspannung außerhalb des Sollwerts, die ECU ersetzen (siehe "Ausbau/Einbau der ECU"). Prüfung der Einspritzleitung • Den Einspritzdüsensatz ausbauen (siehe "Ausbau des Einspritzdüsensatzes"). • Das Drosselklappengehäuse ausbauen (siehe "Drossel- klappengehäuse"). • Die Einspritzleitung wie folgt auf Undichtigkeiten kontrol- lieren: ○Eine handelsübliche Unterdruck-/Druckpumpe [A] am Nippel der Druckleitung [B] mit der Kraftstoffleitung [C] gemäß Abbildung verbinden (beide Enden an den Klem- men [D] angeschlossen). ○Seifenlösung auf die Flächen [E] der Abbildung auftragen. ○Das Manometer beobachten und den Pumpenhebel [F] zusammendrücken, bis der aufgebaute Druck den Maxi- malwert erreicht. Maximaldruck der Kraftstoffleitung Standard: 300 kPa (3,06 kgf/cm²) VORSICHT Bei der Druckprüfung den maximal zulässigen Sys- temdruck nicht überschreiten. • Die Anzeigeder Druck nichtSekunden langdas System in Wenn sich mindestens 6 verändert, ist kontrollieren. Ordnung. Falls der Druck plötzlich abfällt oder Blasenbildung auf- tritt, ist die Leitung undicht. Die Druckleitung, die Ein- spritzdüsen und die anderen Teile austauschen (siehe die einschlägigen Abschnitte). ○Die Dichtheitsprüfung wiederholen und sicherstellen, dass die Kraftstoffleitung dicht ist. •Das Drosselklappengehäuse einbauen (siehe "Einbau des Drosselklappengehäuses"). •Den Einspritzdüsensatz einbauen (siehe "Einbau des Einspritzdüsensatzes"). •Die Schläuche korrekt verlegen (siehe Abschnitt "Ver- legung von Seilzügen, Kabeln und Schläuchen" im Anhang).
  • 219.
    KRAFTSTOFFANLAGE (DFI) 3-127 Einspritzventile Schaltkreisdes Einspritzventils 1. ECU 2. Sekundär-Einspritzventil Nr. 1 3. Sekundär-Einspritzventil Nr. 2 4. Sekundär-Einspritzventil Nr. 3 5. Sekundär-Einspritzventil Nr. 4 6. Primär-Einspritzventil Nr. 1 7. Primär-Einspritzventil Nr. 2 8. Primär-Einspritzventil Nr. 3 9. Primär-Einspritzventil Nr. 4 10. Motorstoppschalter 11. Zündschalter 12. Masse des Zylinderkopfdeckels 13. Steckverbindung C 14. Batterie 12 V 8 Ah 15. Rahmenmasse 16. Starterrelais 17. Hauptsicherung 30 A 18. Steckverbindung B 19. Kraftstoffpumpenrelais 20. Relaiskasten 21. ECU-Hauptrelais 22. ECU-Sicherung 10 A 23. Zündungssicherung 10 A 24. Sicherungskasten
  • 220.
    3-128 KRAFTSTOFFANLAGE (DFI) Gasdrehgriffund Gaszüge Prüfung des Spiels • Siehe die Anweisungen zur PrüfungWartung (siehe "Prü- steuerung im Kapitel Regelmäßige der Drosselklappen- fung der Drosselklappensteuerung" im Kapitel "Regelmä- ßige Wartung"). Spieleinstellung • Siehe die Anweisungen zur PrüfungWartung (siehe "Prü- steuerung im Kapitel Regelmäßige der Drosselklappen- fung der Drosselklappensteuerung" im Kapitel "Regelmä- ßige Wartung"). Einbau des Seilzugs • Gaszüge gemäß Kapitel im Anhang einbauen. Lei- tungen und Schläuchen" "Verlegung von Seilzügen, • Die unteren Enden der Gasseilzüge in die Seilzughalte- rung am Drosselklappengehäuse einhängen, sobald die oberen Enden der Gasseilzüge im Griff montiert sind. • Nach dem Einbau jeden Gaszug ordnungsgemäß einstel- len (siehe "Prüfung der Drosselklappensteuerung" im Ka- pitel "Regelmäßige Wartung"). ACHTUNG Die Inbetriebnahme mit falsch eingestellten, falsch verlegten oder beschädigten Seilzügen kann zu Ge- fahrensituationen während der Fahrt führen. Seilzugschmierung • Sieheim Kapitel Regelmäßige Wartung (siehe "Schmie- teile die Anweisungen zur Schmierung der Fahrgestell- rung der Fahrgestellteile" im Kapitel "Regelmäßige War- tung").
  • 221.
    KRAFTSTOFFANLAGE (DFI) 3-129 Drosselklappengehäuse Prüfungder Leerlaufdrehzahl • Weiteren Informationen finden Sie im AbschnittWartung". der Leerlaufdrehzahl" im Kapitel "Regelmäßige "Prüfung Synchronisationsprüfung • Weiteren Informationen finden Sie im Abschnitt Motor- unterdrucksynchronisation im Kapitel Regelmäßige War- tung. Synchroneinstellung • Weiteren Informationen finden Sie im Abschnitt Motor- unterdrucksynchronisation im Kapitel Regelmäßige War- tung. Ausbau des Drosselklappengehäuses ACHTUNG Benzin ist extrem leicht entzündlich und kann unter bestimmten Bedingungen explodieren. Den Zünd- schalter ausschalten. Das Batteriekabel (–) abzie- hen. Nicht rauchen. Der Arbeitsbereich muss gut belüftet sowie frei von Funken und offenen Flam- men sein; dazu gehört auch jedes Gerät mit Kon- trollleuchte. Auf auslaufenden Kraftstoff achten: Ausgelaufener Kraftstoff muss sofort vollständig aufgenommen werden. • Ausbauen: (siehe "Ausbau des Kraftstofftanks") Kraftstofftank Luftfiltergehäuse (siehe "Ausbau des Luftfiltergehäuses" in diesem Kapitel) ○Um die Kraftstoffzuleitung des Drosselklappengehäuses einen Lappen wickeln. •Abziehen: Verbinder der Teillastventil-Stelleinheit [A] Verbinder für Teillastsensor [B] Verbinder für Hauptdrosselklappensensor [C] Verbinder der Primär-Einspritzventile [D] Steckverbinder des Wassertemperatursensors [E] Klemme [F]
  • 222.
    3-130 KRAFTSTOFFANLAGE (DFI) Drosselklappengehäuse •Ausbauen: Unterdruckschlauch des Unterdruckschalterventils Unterdruckschlauch (Modell für Kalifornien) • Lockern: Klemmschrauben [A] Spezialwerkzeug - Schlüssel für Vergaserablassschraube, Hex: 57001-1269 [B] ○Den Schraubenschlüssel von außerhalb des Rahmen an- setzen. • Das Drosselklappengehäuse aus dem Halter ausbauen. VORSICHT Beim Ausbau des Drosselklappengehäuses die Hauptdrosselklappen in die Drosselklappenboh- rung einsetzen und darauf achten, dass die Ventile nicht beschädigt werden. • Das Drosselklappengehäuse [A] ausbauen, Gaszug locker ist. damit der • Ausbauen: [A] Schraube Halteplatte [B] Gaszüge [C] • Nach Ausbau des Drosselklappengehäuses diesauberen klappengehäusehalterungen mit fusselfreien, Drossel- Lappen verschließen. VORSICHT Wenn Schmutz in den Motor gelangt, ist ein star- ker Motorverschleiß und evtl. ein Motorschaden die Folge.
  • 223.
    KRAFTSTOFFANLAGE (DFI) 3-131 Drosselklappengehäuse Einbaudes Drosselklappengehäuses • Die Halterungsklemmschrauben wie dargestellt seiten- richtig einbauen. Wärmedämmung [A] Schraubenköpfe [B] ○Die Bohrung [C] der Klemme in die Nase [D] der Halte- rung einpassen. •Die unteren Enden der Gasseilzüge in die Seilzughalte- rung am Drosselklappengehäuse einhängen. •Ein nicht-permanentes Gewindedichtmittel auftragen. Anzugsmoment - Schraube der Gaszughalteplatte: 3,9 N·m (0,40 kgf·m) VORSICHT Beim Einbau des Drosselklappengehäuses die Hauptdrosselklappen in die Drosselklappenboh- rung einsetzen und darauf achten, dass die Ventile nicht beschädigt werden. • Festziehen: Anzugsmoment - Klemmschrauben der Drosselklappengehäuse- halterung: 3,0 N·m (0,30 kgf·m) • Die ausgebauten Verbinder wieder einbauen. "Verlegung • Den Seilzügen, Kabeln und Schläuchen" im Anhang ver- von Unterdruckschlauch wie in dem Abschnitt legen. • Beim Anbau des Kraftstoffschlauchs entsprechend "Ein- bau des Kraftstofftanks" in diesem Kapitel verfahren. • Einstellen: Gasdrehgriffspiel (siehe "Prüfung der Drosselklappen- steuerung" im Kapitel "Regelmäßige Wartung") Leerlaufdrehzahl (siehe "Einstellung der Leerlaufdreh- zahl" im Kapitel "Regelmäßige Wartung")
  • 224.
    3-132 KRAFTSTOFFANLAGE (DFI) Drosselklappengehäuse Zerlegungdes Drosselklappengehäuses 1. Teillastventil-Stelleinheit 2. Teillastsensor 3. Hauptdrosselklappensensor 4. Drosselklappengehäuse 5. Einspritzventil 6. Druckleitung VORSICHT Den Hauptdrosselklappensensor, den Teillastsen- sor, die Teillastventil-Stelleinheit, den Drossel- klappenmechanismus und das Drosselklappenge- häuse nicht ausbauen, zerlegen oder einstellen; diese Teile wurden bereits im Werk hochgenau eingestellt und eingebaut. Bei Einstellung dieser Teile kann die Leistung sinken, sodass die Dros- selklappe komplett ersetzt werden muss. • Das Drosselklappengehäuses"). des Drosselklappengehäuse ausbauen (siehe "Ausbau • Die Schraubender Einspritzventile und die Einspritzdüsen Verbinder abmontieren. • vom Drosselklappengehäuse mit der Druckleitung [B] he- Die [A] herausdrehen rausziehen. ANMERKUNG ○Beim Herausziehen der Einsätze der Einspritzdüsen aus dem Drosselklappengehäuse diese Einsätze nicht beschädigen.
  • 225.
    KRAFTSTOFFANLAGE (DFI) 3-133 Drosselklappengehäuse •Die Einspritzdüsen [A] aus der Druckleitung [B] ziehen. ANMERKUNG ○Beim Herausziehen der Einsätze der Druckleitung aus den Einspritzventilen diese Einsätze nicht beschädi- gen. • Die Druckleitungen trennen. Zusammenbau des Drosselklappengehäuses • Vor dem Zusammenbau und den Druckleitungen dem Drosselklappengehäuse Staub und Schmutz aus mit Druckluft ausblasen. • Auf die neuen O-Ringe [A] jedes Einspritzventils Motoröl auftragen, sie in die Druckleitung [B] einsetzen und si- cherstellen, das die Einspritzventile sich leichtgängig dre- hen. ANMERKUNG ○Den O-Ring der Einspritzventile und die Staubdichtun- gen der Druckleitung ersetzen. • Motoröl der die neuen Staubdichtungen [A] auftragen und die an auf Druckleitung montierten Einspritzventile ins Drosselklappengehäuse einsetzen. ANMERKUNG ○Die Staubdichtung des Drosselklappengehäuses erset- zen. • Die Druckleitung am Drosselklappengehäuse anbauen. Anzugsmoment - Befestigungsschrauben für Druckleitung: 3,4 N·m (0,35 kgf·m) • Die Schläuche einzeln in die Verschraubungen am Dros- selklappengehäuse einführen. • Das Drosselklappengehäuses"). des Drosselklappengehäuse einbauen (siehe "Einbau
  • 226.
    3-134 KRAFTSTOFFANLAGE (DFI) Einspritzdüsensatz Ausbaudes Einspritzdüsensatzes • Den Kraftstofftank aufstellen (siehe "Ausbau des Luftfil- tergehäuses"). • Unbedingt ein Tuch [A] um den Kraftstoffschlauchan- schluss [B] wickeln. • Die Klauen der Verbindungsverriegelung [C] zusammen- drücken. • Die Verbindungsverriegelung herausziehen [A], wie in der Abbildung gezeigt. • Denziehen. [C] Kraftstoffschlauchanschluss [B] aus der Druckleitung ACHTUNG Vorkehrung für verspritzen Kraftstoff treffen. Ver- spritzter Kraftstoff muss sofort abgewischt werden. Bei abgebautem Kraftstoffschlauch fließt Kraftstoff aus dem Schlauch und der Leitung, da noch ein Restdruck vorhanden ist. Den Schlauchverbinder mit einem sauberen Tuch abdecken, um das Aus- laufen von Kraftstoff zu vermeiden. • Ausbauen: des Einspritzdüsensatzes [A] Kabelverbinder Befestigungsschrauben des Einspritzdüsensatzes [B] Einspritzdüsensatz [C] Einbau des Einspritzdüsensatzes • Den Einspritzdüsensatz einbauen. Anzugsmoment - Befestigungsschrauben des Einspritzdüsensat- zes: 6,9 N·m (0,70 kgf·m) • Folgende Teile einbauen: Kabelverbinder des Einspritzdüsensatzes • Den Kraftstoffschlauchanschluss [A] gerade auf die Druckleitung schieben, bis er einrastet. • Die die Schlauchverbindung klickt.zusammendrücken [B], bis Verbindungsverriegelung [C] ACHTUNG Durch Verschieben des Kraftstoffschlauchan- schlusses sicherstellen, dass er korrekt am Stut- zen angeschlossen ist. Andernfalls kann Kraftstoff austreten.
  • 227.
    KRAFTSTOFFANLAGE (DFI) 3-135 Einspritzdüsensatz Zerlegungdes Einspritzdüsensatzes • Den Einspritzdüsensatz ausbauen (siehe "Ausbau des Einspritzdüsensatzes"). • Die Schrauben [A] herausdrehen und den Einspritzdü- sensatz samt der Druckleitung aus der Trägerplatte zie- hen. ANMERKUNG ○Beim Herausziehen der Einspritzventile aus der Träger- platte diese nicht beschädigen. • DenEinspritzventile ausabziehen. Kraftstoffschlauch • Die der Druckleitung ziehen. ANMERKUNG ○Beim Herausziehen der Einspritzventile aus den Druck- leitungen die Ventile nicht beschädigen. Zusammenbau des Einspritzdüsensatzes • Voraus dem Einspritzdüsensatz und den Druckleitungen [B] dem Zusammenbau Staub und Schmutz mit Druckluft [A] ausblasen. • Motoröl auf die neuen O-Ringe [A] und Staubdichtungen [B] jedes Einspritzventils auftragen. ANMERKUNG ○Die O-Ringe und Staubdichtungen der Einspritzventile erneuern. • Motoröl auf die neuen[B] an die [A] auftragen.anbauen. O-Ringe • Das Verbindungsrohr Druckleitung
  • 228.
    3-136 KRAFTSTOFFANLAGE (DFI) Einspritzdüsensatz •Motoröl auf die neuen des Einspritzventils in den Schlitz O-Ringe [A] auftragen. • [C] in der Druckleitung einpassen. Das Anschlussteil [B] • Motoröl auf die neuen die Trägerplatte einsetzen. Staubdichtungen [A] auftragen. • Die Druckleitungen in • Die Schrauben [A] festziehen. Anzugsmoment - Befestigungsschrauben für Druckleitung: 3,4 N·m (0,35 kgf·m) • Motoröl auf den neuen O-Ring [A] auftragen. • Festziehen: Anzugsmoment - Befestigungsschraube des Kraftstoffschlauchs [B]: 4,9 N·m (0,50 kgf·m) • Die EinspritzleitungEinspritzleitung"). (siehe "Prüfung der auf Undichtigkeiten kontrollieren
  • 229.
    KRAFTSTOFFANLAGE (DFI) 3-137 Luftfilter Ausbaudes Luftfilterelements • Siehe die Kapitel Regelmäßige Wartung (siehe "Wech- ments im Anweisungen zum Ersetzen des Luftfilterele- sel des Luftfilterelements" im Kapitel "Regelmäßige War- tung"). Einbau des Luftfilterelements • Siehe die Kapitel Regelmäßige Wartung (siehe "Wech- ments im Anweisungen zum Ersetzen des Luftfilterele- sel des Luftfilterelements" im Kapitel "Regelmäßige War- tung"). Prüfung des Luftfilterelements • Das Luftfilterelement entfernen (siehe "Wechsel des Luft- filterelements" im Kapitel "Regelmäßige Wartung"). • Das Filterelement [A] auf Berststellen oder Risse kontrol- lieren. Wenn das Element Risse oder Verschleißstellen aufweist, das Element ersetzen. Ausbau des Luftfiltergehäuses • Die Schraube vorne[A] mit Hilfe Kraftstofftank entfernen. seitlich am • zeugs oder einer Stange [B] aufstellen.geeigneten Werk- Den Kraftstofftank eines ○Den Lenker gerade stellen. • Ausbauen: Schlauchverbindung (siehe "Ausbau des Einspritzdü- sensatzes") Steckverbinder des Ansaugluft-Temperatursensors [A] Ansaugluftdrucksensor [B] Kabelverbinder des Einspritzdüsensatzes [C] • Ausbauen: Luftfiltergehäuseschraube [A] Stopfen [B]
  • 230.
    3-138 KRAFTSTOFFANLAGE (DFI) Luftfilter •Lockern: Klemmschrauben des Luftfiltergehäuses [A] • Ausbauen:[A] Klemme Motorentlüftungsschlauch [B] Klemme [C] Ablassschlauch [D] • Den Schlauch des Unterdruckschaltventils [A] abmontie- ren. Einbau des Luftfiltergehäuses • Den Schlauch des Unterdruckschalterventils am Luftfilter- gehäuse montieren. • Das Luftfiltergehäuse auf dem Einspritzdüsensatz mon- tieren. ○Die Klemmschrauben mit den Köpfen [A] gemäß Abbil- dung nach außen weisend einbauen. ○Die Kanäle [B] bis an den Anschlag [C] in das Drossel- klappengehäuse schieben. Anzugsmoment - Klemmschrauben des Luftfiltergehäuses: 2,0 N·m (0,20 kgf·m) Befestigungsschraube des Luftfiltergehäuses: 6,9 N·m (0,70 kgf·m) • Folgendeund Motorentlüftungsschläuche Ablass- Teile einbauen: Schlauchverbindung (siehe "Einbau des Einspritzdüsen- satzes")
  • 231.
    KRAFTSTOFFANLAGE (DFI) 3-139 Luftfilter •Folgende Teile einbauen: [A] Ansaugluft-Temperatursensor Ansaugluftdrucksensor [B] Haken [C] • Kabelbaum und Schlauch gemäß Abbildung verlegen. Zerlegung des Luftfiltergehäuses • Ausbauen: Luftfiltergehäuse (siehe "Ausbau des Luftfiltergehäu- ses") Ansaugluft-Temperatursensor Einspritzdüsensatz [A] (siehe "Ausbau des Einspritzdü- sensatzes") Klemmen [B] Kanäle [C] • Das Luftfilterelement entfernen (siehe "Wechsel des Luft- filterelements" im Kapitel "Regelmäßige Wartung"). Zusammenbau des Luftfiltergehäuses • Die Nasen [A] am Kanal in die Schlitze [B] am Luftfilter- gehäuse einpassen. • Die Kanäle [C] nicht verdrehen. • Folgende Teile einbauen: [A] Luftfilterrahmen-Dichtung Luftfiltergehäuse-Dichtung [B] Luftfilterelement-Dichtung [C] Luftfilterelement [D] Oberes Luftfiltergehäuse [E] Schrauben [F] • Festziehen: Anzugsmoment - Luftfiltergehäuseschrauben: 1,1 N·m (0,11 kgf·m) • Folgende Teile einbauen: Luftfiltergehäuse (siehe "Einbau des Luftfiltergehäu- ses")
  • 232.
    3-140 KRAFTSTOFFANLAGE (DFI) Luftfilter Ölablass Ein Ablassschlauch ist am Boden des Luftfilters ange- schlossen, damit das im Luftfilter abgeschiedene Wasser oder Öl abgelassen werden kann. • Am Auffangbehälterende des Ablassschlauchs kontrollie- ren, ob Wasser oder Öl ausläuft. Wenn sich im Schlauch Wasser oder Öl gesammelt hat, den Behälter [A] vom Ablassschlauch trennen und die Flüssigkeit entleeren. ACHTUNG Der Behälter muss nach dem Ablassen des Öls wieder am Ablassschlauch angeschlossen werden. Öl auf den Reifen verringert die Reifenhaftung und kann Unfälle und Verletzungen verursachen.
  • 233.
    KRAFTSTOFFANLAGE (DFI) 3-141 Kraftstofftank Ausbaudes Kraftstofftanks ACHTUNG Benzin ist extrem leicht entzündlich und kann unter bestimmten Bedingungen explodieren. Der Arbeitsbereich muss gut belüftet sowie frei von Funken und offenen Flammen sein; dazu gehört auch jedes Gerät mit Kontrollleuchte. Nicht rau- chen. Den Zündschalter ausschalten. Vorkehrung für verspritzen Kraftstoff treffen. Ver- spritzter Kraftstoff muss sofort abgewischt werden. • Den Zündschalter ausschalten. • Den Motor abkühlen lassen. • Ausbauen: Kraftstofftankschrauben [A] • Ausbauen: (siehe "Ausbau des Vordersitzes" im Kapitel Vordersitz "Rahmen") Batterie-Minusklemme (–) [A] Kraftstofftankschraube [B] Ablassschlauch [C] Kraftstoffpumpen-Verbinder [D] Kraftstoff-Rücklaufschlauch (rot, nur Modell für Kalifor- nien) Kraftstofftank-Belüftungsschlauch (blau, nur Modell für Kalifornien) • Den Tankdeckel [A] öffnen, um den Druck im Kraftstoff- tank abzubauen.
  • 234.
    3-142 KRAFTSTOFFANLAGE (DFI) Kraftstofftank •Den Kraftstoff mit einer handelsüblichen Pumpe [A] aus dem Kraftstofftank ablassen. ○Einen weichen Kunststoffschlauch [B] für die Pumpe ver- wenden, der sich problemlos einführen lässt. ○Den Schlauch durch die Tanköffnung [C] in den Tank schieben und den Kraftstoff abpumpen. Vorn [D] ACHTUNG Der Kraftstoff kann nicht vollständig aus dem Kraft- stofftank entfernt werden. Auf auslaufenden Rest -Kraftstoff achten. • Unbedingt ein Tuch [A] um den Kraftstoffschlauchan- schluss [B] wickeln. • Einen (–) Schraubendreher in den Schlitz [C] der Verbin- dungsverriegelung einsetzen. • Die Verbindungsverriegelung herausziehen [A], wie in der Abbildung gezeigt. • Die Kraftstoffschlauchverbindung [B] aus der Drucklei- tung ziehen. ACHTUNG Vorkehrung für verspritzen Kraftstoff treffen. Ver- spritzter Kraftstoff muss sofort abgewischt werden. Bei abgebautem Kraftstoffschlauch fließt Kraftstoff aus dem Schlauch und der Leitung, da noch ein Restdruck vorhanden ist. Den Schlauchverbinder mit einem sauberen Tuch abdecken, um das Aus- laufen von Kraftstoff zu vermeiden. • Den Kraftstofftankdeckel schließen. einer ebenen Flä- • Den ablegen. ausbauen, und auf che Kraftstofftank • Bei der Ausführung für Kalifornien Folgendes beachten. VORSICHT Gelangt bei der Ausführung für Kalifornien Benzin, Lösungsmittel, Wasser oder eine andere Flüssig- keit in den Aktivkohlebehälter, verringert sich die Fähigkeit des Behälters zur Absorption von Kraft- stoffdämpfen erheblich. Ein kontaminierter Behäl- ter muss erneuert werden. ○Den Rücklaufschlauch für den Kraftstoff mit einer Ver- schlussschraube verschließen, damit kein Kraftstoff vor dem Ausbau des Kraftstofftanks austritt. ACHTUNG Bei der Ausführung für Kalifornien kein Benzin durch den Rücklaufschlauch laufen lassen. Ver- schütteter Kraftstoff ist gefährlich.
  • 235.
    KRAFTSTOFFANLAGE (DFI) 3-143 Kraftstofftank Wenn Flüssigkeiten oder Benzin in den Belüftungs- schlauch gelangen, den Schlauch abziehen und mit Pressluft ausblasen. ○Ein Auslaufen von Kraftstoff aus dem Kraftstofftank ver- meiden, da noch Kraftstoff im Kraftstofftank und der Kraft- stoffpumpe vorhanden ist. ACHTUNG Den Kraftstofftank in einem Arbeitsbereich lagern, der gut belüftet sowie frei von Funken und offenen Flammen ist. In diesem Bereich nicht rauchen. Den Kraftstofftank auf einer ebenen Fläche ablegen und die Kraftstoffleitung mit Stopfen verschließen, da- mit kein Kraftstoff austritt. Einbau des Kraftstofftanks • Den des Kraftstofftanks"). bau oben aufgeführten ACHTUNG beachten (siehe "Aus- • Die Schläuche korrekt verlegen (sieheSchläuchen" im legung von Seilzügen, Kabeln und Abschnitt "Ver- Anhang). •Bei der Ausführung für Kalifornien Folgendes beachten. ○Damit kein Benzin in den Behälter fließen oder von dort herausfließen kann, den Behälter lotrecht zum Boden hal- ten. ○Die Schläuche entsprechend dem Systemdiagramm an- schließen (siehe Abschnitt "Verlegung von Seilzügen, Ka- beln und Schläuchen" im Anhang). Knicke oder Perforie- rungen vermeiden. ○Die Schläuche möglichst geradlinig verlegen, damit Luft bzw. Kraftstoffdämpfe nicht behindert werden. • Die Verbindungsverriegelung gemäß Abbildung anbrin- gen [A]. • Den Kraftstoffschlauchanschlusseinrastet. auf die Druckleitung [B] schieben, bis er [A] gerade • Die Schlauchverbindung klickt.[C] zusammendrücken, bis die Verbindungsverriegelung • Den Kraftstoffpumpen-Steckverbinder und das Batterie -Minuskabel (–) anklemmen.
  • 236.
    3-144 KRAFTSTOFFANLAGE (DFI) Kraftstofftank Prüfungdes Kraftstofftanks und Tankdeckels • Die Dichtung [A] am Tankdeckel auf Beschädigungen kontrollieren. Eine beschädigte Dichtung ersetzen. • Die Wasserablassleitung [B] und die Entlüftungsleitung für den Kraftstofftank [C] (Modell für Kalifornien) auf Ver- stopfung kontrollieren. Auch das Tankdeckelventil prüfen. Sind diese verstopft, den Tank ausbauen und entleeren, und dann den Entlüftungsfilter mit Druckluft durchblasen. VORSICHT Keine Pressluft an den Belüftungsöffnungen [D] im Tankdeckel anlegen. Dadurch kann die Labyrinth- dichtung im Motorkühlerdeckel beschädigt werden und sich zusetzen. Reinigung des Kraftstofftanks ACHTUNG Den Tank in einem gut belüfteten Bereich reinigen, in dessen Nähe keine offenen Flammen oder Fun- ken auftreten. Aufgrund der Gefahr, die mit leicht entflammbaren Flüssigkeiten verbunden ist, kein Benzin und keine Lösungsmittel mit niedrigem Flammpunkt zur Reinigung verwenden. • Den Kraftstofftank ausbauen (siehe "Ausbau des Kraft- stofftanks"). • Die Kraftstoffpumpe ausbauen (siehe "Ausbau der Kraft- stoffpumpe"). • Etwas Lösungsmittel mit hohem Flammpunkt in den Kraft- stofftank schütten und schütteln, damit sich Schmutz- und Kraftstoffrückstände lösen. • Das Lösungsmittel aus dem Kraftstofftank absaugen oder abpumpen. • Den Kraftstofftank mit Pressluft trocknen. • Die Kraftstoffpumpe einbauen (siehe "Einbau der Kraft- stoffpumpe"). • Den Kraftstofftank einbauen (siehe "Einbau des Kraft- stofftanks").
  • 237.
    KRAFTSTOFFANLAGE (DFI) 3-145 Tankdunstsystem(Modelle für Kalifornien) Das Tankdunstsystem führt die Kraftstoffdämpfe aus der Kraftstoffanlage dem laufenden Motor zu bzw. speichert die Kraftstoffdämpfe bei gestopptem Motor in einem Behälter. Obwohl keine Einstellungen erforderlich sind, muss in den in der Tabelle "Regelmäßige Wartung" angegebenen Inter- vallen eine gründliche Prüfung erfolgen. Ausbau/Einbau der Teilen ACHTUNG Benzin ist extrem leicht entzündlich und kann unter bestimmten Bedingungen explodieren. Den Zünd- schalter ausschalten. Nicht rauchen. Der Arbeits- bereich muss gut belüftet sowie frei von Funken und offenen Flammen sein; dazu gehört auch jedes Gerät mit Kontrollleuchte. VORSICHT Gelangt Benzin, Lösungsmittel, Wasser oder eine andere Flüssigkeit in den Aktivkohlebehälter, dann verringert sich die Fähigkeit des Behälters zur Ab- sorption von Kraftstoffdämpfen erheblich. Ein kon- taminierter Behälter muss erneuert werden. • Damit kein Benzin inden Behälter lotrecht zum Boden dort herausfließen kann, den Behälter fließen oder von hal- ten. • Die Schläuche entsprechend dem Systemdiagramm an- schließen (siehe Abschnitt "Verlegung von Seilzügen, Ka- beln und Schläuchen" im Anhang). Knicke oder Perforie- rungen vermeiden. Prüfung der Schläuche • Weiteren Informationen finden Sie im"Regelmäßige War- des Tankdunstsystems" im Kapitel Abschnitt "Prüfung tung". Prüfung des Abscheiders • Weiteren Informationen finden Sie im"Regelmäßige War- des Tankdunstsystems" im Kapitel Abschnitt "Prüfung tung". Abscheider [A]
  • 238.
    3-146 KRAFTSTOFFANLAGE (DFI) Tankdunstsystem(Modelle für Kalifornien) Funktionsprüfung des Abscheiders ACHTUNG Benzin ist extrem leicht entzündlich und kann unter bestimmten Bedingungen explodieren. Den Zünd- schalter ausschalten. Nicht rauchen. Der Arbeits- bereich muss gut belüftet sowie frei von Funken und offenen Flammen sein; dazu gehört auch jedes Gerät mit Kontrollleuchte. • Die Schläuche Motorrad einbauen. verbinden und den Abscheider im mit dem Abscheider • Den20 ml Benzin [A] durchvom Schlauchanschluss in den ca. Entlüftungsschlauch den Abscheider abziehen und Abscheider [B] einspritzen. • Den Rücklaufschlauch [C] vom Kraftstofftank [D] lösen. • Das offene Ende des Rücklaufschlauchs auf gleicher Höhe mit der Oberkante des Kraftstofftanks [E] zum Behälter führen. • Den Motor starten und im Leerlauf drehen lassen. Wenn das Benzin im Abscheider aus dem Schlauch aus- tritt, funktioniert der Abscheider einwandfrei. Anderen- falls den Abscheider erneuern. Prüfung des Aktivkohlebehälters • Weiteren Informationen finden Sie im"Regelmäßige War- des Tankdunstsystems" im Kapitel Abschnitt "Prüfung tung". ANMERKUNG ○Der Behälter [A] ist während der gesamten Nutzungs- dauer des Motorrades wartungsfrei, wenn er unter nor- malen Bedingungen verwendet wird.
  • 239.
    KÜHLSYSTEM 4-1 Kühlsystem INHALTSVERZEICHNIS Explosionszeichnung.............................................................................................................. 4-2 Technische Daten ................................................................................................................... 4-4 Spezialwerkzeuge .................................................................................................................. 4-5 Flussdiagramm der Kühlflüssigkeit......................................................................................... 4-6 Kühlflüssigkeit......................................................................................................................... 4-8 Prüfung der Kühlflüssigkeit auf Alterung........................................................................... 4-8 4 Prüfung des Kühlflüssigkeitsstands .................................................................................. 4-8 Ablassen der Kühlflüssigkeit ............................................................................................. 4-8 Auffüllen der Kühlflüssigkeit.............................................................................................. 4-8 Druckprüfung .................................................................................................................... 4-8 Spülung des Kühlsystems................................................................................................. 4-9 Ausbau des Kühlflüssigkeits-Ausgleichsbehälters............................................................ 4-9 Einbau des Kühlflüssigkeits-Ausgleichsbehälters............................................................. 4-10 Wasserpumpe ........................................................................................................................ 4-11 Ausbau der Wasserpumpe ............................................................................................... 4-11 Einbau der Wasserpumpe ................................................................................................ 4-11 Ausbau/Einbau des Wasserpumpen-Flügelrads............................................................... 4-11 Prüfung des Wasserpumpen-Flügelrads .......................................................................... 4-11 Zerlegung des Wasserpumpengehäuses ......................................................................... 4-11 Zusammenbau des Wasserpumpengehäuses ................................................................. 4-12 Prüfung der mechanischen Dichtung................................................................................ 4-12 Kühler ..................................................................................................................................... 4-13 Ausbau des Motorkühlers und Motorkühlergebläses........................................................ 4-13 Einbau des Motorkühlers und Motorkühlergebläses......................................................... 4-14 Prüfung des Motorkühlers................................................................................................. 4-17 Prüfung des Kühlerdeckels ............................................................................................... 4-18 Prüfung des Kühlereinfüllstutzens .................................................................................... 4-18 Thermostat ............................................................................................................................. 4-19 Ausbau des Thermostaten................................................................................................ 4-19 Einbau des Thermostaten................................................................................................. 4-19 Prüfung des Thermostaten ............................................................................................... 4-20 Schläuche und Leitungen ....................................................................................................... 4-21 Einbau der Schläuche....................................................................................................... 4-21 Prüfung der Schläuche ..................................................................................................... 4-21 Wassertemperatursensor ....................................................................................................... 4-22 Ausbau des Wassertemperatursensors ............................................................................ 4-22 Prüfung des Wassertemperatursensors ........................................................................... 4-22
  • 240.
  • 241.
    KÜHLSYSTEM 4-3 Explosionszeichnung Anzugsmoment Nr. Verbindungselement Anmerkungen N·m kgf·m 1 Halteschraube für Kühlflüssigkeit-Bypass 8,8 0,90 L 2 Kühlflüssigkeits-Ablassschraube (Bremszylinder) 9,8 1,0 3 Kühlflüssigkeits-Ablassschraube (Wasserpumpe) 8,8 0,90 Befestigungsschrauben des Kühlflüssigkeits 4 7,0 0,70 -Ausgleichsbehälters 5 Flügelradschraube 9,8 1,0 6 Befestigungsschrauben des Ölkühlers 20 2,0 7 Befestigungsschraube der Kühlerhalterung 9,8 1,0 8 Untere Kühlerschraube 6,9 0,70 9 Obere Kühlerschraube 9,8 1,0 10 Thermostatgehäuse-Deckelschrauben 5,9 0,60 11 Klemmschrauben des Wasserschlauchs 2,0 0,20 12 Wasserschlauch-Halteschrauben (Zylinder) 9,8 1,0 Wasserschlauch-Halteschrauben (Zylinderkopfde- 13 15 1,5 L ckel) 14 Wasserpumpen-Deckelschrauben 12 1,2 L 15 Wassertemperatursensor 25 2,5 SS G: Fett auftragen. HG: Hochtemperaturfett auftragen. L: Ein nicht-permanentes Gewindedichtmittel auftragen. R: Ersatzteile S: Die vorgeschriebene Anzugsreihenfolge einhalten. SS: Silikondichtmittel auftragen. W: Wasser auftragen.
  • 242.
    4-4 KÜHLSYSTEM Technische Daten Teil Standard Kühlflüssigkeit bei Auslieferung Typ (empfohlen) Permanentes Frostschutzmittel (weiches Wasser und Ethylenglykol sowie Zusätze von chemischen Korrosions- und Rostschutzmitteln für Aluminiummotoren und Motorkühler) Farbe Grün Mischungsverhältnis Entkalktes Wasser 50%, Kühlmittel 50% Gefrierpunkt –35°C Gesamtmenge 2,6 l (bei vollem Ausgleichsbehälter einschließlich Kühler und Motor) Kühlerdeckel Öffnungsdruck 93 ∼ 123 kPa (0,95 ∼ 1,25 kgf/cm²) Thermostat Ventilöffnungstemperatur 58 ∼ 62°C Ventilhub bei voller Öffnung mindestens 8 mm bei 75°C
  • 243.
    KÜHLSYSTEM 4-5 Spezialwerkzeuge Lagertreiber, 32: Lagertreibersatz: 57001-382 57001-1129
  • 244.
  • 245.
    KÜHLSYSTEM 4-7 Flussdiagramm derKühlflüssigkeit Permanentes Frostschutzmittel als Kühlflüssigkeit schützt das Kühlsystem vor Rost und Korrosion. Wenn der Motor startet, dreht sich die Wasserpumpe und die Kühlflüssigkeit zirkuliert. Der Thermostat ist ein Wachspelletthermostat, der bei Änderungen der Kühlflüssigkeitstemperatur öffnet bzw. schließt. Der Thermostat ändert laufend seine Ventilöffnung, um die Kühlflüssigkeits- temperatur konstant zu halten. Beträgt die Kühlflüssigkeitstemperatur weniger als 55°C, schließt der Thermostat, so dass die Kühlmittelflüssigkeit durch die Entlüftungsbohrung zirkulieren muss und sich der Motor schneller aufwärmt. Liegt die Kühlflüssigkeitstemperatur über 58 ∼ 62°C, öffnet der Ther- mostat, und die Kühlflüssigkeit fließt heraus. Übersteigt die Kühlflüssigkeitstemperatur 100°C, schließt das Kühlerlüfterrelais und der Lüfter be- ginnt zu drehen. Der Kühlerlüfter saugt Luft durch den Wärmetauscher, wenn bei niedriger Fahr- geschwindigkeit der Luftstrom allein nicht ausreicht. Dadurch wird die Kühlwirkung des Motorkühlers verbessert. Wenn die Kühlflüssigkeitstemperatur unter 97°C absinkt, öffnet das Kühlerlüfterrelais und schaltet den Kühlerlüfter aus. Auf diese Weise kontrolliert dieses System selbst bei veränderlicher Motorlast die Motortemperatur in dem engen Bereich, in dem der Motor am effektivsten arbeitet. Das System steht durch den Kühlerdeckel unter Druck, um ein Sieden und eine Blasenbildung mit einer Überhitzung des Motors zu vermeiden. Wenn sich der Motor aufwärmt, dehnt sich die Kühlflüs- sigkeit im Motorkühler und im Kühlmantel des Motors aus. Die überschüssige Kühlflüssigkeit fließt über den Kühlerdeckel und den Schlauch zum Ausgleichsbehälter und wird dort vorübergehend ge- speichert. Wenn sich dagegen der Motor abkühlt, zieht sich die Kühlflüssigkeit im Motorkühler und im Kühlmantel des Motors zusammen und die gespeicherte Kühlflüssigkeit fließt vom Ausgleichsbe- hälter zurück zum Kühler. Der Kühlerdeckel besitzt zwei Ventile. Das eine davon ist ein Druckventil, das den Druck im System bei laufendem Motor konstant hält. Wenn der Druck 93 ∼ 123 kPa (0,95 ∼ 1,25 kgf/cm²) übersteigt, öffnet das Druckventil und entspannt den Druck im Ausgleichsbehälter. Sobald der Druck ausgegli- chen ist, schließt das Ventil, und der Druck bleibt bei 93 ∼ 123 kPa (0,95 ∼ 1,25 kgf/cm²). Wenn sich der Motor abkühlt, öffnet ein anderes kleines Ventil (Unterdruckventil) im Kühlerdeckel. Wenn sich die Kühlflüssigkeit abkühlt, zieht sich die Kühlflüssigkeit zusammen und erzeugt einen Unterdruck im Kühlsystem. Das Unterdruckventil öffnet und die Kühlflüssigkeit kann aus dem Ausgleichsbehälter in den Kühler fließen.
  • 246.
    4-8 KÜHLSYSTEM Kühlflüssigkeit Prüfung derKühlflüssigkeit auf Alterung • Die Kühlflüssigkeitwatteartige Tafeln abgeschieden wer- Wenn weißliche, im Ausgleichsbehälter überprüfen. den, wurden die Aluminiumteile des Kühlsystems ange- griffen. Ist die Kühlflüssigkeit braun, enthält sie Rost von Eisen- oder Stahlteilen. In beiden Fällen das Kühlsystem spülen. Riecht die Kühlflüssigkeit ungewöhnlich, das Kühlsystem auf Leckstellen prüfen. Die Ursache können Abgase sein, die in das Kühlsystem gelangen. Prüfung des Kühlflüssigkeitsstands • Siehe "PrüfungWartung". "Regelmäßige des Kühlflüssigkeitsstands" im Kapitel Ablassen der Kühlflüssigkeit • SieheWartung". der Kühlflüssigkeit" im Kapitel "Regelmä- ßige "Wechsel Auffüllen der Kühlflüssigkeit • SieheWartung". der Kühlflüssigkeit" im Kapitel "Regelmä- ßige "Wechsel Druckprüfung • Ausbauen: Rechte Innenabdeckung (siehe "Ausbau der Innenabde- ckung" im Kapitel "Rahmen") Kühlerdeckel [A] ○Den Kühlerdeckel in zwei Schritten abnehmen. Zunächst den Deckel bis zum ersten Anschlag nach links drehen. Danach den Motorkühlerdeckel eindrücken und weiter- drehen, bis er sich abnehmen lässt. • Das anbauen. für das Kühlsystem [A] am Einfüllstut- zen Druckprüfgerät ANMERKUNG ○Auf die Dichtung des Kühlerdeckels Wasser oder Kühl- flüssigkeit auftragen, damit sie druckdicht ist. • Vorsichtig im System Druck aufbauen, bis der Druck 123 kPa (1,25 kgf/cm²) erreicht. VORSICHT Bei der Druckprüfung den zulässigen Systemdruck nicht überschreiten. Der Maximaldruck beträgt 123 kPa (1,25 kgf/cm²). • Die Anzeige mindestens 6 Sekunden lang kontrollieren. Bleibt der Druck erhalten, funktioniert das System ein- wandfrei. Wenn der Druck abfällt und keine externe Ursache gefun- den werden kann, auf interne Undichtheit prüfen. Tröpf- chen im Motoröl sind Zeichen für interne Lecks. Die Zy- linderkopfdichtung und die Wasserpumpe prüfen. • Das Druckprüfgerät entfernen, Kühlflüssigkeit auffüllen, und den Kühlerdeckel aufsetzen.
  • 247.
    KÜHLSYSTEM 4-9 Kühlflüssigkeit Spülung desKühlsystems Im Laufe der Zeit lagern sich im Kühlsystem Rost, Kessel- stein und Zunder im Kühlmantel und Motorkühler ab. Wer- den solche Ablagerungen vermutet oder erkannt, das Kühl- system spülen. Wenn diese Ablagerungen nicht entfernt werden, setzt sich der Wasserkanal zu, und die Wirksam- keit des Kühlsystems wird deutlich reduziert. • Die Kühlflüssigkeit ablassen (siehe "Wechsel der Kühl- flüssigkeit" im Kapitel "Regelmäßige Wartung"). • Das Kühlsystem mit frischem Wasser und einem Zusatz von Spülflüssigkeit auffüllen. VORSICHT Keine Spülflüssigkeitszusätze verwenden, die die Aluminiumteile von Motor und Kühler angreifen. Die Anweisungen des Reinigungsmittelherstellers genau befolgen. • Den Motor warmlaufen undweiter laufen lassen.Betriebs- temperatur ca. 10 Minuten dann bei normaler • Den System mit frischem das Kühlsystem entleeren. Motor abstellen und • Den Motor warmlaufen lassen und füllen. entleeren. Das Wasser • Die vorhergehenden beiden Schritte nochmals wiederho- das System • len. • Das System mit (siehe "Wechsel der Kühlflüssigkeit"das System entlüften Dauerkühlflüssigkeit befüllen und im Kapitel "Regelmäßige Wartung"). Ausbau des Kühlflüssigkeits-Ausgleichsbehälters • Ausbauen: Verkleidung (siehe "Ausbau der mittleren Linke mittlere Verkleidung" im Kapitel "Rahmen") Befestigungsschrauben des Kühlflüssig- keits-Ausgleichsbehälters [A] • Den Deckel [B] abnehmen und die Kühlflüssigkeit in einen Behälter gießen. • Ausbauen: Kühlerüberlaufschlauch [C] Ausgleichsbehälter-Überlaufschlauch [D] Kühlmittel-Ausgleichsbehälter [E]
  • 248.
    4-10 KÜHLSYSTEM Kühlflüssigkeit Einbau desKühlflüssigkeits-Ausgleichsbehälters • Unbedingt das Eckstück [A] am Kühlflüssigkeits -Ausgleichsbehälter [B] anbringen. • Folgende Teile am Kühlflüssigkeits-Ausgleichsbehälter montieren. Gummidämpfer [C] Hülsen [D] Dichtung [E] Kappe [F] • Festziehen: Anzugsmoment - Befestigungsschrauben für Kühlflüssig- keits-Ausgleichsbehälter [G]: 7,0 N·m (0,70 kgf·m) • Die Schläuche korrekt verlegen (sieheSchläuchen" im legung von Seilzügen, Kabeln und Abschnitt "Ver- Anhang). • Den Kühlflüssigkeits-Ausgleichsbehälter mit Kühlflüssig- keit auffüllen (siehe "Wechsel der Kühlflüssigkeit" im Ka- pitel "Regelmäßige Wartung").
  • 249.
    KÜHLSYSTEM 4-11 Wasserpumpe Ausbau derWasserpumpe • Weitere Informationen finden Sie im Abschnitt "Ausbau der Ölpumpe" im Kapitel "Motorschmieranlage". Einbau der Wasserpumpe • Siehe Hinweise zum Einbau der Ölpumpe im Kapitel "Mo- torschmieranlage". Ausbau/Einbau des Wasserpumpen-Flügelrads • Das Flügelrad ausbauen (siehe "Ausbau der Ölpumpe" im Kapitel "Motorschmieranlage"). • Derder Hand und die Gummidichtung lassen sich einfach mit Dichtsitz entfernen. • den Dichtsitz auftragen. Kühlflüssigkeit auf die Flächen der Gummidichtung und • Die Gummidichtung [A] und den DichtungssitzDichtungs- Hand in den Pumpenrotor eindrücken, bis der [B] mit der sitz an der Unterseite der Bohrung anstößt. • Die Rotorschraube mit dem vorgeschriebenen Anzugs- moment festziehen. Anzugsmoment - Flügelradschraube: 9,8 N·m (1,0 kgf·m) Prüfung des Wasserpumpen-Flügelrads • Linke untere VerkleidungKapitel "Rahmen"). "Ausbau der unteren Verkleidung" im ausbauen (siehe • Den Ablasskanal [A] am Boden der Wasserpumpe auf austretende Kühlflüssigkeit prüfen. Wenn die mechanische Dichtung beschädigt ist, tritt Kühlflüssigkeit durch die Dichtung und gelangt in den Kanal. Die mechanische Dichtung erneuern (siehe "Zer- legung/Zusammenbau des Wasserpumpengehäuses"). • Den Wasserpumpendeckel abbauen (siehe "Ausbau der Ölpumpe" im Kapitel "Motorschmiersystem"). • Das Flügelrad [A] visuell kontrollieren. wenn die Flügel Wenn die Oberfläche korrodiert ist oder beschädigt sind, das Flügelrad ersetzen. Zerlegung des Wasserpumpengehäuses VORSICHT Die hohle Wand des Wasserpumpengehäuses nicht beschädigen. • Eine Stange [A] inalle Teile der Unterseite einführen und gleichmäßig auf das Pumpengehäuse [B] der mechani- schen Dichtung [C] schlagen.
  • 250.
    4-12 KÜHLSYSTEM Wasserpumpe • Dieentfernen. [A] mit einem Haken [C] aus dem Gehäuse [B] Öldichtung Zusammenbau des Wasserpumpengehäuses VORSICHT Die mechanische Dichtung und die Öldichtung nicht wieder verwenden. • Hochtemperaturfett auf dieeinem Lagertreiber [B] in das Öldichtlippen [A] auftragen. • Die neue eindrücken, mit sie an der Unterkante [C] des Gehäuse Öldichtung bis Gehäuses anstößt. Spezialwerkzeug - Lagertreibersatz: 57001-1129 VORSICHT Die Dichtfläche der mechanischen Dichtung nicht beschädigen. • Die neue mechanische Dichtung mit dembis der Flansch werkzeug [A] in das Gehäuse drücken, Lagermontage- [B] an Fläche [C] des Gehäuses anstößt. Spezialwerkzeug - Lagertreiber, 32: 57001-382 Prüfung der mechanischen Dichtung • Das Flügelrad ausbauen (siehe "Ausbau der Ölpumpe" im Kapitel "Motorschmieranlage"). • Die mechanische Dichtung visuellmechanische Dichtung Wenn Teile beschädigt sind, die überprüfen. als eine Baugruppe ersetzen. Flügelrad-Dichtfläche [A] Gummidichtung [B] Mechanische Dichtung [C]
  • 251.
    KÜHLSYSTEM 4-13 Kühler Ausbau desMotorkühlers und Motorkühlerge- bläses • Die Kühlflüssigkeit ablassen (siehe "Wechsel der Kühl- flüssigkeit" im Kapitel "Regelmäßige Wartung"). • Ausbauen: Rechte mittlere Verkleidung (siehe "Ausbau der mittle- ren Verkleidung" im Kapitel "Rahmen") Wasserschläuche [A] Kühlerlüfter-Kabelverbinder [B] • Ausbauen: Kühlmittel-Ausgleichsbehälter (siehe "Ausbau des Kühl- flüssigkeits-Ausgleichsbehälters") Abscheider (Modell für Kalifornien) [A] Kühlwasserschlauch [B] • Die untere Motorkühlerschraube [A] herausdrehen. • Ausbauen: Rechte Motorkühlerschraube [A] Hupe [B] • Ausbauen: Linke Motorkühlerschraube [A] Kühler [B] VORSICHT Keinesfalls den Wärmetauscher berühren. Dadurch können die Kühllamellen beschädigt werden, wo- durch sich die Kühlwirkung verschlechtert.
  • 252.
    4-14 KÜHLSYSTEM Kühler ○Schraube [A]und Kühlerhalterung [B] nach Bedarf entfer- nen. • Ausbauen: Kühlerlüfter-Halterungen [A] Kühlerlüfter [B] Einbau des Motorkühlers und Motorkühlerge- bläses • DasGummidämpfer [B] und Hülsen [C] gemäß Abbildung Motorkühlergebläse [A] einbauen. • Die anbringen.
  • 253.
  • 254.
    4-16 KÜHLSYSTEM Kühler Fallsdie Kühlerhalterung [A] entfernt worden ist, diese wieder einbauen. Anzugsmoment - Befestigungsschraube der Kühlerhalterung [B]: 9,8 N·m (1,0 kgf·m) • Die Hupe [C] montieren. • Festziehen: Anzugsmoment - Obere Kühlerschraube [D]: 9,8 N·m (1,0 kgf·m) Untere Motorkühlerschraube [E]: 6,9 N·m (0,70 kgf·m) • Das Kabel des [G] verlegen. Kupplungszugs Motorkühlergebläses [F] oberhalb des • Diemüssen inMarkierungen [H]RichtungKühlerschläuchen [I] weißen die abgebildete an den weisen. • gen. Die Wasserschlauchschellen [J] wie abgebildet anbrin- Draufsicht [K] Anzugsmoment - Klemmschrauben des Wasserschlauchs: 2,0 N·m (0,20 kgf·m) • Bei der Ausführung für Kalifornien den Abscheider [L] an- bringen. Anzugsmoment - Befestigungsschraube der Abscheiderhalterung [M]: 0,8 N·m (0,08 kgf·m) ○Die Schläuche des Behälters und des Abscheiders ge- mäß Abschnitt "Verlegung von Seilzügen, Kabeln und Schläuchen" im Anhang verlegen.
  • 255.
    KÜHLSYSTEM 4-17 Kühler Prüfung desMotorkühlers • Den Motorkühler ausbauen (siehe "Ausbau des Motor- kühlers und Motorkühlergebläses"). • Den Motorkühlerkern überprüfen. vorhanden sind, Wenn Hindernisse für den Luftstrom diese beseitigen. Falls die gewellten Lamellen [A] verbogen sind, diese vor- sichtig ausrichten. Wenn der Luftstrom durch den Motorkühlerkern durch nicht entfernbare Hindernisse oder irreparabel defor- mierte Kühlerlamellen um mehr als 20 % behindert wird, den Motorkühler durch einen neuen ersetzen.
  • 256.
    4-18 KÜHLSYSTEM Kühler VORSICHT Bei Reinigung des Motorkühlers mit einem Dampf- sprühgerät Folgendes berücksichtigen, um eine Beschädigung des Motorkühlers zu vermeiden: Mit der Dampfstrahlpistole [A] mindestens 0,5 m Abstand [B] vom Motorkühlerkern einhalten. Die Dampfstrahlpistole senkrecht [C] (nicht schräg [D]) zum Motorkühlerkern halten. Mit der Dampfsprüh- pistole entlang der Kernlamellen reinigen. Prüfung des Kühlerdeckels • Den Kühlerdeckel unteren [A](sieheder oberen [B] Ventil- entfernen "Druckprüfung"). • dichtung sowie der Ventilfeder [C] prüfen. Den Zustand der und Wenn eines dieser Teile sichtbare Beschädigungen auf- weist, den Kühlerdeckel ersetzen. • Den Kühlerdeckel [A] an das Druckprüfgerät [B] für das Kühlsystem anschließen. ANMERKUNG ○Auf die Dichtung des Kühlerdeckels Wasser oder Kühl- flüssigkeit auftragen, damit sie druckdicht ist. • Die Anzeige auf dem Manometer kontrollieren und den Druck des Kühlerabdrückgeräts erhöhen, bis das Druck- entlastungsventil anspricht: Der Zeiger des Messgeräts muss ruckartig zurückgehen. Den Pumpvorgang stop- pen und einmal die Leckzeit messen. Das Druckentlas- tungsventil muss innerhalb der in der Tabelle angegebe- nen Sollwerte ansprechen, und das Manometer den be- treffenden Sollwert mindestens 6 Sekunden lang anzei- gen. Öffnungsdruck des Kühlerdeckels Standard: 93 ∼ 123 kPa (0,95 ∼ 1,25 kgf/cm²) Wenn der Deckel den vorgeschriebenen Druck nicht hal- ten kann, oder erst bei einem deutlich höheren Druck an- spricht, den Deckel durch einen neuen ersetzen. Prüfung des Kühlereinfüllstutzens • Den Kühlereinfüllöffnung auf(siehe "Druckprüfung"). Kühlerdeckel entfernen • chen. Die Beschädigungen untersu- • Den Zustand des oberen und unteren müssen glatt und Einfüllstutzen kontrollieren. Alle Teile Dichtsitzes [A] im sauber sein, damit der Kühlerdeckel einwandfrei funktio- niert.
  • 257.
    KÜHLSYSTEM 4-19 Thermostat Ausbau desThermostaten • Ausbauen:(siehe "Ausbau des Ölkühlers" im Kapitel "Mo- Ölkühler torschmieranlage") Wasserschlauch [A] • Ausbauen: Thermostatgehäuse-Deckelschrauben [A] Halterung [B] Thermostatgehäusedeckel [C] Thermostat Einbau des Thermostaten • Den Thermostaten [A] mit nach oben weisender Entlüf- tungsöffnung [B] einsetzen. • Den Wasserschlauch [A] soKontaktfläche [C] die weiße Markierung [B] parallel zur einbauen, dass des Ther- mostatgehäusedeckels verläuft. • Den neuen O-Ring einfetten. O-Ring [A] erneuern. • Den Thermostatgehäusedeckel [B] mit einem neuen O Den • -Ring versehen. • Die Halterung [C] montieren. • Festziehen: Anzugsmoment - Thermostatgehäuse-Deckelschrauben [D]: 5,9 N·m (0,60 kgf·m)
  • 258.
    4-20 KÜHLSYSTEM Thermostat • DieWasserschlauchschelle [A] wie abgebildet anbringen. Draufsicht [B] • Festziehen: Anzugsmoment - Wasserschlauch-Klemmschraube: 2,0 N·m (0,20 kgf·m) • Den Ölkühler einbauen (siehe "Einbau des Ölkühlers" im Kapitel "Motorschmieranlage"). • DenKühlflüssigkeit" im Kapitel "Regelmäßige Wartung"). der Kühler mit Kühlflüssigkeit auffüllen (siehe "Wechsel Prüfung des Thermostaten • Den Thermostaten ausbauen (siehe "Ausbau des Ther- mostaten" in diesem Kapitel). • Das Thermostatventil [A] bei Zimmertemperatur überprü- fen. Wenn das Ventil offen ist, den Thermostaten durch einen neuen ersetzen. • Zur[A] in einen Behälter mit Wasser hängenden Thermos- tat Kontrolle der Ventilöffnungstemperatur und die Was- sertemperatur erhöhen. ○Schalter und Thermometer dürfen weder die Wand noch den Boden des Behälters berühren. Ein genaues Ther- mometer [B] in das Wasser hängen, sodass die Thermo- meterspitzen [C] annähernd in der gleichen Tiefe hängen. Auch der Behälter darf nicht berührt werden. Liegt der Messwert außerhalb des Sollwerts, den Ther- mostaten durch einen neuen ersetzen. Thermostatventil-Öffnungstemperatur 58 ∼ 62°C
  • 259.
    KÜHLSYSTEM 4-21 Schläuche undLeitungen Einbau der Schläuche • Die Schläuche Biegeradius beachten. Scharfedabei die Hinweise zum und Leitungen einbauen und Biegun- gen, Knicke, Abflachen oder Verdrehen vermeiden. •Die Schläuche gemäß Abschnitt "Verlegung von Seilzü- gen, Kabeln und Schläuchen" im Anhang verlegen. •Die Klemme [A] so dicht wie möglich am Schlauchende einbauen, damit die Strebe der Verschraubung frei bleibt. Dadurch können sich die Schläuche nicht lösen. ○Die Schrauben der Schlauchklemmen so positionieren, dass die Klemmen keine anderen Teilen berühren. Anzugsmoment - Klemmschrauben des Wasserschlauchs: 2,0 N·m (0,20 kgf·m) Prüfung der Schläuche • Siehe "Prüfung des Wartung". pitel "Regelmäßige Wasserschauchs und -rohrs" im Ka-
  • 260.
    4-22 KÜHLSYSTEM Wassertemperatursensor Ausbau desWassertemperatursensors • Siehe "Ausbau des Wassertemperatursensors" im Kapitel "Kraftstoffanlage (DFI)". Prüfung des Wassertemperatursensors • Siehe "Prüfung des Wassertemperatursensors" im Kapi- tel "Elektrik".
  • 261.
    MOTOROBERSEITE 5-1 Motoroberseite INHALTSVERZEICHNIS Explosionszeichnung......................... 5-2 Messung der Zylinderkompres- Abgasanlage...................................... 5-6 sion............................................ 5-25 Technische Daten .............................. 5-8 Ausbau des Zylinderkopfs............ 5-26 Spezialwerkzeuge und Dichtmittel..... 5-10 Einbau des Zylinderkopfs............. 5-27 Abgasreinigungssystem .................... 5-12 Zylinderkopf auf Verzug ............... 5-28 Ausbau des Ansaugluftventils...... 5-12 Ventile................................................ 5-29 Einbau des Ansaugluftventils....... 5-12 Prüfung des Ventilspiels............... 5-29 Prüfung des Ansaugluftventils ..... 5-12 Einstellung des Ventilspiels.......... 5-29 Ausbau des Unterdruckschaltven- Ausbau des Ventils ...................... 5-29 5 tils.............................................. 5-13 Einbau des Ventils ....................... 5-29 Einbau des Unterdruckschaltven- Ausbau der Ventilführung............. 5-30 tils.............................................. 5-13 Einbau der Ventilführung.............. 5-30 Funktionsprüfung des Messung des Spiels zwischen Unterdruckschaltventils ............. 5-13 Ventil und Ventilführung (durch Prüfung des Unterdruckschaltven- Wackeln) ................................... 5-31 tils.............................................. 5-13 Prüfung des Ventilsitzes............... 5-32 Prüfung der Abgasreinigungssys- Reparatur des Ventilsitzes ........... 5-32 temschläuche ............................ 5-13 Drosselklappengehäusehalter ........... 5-38 Zylinderkopfdeckel............................. 5-14 Ausbau des Drosselklappenge- Ausbau des Zylinderkopfdeckels . 5-14 häusehalters.............................. 5-38 Einbau des Zylinderkopfdeckels .. 5-14 Einbau des Drosselklappenge- Nockenwellenkettenspanner ............. 5-16 häusehalters.............................. 5-38 Ausbau des Nockenwellenket- Schalldämpfer.................................... 5-39 tenspanners .............................. 5-16 Ausbau des Auspufftopfs ............. 5-39 Einbau des Nockenwellenket- Einbau des Auspufftopfs .............. 5-40 tenspanners .............................. 5-16 Ausbau des hinteren Nockenwelle, Nockenwellenkette ...... 5-17 Auspuffrohrs.............................. 5-41 Ausbau der Nockenwelle ............. 5-17 Einbau des hinteren Auspuffrohrs 5-42 Nockenwelle ...................................... 5-19 Ausbau des vorderen Einbau der Nockenwelle .............. 5-19 Auspuffrohrs.............................. 5-43 Nockenwellen und Einbau des vorderen Nockenwellendeckel auf Auspuffrohrs.............................. 5-44 Verschleiß ................................. 5-23 Ausbau der Auslassklappenventil Schlag der Nockenwelle .............. 5-24 -Gaszüge................................... 5-45 Nockenabnutzung ........................ 5-24 Einbau der Auslassklappenventil Ausbau der Nockenwellenkette ... 5-24 -Gaszüge................................... 5-46 Zylinderkopf ....................................... 5-25
  • 262.
  • 263.
    MOTOROBERSEITE 5-3 Explosionszeichnung Anzugsmoment Nr. Verbindungselement Anmerkungen N·m kgf·m 1 Schrauben für Ansaugluftventildeckel 9,8 1,0 L 2 Schrauben des Nockenwellendeckels 12 1,2 S 3 Kopfschrauben des Nockenwellenkettenspanners 20 2,0 Befestigungsschrauben des Nockenwellenketten- 4 11 1,1 spanners Befestigungsschrauben des Nockenwellen 5 15 1,5 L -Kettenrades 6 Wasserkanal-Verschlussschrauben 20 2,0 Zylinderkopfschrauben (M9) (erste) 15 1,5 MO, S 7 Zylinderkopfschrauben (M9) (letzte) 39 4,0 MO, S 8 Zylinderkopfschrauben (M6) 12 1,2 S 9 Schrauben des Zylinderkopfdeckels 9,8 1,0 Schraube der vorderen Nockenwellenkettenführung 10 12 1,2 (unten) Schraube der vorderen Nockenwellenkettenführung 11 25 2,5 (oben) 12 Schraube für obere Nockenwellenkettenführung 12 1,2 13 Zündkerzen 13 1,3 14 Klemmschrauben des Drosselklappengehäusehalters 2,9 0,30 15 Halteschrauben des Drosselklappengehäuses 12 1,2 L 16 Entlüftungsschlauch-Verschraubung 15 1,5 L 17. Vor Einbau des Nockenwellendeckels Motoröl auf die Nockenkuppen Nr. 1 ∼ Nr. 4 auftragen. EO: Motoröl auftragen. G: Fett auftragen. HG: Hochtemperaturfett auftragen. L: Ein nicht-permanentes Gewindedichtmittel auftragen. M: Molybdänhaltiges Disulfidfett auftragen. MO: Molybdänhaltige Disulfidöllösung auftragen. (eine Mischung aus Motoröl und molybdänhaltigem Disulfidfett im Verhältnis 10 : 1) R: Ersatzteile S: Die vorgeschriebene Anzugsreihenfolge einhalten. SS: Silikondichtmittel auftragen.
  • 264.
  • 265.
    MOTOROBERSEITE 5-5 Explosionszeichnung Anzugsmoment Nr. Verbindungselement Anmerkungen N·m kgf·m Befestigungsschrauben der Auslassklappenventil 1 6,9 0,70 -Stelleinheit Schraube der Auslassklappenventil 2 4,9 0,50 -Stelleinheitsscheibe Sicherungsmuttern für Einstellschrauben des 3 6,9 0,70 Auslassklappenventil-Gaszugs Sicherungsmuttern des Auslassklappenventil 4 6,9 0,70 -Gaszugs 5 Schraube des Auslassklappenventildeckels 6,9 0,70 6 Klemmschraube des Auspuffrohrs 17 1,7 7 Muttern des vorderen Auspuffrohrhalters 17 1,7 8 Befestigungsschrauben des Auspuffrohrs 28 2,8 9 Klemmschrauben des Auspufftopfs 17 1,7 10 Befestigungsschrauben des Auspufftopfs 28 2,8 11 Schrauben für hintere Auspufftopfabdeckung 6,9 0,70 12 Schrauben für obere Auspufftopfabdeckung 6,9 0,70 R: Ersatzteile
  • 266.
    5-6 MOTOROBERSEITE Abgasanlage 78,2: Leistung78,2 kW (106,3 PS) FULL: Volle Leistung H: Wabenkernkatalysator WVTA: Typengenehmigung für das Gesamtfahrzeug
  • 267.
    MOTOROBERSEITE 5-7 Abgasanlage Krümmermarkierungsposition [A] Schalldämpfermarkierungsposition [A] • Krümmer [A] mit Bohrungen [B] für Lambdasonde (aus- gerüstete Modelle) Lambdasonde Nr. 1 [C] Lambdasonde Nr. 2 [D]
  • 268.
    5-8 MOTOROBERSEITE Technische Daten Teil Standard Grenzwert Nockenwellen Nockenhöhe: Auslass 33,443 ∼ 33,557 mm 33,34 mm Einlass 34,243 ∼ 34,357 mm 34,14 mm Spiel zwischen Nockenwellen- 0,038 ∼ 0,081 mm 0,17 mm lagerzapfen/Nockenwellendeckel Durchmesser des Nockenwellen 23,940 ∼ 23,962 mm 23,91 mm -Lagerzapfens Innendurchmesser des 24,000 ∼ 24,021 mm 24,08 mm Nockenwellenlagers Schlag der Nockenwelle TIR 0,02 mm oder weniger TIR 0,1 mm Zylinderkopf Zylinderkompression (Nutzbarer Bereich) 980 ∼ 1.498 kPa (10,0 ∼ 15,3 kgf/cm²) – – – bei 240 U/min Zylinderkopf auf Verzug ––– 0,05 mm Ventile Ventilspiel: Auslass 0,24 ∼ 0,31 mm – – – Einlass 0,13 ∼ 0,19 mm – – – Ventilkopfdicke: Auslass 1,0 mm 0,6 mm Einlass 0,5 mm 0,25 mm Ventilschaftverbiegung TIR 0,01 mm oder weniger TIR 0,05 mm Ventilschaftdurchmesser: Auslass 3,955 ∼ 3,970 mm 3,94 mm Einlass 3,975 ∼ 3,990 mm 3,96 mm Ventilfüh- rungs-Innendurchmesser: Auslass 4,000 ∼ 4,012 mm 4,08 mm Einlass 4,000 ∼ 4,012 mm 4,08 mm Kontrolle des Spiels zwischen Ventil/Ventilführung (durch Wackeln): Auslass 0,09 ∼ 0,17 mm 0,38 mm Einlass 0,03 ∼ 0,10 mm 0,30 mm Ventilsitz-Fräswinkel 32°, 45°, 60° – – – Ventilsitzfläche: Breite: Auslass 0,8 ∼ 1,2 mm – – – Einlass 0,5 ∼ 1,0 mm – – – Außendurchmesser: Auslass 22,8 ∼ 23,0 mm – – – Einlass 26,9 ∼ 27,1 mm – – –
  • 269.
    MOTOROBERSEITE 5-9 Technische Daten Teil Standard Grenzwert Freier Ventilfederweg: Auslass 38,2 mm 37,1 mm Einlass 39,2 mm 37,9 mm
  • 270.
    5-10 MOTOROBERSEITE Spezialwerkzeuge undDichtmittel Kompressionsdruckmesser, 20 kgf/cm²: Schaft für den Ventilsitzfräserhalter: 57001-221 57001-1128 Kompletter Ventilfederspanner: Adapter für den Ventilfederkompressor, 20: 57001-241 57001-1154 Ventilsitzfräser, 45° - 24,5: Ventilsitzfräser, 45° - 30: 57001-1113 57001-1187 Ventilsitzfräser, 32° - 25: Ventilführungsdorn, 4: 57001-1118 57001-1273 Ventilsitzfräser, 32° - 30: Ventilführungsreibahle, 4: 57001-1120 57001-1274
  • 271.
    MOTOROBERSEITE 5-11 Spezialwerkzeuge undDichtmittel Ventilsitzfräserhalter, 4: Ventilführungs-Treibdorn: 57001-1275 57001-1564 Adapter für Kompressionsdruckmesser, M10 × Adapter für den Ventilfederkompressor, 24: 1,0: 57001-1586 57001-1317 Aufsatz C: Ventilsitzfräser, 60° - 25: 57001-1624 57001-1328 Kawasaki Bond (Silikondichtmittel): Ventilsitzfräser, 60° - 27: 92104-0004 57001-1409
  • 272.
    5-12 MOTOROBERSEITE Abgasreinigungssystem Ausbau desAnsaugluftventils • Ausbauen: (siehe "Ausbau des Kraftstofftanks" im Ka- Kraftstofftank pitel "Kraftstoffanlage (DFI)") Luftfiltergehäuse (siehe "Ausbau des Luftfiltergehäuses" im Kapitel "Kraftstoffanlage (DFI)") • Die Schläuche [A] vom Ansaugluftventildeckel trennen. • Ausbauen: Schrauben für Ansaugluftventildeckel [B] Deckel für Ansaugluftventil [C] Ansaugluftventil Einbau des Ansaugluftventils • DasVentillamellen nach einbauen, dass diezeigen. [A] der Ansaugluftventil so hinten und unten Öffnungen • Die Klemmen [A] und Halterung [B] gemäß Abbildung ein- bauen. • Ein nicht-permanentes Gewindedichtmittel auf die Gewin- degänge der Halteschrauben für den Luftansaugventilde- ckel auftragen und diese mit dem vorgeschriebenen An- zugsmoment festziehen. Anzugsmoment - Schrauben des Ansaugluftventildeckels: 9,8 N·m (1,0 kgf·m) Prüfung des Ansaugluftventils • Das Ansaugluftventil ausbauen (siehe "Ausbau des An- saugluftventils" in diesem Kapitel) • Die Lamellen andere Beschädigungen kontrollieren. schäden und [A] visuell auf Risse, Falten, Verzug, Hitze- Wenn Zweifel an der Funktionsfähigkeit des Magnetkon- takts bestehen, das Luftansaugventil komplett ersetzen. • Den Magnetkontaktbereich [B] des Ventilhalters auf Rie- fen, Kratzer, Anzeichen einer Ablösung oder Beschädi- gung durch Wärme kontrollieren. Bestehen Zweifel an den Lamellen-Kontaktbereichen, das Ansaugluftventil als komplette Baugruppe ersetzen. Wenn sich zwischen der Ventillamelle und deren Kontakt- bereich Ruß oder andere Fremdkörper abgelagert haben, die Ventilbaugruppe mit einem Lösungsmittel mit hohem Flammpunkt reinigen. VORSICHT Die Ablagerungen nicht mit einem Schaber abkrat- zen. Dies könnten den Gummi beschädigen und eine Erneuerung des Luftansaugventils erforder- lich machen.
  • 273.
    MOTOROBERSEITE 5-13 Abgasreinigungssystem Ausbau desUnterdruckschaltventils • Ausbauen: (siehe "Ausbau des Kraftstofftanks" im Ka- Kraftstofftank pitel "Kraftstoffanlage (DFI)") Luftfiltergehäuse (siehe "Ausbau des Luftfiltergehäuses" im Kapitel "Kraftstoffanlage (DFI)") • Steckverbindung [A] trennen. • Die Schläuche [B] von den Ansaugluftventildeckeln und von der Halterung des Luftfiltergehäuses trennen und das Unterdruckschaltventil [C] ausbauen. VORSICHT Das Unterdruckschaltventil keinesfalls fallen las- sen, besonders nicht auf harten Boden. Fall oder Stoß können das Unterdruckschaltventil beschädi- gen. Einbau des Unterdruckschaltventils • Die Schläuche korrekt verlegen (sieheSchläuchen" im legung von Seilzügen, Kabeln und Abschnitt "Ver- Anhang). Funktionsprüfung des Unterdruckschaltventils • Siehe im Kapitel des Ansaugluftsystems auf Beschädi- gung" "Prüfung "Regelmäßige Wartung". Prüfung des Unterdruckschaltventils • Siehe "Prüfung des Unterdruckschaltventils" im Kapitel "Elektrik". Prüfung der Abgasreinigungssystemschläuche • Alle Schläuche müssen am Luftfiltergehäuse, Unter- Knicke verlegt und korrekt ohne Quetschungen oder druckschaltventil und an den Ansaugluftventildeckeln angeschlossen werden. Die Verlegung andernfalls korrigieren. Bei Beschädigung ersetzen.
  • 274.
    5-14 MOTOROBERSEITE Zylinderkopfdeckel Ausbau desZylinderkopfdeckels • Ausbauen: (siehe "Ausbau des Kraftstofftanks" im Ka- Kraftstofftank pitel "Kraftstoffanlage (DFI)") Luftfiltergehäuse (siehe "Ausbau des Luftfiltergehäuses" im Kapitel "Kraftstoffanlage (DFI)") Unterdruckschaltventil (siehe "Ausbau des Unterdruck- schaltventils") Drosselklappengehäuse (siehe "Ausbau des Drossel- klappengehäuses" im Kapitel "Kraftstoffanlage (DFI)") Stabzündspulen (siehe "Ausbau der Stabzündspule" im Kapitel "Elektrik") • Ausbauen: Entlüftungsschlauch Masseschraube des Zylinderkopfdeckels [A] Zylinderkopfdeckelschrauben [B] Zylinderkopfdeckel [C] Einbau des Zylinderkopfdeckels • Die Dichtung [A] des gemäß Abbildung auferneuern. Zylinderkopfdeckels • Silikondichtmittel [B] kopf auftragen. den Zylinder- Dichtmittel - Kawasaki Bond (Silikondichtmittel): 92104-0004
  • 275.
    MOTOROBERSEITE 5-15 Zylinderkopfdeckel • DenEinbau der folgenden Teile nicht vergessen. Passhülsen [A] Verschlussschrauben-Dichtungen [B] ○Die Dichtungen so einsetzen, dass die Nasen [C] nach unten weisen. • Die neue Unterlegscheibe mit der Metallseite nach oben Unterlegscheibe [A] erneuern. • einbauen. Die • Zylinderkopfdeckel montieren. • Festziehen: Zylinderkopfdeckelschrauben [A] Anzugsmoment - Zylinderkopfdeckelschrauben: 9,8 N·m (1,0 kgf·m) • Die Masseklemme [B] einbauen und die Masseschraube des Zylinderkopfdeckels [C] festziehen. • Beim Einbau der Entlüftungsschlauch-Verschraubung [D] ein nicht-permanentes Gewindedichtmittel auf die Gewinde der Verschraubung auftragen und diese fest- ziehen. Anzugsmoment - Entlüftungsschlauch-Verschraubung: 15 N·m (1,5 kgf·m) • Die ausgebauten Teile einbauen (siehe entsprechende Kapitel).
  • 276.
    5-16 MOTOROBERSEITE Nockenwellenkettenspanner Ausbau desNockenwellenkettenspanners VORSICHT Dies ist ein nicht-rückstellbarer Nockenwellenket- tenspanner. Die Druckstange kehrt nicht in ihre Ori- ginalposition zurück, wenn sie einmal ausgefahren wurde, um die Steuerkette zu straffen. Diese im Folgenden aufgeführten Vorsichtsmaßnahmen sind unbedingt einzuhalten. Beim Ausbau des Spanners die Befestigungs- schrauben nicht nur halb herausdrehen. Wenn die Befestigungsschrauben nur halb herausgedreht werden, können der Spanner und die Steuerkette beschädigt werden. Sobald die Schrauben gelo- ckert sind, muss der Spanner entfernt und wie in “Einbau des Nockenwellenkettenspanners” be- schrieben neu eingestellt werden. Die Kurbelwelle nicht durchdrehen, wenn der Ket- tenspanner ausgebaut ist. Dadurch kann die Ein- stellung der Nockenwellenkette verändert und das Ventil beschädigt werden. • Ausbauen: Verkleidung (siehe "Ausbau der rechten Rechte mittlere mittleren Verkleidung" im Kapitel "Rahmen") Deckelschraube [A] Unterlegscheibe [B] Feder [C] Stange [D] • Die Befestigungsschrauben [E] herausdrehen und den Nockenwellenkettenspanner abnehmen. Einbau des Nockenwellenkettenspanners • Den O-Ring einfetten. und die Druckstange [B] in das • Den Anschlag [A] lösen [C] drücken. Innere des Spannerteils • Das Spannerteil einbauen, sodass der Anschlag nach oben zeigt. • Die Befestigungsschrauben festziehen [A]. für die Spannvorrichtung Anzugsmoment - Befestigungsschrauben des Nockenwellenket- tenspanners: 11 N·m (1,1 kgf·m) • Stange, Feder und Unterlegscheibe einbauen. • Die Deckelschraube [B] festziehen. Anzugsmoment - Kopfschrauben des Nockenwellenkettenspan- ners: 20 N·m (2,0 kgf·m)
  • 277.
    MOTOROBERSEITE 5-17 Nockenwelle, Nockenwellenkette Ausbauder Nockenwelle • Den Zylinderkopfdeckel ausbauen (siehe "Ausbau des Zylinderkopfdeckels"). • Die Starterkupplungsschraube [B] am Starterkupplungs- der Steuerzeiten-Inspektionskappe [A] und die Kappe deckel [C] entfernen. • Einen Schraubenschlüsseldiean die Starterkupplungs- schraube [A] ansetzen und Kurbelwelle im Uhrzeiger- sinn drehen, bis die Markierung (OT-Markierung für die Kolben Nr. 1, 4 ) an der Starterkupplung auf die Kerbe [C] am Rand der Steuerzeiten-Inspektionsöffnung [D] im Starterkupplungsdeckel ausgerichtet ist. Wenn der Starterkupplungsdeckel ausgebaut worden ist, zum nächsten Schritt weitergehen. ○Einen Schraubenschlüssel an die Starterkupplungs- schraube [A] ansetzen und die Kurbelwelle im Uhrzei- gersinn drehen, bis die Markierung (OT-Markierung für die Kolben Nr. 1, 4) an der Starterkupplung [C] auf die Kontaktfläche [D] an der Rückseite des Kurbelgehäuses ausgerichtet ist.
  • 278.
    5-18 MOTOROBERSEITE Nockenwelle, Nockenwellenkette •Den des Nockenwellenkettenspanners"). (siehe "Aus- bau Nockenwellenkettenspanner ausbauen • Die Schrauben derin der abgebildeten Reihenfolge [1 ∼ ckenwellendeckels oberen Kettenführung und des No- 20] lösen und entfernen. • Ausbauen: Obere Kettenführung [A] Nockenwellendeckel [B] Nockenwellen [C] • Den Kettenschacht mit einem sauberen Tuch verschlie- ßen, damit keine Teile in das Kurbelgehäuse fallen kön- nen. • Die Befestigungsschrauben des len-Kettenrades [A] entfernen. Nockenwel- • Das Nockenwellen-Kettenrad ausbauen. VORSICHT Die Kurbelwelle kann beim Ausbau der Nockenwel- len gedreht werden. Die Kette beim Drehen der Kur- belwelle immer straff ziehen. Dadurch wird ein Kni- cken der Kette am unteren (Kurbelwellen-) Ketten- rad verhindert. Eine geknickte Kette kann Kette und Kettenrad beschädigen.
  • 279.
    MOTOROBERSEITE 5-19 Nockenwelle Einbau derNockenwelle ANMERKUNG ○Die Auslassnockenwelle besitzt eine Markierung 4516 EX [A] und die Einlassnockenwelle eine Markierung 4516 IN [B]. Achtung: diese Wellen dürfen nicht ver- wechselt werden. • Die Nockenwellen-Kettenräder bauen. gemäß Abbildung ein- Nockenpositionen Nr. 4 [A] Einlassseitiges Nockenwellen-Kettenrad [B] Auslassseitiges Nockenwellen-Kettenrad [C] • Ein nicht-permanentes Gewindedichtmittel auf die Ge- winde auftragen und die Schrauben festziehen. Anzugsmoment - Befestigungsschrauben des Nockenwel- len-Kettenrads: 15 N·m (1,5 kgf·m) • Molybdänhaltige Disulfidöllösung auftragen [A]: Alle Wellenzapfen und Stößel • Einen Schraubenschlüsseldiean die Starterkupplungs- schraube [A] ansetzen und Kurbelwelle im Uhrzeiger- sinn drehen, bis die Markierung [B] (OT-Markierung für die Kolben Nr. 1, 4 ) an der Starterkupplung auf die Ker- ben [C] am Rand der Steuerzeiten-Inspektionsöffnung [D] im Starterkupplungsdeckel ausgerichtet ist. VORSICHT Die Kurbelwelle kann beim Ausbau der Nockenwel- len gedreht werden. Die Kette beim Drehen der Kur- belwelle immer straff ziehen. Dadurch wird ein Kni- cken der Kette am unteren (Kurbelwellen-) Ketten- rad verhindert. Eine geknickte Kette kann Kette und Kettenrad beschädigen.
  • 280.
    5-20 MOTOROBERSEITE Nockenwelle Wennder Starterkupplungsdeckel ausgebaut worden ist, zum nächsten Schritt weitergehen. ○Einen Schraubenschlüssel an die Starterkupplungs- schraube [A] ansetzen und die Kurbelwelle im Uhrzei- gersinn drehen, bis die Markierung (OT-Markierung für die Kolben Nr. 1, 4) an der Starterkupplung [C] auf die Kontaktfläche [D] an der Rückseite des Kurbelgehäuses ausgerichtet ist. • Die Spannseite (Abgasseite) [A] der Kette straff ziehen, und die Kette einbauen. • Die Nockenwellenkette so in die Kettenräder einhängen, dass die Zündzeitpunktmarkierungen an den Kettenrä- dern wie in der Abbildung ausgerichtet sind. ○Die Zündzeitpunktmarkierungen müssen mit der Zylinder- kopf-Oberkante [B] fluchten. EX-Zündzeitpunktmarkierung [C] IN-Zündzeitpunktmarkierung [D] Stift Nr. 1 [E] Stift Nr. 2 [F] Stift Nr. 26 [G] Stift Nr. 27 [H] ○Die Abbildung zeigt die rechte Seite des ausgebauten Motors.
  • 281.
    MOTOROBERSEITE 5-21 Nockenwelle • MolybdänhaltigeDisulfidöllösung auftragen [A]: Alle Nockenkuppen, Wellenzapfen und Druckzapfen • Nr. 1 ∼ Nr. 4 Nockenkuppen der EX- und IN Motoröl auftragen [B]: -Nockenwellen • Folgende Teile einbauen: O-Ringe [A] Passstifte [B] O-Ringe [C] Passstifte [D]
  • 282.
    5-22 MOTOROBERSEITE Nockenwelle • DieNockenwellendeckel abgebildet einbauen. len-Kettenführung [A] wie und die obere Nockenwel- “R” Markierung [B] “L” Markierung [C] • Zuerst alle Schrauben der Nockenwellendeckel gleich- mäßig anziehen, sodass die Nockenwelle richtig sitzt, und dann alle Schrauben in der vorgeschriebenen Anziehrei- henfolge festziehen. Anzugs- Schrauben der Nockenwellendeckel (1 ∼ 20) moment Erste: 5,9 N·m (0,6 kgf·m) Letzte: 12 N·m (1,2 kgf·m) Schrauben für obere Nockenwellenketten- führung Erste: 5,9 N·m (0,6 kgf·m) Letzte: 12 N·m (1,2 kgf·m) • Den des Nockenwellenkettenspanners"). (siehe "Ein- bau Nockenwellenkettenspanner einbauen • Die sich der Spanner dehnen kann, und die drehen, da- mit Kurbelwelle 2 Umdrehungen nach rechts Einstellung des Nockenwellenkettenspanners erneut kontrollieren. • Das Ventilspiel überprüfen (siehe "Prüfung des Ventil- spiels" im Kapitel "Regelmäßige Wartung").
  • 283.
    MOTOROBERSEITE 5-23 Nockenwelle • FolgendeÖlräumeEinlassnockenwelle [A] Ölräume der mit Motoröl füllen. [B] Ölräume der Auslassnockenwelle • Dieder Kappean der Steuerzeiten-Inspektionskappe und an O-Ringe der Starterkupplungsschraube erneuern. • Die Steuerzeiten-Inspektionskappe und ie Kappe der Die neuen O-Ringe einfetten. • Starterkupplungsschraube einbauen. Anzugsmoment - Steuerzeiten-Inspektionsdeckel: Handfest Kappe der Starterkupplungsschraube: Handfest • Zylinderkopfdeckel montieren. ANMERKUNG ○Falls die Ölpumpe ausgebaut worden ist, siehe "Einbau der Ölpumpe" im Kapitel "Motorschmieranlage". Nockenwellen und Nockenwellendeckel auf Verschleiß • Ausbauen: Nockenwellendeckel (siehe "Ausbau der Nockenwelle" in diesem Kapitel) • Dehnmessstreifen (Plastigage) auf Lagerzapfenbreite zuschneiden. Auf jeden Lagerzapfen parallel zur kor- rekt eingebauten Nockenwelle einen Dehnmessstreifen legen. • Jeweils das Spiel zwischen dem Nockenwellenlagerzap- fen und dem Nockenwellendeckel mit Plastigauge (einem Hilfsmittel zur Druckmessung) [A] kontrollieren. • Festziehen (siehe "Einbau der Nockenwelle"): Anzugsmoment - Schrauben des Nockenwellendeckels: 12 N·m (1,2 kgf·m) ANMERKUNG ○Die Nockenwelle nicht drehen, während die Dehnmess- streifen zwischen den Lagerzapfen und dem Nocken- wellendeckel liegen. Spiel zwischen Nockenwellenlagerzapfen/Nockenwellen- deckel Standard: 0,038 ∼ 0,081 mm Grenzwert: 0,17 mm
  • 284.
    5-24 MOTOROBERSEITE Nockenwelle Wenndas Spiel den Grenzwert überschreitet, den Durch- messer jedes Nockenwellenlagerzapfens mit einer Mikro- meterschraube messen. Durchmesser des Nockenwellen-Lagerzapfens Standard: 23,940 ∼ 23,962 mm Grenzwert: 23,91 mm Unterschreitet der Durchmesser des Nockenwel- len-Lagerzapfens den Grenzwert, die Nockenwelle durch eine neue ersetzen und das Spiel erneut kontrol- lieren. Wenn das Spiel immer noch außerhalb des Sollwerts bleibt, die Zylinderkopfeinheit ersetzen. Schlag der Nockenwelle • Die Nockenwelle ausbauen (siehe "Ausbau der Nocken- welle"). • Die oder in V-Blöcke setzen. len Nockenwelle in einer Richtvorrichtung für Nockenwel- • Die Unrundheit mit einerPunkt messen. gemäß Abbil- dung vorgeschriebenen Messuhr an dem Wenn der Schlag den Grenzwert überschreitet, die Welle ersetzen. Schlag der Nockenwelle Standard: TIR 0,02 mm oder weniger Grenzwert: TIR 0,1 mm Nockenabnutzung • Die Nockenwelle ausbauen (siehe "Ausbau der Nocken- welle"). • Die Höhe messen.jedem Nocken mit einer Mikrometer- schraube [A] an Wenn der Grenzwert der Nocken überschritten ist, die No- ckenwelle ersetzen. Nockenhöhe Standard: Auslass 33,443 ∼ 33,557 mm Einlass 34,243 ∼ 34,357 mm Grenzwert: Auslass 33,34 mm Einlass 34,14 mm Ausbau der Nockenwellenkette • Das Kurbelgehäuse"Kurbelwelle/Getriebe"). Kurbelge- häuses" im Kapitel teilen (siehe "Teilen des • Die Nockenwellenkette [A] vom Kettenrad der Kurbel- welle abbauen.
  • 285.
    MOTOROBERSEITE 5-25 Zylinderkopf Messung derZylinderkompression ANMERKUNG ○Die voll geladene Batterie verwenden. • Den Motor auf Betriebstemperatur bringen. • Den Motor stoppen. • Ausbauen: (siehe "Ausbau des Kraftstofftanks" im Ka- Kraftstofftank pitel "Kraftstoffanlage (DFI)") Luftfiltergehäuse (siehe "Ausbau des Luftfiltergehäuses" im Kapitel "Kraftstoffanlage (DFI)") Stabzündspulen (siehe "Ausbau der Stabzündspule (Zündspule mit Zündkerzenstecker)" im Kapitel "Elek- trik") Zündkerzen (siehe "Ausbau der Zündkerze" im Kapitel "Elektrik") • Den Kompressionsmesser [A] und Adapter [B] fest in die Bohrung für die Zündkerze einbauen. • Den Motor bei voll geöffneter Drosselklappe mit dem Star- termotor durchdrehen, bis der Kompressionsmesser den höchsten Wert anzeigt; die Kompression ist die maximal gemessene Anzeige. Spezialwerkzeuge - Kompressionsmesser, 20 kgf/cm2 [A]: 57001-221 Adapter für Kompressionsmesser, M10 × 1,0 [B]: 57001-1317 Zylinderkompression Nutzbarer 980 ∼ 1.498 kPa (10,0 ∼ 15,3 kgf/cm2 bei Bereich: 240 U/min • Die Messung für hineindrehen.Zylinder wiederholen. die anderen • Die Zündkerzen Anzugsmoment - Zündkerzen: 13 N·m (1,3 kgf·m)
  • 286.
    5-26 MOTOROBERSEITE Zylinderkopf ○Falls derabgelesene Kompressionswert nicht innerhalb des nutzbaren Bereichs liegt, entsprechend der nachfolgenden Tabelle vorgehen. Problem Diagnose Beseitigung (Gegenmaßnahme) Zylinderkom- Kohleablagerungen an Kolben und Die Russablagerungen entfernen und pression über- Brennkammer vermutlich durch Schäden beschädigte Teile ersetzen, sofern schreitet die an Ventilschaft-Öldichtung und/oder erforderlich. Vorgabe beschädigte Kolbenölringe (dies wird möglicherweise durch weißen Auspuffqualm angezeigt). Falsche Dicke der Zylinderkopfdichtung Die Dichtung durch eine Standarddichtung ersetzen. Zylinderkom- Gasundichtigkeiten am Zylinderkopf Beschädigte Dichtung erneuern und den pression un- Zylinderkopf auf Verzug überprüfen. terschreitet Defekter Ventilsitz Ggf. reparieren. den nutzbaren Falsches Ventilspiel Das Ventilspiel einstellen. Bereich Falsches Spiel zwischen Kolben/Zylinder Kolben und/oder Zylinder erneuern. Kolben klemmt. Den Zylinder überprüfen und ggf. den Zylinder und/oder den Kolben ersetzen/reparieren. Schlechter Zustand von Kolbenringen Kolben und/oder Kolbenringe ersetzen. und/oder Ringnuten. Ausbau des Zylinderkopfs • Entleeren: (siehe "Wechsel der Kühlflüssigkeit" im Kühlflüssigkeit Kapitel "Regelmäßige Wartung") Motoröl (siehe "Wechsel des Motoröls" im Kapitel "Re- gelmäßige Wartung") • Ausbauen: Motor (siehe "Ausbau des Motors" im Kapitel "Ein- bau/Ausbau des Motors") Zylinderkopfdeckel (siehe "Ausbau des Zylinderkopfde- ckels") Nockenwellen (siehe "Ausbau der Nockenwelle") • Die Schraube der vorderen Nockenwellenkettenführung (oben) [A] entfernen.
  • 287.
    MOTOROBERSEITE 5-27 Zylinderkopf • DieReihenfolge [1 ∼ 12] lösen und entfernen. abgebilde- ten Zylinderkopfschrauben M6 und M9 in der • Den Zylinderkopf nach oben abnehmen. Einbau des Zylinderkopfs ANMERKUNG ○Der Nockenwellendeckel ist für den Zylinderkopf pas- send bearbeitet, so dass beim Einbau eines neuen Zy- linderkopfs der mit dem neuen Zylinderkopf gelieferte Nockenwellendeckel verwendet werden muss. • Neue Zylinderkopfdichtung und Passstifte einbauen. • Aufder M9-Schrauben [C]Unterlegscheiben und Gewinde [B] beide Seiten [A] der eine molybdänhaltige Disulfid- öllösung auftragen. • Die M9-Zylinderkopfschrauben gemäß der folgenden An- ziehreihenfolge festziehen [1∼10]. Anzugsmoment - Zylinderkopfschrauben (M9): Erste: 15 N·m (1,5 kgf·m) Letzte: 39 N·m (4,0 kgf·m) • Die M6-Zylinderkopfschrauben [11,12] festziehen. Anzugsmoment - Zylinderkopfschrauben (M6): 12 N·m (1,2 kgf·m) • Folgende Teile vorderen Nockenwellenkettenführung [A] Schraube der einbauen: O-Ring [B] ○Den neuen O-Ring einfetten. • Festziehen: Anzugsmoment - Schraube der vorderen Nockenwellenkettenfüh- rung (oben): 25 N·m (2,5 kgf·m) • Die ausgebauten Teile einbauen (siehe entsprechende Kapitel). ANMERKUNG ○Falls die Ölpumpe ausgebaut worden ist, siehe "Einbau der Ölpumpe" im Kapitel "Motorschmieranlage".
  • 288.
    5-28 MOTOROBERSEITE Zylinderkopf Zylinderkopf aufVerzug • Zylinderkopf reinigen. • Ein Richtlineal an verschiedenen Stellen quer über die Zylinderkopf-Unterseite legen. • Mit und dem Kopf messen. Distanz zwischen dem Lineal [B] einer Fühlerlehre [A] die Zylinderkopf auf Verzug Standard: ––– Grenzwert: 0,05 mm Wenn der Zylinderkopf stärker verzogen ist und der Grenzwert überschritten wird, den Zylinderkopf ersetzen. Falls der Verzug des Zylinderkopfs unter dem Grenzwert bleibt, die Unterseite des Kopfes auf einem Schmirgellei- nen, das auf einer ebenen Platte aufliegt, planschleifen (zuerst mit Schmirgelleinen Nr. 200, dann mit Nr. 400).
  • 289.
    MOTOROBERSEITE 5-29 Ventile Prüfung desVentilspiels • Siehe "Prüfung des Ventilspiels" im Kapitel "Regelmäßige Wartung". Einstellung des Ventilspiels • SieheWartung". des Ventilspiels" im Kapitel "Regelmä- ßige "Einstellung Ausbau des Ventils • Den Zylinderkopf ausbauen (siehe "Ausbau des Zylinder- kopfs"). • DenLage des Ventilstößels und der Beilagscheiben mar- ○Die Ventilstößel und die Beilagscheibe ausbauen. kieren und notieren, sodass sie später wieder an der Ori- ginalposition eingebaut werden können. • Das Ventil mit der Ventilfederzwinge ausbauen. Spezialwerkzeuge - Kompletter Ventilfederkompressor [A]: 57001 -241 Adapter für den Ventilfederkompressor, 20 [B]: 57001-1154 (EX) Adapter für den Ventilfederkompressor, 24 [B]: 57001-1586 (IN) Einbau des Ventils • Die Öldichtung erneuern.Einbau des Ventils dünn mit mo- • Den VentilschaftDisulfidfett bestreichen. lybdänhaltigem vor dem • Die Federn mit dem geschlossenen Windungsende nach unten einsetzen. Ventilschaft [A] Dichtring [B] Federsitz [C] Auslass- 22,1 mm Einlass- 23,5 mm Geschlossenes Windungsende [D] Ventilfeder [E]: Auslass-gelbe Farbmarkierung Einlass-weiße Farbmarkierung Halterung [F] Ventilfederkeile [G] • Nach Einbau des Ventils leicht damit die Ventilfederkeile und Ventilschaftenden klopfen, gegen die Federteller [A] fest sitzen. ○Zuerst oben gegen den Federteller [B] und dann gegen das Ventilschaftende [C] klopfen.
  • 290.
    5-30 MOTOROBERSEITE Ventile Ausbau derVentilführung • Ausbauen: "Ausbau des Ventils") Ventil (siehe Öldichtung Federsitz • Den Bereich um die Ventilführung auf 120 ∼ 150 °C erhit- zen und die Ventilführung durch leichte Hammerschläge gegen den Ventilführungsdorn [A] von oben aus dem Zy- linderkopf treiben. VORSICHT Den Zylinderkopf nicht mit einer Lötlampe anwär- men. Dadurch verzieht sich der Zylinderkopf. Den Zylinderkopf in Öl einlegen und das Öl erwärmen. Spezialwerkzeug - Ventilführungsdorn, 4: 57001-1273 Einbau der Ventilführung • Vor dem Einbau die Ventilführung außen mit Motoröl be- streichen. • Bereicherhitzen. Ventilführungsbohrung auf ca. 120 ∼ 150°C um die VORSICHT Den Zylinderkopf nicht mit einer Lötlampe anwär- men. Dadurch verzieht sich der Zylinderkopf. Zy- linderkopf in Öl einlegen und das Öl erwärmen. • Den Ventilführungs-Treibdorn und Treibdornvorsatz die hineindrücken, bis die Ventilführungsdornfläche [B] [A] Kopfoberfläche [C] berührt. 13,3 ∼ 13,5 mm [D] Spezialwerkzeuge - Ventilführungs-Treibdorn: 57001-1564 Aufsatz C: 57001-1624 • Die Ventilführung mitdie alte Führung wieder verwendet arbeiten, auch wenn der Ventilführungsreibahle [A] be- wird. Spezialwerkzeug - Ventilführungsreibahle, 4: 57001-1274
  • 291.
    MOTOROBERSEITE 5-31 Ventile Messung desSpiels zwischen Ventil und Ventilführung (durch Wackeln) Wenn eine Lehre zur Prüfung der kleinen Bohrung nicht zur Verfügung steht, den Verschleiß der Ventilführung durch Messung des Spiels zwischen Ventil und Ventil- führung bei einer Hin- und Herbewegung gemäß der folgenden Beschreibung kontrollieren. • Ein neues Ventil [A] in die Führung [B] einsetzen und eine Messuhr lotrecht an den Schaft so dicht wie möglich an die Zylinderkopf-Kontaktfläche halten. • Den Schaft vorwärts und rückwärts [C] bewegen und das Spiel zwischen Ventil und Ventilführung messen. • Die Messung im rechten Winkel zur ersten Messung wie- derholen. Wenn die Anzeige den Grenzwert überschreitet, die Füh- rung ersetzen. ANMERKUNG ○Die Anzeige ist nicht das eigentliche Spiel zwischen Ventil und Ventilführung, weil der Messpunkt über der Führung liegt. Kontrolle des Spiels zwischen Ventil und Ventilführung (durch Wackeln) Standard: Auslass 0,09 ∼ 0,17 mm Einlass 0,03 ∼ 0,10 mm Grenzwert: Auslass 0,38 mm Einlass 0,30 mm
  • 292.
    5-32 MOTOROBERSEITE Ventile Prüfung desVentilsitzes • Das Ventil ausbauen (siehe "Ausbau des Ventils" in die- sem Kapitel). • Die kontrollieren. [A] zwischen Ventil [B] und Ventilsitz [C] Ventilsitzfläche ○Den Außendurchmesser [D] der Sitzfläche mit einem Messschieber messen. Wenn der Außendurchmesser zu groß oder zu klein ist, den Sitz reparieren (siehe "Reparatur des Ventilsitzes" in diesem Kapitel). Außendurchmesser der Ventilsitzfläche Standard: Auslass 22,8 ∼ 23,0 mm Einlass 26,9 ∼ 27,1 mm ○Mit einem Messschieber die Sitzbreite [E] des Teils mes- sen, an dem sich kein Ruß abgelagert hat (weißer Teil des Ventilsitzes). Gut [F] Wenn die Ventilsitzbreite zu groß [G], zu klein [H] oder un- gleichmäßig [J] ist, den Ventilsitz reparieren (siehe "Re- paratur des Ventilsitzes" in diesem Kapitel). Breite der Ventilsitzfläche Standard: Auslass 0,8 ∼ 1,2 mm Einlass 0,5 ∼ 1,0 mm Reparatur des Ventilsitzes • Den Ventilsitz mit dem Ventilsitzfräser [A] reparieren. Spezialwerkzeuge - Schaft für den Ventilsitzfräserhalter [C]: 57001 -1128 Ventilsitzfräserhalter, 4 [B]: 57001-1275 Für Auslassventilsitz Ventilsitzfräserhalter, 45° - 24,5: 57001-1113 Ventilsitzfräserhalter, 32° - 25: 57001-1118 Ventilsitzfräserhalter, 60° - 25: 57001-1328 Für Einlassventilsitz Ventilsitzfräserhalter, 45° - 30: 57001-1187 Ventilsitzfräserhalter, 32° - 30: 57001-1120 Ventilsitzfräserhalter, 60° - 27: 57001-1409 Wenn keine Anweisungen vom Hersteller verfügbar sind, wie folgt vorgehen.
  • 293.
    MOTOROBERSEITE 5-33 Ventile Sicherer Einsatzdes Ventilsitzfräsers 1. Dieser Ventilsitzfräser ist für die Reparatur des Ventils vorgesehen. Der Fräser darf daher nur für die Reparatur des Ventilsitzes und nicht für andere Zwecke verwendet werden. 2. Den Ventilsitzfräser vor Fall und Stoß schützen, da sich die Diamantsplitter lösen könnten. 3. Vor dem Schleifen der Sitzfläche unbedingt Motoröl auf den Ventilsitzfräser auftragen. Außerdem die Schleifp- artikel am Fräser mit Waschöl abspülen. ANMERKUNG ○Schleifpartikel nicht mit einer Drahtbürste von dem Frä- ser entfernen. Dadurch lösen sich die Diamantsplitter. 4. Den Ventilsitzfräserhalter ausrichten und den Fräser in einer Hand halten. Auf die Diamantfläche nicht zu viel Kraft ausüben. ANMERKUNG ○Vor dem Schleifen Motoröl auf den Fräser auftra- gen und während des Vorgangs am Fräser haftende Schleifpartikel mit Waschöl abspülen. 5. Nach Verwendung mit Waschöl reinigen und vor der La- gerung dünn Motoröl auftragen. Auf dem Fräser eingeschlagene Markierungen Die auf der Rückseite des Fräsers [A] eingestanzte Mar- kierungen haben folgende Bedeutung. 60° ........................... Fräswinkel [B] 37,5 ....................... Außendurchmesser des Fräsers [C] Betriebshinweise •Die Sitzfläche vorsichtig reinigen. •Den Sitz mit technischer Farbe einstreichen. •Einen 45°-Fräser in die Halterung einsetzen und in die Ventilführung schieben. •Leicht auf den Griff drücken und nach rechts oder links drehen. Die Dichtfläche nur soweit abschleifen, dass sie glatt ist. VORSICHT Den Sitz nicht überschleifen. Durch Überschleifen reduziert sich das Ventilspiel, da das Ventil weiter in den Kopf versenkt wird. Wenn das Ventil zu weit in den Kopf sinkt, lässt sich das Spiel nicht mehr einstellen, und der Zylinderkopf muss ersetzt wer- den.
  • 294.
    5-34 MOTOROBERSEITE Ventile • DenAußendurchmesser der Sitzfläche mit einem Mess- schieber messen. Wenn der Außendurchmesser der Sitzfläche zu klein ist, den Schleifvorgang im Winkel von 45° wiederholen, bis der Durchmesser dem Sollwert entspricht. Breitere Kontaktfläche [A] durch Bearbeitung mit dem Fräser 45° Abschleifvolumen [B] mit Fräser 32° 32° [C] Richtige Breite [D] Abschleifvolumen [E] mit Fräser 60° 60° [F] • Den Außendurchmesser der Sitzfläche mit einem Mess- schieber messen. Wenn der Außendurchmesser der Sitzfläche zu klein ist, den Schleifvorgang [A] im Winkel von 45° wiederholen, bis der Durchmesser dem Sollwert entspricht. Originalventilsitzfläche [B] ANMERKUNG ○Alle Oberflächenfehler auf der mit 45° geschliffenen Fläche beseitigen. ○Nach dem Bearbeiten mit einem 45° Fräser einen dün- nen Film Bleimennige auf die Sitzfläche auftragen. Da- durch wird die Ventilsitzfläche anders markiert und das Überschleifen im Winkel von 32° und 60° ist einfacher. ○Wenn die Ventilführung ersetzt wird, muss sie im Win- kel von 45° mit dem Fräser überschliffen werden, um das Ventil zu zentrieren und einen guten Kontakt her- zustellen.
  • 295.
    MOTOROBERSEITE 5-35 Ventile Wennder Außendurchmesser [A] der Sitzfläche zu groß ist, wie im Folgenden beschrieben im Winkel von 32° schleifen. Wenn der Außendurchmesser der Sitzfläche noch inner- halb des Sollwerts liegt, die Sitzbreite wie im Folgenden beschrieben messen. •Den Sitz im Winkel von 32° [B] abschleifen, bis der Sitzau- ßendurchmesser den Sollwerten entspricht. ○Um einen Anschliff mit 32° durchzuführen, einen 32°-Fräser in den Halter einsetzen und in die Ventil- führung schieben. ○Den Halter immer nur eine Umdrehung drehen und dabei nur sehr wenig aufdrücken. Den Sitz nach jeder Umdre- hung kontrollieren. VORSICHT Der Fräser für 32° trägt den Werkstoff sehr schnell ab. Den Sitzaußendurchmesser häufig prüfen, um ein Überschleifen zu vermeiden. ○Nach dem Schleifen im Winkel von 32° wieder den Au- ßendurchmesser wie oben beschrieben messen. • Zur Messung der Ventilsitzbreite mit einem Messschieber die Breite des im Winkel von 45° angeschliffenen Ventil- sitzteils an mehreren Stellen des Ventilsitzes messen. Wenn die Ventilsitzbreite zu gering ist, nochmals im Win- kel von 45° abschleifen, bis der Ventilsitz etwas zu breit ist, und dann wieder den Außendurchmesser des Ventil- sitzes wie oben beschrieben messen. Wenn die Ventilsitzbreite zu groß ist, wie im Folgenden beschrieben im Winkel von 60° [A] schleifen. Liegt die Ventilsitzbreite innerhalb des Sollwerts, das Ven- til für den Ventilsitz wie im Folgenden beschrieben läppen. •Den Sitz im Winkel von 60° abschleifen, bis die Sitzbreite den Sollwerten entspricht. ○Um Schleifen mit 60° durchzuführen, einen 60° Fräser in den Halter einsetzen und in die Ventilführung schieben. ○Den Halter drehen und dabei nur sehr wenig aufdrücken. ○Nach dem Schleifen im Winkel von 60° wieder die Sitz- breite wie oben beschrieben messen. Richtige Breite [B]
  • 296.
    5-36 MOTOROBERSEITE Ventile • Dasder Außendurchmesser densobaldangegebenen Soll- und Ventil im Ventilsitz läppen, oben die Ventilsitzbreite werten entsprechen. ○Etwas Schleifpaste an mehreren Stellen im Bereich des Ventilkopfs auf die Sitzfläche des Ventiltellers auftragen. ○Das Ventil im Ventilsitz läppen, bis durch die Schleifpaste eine glatte und passgenaue Oberfläche des Sitzes und Ventils resultiert. ○Den Vorgang mit feiner Schleifpaste wiederholen. Läppwerkzeug [A] Ventilsitz [B] Ventil [C] •Die Ventilsitzfläche muss in der Mitte der Ventilstirnfläche eine Markierung aufweisen. Wenn die Ventilsitzfläche nicht zum Ventil passt, zuerst kontrollieren, ob es sich um das richtige Ventil handelt. In diesem Fall wurde vermutlich zuviel Material abgeschlif- fen; Ventil ersetzen. •Vor dem Zusammenbau alle Schleifpartikelreste entfer- nen. •Beim Zusammenbau des Motors immer das Ventilspiel einstellen (siehe "Prüfung des Ventilspiels" im Kapitel "Regelmäßige Wartung").
  • 297.
  • 298.
    5-38 MOTOROBERSEITE Drosselklappengehäusehalter Ausbau desDrosselklappengehäusehalters • Ausbauen: (siehe "Ausbau des Kraftstofftanks" im Ka- Kraftstofftank pitel "Kraftstoffanlage (DFI)") Luftfiltergehäuse ("Ausbau des Luftfiltergehäuses" im Kapitel "Kraftstoffanlage (DFI)") Drosselklappengehäuse ("Ausbau des Drosselklappen- gehäuses" im Kapitel "Kraftstoffanlage (DFI)") Klemmen [A] Halteschrauben [B] Halter [C] Einbau des Drosselklappengehäusehalters • Unbedingt die neueneinfetten. [A] erneuern. O-Ringe • Die Klemmen [B] gemäß Abbildung installieren. Die neuen O-Ringe • Ein nicht-permanentes Gewindedichtmittel auftragen: • Schrauben des Drosselklappenhalters [C] • Festziehen: Anzugsmoment - Schrauben der Drosselklappengehäusehalte- rung: 12 N·m (1,2 kgf·m) Klemmschrauben des Drosselklappenhalters [D]: 2,9 N·m (0,30 kgf·m) • Dasausrichten. Klemmschraube mit der Nase im Halter [E] Loch in der 10° [F] 25° [G]
  • 299.
    MOTOROBERSEITE 5-39 Schalldämpfer ACHTUNG Zur Vermeidung von Verbrennungen den Schall- dämpfer nicht ausbauen, wenn der Motor noch heiß ist. Schalldämpfer abkühlen lassen. Ausbau des Auspufftopfs • Ausbauen: (siehe "Ausbau der Sitzabdeckung" im Sitzabdeckung Kapitel "Rahmen") Klappe (siehe "Ausbau der Klappe und des Hinterrad- schutzblechs" im Kapitel "Rahmen"). Auslassklappenventil-Gaszüge (auf der Auspuff- topfseite) (siehe "Ausbau der Auslassklappenven- til-Gaszüge") Schrauben [A] mit Unterlegscheiben • Den Auspufftopf [B] nach hinten [C] abnehmen.
  • 300.
    5-40 MOTOROBERSEITE Schalldämpfer Einbau desAuspufftopfs Falls die Auspufftopfabdeckungen ausgebaut worden sind, diese einbauen. Obere Auspufftopfabdeckung [A] Hintere Auspufftopfabdeckung [B] Dämpfer [C] ○Festziehen: Anzugsmoment - Schrauben für obere Auspufftopfabdeckung [D]: 6,9 N·m (0,70 kgf·m) Schrauben für hintere Auspufftopfabdeckung [E]: 6,9 N·m (0,70 kgf·m) • Die Auspufftopfdichtung bis zum Anschlag in das hintere Auspuffrohr [G] einpressen, und zwar so, Dichtung des Auspufftopfs [F] erneuern. • Die die angefasten Seiten [H] zum Auspufftopf [I] zeigen. dass • Die Dichtungsanschläge [J] am Auspufftopf müssen das Ende der Dichtung berühren. • DenSchalldämpferstreben [K] durch die Löcher im Hinterradschutzblech führen. ○Die Auspufftopf einbauen. Oben [L] Außen [M] Ca. 8 mm [N] • Festziehen: Anzugsmoment - Auspufftopf-Befestigungsschrauben [O]: 28 N·m (2,8 kgf·m) Auspufftopf-Klemmschraube [P]: 17 N·m (1,7 kgf·m)
  • 301.
    MOTOROBERSEITE 5-41 Schalldämpfer • Den(siehe"Einbau der Auslassklappenventil-Gaszüge"). len Auslassklappenventil-Gaszug einbauen und einstel- • Denabkühlen lassen. warmlaufen und anschließend wie- der Motor gründlich Dann alle Schrauben nachziehen. • Kapitel). Die ausgebauten Teile einbauen (siehe entsprechende Ausbau des hinteren Auspuffrohrs • Ausbauen: (siehe "Ausbau des Auspufftopfs") Auspufftopf Abdeckungsschrauben [A] Deckel [B] (verschieben) • Ausbauen: der hinteren Fußrastenhalterung [A] Schrauben Hintere Fußrastenhalterung [B] (verschieben) • Ausbauen: [A] Schrauben Deckel [B] • Ausbauen: [A] Schrauben Hinteres Auspuffrohr [B]
  • 302.
    5-42 MOTOROBERSEITE Schalldämpfer Einbau deshinteren Auspuffrohrs • Die Dichtung des des hinteren Auspuffrohrszum Anschlag Dichtung [A] erneuern. • so einpressen, dass die angefaste Seite [B] zum hinteren Die hinteren Auspuffrohrs bis Auspuffrohr [C] zeigt. • Den Dichtungsanschlag [D] am hinteren Auspuffrohr müssen das Ende der Dichtung berühren. • Die Klemmschraube [E] des hinteren Auspuffrohrs ge- mäß Abbildung einbauen. • Das hintere Auspuffrohr einbauen. Vorderes Auspuffrohr [F] Oben [G] Außen [H] Ca. 6 mm [I] • Festziehen: Anzugsmoment - Befestigungsschraube des hinteren Auspuff- rohrs [J]: 28 N·m (2,8 kgf·m) Klemmschraube des hinteren Auspuffrohrs: 17 N·m (1,7 kgf·m) • Den Auspufftopf einbauen (siehe "Einbau des Auspuff- topfs").
  • 303.
    MOTOROBERSEITE 5-43 Schalldämpfer • Denabkühlenlassen. warmlaufen und anschließend wie- der Motor gründlich Dann alle Schrauben nachziehen. • Kapitel). Die ausgebauten Teile einbauen (siehe entsprechende Ausbau des vorderen Auspuffrohrs • Ausbauen: Untere Motorkühlerschraube [A] (siehe "Ausbau des Motorkühlers und Motorkühlergebläses" im Kapitel "Kühlsystem") • Die oberen Motorkühlerschrauben lösen. • Ausbauen: Kabelverbinder der Lambdasonde (siehe "Ausbau der Lambdasonde" (ausgerüstete Modelle) im Kapitel "Elek- trik") Muttern des vorderen Auspuffrohrhalters [B] • Die Klemmschraube [A] des hinteren Auspuffrohrs lo- ckern. • Die Befestigungsschraube [B] des vorderen Auspuffrohrs abschrauben. • Das vordere Auspuffrohr [C] nach vorne [D] herauszie- hen.
  • 304.
    5-44 MOTOROBERSEITE Schalldämpfer Einbau desvorderen Auspuffrohrs • Die Dichtungen [A] des vorderen Auspuffrohrs erneuern. • Die Dichtung des des hinteren Auspuffrohrszum Anschlag ○Die Dichtung [B] hinteren Auspuffrohrs bis erneuern. so einpressen, dass die angefaste Seite [C] zum hinteren Auspuffrohr [D] zeigt. • Das vordere Auspuffrohr [E] einbauen. • Die Dichtungsanschläge [F] am hinteren Auspuffrohr müssen das Ende der Dichtung berühren. • Die Klemmschraube [G] des hinteren Auspuffrohrs ge- mäß Abbildung einbauen. Oben [H] Außen [I] Ca. 6 mm [J] Rückansicht [K] • Festziehen: Anzugsmoment - Muttern des vorderen Auspuffrohrhalters [L]: 17 N·m (1,7 kgf·m) Befestigungsschraube des vorderen Auspuff- rohrs [M]: 28 N·m (2,8 kgf·m) Klemmschraube des hinteren Auspuffrohrs: 17 N·m (1,7 kgf·m) • Bei denverlegen (siehe "Verlegung von der Lambdasonde korrekt Modellen für Europa die Kabel Seilzügen, Kabeln und Schläuchen" im Anhang). • Die untere unddes Motorkühlers und Motorkühlergeblä- (siehe "Einbau obere Motorkühlerschraube festziehen ses" im Kapitel "Kühlsystem"). • Den Motor gut warmlaufen und anschließend wieder ab- kühlen lassen. Dann alle Schrauben und Muttern nach- ziehen.
  • 305.
    MOTOROBERSEITE 5-45 Schalldämpfer Ausbau derAuslassklappenventil-Gaszüge • Ausbauen: (siehe "Ausbau der Sitzabdeckung" im Sitzabdeckung Kapitel "Rahmen") Schraube [A] Abdeckung des Auslassklappenventils [B] • Die Staubabdeckungen [A] herausschieben. den Ein- • Die Einsteller-Sicherungsmutter [B] lösen und steller [C] drehen, bis das richtige Hebelspiel erreicht ist. • Die Sicherungsmuttern [D] lösen. Auslassklappenven- • Die unteren Enden [E] [F] lösen. til-Gaszugs von der Scheibe des • Die oberen Enden [B] des Auslassklappenventil-Gaszugs Klemme [A] entfernen. • von der Scheibe [C] lösen. Die • Die Auslassklappenventil-Gaszüge [D] ausbauen.
  • 306.
    5-46 MOTOROBERSEITE Schalldämpfer Einbau derAuslassklappenventil-Gaszüge • Dieder Scheibe des Auspufftopfs befestigen. an unteren Enden des Auslassklappenventil-Gaszugs Öffnungskabel (weiß) [A] Schließkabel (schwarz) [B] • Festziehen: Anzugsmoment - Sicherungsmuttern des Auslassklappenven- til-Gaszugs: 6,9 N·m (0,70 kgf·m) • Die Tülleund dann in die Kerbe im Hinterrad-Kotflügel ein- festigen [C] an den Auslassklappenventil-Gaszügen be- passen. • Den Auslassklappenventildeckel [D] einbauen. • Festziehen: Anzugsmoment - Schraube des Auslassklappenventildeckels: 6,9 N·m (0,70 kgf·m) • Sicherstellen, dass der Winkel der Abbildung entspricht. ANMERKUNG ○Die Position elektrisch korrigieren, nachdem sicherge- stellt wurde, dass die Stelleinheit außer Betrieb ist und durch die Abweichung vom dargestellten Winkel keinen Schaden erlitten hat. Falls der Winkel der Abbildung nicht entspricht, die Scheibe nachstellen (siehe "Einbau der Auslassklappen- ventil-Stelleinheit" im Kapitel "Kraftstoffanlage (DFI)"). 41,7° ±7° [E] VORSICHT Nicht mit Gewalt mit einem Werkzeug korrigieren. Dabei wird die Stelleinheit beschädigt. • Die oberen Enden des Auslassklappenventil-Gaszugs an der Scheibe der Stelleinheit befestigen. Öffnungskabel (weiß) [F] Schließkabel (schwarz) [G] Draufsicht [H] • Die Klemme [I] fest einbauen.
  • 307.
    MOTOROBERSEITE 5-47 Schalldämpfer • Das[A] spannen. (weiß) zunächst mit Hilfe des Einstel- lers Öffnungskabel ○Den Einsteller nach links drehen, bis das Öffnungskabel kein Spiel mehr hat. VORSICHT Das Öffnungskabel muss zuerst eingestellt werden, damit die Position des Auslassklappenventils nicht verändert wird. Nicht zu stark spannen. Falls die Auslassklappen- ventil-Gaszüge falsch eingestellt werden, funkti- oniert die Auslassklappenventil-Stelleinheit nicht einwandfrei. • Festziehen: Anzugsmoment - Sicherungsmutter für Einstellschrauben des Auslassklappenventil-Gaszugs: 6,9 N·m (0,70 kgf·m) • Das Schließkabel (schwarz) zunächst mit Hilfe des Ein- stellers [B] spannen. ○Den Einsteller nach links drehen, bis das Schließkabel kein Spiel mehr hat. • Dann den Einsteller des Schließkabels um ca. 3/4 Um- drehungen zurückdrehen.
  • 308.
    5-48 MOTOROBERSEITE Schalldämpfer • Festziehen: Anzugsmoment - Sicherungsmutter für Einstellschrauben des Auslassklappenventil-Gaszugs: 6,9 N·m (0,70 kgf·m) • Die Staubabdeckung anbringen. (siehe entsprechende • Die ausgebauten Teile einbauen Kapitel). • Die Funktion der Scheiben wie folgt überprüfen. ○Den Zündschalter einschalten. ○Sicherstellen, dass die Scheibe sich nach rechts, dann nach links und wieder nach rechts dreht. Dreht sich die Scheibe anders, so müssen die Auslass- klappenventil-Gaszüge erneut nachgestellt werden. ○Den Winkel der Scheibe (41,7° ±7°) kontrollieren. Falls der Winkel der Abbildung nicht entspricht, die Scheibe nachstellen (siehe "Einbau der Auslassklappen- ventil-Stelleinheit" im Kapitel "Kraftstoffanlage (DFI)") und die Auslassklappenventil-Gaszüge erneut einstellen. ○Motor starten. Die Drosselklappe öffnen und die Funktion der Scheibe prüfen. Dreht sich die Scheibe nicht, die Auslassklappenventil -Gaszüge erneut einstellen.
  • 309.
    KUPPLUNG 6-1 Kupplung INHALTSVERZEICHNIS Explosionszeichnung.............................................................................................................. 6-2 Technische Daten ................................................................................................................... 6-4 Spezialwerkzeuge und Dichtmittel.......................................................................................... 6-5 Kupplungshebel und Kupplungszug ....................................................................................... 6-6 Prüfung des Kupplungshebelspiels................................................................................... 6-6 Einstellung des Kupplungshebelspiels.............................................................................. 6-6 Ausbau des Seilzugs ........................................................................................................ 6-6 Einbau des Seilzugs ......................................................................................................... 6-6 Seilzugschmierung............................................................................................................ 6-6 Einbau des Kupplungshebels ........................................................................................... 6-6 Kupplungsdeckel .................................................................................................................... 6-7 6 Ausbau des Kupplungsdeckels......................................................................................... 6-7 Einbau des Kupplungsdeckels.......................................................................................... 6-7 Ausbau der Ausrückwelle ................................................................................................. 6-7 Einbau der Ausrückwelle .................................................................................................. 6-8 Zerlegung der Kupplungsabdeckung ................................................................................ 6-8 Kupplungsabdeckung ....................................................................................................... 6-9 Kupplung ................................................................................................................................ 6-10 Ausbau der Kupplung ....................................................................................................... 6-10 Einbau der Kupplung ........................................................................................................ 6-10 Messen des Federplattenspiels ........................................................................................ 6-13 Einstellung des Federplattenspiels ................................................................................... 6-14 Prüfung der Kupplungsscheibe auf Verschleiß/Beschädigung ......................................... 6-15 Prüfung der Kupplungsscheibe auf Verzug....................................................................... 6-15 Messen der freien Länge der Einspurfeder....................................................................... 6-16 Überprüfung des Dämpfungsnockens .............................................................................. 6-16
  • 310.
  • 311.
    KUPPLUNG 6-3 Explosionszeichnung Anzugsmoment Nr. Verbindungselement Anmerkungen N·m kgf·m 1 Kupplungsdeckelschrauben (M6, L = 25 mm) 9,8 1,0 2 Kupplungsdeckelschrauben (M6, L = 40 mm) 9,8 1,0 3 Kupplungsnabenmutter 135 14 R 4 Klemmschrauben für den Kupplungshebel 7,8 0,80 S 5 Kupplungsfederschrauben 8,8 0,90 6 Schrauben der Teilkupplungsnabe 25 2,5 L CL: Mit Seilzugöl schmieren. EO: Motoröl auftragen. G: Fett auftragen. L: Ein nicht-permanentes Gewindedichtmittel auftragen. M: Molybdänhaltiges Disulfidfett auftragen. R: Ersatzteile S: Die vorgeschriebene Anzugsreihenfolge einhalten.
  • 312.
    6-4 KUPPLUNG Technische Daten Teil Standard Grenzwert Kupplungshebelspiel 2 ∼ 3 mm – – – Kupplung Federplattenspiel (Nutzbarer Bereich) 0,05 ∼ 0,70 mm – – – Länge der Kupplungsscheiben (Bezugswert) – – – -Baugruppe 40,6 mm Dicke der Reibscheibe 2,72 ∼ 2,88 mm 2,5 mm Reibungs- und Stahlscheiben auf 0,15 mm oder weniger 0,3 mm Verzug Freie Länge der Kupplungsfeder 41,6 mm 40,1 mm
  • 313.
    KUPPLUNG 6-5 Spezialwerkzeuge undDichtmittel Kupplungshalter: Kawasaki Bond (Silikondichtmittel): 57001-1243 92104-0004
  • 314.
    6-6 KUPPLUNG Kupplungshebel undKupplungszug Prüfung des Kupplungshebelspiels • Weitere Hinweise finden sie unter "Funktionsprüfung der Kupplung" im Kapitel "Regelmäßige Wartung". Einstellung des Kupplungshebelspiels • Weitere Hinweise finden sie unter "Funktionsprüfung der Kupplung" im Kapitel "Regelmäßige Wartung". Ausbau des Seilzugs • Rechte mittlere Verkleidung Kapitel "Rahmen")."Ausbau der mittleren Verkleidung" im ausbauen (siehe • Die Staubschutzkappe [A] am unteren Ende des Kupp- lungszugs abschieben. • Die Muttern so verschieben, das untere Ende des Kupp- lungszuges [B] lockern und dass der Kupplungszug viel Spiel hat. • Die Einstellschraube eindrehen. • Die Schlitze [A] im Kupplungshebel und der Einstell- schraube [B] miteinander ausrichten und dann den Seilzug vom Hebel lösen. • Die Spitze der Kupplungszugseele aus dem Kupplungs- freigabehebel aushaken. • Den Ausrückhebel zur Vorderseite des Motorrads drü- cken und mit Klebeband am Kupplungsdeckel befestigen, damit die Ausrückwelle nicht herausfällt. • Den Kupplungszug aus dem Rahmen ziehen. Einbau des Seilzugs • Den Kupplungszug korrektKabeln und(siehe Abschnitt "Verlegung von Seilzügen, verlegen Schläuchen" im Anhang). • Den Kupplungszug einstellen (siehe "Funktionsprüfung der Kupplung" im Kapitel "Regelmäßige Wartung"). Seilzugschmierung • Siehe "Schmierung der Fahrgestellteile" im Kapitel "Re- gelmäßige Wartung". Einbau des Kupplungshebels • Den[A] der Kupplungshebelklemme auf den Körnerpunkt che Kupplungshebel so montieren, dass die Kontaktflä- [B] ausgerichtet ist. •Zuerst die obere Klemmschraube und dann die untere Klemmschraube anziehen. ○Am unteren Teil der Klemme entsteht nach dem Festzie- hen ein Spalt. Anzugsmoment - Klemmschrauben des Kupplungshebels: 7,8 N·m (0,80 kgf·m)
  • 315.
    KUPPLUNG 6-7 Kupplungsdeckel Ausbau desKupplungsdeckels • Motoröl ablassen (siehe "Wechsel des Motoröls" im Ka- pitel "Regelmäßige Wartung"). • Ausbauen: Rechte mittlere Verkleidung (siehe "Ausbau der mittle- ren Verkleidung" im Kapitel "Rahmen") Unteres Ende des Kupplungszugs [A] (siehe "Ausbau des Kupplungsseilzugs") Kupplungsdeckelschrauben [B] Halterung [C] • Den Ausrückhebel [A] wie in der Abbildung nach hinten drehen, und den Kupplungsdeckel [B] ausbauen. Ca. 90° [C] Einbau des Kupplungsdeckels • Silikondichtmittel aufKurbelgehäuses die Kupplungsde- Kontaktfläche des Fläche [A] auftragen, an der die ckeldichtung berührt. Dichtmittel - Kawasaki Bond (Silikondichtmittel): 92104-0004 • Darauf achten, dass die Passstifte [B] richtig positioniert sind. • Die Kupplungsdeckeldichtung ersetzen. • Die Kupplungsdeckelschrauben festziehen. Halterung [A] montieren. • Die Anzugsmoment - Kupplungsdeckelschrauben: 9,8 N·m (1,0 kgf·m) L = 25 mm [B] L = 40 mm [C] Ausbau der Ausrückwelle VORSICHT Den Kupplungsfreigabehebel und die Ausrückwelle nur ausbauen, wenn dies unbedingt erforderlich ist. Bei einem Ausbau muss die Öldichtung ersetzt wer- den. • Kupplungsdeckel entfernen (siehe "Ausbau des Kupp- lungsdeckels"). • Den Kupplungsfreigabehebel und herausziehen. [A] gerade aus dem Kupplungsdeckel die Ausrückwelle
  • 316.
    6-8 KUPPLUNG Kupplungsdeckel Einbau derAusrückwelle • Fett auf die Öldichtlippen am oberen Rand des Kupp- lungsdeckels auftragen. • Motoröl auf die Nadellager in der Bohrung des Kupp- lungsdeckels auftragen. • Molybdänhaltiges auftragen. auf die Druckstückseite [A] der Ausrückwelle Disulfidfett • Die Ausrückwelle geradeunddie obere Bohrung des Kupp- Unterlegscheibe [B] Feder [C] montieren. • lungsdeckels einführen. Die in VORSICHT Beim Einsetzen der Ausrückwelle darauf achten, dass die Feder der Öldichtung nicht entfernt wird. • Die Federvon hinten [B] einsetzen. Ansicht [A] wie abgebildet Ausrückwelle [C] Kupplungsdeckel [D] Zerlegung der Kupplungsabdeckung • Ausbauen: Kupplungsdeckel (siehe "Ausbau des Kupplungsde- ckels") Kupplungsfreigabehebel und Ausrückwelle (siehe "Aus- bau der Ausrückwelle") Öldichtung [A] Öleinfülldeckel [B] Ölstandsanzeige [C] • Die Nadellager [A] ausbauen.
  • 317.
    KUPPLUNG 6-9 Kupplungsdeckel Kupplungsabdeckung • DieNadellager und die Öldichtung durch neue ersetzen. ANMERKUNG ○Die Nadellager so einbauen, dass die Markierung des Herstellers nach außen zeigt. • Die Nadellager [A] und die Öldichtung [B] wie abgebildet einbauen. ○Das Lager so einpressen, dass es nicht aus der Nabe [C] des Kupplungsdeckels herausragt. ○Das Lager so einpressen, dass die Lagerkante [D] bün- dig mit dem Kupplungsdeckel [E] auf der Gehäuseseite abschließt. ○Die Öldichtung bis zum Anschlag hineindrücken. • Wasser auf den Gummiteil [A] der Ölstandsanzeige auf- tragen. • Die Anzeige so hineindrücken, dass die Nasen [B] nach innen zum Kupplungsdeckel [C] zeigen. • Den O-RingO-Ring einfetten. erneuern. des Öleinfülldeckels • Festziehen: Den neuen • Anzugsmoment - Öleinfülldeckel: 2,0 N·m (0,20 kgf·m)
  • 318.
    6-10 KUPPLUNG Kupplung Ausbau derKupplung • Ausbauen: Kupplungsdeckel (siehe "Ausbau des Kupplungsde- ckels") Kupplungsfederschrauben [A] Kupplungsfedern (mit Federhaltern) Kupplungsfederscheibe [B] (mit Beilagscheibe, Lager, Druckstück [C], Feder und Unterlegscheibe) • Ausbauen: Stahlscheibe Reibscheibe, Feder, Federsitz • Die Teilkupplungsnabe [A] mit dem Kupplungshalter [B] gegenhalten und die Mutter [C] abschrauben. Spezialwerkzeug - Kupplungshalter: 57001-1243 • Ausbauen: Anzugsmomentbegrenzungsfedern [D] Teilkupplungsnabe Kupplungsnabe Distanzring • Mit den beiden und das Kupplungsgehäuse [D] [B], das Nadellager [C] Schrauben 4 mm [A] die Hülse heraus- ziehen. • Das Distanzstück entfernen. Einbau der Kupplung • Das Distanzstück [A] zeigt. Seite [B] nach innen so montieren, dass die abgestuften
  • 319.
    KUPPLUNG 6-11 Kupplung • FolgendeTeile einbauen: Kupplungsgehäuse [A] Nadellager [B] •Die Hülse [C] so einbauen, dass die Bohrungen [D] nach außen weisen. ○Motoröl auf Hülse und Nadellager auftragen. • Das Distanzstück [A] so montieren, dass die abgestuften Seite [B] nach außen zeigt. • Die Kupplungsnabe [A] an der Antriebswelle anbauen.mit • Den Schlepphebeln [D] der der Teilkupplungsnabe [C] den Dämpfungsnocken [B] Kupplungsnabe ausrichten. • Die vier Rückzugsmoment-Begrenzungsfedern wie abge- bildet montieren. ○Erste Anzugsmomentbegrenzungsfeder [A] Blechlasche [B] ○Zweite Anzugsmomentbegrenzungsfeder [A] Blechlasche [B]
  • 320.
    6-12 KUPPLUNG Kupplung ○Dritte Anzugsmomentbegrenzungsfeder[A] Blechlasche [B] ○Vierte Anzugsmomentbegrenzungsfeder [A] Blechlasche [B] • Die Kupplungsnabenmutterdem Kupplungshalter gegen- durch eine neue ersetzen. • halten und die Kupplungsnabenmutter festziehen. Die Teilkupplungsnabe mit Spezialwerkzeug - Kupplungshalter: 57001-1243 Anzugsmoment - Kupplungsnabenmutter: 135 N·m (14 kgf·m) • Folgende Teile(36 Belagblöcke) [A] Reibscheibe gemäß Abbildung einbauen. Reibscheiben (48 Belagblöcke) [B] Stahlscheiben [C] Federsitz [D] Feder [E] ANMERKUNG ○Die Belagblöcke [F] der Reibscheibe [A] sind größer als die der Reibscheiben [B]. ○Federsitz und Feder zwischen der ersten und zweiten Stahlscheibe einbauen. VORSICHT Wenn neue Reibscheiben und Stahlscheiben mon- tiert sind, Motoröl auf die Oberflächen jede einzelne Scheibe auftragen, damit die Kupplungsscheiben nicht festfressen.
  • 321.
    KUPPLUNG 6-13 Kupplung • Dieletzte Nasen in die Nuten des Gehäuses einbauen und dabei die Reibscheibe (36 Belagblöcke) [A] biegen (siehe Abbildung). • Die bestreichen. [A] mit molybdänhaltigem Disulfid- fett Druckstückenden • UnterlegscheibeDruckstück anbauen. [D] und Beileg- scheibe [E] am [B], Feder [C], Lager • Das Druckstück in der abgebildeten Richtung an der An- triebswelle [F] montieren. • Um diedie Nasen [A] der Federscheibe [B] mit den Nuten tieren, Federscheibe an der Teilkupplungsnabe zu mon- [C] in der Teilkupplungsnabe [D] ausrichten. • Die Federn und Federhalter einbauen und die Kupplungs- federnschrauben festziehen. Anzugsmoment - Kupplungsfederschrauben: 8,8 N·m (0,90 kgf·m) • Den Kupplungsdeckeldiesem Kapitel). Kupplungsdeckels" in einbauen (siehe "Einbau des Messen des Federplattenspiels Ungenügendes Kupplungsspiel kann zu einem plötzli- chen Bremseffekt des Motors führen und ein Springen des Hinterrades verursachen. Ist das Kupplungsspiel dage- gen zu groß, kann sich der Kupplungshebel beim Ziehen “schwammig” anfühlen oder schlagen. • Eine andere Antriebswelle in einen Schraubstock span- nen und die folgenden Kupplungsteile auf der Welle mon- tieren (siehe "Einbau der Kupplung"). Distanzstück [A] Nadellager [B] Hülse [C] Kupplungsgehäuse [D] Distanzring [E] Kupplungsnabe [F] Teilkupplungsnabe [G] Reibscheiben (36 Belagblöcke) [H] Stahlscheiben [I] Federsitz [J] Feder [K] Reibscheiben (48 Belagblöcke) [L] Federscheibe [M]
  • 322.
    6-14 KUPPLUNG Kupplung • DieKupplungsnabe mit der Teilkupplungsnabe in Eingriff bringen. • Zur Messung des SpielsKupplungsfederplatte setzen. an- gehobene Mitte [B] der eine Messuhr [A] gegen die • Kupplungsgehäuse-Zahnraddem höchsten und bewegen [C]. Die Differenz zwischen vor und zurück niedrigs- ten Messwert ist das Spiel. Antriebswelle [D] • Das Federplattenspiel messen. Federplattenspiel Nutzbarer Bereich: 0,05 ∼ 0,70 mm Liegt das Spiel nicht innerhalb des Sollwerts, alle Reib- scheiben auswechseln und das Federplattenspiel erneut messen. Liegt das Spiel nicht innerhalb des Sollwerts, erneut ein- stellen (siehe "Einstellung des Federplattenspiels"). Einstellung des Federplattenspiels ANMERKUNG ○Das Federplattenspiel wird eingestellt, indem die Stahl- scheibe(n) ausgewechselt werden. • Das des Kupplungsfederplattenspiels") und anschließend sen Spiel der Kupplungsfederplatte messen (siehe "Mes- eine oder mehrere Stahlscheibe(n) auswechseln, bis das Spiel im zulässigen Bereich liegt. Federplattenspiel Nutzbarer Bereich: 0,05 ∼ 0,70 mm ○Die folgende(n) Stahlscheibe(n) ersetzen. Dicke Teilenummer 2,3 mm 13089-0008 2,6 mm (STD) 13089-0009 2,9 mm 13089-1093 ANMERKUNG ○Stahlscheibe der Dicke 2,3 mm und 2,9 mm dürfen nicht gleichzeitig eingesetzt werden.
  • 323.
    KUPPLUNG 6-15 Kupplung Länge derKupplungsscheibenbaugruppe (Bezugsda- ten) • Die folgenden Teile montieren. Kupplungsnabe [A] Federsitz [B] Feder [C] Teilkupplungsnabe [D] Schrauben der Teilkupplungsnabe [E] Neue Reibscheiben [F] Stahlscheiben [G] Federscheibe [H] Kupplungsfedern [I] Kupplungsfederhalter [J] Kupplungsfederschrauben [K] Anzugsmoment - Kupplungsfederschrauben: 8,8 N·m (0,90 kgf·m) • Die Länge der Kupplungsscheiben-Baugruppe [L] mes- sen. Länge der Kupplungsscheibenbaugruppe (Bezugswert) 40,6 mm ANMERKUNG ○Die Länge der Kupplungsscheibenbaugruppe ändert sich mit der Dicke der verwendeten Stahlscheiben. Prüfung der Kupplungsscheibe auf Verschleiß/Beschädigung • Die Kupplungs- und Stahlscheiben auf Anzeichen von Fressen, Überhitzung (Verfärbung) und ungleichmäßi- gem Verschleiß überprüfen. • Die Dicke jeder Reibscheibe [A] an mehreren Punkten messen. Wenn eine der Reibscheiben Anzeichen einer Beschädi- gung aufweist oder über den Grenzwert hinaus verschlis- sen ist, diese Scheiben durch neue ersetzen. Dicke der Reibscheibe Standard: 2,72 ∼ 2,88 mm Grenzwert: 2,5 mm Prüfung der Kupplungsscheibe auf Verzug • Jede Reibscheibe bzw. Stahlscheibe auf eine [A] und der legen und den Spalt zwischen der Richtplatte Richtplatte betreffenden Reibscheibe oder Stahlscheibe [B] mit einer Fühlerlehre [C] messen. Dieser Spalt entspricht dem Ver- zug der Reib- bzw. Stahlscheibe. Überschreitet der Verzug bei einer Stahl- oder Reib- scheibe den Grenzwert, diese Scheibe durch eine neue ersetzen. Reibungs- und Stahlscheiben auf Verzug Standard: 0,15 mm oder weniger Grenzwert: 0,3 mm
  • 324.
    6-16 KUPPLUNG Kupplung Messen derfreien Länge der Einspurfeder • Dieeine der Einspurfedern kürzer, [A] messen. Grenz- Ist freie Länge der Einspurfedern als nach dem wert zulässig, muss sie ersetzt werden. Freie Länge der Kupplungsfeder Standard: 41,6 mm Grenzwert: 40,1 mm Überprüfung des Dämpfungsnockens • Die Kupplung ausbauen (siehe "Ausbau der Kupplung" in diesem Kapitel). • Dämpfernocke [A], Nockenmitnehmer kontrollieren.Dreh- moment-Begrenzungsfeder [C] visuell [B] und die • Beschädigte Teile ersetzen.
  • 325.
    MOTORSCHMIERANLAGE 7-1 Motorschmieranlage INHALTSVERZEICHNIS Explosionszeichnung.............................................................................................................. 7-2 Technische Daten ................................................................................................................... 7-4 Spezialwerkzeuge und Dichtmittel.......................................................................................... 7-5 Ablaufplan für Motoröl ............................................................................................................ 7-6 Motoröl und Ölfilter ................................................................................................................. 7-8 Prüfung des Motorölstands ............................................................................................... 7-8 Wechsel des Motoröls....................................................................................................... 7-8 Wechsel des Ölfilters ........................................................................................................ 7-8 Ölwanne ................................................................................................................................. 7-9 Ausbau der Ölwanne ........................................................................................................ 7-9 Einbau der Ölwanne ......................................................................................................... 7-9 Öldruckentlastungsventil ........................................................................................................ 7-11 Ausbau des Öldruckentlastungsventils ............................................................................. 7-11 7 Einbau des Öldruckentlastungsventils .............................................................................. 7-11 Prüfung des Öldruckentlastungsventils............................................................................. 7-12 Ölpumpe ................................................................................................................................. 7-13 Ausbau der Ölpumpe ........................................................................................................ 7-13 Einbau der Ölpumpe ......................................................................................................... 7-14 Ausbau des Ölpumpen-Zahnrades ................................................................................... 7-15 Einbau des Ölpumpen-Zahnrades .................................................................................... 7-16 Ausbau der Ölpumpen-Zahnradwelle ............................................................................... 7-16 Einbau der Ölpumpen-Zahnradwelle ................................................................................ 7-16 Ölkühler .................................................................................................................................. 7-17 Ausbau des Ölkühlers....................................................................................................... 7-17 Einbau des Ölkühlers........................................................................................................ 7-17 Ausbau des Ölkühlers/Ölfiltergehäuses............................................................................ 7-18 Einbau des Ölkühlers/Ölfiltergehäuses............................................................................. 7-19 Öldruckmessung..................................................................................................................... 7-21 Öldruckmessung ............................................................................................................... 7-21 Öldruckschalter....................................................................................................................... 7-22 Ausbau des Öldruckschalters ........................................................................................... 7-22 Einbau des Öldruckschalters ............................................................................................ 7-22
  • 326.
  • 327.
    MOTORSCHMIERANLAGE 7-3 Explosionszeichnung Anzugsmoment Nr. Verbindungselement Anmerkungen N·m kgf·m 1 Kühlflüssigkeits-Ablassschraube (Wasserpumpe) 8,8 0,90 2 Motoröl-Ablassschraube 29 3,0 3 Flügelradschraube 9,8 1,0 4 Befestigungsschrauben des Ölkühlers 20 2,0 5 Ölfilter 31 3,2 G, R 6 Schraube des Ölfilterhalters 25 2,5 L 7 Kolbenöldüsen 2,9 0,30 8 Schrauben der Ölwanne 9,8 1,0 S 9 Ölpumpen-Zahnradschraube 9,8 1,0 L 10 Ölkanal-Verschlussschrauben (Kegel) 20 2,0 L 11 Ölkanal-Verschlussschraube (Linke Seite) 17 1,7 12 Wasserpumpen-Deckelschrauben 12 1,2 L 13 Öldruckentlastungsventil 15 1,5 L 14 Öldruckschalter 15 1,5 SS 15 Klemmschraube des Öldruckschalters – – Handfest 16 Klemmschrauben des Wasserschlauchs 2,0 0,20 17 Ölkanaldüse 4,9 0,50 18 Entlüftungsschraube 9,8 1,0 Befestigungsschrauben des Ölkühlers/Ölfiltergehäu- 19 20 2,0 L ses 20 Schrauben des Ölfilterschutzes 4,0 0,41 L 21 Öleinfülldeckel 2,0 0,20 22 Entlüftungsplattenschrauben 9,8 1,0 L EO: Motoröl auftragen. G: Fett auftragen. HG: Hochtemperaturfett auftragen. L: Ein nicht-permanentes Gewindedichtmittel auftragen. MO: Molybdänhaltige Disulfidöllösung auftragen. (eine Mischung aus Motoröl und molybdänhaltigem Disulfidfett im Verhältnis 10 : 1) R: Ersatzteile S: Die vorgeschriebene Anzugsreihenfolge einhalten. SS: Silikondichtmittel auftragen. W: Wasser auftragen.
  • 328.
    7-4 MOTORSCHMIERANLAGE Technische Daten Teil Standard Motoröl Typ API SE, SF oder SG API SH, SJ oder SL mit JASO MA Viskosität SAE 10W-40 Kapazität 2,9 Liter (ohne Filterwechsel) 3,2 Liter (mit Filterwechsel) 3,8 Liter (bei vollkommen trockenem Motor) Ölstand Zwischen der oberen und unteren Ölstand-Markierungslinie Öldruckmessung Öldruck 96 ∼ 126 kPa (0,98 ∼ 1,28 kgf/cm²) bei 4.000 U/min, Öltemperatur 90°C
  • 329.
    MOTORSCHMIERANLAGE 7-5 Spezialwerkzeuge undDichtmittel Montagezange für Sicherungsringe: Adapter für das Öldruckmanometer, PT 3/8: 57001-144 57001-1233 Öldruckmanometer, 10 kgf/cm²: Kawasaki Bond (Silikondichtmittel): 57001-164 56019-120
  • 330.
  • 331.
  • 332.
    7-8 MOTORSCHMIERANLAGE Motoröl undÖlfilter ACHTUNG Ein Betrieb des Motorrads mit zu wenig, überalter- tem oder verschmutztem Motoröl beschleunigt den Verschleiß und kann zum Festfressen von Motor oder Getriebe, zu Unfällen und Verletzungen führen. Prüfung des Motorölstands • Kontrollieren, ob der Motorölstand zwischen der oberen [A] unteren [B] Markierungslinie am Sichtglas steht. ANMERKUNG ○Das Motorrad so stellen, dass es senkrecht steht. ○Wenn das Motorrad gerade benutzt wurde, einige Mi- nuten warten, bis sich das Öl gesammelt hat. ○Wenn das Öl soeben gewechselt wurde, den Motor starten und mehrere Minuten im Leerlauf laufen las- sen. Dadurch wird der Ölfilter mit Öl gefüllt. Den Motor stoppen und mehrere Minuten warten, damit sich das Öl sammeln kann. VORSICHT Wird der Motor gefahren, bevor das Öl jedes Teil geschmiert hat, kann der Motor festfressen. Wenn der Motorölstand extrem niedrig ist oder Ölpumpe oder Ölkanal verstopfen oder aus ande- ren Gründen nicht richtig funktionieren, blinken die Warnleuchte und das Öldruck-Warnsymbol. Falls das Blinken anhält, wenn der Motor über der Leerlaufdrehzahl läuft, den Motor sofort stoppen und die Störungsursache suchen. Bei zu hohem Ölstand das überschüssige Öl mit einem Saugheber oder einem anderen geeigneten Gerät absau- gen. Ist der Ölstand zu niedrig, die entsprechende Ölmenge über die Öleinfüllöffnung nachfüllen. Dabei ein Öl dersel- ben Art und Marke verwenden, das bereits im Motor ist. ANMERKUNG ○Wenn Typ und Hersteller des Motoröls nicht bekannt sind, die vorgeschriebene Ölsorte zum Auffüllen ver- wenden. Dies ist besser, als den Motor mit zu wenig Öl zu betreiben. Bei der nächsten Gelegenheit muss dann das Öl vollständig gewechselt werden. Wechsel des Motoröls • SieheWartung". ßige unter "Wechsel des Motoröls" im Kapitel "Regelmä- Wechsel des Ölfilters • SieheWartung". ßige unter "Wechsel des Ölfilters" im Kapitel "Regelmä-
  • 333.
    MOTORSCHMIERANLAGE 7-9 Ölwanne Ausbau derÖlwanne • Motoröl ablassen (siehe "Wechsel des Motoröls" im Ka- pitel "Regelmäßige Wartung"). • Ausbauen:Auspuffrohr (siehe "Ausbau des vorderen Aus- Vorderes puffrohrs" im Kapitel "Motoroberseite") Schrauben der Ölwanne [A] Klemme [B] Ölwanne [C] Einbau der Ölwanne • Die Ölwannendichtung [A] erneuern. • Die Klemme [C] gemäß Abbildung installieren. Passstifte [B] einbauen. • Rückansicht [D] Die
  • 334.
    7-10 MOTORSCHMIERANLAGE Ölwanne • DieSchrauben der Ölwanne in der abgebildeten Reihen- folge [1 ∼ 20] festziehen. Anzugsmoment - Schrauben der Ölwanne: 9,8 N·m (1,0 kgf·m)
  • 335.
    MOTORSCHMIERANLAGE 7-11 Öldruckentlastungsventil Ausbau desÖldruckentlastungsventils • Ausbauen:(siehe "Ausbau der Ölwanne") Ölwanne Ölsieb [A] • Das Öldruckentlastungsventil [A] ausbauen. Einbau des Öldruckentlastungsventils • Ein nicht-permanentes Gewindedichtmittelauftragen Ge- winde des Öldruckentlastungsventils [A] auf das und das Ventil festziehen. VORSICHT Auf die Gewindegänge nicht zu viel nicht-permanentes Gewindedichtmittel auf- tragen. Dadurch kann der Ölkanal blockiert werden. Anzugsmoment - Öldruckentlastungsventil: 15 N·m (1,5 kgf·m) • Ölsieb [B] reinigen. [D] am Ölsieb einbauen. • O-Ring [C] undeinbauen, dass es richtig auf die Kurbel- Dämpfer • gehäusestrebe [E] und das Entlastungsventil ausgerich- Das Ölsieb so tet ist. • Die Ölwanne einbauen (siehe "Einbau der Ölwanne").
  • 336.
    7-12 MOTORSCHMIERANLAGE Öldruckentlastungsventil Prüfung desÖldruckentlastungsventils • Das Öldruckentlastungsventils"). des Öldruckentlastungsventil ausbauen (siehe "Ausbau • Das Ventil [A] muss beim Eindrücken mit einem Holzklotz oder einem anderen weichen Gegenstand leicht gleiten und dann durch den Federdruck der Feder [B] wieder auf seinen Sitz gedrückt werden. ANMERKUNG ○Das Ventil in zusammengebautem Zustand überprüfen. Durch Zerlegung und erneuten Zusammenbau kann sich die Ventilleistung verschlechtern. Werden bei einer Durchsicht raue Stellen festgestellt, das Ventil mit einem Lösungsmittel mit hohem Flammpunkt reinigen und im Ventil eventuell abgelagerte Fremdkörper mit Druckluft ausblasen. ACHTUNG Die Reinigung des Öldruckentlastungsventils in ei- nem gut gelüfteten Raum durchführen und darauf achten, dass sich in der Nähe des Arbeitsbereichs weder offene Flammen noch Funken befinden. Auf- grund der mit leicht entflammbaren Flüssigkeiten verbundenen Gefahren kein Benzin und kein leicht entzündliches Lösungsmittel verwenden. Lässt sich durch Reinigung das Problem nicht beseitigen, das Öldruckentlastungsventil komplett ersetzen. Das Öl- druckentlastungsventil ist ein Präzisionsteil, bei dem ein- zelne Teile nicht ausgetauscht werden dürfen.
  • 337.
    MOTORSCHMIERANLAGE 7-13 Ölpumpe Ausbau derÖlpumpe • Entleeren: (siehe "Wechsel der Kühlflüssigkeit" im Kühlflüssigkeit Kapitel "Regelmäßige Wartung") Motoröl (siehe "Wechsel des Motoröls" im Kapitel "Re- gelmäßige Wartung") • Ausbauen: Schrauben [A] des Wasserpumpendeckels Wasserpumpendeckel [B] Wasserschlauch [C] • Ausbauen: Wasserschlauch [A] Flügelradschraube [B] mit Unterlegscheibe [C] Flügelrad [D] • Die Flügelradschraube [A] provisorisch einbauen. • Dieder Flügelradschraube [A] herausziehen. an gesamte Ölpumpen(Wasserpumpen)-Baugruppe [B] • Außenrotor [C] installieren. • Ausbauen: Wasserpumpengehäuse [A] Ölpumpendeckel [B] Innenrotor [C] Stift [D] Ölpumpenwelle (Wasserpumpenwelle) [E]
  • 338.
    7-14 MOTORSCHMIERANLAGE Ölpumpe Einbau derÖlpumpe • Außenrotor [A] im Kurbelgehäuse einbauen. bzw. Was- • Den Stift [B] und den montieren [C] an der Öl- serpumpenwelle [D] Innenrotor und die Baugruppe ein- bauen. ○Die Pumpenwelle so drehen, dass der Schlitz [E] in der Pumpenwelle in die Nase [F] der Pumpenantriebsritzel- welle passt. • Den Kurbelgehäuses einpassen. [B] in die Bohrung [C] des Stift [A] des Ölpumpendeckels • Den neuen O-Ring einfetten. O-Ring [A] erneuern. • Die Passstifte [B] einbauen. Den • Den Stift des Kurbelgehäuses in die Bohrungen [C] im • Wasserpumpengehäuse [D] einpassen. • Kühlflüssigkeitauftragen.Flächen der Gummidichtung [A] am Flügelrad auf die • Festziehen: Anzugsmoment - Flügelradschraube: 9,8 N·m (1,0 kgf·m)
  • 339.
    MOTORSCHMIERANLAGE 7-15 Ölpumpe • DenWasserschlauch [A] und die Schlauchschelle [B] wie abgebildet anbringen. Weiße Markierung [C] • Festziehen: Anzugsmoment - Wasserschlauch-Klemmschraube: 2,0 N·m (0,20 kgf·m) • Den neuen O-Ring einfetten. O-Ring [D] erneuern. • Die Passstifte [E] einbauen. Den • Ein nicht-permanentes Gewindedichtmittel auf das Ge- • winde der Wasserpumpendeckelschrauben auftragen und die Schrauben festziehen. Anzugsmoment - Wasserpumpen-Deckelschrauben: 12 N·m (1,2 kgf·m) • Die Markierung [A] am Wasserschlauch [C] ausrichten. weiße Markierung [B] am Wasserpumpendeckel auf die • Die Wasserschlauchschelle [D] wie abgebildet anbringen. • Festziehen: Anzugsmoment - Wasserschlauch-Klemmschraube: 2,0 N·m (0,20 kgf·m) • Den im Kapitel Motoröl füllen (siehe "Wechsel des Motor- öls" Motor mit "Regelmäßige Wartung"). ANMERKUNG ○Falls die Ölpumpe und Nockenwelle bzw. der Zylinder- kopf als Satz ausgebaut worden ist, das Ölkühler/Ölfil- tergehäuse ausbauen und Motoröl in die Ölkanäle des oberen Kurbelgehäuses einfüllen (siehe "Einbau des Ölkühlers/Ölfiltergehäuses"). • Den Motor mit Kühlflüssigkeit füllen und das Kühlsystem entlüften (siehe "Wechsel der Kühlflüssigkeit" im Kapitel "Regelmäßige Wartung"). Ausbau des Ölpumpen-Zahnrades • DieKapitel "Kupplung"). (siehe "Ausbau der Kupplung" im Kupplung ausbauen • Ein geeignetes Werkzeugeinführen. Bohrung der Ölkanal -Verschlussschraube [B] [A] in die
  • 340.
    7-16 MOTORSCHMIERANLAGE Ölpumpe • DasÖlpumpen-Zahnrad [A] mit einem geeigneten Werk- zeug [B] gegenhalten und die Schraube [C] abschrauben. • Das Ölpumpen-Zahnrad ausbauen. Einbau des Ölpumpen-Zahnrades • Um das Ölpumpen-ZahnradÖlpumpen-Zahnradwelle am Ölpumpen-Zahnrad auf die einzubauen, die Nut [A] [B] ausrichten. • Ein nicht-permanentes Gewindedichtmittel auf das Ge- winde der Ölpumpen-Zahnradschraube auftragen. • Das Ölpumpen-Zahnrad mit einem geeigneten Werkzeug gegenhalten und die Schraube festziehen. Anzugsmoment - Ölpumpen-Zahnradschraube: 9,8 N·m (1,0 kgf·m) Ausbau der Ölpumpen-Zahnradwelle • Ausbauen: Ölpumpen-Zahnrad (siehe "Ausbau des Ölpum- pen-Zahnrades") Ölwanne (siehe "Ausbau der Ölwanne") Sicherungsring [A] Unterlegscheibe [B] Ölpumpen-Zahnradwelle [C] Spezialwerkzeug - Montagezange für Sicherungsringe: 57001-144 Einbau der Ölpumpen-Zahnradwelle • Auf die Gelenkteile [A] der Ölpumpenritzelwelle eine mo- lybdänhaltige Disulfidöllösung auftragen. • Die Unterlegscheibe [B] gemäß Abbildung der Ölpumpen installieren. • Einen neuen Sicherungsring [C] in die Nut -Zahnradwelle einsetzen. Spezialwerkzeug - Montagezange für Sicherungsringe: 57001-144
  • 341.
    MOTORSCHMIERANLAGE 7-17 Ölkühler Ausbau desÖlkühlers • Entleeren: (siehe "Wechsel der Kühlflüssigkeit" im Kühlflüssigkeit Kapitel "Regelmäßige Wartung") Motoröl (siehe "Wechsel des Motoröls" im Kapitel "Re- gelmäßige Wartung") • Ausbauen: Startermotor (siehe "Ausbau des Startermotors" im Ka- pitel "Elektrik") Unteres Ende des Kupplungsseilzugs (siehe "Ausbau des Seilzugs" im Kapitel "Kupplung") Kupplungsdeckelschrauben [A] Halterung [B] Wasserschläuche [C] Befestigungsschrauben des Ölkühlers [D] Ölkühler [E] Einbau des Ölkühlers • Den neuen O-Ring einfetten. O-Ring [A] erneuern. • Den • Den Ölkühler [A] einbauen. • Festziehen: Anzugsmoment - Befestigungsschrauben des Ölkühlers: 20 N·m (2,0 kgf·m) • Die abgebildet anbringen. und die Schlauchschellen [C] wie Wasserschläuche [B] Draufsicht [D] • Festziehen: Anzugsmoment - Klemmschrauben des Wasserschlauchs: 2,0 N·m (0,20 kgf·m) • Die ausgebauten Teile einbauen (siehe entsprechende Kapitel). • Auffüllen: Kühlflüssigkeit (siehe "Wechsel der Kühlflüssigkeit" im Kapitel "Regelmäßige Wartung") Motoröl (siehe "Wechsel des Motoröls" im Kapitel "Re- gelmäßige Wartung")
  • 342.
    7-18 MOTORSCHMIERANLAGE Ölkühler Ausbau desÖlkühlers/Ölfiltergehäuses • Ausbauen: "Wechsel des Ölfilters" im Kapitel "Regel- Ölfilter (siehe mäßige Wartung") Ölkühler (siehe "Ausbau des Ölkühlers") Schraube [A] • Den Ölfilterschutz [A] wie abgebildet nach vorne ziehen. • Ausbauen: [B] Schraube Ölfilterschutz • Die Schrauben [A] herausdrehen. • Ausbauen: [A] Schrauben Ölkühler/Ölfiltergehäuse [B] ○Evtl. die Ölfilter-Halteschraube [C] abschrauben.
  • 343.
    MOTORSCHMIERANLAGE 7-19 Ölkühler Einbau desÖlkühlers/Ölfiltergehäuses Falls das Kurbelgehäuse zerlegt worden ist, in die Ölka- näle [A] Motoröl bis zu den O-Ringeinsetzstellen [B] im oberen Kurbelgehäuse einfüllen. ANMERKUNG ○Das Motoröl in die Ölkanäle gießen, damit es schnell den Zylinderkopf erreicht. ○Die Motoröl-Füllmenge für die Ölkanäle beträgt ca. 0,2 l. Nach dem Zusammenbau des Motors 3,6 l Motoröl in die Einfüllöffnung auf dem Kupplungsdeckel einfül- len. Damit werden insgesamt 3,8 l Motoröl eingefüllt, was dem Sollwert entspricht (bei vollkommen trocke- nem Motor). Falls die Ölfilter-Halteschraube [A] entfernt worden ist, diese wieder einbauen. ○Ein nicht-permanentes Gewindedichtmittel auf die Ge- winde der Ölfilter-Halteschraube auftragen und die Schraube festziehen. Anzugsmoment - Ölfilter-Halteschraube: 25 N·m (2,5 kgf·m) • Die O-Ringe [A] durch neue ersetzen. • Die neuen O-Ringe einfetten.
  • 344.
    7-20 MOTORSCHMIERANLAGE Ölkühler • Einnicht-permanentes Gewindedichtmittel auf die Gewinde der Befestigungsschrauben des Ölkühlers/Öl- filtergehäuses auftragen und die Schrauben festziehen. Anzugsmoment - Befestigungsschrauben des Ölkühlers/Ölfilter- gehäuses: 20 N·m (2,0 kgf·m) • Ein nicht-permanentes Gewindedichtmittel auf und Ge- winde der Ölfilterschutzschrauben auftragen die die Schrauben festziehen. Anzugsmoment - Ölfilterschutzschrauben: 4,0 N·m (0,41 kgf·m) • Folgende Teile einbauen: des Ölkühlers") Ölkühler (siehe "Einbau Ölfilter (siehe "Wechsel des Ölfilters" im Kapitel "Regel- mäßige Wartung")
  • 345.
    MOTORSCHMIERANLAGE 7-21 Öldruckmessung Öldruckmessung • Ausbauen: Untere Verkleidung (siehe "Ausbau der unteren Verklei- dung" im Kapitel "Rahmen") Ölkanal-Verschlussschraube [A] • DenVerschlussschraube anschließen.[B] an der Bohrung der Adapter [A] und das Manometer Spezialwerkzeuge - Öldruckmanometer, 10 kgf/cm²: 57001-164 Adapter für das Öldruckmanometer, PT 3/8: 57001-1233 • Den Motor starten und warmlaufen lassen. und den • Den Motor mit der Solldrehzahl laufen lassen, Öldruck am Manometer ablesen. Liegt der Öldruck deutlich unter dem Sollwert, die Ölpumpe, das Druckentlastungsventil und/oder den Ver- schleiß des Lagereinsatzes der Kurbelwelle kontrollieren. Liegt der Messwert deutlich über dem Sollwert, die Ölka- näle auf Verstopfungen prüfen. Öldruck Standard: 96 ∼ 126 kPa (0,98 ∼ 1,28 kgf/cm²) bei 4.000 U/min, Öltemperatur 90°C • Den Öldruckmanometer und den Adapter entfernen. Motor stoppen. • Das ACHTUNG Verbrennungen durch heißes Motoröl vermeiden, das beim Ausbau des Messgeräteadapters durch den Ölkanal austritt. • Ein nicht-permanentes Gewindedichtmittel auf das und winde der Ölkanal-Verschlussschraube auftragen Ge- das Ventil festziehen. Anzugsmoment - Ölkanal-Verschlussschraube (Kegel): 20 N·m (2,0 kgf·m)
  • 346.
    7-22 MOTORSCHMIERANLAGE Öldruckschalter Ausbau desÖldruckschalters • Motoröl ablassen (siehe "Wechsel des Motoröls" im Ka- pitel "Regelmäßige Wartung"). • Linke untere VerkleidungKapitel "Rahmen"). "Ausbau der unteren Verkleidung" im ausbauen (siehe • Die Gummimanschette [A] abziehen. [B] lösen und • Die Klemmschraube des Öldruckschalters das Schalterkabel [C] entfernen. • Den Öldruckschalter [D] ausbauen. Einbau des Öldruckschalters • Silikondichtmittel auf die Gewindegänge des Öldruck- schalters [A] auftragen und diesen anziehen. Dichtmittel - Kawasaki Bond (Silikondichtmittel): 56019-120 Anzugsmoment - Öldruckschalter: 15 N·m (1,5 kgf·m) • Das Schalterkabel [B] in der dargestellten Richtung ein- bauen. Frontansicht [C] • Festziehen: Anzugsmoment - Klemmschraube des Öldruckschalters: Hand- fest • Auf den Schalteranschluss [D] Hochtemperaturfett auftra- gen. • Die Gummimanschette wieder in die ursprüngliche Stel- lung zurückschieben. ANMERKUNG ○Nur eine geringe Menge Fett auf den Schalteranschluss auftragen, damit die zwei Entlüftungslöcher [A] für die Schaltmembran sich nicht zusetzen.
  • 347.
    AUSBAU/EINBAU DES MOTORS8-1 Ausbau/Einbau des Motors INHALTSVERZEICHNIS Explosionszeichnung.............................................................................................................. 8-2 Spezialwerkzeug .................................................................................................................... 8-4 Ausbau/Einbau des Motors .................................................................................................... 8-5 Ausbau des Motors ........................................................................................................... 8-5 Einbau des Motors ............................................................................................................ 8-8 8
  • 348.
    8-2 AUSBAU/EINBAU DESMOTORS Explosionszeichnung
  • 349.
    AUSBAU/EINBAU DES MOTORS8-3 Explosionszeichnung Anzugsmoment Nr. Verbindungselement Anmerkungen N·m kgf·m 1 Sicherungsmutter der Einstellhülse 49 5,0 S 2 Einstellhülse 9,8 1,0 S 3 Untere Motoraufhängungsmutter 44 4,5 S 4 Schrauben der mittleren Motoraufhängungshalterung 25 2,5 S 5 Mittlere Motoraufhängungsmutter 44 4,5 S 6 Obere Motoraufhängungsschraube 44 4,5 S S: Die vorgeschriebene Anzugsreihenfolge einhalten.
  • 350.
    8-4 AUSBAU/EINBAU DESMOTORS Spezialwerkzeug Mutternschlüssel für den Motorträger: 57001-1450
  • 351.
    AUSBAU/EINBAU DES MOTORS8-5 Ausbau/Einbau des Motors Ausbau des Motors • Die Rückseite der Schwingenachse mit einem Stützbock abstützen. • Denfixieren. langsam drücken und mit einem Band [A] Bremshebel ACHTUNG Die Vorderradbremse beim Ausbau des Motors fest- halten, sonst kippt das Motorrad um. Dadurch kann es zu Unfällen und Verletzungen kommen. VORSICHT Die Vorderradbremse beim Ausbau des Motors fest- halten, sonst kippt das Motorrad um. Der Motor des Motorrads könnte dadurch beschädigt werden. • Entleeren:(siehe "Wechsel des Motoröls" im Kapitel "Re- Motoröl gelmäßige Wartung") Kühlflüssigkeit (siehe "Wechsel der Kühlflüssigkeit" im Kapitel "Regelmäßige Wartung") • Ausbauen: Mittlere Verkleidung (siehe "Ausbau der mittleren Ver- kleidung" im Kapitel "Rahmen") Kraftstofftank (siehe "Ausbau des Kraftstofftanks" im Ka- pitel "Kraftstoffanlage (DFI)") Luftfiltergehäuse (siehe "Ausbau des Luftfiltergehäuses" im Kapitel "Kraftstoffanlage (DFI)") Drosselklappengehäuse (siehe "Ausbau des Drossel- klappengehäuses" im Kapitel "Kraftstoffanlage (DFI)") Unteres Ende des Kupplungsseilzugs (siehe "Ausbau des Kupplungsseilzugs" im Kapitel "Kupplung") Motorkühler (siehe "Ausbau des Motorkühlers und Mo- torkühlergebläses" im Kapitel "Kühlsystem") Auspuffrohr (siehe "Ausbau des Auspuffrohrs" im Kapitel "Motoroberseite") Schalthebel (siehe "Ausbau des Schaltpedals" im Kapi- tel "Kurbelwelle/Getriebe") Antriebskette (siehe "Ausbau des Motorkettenrades" im Kapitel "Achsantrieb") Kühlflüssigkeits-Ausgleichsbehälter (siehe "Ausbau des Kühlflüssigkeits-Ausgleichsbehälters" im Kapitel "Kühl- system") • Die rechte Seite der Wärmedämmung zur Innenseite des ○Die Wärmedämmung [A] ausbauen. Rahmens herausziehen.
  • 352.
    8-6 AUSBAU/EINBAU DESMOTORS Ausbau/Einbau des Motors ○Die Verbinder vom Motor trennen und die Verkabelung aus den Klemmen lösen. Steckverbinder für Zündspule [A] Zylinderkopfdeckel-Massenanschluss [B] Unterdruckschaltventil-Steckverbinder [C] Verbinder des Nockenwellenpositionssensors [D] ○Abziehen: Kabelverbinder der Lichtmaschine [A] Steckverbinder des Hinterrad-Bremslichtschalters [B] Kabelverbinder des Gangpositionsschalters/Seitenstän- derschalters [C] Kabelverbinder des Kurbelwellensensors/Öldruckschal- ters [D] Steckverbinder des Wassertemperatursensors [E] ○Die Wärmedämmung [A] vorne hochfalten. ○Ausbauen: Blowbyschlauch [B] Motormasseschraube [C] Starterkabelschraube [D] ○Die Klemmen [A] öffnen. ○Den Verbinder [B] des Reglers/Gleichrichters trennen.
  • 353.
    AUSBAU/EINBAU DES MOTORS8-7 Ausbau/Einbau des Motors • Die mittleren Motoraufhängungsschrauben [B] lösen. Wärmedämmung [A] hinten hochfalten. • Die • Den Motor mit einemMotors ein Brett [B] auf einen geeig- ○Zum Abstützen des geeigneten Ständer [A] abstützen. neten Stützbock legen. • Ausbauen: Motoraufhängungsschraube [A] Rechte obere Linke obere Motoraufhängungsschraube • Die Sicherungsmutter [B] mit dem Mutternschlüssel [A] lösen. Spezialwerkzeug - Mutternschlüssel für den Motorträger: 57001 -1450 • Mit einem Sechskantschlüssel die Einstellhülse [A] nach links drehen, um zwischen Motor und der Rahmenein- stellhülse einen Spalt zu öffnen.
  • 354.
    8-8 AUSBAU/EINBAU DESMOTORS Ausbau/Einbau des Motors • Mittlere und untere Motoraufhängungsschraube aus- bauen. • Die untere Motoraufhängungsschraube [A] nach rechts drehen, um zwischen Einstellhülse und Rahmen einen Spalt zu öffnen. • Die Motoraufhängungsschrauben nach rechts herauszie- hen. • Den Motor aus dem aufgebockten Motorrad ausbauen. Einbau des Motors • Die Einstellhülse [A] bis zum Ende des Gewindes in die Rückseite des Kurbelgehäuses einschrauben. • Die Einstellhülsenschraube [A] bis zum Gewindes in den Rahmen einschrauben. Ende des • Den Motor mit einem geeigneten Ständer abstützen. ○Zur Ausrichtung des Motors ein Brett auf einem geeigneten Stützbock verwenden.
  • 355.
    AUSBAU/EINBAU DES MOTORS8-9 Ausbau/Einbau des Motors • Die Motorrahmenmuttern und eindrehen. entsprechend der Anziehreihenfolge Halteschrauben ○Erstens die mittlere Motoraufhängungshalterung [A] einbauen und die Halterungsschrauben [B] provisorisch anziehen. ○Zweitens, folgende Schrauben und Muttern provisorisch anziehen. [C] Untere Motoraufhängungsschraube und Mutter [D] Hülse [E] Mittlere Motoraufhängungsschraube und Mutter [F] Linke obere Motoraufhängungsschraube [G] Rechte obere Motoraufhängungsschraube ○Drittens, die rechte obere Motoraufhängungsschraube [A] festziehen. [B] Rahmen [C] Motor Anzugsmoment - Linke obere Motoraufhängungsschraube: 44 N·m (4,5 kgf·m)
  • 356.
    8-10 AUSBAU/EINBAU DESMOTORS Ausbau/Einbau des Motors ○Viertens, die Einstellhülse [A] durch Drehen der unteren Motoraufhängungsschraube [B] nach rechts festziehen, bis die Hülse [C] den Rahmen [D] berührt. Anzugsmoment - Untere Motoraufhängungsschraube: 9,8 N·m (1,0 kgf·m) ○Fünftens, die untere und mittlere Motoraufhängungss- chraube in folgender Reihenfolge festziehen. Anzugsmoment - Untere Motoraufhängungsmutter [E]: 44 N·m (4,5 kgf·m) Mittlere Motoraufhängungsmutter [F]: 44 N·m (4,5 kgf·m) ○Sechstens, die mittleren Motoraufhängungsschrauben [A] festziehen. Anzugsmoment - Schrauben der mittleren Motoraufhängungshal- terung: 25 N·m (2,5 kgf·m) ○Siebtens, die rechte untere Motoraufhängungsschraube [A] abschrauben und die Einstellhülse [B] durch Drehen nach links festziehen, bis der Abstand [C] zwischen dem Motor [D] und der Hülse 0 mm beträgt. ○Achtens, die Hülse gegenhalten und die Sicherungsmut- ter [E] an der Einstellhülse festziehen. Spezialwerkzeug - Mutternschlüssel für den Motorträger: 57001 -1450 Anzugsmoment - Sicherungsmutter der Einstellhülse: 49 N·m (5,0 kgf·m) ○Schließlich die rechte obere Motoraufhängungsschraube festziehen. Anzugsmoment - Rechte obere Motoraufhängungsschraube: 44 N·m (4,5 kgf·m)
  • 357.
    AUSBAU/EINBAU DES MOTORS8-11 Ausbau/Einbau des Motors • Kabel, (siehe Seilzüge und Schläuche korrekt verlegen Abschnitt "Verlegung von Seilzügen, Kabeln und Schläuchen" im Anhang). • Die ausgebauten Teile einbauen (siehe entsprechende Kapitel). • Einstellen: Gaszüge (siehe "Prüfung der Drosselklappensteuerung" im Kapitel "Regelmäßige Wartung"). Kupplungszug (siehe "Funktionsprüfung der Kupplung" im Kapitel "Regelmäßige Wartung"). Antriebskette (siehe "Prüfung des Antriebsket- ten-Durchhangs" im Kapitel "Regelmäßige Wartung") • Den Motor mit Motoröl füllen (siehe "Wechsel des Mo- toröls" im Kapitel "Regelmäßige Wartung"). • Den Motor mit Kühlflüssigkeit füllen und das Kühlsystem entlüften (siehe "Wechsel der Kühlflüssigkeit" im Kapitel "Regelmäßige Wartung").
  • 359.
    KURBELWELLE/GETRIEBE 9-1 Kurbelwelle/Getriebe INHALTSVERZEICHNIS Explosionszeichnung......................... 9-2 Ausbau der Starterkupplung ........ 9-34 Technische Daten .............................. 9-6 Einbau der Starterkupplung ......... 9-34 Spezialwerkzeuge und Dichtmittel..... 9-9 Zerlegung der Starterkupplung .... 9-34 Teilen des Kurbelgehäuses ............... 9-10 Zusammenbau der Teilen des Kurbelgehäuses.......... 9-10 Starterkupplung......................... 9-35 Zusammenbau des Prüfung der Starterkupplung........ 9-35 Kurbelgehäuses ........................ 9-11 Getriebe............................................. 9-37 Kurbelwelle und Pleuel ...................... 9-16 Ausbau des Schaltpedals ............ 9-37 Ausbau der Kurbelwelle ............... 9-16 Einbau des Fußschalthebels........ 9-37 Einbau der Kurbelwelle ................ 9-16 Ausbau des externen Ausbau des Pleuels ..................... 9-18 Schaltmechanismus .................. 9-37 Einbau des Pleuels ...................... 9-18 Einbau des externen Reinigung von Kurbelwelle/Pleuel 9-22 Schaltmechanismus .................. 9-38 Pleuel auf Verbiegung.................. 9-22 Prüfung des externen Pleuel auf Verdrehung ................. 9-22 Schaltmechanismus .................. 9-38 Pleuelfußzapfen-Seitenspiel ........ 9-22 Ausbau des Getriebes ................. 9-39 Verschleiß von Lagereinsatz und Zerlegung des Getriebes ............. 9-39 Pleuelfußzapfen ........................ 9-23 Zusammenbau des Getriebes...... 9-40 9 Kurbelwellen-Axialspiel ................ 9-24 Einbau des Getriebes .................. 9-41 Kurbelwellenschlag ...................... 9-25 Ausbau der Getriebewelle............ 9-42 Verschleiß an Kurbelwellen Einbau der Getriebewelle............. 9-42 -Hauptlagereinsatz/Wellenzapfen 9-25 Zerlegung der Getriebewelle........ 9-43 Kolben ............................................... 9-27 Zusammenbau der Getriebewelle 9-43 Ausbau des Kolbens .................... 9-27 Ausbau der Schaltwalze und Einbau des Kolbens ..................... 9-28 Schaltgabel ............................... 9-46 Zylinder auf Verschleiß (obere Einbau der Schaltwalze und Kurbelgehäusehälfte) ................ 9-29 Schaltgabel ............................... 9-46 Kolbenverschleiß ......................... 9-29 Zerlegung der Schaltwalze .......... 9-46 Verschleiß von Kolbenring und Zusammenbau der Schaltwalze... 9-46 Ringnut...................................... 9-30 Schaltgabel auf Verbiegung ......... 9-46 Kolbenringnutbreite...................... 9-30 Verschleiß von Schaltgabel und Kolbenringdicke ........................... 9-30 Gangradnut ............................... 9-47 Kolbenring-Endspalt..................... 9-31 Verschleiß von Schaltwalzennut Starterleerlaufzahnrad und bzw. Führungsbolzen der Starterkupplung ............................. 9-32 Schaltgabel ............................... 9-47 Ausbau des Starterleerlaufzahn- Beschädigung von Radklauen rads ........................................... 9-32 und Klauenaussparung ............. 9-47 Einbau des Starterleerlaufzahn- rades ......................................... 9-32
  • 360.
  • 361.
    KURBELWELLE/GETRIEBE 9-3 Explosionszeichnung Anzugsmoment Nr. Verbindungselement Anmerkungen N·m kgf·m 1 Kühlflüssigkeits-Ablassschraube (Bremszylinder) 9,8 1,0 2 Entlüftungsplattenschrauben 9,8 1,0 L 3 Ölkanal-Verschlussschrauben (Kegel) 20 2,0 L 4 Ölkanal-Verschlussschraube (Linke Seite) 17 1,7 5 Öldruckschalter 15 1,5 SS 6 Klemmschraube des Öldruckschalters – – Handfest 7 Lagerhalterschrauben 4,9 0,50 L 8 Getriebegehäuseschrauben (M8) 20 2,0 9 Getriebegehäuseschraube (M6) 9,8 1,0 siehe 10 Muttern des Pleuelfußes Angaben ← MO im Text Kurbelgehäuseschrauben (M8) (unten) (erste) 15 1,5 MO, S 11 Kurbelgehäuseschrauben (M8) (unten) (letzte) 31 3,2 MO, S 12 Kurbelgehäuseschrauben (M6, L = 50 mm) (unten) 12 1,2 S 13 Kurbelgehäuseschrauben (M6, L = 68 mm) (oben) 12 1,2 S 14 Kurbelgehäuseschrauben (M8, L = 90 mm) (oben) 27 2,8 S 15 Kurbelgehäuseschraube (M8, L = 75 mm) (oben) 27 2,8 S 16 Öldüsen 2,9 0,30 17 Ölkanaldüse 4,9 0,50 18 Entlüftungsschlauch-Verschraubung 15 1,5 L 19 Laufringhalterschrauben 4,9 0,50 L 20 Schraube der Starterkupplung 49 5,0 21. Die Anlaufscheiben mit den Nuten zur Kurbelwelle zeigend einbauen und molybdänhaltiges Disulfidfett auf die Nuten auftragen. EO: Motoröl auftragen. G: Fett auftragen. HG: Hochtemperaturfett auftragen. L: Ein nicht-permanentes Gewindedichtmittel auftragen. LG: Flüssigdichtung auftragen. MO: Molybdänhaltige Disulfidöllösung auftragen. (eine Mischung aus Motoröl und molybdänhaltigem Disulfidfett im Verhältnis 10 : 1) R: Ersatzteile S: Die vorgeschriebene Anzugsreihenfolge einhalten. SS: Silikondichtmittel auftragen.
  • 362.
  • 363.
    KURBELWELLE/GETRIEBE 9-5 Explosionszeichnung Anzugsmoment Nr. Verbindungselement Anmerkungen N·m kgf·m 1 Ganghebelschraube 12 1,2 2 Schrauben des Gangpositionsschalters 2,9 0,30 L 3 Schraube für Schaltwalzennockenhalter 12 1,2 L 4 Schalthebelschraube 6,9 0,70 5 Befestigungsschraube des Schaltpedals 25 2,5 6 Stift der Schaltwellen-Rückstellfeder 28 2,9 L 7 Schaltstangen-Sicherungsmutter 6,9 0,70 Lh 8 Schaltstangen-Sicherungsmutter 6,9 0,70 9 Kappe der Starterkupplungsschraube – – Handfest 10 Steuerzeiten-Inspektionsdeckel – – Handfest 11 Schrauben des Starterkupplungsdeckels 9,8 1,0 mit 12 Schrauben der Leerlaufzahnrad-Abdeckung 9,8 1,0 Unterlegscheibe 13 Schrauben der Leerlaufzahnrad-Abdeckung 9,8 1,0 EO: Motoröl auftragen. L: Ein nicht-permanentes Gewindedichtmittel auftragen. Lh: Linksgewinde MO: Molybdänhaltige Disulfidöllösung auftragen. (eine Mischung aus Motoröl und molybdänhaltigem Disulfidfett im Verhältnis 10 : 1) R: Ersatzteile
  • 364.
    9-6 KURBELWELLE/GETRIEBE Technische Daten Teil Standard Grenzwert Kurbelgehäuse, Kurbelwelle, Pleuel Pleuel auf Verbiegung ––– TIR 0,2/100 mm Pleuel auf Verdrehung ––– TIR 0,2/100 mm Pleuelfußzapfen-Seitenspiel 0,13 ∼ 0,33 mm 0,6 mm Spiel zwischen Pleuelfuß 0,044 ∼ 0,081 mm 0,12 mm -Lagereinsatz und Kurbelzapfen Kurbelzapfendurchmesser: 29,987 ∼ 30,000 mm 29,97 mm Markierung: Keine 29,984 ∼ 29,992 mm – – – ○ 29,993 ∼ 30,000 mm – – – Pleuelfuß-Innendurchmesser: 33,000 ∼ 33,016 mm – – – Markierung: Keine 33,000 ∼ 33,008 mm – – – ○ 33,009 ∼ 33,016 mm – – – Dicke des Pleuelfußzapfen -Lagereinsatzes: Braun 1,475 ∼ 1,480 mm – – – Schwarz 1,480 ∼ 1,485 mm – – – Blau 1,485 ∼ 1,490 mm – – – Dehnung der Pleuelschraube (Nutzbarer Bereich) 0,28 ∼ 0,38 mm – – – Kurbelwellen-Axialspiel 0,05 ∼ 0,25 mm 0,45 mm Kurbelwellenschlag TIR 0,02 mm oder weniger TIR 0,05 mm Spiel zwischen Kurbelwellen 0,028 ∼ 0,060 mm 0,09 mm -Hauptlagereinsatz/Wellenzapfen Durchmesser des Kurbelwellen 30,984 ∼ 31,000 mm 30,96 mm -Hauptlagerzapfens: Markierung: Keine 30,984 ∼ 30,992 mm – – – 1 30,993 ∼ 31,000 mm – – – Innendurchmesser des 34,000 ∼ 34,016 mm – – – Kurbelwellenhauptlagers: Markierung: ○ 34,000 ∼ 34,008 mm – – – Keine 34,009 ∼ 34,016 mm – – – Kurbelwel- len-Hauptlagereinsatzdicke: Braun 1,491 ∼ 1,495 mm – – – Schwarz 1,495 ∼ 1,499 mm – – – Blau 1,499 ∼ 1,503 mm – – – Zylinder, Kolben Innendurchmesser des Zylinders 67,000 ∼ 67,012 mm 68,09 mm (obere Kurbelgehäusehälfte) Kolbendurchmesser 66,975 ∼ 66,990 mm 66,83 mm Spiel zwischen Kolben und Zylinder 0,010 ∼ 0,037 mm – – –
  • 365.
    KURBELWELLE/GETRIEBE 9-7 Technische Daten Teil Standard Grenzwert Spiel zwischen Kolbenring/Kolben- nut: Oben 0,05 ∼ 0,09 mm 0,19 mm Zweiter Ring 0,03 ∼ 0,07 mm 0,17 mm Kolbenringnutbreite: Oben 0,84 ∼ 0,86 mm 0,94 mm Zweiter Ring 0,82 ∼ 0,84 mm 0,92 mm Kolbenringdicke: Oben 0,77 ∼ 0,79 mm 0,70 mm Zweiter Ring 0,77 ∼ 0,79 mm 0,70 mm Kolbenring-Endspalt: Oben 0,12 ∼ 0,22 mm 0,5 mm Zweiter Ring 0,30 ∼ 0,45 mm 0,8 mm Getriebe Dicke des Schaltgabelauges 5,9 ∼ 6,0 mm 5,8 mm Breite der Gangnut 6,05 ∼ 6,15 mm 6,25 mm Durchmesser des Schaltgabel 5,9 ∼ 6,0 mm 5,8 mm -Führungsbolzens Breite der Schaltwalzennut 6,05 ∼ 6,20 mm 6,3 mm Auswahl des Pleuelfußzapfen-Lagereinsatzes Innendurchmesser Markierungen des Lagereinsatz -Markierungen am Kurbelzapfendurch- Pleuelfuß messers Größe/Farbe Teilenummer Keine ○ Braun 92139-0167 Keine Keine Schwarz 92139-0166 ○ ○ ○ Keine Blau 92139-0165 Auswahl des Kurbelwellen-Hauptlagereinsatzes (Motor-Nr. ∼ ZX600PE008560) Markierung für Lagereinsatz* Markierung für Innendurchmes- den Kurbelwel- ser des Kurbel- lenzapfendurch- Größe/Farbe Teilenummer Wellenzapfen-Nr. wellenhauptla- messer gers 92139-0173 5 ○ 1 Braun 92139-0191 1, 2, 3, 4 Keine 1 92139-0172 5 Schwarz ○ Keine 92139-0190 1, 2, 3, 4 92139-0171 5 Keine Keine Blau 92139-0189 1, 2, 3, 4 *: Die Lagereinsätze für die Wellenzapfen Nr. 1, 2, 3 und 4 haben jeweils eine Ölnut.
  • 366.
    9-8 KURBELWELLE/GETRIEBE Technische Daten Auswahldes Kurbelwellen-Hauptlagereinsatzes (Motor-Nr. ZX600PE008561 ∼) Markierung für Lagereinsatz* Markierung für Innendurchmes- den Kurbelwel- ser des Kurbel- lenzapfendurch- Größe/Farbe Teilenummer Wellenzapfen-Nr. wellenhauptla- messer gers 92139-0173 3, 5 ○ 1 Braun 92139-0191 1, 2, 4 Keine 1 92139-0172 3, 5 Schwarz ○ Keine 92139-0190 1, 2, 4 92139-0171 3, 5 Keine Keine Blau 92139-0189 1, 2, 4 *: Die Lagereinsätze für die Wellenzapfen Nr. 1, 2 und 4 haben jeweils eine Ölnut.
  • 367.
    KURBELWELLE/GETRIEBE 9-9 Spezialwerkzeuge undDichtmittel Montagezange für Sicherungsringe: Griff: 57001-144 57001-1591 Kolbenbolzenzieher: Läuferhalter: 57001-910 57001-1666 Griff für Kolbenring-Kompressionswerkzeug: Anschlag: 57001-1095 57001-1679 Kolbenring-Kompressionsriemen, 67 ∼ 79: Kawasaki Bond (Silikondichtmittel): 57001-1097 92104-0004 Lagertreibersatz: Kawasaki Bond: 57001-1129 92104-1064
  • 368.
    9-10 KURBELWELLE/GETRIEBE Teilen desKurbelgehäuses Teilen des Kurbelgehäuses • Den Motor ausbauen (siehe "Ausbau des Motors" im Ka- pitel "Einbau/Ausbau des Motors"). • Den der Teile festhalten. Fläche stellen und beim Aus- bau Motor auf eine saubere • Ausbauen: (siehe "Ausbau des Zylinderkopfs" im Ka- Zylinderkopf pitel "Motoroberseite") Kupplung (siehe "Ausbau der Kupplung" im Kapitel "Kupplung") Startermotor (siehe "Ausbau des Startermotors" im Ka- pitel "Elektrik") Starterkupplung (siehe "Ausbau der Starterkupplung") Ölpumpe (siehe "Ausbau der Ölpumpe" im Kapitel "Mo- torschmieranlage") Lichtmaschinenläufer (siehe "Ausbau des Lichtmaschi- nenläufers" im Kapitel "Elektrik") Ölkühler/Ölfiltergehäuse (siehe "Ausbau des Ölküh- lers/Ölfiltergehäuses" im Kapitel "Motorschmieranlage") Ölwanne (siehe "Ausbau der Ölwanne" im Kapitel "Mo- torschmieranlage") Ölsieb (siehe "Ausbau des Öldruckentlastungsventils" im Kapitel "Motorschmieranlage") Externes Schaltmechanismus (siehe "Ausbau des exter- nen Schaltmechanismus") Getriebe (siehe "Ausbau des Getriebes") • Die oberen Schrauben des Kurbelgehäuses herausdre- hen. ○Als Erstes die M6-Schrauben lockern. M6-Schrauben [A] M8-Schraube (L = 90 mm) [B] M8-Schrauben (L = 75 mm) [C] ○Die Halterung für den Kabelverbinder der Lambdasonde ausbauen. (ausgerüstete Modelle) • Die Erstes die M6-Schrauben lockern. lösen. ○Als unteren Kurbelgehäuseschrauben M6-Schrauben [A] M8-Schrauben [B]
  • 369.
    KURBELWELLE/GETRIEBE 9-11 Teilen desKurbelgehäuses ○Die M8-Schrauben [1 ∼ 10] (in numerischer Reihenfolge) lösen. • Mit einem Kunststoffhammer leicht auf die Dichtfläche des Kurbelgehäuses klopfen und das Kurbelgehäuse tei- len. Das Kurbelgehäuse dabei nicht beschädigen. Zusammenbau des Kurbelgehäuses VORSICHT Die obere und untere Kurbelgehäusehälfte sind ab Werk so bearbeitet, dass sie passen, und beide Kur- belgehäusehälften müssen als eine Baugruppe er- setzt werden. • Die Passflächenhohem Flammpunkt reinigen und trock- sungsmittel mit der Kurbelgehäusehälften mit einem Lö- nen. • Mit Druckluft die Ölkanäle der Kurbelgehäusehälften durchblasen. • Beim Einbaudie Dichtung [A] erneuern. obere Kurbelge- häusehälfte der Entlüftungsplatte in die • Ein nicht-permanentes Gewindedichtmittel auf die Ge- winde auftragen und die Schrauben [A] festziehen. Anzugsmoment - Entlüftungsplattenschrauben: 9,8 N·m (1,0 kgf·m)
  • 370.
    9-12 KURBELWELLE/GETRIEBE Teilen desKurbelgehäuses • Das Anschlussstück [A] einpressen. Kurbelgehäusehälfte [B] bis zum Anschlag in die obere Spezialwerkzeug - Lagertreibersatz: 57001-1129 • Ein nicht-permanentes Gewindedichtmittel auf[C] auftra- winde der Entlüftungsschlauch-Verschraubung das Ge- gen und festziehen. Anzugsmoment - Entlüftungsschlauch-Verschraubung: 15 N·m (1,5 kgf·m) • Den Verschlussstopfen [D] so in die obere Kurbelwellen- hälfte einpressen, dass die Oberkante des Stopfens [E] bündig mit dem Ende des Lochs abschließt. • Die Ölstopfen [A] so hineindrücken, dass ihre Oberkante bündig mit dem Ende des Lochs abschließt. • Die Öldüsen [A]festziehen. Kurbelgehäusehälfte ein- schrauben und in die obere Anzugsmoment - Öldüsen: 2,9 N·m (0,30 kgf·m) • Folgende Teile einbauen: Positionierungsring [B] Kugellager [C] • Den Laufring [A] mitweisend bis zum Anschlag in Kurbel- gehäuseinnenseite der großgestuften Seite zur die un- tere Kurbelgehäusehälfte [B] einpressen. • Den Laufringhalter [C] gemäß Abbildung einbauen. • Ein nicht-permanentes Gewindedichtmittel auf die Lauf- ringhalterschraube [D] auftragen. • Festziehen: Anzugsmoment - Laufringhalterschraube: 4,9 N·m (0,50 kgf·m)
  • 371.
    KURBELWELLE/GETRIEBE 9-13 Teilen desKurbelgehäuses • Das neue Nadellager [A] für dienach außen [B] hineindrü- cken, dass die markierte Seite Schaltwelle so weist und die Oberkante [C] bündig mit dem Ende des Lochs ab- schließt. • Die neuen Öldichtung [D] so einbauen, dass seine Ober- kante [E] bündig mit dem Ende des Lochs abschließt. • Die Dichtlippen der Öldichtung einfetten. • Die Ölkanaldüse [A] in die untere Kurbelgehäusehälfte einschrauben und festziehen. Anzugsmoment - Ölkanaldüse: 4,9 N·m (0,50 kgf·m) • Folgende Teile einbauen: Kurbelwelle und Pleuel Nockenwellenkette [A] Passstifte [B] O-Ringe [C] •Vor dem Zusammenbau von unterem und oberem Ge- häuse Folgendes überprüfen: ○Die Nockenwellenkette muss auf der Kurbelwelle hängen.
  • 372.
    9-14 KURBELWELLE/GETRIEBE Teilen desKurbelgehäuses • Auf die Kontaktfläche der unteren Kurbelgehäusehälfte Flüssigdichtung [A] auftragen. Dichtmittel - Kawasaki Bond: 92104-1064 • Nut [B] mit Flüssigdichtung füllen. VORSICHT Auf die Nuten [C] im Bereich der Lagereinsätze des Kurbelwellenhauptlagers und die Ölkanalöffnun- gen keine Flüssigdichtung auftragen. ANMERKUNG ○Die Montage innerhalb von 20 Minuten nach Auftragen des Flüssigdichtmittels auf die Passfläche der unteren Kurbelgehäusehälfte beenden. • Die Unterlegscheiben [A] der M8-Schrauben [B] erneu- ern. • Aufder M8-Schrauben eine molybdänhaltige Disulfidöllö- [D] beide Seiten [C] der Unterlegscheiben und Gewinde sung auftragen.
  • 373.
    KURBELWELLE/GETRIEBE 9-15 Teilen desKurbelgehäuses • Die M8-Schraubeninmit Unterlegscheiben∼der unteren Kur- belgehäusehälfte der Reihenfolge [1 10] festziehen. Anzugsmoment - Kurbelgehäuseschrauben (M8) [A]: Erste: 15 N·m (1,5 kgf·m) Letzte: 31 N·m (3,2 kgf·m) • Die Halterung [B] für einbauen (ausgerüstete Modelle). sonde wie abgebildet den Kabelverbinder der Lambda- • Die M6-Schrauben [C] festziehen. Anzugsmoment - Kurbelgehäuseschrauben (M6): 12 N·m (1,2 kgf·m) • Die Unterlegscheiben [A] der M8-Schrauben [B] [C] er- neuern. • Die oberen Schrauben des Kurbelgehäuses festziehen. Anzugsmoment - Kurbelgehäuseschrauben (M8, L = 90 mm) [B]: 27 N·m (2,8 kgf·m) Kurbelgehäuseschrauben (M8, L = 75 mm) [C]: 27 N·m (2,8 kgf·m) Kurbelgehäuseschrauben (M6) [D]: 12 N·m (1,2 kgf·m) • Nach dem Anziehen aller Schrauben am Kurbelgehäuse Folgendes überprüfen: ○Kurbelwelle dreht sich leichtgängig.
  • 374.
    9-16 KURBELWELLE/GETRIEBE Kurbelwelle undPleuel Ausbau der Kurbelwelle • Kurbelgehäuse teilen (siehe "Teilen des Kurbelgehäu- ses"). • Die Pleuelstangemuttern entfernen. • Die Kurbelwelle ausbauen. Einbau der Kurbelwelle ANMERKUNG ○Falls die Kurbelwelle ersetzt wird, siehe Spiel zwischen Pleuelfuß-Lagereinsatz und Kurbelzapfen/Auswahl des Kurbelwellen-Hauptlagereinsatzes in den Technischen Daten. VORSICHT Wenn die Kurbelwelle, die Lagereinsätze oder die Kurbelgehäusehälften durch neue Teile ersetzt wer- den, die entsprechenden Lagereinsätze auswählen und das Spiel mit Plastigauge (einem Messhilfsmit- tel) kontrollieren; den Motor erst dann zusammen- bauen, wenn sichergestellt ist, dass die richtigen Lagereinsätze eingebaut sind. • Eine molybdänhaltige Disulfidöllösung auf die Lagerein- sätze des Hauptlagers der Kurbelwelle auftragen. • Dieeinbauen. mit daran hängender Kurbelwellenkette [A] Kurbelwelle • Die Pleueldeckel [B] einbauen (siehe "Einbau des Pleu- els").
  • 375.
    KURBELWELLE/GETRIEBE 9-17 Kurbelwelle undPleuel • Molybdänhaltiges Disulfidfett [A] auf die Außenflächen beider Anlaufscheiben [B] auftragen. • Eine Anlaufscheibe in die obere Kurbelgehäusehälfte schieben [C]. • Die andere Anlaufscheibe inoder rechts verlagern, dann die Kurbelwelle nach links die obere Kurbelgehäuse- hälfte schieben. ANMERKUNG ○Die Anlaufscheiben so drehen, dass die Ölnuten [D] nach außen zeigen. Die blauen Kanten [E] müssen wie abgebildet ausgerichtet werden. Vorn [F] ANMERKUNG ○Je nach Motornummer gibt es zwei Arten von Kurbel- gehäuse. Kurbelge- Unterleg- Dicke der Motor-Nr. häuse scheibe Unterleg- Teile-Nr. Teile-Nr. scheibe ∼ ZX600PE008560 14001-0112 92200-0383 2,5 mm ZX600PE008561 ∼ 14001-0113 92200-0385 3,25 mm
  • 376.
    9-18 KURBELWELLE/GETRIEBE Kurbelwelle undPleuel Ausbau des Pleuels • Kurbelgehäuse teilen (siehe "Teilen des Kurbelgehäuses" in diesem Kapitel). • Die Pleueldeckelmuttern [A] und Pleueldeckel [B] aus- bauen. ANMERKUNG ○Die Lage der Pleuel sowie der Pleuelfüße markieren und notieren, damit sie später wieder in den alten Posi- tionen eingebaut werden können. • Ausbauen: Nockenwellenkette [C] Kurbelwelle [D] Kolben [E] (siehe "Ausbau des Kolbens") VORSICHT Die Pleuelschrauben entsorgen. Um Beschädigun- gen an den Kurbelzapfen zu vermeiden, nicht mit den Pleuelfußschrauben gegen den Kurbelzapfen schlagen. Einbau des Pleuels VORSICHT Zur Verringerung der Vibration müssen die Pleuel die gleiche Gewichtsmarkierung haben. Pleueldeckel [A] Pleuel [B] Gewichtsmarkierung, Buchstabe [C] Durchmessermarkierung [D]: “○” oder keine Markierung VORSICHT Wenn die Pleuel, die Pleuelfußlagereinsätze oder die Kurbelwelle durch neue Teile ersetzt werden, den Lagereinsatz auswählen und das Spiel mit Plas- tigauge (einem Hilfsmittel zur Spielmessung) kon- trollieren, bevor der Motor zusammengebaut wird, damit sichergestellt ist, dass die richtigen Lagerein- sätze eingebaut werden. • Molybdänhaltige Disulfidöllösung auf[A] auftragen. des oberen und unteren Lagereinsatzes die Innenfläche • Das mit molybdänhaltigerSitzfläche [C] der Pleuelfußmut- tern Gewinde [B] und die Disulfidöllösung bestreichen. • der gleichen Seite befinden und in die Aussparung an Die Einsätze so einbauen, dass ihre Nasen [D] sich auf Pleuelfuß und Pleuelkopf passen. VORSICHT Falsch aufgetragenes Öl und Fett könnte das Lager beschädigen.
  • 377.
    KURBELWELLE/GETRIEBE 9-19 Kurbelwelle undPleuel ○Beim Einbau der Lagereinsätze [A] darauf achten, dass die Einsätze nicht durch die Kante des Pleuels [B] oder des Lagerdeckels [C] beschädigt werden. Die Lagerein- sätze können wie folgt montiert werden: Einbau [D] in den Pleueldeckel Einbau [E] in den Pleuel Drücken [F] Ersatz-Zylinderstift [G] Pleuelschrauben [H] • Fremdkörper entfernen und die Oberfläche der Lagerein- sätze reinigen. • Die Kolben einbauen (siehe "Einbau des Kolbens"). • Jeden Pleueleinbauen (siehe "Einbau der Kurbelwelle"). in seiner ursprünglichen Lage einbauen. • Den Pleueldeckel auf den Pleuel setzen. Gewichts- und Kurbelwelle • Durchmessermarkierungen fluchten. ○Der Pleuelfuß ist verschraubt, dafür wird die “plastische Verformung der Schrauben“ genutzt. ○Bei diesem Verfahren wird die benötigte Haltkraft exakt erreicht, ohne dass eine Überbeanspruchung entstehen kann, sodass das Pleuelgewicht durch dünnere, leichtere Schrauben verringert werden kann. ○Es gibt zwei Möglichkeiten zur Herstellung von plasti- schen Verbindungen. Bei dem einen Verfahren wird die Länge der Schraube gemessen, bei dem anderen der Drehwinkel. Es kann jedes der beiden Verfahren verwen- det werden; wir empfehlen jedoch die Längenmessung der Schraube, da beim Anziehen der Pleuelfußschrau- ben dieses Verfahren zuverlässiger ist. VORSICHT Die Pleuelschrauben werden beim Anziehen ge- dehnt. Gebrauchte Pleuelschrauben niemals wie- der verwenden. Die richtigen Werte für Schrauben und Muttern finden Sie in der folgenden Tabelle. VORSICHT Die Muttern nicht überdrehen. Die Schrauben müssen auf der Dichtfläche richtig angeordnet sein, damit die Schraubenköpfe nicht am Kurbelgehäuse anstoßen.
  • 378.
    9-20 KURBELWELLE/GETRIEBE Kurbelwelle undPleuel (1) Längenmessung der Schraube • Die Schrauben, Muttern und Pleuel gründlich mit einem Lösungsmittel mit hohem Flammpunkt reinigen, da die neuen Pleuelschrauben und Muttern mit einer Korrosi- onsschutzlösung behandelt wurden. ACHTUNG Die Schrauben, Muttern und Pleuel in einem gut durchlüfteten Raum reinigen und darauf achten, dass in der Nähe des Arbeitsbereichs weder offene Flammen noch Funken entstehen. Dazu gehört jedes Gerät mit einer Stroboskoplampe. Aufgrund der Gefahr, die mit leicht entflammbaren Flüs- sigkeiten verbunden ist, kein Benzin und keine Lösungsmittel mit niedrigem Flammpunkt zur Rei- nigung verwenden. VORSICHT Die Schrauben und Muttern nach der Reinigung sofort mit Druckluft trocknen. Die Schrauben und Muttern reinigen und vollständig trocknen lassen. • Für die wieder einzubauenden Pleuel neue Schrauben verwenden. • Sowohl Schraubenkopf als auch Schraubenspitze, wie dargestellt, mit einem Körnerpunkt versehen. • Vor dem Festziehen mit einer Mikrometerschraube die Länge der neuen Pleuelschrauben messen und die Werte notieren, um später die Schraubendehnung zu bestim- men. Pleuel [A] Hier mit einem Körnerpunkt [B] eindellen. Muttern [C] Die Mikrometerstifte in die Dellen [D] setzen. • Eine geringe Menge molybdänhaltige Disulfidöllösung auf folgende Teile auftragen. Gewinde von Muttern und Schrauben Sitzflächen der Muttern und Pleuel • Die Pleuelfußschrauben festziehen, bis die Schrauben- dehnung den vorgegebenen Wert (siehe Tabelle) erreicht hat. • Die Länge der Pleuelschrauben prüfen. Liegt die Dehnung außerhalb des zulässigen Bereichs, wurde die Schraube zu stark gedehnt. Eine überdehnte Schraube kann während des Betriebs brechen. Schrauben- Schraubenlänge Schrauben- länge nach dem – = vor dem Anziehen dehnung Anziehen Zulässige Dehnung der Pleuelschraube 0,28 ∼ 0,38 mm
  • 379.
    KURBELWELLE/GETRIEBE 9-21 Kurbelwelle undPleuel (2) Drehwinkel-Methode Wenn eine Mikrometerschraube nicht zur Verfügung steht, können die Muttern mit der “Drehwinkel-Methode” festgezogen werden. • Die Schrauben, Muttern und Pleuel gründlich mit einem Lösungsmittel mit hohem Flammpunkt reinigen, da die neuen Pleuelschrauben und Muttern mit einer Korrosi- onsschutzlösung behandelt wurden. ACHTUNG Die Schrauben, Muttern und Pleuel in einem gut durchlüfteten Raum reinigen und darauf achten, dass in der Nähe des Arbeitsbereichs weder offene Flammen noch Funken entstehen. Dazu gehört jedes Gerät mit einer Stroboskoplampe. Aufgrund der mit leicht entzündlichen Flüssigkeiten verbun- denen Gefahren zur Reinigung kein Benzin und keine Lösungsmittel mit niedrigem Flammpunkt verwenden. VORSICHT Die Schrauben und Muttern nach der Reinigung sofort mit Druckluft trocknen. Die Schrauben und Muttern reinigen und vollständig trocknen lassen. • Für die wieder einzubauenden Pleuel neue Schrauben verwenden. • Eine geringe Menge molybdänhaltige Disulfidöllösung auf folgende Teile auftragen. Gewinde [A] von Muttern und Schrauben Sitzflächen [B] der Muttern und Pleuel • Zunächstfestziehen (Siehe folgende Tabelle). Anzugs- moment die Muttern mit dem vorgeschriebenen • Danach die Muttern festziehen[A] so markieren, dass die ○Die Pleueldeckel und Muttern 180° . Muttern um genau 180° [B] angezogen werden können. Pleuelstange, Anzugsmoment + Winkel Schraube, Mutter komplett N·m (kgf·m) Die Schrauben der neuen Pleuel 11,8 (1,2) + 180° verwenden. Neu Andere neue Schrauben und 11,8 (1,2) + 180° Muttern Die Schrauben Gebraucht und Muttern 11,8 (1,2) + 180° erneuern. VORSICHT Die Muttern nicht überdrehen.
  • 380.
    9-22 KURBELWELLE/GETRIEBE Kurbelwelle undPleuel Reinigung von Kurbelwelle/Pleuel • Nach dem Entfernen mit hohem Flammpunkt reinigen.mit einem Lösungsmittel von der Kurbelwelle die Pleuel • Die Ölkanäle und Kurbelwelle mitzuPressluft reinigen, um Fremdkörper der Ablagerungen entfernen. Pleuel auf Verbiegung • Die Lagereinsätze aus dem Pleuelfuß ausbauen und den Pleueldeckel wieder anschrauben. • Einen Stahlstab den mit dem gleichen Durchmesser wie der Pleuelfuß in [A] Pleuelfuß einsetzen. • der Kolbenbolzen und mindestens 100 mm Länge aus- Einen Stahlstab [B] mit dem gleichen Durchmesser wie wählen und in das Pleuelauge einsetzen. • Auf einer Richtplatte den Dorn für den Pleuelfuß in einen V-förmigen Block [C] einsetzen. • Den Pleuel senkrecht zur Richtplatte halten und mit einer Messuhr den Unterschied des Stahlstabs über der Richt- platte auf einer Länge von 100 mm messen, um den Ver- biegungsgrad des Pleuels festzustellen. Wenn die Biegung des Pleuels den Grenzwert über- schreitet, dann muss der Pleuel ersetzt werden. Pleuel auf Verbiegung Grenzwert: TIR 0,2/100 mm Pleuel auf Verdrehung • Wenn [C] liegt, den Pleuel horizontal halten und die Paral- Block der Dorn für den Pleuelfuß [A] in dem V-förmigen lelabweichung zwischen dem Dorn [B] und der Richtplatte bei einer Länge von 100 mm messen, um die Verdrehung des Pleuels bestimmen. Wenn die Verdrehung des Pleuels den Grenzwert über- schreitet, muss den Pleuel ersetzt werden. Pleuel auf Verdrehung Grenzwert: TIR 0,2/100 mm Pleuelfußzapfen-Seitenspiel • Das Pleuelfußspiel messen. dem Pleuelfuß und den ○Eine Fühlerlehre [A] zwischen Kurbelwellenseiten schieben, um das Seitenspiel zu be- stimmen. Pleuelfußzapfen-Seitenspiel Standard: 0,13 ∼ 0,33 mm Grenzwert: 0,6 mm Wenn das Axialspiel den Grenzwert überschreitet, muss das Pleuel ersetzt und dann das Spiel erneut geprüft wer- den. Wenn auch nach dem Austausch des Pleuels das Spiel zu groß ist, muss auch die Kurbelwelle ersetzt wer- den.
  • 381.
    KURBELWELLE/GETRIEBE 9-23 Kurbelwelle undPleuel Verschleiß von Lagereinsatz und Pleuelfußzapfen • Dasmit Plastigauge [A] messen. und Pleuelfußzapfen [B] Spiel zwischen Lagereinsatz • Die Pleuelfußschrauben (siehe Einbau des Pleuels). An- zugsmoment festziehen mit dem vorgeschriebenen ANMERKUNG ○Bei der Spielmessung Pleuel und Kurbelwelle nicht be- wegen. VORSICHT Nach der Messung die Pleuelschrauben ersetzen. Spiel zwischen Pleuelfuß-Lagereinsatz und Kurbelzapfen Standard: 0,044 ∼ 0,081 mm Grenzwert: 0,12 mm Liegt das Spiel innerhalb des Sollwerts, braucht das La- ger nicht ausgetauscht zu werden. Liegt das Spiel zwischen 0,082 mm und dem Grenzwert (0,12 mm), die Lagereinsätze [A] durch blaue Lager [B] ersetzen. Das Spiel zwischen Lagereinsatz/Kurbelzap- fen mit Plastigauge messen. Das Spiel darf etwas größer sein als der Sollwert, aber nicht kleiner als das Mindest- maß, um Lagerfresser zu vermeiden. Ist das Spiel größer, als nach den Grenzwert zulässig, den Durchmesser [C] der Pleuelfußzapfen messen. Kurbelzapfendurchmesser Standard: 29,987 ∼ 30,000 mm Grenzwert: 29,97 mm Überschreitet der Verschleiß am Kurbelzapfen den Grenzwert, die Kurbelwelle durch eine neue ersetzen. Wenn der gemessene Pleuelfußdurchmesser den Grenzwert nicht unterschreitet, aber nicht mit den alten Durchmessermarkierungen [D] auf der Kurbelwelle über- einstimmt, neue Markierungen anbringen. Markierungen des Kurbelzapfendurchmessers Keine: 29,984 ∼ 29,992 mm ○: 29,993 ∼ 30,000 mm : Kurbelzapfen-Durchmessermarkierungen, “○” Mar- kierung vorhanden/nicht vorhanden. • Den Pleuelfuß abhängig des Pleuelfußes messenmarkie- den Innendurchmesser vom Innendurchmesser und je- ren. • Die Pleuelfußschrauben mit dem vorgeschriebenen An- zugsmoment festziehen (siehe "Einbau des Pleuels"). ANMERKUNG ○Die bereits am Pleuelfuß angebrachte Markierung muss mit der Messung fast genau übereinstimmen.
  • 382.
    9-24 KURBELWELLE/GETRIEBE Kurbelwelle undPleuel Markierungen für den Innendurchmesser am Pleuelfuß Keine: 33,000 ∼ 33,008 mm ○: 33,009 ∼ 33,016 mm Pleueldeckel [A] Pleuel [B] Gewichtsmarkierung, Buchstabe [C] Durchmessermarkierung (um Gewichtsmarkierung) [D]: “○” oder keine Markierung • Den richtigen Lagereinsatz [A] für die Kombination aus Pleuel und Kurbelwellenkennzeichnung auswählen. Größe/Farbe [B] Innendurchmesser Lagereinsatz Markierungen des -Markierungen am Kurbelzapfendurchmessers Größe/Farbe Teilenummer Pleuelfuß 92139 Keine ○ Braun -0167 Keine Keine 92139 Schwarz ○ ○ -0166 92139 ○ Keine Blau -0165 • Die Spiel zwischen Lagereinsatz/Kurbelzapfen mit Dehn- das neuen Lagereinsätze in den Pleuel einbauen und messstreifen messen. Liegt das Spiel zwischen Lagereinsatz/Kurbelzapfen un- ter dem Grenzwert, die Pleuelschrauben und Muttern er- neuern und das Spiel erneut messen. Kurbelwellen-Axialspiel • Eine Fühlerlehreund der Kurbelwellenstrebe am Wellen- Kurbelgehäuse [A] zwischen der Anschlagscheibe am zapfen Nr. 3 [B] zur Spielmessung einführen. Ist das Spiel größer als der Grenzwert, die Anschlag- scheiben im Satz erneuern und die Breite des Haupt- lagerzapfens an der Kurbelwelle Nr. 3 messen. Kurbelwellen-Axialspiel Standard: 0,05 ∼ 0,25 mm Grenzwert: 0,45 mm • Die Breitemessen. Hauptlagerzapfens an der Kurbelwelle Nr. 3 [B] [A] des Wenn der Messwert den Standardwert überschreitet, die Kurbelwelle ersetzen. Breite des Hauptlagerzapfens an der Kurbelwelle Nr. 3 Standard: 21,09 ∼ 21,14 mm
  • 383.
    KURBELWELLE/GETRIEBE 9-25 Kurbelwelle undPleuel Kurbelwellenschlag • Den Kurbelwellenschlag messen. überschreitet, die Wenn der Messwert den Grenzwert Kurbelwelle ersetzen. Kurbelwellenschlag Standard: TIR 0,02 mm oder weniger Grenzwert: TIR 0,05 mm Verschleiß an Kurbel- wellen-Hauptlagereinsatz/Wellenzapfen • Mit einem StückLagereinsatz/Wellenzapfen [B] messen. Spiel zwischen Plastigauge (zur Druckmessung) [A] das ANMERKUNG ○Die Kurbelgehäuseschrauben mit dem vorgeschriebe- nen Anzugsmoment festziehen (siehe "Zusammenbau des Kurbelgehäuses" in diesem Kapitel). ○Die Kurbelwelle während der Spielmessung nicht dre- hen. ○kann mit Plastigauge nicht gemessen werden, das Min- deststandardspiel kann jedoch mit den Originalteilen er- reicht werden. Spiel zwischen Kurbel- wellen-Hauptlagereinsatz/Wellenzapfen Standard: 0,028 ∼ 0,060 mm Grenzwert: 0,09 mm Liegt das Spiel innerhalb des Sollwerts, braucht das La- ger nicht ausgetauscht zu werden. Liegt das Spiel zwischen 0,061 mm und dem Grenzwert (0,09 mm), die Lagereinsätze [A] durch blaue Lager [B] ersetzen. Das Spiel zwischen Pleuelzapfen und Lager- einsatz mit Plastigauge messen. Das Spiel darf etwas größer sein als der Sollwert, aber nicht kleiner als das Mindestmaß, um Lagerfresser zu vermeiden. Falls das Spiel den Grenzwert überschreitet, den Durch- messer [C] des Kurbelwellenhauptlagers messen. Durchmesser des Kurbelwellen-Hauptlagerzapfens Standard: 30,984 ∼ 31,000 mm Grenzwert: 30,96 mm Falls der Verschleiß eines Lagerzapfens den Grenzwert überschreitet, eine neue Kurbelwelle einbauen. Falls die gemessenen Wellenzapfendurchmesser den Grenzwert nicht unterschreiten, aber nicht mit den alten Durchmessermarkierungen [D] auf der Kurbelwelle über- einstimmen, neue Markierungen anbringen. Markierungen für den Kurbelwellenzapfendurchmesser Keine: 30,984 ∼ 30,992 mm 1: 30,993 ∼ 31,000 mm □: Markierungen des Kurbelwel- len-Hauptlagerzapfendurchmessers, Markierung “1” oder keine Markierung.
  • 384.
    9-26 KURBELWELLE/GETRIEBE Kurbelwelle undPleuel • Den Innendurchmesser des Hauptlagers messen und die obere Kurbelgehäusenhälfte entsprechend dem Innen- durchmesser markieren. [A]: Innendurchmessermarkierungen für das Kurbelwel- lenhauptlager: “○” oder keine Markierung. • Die Kurbelgehäuseschrauben mit dem vorgeschriebenen Anzugsmoment festziehen (siehe "Zusammenbau des Kurbelgehäuses" in diesem Kapitel). ANMERKUNG ○Die bereits am oberen Kurbelgehäuse angebrachte Markierung sollte fast genau mit der Messung überein- stimmen. Innendurchmessermarkierungen für das Kurbelwellen- hauptlager ○ : 34,000 ∼ 34,008 mm Keine: 34,009 ∼ 34,016 mm • Den richtigen Lagereinsatz [A] entsprechendauswählen. rungen von Kurbelgehäuse und Kurbelwelle den Codie- Größe/Farbe [B] (Motor-Nr. ∼ ZX600PE008560) Markierung für Markierung für den Lagereinsatz* Innendurchmesser des Kurbelwellenzapfen- Wellenzapfen Kurbelwellenhauptlagers durchmesser Größe/Farbe Teilenummer -Nr. 92139-0173 5 ○ 1 Braun 92139-0191 1, 2, 3, 4 Keine 1 92139-0172 5 Schwarz ○ Keine 92139-0190 1, 2, 3, 4 92139-0171 5 Keine Keine Blau 92139-0189 1, 2, 3, 4 *: Die Lagereinsätze für die Wellenzapfen-Nr. 1, 2, 3 und 4 haben jeweils eine Ölnut. (Motor-Nr. ZX600PE008561 ∼) Markierung für Markierung für den Lagereinsatz* Innendurchmesser des Kurbelwellenzapfen- Wellenzapfen Kurbelwellenhauptlagers durchmesser Größe/Farbe Teilenummer -Nr. 92139-0173 3, 5 ○ 1 Braun 92139-0191 1, 2, 4 Keine 1 92139-0172 3, 5 Schwarz ○ Keine 92139-0190 1, 2, 4 92139-0171 3, 5 Keine Keine Blau 92139-0189 1, 2, 4 *: Die Lagereinsätze für die Wellenzapfen-Nr. 1, 2 und 4 haben jeweils eine Ölnut. • Die neuenund das Spiel in die Kurbelgehäusehälften einbauen Lagereinsätze zwischen Lagereinsatz und Wellenzapfen mit Plastigauge messen.
  • 385.
    KURBELWELLE/GETRIEBE 9-27 Kolben Ausbau desKolbens • Kurbelgehäuse teilen (siehe "Teilen des Kurbelgehäu- ses"). • Die Pleueldeckelmuttern [A] und Pleueldeckel [B] aus- bauen. ANMERKUNG ○Die Lage der Pleuel sowie der Pleuelfüße markieren und notieren, damit sie später wieder in den alten Posi- tionen eingebaut werden können. • Ausbauen: Nockenwellenkette [C] Kurbelwelle [D] • Die Pleuel samt den Kolben zur Zylinderkopfseite hin [E] ausbauen. • Die Sicherungsringe für die Kolbenbolzen [A] ausbauen. • Die Kolbenbolzen[A] ausbauen. zen-Abziehwerkzeug mit einem Kolbenbol- Spezialwerkzeug - Kolbenbolzenzieher: 57001-910 • Kolben entfernen. • Die Ringöffnung vorsichtigGegenseite des Rings [A] drü- drücken und dann auf die mit den Daumen auseinander cken, um ihn herauszunehmen. • Den dreiteiligen Ölring auf gleiche Weise mit den Daumen entfernen.
  • 386.
    9-28 KURBELWELLE/GETRIEBE Kolben Einbau desKolbens • Die Ölringdehnvorrichtung [A] mit einer molybdänhaltigen Disulfidöllösung schmieren und so in die Nut des unteren Kolbenrings einsetzen, dass die Enden [B] zusammen- stoßen. •Molybdänhaltige Disulfidöllösung auf die Kolbenringe aus Stahl auftragen und über bzw. unter dem Ölringexpander montieren. ○Die Kolbenringe aus Stahl mit den Daumen soweit aus- einander drücken, dass der Kolbenring über den Kolben passt. ○Den Kolbenring aus Stahl aus der unteren Kolbenringnut entfernen. ANMERKUNG ○Die Kolbenringe aus Stahl haben kein “oben” oder “un- ten”. • Nichtoberen Kolbenring [A] so einbauen, dass die “R” den oberen und den zweiten Ring verwechseln. • Den -Markierung [B] nach oben weist. • Den zweiten [D] nach oben weist. -Markierung Kolbenring [C] so einbauen, dass die “RN” ○Molybdänhaltige Disulfidöllösung auf die Kolbenringe auf- tragen. ANMERKUNG ○Soll ein neuer Kolben verwendet werden, neue Kolben- ringe einsetzen. • Einen neueneinsetzen, sodass die Ringöffnung [A]in die Kolbenseite Sicherungsring für den Kolbenbolzen nicht mit dem Schlitz [B] der Kolbenbolzenbohrung überein- stimmt. ○Molybdänhaltige Disulfidöllösung auf die Kolbenringe und Kolbengelenke auftragen. ○Beim Einbau des Kolbenbolzen-Sicherungsrings diesen nur so weit zusammendrücken, wie für den Einbau erfor- derlich. VORSICHT Sicherungsringe nicht erneut verwenden, da diese beim Ausbau geschwächt und deformiert werden. Sie können herausfallen und die Zylinderwand zer- kratzen.
  • 387.
    KURBELWELLE/GETRIEBE 9-29 Kolben • DieKolbenringöffnungen müssen wie in der Abbildung angeordnet sein. Die Spaltöffnungen der Kolbenringe aus Stahl müssen im Winkel von ca. 30 ∼ 40° zur Öff- nung des oberen Rings versetzt sein. Oberer Kolbenring [A] Zweiter Kolbenring [B] Ölring-Stützschiene aus Stahl [C] (oben) Spreizring des Ölrings [D] Ölring-Stützschiene aus Stahl [E] (unten) Auskehlung [F] 40 ∼ 50° [G] • Molybdänhaltige Kolbenringe auftragen. Kolbenhemd und Disulfidöllösung auf Zylinderbohrung, • Den Kolben so einbauen, dass die hohle Markierung [A] zum Auslass hin zeigt. • Mit dem Kolbenring-Kompressionswerkzeug [B] den Kol- ben von der Zylinderkopfseite her einbauen. Spezialwerkzeuge - Griff für Kolbenring-Kompressionswerkzeug: 57001-1095 Kolbenring-Kompressionsriemen, 67 ∼ 79: 57001-1097 • Folgende Teile einbauen: der Kurbelwelle") Kurbelwelle (siehe "Einbau Pleueldeckel (siehe "Einbau des Pleuels") Zylinder auf Verschleiß (obere Kurbelgehäuse- hälfte) • Da derRichtung unterschiedlich ist, an jedem der beiden jeder Zylinderverschleiß (obere Kurbelgehäusehälfte) in Messpunkte von Seite zu Seite und von vorn nach hinten messen (insgesamt vier Messungen, siehe Abbildung). Wenn eines der Maße für den Zylinderinnendurchmesser den Grenzwert überschreitet, das Kurbelgehäuse erset- zen. 10 mm [A] 60 mm [B] Zylinder-Innendurchmesser Standard: 67,000 ∼ 67,012 mm Grenzwert: 68,09 mm Kolbenverschleiß • Den [B] von der Unterkante desjedem Kolben messen - 5 mm Außendurchmesser [A] an Kolbens im rechten Win- kel zum Kolbenbolzen. Bei Unterschreitung des Grenzwerts den Kolben erneu- ern. Kolbendurchmesser Standard: 66,975 ∼ 66,990 mm Grenzwert: 66,83 mm
  • 388.
    9-30 KURBELWELLE/GETRIEBE Kolben Verschleiß vonKolbenring und Ringnut • Bei Prüfung achten. sene Nuten der Ringsitze auf ungleichmäßig verschlis- Die Ringe müssen genau parallel zu den Nutenflächen stehen. Anderenfalls die Kolben und alle Kolbenringe er- setzen. • Die Kolbenringe in ihre Nuten setzen und mit der Fühler- lehre [A] an mehreren Stellen das Kolbenringspiel mes- sen. Spiel zwischen Kolbenring/Kolbennut Standard: Oben 0,05 ∼ 0,09 mm Zweiter Ring 0,03 ∼ 0,07 mm Grenzwert: Oben 0,19 mm Zweiter Ring 0,17 mm Kolbenringnutbreite • Die einem Messschiebermessen. ○Mit Kolbenringnutbreite an verschiedenen Punkten um den Kolben messen. Kolbenringnutbreite Standard: Oben [A] 0,84 ∼ 0,86 mm Zweiter Ring [B] 0,82 ∼ 0,84 mm Grenzwert: Oben [A] 0,94 mm Zweiter Ring [B] 0,92 mm Wenn eine der beiden Nuten an einer Stelle breiter ist als der Grenzwert, den Kolben erneuern. Kolbenringdicke • Die Kolbenringdicke messen. an mehreren Stellen des ○Mit der Mikrometerschraube Rings messen. Kolbenringdicke Standard: Oben [A] 0,77 ∼ 0,79 mm Zweiter Ring [B] 0,77 ∼ 0,79 mm Grenzwert: Oben [A] 0,70 mm Zweiter Ring [B] 0,70 mm Wenn eines der Maße für einen der Ringe den Grenzwert unterschreitet, alle Ringe erneuern. ANMERKUNG ○Werden neue Kolbenringe in einen gebrauchten Kolben eingesetzt, auf ungleichmäßigen Nutverschleiß kontrol- lieren. Die Ringe müssen genau parallel zu den Nuten- kanten stehen. Anderenfalls den Kolben ersetzen.
  • 389.
    KURBELWELLE/GETRIEBE 9-31 Kolben Kolbenring-Endspalt • DenKolbenring [A] dabei mit dem Kolben den(obere Kur- belgehäusehälfte), in den Zylinder einsetzen Ring recht- winklig halten. Den Kolbenring nahe an die Zylinderun- terseite schieben, wo der Zylinderverschleiß gering ist. • Den Spalt [B] zwischen den Ringenden mit einer Fühler- lehre messen. Kolbenring-Endspalt Standard: Oben 0,12 ∼ 0,22 mm Zweiter Ring 0,30 ∼ 0,45 mm Grenzwert: Oben 0,5 mm Zweiter Ring 0,8 mm Wenn der Stoß eines Rings den Grenzwert überschreitet, alle Ringe erneuern.
  • 390.
    9-32 KURBELWELLE/GETRIEBE Starterleerlaufzahnrad undStarterkupplung Ausbau des Starterleerlaufzahnrads • Ausbauen: Verkleidung (siehe "Ausbau der rechten Rechte mittlere mittleren Verkleidung" im Kapitel "Rahmen") Wärmedämmung [A] Schrauben [B] Leerlaufzahnrad-Abdeckung [C] • Das Leerlaufzahnrad (auf der Startermotorseite) samt Welle [B] herausziehen. • Ausbauen: [A] Schrauben Halterung [B] Starterkupplungsdeckel [B] • Das Welle [B] herausziehen.der samt Leerlaufzahnrad (auf Starterkupplungsseite) Einbau des Starterleerlaufzahnrades • Molybdänhaltiges Disulfidfett [A] [B] auftragen. zahnrad (Starterkupplungsseite) auf das Starterleerlauf- • Den Stift [C] in die Nut [D] am Kurbelgehäuse einpassen.
  • 391.
    KURBELWELLE/GETRIEBE 9-33 Starterleerlaufzahnrad undStarterkupplung • Dasder Welle montieren. der Starterkupplungsseite) [A] auf Leerlaufzahnrad (auf • Das Leerlaufzahnrad mit dem Starterkupplungszahnrad in Eingriff bringen. • Auf folgende Teile Silikondichtmittel auftragen. Kurbelwellensensor-Kabeltülle [B] Kontaktflächen der Kurbelgehäusehälften [C] Dichtmittel - Kawasaki Bond (Silikondichtmittel): 92104-0004 • Die Passstifte [D] und eine neue Dichtung einbauen. • Die O-Ringe des Startermotors einfetten. • Folgende Teile einbauen:[A] Starterkupplungsdeckel Halterung [B] • Festziehen: Anzugsmoment - Schrauben des Starterkupplungsdeckels: 9,8 N·m (1,0 kgf·m) L = 20 mm [C] L = 30 mm [D] • Molybdänhaltiges (Startermotorseite)auf auftragen.Leer- lauf-Zahnradwelle Disulfidfett [A] die • Das Leerlaufzahnrad (Startermotorseite) [B] auf der Welle montieren. ○Das Leerlaufzahnrad mit dem Startermotorzahnrad und -leerlaufzahnrad (Starterkupplungsseite) in Eingriff brin- gen. ○Den Stift [C] in die Nut [D] am Starterkupplungsdeckel einpassen. •Das Passstift [E] und die neue Dichtung einbauen. • Das Deckels anordnen. innerhalb der Kontaktfläche [B] des Leerlaufzahnrad [A] • Folgende Teile einbauen: [A] Leerlaufzahnrad-Abdeckung Schrauben der Leerlaufzahnrad-Abdeckung [B] Schrauben der Leerlaufzahnrad-Abdeckung [C] mit Dichtungen • Festziehen: Anzugsmoment - Schrauben der Leerlaufzahnrad-Abdeckung: 9,8 N·m (1,0 kgf·m) • Die ausgebauten Teile einbauen (siehe entsprechende Kapitel).
  • 392.
    9-34 KURBELWELLE/GETRIEBE Starterleerlaufzahnrad undStarterkupplung Ausbau der Starterkupplung • Ausbauen: Lichtmaschinendeckel (siehe "Ausbau des Lichtmaschi- nendeckels" im Kapitel "Elektrik") Starterkupplungsdeckel (siehe "Ausbau des Leerlauf- zahnrades") Leerlaufzahnrad (Starterkupplungsseite, siehe "Ausbau des Leerlaufzahnrades") • Die Starterkupplungsschraube [A] herausdrehen und da- bei den Lichtmaschinenrotor mit dem Läuferhalter gegen- halten (siehe "Ausbau des Lichtmaschinenläufers" im Ka- pitel "Elektrik"). Spezialwerkzeuge - Griff: 57001-1591 Anschlag: 57001-1679 Läuferhalter: 57001-1666 • Ausbauen: Unterlegscheibe [B] Starterkupplung [C] Einbau der Starterkupplung • Die Starterkupplung [A] so in den Ausrichtzahn Ausspa- rung [B] des Zahnkranzes einbauen, dass die [C] ein- greift. • Die Unterlegscheibe montieren. • Die Starterkupplungsschraube festdrehen und dabei den Lichtmaschinenläufer mit dem Läuferhalter gegenhalten (siehe "Einbau des Lichtmaschinenläufers" im Kapitel "Elektrik"). Spezialwerkzeuge - Griff: 57001-1591 Anschlag: 57001-1679 Läuferhalter: 57001-1666 Anzugsmoment - Starterkupplungsschraube: 49 N·m (5,0 kgf·m) • Die ausgebauten Teile einbauen (siehe entsprechende Kapitel). Zerlegung der Starterkupplung • Ausbauen: Starterkupplung (siehe "Ausbau der Starterkupplung") • kupplung [B] ziehen. Das Anlasserkupplungszahnrad [A] aus der Anlasser- • Ausbauen: [C] Nadellager
  • 393.
    KURBELWELLE/GETRIEBE 9-35 Starterleerlaufzahnrad undStarterkupplung • Ausbauen: [A] Sprengring • häuse [C] ziehen. Die Freilaufkupplung [B] aus dem Starterkupplungsge- Zusammenbau der Starterkupplung • Die Freilaufkupplung[B] nach innen zeigt. die Seite mit dem Sicherungsring [A] so einbauen, dass • Einen neuen Sprengring einbauen. • Das Starterkupplungszahnradeinpassen. Uhrzeigersinn drehen [C] und [B] hineindrücken [A], im • Molybdänhaltige Disulfidöllösung auf das Nadellager [A] auftragen und dieses einbauen. Prüfung der Starterkupplung • Ausbauen: Starterkupplungsdeckel (siehe "Ausbau des Leerlauf- zahnrades") Leerlaufzahnrad (Starterkupplungsseite, siehe "Ausbau des Leerlaufzahnrades") • Das Starterkupplungszahnrad [A] mit der Hand drehen. Das Startermotorkupplungsrad muss sich gegen den Uhr- zeigersinn [B] frei drehen können, nicht jedoch im Uhrzei- gersinn. Wenn die Starterkupplung nicht einwandfrei funktioniert oder Geräusche erzeugt, weiter zum nächsten Schritt.
  • 394.
    9-36 KURBELWELLE/GETRIEBE Starterleerlaufzahnrad undStarterkupplung • Die Starterkupplung zerlegen und die Kupplungsteile ein- zeln überprüfen. Freilaufkupplung [A] Starterkupplungsgehäuse [B] Verschlissene oder beschädigte Teile ersetzen. ○Das Starterkupplungszahnrad [C] ebenfalls kontrollieren. Bei Beschädigung oder Verschleiß das Kupplungsrad er- setzen.
  • 395.
    KURBELWELLE/GETRIEBE 9-37 Getriebe Ausbau desSchaltpedals • Ausbauen: Schalthebelschraube [A] Schaltpedal-Befestigungsschraube [B] Spurstange [C] und Schaltpedal [D] Einbau des Fußschalthebels • Die Gleitflächeneinfetten. Schaltpedals [B] [A] der Befestigungsschraube des • Folgende Teile einbauen: Unterlegscheiben [C] Schaltpedalbaugruppe [D] ○Das vordere Ende der Spurstange ist mit Nuten [E] ver- sehen. ○Das genutete Ende der Spurstange und die vordere Si- cherungsmutter [F] haben Linksgewinde. •Festziehen: Anzugsmoment - Schaltpedal-Befestigungsschraube: 25 N·m (2,5 kgf·m) • Die Stanzmarkierung [A] ausrichten. Schlitz [B] im Schalthebel an der Schaltwelle mit dem • Festziehen: Anzugsmoment - Schalthebelschraube [C]: 6,9 N·m (0,70 kgf·m) • Das Schaltpedal wie folgt einbauen. Ca. 90° [D] Ca. 95° [E] 1 ∼ 3 mm [F] (Die Länge entspricht dem Abstand zwi- schen der Mittellinie der Spurstange [G] und der Mitte des Schaltpedalendes.) ○Zum Einstellen der Pedalposition die Sicherungsmuttern [H] lockern und dann die Spurstange drehen. •Festziehen: Anzugsmoment - Schaltstangen-Sicherungsmuttern: 6,9 N·m (0,70 kgf·m) Ausbau des externen Schaltmechanismus • Ausbauen: Ablassen,"Wechsel des Motoröls" im Ka- Motoröl (siehe pitel "Regelmäßige Wartung") Schaltpedal (siehe "Ausbau des Schaltpedals") Sicherungsring [A] Unterlegscheibe [B] Spezialwerkzeug - Montagezange für Sicherungsringe: 57001-144
  • 396.
    9-38 KURBELWELLE/GETRIEBE Getriebe • Ausbauen: Kupplung (siehe "Ausbau der Kupplung" im Kapitel "Kupplung") • Die Schaltwellenbaugruppe [A] ausbauen, dabei den He- belarm des Schaltmechanismus ziehen. • Ausbauen: Ganghebelschraube [A] Ganghebel [B], Hülse und Feder Einbau des externen Schaltmechanismus • Den Ganghebel [A] gemäß Abbildung einbauen. Feder [B] Hülse [C] Schraube [D] • Festziehen: Anzugsmoment - Ganghebelschraube: 12 N·m (1,2 kgf·m) • Folgende Teile einbauen: Unterlegscheibe [A] Schaltwellenbaugruppe [B] ○Feder [C] und Hebelarm des Schaltmechanismus [D] am Rückstellfederstift [E] montieren. •Folgende Teile einbauen: Unterlegscheibe [F] Sicherungsring [G] Spezialwerkzeug - Montagezange für Sicherungsringe: 57001-144 Prüfung des externen Schaltmechanismus • Die Verbiegung die auf Beschädigung prüfen. Bei Schaltwelle [A] Welle ersetzen. Wenn der Zahnkranz [B] beschädigt ist, die Welle austau- schen. Wenn die Federn [C] beschädigt sind, austauschen. Wenn der Schaltarm [D] beschädigt ist, die Schaltwelle ersetzen.
  • 397.
    KURBELWELLE/GETRIEBE 9-39 Getriebe • DerRückstellfederstift [A] darf nichtist, diesen herausdre- Wenn der Rückstellfederstift locker locker sein. hen, das Gewinde mit nicht-permanentem Kleber bestrei- chen und den Stift festziehen. Anzugsmoment - Stift der Schaltwellen-Rückstellfeder: 28 N·m (2,9 kgf·m) • Den Ganghebel [B] und dessen Feder auf Bruch oder Ver- formung prüfen. Wenn Hebel oder Feder beschädigt sind, diese ersetzen. • Den Schaltwalzennocken [C] visuell kontrollieren. Wenn diese stark verschlissen oder beschädigt sind, diese Teile ersetzen. Ausbau des Getriebes • Ausbauen: (siehe "Ausbau des Motorkettenrads" im Motorkettenrad Kapitel "Achsantrieb") Gangpositionsschalter (siehe "Ausbau des Gangpositi- onsschalters" im Kapitel "Elektrik") Hülse [A] O-Ring [B] • Ausbauen: Kupplung (siehe "Ausbau der Kupplung" im Kapitel "Kupplung") Schaltwellenbaugruppe (siehe "Ausbau des externen Schaltmechanismus") Getriebegehäuseschrauben [A] Falls das Getriebe ausgebaut werden muss, folgende Teile ausbauen. Ganghebelschraube [B] Ganghebel [B], Feder und Hülse • Das Getriebe [D] aus dem Kurbelgehäuse ziehen. Zerlegung des Getriebes • Das Getriebe ausbauen (siehe "Ausbau des Getriebes"). • Folgende Teile aus dem Getriebegehäuse [A] ausbauen. Schaltstangen [B] Schaltgabeln [C] Antriebswelle [D] Abtriebswelle [E]
  • 398.
    9-40 KURBELWELLE/GETRIEBE Getriebe • Ausbauen:[A] Ganghebel Lagerhalterschrauben [B] Lagerhalter [C] Schaltwalzenbaugruppe [D] Zusammenbau des Getriebes • Den Laufring [A] mitweisend bis zum Anschlag[C] das Ge- triebegehäuseseite der großgestuften Seite in zur Ge- triebegehäuse [B] einpressen. Spezialwerkzeug - Lagertreibersatz: 57001-1129 • Dennicht-permanentesgemäß Abbildung einbauen. Lauf- Laufringhalter [D] • ringhalterschraube [E] auftragen. Ein Gewindedichtmittel auf die • Festziehen: Anzugsmoment - Laufringhalterschraube: 4,9 N·m (0,50 kgf·m) • Die Passstifte [F] bis zum Anschlag in das Getriebege- häuse einpressen. • Das weisend bis[A] mitAnschlag in das Getriebegehäuse ßen Kugellager zum der großgestuften Seite nach au- [B] einpressen. • Den Lagerhalter [C] gemäß Abbildung einbauen. • Ein nicht-permanentes Gewindedichtmittel auf die Lager- halterschraube [D] auftragen. • Festziehen: Anzugsmoment - Lagerhalterschrauben: 4,9 N·m (0,50 kgf·m) • Folgende Teile einbauen: [A] Schaltwalzenbaugruppe Lagerhalter ○Den Lagerhalter so montieren, dass die konische Seite nach außen zeigt. • Ein nicht-permanentes Gewindedichtmittel auf die Lager- halterschrauben [C] auftragen. • Festziehen: Anzugsmoment - Lagerhalterschrauben: 4,9 N·m (0,50 kgf·m)
  • 399.
    KURBELWELLE/GETRIEBE 9-41 Getriebe • DieAntriebswelle [A] und die Abtriebswelle [B] im Satz in das Getriebegehäuse [C] einbauen. • Die Schaltgabel [D] für dieAbbildung einbauen. kürzeren ○Die Schaltgabeln gemäß Antriebswelle hat die Augen. ○Die Schaltgabel [E] [F] für die Abtriebswelle hat die län- geren Augen. ○Die Schaltgabel [E] ist mit R markiert [F]. ○Die Schaltgabel [G] ist mit L markiert [H]. •Die Schaltstangen so einbauen, dass die Enden der Stan- gen auf der gleichen Höhe abschließen. ○Die Schaltstange [I] auf der Antriebswellenseite ist kürzer als die Schaltstange [J] auf der Abtriebswellenseite. •Molybdänhaltige Disulfidöllösung auf die auf Getriebe- zahnräder (Markierung x) [K] auftragen. •Das Distanzstück [L] auf der Abtriebswelle montieren. •Den O-Ring [M] einfetten und in seiner ursprünglichen Lage auf der Abtriebswelle anbringen.. Einbau des Getriebes • Das Getriebes"). des Getriebe zusammenbauen (siehe "Zusammenbau • Darauf achten,am Kurbelgehäuse montieren. dass die Passstifte richtig positioniert sind. • DasGetriebegehäuseschrauben festziehen. Getriebe • Die Anzugsmoment - Getriebegehäuseschrauben (M8) [A]: 20 N·m (2,0 kgf·m) Getriebegehäuseschrauben (M6) [B]: 9,8 N·m (1,0 kgf·m)
  • 400.
    9-42 KURBELWELLE/GETRIEBE Getriebe • DenGanghebel einbauen (siehe "Ausbau des externen Schaltmechanismus"). • Den Ganghebeldass Antriebs- undbringen [A]. sich in Leerlaufstellung • Sicherstellen,drehen. leichtgängig Abtriebswelle • Den O-Ring [A] einfetten und anbringen..ursprünglichen Lage auf der Abtriebswelle [B] in seiner • Die Hülse [C]der Öldichtung [D] wie folgt vorgehen. einbauen. • Die Dichtlippe der Öldichtung einfetten. ○ Beim Einbau ○Auf die Außenseite der Öldichtung Öl auftragen, damit sie sich leichter einbauen lässt. ○Die neue Öldichtung so hineinpressen, dass die Dich- tungsoberfläche gemäß Abbildung mit der Oberfläche des Kurbelgehäuses bündig ist. • Folgendedes Gangpositionsschalters (siehe "Einbau des Einbau Teile einbauen: Gangpositionsschalters" im Kapitel "Elektrik") Ausgebaute Teile Ausbau der Getriebewelle • Das Getriebe ausbauen (siehe "Ausbau des Getriebes"). • Ausbauen: [A] Schaltstangen Schaltgabeln [B] Antriebswelle [C] und Abtriebswelle [D] Einbau der Getriebewelle • Sicherstellen, dassist. Distanzstück [A] auf der Abtriebs- welle [B] montiert das • Das des Getriebes"). bau Getriebe am Kurbelgehäuse montieren (siehe "Ein-
  • 401.
    KURBELWELLE/GETRIEBE 9-43 Getriebe Zerlegung derGetriebewelle • Die Getriebewellen ausbauen (siehe "Ausbau der Getrie- bewellen"). • Die Sicherungsringe entfernen und die Getriebewellen zerlegen. Spezialwerkzeug - Montagezange für Sicherungsringe: 57001-144 • Für denfür Gangformschlüssigen Mechanismusdrei Stahl- kugeln 5. den [A] auf der Abtriebswelle sind der Neu- tralstellung eingebaut. Das Zahnrad für den 5. Gang he- rausnehmen. ○Das 3. Gangrad [C] fixieren und die Abtriebswelle vertikal ausrichten. ○Das Zahnrad für den 5. Gang [B] schnell drehen und nach oben herausziehen. Zusammenbau der Getriebewelle • Molybdänhaltiges Disulfidöl auf die Gleitflächen der Zahn- räder und Wellen auftragen. • DasBohrungen [B] [A] so auf densind. montieren, dass die Getriebelager ausgerichtet Wellen • StetsSicherungsring [A] so auf der Antriebswelle [B] mon- neue Sicherungsringe einsetzen. • tieren, dass die Stanzmarkierung [C] zur Unterlegscheibe Den [D] zeigt, und die Öffnung [E] gemäß Abbildung anordnen. • Den Sicherungsring [A] so auf der[C] zur Unterlegscheibe tieren, dass die Stanzmarkierung Abtriebswelle [B] mon- [D] zeigt, und die Öffnung [E] gemäß Abbildung anordnen.
  • 402.
    9-44 KURBELWELLE/GETRIEBE Getriebe • DieZahnräder der AntriebswelleDas Zahnrad mit ihrer Größe unterschieden werden: können anhand dem größten Durchmesser ist für den 1. Gang, und das kleinste für den 6. Gang. Alle Teile müssen in der richti- gen Reihenfolge abgelegt und alle Sicherungsringe und Unterlegscheiben richtig eingebaut werden. • Das Zahnrad für den 3. und 4. Gang so auf der Antriebs- welle montieren, dass die Ölbohrungen ausgerichtet sind. • Die Zahnräder der Abtriebswelle können anhand ihrer Größe unterschieden werden: Das Zahnrad mit dem größten Durchmesser ist für den 1. Gang, und das kleinste für den 6. Gang. Alle Teile müssen in der richti- gen Reihenfolge abgelegt und alle Sicherungsringe und Unterlegscheiben richtig eingebaut werden. • Die Zahnräder für den 5. und 6. Gang so auf der Ab- triebswelle montieren, dass ihre Ölbohrungen ausgerich- tet sind. • Die Stahlkugeln in die Bohrungen dreiden 5. Gang aufaus- Abtriebswelle einsetzen und die für Ölbohrungen der richten. Zahnrad für 5. Gang [A] Abtriebswelle [B] Stahlkugeln [C] Ölbohrungen [D] VORSICHT Auf die Stahlkugeln kein Fett auftragen, um diese zu fixieren. Dadurch kommt es zu einer Störung des Leerlaufstellers. ○Nach dem Einbau des Zahnrades für den 5. Gang und dem Einbau der Stahlkugeln auf der Abtriebswelle die Sperrfunktion der Stahlkugeln kontrollieren; das Zahnrad für den 5. Gang darf nicht von der Abtriebswelle rutschen, wenn es mit der Hand auf und ab bewegt wird. • Jedes Zahnrad muss sich nach dem Zusammenbau frei drehen bzw. auf der Getriebewelle verschieben können. Beschädigte Zahnräder, die sich nicht frei drehen, müs- sen ersetzt werden.
  • 403.
    KURBELWELLE/GETRIEBE 9-45 Getriebe 1. 1. Gang 15. Sicherungsring 2. 2. Gang 16. Wasser, 40 mm 3. 3. Gang 17. Buchse 4. 4. Gang 18. Zahnscheibe, 40 mm 5. 5. Gang 19. Sicherungsring 6. 6. (höchster) Gang 20. Stahlkugel 7. Kugellager 21. Buchse 8. Buchse 22. Distanzring 9. Unterlegscheibe, 34 mm 23. O-Ring 10. Sicherungsring 24. Kugellager 11. Zahnscheibe, 34 mm 25. Hülse 12. Buchse 26. Antriebswelle 13. Unterlegscheibe, 32 mm 27. Abtriebswelle 14. Nadellager
  • 404.
    9-46 KURBELWELLE/GETRIEBE Getriebe Ausbau derSchaltwalze und Schaltgabel • Das Getriebe ausbauen (siehe "Ausbauausbauen (siehe des Getriebes"). • "Zerlegung des Getriebes"). Schaltgabeln [A] und Schaltwalze [B] Einbau der Schaltwalze und Schaltgabel • Siehe Zusammenbau und Einbau des Getriebes. Zerlegung der Schaltwalze • Die Schaltwalze ausbauen (siehe "Zerlegung des Getrie- bes"). • Die Schraube [A]in einen Schaltwalzennockenhalter her- die Schaltwalze für den Schraubstock einspannen und ausdrehen. • Ausbauen: Schaltwalzennocke [B] Passstift [C] Nadellager [D] Schaltwalze [E] Zusammenbau der Schaltwalze • Daspressen. [A] bis zum Anschlag auf die Schaltwalze [B] Kugellager • Folgende Teile einbauen: Kugellager [C] Stift [D] und Schaltwalzennocke [E] • Den Stift mit der Nut an der Schaltwalzennocke ausrich- ten. • Ein nicht-permanentes Gewindedichtmittel auf die Halte- schraube der Schaltwalzennocke [F] auftragen und fest- ziehen. Anzugsmoment - Schraube des Schaltwalzennockenhalters: 12 N·m (1,2 kgf·m) Schaltgabel auf Verbiegung • Die Schaltgabeln visuell Eine verbogene Gabel kann Schaltgabeln ersetzen. überprüfen und verbogene Schaltprobleme verursachen oder der Gang des Getrie- bes kann während der Fahrt herausspringen. 90° [A]
  • 405.
    KURBELWELLE/GETRIEBE 9-47 Getriebe Verschleiß vonSchaltgabel und Gangradnut • Die Dicke der Schaltgabelfinger [A] und die Breite [B] der Gangradnuten messen. Ist die Dicke des Schaltgabelfingers geringer als nach dem Grenzwert zulässig, muss die Schaltgabel ersetzt werden. Dicke des Schaltgabelauges Standard: 5,9 ∼ 6,0 mm Grenzwert: 5,8 mm Ist die Getriebeschaltnut über den Grenzwert hinaus ver- schlissen, muss das Zahnrad ersetzt werden. Breite der Gangnut Standard: 6,05 ∼ 6,15 mm Grenzwert: 6,25 mm Verschleiß von Schaltwalzennut bzw. Führungsbolzen der Schaltgabel • Den Durchmesser beiebenso die Breite [B] für jede Nut Schaltgabeln messen, jedem Führungsbolzen [A] der der Schaltgabel. Sind Führungsstift oder Schaltgabel über den Grenzwert hinaus verschlissen, muss die Schaltgabel ersetzt wer- den. Durchmesser des Schaltgabel-Führungsbolzens Standard: 5,9 ∼ 6,0 mm Grenzwert: 5,8 mm Ist die Schaltwalzennut über den Grenzwert hinaus ver- schlissen, muss die Schaltwalze ersetzt werden. Breite der Schaltwalzennut Standard: 6,05 ∼ 6,20 mm Grenzwert: 6,3 mm Beschädigung von Radklauen und Klauenaussparung • Die Radklauen [A] und die Klauenaussparungen [B] einer Sichtprüfung unterziehen. Beschädigte Gangräder oder Gangräder mit verschlisse- nen Klauen bzw. Aussparungen ersetzen.
  • 407.
    RÄDER/REIFEN 10-1 Räder/Reifen INHALTSVERZEICHNIS Explosionszeichnung.............................................................................................................. 10-2 Technische Daten ................................................................................................................... 10-4 Spezialwerkzeuge .................................................................................................................. 10-5 Räder (Felgen) ....................................................................................................................... 10-6 Ausbau des Vorderrades .................................................................................................. 10-6 Einbau des Vorderrads ..................................................................................................... 10-6 Ausbau des Hinterrades ................................................................................................... 10-8 Einbau des Hinterrades .................................................................................................... 10-8 Überprüfung des Rads...................................................................................................... 10-10 Prüfung der Achse ............................................................................................................ 10-11 Prüfung der Auswuchtung................................................................................................. 10-11 Auswuchteinstellung ......................................................................................................... 10-11 Ausbau des Auswuchtgewichts ........................................................................................ 10-12 Einbau des Auswuchtgewichts ......................................................................................... 10-12 Reifen ..................................................................................................................................... 10-14 Prüfung/Einstellung des Reifendrucks .............................................................................. 10-14 Prüfung der Reifen............................................................................................................ 10-14 Ausbau des Reifens.......................................................................................................... 10-14 Einbau der Räder.............................................................................................................. 10-15 Reifenreparatur ................................................................................................................. 10-17 10 Radnabenlager ....................................................................................................................... 10-18 Ausbau des Radnabenlagers............................................................................................ 10-18 Einbau des Radnabenlagers............................................................................................. 10-18 Prüfung des Radnabenlagers ........................................................................................... 10-19 Schmierung des Radnabenlagers..................................................................................... 10-19
  • 408.
  • 409.
    RÄDER/REIFEN 10-3 Explosionszeichnung Anzugsmoment Nr. Verbindungselement Anmerkungen N·m kgf·m 1 Klemmschrauben der Vorderachse 20 2,0 AL 2 Vorderachsmutter 127 13 3 Hinterachsmutter 127 13 AL: Die beiden Klemmschrauben abwechselnd zweimal anziehen, um ein gleichmäßiges Anzugs- moment sicherzustellen. G: Fett auftragen. HG: Hochtemperaturfett auftragen. R: Ersatzteile WL: Mit Seifenlauge benetzen bzw. Gummischmiermittel auftragen.
  • 410.
    10-4 RÄDER/REIFEN Technische Daten Teil Standard Grenzwert Räder (Felgen) Felgenrundlauf: Axial TIR 0,5 mm oder weniger TIR 1,0 mm Radial TIR 0,8 mm oder weniger TIR 1,0 mm Achsenschlag/100 mm 0,05 mm oder weniger 0,2 mm Auswuchtung 10 g oder weniger – – – Auswuchtgewichte 10 g, 20 g, 30 g – – – Felgengröße: Vorn 17 × 3,50 – – – Hinten 17 × 5,50 – – – Reifen Reifenluftdruck (kalter Reifen): Vorn Bis 180 kg Ladung: 250 kPa (2,5 – – – kgf/cm²) Hinten Bis 180 kg Ladung: 290 kPa (2,9 – – – kgf/cm²) Profiltiefe: Vorn 3,6 mm 1 mm (AT, CH, DE) 1,6 mm Hinten 4,8 mm Bis 130 km/h: 2 mm Über 130 km/h: 3 mm Standardreifen: Hersteller, Typ Größe Vorn BRIDGESTONE, BATTLAX BT015F 120/70 ZR17 M/C (58 W) RADIAL J Hinten BRIDGESTONE, BATTLAX BT015R 180/55 ZR17 M/C (73 W) RADIAL J ACHTUNG Für Vorder- und Hinterrad Reifen des gleichen Herstellers verwenden.
  • 411.
    RÄDER/REIFEN 10-5 Spezialwerkzeuge Lagertreibersatz: Lagerabzieherwelle, 13: 57001-1129 57001-1377 Wagenheber: Stützblöcke: 57001-1238 57001-1608 Lagerabzieherkopf, 25 × 28: 57001-1346
  • 412.
    10-6 RÄDER/REIFEN Räder (Felgen) Ausbaudes Vorderrades • Ausbauen: Bremssattelhalteschrauben [A] Vorderrad-Bremssättel [B] • Lockern: Achsenklemmschrauben [A] (links) Achsmutter [B] Rechte Achsklemmschraube (rechts) • Untere Verkleidung ausbauen (siehe "Ausbau der unte- ren Verkleidung" im Kapitel "Rahmen"). • Das Vorderrad vom Boden anheben. Spezialwerkzeuge - Wagenheber: 57001-1238 Stützblöcke: 57001-1608 • Die Achsmutter ausschrauben, die Achse Vorderradgabel rausziehen und das Vorderrad aus der nach rechts he- rutschen lassen. VORSICHT Das Rad nicht auf einer der Scheiben ablegen. Dabei könnte die Scheibe beschädigt werden oder sich verziehen. Das Rad unterlegen, damit die Bremsscheibe den Boden nicht berührt. Einbau des Vorderrads ANMERKUNG ○Die Drehrichtung des Rades [A] wird durch einen Pfeil [B] auf der Radspeiche angezeigt. • Die und das Vorderrad montieren. am Vorderrad prü- fen Markierung der Raddrehrichtung
  • 413.
    RÄDER/REIFEN 10-7 Räder (Felgen) •Die Dichtlippe der Fettdichtungen mit Hochtemperaturfett bestreichen. • Die Hülsen Buchsen sind Seiten der Nabe einpassen. ○Die beiden [A] an beiden identisch. • Die Achsmutter festziehen [B]. Die Achse einsetzen. • Rechte Achsklemmschrauben [C] Linke Achsklemmschrauben [D] Rückansicht [E] Anzugsmoment - Vorderachsenmutter: 127 N·m (13 kgf·m) • Vor demvorderen Gabelstrebe die Vorderradgabelan der rechten Festziehen der Achsklemmschrauben [A] 4- oder 5-mal ganz nach oben und unten bewegen, damit die rechte vordere Gabelstrebe auf der Vorderachse auf- sitzt. ANMERKUNG ○Vor das Vorderrad einen Keil [B] legen, um die Bewe- gung zu stoppen. • Die Achsklemmenschrauben an der rechten Gabelstrebe zuerst anziehen. Dann die linken Achsklemmschrauben festziehen. Anzugsmoment - Vorderachs-Klemmschrauben: 20 N·m (2,0 kgf·m) ANMERKUNG ○Die beiden Klemmschrauben abwechselnd zweimal an- ziehen, um ein gleichmäßiges Anzugsmoment sicher- zustellen. • Die Vorderrad-Bremssättel einbauen (siehe "Einbau des Bremssattels" im Kapitel "Bremsen"). • Die Bremswirkung der Bremsen" im Kapitel "Regelmä- "Funktionsprüfung der Vorderradbremse prüfen (siehe ßige Wartung"). ACHTUNG Das Motorrad erst fahren, wenn durch Pumpbe- wegung des Bremshebels eine volle Wirkung des Bremshebels erreicht ist und die Bremsbeläge gegen die Bremsscheibe drücken. Wird dies un- terlassen, funktioniert die Bremse bei der ersten Betätigung des Bremshebels nicht.
  • 414.
    10-8 RÄDER/REIFEN Räder (Felgen) Ausbaudes Hinterrades • Das Hinterrad mit dem Ständer [A] aufbocken. • Ausbauen: Hintere Bremssattel-Befestigungsschrauben [A] Hinterer Bremssattel [B] • Ausbauen: Splint [A] Achsmutter [B] Achse [C] (rechts) • Die Antriebskette [A] vom hinteren Kettenrad nach links abnehmen. • Das Hinterrad nach hinten schieben und ausbauen. VORSICHT Das Rad nicht so ablegen, dass die Bremsscheibe nach unten zeigt. Dabei könnte die Scheibe beschä- digt werden oder sich verziehen. Das Rad unterle- gen, damit die Bremsscheibe den Boden nicht be- rührt. Einbau des Hinterrades • Die Hülsen der beiden Seiten [A] (mit Flansch) Hülse auf an rechten Seite der Nabe einpassen. Hülse auf der linken Seite [B]
  • 415.
    RÄDER/REIFEN 10-9 Räder (Felgen) ○Fallsdie Kupplung [A] vom Hinterrad abgebaut wird, ge- mäß Abbildung einfetten. Radflansch [B] O-Ring [C] • Die Antriebskette über das hintere Kettenrad legen. • Die Bremssattelhalterung [A] auf dem Schwingenan- schlag [B] montieren. ○Die Achse von der rechten Seite des Rades einschieben und die Achsmutter festziehen. Anzugsmoment - Hinterrad-Achsmutter: 127 N·m (13 kgf·m) • Nach dem Einbau den Antriebsketten-Durchhang einstel- len (siehe "Prüfung des Antriebsketten-Durchhangs" im Kapitel "Regelmäßige Wartung"). ○Einen neuen Splint [A] einsetzen. ANMERKUNG ○Beim Einsetzen des Splints die Mutter bis zur nächs- ten Passung im Uhrzeigersinn [B] anziehen, wenn die Schlitze in der Mutter nicht auf die Splintbohrung der Achse ausgerichtet sind. ○Die Verstellung sollte maximal 30° betragen. ○Wenn der Schlitz über die nächstgelegene Bohrung hi- naus verstellt ist, die Mutter lockern und wieder festzie- hen. • Den Splint [A] durch die Mutter stecken und umbiegen. ACHTUNG Wenn die Hinterrad-Achsmutter nicht fest angezo- gen oder der Splint nicht eingesetzt ist, kann es zu Gefahrensituationen während der Fahrt kommen.
  • 416.
    10-10 RÄDER/REIFEN Räder (Felgen) •Den Hinterrad-Bremssattel einbauen (siehe "Einbau des Bremssattels" im Kapitel "Bremsen"). • Die Bremswirkung der Bremsen" im Kapitel "Regelmä- "Funktionsprüfung der Vorderradbremse prüfen (siehe ßige Wartung"). ACHTUNG Das Motorrad erst fahren, wenn durch Pumpen am Bremshebel oder Bremspedal die volle Funk- tionsfähigkeit von Bremshebel bzw. Bremspedal gewährleistet ist. Die Bremsbeläge müssen nach dem Pumpen an der Scheibe anliegen. Wird dies unterlassen, funktioniert die Bremse bei der ersten Betätigung des Bremshebels nicht. Überprüfung des Rads • Das Vorderrad/Hinterrad aufbocken. Spezialwerkzeuge - Wagenheber: 57001-1238 Stützblöcke: 57001-1608 • Das kontrollieren. und auf Klemmstellen oder Rau- heit Rad leicht drehen Wenn Klemmstellen oder schwergängige Stellen festge- stellt werden, die Radnabenlager ersetzen (siehe "Aus- bau/Einbau des Radnabenlagers"). • Die Räder auf kleine Risse, Dellen, Verzug oder Verbie- gung kontrollieren. Ist ein Rad beschädigt, muss es erneuert werden. • Das Rad ausbauen und mit Reifen auf die Achse stecken. • Die Felgenunrundheit axial [A] und radial [B] mit einer Messuhr messen. Wenn die Felgenunrundheit den Grenzwert überschrei- tet, die Radnabenlager kontrollieren (siehe "Prüfung des Radnabenlagers"). Liegt die Ursache nicht im Radnabenlager, das Rad er- setzen. Felgenrundlauf (mit Reifen) Standard: Axial TIR 0,5 mm oder weniger Radial TIR 0,8 mm oder weniger Grenzwert: Axial TIR 1,0 mm Radial TIR 1,0 mm ACHTUNG Ein beschädigtes Rad niemals reparieren. Sind au- ßer den Radlagern noch andere Teile beschädigt, muss das Rad erneuert werden, um einen unsiche- ren Betrieb zu vermeiden.
  • 417.
    RÄDER/REIFEN 10-11 Räder (Felgen) Prüfungder Achse • Die Vorderachse und die Hinterachse ausbauen (siehe "Ausbau des Vorder-/Hinterrads"). • Vorder- und Hinterachse visuell auf Schäden kontrollie- ren. Ist die Achse beschädigt oder verbogen, die Achse aus- tauschen. • Die Achse in V-Blöcken mit einem Abstand von 100 mm [A] ablegen, und dann eine Messuhr [B] etwa in der Mitte zwischen den beiden V-Blöcken an der Achse platzieren. Die Achse [C] drehen und die Unwucht messen. Die Dif- ferenz zwischen dem höchsten und dem niedrigsten An- zeigewert der Messuhr ist die Unrundheit. Überschreitet die Unwucht der Achse den Grenzwert, muss die Achse erneuert werden. Achsenschlag/100 mm Standard: 0,05 mm oder weniger Grenzwert: 0,2 mm Prüfung der Auswuchtung • Das Vorder- und Hinterrad ausbauen (siehe "Ausbau des Vorder-/Hinterrads"). • Das Rad so abstützen, dass nach dem Stillstand an der es sich frei drehen kann. • oberen Stelle [A] markieren. Das Rad leicht drehen und ○Diesen Vorgang mehrmals wiederholen. Wenn das Rad von selbst in verschiedenen Positionen stoppt, ist es gut ausgewuchtet. Wenn das Rad immer in derselben Position stoppt, muss die Auswuchtung des Rades korrigiert werden (siehe "Auswuchteinstellung"). Auswuchteinstellung • Wenn einein Auswuchtgewicht [A] anPosition stoppt, pro- visorisch Rad immer in der gleichen der Markierung der Felge mit Klebeband befestigen. • Das Rad eine Viertelumdrehung [B] drehen und kontrol- lieren, ob das Rad in dieser Position stoppt. Ist dies der Fall, wurde das richtige Auswuchtgewicht verwendet. Dreht sich das Rad weiter und das Auswuchtgewicht nach oben, das Auswuchtgewicht durch die nächst schwerere Größe ersetzen. Wenn sich das Rad weiterdreht und das Gewicht nach unten gedreht wird, das Gewicht durch die nächst kleinere Größe ersetzen. Diese Schritte wieder- holen, bis das Rad nach einer Vierteldrehung in der be- treffenden Position bleibt. • Das Rad um zwei weitere Viertelumdrehungen drehen, um festzustellen, ob das Rad korrekt ausgewuchtet ist. • Den gesamten Vorgang sooft wie nötig wiederholen, bis das Rad vorschriftsmäßig ausgewuchtet ist. • Das Auswuchtgewicht permanent montieren.
  • 418.
    10-12 RÄDER/REIFEN Räder (Felgen) Ausbaudes Auswuchtgewichts • Zwischen Rippe [C] und dard-Schraubendreher [A] Gewicht [D] einen Stan- [B] einsetzen (siehe Ab- bildung). • Das Auswuchtgewicht mit zwei Schraubendrehern her- aushebeln und entfernen. • Das alte Auswuchtgewicht entsorgen. VORSICHT Nicht mit den Schraubendrehern klopfen. Die Felge könnte beschädigt werden. Einbau des Auswuchtgewichts • Das Klemme [B] haben. Spiel zwischen Gewichtblatt [A] und Gewicht darf kein Ist dies der Fall, das Gewicht entsorgen. ACHTUNG Wenn das Auswuchtgewicht auf der Felge locker ist, hat sich das Gewichtblatt und/oder die Klemme gedehnt. Das lose Auswuchtgewicht ersetzen. Alte Auswuchtgewichte nicht mehr verwenden. Nicht ausgewuchtete Räder können beim Fahren eine Gefahr darstellen. Auswuchtgewicht Teilenummer Gewicht 41075-0007 10 g 41075-0008 20 g 41075-0009 30 g ANMERKUNG ○Auswuchtgewichte sind bei den Fachhändlern von Ka- wasaki in Größen von 10, 20 und 30 Gramm erhältlich. Eine fehlende Auswuchtung von weniger als 10 Gramm wirkt sich im Allgemeinen nicht auf die Fahreigenschaf- ten aus. ○Niemals mehr als vier Auswuchtgewichte (mehr als 90 Gramm) verwenden. Wenn für das Rad ein zu großes Auswuchtgewicht erforderlich ist, das Rad demontieren und die Ursache bestimmen. • Das Auswuchtgewicht [A] [D] auf die Rippe oder leichtes Hämmern [C] der Klemme durch Drücken [B] schieben. Linke Seite [E] Rechte Seite [F]
  • 419.
    RÄDER/REIFEN 10-13 Räder (Felgen) •Sicherstellen, dassdie Klemme [B] müsseneingesetzt ist. ○Die Zunge [A] und das Auswuchtgewicht richtig auf der Felge [C] sitzen und die Klemme muss über der Rippe [D] eingehakt sein. Linke Seite [E] Rechte Seite [F]
  • 420.
    10-14 RÄDER/REIFEN Reifen Prüfung/Einstellung desReifendrucks • Weitere Informationen finden Sie im Abschnitt Wartung des Reifendrucks im Kapitel Regelmäßige Prüfung (siehe "Prüfung des Reifendrucks" im Kapitel "Regelmä- ßige Wartung"). Prüfung der Reifen • Weitere Informationen finden Sie im Abschnitt Prüfung der Räder/Reifen auf Beschädigung im Kapitel Regelmä- ßige Wartung (siehe "Prüfung der Räder/Reifen auf Be- schädigung" im Kapitel "Regelmäßige Wartung"). Ausbau des Reifens • Ausbauen: "Ausbau des Vorder-/Hinterrads") Rad (siehe Ventilabdeckung Ventileinsatz (die Luft herauslassen) • Die Ventilstellung am Reifen mit Kreide markieren, damit der Reifen wieder in der gleichen Position aufgezogen werden kann und keine Unwucht entsteht. Kreide- oder gelbe Farbmarkierung [A] Luftventil [B] Fluchten [C] • Die einer Seifenlösung oder einem Gummischmiermittel mit Reifenwulst und die Felgenhörner auf beiden Seiten schmieren. Auf diese Weise rutschen die Reifenwülste leichter auf die Felgenhörner. VORSICHT Zum Schmieren niemals Motoröl oder Erdöldestil- late verwenden, da diese den Reifen angreifen. • Die der Felge drücken. handelsüblichen Reifenwechsler von Reifen mit einem ANMERKUNG ○Die Reifen können nicht mit Handwerkzeugen entfernt werden, da sie zu fest auf den Felgen sitzen.
  • 421.
    RÄDER/REIFEN 10-15 Reifen Einbau derRäder ACHTUNG Für Vorderrad und Hinterrad dieselben Arbeits- schritte ausführen. • Felge und Reife kontrollieren und gegebenenfalls austau- schen. • Die Dichtfläche der Felge und desder Felgereinigen und gegebenenfalls die Dichtflächen Reifens mit feinem Schmirgelpapier glätten. • Das Reifenventil ausbauen und entsorgen. VORSICHT Das Reifenventil immer ersetzen, wenn der Reifen gewechselt wird. Das Reifenventil nicht erneut ver- wenden. • Ein neues Ventil in der Felge einbauen. ○Die Reifenventilkappe entfernen, die Schaftdichtung [A] mit Seifenlösung oder einem Gummischmiermittel schmieren und den Reifenventilschaft [B] durch die Felge von innen nach außen ziehen, bis er einrastet. VORSICHT Kein Motoröl oder Erdöldestillate zum Schmie- ren des Ventilschafts verwenden, da dadurch der Gummi altert. ○Das Reifenventil ist in der Abbildung dargestellt. Ventilkappe [A] Ventileinsatz [B] Ventilschaftdichtung [C] Ventilschaft [D] Ventilsitz [E] Ventil geöffnet [F] • Die Laufrichtungsmarkierungund die Reifen seitenrichtig und Hinterrad kontrollieren des Reifens von Vorderrad auf der Felge montieren. Laufrichtungsmarkierung [A] Drehrichtung [B]
  • 422.
    10-16 RÄDER/REIFEN Reifen • DenReifen zu der Auswuchtmarkierung [B] desdas Rei- fenventil [A] so auf der Felge platzieren, dass Reifens zeigt (zu der Kreidemarkierung, die beim Ausbau ange- bracht wurde, bzw. zu der gelben Farbmarkierung bei ei- nem neuen Reifen). • Den Reifenwulst mit dem handelsüblichen Reifenwechs- ler über den Felgenflansch ziehen. • Reifenwulst und Felgenflansch mit Seifenlauge oder Gummischmiermittel bestreichen, damit sich die Reifen- wülste beim Aufpumpen leichter in den Felgendichtflä- chen setzen. • Die Felge zwischen den Reifenwülsten zentrieren und den Reifen mit Druckluft aufpumpen, bis sich die Wülste in den Dichflächen setzen. ACHTUNG Beim Aufpumpen des Reifens muss der Ventilein- satz eingebaut sein, und der Reifen darf maximal mit 400 kPa (4,0 kgf/cm²) aufgepumpt werden. Ein zu hoher Druck beim Aufpumpen kann zu einem Platzen des Reifens sowie zu lebensgefährlichen Verletzungen führen. • Die Felgenlinienparallel zu den Felgenhörnern verlaufen. wände müssen [A] auf beiden Seiten der Reifenseiten- Wenn Felgenhörner und die Felgenlinien für die Reifen- seitenwände nicht parallel verlaufen, den Ventileinsatz herausnehmen. •Reifenwulst und Felgenflansch schmieren. •Den Ventileinsatz einsetzen und den Reifen erneut auf- pumpen. •Sobald sich die Reifenwülste in der Felge gesetzt haben, auf Undichtigkeiten prüfen. ○Den Reifen etwas über den Solldruck hinaus aufpumpen. ○Seifenlauge auftragen oder den Reifen in Wasser tau- chen und auf Luftblasen achten, die Undichtigkeiten an- zeigen. •Den Luftdruck auf den vorgeschriebenen Wert einstellen (siehe "Prüfung des Reifendrucks" im Kapitel "Regelmä- ßige Wartung"). •Die Reifenventilkappe aufsetzen. •Das Rad auswuchten (siehe "Auswuchteinstellung" in diesem Kapitel).
  • 423.
    RÄDER/REIFEN 10-17 Reifen Reifenreparatur Derzeit sind zwei Möglichkeiten zur Reparatur schlauch- loser Reifen allgemein üblich. Es gibt einmal eine so ge- nannte temporäre (äußere) Reparatur, die ausgeführt wer- den kann, ohne dass der Reifen von der Felge entfernt werden muss, und es gibt die so genannte permanente (interne) Reparatur, bei der der Reifen demontiert werden muss. Im Allgemeinen gilt, dass mit einer permanenten (in- neren) Reparatur eine höhere Laufleistung erreicht wird als mit einer temporären (äußeren) Reparatur. Innere perma- nente Reparaturen haben außerdem den Vorteil, dass eine genaue Prüfung auf sekundäre Schäden möglich ist, die durch eine Überprüfung der Außenseite des Reifens nicht sichtbar sind. Aus diesen Gründen empfiehlt Kawasaki die temporäre (externe) Reparatur nicht. Empfohlen wird nur eine geeignete interne permanente Reparatur. Die Repa- raturverfahren unterscheiden sich je nach Reifenmarke ge- ringfügig. Die Reparaturverfahren des Herstellers der Re- paratursätze und Reparaturmaterialien einhalten, damit ein sicheres Ergebnis gewährleistet ist.
  • 424.
    10-18 RÄDER/REIFEN Radnabenlager Ausbau desRadnabenlagers • Das Rad ausbauen (siehe "Ausbau des -/Hinterrads"), und folgende Teile entfernen: Vorder Hülsen Kupplung (der Hinterradnabe) Schmierfettdichtungen • Das Radnabenlager bauen. [A] mit dem Lagerabzieher aus- VORSICHT Das Rad nicht so ablegen, dass die Bremsscheibe nach unten zeigt. Dabei könnte die Scheibe beschä- digt werden oder sich verziehen. Das Rad unterle- gen, damit die Bremsscheibe den Boden nicht be- rührt. Spezialwerkzeuge - Lagerabzieherkopf, 25 × 28 [C]: 57001-1346 Lagerabzieherwelle, 13 [B]: 57001-1377 Einbau des Radnabenlagers • Vor dem Einbau der aus der Nabe blasen, um und Fremd- körper mit Pressluft Radnabenlager Schmutz eine Verun- reinigung der Lager zu vermeiden. • Die Lager durch neue Lager ersetzen. • Die Lager mit dem Lagermontagewerkzeug montieren, ohne den inneren Lagerlaufring zu berühren. • Jedes der Lager [A] bis zum Anschlag nach rechts hin- eindrücken. Spezialwerkzeug - Lagertreibersatz [B]: 57001-1129 • Die Fettdichtungen [A] einpressen, bis deren Dichtfläche Fettdichtungen erneuern. • Die mit der Öffnungskante ist [B]. bündig ○Die Dichtlippen der Fettdichtungen mit Hochtemperatur- fett bestreichen. Spezialwerkzeug - Lagertreibersatz [C]: 57001-1129
  • 425.
    RÄDER/REIFEN 10-19 Radnabenlager Prüfung desRadnabenlagers Da die Radnabenlager mit sehr engen Toleranzen gefer- tigt werden, lässt sich das Spiel normalerweise nicht mes- sen. ANMERKUNG ○Die Lager nicht für die Durchsicht ausbauen. Wenn La- ger ausgebaut werden, müssen sie durch neue ersetzt werden. • Jedes Lager in der Radnabe vorwärtsKlemmstellen oder hen [A] und dabei auf freies Spiel, und rückwärts dre- Schwergängigkeit kontrollieren. Wird ein zu hohes Lagerspiel, Schwergängigkeit oder eine Klemmstelle festgestellt, das Lager austauschen. • Die Lagerdichtung [B] auf Verschleiß und Undichtheit prü- fen. Ist die Dichtung verschlissen oder undicht, das Lager er- setzen. Schmierung des Radnabenlagers ANMERKUNG ○Da die Nabenlager mit Fett gefüllt und versiegelt sind, ist eine Schmierung nicht erforderlich.
  • 427.
    ACHSANTRIEB 11-1 Achsantrieb INHALTSVERZEICHNIS Explosionszeichnung.............................................................................................................. 11-2 Technische Daten ................................................................................................................... 11-4 Spezialwerkzeuge .................................................................................................................. 11-5 Antriebskette........................................................................................................................... 11-6 Prüfung des Antriebsketten-Durchhangs .......................................................................... 11-6 Einstellung des Antriebsketten-Durchhangs ..................................................................... 11-6 Prüfung/Einstellung der Radausrichtung .......................................................................... 11-6 Prüfung der Antriebskette auf Verschleiß ......................................................................... 11-6 Schmierung der Antriebskette........................................................................................... 11-6 Ausbau der Antriebskette.................................................................................................. 11-6 Einbau der Antriebskette................................................................................................... 11-7 Kettenrad, Kupplung............................................................................................................... 11-10 Ausbau des Motorritzels ................................................................................................... 11-10 Einbau des Motorkettenrades ........................................................................................... 11-10 Ausbau des hinteren Kettenrades..................................................................................... 11-11 Einbau des hinteren Kettenrades...................................................................................... 11-11 Einbau der Kupplung ........................................................................................................ 11-12 Ausbau des Kupplungslagers ........................................................................................... 11-12 Einbau des Kupplungslagers ............................................................................................ 11-12 Prüfung des Kupplungslagers........................................................................................... 11-13 Schmierung des Kupplungslagers .................................................................................... 11-13 Prüfung des Kupplungsdämpfers...................................................................................... 11-13 11 Prüfung des Kettenrades auf Verschleiß .......................................................................... 11-14 Prüfung des hinteren Kettenrades auf Verzug .................................................................. 11-14
  • 428.
  • 429.
    ACHSANTRIEB 11-3 Explosionszeichnung Anzugsmoment Nr. Verbindungselement Anmerkungen N·m kgf·m 1 Schrauben des Motorkettenraddeckels 9,8 1,0 2 Kettenführungsschrauben (vorn) 9,8 1,0 L 3 Motorkettenradmutter 125 13 MO 4 Hintere Kettenradmuttern 59 6,0 5 Kettenführungsschraube (hinten) 4,9 0,50 L G: Fett auftragen. HG: Hochtemperaturfett auftragen. HO: Schwerflüssiges Öl verwenden. L: Ein nicht-permanentes Gewindedichtmittel auftragen. MO: Molybdänhaltige Disulfidöllösung auftragen. (eine Mischung aus Motoröl und molybdänhaltigem Disulfidfett im Verhältnis 10 : 1) R: Ersatzteile
  • 430.
    11-4 ACHSANTRIEB Technische Daten Teil Standard Grenzwert Antriebskette Antriebsketten-Durchhang 30 ∼ 40 mm – – – Antriebskette auf Verschleiß (über 317,5 ∼ 318,2 mm 323 mm 20 Glieder Länge) Standardkette: Hersteller ENUMA – – – Typ EK520MVXL1 – – – Kettenglied: 112 Kettenglieder – – – Kettenräder Hinteres Kettenrad auf Verzug 0,4 mm oder weniger 0,5 mm
  • 431.
    ACHSANTRIEB 11-5 Spezialwerkzeuge Montagezange fürInnensicherungsringe: Lagertreibersatz: 57001-143 57001-1129
  • 432.
    11-6 ACHSANTRIEB Antriebskette Prüfung desAntriebsketten-Durchhangs • Weitere Informationen finden Sie im im Kapitel Prü- fung des Antriebsketten-Durchhangs Abschnitt Re- gelmäßige Wartung (siehe "Prüfung des Antriebsket- ten-Durchhangs" im Kapitel "Regelmäßige Wartung"). Einstellung des Antriebsketten-Durchhangs • Weitere Informationen finden Sie im im Kapitel Einstel- lung des Antriebsketten-Durchhangs Abschnitt Regel- mäßige Wartung (siehe "Einstellung des Antriebsketten -Durchhangs" im Kapitel "Regelmäßige Wartung"). Prüfung/Einstellung der Radausrichtung • Weitere Informationen finden Kapitel Regelmäßige War- fung der Radausrichtung im Sie im Abschnitt Überprü- tung (siehe "Überprüfung der Radausrichtung" im Kapitel "Regelmäßige Wartung"). Prüfung der Antriebskette auf Verschleiß • Weitere Informationen finden Sie im Abschnitt Prüfung der Antriebskette auf Verschleiß im Kapitel im Kapitel Re- gelmäßige Wartung (siehe "Prüfung der Antriebskette auf Verschleiß" im Kapitel "Regelmäßige Wartung"). Schmierung der Antriebskette • Weiteren Antriebskette im Kapitel Regelmäßige Wartung rung der Informationen finden Sie im Abschnitt Schmie- (siehe "Schmierung der Antriebskette" im Kapitel "Regel- mäßige Wartung"). Ausbau der Antriebskette ANMERKUNG ○Die Antriebskette wird durch die Schwinge eingebaut und kann deshalb nur ausgebaut werden, indem sie durchgeschnitten wird. Neue Verbindungsstifte, Ket- tenschlossplatten, Fettdichtungen und Werkzeuge zum Wiederverbinden der Kette bereitlegen. • Zumeinem geeignetenAntriebskette die Verbindungsstifte mit Auftrennen der Werkzeug entfernen. Empfohlenes EK Kettenschloss-Werkzeug Werkzeug: #50 VORSICHT Vor der Arbeit das Werkzeughandbuch lesen. Rumpf [A] Haltestange [B] Trenn- und Nietstift [C] Zum Trennen [D] Zum Nieten [E] Plattenhalter (a) [F] Plattenhalter (b) [G] Lehre [H]
  • 433.
    ACHSANTRIEB 11-7 Antriebskette • Stiftkopfflach schleifen [A]. gemäß Abbildung ansetzen. • Den Trenn- und Nietstift [B] • Stifthalter hineinschrauben bis er den Kettenstiftdes Ket- berührt. • tenstiftes sitzt. Darauf achten, dass der Trennstift in der Mitte • Die Haltestangemit dem Schlüssel [B]hineinschrauben. [A] in das Werkzeug • drehen und den Kettenstift entfernen. im Uhrzeigersinn Den Stifthalter Einbau der Antriebskette • Die neueEnde der alten mit der alten in Eingriffbis diese und am Antriebskette Antriebskette ziehen, bringen durch die neue ersetzt ist. • Die alte Antriebskette von der neuen trennen. • Verbindungsstifte [A] und Fettdichtungen [B] [C] einfetten. • Die Antriebskette durch die Schwinge auf das hintere Ket- tenrad auflegen. • Die Verbindungsstifte in die Antriebskettenenden einset- zen. • Die Fettdichtungen einsetzen [C]. • Die Kettenschlossplatte mit der Markierung [D] nach au- ßen einbauen. • Die Kettenschlossplatte mit der Hand oder einer Zange hineindrücken. • Bei einer Kette mit Fettdichtungen sicherstellen, dass diese korrekt ausgerichtet sind.
  • 434.
    11-8 ACHSANTRIEB Antriebskette • DiePlattenhalter (a) [A] und (b) [B] an den Werkzeu- grumpf setzen. • Plattenhalter (a) auf die KettenschlossplattePlattenhalter setzen. • (b) die nächste Kettenschlossplatte berührt. Den Stifthalter mit der Hand drehen, bis der • Den Stifthalter mit dem Schlüssel iminUhrzeigersinn Plat- hen, bis die beiden Stifte der Platte der Nut des dre- tenhalters (a) sitzen. • Plattenhalter (a) entfernen. • Halteplatte (b) [A] und Trenn- und Nietstift [B] wie darge- stellt ansetzen. • Den berührt. drehen, bis der Nietstift den Verbindungs- stift Stifthalter
  • 435.
    ACHSANTRIEB 11-9 Antriebskette • DenNietstifts die Spitze des Verbindungsstiftesdie Spitze des Schlüssel im Uhrzeigersinn drehen, bis trifft. • Für weitere Verbindungsstifte ebenso vorgehen. Nieten. • • Nach auf Risse überprüfen. reich dem Stemmen den Verbindungsstift im Stemmbe- • DenBreite der Verbindungsplatten [B] messen. die Außendurchmesser [A] des Verbindungsstifts und Verbindungsstift-Außendurchmesser Standard: 5,7 ∼ 6,0 mm Verbindungsplatten-Außenbreite Standard: 17,25 ∼ 17,45 mm Falls der Messwert die angegebene Länge überschreitet, die Kette trennen und neu verbinden. • Prüfen: Bewegung der Rollen • Den Antriebsketten-Durchhang nach Montage der Kette einstellen (siehe "Einstellung des Antriebsket- ten-Durchhangs" im Kapitel "Regelmäßige Wartung").
  • 436.
    11-10 ACHSANTRIEB Kettenrad, Kupplung Ausbaudes Motorritzels • Ausbauen: Drehzahlsensorschraube [A] Drehzahlsensor [B] Schrauben des Motorkettenraddeckels [C] Motorkettenraddeckel [D] • Die umgebogene Sicherungsscheibe glätten [A]. • Die Motorkettenradmutter [B] und die Unterlegscheibe entfernen. ANMERKUNG ○Beim Lockern der Motorkettenradmutter die Hinterrad- bremse anziehen. • Das Hinterrad vom Boden und die Hinterrad-Achsmutter anheben. • lockern. Den Achssplint entfernen, • Die beidendie Antriebskette zu lockern. ckern, um Sicherungsmuttern der Ketteneinsteller lo- • Die Antriebskette vom hinteren Kettenrad nach rechts he- rausnehmen. • Das Motorkettenrad [A] samt Antriebskette [B] von der Abtriebswelle [C] abziehen. • Die Antriebskette vom Motorkettenrad abnehmen. Einbau des Motorkettenrades • Die Kettenrad-Unterlegscheibe und den Achssplint erset- zen. • Das Motorkettenrad so aufaußenWelle setzen, dass die Markierungsseite [A] nach die zeigt. • Molybdänhaltige Disulfidöllösung aufder Motorkettenrad- der Abtriebswelle und die Sitzfläche die Gewindegänge mutter auftragen. • Nach dem Anziehen der Motorkettenradmutter eine Seite [B] der Unterlegscheibe [C] um die Mutter biegen. ANMERKUNG ○Beim Anziehen der Mutter die Hinterradbremse anzie- hen. Anzugsmoment - Motorkettenradmutter: 125 N·m (13 kgf·m) • Den Antriebsketten-Durchhang nach Montage des Ket- tenrades einstellen (siehe "Einstellung des Antriebsket- ten-Durchhangs" im Kapitel "Regelmäßige Wartung").
  • 437.
    ACHSANTRIEB 11-11 Kettenrad, Kupplung •Darauf achten, dass die Passstifte [A] richtig positioniert sind. • Die Motorkettenradabdeckung einbauen und die Deckel- einbauen. • Klemme [B]festziehen. schrauben gemäß Abbildung Anzugsmoment - Schrauben der Motorkettenradabdeckung: 6,9 N·m (0,70 kgf·m) • Den Drehzahlsensor einbauen (siehe "Einbau des Dreh- zahlsensors" im Kapitel "Elektrik"). • Nach dem Anziehen der Achsmutter das Ende des Achs- splints sorgfältig umbiegen. Ausbau des hinteren Kettenrades • Das Hinterrad ausbauen (siehe "Ausbau des Hinterrades" im Kapitel "Räder/Reifen"). VORSICHT Das Rad nicht so ablegen, dass die Bremsscheibe nach unten zeigt. Dabei könnte die Scheibe beschä- digt werden oder sich verziehen. Das Rad unterle- gen, damit die Bremsscheibe den Boden nicht be- rührt. • Die hinterenKettenrad [B] entfernen. Kettenradmuttern [A] entfernen. • Das hintere Einbau des hinteren Kettenrades • Das Kettenrad nach außen zeigt. die Markierung mit der Zähnezahl [A] so einbauen, dass • Die hinteren Kettenradmuttern festziehen. Anzugsmoment - Hintere Kettenradmuttern: 59 N·m (6,0 kgf·m) • Das Hinterrad einbauen (siehe "Einbau des Hinterrades" im Kapitel "Räder/Reifen").
  • 438.
    11-12 ACHSANTRIEB Kettenrad, Kupplung Einbauder Kupplung • Die folgenden Teile fetten und die Kupplung einbauen. Schmierfettdichtlippen der Kupplung [A] Innenfläche [B] der Kupplung • DenHülse [B][A] einfetten. O-Ring • Die einbauen. Ausbau des Kupplungslagers • Ausbauen: Kupplung Schmierfettdichtung Sicherungsring [A] (entsorgen) Spezialwerkzeug - Montagezange für Innensicherungsringe [B]: 57001-143 • Das Lagerentfernen. einen leichten Schlag von der Rad- seite aus [A] durch Spezialwerkzeug - Lagertreibersatz [B]: 57001-1129 Einbau des Kupplungslagers • Das Kupplungslager durch ein neues ersetzen. ANMERKUNG ○Die Lager so montieren, dass die markierte Seite nach außen zeigt. • Das Lager [A] bis zum Anschlag einpressen. Spezialwerkzeug - Lagertreibersatz [B]: 57001-1129 • Den Sicherungsring durch einen neuen Sicherungsring ersetzen. Spezialwerkzeug - Montagezange für Innensicherungsringe: 57001 -143
  • 439.
    ACHSANTRIEB 11-13 Kettenrad, Kupplung •Die Schmierfettdichtung durch eine neue dass die Dich- ersetzen. • tung bündig mit dem Ende der Bohrung abschließt. Die Schmierfettdichtung so einpressen, ○Die Dichtlippen der Fettdichtungen mit Hochtemperatur- fett bestreichen. Spezialwerkzeug - Lagertreibersatz: 57001-1129 Prüfung des Kupplungslagers Da das Kupplungslager mit sehr engen Toleranzen gefer- tigt wird, lässt sich das Spiel normalerweise nicht messen. ANMERKUNG ○Das Kupplungslager muss zur Prüfung nicht ausgebaut werden. Wurde das Kupplungslager ausgebaut, muss es durch ein neues ersetzt werden. • Das LagerGeräuschedrehen [A] und Zustand überprüfen. Lager, die von Hand entwickeln, nicht weich laufen oder raue Stellen aufweisen, sind auszuwechseln. Schmierung des Kupplungslagers • Das Kupplungslager mit hochwertigem Lagerfett [A] fül- len. Das Lager einige Male mit der Hand drehen, damit sich das Fett gleichmäßig im Lagerinneren verteilt. Prüfung des Kupplungsdämpfers • Dieüberprüfen. [A] Hinterradkupplung ausbauen und die Gummidämpfer • Den Gummidämpfer ersetzen, wenn er beschädigt oder verschlissen ist.
  • 440.
    11-14 ACHSANTRIEB Kettenrad, Kupplung Prüfungdes Kettenrades auf Verschleiß • Die Zähne des Motorkettenrades und des hinteren Ket- tenrades auf Verschleiß und Beschädigungen kontrollie- ren. Wenn die Zähne wie in der Abbildung dargestellt ver- schlissen sind, das Kettenrad ersetzen und die Antriebs- kette auf Verschleiß untersuchen (siehe "Prüfung der An- triebskette auf Verschleiß" im Kapitel "Regelmäßige War- tung"). Abgenutzter Zahn (Motorkettenrad) [A] Abgenutzter Zahn (Hinteres Kettenrad) [B] Drehrichtung [C] ANMERKUNG ○Wenn ein Kettenrad ersetzt werden muss, ist wahr- scheinlich auch die Antriebskette verschlissen. Beim Austausch eines Kettenrades auch die Antriebs- kette überprüfen. Prüfung des hinteren Kettenrades auf Verzug • Daseiner Messuhr [A] am hinteren Kettenrad in der kann. Hinterrad aufbocken, damit es sich frei drehen • der Zähne wie in der Abbildung dargestellt anbringen und Mit Nähe das Hinterrad [C] drehen, um den Kettenradschlag (den Verzug) zu messen. Die Differenz zwischen dem höchs- ten und dem niedrigsten Anzeigewert der Messuhr ist die Unrundheit (der Verzug). Wenn die Unrundheit den Grenzwert überschreitet, das hintere Kettenrad ersetzen. Hinteres Kettenrad auf Verzug Standard: 0,4 mm oder weniger Grenzwert: 0,5 mm
  • 441.
    BREMSEN 12-1 Bremsen INHALTSVERZEICHNIS Explosionszeichnung.............................................................................................................. 12-2 Technische Daten ................................................................................................................... 12-6 Spezialwerkzeuge .................................................................................................................. 12-7 Bremshebel, Bremspedal ....................................................................................................... 12-8 Einstellung der Bremshebelposition.................................................................................. 12-8 Prüfung der Bremspedalposition....................................................................................... 12-8 Einstellung der Bremspedalposition.................................................................................. 12-8 Ausbau des Bremspedals ................................................................................................. 12-8 Einbau des Bremspedals .................................................................................................. 12-9 Bremssättel............................................................................................................................. 12-10 Ausbau des Vorderrad-Bremssattels ................................................................................ 12-10 Ausbau des Hinterrad-Bremssattels ................................................................................. 12-10 Einbau des Bremssattels .................................................................................................. 12-11 Zerlegung des Vorderrad-Bremssattels ............................................................................ 12-11 Zusammenbau des Vorderrad-Bremssattels .................................................................... 12-11 Zerlegung des Hinterrad-Bremssattels ............................................................................. 12-11 Zusammenbau des Hinterrad-Bremssattels ..................................................................... 12-11 Beschädigung der Bremssattel-Flüssigkeitsdichtung ....................................................... 12-12 Beschädigung der Staubmanschette und Reibmanschette am Hinterrad-Bremssattel .... 12-12 Kolben und Zylinder auf Beschädigung ............................................................................ 12-12 Hintere Bremssattel-Halterwelle auf Verschleiß................................................................ 12-13 Bremsbeläge .......................................................................................................................... 12-14 Ausbau der Vorderrad-Bremsklötze.................................................................................. 12-14 Einbau der Vorderrad-Bremsklötze................................................................................... 12-14 12 Ausbau der Hinterrad-Bremsklötze................................................................................... 12-14 Einbau der Hinterrad-Bremsklötze.................................................................................... 12-15 Prüfung der Bremsbeläge auf Verschleiß ......................................................................... 12-15 Hauptbremszylinder................................................................................................................ 12-16 Ausbau des Vorderrad-Hauptbremszylinders ................................................................... 12-16 Einbau des Vorderrad-Hauptbremszylinders .................................................................... 12-17 Ausbau des Hinterrad-Hauptbremszylinders .................................................................... 12-17 Einbau des Hinterrad-Hauptbremszylinders ..................................................................... 12-17 Zerlegung des Vorderrad-Hauptbremszylinders ............................................................... 12-18 Zerlegung des Hinterrad-Hauptbremszylinders ................................................................ 12-18 Prüfung des Hauptbremszylinders (Sichtprüfung) ............................................................ 12-18 Zusammenbau des Hauptbremszylinders ........................................................................ 12-18 Bremsscheibe......................................................................................................................... 12-19 Ausbau der Bremsscheibe................................................................................................ 12-19 Einbau der Bremsscheibe................................................................................................. 12-19 Bremsscheibenverschleiß................................................................................................. 12-19 Bremsscheibenverzug ...................................................................................................... 12-19 Bremsflüssigkeit ..................................................................................................................... 12-20 Prüfung des Bremsflüssigkeitsstandes ............................................................................. 12-20 Wechsel der Bremsflüssigkeit........................................................................................... 12-20 Entlüftung der Bremsleitungen.......................................................................................... 12-20 Bremsschlauch ....................................................................................................................... 12-25 Ausbau/Einbau des Bremsschlauchs ............................................................................... 12-25 Prüfung des Bremsschlauchs ........................................................................................... 12-25
  • 442.
  • 443.
    BREMSEN 12-3 Explosionszeichnung Anzugsmoment Nr. Verbindungselement Anmerkungen N·m kgf·m 1 Entlüftungsventile 7,8 0,80 2 Bremsschlauch-Hohlschrauben 25 2,5 3 Bremshebel-Drehzapfenschraube 1,0 0,10 Si Sicherungsmutter der Bremshe- 4 5,9 0,60 bel-Drehzapfenschraube 5 Befestigungsschrauben der vorderen Bremsscheibe 27 2,8 L 6 Schraube für Vorderrad-Bremsleuchtenschalter 1,2 0,12 7 Bremsbelagstifte der Vorderradbremse 17 1,7 Anschlagschraube des Vorder- 8 1.2 0,12 rad-Bremsflüssigkeitsbehälterdeckels 9 Vorderrad-Bremssattelschrauben 27 2,8 10 Befestigungsschrauben der vorderen Bremssattel 34 3,5 Entlüftungsventil des Vorderrad 11 5,9 0,60 -Hauptbremszylinders Klemmschrauben des Vorderrad 12 8,8 0,90 S -Hauptbremszylinders B: Bremsflüssigkeit auftragen. L: Ein nicht-permanentes Gewindedichtmittel auftragen. R: Ersatzteile S: Die vorgeschriebene Anzugsreihenfolge einhalten. Si: Silikonfett auftragen.
  • 444.
  • 445.
    BREMSEN 12-5 Explosionszeichnung Anzugsmoment Anmerkun- Nr. Verbindungselement N·m kgf·m gen 1 Entlüftungsventil 7,8 0,80 2 Bremsschlauch-Hohlschrauben 25 2,5 3 Bremspedalschraube 8,8 0,90 4 Befestigungsschrauben der hinteren Bremsscheibe 27 2,8 L 5 Befestigungsschrauben des Hinterradbremssattels 25 2,5 Befestigungsschrauben des Hinterrad 6 25 2,5 -Hauptbremszylinders Sicherungsmutter der Schubstange des 7 18 1,8 Hinterrad-Hauptbremszylinders B: Bremsflüssigkeit auftragen. G: Fett auftragen. L: Ein nicht-permanentes Gewindedichtmittel auftragen. R: Ersatzteile Si: Silikonfett auftragen.
  • 446.
    12-6 BREMSEN Technische Daten Teil Standard Grenzwert Bremshebel, Bremspedal Mit sechs Einstellpositionen (je nach Bremshebelposition – – – Fahrer). Bremshebelspiel Nicht einstellbar – – – Bremspedalspiel Nicht einstellbar – – – Pedalposition Ca. 78 mm unter der Fußrastenoberkante – – – Bremsflüssigkeit Qualität DOT4 – – – Bremsbeläge Bremsbelagdicke: Vorn 4 mm 1 mm Hinten 5 mm 1 mm Bremsscheiben Dicke: Vorn 5,8 ∼ 6,2 mm 5,5 mm Hinten 4,8 ∼ 5,2 mm 4,5 mm Schlag TIR 0,15 mm oder weniger TIR 0,3 mm
  • 447.
    BREMSEN 12-7 Spezialwerkzeuge Montagezange fürInnensicherungsringe: Stützblöcke: 57001-143 57001-1608 Wagenheber: 57001-1238
  • 448.
    12-8 BREMSEN Bremshebel, Bremspedal Einstellungder Bremshebelposition Der Bremshebeleinsteller besitzt sechs Positionen, da- mit die Bremshebelposition auf die Bedürfnisse des Fah- rers eingestellt werden kann. • Den Hebel nach vorn drücken und den Einsteller [A] so drehen, dass die Zahl auf die Pfeilmarkierung [B] an der Hebelhalterung zeigt. ○Der Abstand zwischen Griff und Hebel ist bei Ziffer 6 am kleinsten und bei Ziffer 1 am größten. Prüfung der Bremspedalposition • Das Bremspedal [A] muss sich in der richtigen Position befinden. Fußraste [B] Pedalposition Standard: Ca. 78 mm [C] unter Fußrastenoberkante Ist die Position nicht korrekt, die Bremspedalposition kor- rigieren. Einstellung der Bremspedalposition ANMERKUNG ○In der Regel ist es nicht erforderlich, die Pedalposition einzustellen, sie muss jedoch immer eingestellt werden, wenn die Sicherungsmutter der Kolbenstange gelockert wurde. • Die dem Sechskantkopf [B] drehen, bis die richtige Pe- mit Sicherungsmutter [A] lockern und die Kolbenstange dalposition erreicht ist. Wenn die abgebildete Länge [C] 70 ±1 mm beträgt, ist die Pedalposition im Normalbereich. • Festziehen: Anzugsmoment - Sicherungsmutter der Kolbenstange des Hinter- rad-Hauptbremszylinders: 18 N·m (1,8 kgf·m) • Die Funktion des Bremslichtschalters kontrollierenKapitel "Funktionsprüfung des Bremslichtschalters" im (siehe "Regelmäßige Wartung"). Ausbau des Bremspedals • Ausbauen: Befestigungsschrauben des Hinter- rad-Hauptbremszylinders [A] Schrauben der rechten Fußrastenhalterung [B]
  • 449.
    BREMSEN 12-9 Bremshebel, Bremspedal •Ausbauen: Splint [A] Verbindungsbolzen [B] Feder des Hinterrad-Bremslichtschalters [C] Rückholfeder [D] • Die Befestigungsschraube [E] lösen und das Bremspedal abnehmen. Einbau des Bremspedals • Hochtemperaturfett auf die Schwingenachse [A] auftra- gen und die Unterlegscheibe [B] einbauen. • Folgende Teile[C] Bremspedal einbauen: Unterlegscheibe [D] Bremspedalschraube [E] Anzugsmoment - Bremspedalschraube: 8,8 N·m (0,90 kgf·m) • Das obere Ende der Rückholfeder [A] in den Pedalhaken einhaken. • Das untere Ende derin Feder [B] des anHinter- rad-Bremslichtschalters den Haken der Rückholfeder einhaken. ○Die Schalterfeder so einbauen, dass der Haken [C] ge- mäß Abbildung nach außen zeigt. Fußrastenhalterung [D] • Den Splint durch einen neuendie Splintenden [B] ausein- ○Den Splint [A] einsetzen und Splint ersetzen. ander biegen. • Die rechte Fußrastenhalterung montieren. Anzugsmoment - Schrauben der vorderen Fußrastenhalterung: 25 N·m (2,5 kgf·m) ○Auf das Bremspedal [A] drücken und dann die Bohrungen im Hauptzylinder [B] ausrichten. Anzugsmoment - Befestigungsschrauben des Hinter- rad-Hauptbremszylinders: 25 N·m (2,5 kgf·m) • Die Bremspedalposition prüfen (siehe "Prüfung der Brem- spedalposition").
  • 450.
    12-10 BREMSEN Bremssättel Ausbau desVorderrad-Bremssattels • Die Hohlschraube [A] am unteren Bremsschlauchende lö- sen und wieder locker festdrehen. • Die und den Bremssattel [C] von der Scheibe abnehmen. hen Bremssattel-Befestigungsschrauben [B] herausdre- VORSICHT Die Bremssattelschrauben [D] nicht lockern. Zum Ausbau des Bremssattels nur die Befestigungs- schrauben des Bremssattels herausdrehen. Beim Lösen der Bremssattelschrauben tritt Bremsflüs- sigkeit aus. • Dievom Bremssattel abbauen (siehe "Ausbau/Einbau des [E] Hohlschraube herausdrehen und den Bremsschlauch Bremsschlauchs"). VORSICHT Ausgetretene Bremsflüssigkeit sofort beseitigen. ANMERKUNG ○Wenn der Bremssattel nach dem Ausbau zerlegt wer- den soll und keine Druckluft zur Verfügung steht, den Bremssattel vor dem Abbau des Bremsschlauchs zer- legen (siehe Zerlegung des vorderen Bremssattels). Ausbau des Hinterrad-Bremssattels • Die Hohlschraube [A] am unteren Bremsschlauchende lö- sen und wieder locker festdrehen. • Die und den Bremssattel [C] von der Scheibe abnehmen. hen Bremssattel-Befestigungsschrauben [B] herausdre- • Die vom Bremssattel abziehen. und den Bremsschlauch [D] Hohlschraube herausdrehen VORSICHT Ausgetretene Bremsflüssigkeit sofort beseitigen. ANMERKUNG ○Wenn der Bremssattel nach dem Ausbau zerlegt wer- den soll und keine Druckluft zur Verfügung steht, den Bremssattel vor dem Ausbau des Bremsschlauchs zer- legen (siehe "Zerlegung des Hinterrad-Bremssattels").
  • 451.
    BREMSEN 12-11 Bremssättel Einbau desBremssattels • Den Bremssattel und schlauchs montieren. das untere Ende des Brems- ○Die Unterlegscheiben an jeder Seite des Schlauchverbin- ders durch neue Unterlegscheiben ersetzen. • Festziehen: Anzugsmoment - Bremssattel-Befestigungsschrauben vorn: 34 N·m (3,5 kgf·m) hinten: 25 N·m (2,5 kgf·m) Bremsschlauch-Hohlschrauben: 25 N·m (2,5 kgf·m) • Den Bremsflüssigkeitsstand in den Ausgleichsbehältern prüfen. • Die Bremsleitungen entlüften (siehe "Entlüftung der Bremsleitungen"). • Die Bremskraft der Bremse kontrollieren;darf keine Flüs- cken dürfen nicht angedrückt sein, und es die Bremsba- sigkeit austreten. ACHTUNG Das Motorrad erst fahren, wenn durch Pumpen am Bremshebel oder Bremspedal die volle Funk- tionsfähigkeit von Bremshebel bzw. Bremspedal gewährleistet ist. Die Bremsbeläge müssen nach dem Pumpen an der Scheibe anliegen. Wird dieses Pumpen unterlassen, funktionieren die Bremsen bei der ersten Betätigung des Bremshebels oder Bremspedals nicht. Zerlegung des Vorderrad-Bremssattels • Siehe "Wechsel der Bremssattel-Gummiteile" im Kapitel "Regelmäßige Wartung". Zusammenbau des Vorderrad-Bremssattels • Siehe "Wechsel der Bremssattel-Gummiteile" im Kapitel "Regelmäßige Wartung". Zerlegung des Hinterrad-Bremssattels • Siehe "Wechsel der Bremssattel-Gummiteile" im Kapitel "Regelmäßige Wartung". Zusammenbau des Hinterrad-Bremssattels • Siehe "Wechsel der Bremssattel-Gummiteile" im Kapitel "Regelmäßige Wartung".
  • 452.
    12-12 BREMSEN Bremssättel Beschädigung derBremssattel -Flüssigkeitsdichtung Die Flüssigkeitsdichtung (Kolbendichtung) [A] dichtet den Kolben ab und gewährleistet ausreichend Spiel zwi- schen Bremsklotz und Bremsscheibe. Eine beschädigte Dichtung kann zu abnormalem Bremsklotzverschleiß und zum Schleifen der Bremse führen. Zudem können Brems- scheibe und Bremsflüssigkeit überhitzen. • Die Flüssigkeitsdichtung erneuert, wenn eine der folgen- den Bedingungen auftritt: ○Austritt von Bremsflüssigkeit am Bremsbelag. ○Überhitzung der Bremsen. ○Beträchtliche Verschleißdifferenz zwischen innerem und äußerem Bremsbelag. ○Dichtung und Kolben kleben aneinander. Bei einem Austausch der Flüssigkeitsdichtung die Staub- dichtung [B] ebenfalls erneuern. Außerdem alle Dichtun- gen ersetzen, wenn die Bremsbeläge gewechselt wer- den. Beschädigung der Staubmanschette und Reibmanschette am Hinterrad-Bremssattel • Sicherstellen, dass Staubmanschette aufgequollen oder schette [B] nicht rissig, verschlissen, [A] und Reibman- anderweitig beschädigt sind. Bei Beschädigungen auswechseln. Kolben und Zylinder auf Beschädigung • Die Kolben [A] undersetzen, wenn [B] visuell und Kolben Den Bremssattel Zylinderflächen Zylinder überprüfen. starke Riefen oder Roststellen aufweisen.
  • 453.
    BREMSEN 12-13 Bremssättel Hintere Bremssattel-Halterwelleauf Verschleiß Der Bremssattel muss leicht auf den Bremssattelhalter- wellen [A] gleiten. Wenn der Bremssattel nur schwer gleitet, ist einer der Bremsbeläge stärker verschlissen als der an- dere; dadurch erhöht sich der Bremsbelagverschleiß, und die ständige Zugbelastung an der Scheibe führt zu einer Temperaturerhöhung von Bremse und Bremsflüssigkeit. • Die Bremssattelhalterstifte dürfen nicht übermäßig und nicht stufenförmig abgenutzt sein; die Gummireibman- schetten dürfen nicht beschädigt sein. Wenn die Gummireibmanschette beschädigt ist, diese er- neuern. Zum Austausch der Gummireibscheibenman- schette die Bremsbeläge und die Bremssattelhalterung ausbauen. Falls die Bremssattelhalterstifte beschädigt sind, muss der Bremssattelhalter erneuert werden.
  • 454.
    12-14 BREMSEN Bremsbeläge Ausbau derVorderrad-Bremsklötze • Ausbauen: Bremsbelagstifte [A] Bremsbelagfedern [B] Bremsbeläge [C] Einbau der Vorderrad-Bremsklötze • Die Bremssattelkolben mit der Hand so weit wie möglich nach vorn drücken. • Den den Bremsbelagstift [B] einsetzen. und äußeren Bremsbelag [A] gemäß Abbildung einbauen • Einstellen: Innerer Bremsbelag [A] Bremsbelagfeder [B] ○Den Bremsbelagstift [D] mit Hilfe des Stifthalters [C] in das Loch im Bremsbelag hineindrücken. Anzugsmoment - Bremsbelagstifte der Vorderradbremse: 17 N·m (1,7 kgf·m) ACHTUNG Das Motorrad erst fahren, wenn der Bremshebel voll wirksam ist: dazu den Bremshebel pumpen, bis die Bremsbeläge an der Scheibe anliegen. Wird dies unterlassen, funktioniert die Bremse bei der ersten Betätigung des Bremshebels nicht. Ausbau der Hinterrad-Bremsklötze • Den Bremssattel mit angeschlossenem Bremsschlauch ausbauen. • Ausbauen: Feder [A] Bremsklotzstift [B] Bremsbeläge [C]
  • 455.
    BREMSEN 12-15 Bremsbeläge Einbau derHinterrad-Bremsklötze • Den Bremssattelkolben mit der Hand so weit wie möglich eindrücken. • Die Bremsbelagfeder einsetzen. • Zuerstden anderen Bremsbelag. dann den kolbenseitigen Bremsbelag [A] einsetzen, ○Die Nasen [B] des Bremsbelags in die Aussparung [C] am Bremssattelhalter einpassen. • Bremsbelaghalterstift und Klemme montieren. Die Klemme muss sich “außerhalb” der Bremsbeläge befin- den. • Den Bremssattel montieren (siehe "Einbau des Brems- sattels"). ACHTUNG Das Motorrad erst fahren, wenn durch Pumpen am Bremshebel oder Bremspedal die volle Funk- tionsfähigkeit von Bremshebel bzw. Bremspedal gewährleistet ist. Die Bremsbeläge müssen nach dem Pumpen an der Scheibe anliegen. Wird dies unterlassen, funktioniert die Bremse bei der ersten Betätigung des Bremshebels nicht. Prüfung der Bremsbeläge auf Verschleiß • Siehe "Prüfung der Wartung". auf Verschleiß" im Ka- pitel "Regelmäßige Bremsbeläge
  • 456.
    12-16 BREMSEN Hauptbremszylinder Ausbau desVorderrad-Hauptbremszylinders • Die Behälterhalterungsmutter [A] entfernen. • Die Hohlschraube [A] herausdrehen, zu lösen Brems- schlauch vom Hauptbremszylinder um den (siehe "Ausbau/Einbau des Bremsschlauchs" in diesem Kapi- tel). • Die Klemmschrauben [B] herausdrehen und den Haupt- bremszylinder [C] mit Ausgleichsbehälter, Bremshebel und Bremslichtschalter abnehmen. • Den Steckverbinder [D] rad-Bremslichtschalters abziehen. des Vorder- VORSICHT Ausgetretene Bremsflüssigkeit sofort beseitigen. • Ausbauen: Bremshebel-Drehzapfenschraube [A] und Mutter Bremshebel [B] Klemme [C] (abschieben) Bremsschlauch [D] Vorderrad-Bremslichtschalter [E]
  • 457.
    BREMSEN 12-17 Hauptbremszylinder Einbau desVorderrad-Hauptbremszylinders • Den Passflächen [A] mit der Stanzmarkierung [B]dass die Vorderrad-Hauptbremszylinder so ansetzen, am Lenker fluchten. • Die Klemme des Hauptbremszylinders muss mit der Pfeil- markierung [C] nach oben eingebaut werden. • Zuerst die obere Klemmschraube und dann die untere Klemmschraube anziehen. Anzugsmoment - Klemmschrauben des Vorder- rad-Hauptbremszylinders: 8,8 N·m (0,90 kgf·m) • Die Unterlegscheiben auf beiden Seiten des Schlauch- verbinders erneuern. • Festziehen: Anzugsmoment - Bremsschlauch-Hohlschraube: 25 N·m (2,5 kgf·m) • Die Bremsleitungen entlüften (siehe "Entlüftung der Bremsleitungen"). • Die Bremskraft der Bremse kontrollieren;darf keine Flüs- cken dürfen nicht angedrückt sein, und es die Bremsba- sigkeit austreten. Ausbau des Hinterrad-Hauptbremszylinders • Die Bremsschlauch-Hohlschraube [A] herausdrehen und den Bremsschlauch [B] entfernen. • Ausbauen: Splint [C] Verbindungsbolzen [D] Schrauben [E] Fußschutz [F] Hinterrad-Hauptbremszylinder • Die Klemme [G] abschieben. • Das untere Ende [H] des Behälterschlauchs abziehen und die Bremsflüssigkeit in einen Auffangbehälter ent- leeren. Einbau des Hinterrad-Hauptbremszylinders • Den Unterlegscheiben ersetzen, die ersetzen.jeder Seite Splint durch einen neuen Splint • des Schlauchverbinders befinden. sich an Die • Festziehen: Anzugsmoment - Befestigungsschrauben des Hinter- rad-Hauptbremszylinders: 25 N·m (2,5 kgf·m) Bremsschlauch-Hohlschraube: 25 N·m (2,5 kgf·m) • Die Bremsleitungen entlüften (siehe "Entlüftung der Bremsleitungen"). • Die Bremskraft der Bremse kontrollieren;darf keine Flüs- cken dürfen nicht angedrückt sein, und es die Bremsba- sigkeit austreten.
  • 458.
    12-18 BREMSEN Hauptbremszylinder Zerlegung desVorderrad-Hauptbremszylinders • Sieheim Kapitel "Regelmäßige Wartung". ders" "Wechsel der Gummiteile des Hauptbremszylin- Zerlegung des Hinterrad-Hauptbremszylinders • Sieheim Kapitel "Regelmäßige Wartung". ders" "Wechsel der Gummiteile des Hauptbremszylin- Prüfung des Hauptbremszylinders (Sichtprüfung) • Die Hauptbremszylinder ausbauen (siehe "Ausbau des Hinterrad-/Vorderrad-Hauptbremszylinders"). • Den (siehe "WechselHinterrad-Hauptbremszylinder zerle- gen Vorderrad- und der Gummiteile des Hauptbremszy- linders" im Kapitel "Regelmäßige Wartung"). • An der Innenwand [A] des jeweiligen Hauptbremszylin- ders sowie an der Außenseite des jeweiligen Kolbens [B] dürfen keine Kratzer, keine Roststellen und keine Riefen vorhanden sein. Wenn ein Hauptbremszylinder oder Zylinderkolben be- schädigt ist, diesen ersetzen. • Die Primärmanschette [C] und die Sekundärmanschette [D] überprüfen. Wenn eine der Manschetten verschlissen, gequollen oder in anderer Weise gealtert ist, muss der Kolben zum Wech- sel der Manschette ersetzt werden. Wenn am Bremshebel Flüssigkeit austritt, muss der Kol- ben ersetzt werden, damit neue Manschetten eingebaut werden können. Vorderrad-Hauptbremszylinder [I] • Die Staubschutzkappen [E] auf Beschädigung kontrollie- ren. Wenn diese beschädigt sind, die Staubschutzkappen er- setzen. • Die Rückstellfeder des Kolbens [F] auf Schäden untersu- chen. Beschädigte Federn erneuern. • Der Druckentlastungsanschluss [G] und der Zulauf- anschluss [H] dürfen nicht verstopft sein. Bei verstopftem Druckentlastungsanschluss schleifen die Bremsklötze an der Bremsscheibe. Die Anschlüsse mit Pressluft durchblasen. Hinterrad-Hauptbremszylinder [J] Zusammenbau des Hauptbremszylinders • Sieheim Kapitel "Regelmäßige Wartung". ders" "Wechsel der Gummiteile des Hauptbremszylin-
  • 459.
    BREMSEN 12-19 Bremsscheibe Ausbau derBremsscheibe • Das Rad ausbauen "Räder/Reifen"). des Vorder -/Hinterrads" im Kapitel (siehe "Ausbau • Die Halteschrauben herausdrehen und die Scheibe aus- bauen. Einbau der Bremsscheibe • Die Bremsscheibe soaußenRad anbauen, dass die mar- kierte Seite [B] nach am zeigt. • Gewindegänge der Befestigungsschrauben der Hinter- Ein nicht-permanentes Gewindedichtmittel auf die radbremsscheibe [A] auftragen. • Festziehen: Anzugsmoment - Befestigungsschrauben der Bremsscheibe: 27 N·m (2,8 kgf·m) Bremsscheibenverschleiß • Diedem der größte Verschleiß [A] an dem Punkt messen, an Dicke jeder Bremsscheibe aufgetreten ist. Wenn der Grenzwert der Scheibe überschritten ist, die Scheibe ersetzen. Messbereich [B] Dicke der Bremsscheiben Standard: Vorn 5,8 ∼ 6,2 mm Hinten 4,8 ∼ 5,2 mm Grenzwert: Vorn 5,5 mm Hinten 4,5 mm Bremsscheibenverzug • Das Motorrad aufbocken, damit das Rad vom Boden ab- hebt. Spezialwerkzeuge - Wagenheber: 57001-1238 Stützblöcke: 57001-1608 ○Zur Prüfung der Vorderrad-Bremsscheibe den Lenker ganz auf eine Seite einschlagen. • Eine Messuhr wie in der Abbildung an die Bremsscheibe [A] halten und die Unrundheit beim Scheibenlauf messen, wenn das Rad [B] mit der Hand gedreht wird. Wenn die Unrundheit den Grenzwert überschreitet, die Bremsscheibe ersetzen. Bremsscheibenschlag Standard: TIR 0,15 mm oder weniger Grenzwert: TIR 0,3 mm
  • 460.
    12-20 BREMSEN Bremsflüssigkeit Prüfung desBremsflüssigkeitsstandes • Siehe "PrüfungWartung". "Regelmäßige des Bremsflüssigkeitsstandes" im Kapitel Wechsel der Bremsflüssigkeit • Siehe "Wechsel der Bremsflüssigkeit" im Kapitel "Regel- mäßige Wartung". Entlüftung der Bremsleitungen Die Bremsflüssigkeit hat einen sehr niedrigen Kompressi- onskoeffizienten, sodass fast die gesamte Bewegung des Bremspedals oder Bremshebels direkt auf den Bremssat- tel übertragen wird. Luft lässt sich jedoch sehr stark zu- sammendrücken. Wenn Luft in die Bremsleitung gelangt, wird die Bewegung des Bremspedals oder Bremshebels teilweise für die Kompression der Luft verwendet. Dies führt zu einer schwammigen Reaktion des Bremspedals oder Bremshebels und zu einem Verlust der Bremskraft. ACHTUNG Die Bremsleitung immer entlüften, wenn Bremshe- bel oder Bremspedal nach dem Wechsel der Brems- flüssigkeit nur schwammig oder zögerlich reagie- ren oder wenn aus irgendeinem Grund eine Ver- schraubung der Bremsleitung gelockert wurde. ANMERKUNG ○Zum Entlüften der Leitung der Vorderradbremse wie folgt vorgehen. Die Entlüftung der Leitung der Hinter- radbremse erfolgt analog zur Vorderradbremse. • Ausbauen: [A] Schraube Klemme [B] Vorderrad-Bremsflüssigkeitsbehälterdeckel [C] Membranplatte Membran •Ausgleichsbehälter mit frischer Bremsflüssigkeit bis zur Maximalstandlinie auffüllen. •Bei abgenommenem Bremsflüssigkeitsbehälterdeckel den Bremshebel langsam mehrmals pumpen, bis keine Luftblasen mehr aus den Bohrungen am Boden des Bremsflüssigkeitsbehälters austreten. ○Den Hauptbremszylinder durch diesen Pumpvorgang vollständig entlüften.
  • 461.
    BREMSEN 12-21 Bremsflüssigkeit • DieGummikappe vomabnehmen. -Hauptbremszylinders Entlüftungsventil des Vorderrad • Einen transparenten Kunststoffschlauch [A] anEnde Ent- lüftungsventil anschließen und das andere das des Schlauchs in einen Behälter halten. • Die Bremsleitung und den Hauptbremszylinder entlüften. ○Diese Schritte wiederholen, bis keine Luftblasen mehr im Kunststoffschlauch zu sehen sind. 1. Mit dem Bremshebel pumpen, bis er straff reagiert, die Bremse anziehen und angezogen halten [A]. 2. Das Entlüftungsventil schnell öffnen und schließen [B], dabei die Bremse angezogen halten. 3. Die Bremse freigeben [C]. ANMERKUNG ○Während der Entlüftung den Bremsflüssigkeitsstand re- gelmäßig prüfen und gegebenenfalls neue Bremsflüs- sigkeit auffüllen. Wenn bei der Entlüftung die Flüssig- keit im Behälter ganz verbraucht wird, muss die Entlüf- tung von Anfang an wiederholt werden, weil dann Luft in der Leitung eingeschlossen ist. • Den transparenten Kunststoffschlauch entfernen. • Das Entlüftungsventil festziehen und die Gummikappe aufsetzen. Anzugsmoment - Entlüftungsventil des Vorder- rad-Hauptbremszylinders: 5,9 N·m (0,60 kgf·m) • Die Gummikappe von dem Entlüftungsventil [A] des Bremssattels abnehmen. • Einen transparenten Kunststoffschlauch [B] Endedem Entlüftungsventil anschließen und das andere an des Schlauchs in einen Behälter halten.
  • 462.
    12-22 BREMSEN Bremsflüssigkeit • DieBremsleitung und den Bremssattel entlüften.mehr im ○Diese Schritte wiederholen, bis keine Luftblasen Kunststoffschlauch zu sehen sind. 1. Mit dem Bremshebel pumpen, bis er straff reagiert, die Bremse anziehen und angezogen halten [A]. 2. Das Entlüftungsventil schnell öffnen und schließen [B], dabei die Bremse angezogen halten. 3. Die Bremse freigeben [C]. ANMERKUNG ○Während der Entlüftung den Bremsflüssigkeitsstand re- gelmäßig prüfen und gegebenenfalls neue Bremsflüs- sigkeit auffüllen. Wenn bei der Entlüftung die Flüssig- keit im Behälter ganz verbraucht wird, muss die Entlüf- tung von Anfang an wiederholt werden, weil dann Luft in der Leitung eingeschlossen ist. ○Den Bremsschlauch leicht vom Bremssattel bis zum Behälter abklopfen, um die Entlüftung zu unterstützen. ○Vorderradbremse: Zunächst den rechten Bremssat- tel entlüften, dann die obigen Schritte für den linken Bremssattel wiederholen. • Den transparenten Kunststoffschlauch entfernen. • Folgende Teile einbauen: Membran [A] Membranplatte [B] Vorderrad-Bremsflüssigkeitsbehälterdeckel [C] • Die folgenden Schritte ausführen, um denoder Hinterrad- Bremsflüssigkeitsbehälter der Vorderrad- Deckel für den bremse richtig zu schließen. ○Zunächst den Deckel [B] des Bremsflüssigkeitsbehälters mit der Hand nach rechts drehen [C], bis ein Widerstand spürbar ist. Danach den Deckel eine weitere sechstel Umdrehung [D] drehen und dabei den Bremsflüssigkeits- behälter [A] festhalten.
  • 463.
    BREMSEN 12-23 Bremsflüssigkeit • Festziehen: Anzugsmoment - Anschlagschraube des Vorderrad -Bremsflüssigkeitsbehälterdeckels: 1,2 N·m (0,12 kgf·m) • Das Entlüftungsventil festziehen und die Gummikappe aufsetzen. Anzugsmoment - Entlüftungsventil: 7,8 N·m (0,80 kgf·m) • Den Flüssigkeitsstand prüfen (siehe "Prüfung des Brems- flüssigkeitsstandes" im Kapitel "Regelmäßige Wartung"). • Nach der Entlüftung schleifen und es darf keine Brems- backen dürfen nicht die Bremskraft prüfen. Die Brems- flüssigkeit austreten.
  • 464.
    12-24 BREMSEN Bremsflüssigkeit ACHTUNG Bei Arbeiten mit der Scheibenbremse die folgenden Vorsichtsmaßnahmen einhalten. 1. Gebrauchte Bremsflüssigkeit keinesfalls wieder ver- wenden. 2. Niemals Flüssigkeit verwenden, die in offenen oder seit längerem unversiegelten Behältern aufbewahrt wurde. 3. Niemals zwei verschiedene Marken und Sorten Bremsflüssigkeit in der Bremse mischen. Dadurch verringert sich der Siedepunkt der Bremsflüssig- keit, und die Wirksamkeit der Bremse kann sich verschlechtern. Außerdem können dadurch die Gummiteile der Bremse schneller altern. 4. Den Behälter nach Gebrauch stets sofort schließen, um ein schädliches Eindringen von Feuchtigkeit in die Flüssigkeit zu vermeiden. 5. Die Bremsflüssigkeit nicht bei Regen oder bei star- kem Wind wechseln. 6. Die Scheibenbremsbeläge oder Bremsscheiben nicht reinigen, die anderen Teile der Bremse mit Scheibenbremsflüssigkeit, Isopropanol oder Spiri- tus reinigen. Keine andere Flüssigkeit zur Reini- gung dieser Teile verwenden. Benzin, Motoröl und andere Erdöldestillate führen zur Alterung der Gum- miteile. Auf Teile verschüttetes Öl lässt sich nur schwer vollständig entfernen und führt zur Alterung der Gummiteile der Scheibenbremse. 7. Beim Umgang mit Scheibenbremsbelägen oder Bremsscheiben darauf achten, dass keine Schei- benbremsflüssigkeit und keine anderen Öle auf diese Teile gelangen. Versehentlich auf die Brems- beläge oder Bremsscheibe gelangtes Öl oder andere Flüssigkeiten mit einem Lösungsmittel mit hohem Flammpunkt entfernen. Keine Lösungsmit- tel verwenden, die einen Ölfilm zurücklassen. Die Bremsbeläge durch neue Beläge ersetzen, wenn eine zufrieden stellende Reinigung nicht möglich ist. 8. Bremsflüssigkeit zerstört schnell den Lack; Flüssig- keitsspritzer sind sofort gründlich abzuwischen. 9. Wenn eine der Bremsleitungsverschraubungen oder das Entlüftungsventil geöffnet wurde, MUSS DIE BREMSLEITUNG ENTLÜFTET WERDEN.
  • 465.
    BREMSEN 12-25 Bremsschlauch Ausbau/Einbau desBremsschlauchs • Siehe "Wechsel des Bremsschlauchs und der -leitung" im Kapitel "Regelmäßige Wartung". Prüfung des Bremsschlauchs • Siehe "Prüfung des Bremsschlauchs auf Beschädigung und einwandfreie Verlegung" im Kapitel "Regelmäßige Wartung".
  • 467.
    FEDERUNG 13-1 Federung INHALTSVERZEICHNIS Explosionszeichnung.............................................................................................................. 13-2 Technische Daten ................................................................................................................... 13-6 Spezialwerkzeuge .................................................................................................................. 13-7 Vorderradgabel ....................................................................................................................... 13-9 Einstellung der Zugstufendämpfung ................................................................................. 13-9 Einstellung der Federvorspannung ................................................................................... 13-9 Einstellung der Druckdämpfungsstärke ............................................................................ 13-10 Ausbau der Vorderradgabel (für jedes Gabelbein) ........................................................... 13-10 Einbau der Vorderradgabel ............................................................................................... 13-11 Ölwechsel an der Vorderradgabel..................................................................................... 13-11 Zerlegung der Vorderradgabel .......................................................................................... 13-15 Zusammenbau der Vorderradgabel .................................................................................. 13-16 Prüfung des Innenrohrs .................................................................................................... 13-17 Prüfung der Staubdichtung ............................................................................................... 13-18 Federspannung................................................................................................................. 13-18 Hinterrad-Stoßdämpfer........................................................................................................... 13-19 Einstellung der Zugstufendämpfung ................................................................................. 13-19 Einstellung der Druckdämpfungsstärke ............................................................................ 13-19 Einstellung der Federvorspannung ................................................................................... 13-20 Ausbau des Hinterrad-Stoßdämpfers ............................................................................... 13-21 Einbau des Hinterrad-Stoßdämpfers ................................................................................ 13-21 Prüfung des Hinterrad-Stoßdämpfers ............................................................................... 13-22 Verschrottung des Hinterrad-Stoßdämpfers ..................................................................... 13-22 Schwingenachse .................................................................................................................... 13-23 Ausbau der Schwingenachse ........................................................................................... 13-23 Einbau der Schwingenachse ............................................................................................ 13-24 13 Ausbau des Schwingenlagers........................................................................................... 13-25 Einbau des Schwingenlagers............................................................................................ 13-25 Prüfung des Schwingenlagers und der Hülse................................................................... 13-26 Prüfung der Kettenführung................................................................................................ 13-26 Spurstange, Kipphebel ........................................................................................................... 13-27 Ausbau der Spurstange .................................................................................................... 13-27 Einbau der Spurstange ..................................................................................................... 13-27 Ausbau des Kipphebels .................................................................................................... 13-27 Einbau des Kipphebels ..................................................................................................... 13-28 Ausbau der Spurstange und des Kipphebellagers............................................................ 13-29 Einbau der Spurstange und des Kipphebellagers............................................................. 13-29 Kipphebel/Spurstangenlager - Prüfung der Hülse ............................................................ 13-31 Schmierung des Kipphebelarms/Spurstangenlagers........................................................ 13-31
  • 468.
  • 469.
    FEDERUNG 13-3 Explosionszeichnung Anzugsmoment Nr. Verbindungselement Anmerkungen N·m kgf·m 1 Klemmschrauben der Vorderachse 20 2,0 AL 2 Untere Inbusschrauben der Vorderradgabel 35 3,5 3 Klemmschrauben der Vorderradgabel (unten) 25 2,5 AL 4 Klemmschrauben der Vorderradgabel (oben) 20 2,0 5 Steuerkopfverschlussschraube 35 3,5 6 Kolbenstangenmuttern 20 2,0 AL: Die beiden Klemmschrauben abwechselnd zweimal anziehen, um ein gleichmäßiges Anzugs- moment sicherzustellen. G: Fett auftragen. L: Ein nicht-permanentes Gewindedichtmittel auftragen. R: Ersatzteile
  • 470.
  • 471.
    FEDERUNG 13-5 Explosionszeichnung Anzugsmoment Nr. Verbindungselement Anmerkungen N·m kgf·m 1 Halterungsmutter für Hinterrad-Stoßdämpfer 59 6,0 2 Mutter des Hinterrad-Stoßdämpfers (unten) 34 3,5 3 Mutter des Hinterrad-Stoßdämpfers (oben) 34 3,5 4 Schwingenachsen-Einstellhülse 20 2,0 S Sicherungsmutter der Schwingenachsen 5 98 10 S -Einstellhülse 6 Schwingarmachsmutter 108 11 S 7 Muttern der Spurstange 59 6,0 8 Uni-Track-Kipphebelmutter 34 3,5 G: Fett auftragen. L: Ein nicht-permanentes Gewindedichtmittel auftragen. R: Ersatzteile
  • 472.
    13-6 FEDERUNG Technische Daten Teil Standard Vorderradgabel (je Gabelbein) Durchmesser des Gabelgleitrohrs 41 mm Luftdruck Atmosphärischer Luftdruck (nicht einstellbar) Einstellung der Zugstufendämpfung 1 1/2 Umdrehungen nach links vom äußersten rechten Anschlag. (Nutzbarer Bereich: 0 ←→ 3 1/2 Ausdrehungen) Einstellung des Kompressionsdämp- 1 1/2 Umdrehungen nach links vom äußersten rechten fers Anschlag. (Nutzbarer Bereich: 0 ←→ 3 Ausdrehungen) Einstellung der Gabelfedervorspan- 5 Drehungen nach rechts vom äußersten linken Anschlag nung (Nutzbarer Bereich: 15 ←→ 0 Drehungen nach rechts) Gabelöl: Viskosität SHOWA SS47 oder gleichwertig SAE 10W Menge: Bei Ölwechsel Ca. 430 ml Nach Zerlegung und 505 ±2,5 ml vollständiger Trocknung Gabelölstand: (voll zusammen- 97 ±2 mm gedrückt, ohne Gabelfeder, unter Gleitrohroberkante) Freie Länge der Gabelfeder 257 mm (Grenzwert: 252 mm) Hinterrad-Stoßdämpfer Einstellung der Zugstufendämpfung 19. Klick, wenn die Einstellung von der Position ganz rechts erfolgt (Nutzbarer Bereich: 0 ←→ 25. Klick) Einstellung des Kompressionsdämp- fers: Hohe Drehzahl 2 1/2 Umdrehungen nach links vom äußersten rechten Anschlag. (Nutzbarer Bereich: 0 ←→ 4 Ausdrehungen) Niedrige Drehzahl 2 Umdrehungen nach links vom äußersten rechten Anschlag. (Nutzbarer Bereich: 0 ←→ 5 Ausdrehungen) Einstellung der Federvorspannung: Standard Federlänge: 180 mm Nutzbarer Bereich Federlänge: 175 ∼ 185 mm (schwächer oder stärker) Gasdruck 980 kPa (10,0 kgf/cm², nicht einstellbar)
  • 473.
    FEDERUNG 13-7 Spezialwerkzeuge Montagezange fürInnensicherungsringe: Gabelölstand-Messgerät: 57001-143 57001-1290 Öldichtung & Lagerabzieher: Gabelkolbenstangenabzieher, M10 × 1,0: 57001-1058 57001-1298 Lagertreibersatz: Gabelfederanschlag: 57001-1129 57001-1374 Wagenheber: Lagerabzieherwelle, 13: 57001-1238 57001-1377 Gabeldichtringtreiber, 41: Hakenschlüssel T=3,2 R37: 57001-1288 57001-1539
  • 474.
    13-8 FEDERUNG Spezialwerkzeuge Schlüssel fürSchwingenachsenmutter: Distanzstück, 18: 57001-1597 57001-1636 Stützblöcke: Distanzstück, 28: 57001-1608 57001-1637 Nadellagertreiber, 17/ 18: Gabelfederkompressor: 57001-1609 57001-1685 Austreiber für Lenkschaftlager, 28: 57001-1610
  • 475.
    FEDERUNG 13-9 Vorderradgabel Einstellung derZugstufendämpfung • Zur Einstellung der Dämpfungsfederhärte, die Einstell- schraube [A] für den Stoßdämpfer an der Oberseite des rechten vorderen Gabelbeins in die gewünschte Position drehen. ○Die Standardeinstellung für einen normalen Fahrer mit einem Gewicht von 68 kg ohne Sozius und ohne Zubehör liegt bei 1 1/2 Umdrehungen nach links vom äußersten rechten Anschlag. ○Die Dämpfungsstärke kann zwischen weich und normal geändert werden. Die Dämpfungsstärke kann jedoch auch für schnelle Fahrt oder Fahrt mit einem Sozius härter eingestellt werden. Wenn die Federdämpfung zu weich oder zu hart eingestellt ist, diese entsprechend der folgenden Tabelle ändern. Einstellung der Zugstufendämpfung Einstellerpo- Dämp- Fahr- Einstellung Last Geschwindigkeit sition fungskraft bahn 3 1/2 Aus- Niedrig Weich Leicht Gut Niedrig drehungen ↑ ↑ ↑ ↑ ↑ ↑ ↓ ↓ ↓ ↓ ↓ ↓ 0 Hoch Hart Schwer Schlecht Hoch Einstellung der Federvorspannung • Dendie Federvorspannung zu ändern. [A] verdrehen, um Einsteller für die Federvorspannung ○Die Standardeinstellung für einen normalen Fahrer mit einem Gewicht von 68 kg ohne Sozius und ohne Zube- hör liegt bei 5 Umdrehungen nach links vom äußersten rechten Anschlag. ACHTUNG Falls beide Einsteller ungleichmäßig eingestellt sind, leidet die Fahrstabilität und es können ge- fährlichen Situationen resultieren. ○Die Federvorspannung kann für einen durchschnittlichen Fahrer weich eingestellt bleiben. Die Dämpfungsstärke kann jedoch auch für schnelle Fahrt oder Fahrt mit ei- nem Sozius härter eingestellt werden. Wenn die Feder zu weich oder zu hart eingestellt ist, diese entsprechend den Angaben in der folgenden Tabelle ändern. Federwirkung Einsteller- Dämp- Fahr- Einstellung Last Geschwindigkeit position fungskraft bahn 15 Ausdre- Niedrig Weich Leicht Gut Niedrig hungen ↑ ↑ ↑ ↑ ↑ ↑ ↓ ↓ ↓ ↓ ↓ ↓ 0 Hoch Hart Schwer Schlecht Hoch
  • 476.
    13-10 FEDERUNG Vorderradgabel Einstellung derDruckdämpfungsstärke • Zurdie Druckdämpfung [A] verdrehen, bis ein Klicken zu für Einstellung der Druckdämpfungsstärke den Einsteller hören ist. ○Die Standardeinstellung für einen normalen Fahrer mit einem Gewicht von 68 kg ohne Sozius und ohne Zubehör liegt bei 1 1/2 Umdrehungen nach links vom äußersten rechten Anschlag. ACHTUNG Falls beide Einsteller ungleichmäßig eingestellt sind, leidet die Fahrstabilität und es können ge- fährlichen Situationen resultieren. ○Die Dämpfungsstärke kann zwischen weich und normal geändert werden. Die Dämpfungsstärke kann jedoch auch für schnelle Fahrt oder Fahrt mit einem Sozius härter eingestellt werden. Wenn die Federdämpfung zu weich oder zu hart eingestellt ist, diese entsprechend der folgenden Tabelle ändern. Einstellung der Druckdämpfungsstärke Einsteller- Dämp- Fahr- Einstellung Last Geschwindigkeit position fungskraft bahn 3 Ausdre- Niedrig Weich Leicht Gut Niedrig hungen ↑ ↑ ↑ ↑ ↑ ↑ ↓ ↓ ↓ ↓ ↓ ↓ 0 Hoch Hart Schwer Schlecht Hoch Ausbau der Vorderradgabel (für jedes Gabelbein) • Ausbauen: Mittlere Verkleidung (siehe "Ausbau der mittleren Ver- kleidung" im Kapitel "Rahmen") Obere Innenverkleidung (siehe "Ausbau der oberen In- nenverkleidung" im Kapitel "Rahmen") Vorderrad (siehe "Ausbau des Vorderrades" im Kapitel "Räder/Reifen") Vorderes Schutzblech (siehe "Ausbau des vorderen Schutzbleches" im Kapitel "Rahmen") Lenkerschraube [A], obere Gabelklemmschraube [B] und Steuerkopfverschlussschraube [C] vor dem Ausbau des Gabelholms lockern. ANMERKUNG ○Die Lenkerschraube und die obere Gabelklemm- schraube lockern, dann die Steuerkopfverschluss- schraube lockern.
  • 477.
    FEDERUNG 13-11 Vorderradgabel • Lenkerschraube,obere Gabelklemmschraube und untere Gabelklemmschrauben [A] lockern. • Den Gabelholm verdrehen und dabei nach unten heraus- ziehen. Einbau der Vorderradgabel • Die Gabel so einbauen, dass ihr oberes Ende [A] gemäß Abbildung as dem Außenrohr hervorsteht. 8,5 mm [B] • Die unteren Gabel-Klemmschrauben und Steuerkopfver- schlussschraube festziehen. Anzugsmoment - Klemmschrauben der Vorderradgabel (unten): 25 N·m (2,5 kgf·m) Oberer Stopfen der Vorderradgabel: 35 N·m (3,5 kgf·m) • Lenkerschraube und obere Gabelklemmschraube fest- ziehen. Anzugsmoment - Lenkerschraube: 25 N·m (2,5 kgf·m) Klemmschraube der Vorderradgabel (oben): 20 N·m (2,0 kgf·m) ANMERKUNG ○Die beiden Klemmschrauben abwechselnd zweimal an- ziehen, um ein gleichmäßiges Anzugsmoment sicher- zustellen. ○Die Lenkerschraube und die obere Gabelklemm- schraube festziehen, dann die Steuerkopfverschluss- schraube festziehen. • Die ausgebauten Teile einbauen (siehe entsprechende Kapitel). • Die Federvorspannung und die Dämpfungskraft einstel- len. Ölwechsel an der Vorderradgabel • Die Vorderradgabel ausbauen (siehe "Ausbau der Vor- derradgabel"). • Das untere Ende des Innenrohres in einen Schraubstock einspannen. • Die Steuerkopfverschlussschraube [A] aus dem Außen- rohr schrauben.
  • 478.
    13-12 FEDERUNG Vorderradgabel • DenGabelfederkompressor gemäß Abbildung einbauen. ANMERKUNG ○Den Gabelfederkompressor so einbauen, dass das Ende des Griffs [A] über der oberen Bohrung im Dis- tanzstück [B] liegt, indem der Griff bis zum Anschlag in den Halter [C] eingeschraubt wird. Spezialwerkzeug - Gabelfederkompressor: 57001-1685 • Die Steuerkopfverschlussschraube [A] durch einen Helfer halten lassen und den Gabelfederkompressor nach unten drücken [B] sowie den Gabelfederanschlag [C] zwischen Kolbenstangenmutter [D] und Hülse [E] einführen. Spezialwerkzeug - Gabelfederanschlag: 57001-1374 • Den Einsteller für die[B] festhalten und die[A] mit einem Schraubenschlüssel Federvorspannung Kolbenstan- genmutter [C] lockern. • Die Steuerkopfverschlussschraube [D] mit der Einstell- stange der Zugstufendämpfung aus der Kolbenstange herausdrehen. • Ausbauen:[A] Dämpfer Distanzstück [B] Federgelenk [C] Gabelfeder [D] • DasKolbenstange [B] geeigneten Behälter ablassen. und ○Die Gabelöl in einen mindestens zehnmal aufwärts abwärts bewegen, um das Öl aus der Gabel zu verdrän- gen. Spezialwerkzeug - Gabelkolbenstangenabzieher, M10 × 1,0 [A]: 57001-1298
  • 479.
    FEDERUNG 13-13 Vorderradgabel • Dasdie Kolbenstange ganzhalten untendas Innenrohr [A] und Gabelrohr senkrecht nach und drücken. • einfüllen. Die vorgegebene Gabelölmenge der richtigen Ölsorte Gabelöl Viskosi- SHOWA SS47 oder gleichwertig SAE 10W tät: Füllmenge (pro Seite): Bei Ölwechsel: Ca. 430 ml Nach Zerlegung und vollständiger Trocknung: 505 ±2,5 ml (17,1 ±.) Gegebenenfalls den Ölstand wie folgt bestimmen. ○Das Innenrohr senkrecht in einen Schraubstock einspan- nen. ○Das Innenrohr mehrmals pumpen, um Luftblasen zu ent- fernen. ○Die Kolbenstange [B] mit dem Kolbenstangenabzieher [A] mindestens zehnmal auf- und abbewegen, um Luft aus dem Gabelöl zu pumpen. Spezialwerkzeug - Gabelkolbenstangenabzieher, M10 × 1,0: 57001 -1298 ○Den Kolbenstangenabzieher entfernen. ○Warten, bis der Ölstand ablesbar ist. ○Bei vollständig eingefederter Gabel und ganz hineinge- drückter Kolbenstange ein Messband oder einen Mess- stab in das Innenrohr einführen und den Abstand zwi- schen Außenrohr-Oberkante und Öl messen. Ölstand (voll zusammengedrückt, ohne Feder) Standard: 97 ±2 mm (von Außenrohr-Oberkante gemessen) ANMERKUNG ○Der Gabelölstand kann auch mit dem Gabelölstands- anzeige bestimmt werden. Spezialwerkzeug - Gabelölstand-Messgerät [A]: 57001-1290 ○Bei voll eingefederter Gabel (ohne Gabelfeder) das Mess- rohr in das Innenrohr [B] einführen und den Anschlag des Messrohrs quer über der Oberkante des Außenrohrs [C] positionieren. ○Den Anschlag [D] so auf dem Messrohr verschieben, dass der Abstand zwischen Öl und Anschlag-Unterseite dem vorgegebenen Ölstand [E] entspricht. ○Den Griff des Messgeräts langsam betätigen, um das überschüssige Öl abzupumpen, bis kein Öl mehr austritt. Wenn kein Öl gefördert wird, befindet sich im Innenrohr zu wenig Öl. Das Öl auffüllen und dann eventuell über- schüssiges Öl, wie oben dargestellt, abpumpen.
  • 480.
    13-14 FEDERUNG Vorderradgabel • Dieschrauben.[A] vollständig auf die Kolbenstange [B] Stangenmutter • Den Gabelkolbenstangenabzieher [A] auf das Kolben- stangenende schrauben. Spezialwerkzeug - Gabelkolbenstangenabzieher, M10 × 1,0: 57001 -1298 • Den Gabelkolbenstangenabzieher nach oben bis über die Oberkante des Außenrohrs ziehen. • Folgende Teile einbauen: Gabelfeder [B] • Federgelenk [C] Die folgenden Teile in das Innenrohr einbauen. Distanzstück [D] Dämpfer [E] • Den Abstanddie Federvorspannung [B] und Oberkante schraube für zwischen Oberkante [A] der Einstell- der Einstellstange der Zugstufendämpfung [C] einstellen. 1,5 mm [D] • Den Gabelfederkompressor auf das Distanzstück [A] set- zen. Spezialwerkzeug - Gabelfederkompressor: 57001-1685 ANMERKUNG ○Den Gabelfederkompressor so einbauen, dass das Ende des Griffs [B] über der oberen Bohrung im Dis- tanzstück liegt, indem der Griff bis zum Anschlag in den Halter [C] eingeschraubt wird.
  • 481.
    FEDERUNG 13-15 Vorderradgabel • Denlassenund den Gabelfederkompressor nach unten ten Kolbenstangenabzieher [A] durch einen Helfer hal- drücken [B] sowie den Gabelfederanschlag [C] zwischen Kolbenstangenmutter [D] und Hülse [E] einführen. Spezialwerkzeug - Gabelkolbenstangenabzieher, M10 × 1,0: 57001 -1298 Gabelfederanschlag: 57001-1374 • Den Kolbenstangenabzieher entfernen. • Den O-Ring der Steuerkopfverschlussschraube erneu- ern. • Den Einsteller der Zugstufendämpfung [A] in die Bohrun- O-Ring einfetten. • gen in der Kolbenstange einführen. Den • Den oberen Stopfen [B] auf die Kolbenstange schrauben. • Den Einsteller für die[B] festhalten und die[A] mit einem Schraubenschlüssel Federvorspannung Kolbenstan- genmutter [C] festziehen. Anzugsmoment - Kolbenstangenmuttern: 20 N·m (2,0 kgf·m) • Die Steuerkopfverschlussschraube [A] durch einen Helfer halten lassen und den Gabelfederkompressor nach unten drücken [B] sowie den Gabelfederanschlag [C] herauszie- hen. • Den Gabelfederkompressor ausbauen. • Das Außenrohr anheben und die Steuerkopfverschluss- schraube daran festschrauben. • Die Vorderradgabel einbauen (siehe "Einbau der Vorder- radgabel"). Zerlegung der Vorderradgabel • Die Vorderradgabel ausbauen (siehe "Ausbau der Vor- derradgabel"). • Das Gabelbein in einen(siehe "Wechsel[A] einspannen. Gabelöl ablassen des Gabelöls"). • Die Inbusschraube [B] herausdrehen, dann Schraube Das Schraubstock • und Dichtung an der Unterseite des Innenrohrs entfer- nen.
  • 482.
    13-16 FEDERUNG Vorderradgabel • DenZylinderbaugruppenicht zerlegen. ○Die Zylinder [A] herausnehmen. • DasStaubdichtung [A] nach oben schieben. ○Die Innenrohr vom Außenrohr wie folgt trennen. ○Den Haltering [B] vom Außenrohr abnehmen. ○Das Innenrohr [A] mit der Hand festhalten, und das Au- ßenrohr [B] mehrere Male ziehen, um das Außenrohr he- rauszuziehen. • Die Buchse des Innenrohrs [A], die Führungsbuchse [B] des Außenrohrs, die Unterlegscheibe [C], die Öldichtung [D] aus dem Innenrohr herausziehen. Zusammenbau der Vorderradgabel • Folgende Teile durch neue Teile ersetzen. Öldichtung [A] Führungsbuchse für das Außenrohr [B] Führungsbuchse für das Innenrohr [C] Dichtung der unteren Inbusschraube [D] Staubschutzdichtung [E] Haltering [F] • Die folgenden Teile in das Innenrohr einbauen. Staubdichtung Befestigungsring Öldichtung Unterlegscheibe [G] Führungsbuchse für das Außenrohr Führungsbuchse für das Innenrohr
  • 483.
    FEDERUNG 13-17 Vorderradgabel • Dasneue Führungsbuchse für das Außenrohr [A] in das Innenrohr in das Außenrohr einschieben. • Außenrohr einsetzen. Die ANMERKUNG ○Beim Zusammenbau der neuen Führungsbuchse für das Außenrohr die Unterlegscheibe [B] gegen die neue Führungsbuchse für das Außenrohr halten und mit dem Gabel-Öldichtungstreiber [C] anklopfen, bis sie aufsitzt. Spezialwerkzeug - Gabel-Öldichtungstreiber, 41: 57001-1288 • Die Öldichtung [A] einbauen. Spezialwerkzeug - Gabel-Öldichtungstreiber, 41 [B]: 57001-1288 • Befestigungsring und Staubdichtung in das Außenrohr einbauen. • Die Vorderradgabel[A] einen Schraubstock spannen. Zylindereinheit in das Innenrohr [B] einsetzen. • Festziehen: Die in • Anzugsmoment - Untere Inbusschraube der Vorderradgabel: 35 N·m (3,5 kgf·m) • Die richtige Ölsorte auffüllen (siehe "Wechsel des Gabe- löls"). Prüfung des Innenrohrs • Das Innenrohr [A] visuell überprüfen undkönnen scharfe ggf. reparieren. • Bei Einkerbungen oder Stellen, welche die Dichtung Kanten oder erhabene Rostschäden beschädigen, manchmal mit einem Schleifstein entfernt werden. Lässt sich der Schaden nicht reparieren, das Innenrohr ersetzen. Da bei Schäden an dem Innenrohr die Öldich- tung beschädigt wird, die Öldichtung immer ersetzen, wenn das Innenrohr ausgetauscht oder repariert wird.
  • 484.
    13-18 FEDERUNG Vorderradgabel VORSICHT Ein stark verbogenes oder gerissenes Innenrohr muss ersetzt werden. Starke Biegebeanspru- chungen mit nachfolgendem Richten können die Festigkeit des Innenrohrs beeinträchtigen. • Das Außen-Pumpbewegungen ausführen, um die Leicht- und einige und Innenrohr provisorisch zusammenbauen gängigkeit zu prüfen. • Wenn die Gängigkeit nicht einwandfrei ist, müssen das Innenrohr und das Außenrohr ersetzt werden. ACHTUNG Ein gerichtetes inneres oder äußeres Gabelrohr kann während des Einsatzes ausfallen und so einen Unfall verursachen. Stark verbogene oder beschädigte Innen- oder Außenrohre austauschen und das andere Rohr vor der weiteren Verwendung sorgfältig prüfen. Prüfung der Staubdichtung • Die Staubdichtungen [A] auf Anzeichen von Verschleiß oder Beschädigungen kontrollieren. Ggf. ersetzen. Federspannung • Da eine Feder sich derwird, wenn dieanhand der freien nachlässt, lässt kürzer Federzustand Federspannung Länge [A] kontrollieren. Falls die Feder eines Gabelbeins den Grenzwert unter- schreitet, muss sie erneuert werden. Unterscheidet sich die Länge der Ersatzfeder und der anderen Feder erheb- lich, muss auch die andere Feder ersetzt werden, damit die Gabelbeine ausgeglichen sind und das Motorrad sta- bil fährt. Freie Federlänge Standard: 257 mm Grenzwert: 252 mm
  • 485.
    FEDERUNG 13-19 Hinterrad-Stoßdämpfer Einstellung derZugstufendämpfung • Zur Einstellung [A] in die gewünschte Position drehen, bis fungseinsteller der Stoßdämpferkraft den unteren Dämp- ein Klicken zu hören ist. ○Die Standardeinstellung des Einstellers für einen durch- schnittlichen Fahrer mit einem Gewicht von 68 kg ohne Sozius und Zubehör ist nach dem 19. Klick erreicht, wenn die Einstellung von der Position ganz rechts erfolgt. Einstellung der Zugstufendämpfung Einsteller- Dämp- Einstellung Last Fahrbahn Geschwindigkeit position fungskraft 25 Niedrig Weich Leicht Gut Niedrig ↑ ↑ ↑ ↑ ↑ ↑ ↓ ↓ ↓ ↓ ↓ ↓ 0 Hoch Hart Schwer Schlecht Hoch Einstellung der Druckdämpfungsstärke Es gibt zwei Einstellungen für den Gasbehälter der Hin- terrad-Stoßdämpfer. Einsteller des Kompressionsdämpfers für hohe Ge- schwindigkeit [A] Einsteller des Kompressionsdämpfers für niedrige Ge- schwindigkeit [B] • Den Kompressionsdämpfer fürEinsteller Geschwindigkeit einstellen, indem der obere niedrige des Kompressi- onsdämpfers mit einem Schlitzschraubendreher gedreht wird, bis ein Klick spürbar ist. ○Die Standardeinstellung für einen normalen Fahrer mit einem Gewicht von 68 kg ohne Sozius und ohne Zube- hör liegt bei 2 Umdrehungen nach links vom äußersten rechten Anschlag. ANMERKUNG ○Das Verstellen des Einstellers der Zugstufendämpfung für die Hinterrad-Federung beeinflusst auch leicht die Druckstufendämpfung. Die Einstellung der Druckstu- fendämpfung immer in kleinen Schritten vornehmen.
  • 486.
    13-20 FEDERUNG Hinterrad-Stoßdämpfer • DenKompressionsdämpferEinsteller des Kompressions- einstellen, indem der obere für hohe Geschwindigkeit dämpfers mit einem Schraubenschlüssel 14 mm gedreht wird, bis ein Klick spürbar ist. ○Die Standardeinstellung für einen normalen Fahrer mit einem Gewicht von 68 kg ohne Sozius und ohne Zubehör liegt bei 2 1/2 Umdrehungen nach links vom äußersten rechten Anschlag. ANMERKUNG ○Das Verstellen des Einstellers der Zugstufendämpfung für die Hinterrad-Federung beeinflusst auch leicht die Druckstufendämpfung. Die Einstellung der Druckstu- fendämpfung immer in kleinen Schritten vornehmen. Einstellung der Federvorspannung • Die Sicherungsmutter lockern und die Einstellmutter dre- hen, um die Feder freizugeben. Spezialwerkzeug - Hakenschlüssel T=3,2 R37: 57001-1539 • Zum Einstellen der Federvorspannung die Einstellmut- ter [A] in die gewünschte Position drehen und die Siche- rungsmutter [B] festziehen. Federlänge [C] Einstellung der Federvorspannung Standard: Federlänge 180 mm Nutzbarer Federlänge 175 ∼ 185 mm Bereich: ○Die Standardeinstellung für die Einstellmutter beträgt für einen Fahrer mit Normalgröße und einem Gewicht von 68 kg ohne Sozius und ohne Zubehör 180 mm. • Die Schrauben der und den linken Fußschutz [B] ab- bauen, damit [A] Hakenschlüssel leicht angesetzt werden kann.
  • 487.
    FEDERUNG 13-21 Hinterrad-Stoßdämpfer • ZumEinstellen der Position drehen unddie Einstellmutter in die gewünschte Federvorspannung die Sicherungs- mutter mit den Hakenschlüsseln [A] festziehen, wobei der Hinterrad-Stoßdämpfer am Rahmen angebaut sein muss. Spezialwerkzeuge - Hakenschlüssel T=3,2 R37: 57001-1539 Wenn die Feder zu weich oder zu hart eingestellt ist, die Einstellung ändern. Einstellung der Feder Einsteller- Dämp- Fahr- Einstellung Last Geschwindigkeit position fungskraft bahn 175 mm Niedrig Weich Leicht Gut Niedrig ↑ ↑ ↑ ↑ ↑ ↑ ↓ ↓ ↓ ↓ ↓ ↓ 185 mm Hoch Hart Schwer Schlecht Hoch Ausbau des Hinterrad-Stoßdämpfers • Ausbauen: Untere Verkleidung (siehe "Ausbau der unteren Verklei- dung" im Kapitel "Rahmen") Vorderes Auspuffrohr (siehe "Ausbau des vorderen Aus- puffrohrs" im Kapitel "Motoroberseite") • Mit dem Wagenheber das Hinterrad aufbocken. Spezialwerkzeuge - Wagenheber: 57001-1238 Stützblöcke: 57001-1608 • Denfixieren. langsam drücken und mit einem Band [A] Bremshebel ACHTUNG Die Vorderradbremse beim Ausbau des Stoßdämp- fers festhalten, sonst kippt das Motorrad um. Da- durch kann es zu Unfällen und Verletzungen kom- men. • Ausbauen: Schraube des unteren Stoßdämpfers [A] Mutter und Mutter und Schraube der oberen Spurstange [B] Mutter und Schraube des oberen Stoßdämpfers [C] • Den Stoßdämpfer nach unten ausbauen. Einbau des Hinterrad-Stoßdämpfers • Den Hinterrad-Stoßdämpfer bei angehobenem Hinterrad einbauen. • Festziehen: Anzugsmoment - Muttern des Hinterrad-Stoßdämpfers: 34 N·m (3,5 kgf·m) Muttern der Spurstange: 59 N·m (6,0 kgf·m)
  • 488.
    13-22 FEDERUNG Hinterrad-Stoßdämpfer Prüfung desHinterrad-Stoßdämpfers • Den Hinterrad-Stoßdämpfers"). des Hinterrad-Stoßdämpfer ausbauen (siehe "Ausbau • Folgendes visuellHub Leichtgängiger prüfen: Ölaustritt Risse oder Einkerbung Wenn der Hinterrad-Stoßdämpfer in irgendeiner Weise beschädigt ist, diesen austauschen. • Die Buchse einer Sichtprüfung unterziehen. Wenn die Buchse beim Anzeichen einer Beschädigung aufweist, die Buchse austauschen. Verschrottung des Hinterrad-Stoßdämpfers ACHTUNG Da der Gastank des Hinterrad-Stoßdämpfers Stick- stoffgas enthält, den Gastank nicht ins Feuer wer- fen, sonst kann das Gas austreten und der Gastank explodieren. • Den Ventildeckel [A] ausbauenentweichen lassen. voll- ständig aus dem Gasbehälter und das Stickstoffgas • Das Ventil [B] lösen. ACHTUNG Da das Gas unter hohem Druck steht, stellt es eine Gefahrenquelle dar, und das Ventil darf nicht auf Körper oder Gesicht gerichtet sein.
  • 489.
    FEDERUNG 13-23 Schwingenachse Ausbau derSchwingenachse • Ausbauen: (siehe "Ausbau des Hinterrades" im Kapitel Hinterrad "Räder/Reifen") Motorkettenradabdeckung (siehe "Ausbau des Motor- kettenrads" im Kapitel "Achsantrieb") Schraube [A] Bremsschlauchschelle [B] Bremspedal (siehe "Ausbau des Bremspedals" im Kapi- tel "Bremsen") Hinteres Auspuffrohr (siehe "Ausbau des hinteren Aus- puffrohrs" im Kapitel "Motoroberseite") Antriebskette (siehe "Ausbau der Antriebskette" im Ka- pitel "Achsantrieb") • Ausbauen: Schraube der oberen Spurstange [A] Mutter und Hinterrad-Stoßdämpfer [B] (siehe "Ausbau des Hinter- rad-Stoßdämpfers") • Die Sicherungsmutter der Schwingarmachse [A] lösen. • Diemit dem Mutternschlüssel [B] herausdrehen. [A] Sicherungsmutter der Schwingachsen-Einstellhülse Spezialwerkzeug - Schlüssel für Schwingenachsenmutter: 57001 -1597 • Die Schwingarmachse [C] ein paar Umdrehungen her- ausdrehen. ○Die Schwingarmachsen-Einstellhülse [D] nach links dre- hen. • Die rechte Seite der Schwenkachse aus dem Motorrad herausziehen und die Schwinge abnehmen.
  • 490.
    13-24 FEDERUNG Schwingenachse Einbau derSchwingenachse • Die Lippe [A] der Fettdichtungen reichlich einfetten. • Die Einstellhülse [A]die Kontaktfläche [C] der Schwingen- dass sie nicht über so in den Rahmen [B] einschrauben, achse heraussteht. • Die Unterlegscheibe [A] zwischen dem am Rahmen ein- Schwingenachse und der Kontaktfläche linken Ende der legen. • Die Schwenkachse [A] von der rechten Seite in den Rah- men einsetzen. • Die Schwenkachse sound dem KugellagerSpiel0zwischen der Einstellhülse [B] anziehen, dass das [C] mm [D] beträgt. Anzugsmoment - Schwingenachsen-Einstellhülse: 20 N·m (2,0 kgf·m) • Die Sicherungsmutter der Einstellhülse [A] mit dem Schwingenachsen-Mutternschlüssel [B] herausdrehen. Spezialwerkzeug - Schlüssel für Schwingenachsenmutter: 57001 -1597 Anzugsmoment - Sicherungsmutter der Schwingenachsen -Einstellhülse: 98 N·m (10 kgf·m)
  • 491.
    FEDERUNG 13-25 Schwingenachse • DieSchwingenachsenmutter [A] festziehen. Anzugsmoment - Mutter der Schwingenarmachse: 108 N·m (11 kgf·m) • Die ausgebauten Teile einbauen (siehe entsprechende Kapitel). Ausbau des Schwingenlagers • Ausbauen: Schwingenachse (siehe "Ausbau der Schwingenachse") Unterlegscheibe [A] Fettdichtungen [B] Hülse [C] Sicherungsring [D] (rechts) Spezialwerkzeug - Montagezange für Innensicherungsringe: 57001 -143 • Das Kugellager und das Nadellager ausbauen. Spezialwerkzeug - Öldichtung & Lagerabzieher [A]: 57001-1058 Einbau des Schwingenlagers • Die Kugel- und Nadellager mit den Herstellermarken nach Kugel- und Nadellager [A] erneuern. • Die einsetzen. außen Spezialwerkzeuge - Lagertreibersatz: 57001-1129 Nadellagertreiber, 28 [B]: 57001-1610 Distanzstück, 28: 57001-1637
  • 492.
    13-26 FEDERUNG Schwingenachse • Diewie in der AbbildungKugellager [B] und Öldichtungen [C] Nadellager [A], das gezeigt einsetzen. Sicherungsring [D] 32,5 mm [E] 0,5 mm [F] 1 mm [G] 5 mm [H] Prüfung des Schwingenlagers und der Hülse VORSICHT Die Lager zur Prüfung nicht ausbauen. Beim Aus- bau werden die Lager beschädigt. • Die in der Schwingenachse eingebauten Nadellager [A] und das Kugellager überprüfen. ○Die Rollen und Kugeln in einem Lager weisen normaler- weise nur geringen Verschleiß auf, der sich nur schwer bestimmen lässt. Anstelle einer Messung das Lager vi- suell auf Abrieb, Verfärbung oder andere Schäden kon- trollieren. Wenn das Nadellager und die Hülse [B] Zeichen für anor- malen Verschleiß aufweisen, verfärbt oder beschädigt sind, diese Teile im Satz ersetzen. • Die Lager inund dabei auf freies Spiel, Klemmstellen oder drehen [A] der Schwingenachse vorwärts und rückwärts Schwergängigkeit kontrollieren. Wird ein zu hohes Lagerspiel, Schwergängigkeit oder eine Klemmstelle festgestellt, das Lager austauschen. • Die Lagerdichtung des rechten Kugellagers auf Ver- schleiß und Undichtheit prüfen. Ist die Dichtung verschlissen oder undicht, das Lager er- setzen. Prüfung der Kettenführung • Siehe "Prüfung der Kettenführung auf Verschleiß" im Ka- pitel "Regelmäßige Wartung".
  • 493.
    FEDERUNG 13-27 Spurstange, Kipphebel Ausbauder Spurstange • Ausbauen: Untere Verkleidung (siehe "Ausbau der unteren Verklei- dung" im Kapitel "Rahmen") Vorderes Auspuffrohr (siehe "Ausbau des vorderen Aus- puffrohrs" im Kapitel "Motoroberseite") • Den Bremshebel langsam drücken und mit einem Band [A] fixieren. • Mit dem Wagenheber das Hinterrad aufbocken. Spezialwerkzeuge - Wagenheber: 57001-1238 Stützblöcke: 57001-1608 • Ausbauen: und Mutter der oberen Spurstange [A] Schraube Schraube und Mutter der unteren Spurstange [B] Spurstangen [C] Einbau der Spurstange • Die Innenseite derso einbauen, dass die markierte Seite Fettdichtungen einfetten. • [A] nach außen zeigt. Die Spurstangen • Festziehen: Anzugsmoment - Muttern der Spurstange: 59 N·m (6,0 kgf·m) Ausbau des Kipphebels • Ausbauen: Untere Verkleidung (siehe "Ausbau der unteren Verklei- dung" im Kapitel "Rahmen") • Den Bremshebel langsam drücken und mit einem Band [A] fixieren. • Ausbauen:Auspuffrohr (siehe "Ausbau des vorderen Aus- Vorderes puffrohrs" im Kapitel "Motoroberseite") • Zunächst folgende Muttern ausbauen. [A] Mutter des unteren Hinterrad-Stoßdämpfers [B] Untere Spurstangenmutter [C] Kipphebelmutter
  • 494.
    13-28 FEDERUNG Spurstange, Kipphebel •Mit dem Wagenheber das Hinterrad aufbocken. Spezialwerkzeuge - Wagenheber [A]: 57001-1238 Stützblöcke [B]: 57001-1608 • Ausbauen: Untere Schraube des Hinterrad-Stoßdämpfers [A] Untere Schraube der Spurstange [B] Kipphebelschraube [C] Kipphebel [D] Einbau des Kipphebels • Die Innenseite der Fettdichtungen einfetten. • Festziehen: Anzugsmoment - Uni-Track-Kipphebelmutter: 34 N·m (3,5 kgf·m) Muttern der Spurstange: 59 N·m (6,0 kgf·m) Mutter des Hinterrad-Stoßdämpfers (unten): 34 N·m (3,5 kgf·m)
  • 495.
    FEDERUNG 13-29 Spurstange, Kipphebel Ausbauder Spurstange und des Kipphebellagers • Ausbauen: (siehe "Ausbau der Spurstange" in diesem Spurstangen Kapitel) Kipphebel (siehe "Ausbau des Kipphebels" in diesem Kapitel) Hülsen [A] Fettdichtung [B] Schwingenachse [C] Nadellager [D] ○Zum Ausbau der Nadellager [A] die Lager gleichmäßig mit der Lagerabzieherwelle [B] beklopfen. Spezialwerkzeug - Lagerabzieherwelle, 13: 57001-1377 Einbau der Spurstange und des Kipphebellagers • Die Nadellager und die Öldichtungen durch neue erset- zen. • Die Lippen der Öldichtungen reichlich einfetten. • Die Nadellager und Öldichtungen wie in der Abbildung gezeigt einsetzen.
  • 496.
    13-30 FEDERUNG Spurstange, Kipphebel ○DenNadellagertreiber [A] in den Lagertreiberhalter [B] einschrauben. ○Den Nadellagertreiber in das Nadellager [C] einsetzen und das Nadellager in das Lagergehäuse drücken, bis der Lagertreiber das Gehäuseende berührt. Lager-Einpresstiefe: 5,5 mm [D] 5,0 mm [E] ANMERKUNG ○Bei einem Lager-Innendurchmesser von 18 dieje- nige Seite des Nadellagertreibers wählen, die der Einpresstiefe entspricht. Spezialwerkzeuge - Lagertreibersatz: 57001-1129 Nadellagertreiber, 17/ 18: 57001-1609 Distanzstück, 18 [F]: 57001-1636 ANMERKUNG ○Die Nadellager so montieren, dass die markierten Sei- ten nach außen zeigen. Nadellager [A] Öldichtungen [B] Vorn [C] Rechte Seite [D] Linke Seite [E] Hinterrad-Stoßdämpfer [F] Spurstangen [G] Kipphebel [H] 7,5 mm [I] 5,0 mm [J] 5,5 mm [K]
  • 497.
    FEDERUNG 13-31 Spurstange, Kipphebel Kipphebel/Spurstangenlager- Prüfung der Hülse VORSICHT Die Lager zur Prüfung nicht ausbauen. Beim Aus- bau werden die Lager beschädigt. • Die [B] visuell überprüfen. ger Kipphebel oder Spurstangenhülsen [A] und Nadella- • Die Rollen geringen Verschleiß auf, derweisen normaler- weise nur und Kugeln in einem Lager sich nur schwer bestimmen lässt. Anstelle einer Messung das Lager vi- suell auf Abrieb, Verfärbung oder andere Schäden kon- trollieren. Wenn Zweifel an der Funktionsfähigkeit eines Nadella- gers oder einer Hülse bestehen, Hülse und Nadellager komplett ersetzen. Schmierung des Kipphebelarms/Spurstangen- lagers ANMERKUNG ○Da die Lager mit Fett gefüllt sind, ist eine Schmierung nicht erforderlich.
  • 499.
    LENKUNG 14-1 Lenkung INHALTSVERZEICHNIS Explosionszeichnung.............................................................................................................. 14-2 Spezialwerkzeuge .................................................................................................................. 14-4 Lenkung.................................................................................................................................. 14-5 Prüfung der Lenkung ........................................................................................................ 14-5 Einstellung der Lenkung ................................................................................................... 14-5 Lenkschaft .............................................................................................................................. 14-6 Ausbau des Lenkschafts und Lenklagers ......................................................................... 14-6 Einbau der Lenkung und des Lenklagers ......................................................................... 14-7 Schmierung des Lenkschaftlagers.................................................................................... 14-9 Lenkschaftverzug.............................................................................................................. 14-9 Mängel, Schäden des Lenkschaft-Staubrings .................................................................. 14-9 Lenker..................................................................................................................................... 14-10 Ausbau des Lenkers ......................................................................................................... 14-10 Einbau des Lenkers .......................................................................................................... 14-11 14
  • 500.
  • 501.
    LENKUNG 14-3 Explosionszeichnung Anzugsmoment Nr. Verbindungselement Anmerkungen N·m kgf·m 1 Klemmschrauben der Vorderradgabel (unten) 25 2,5 AL 2 Klemmschrauben der Vorderradgabel (oben) 20 2,0 3 Lenkerschrauben 25 2,5 4 Lenkerpositionsschrauben 9,8 1,0 L 5 Lenkschaftkopfmutter 78 8,0 6 Lenkschaftmutter 20 2,0 7 Schaltergehäuseschrauben 3,5 0,36 AD: Kleber auftragen. AL: Die beiden Klemmschrauben abwechselnd zweimal anziehen, um ein gleichmäßiges Anzugs- moment sicherzustellen. G: Fett auftragen. L: Ein nicht-permanentes Gewindedichtmittel auftragen. R: Ersatzteile
  • 502.
    14-4 LENKUNG Spezialwerkzeuge Lagerabzieher: Lagertreibersatz: 57001-135 57001-1129 Lagerabzieheradapter: Austreiber für Lenkschaftlager, 42,5: 57001-136 57001-1344 Druckstück für äußeren Laufring des Adapter für Lenkerlager-Austreiber, 41,5: Steuerrohres: 57001-1345 57001-1075 Austreiber für äußeren Laufring des Lenkschaftmuttern-Schlüssel: Steuerrohres, 55: 57001-1100 57001-1446
  • 503.
    LENKUNG 14-5 Lenkung Prüfung derLenkung • Siehe "Prüfung des Lenkungsspiels" im Kapitel "Regel- mäßige Wartung". Einstellung der Lenkung • Siehe "Einstellung des Lenkungsspiels" im Kapitel "Re- gelmäßige Wartung".
  • 504.
    14-6 LENKUNG Lenkschaft Ausbau desLenkschafts und Lenklagers • Ausbauen: (siehe "Ausbau des Kraftstofftanks" im Ka- Kraftstofftank pitel "Kraftstoffanlage (DFI)") Vorderrad (siehe "Ausbau des Vorderrades" im Kapitel "Räder/Reifen") Vorderradgabel (siehe "Ausbau der Vorderradgabel" im Kapitel "Federung") Bremsschlauch-Klemmschraube [A] • Ausbauen: Lenkschaftkopfmutter [A] und Unterlegscheibe [B] Lenkschaftkopf Lenker (siehe "Ausbau des Lenkers"). • Die Klauen [A] der Sicherungsscheibeausbauen. gerade biegen. • Die Lenkschaft-Sicherungsmutter [B] Spezialwerkzeug - Lenkschaftmuttern-Schlüssel: 57001-1100 • Die Sicherungsscheibe ausbauen. • Die Gabelbrücke nach oben drücken und die Lenkschaft- mutter [A] mit dem Staubring entfernen. Spezialwerkzeug - Lenkschaftmuttern-Schlüssel [B]: 57001-1100 • Ausbauen: [C] Lenkschaft Innerer Lagerlaufring des oberen Kugellagers • Zum Ausbau der äußeren Lagerlaufringe [A], die an das Steuerrohr [B] eingepresst sind, eine Stange [C] in die Aussparungen des Steuerrohres einsetzen und auf die Aussparungen abwechselnd mit einem Hammer schla- gen, um die Lagerlaufringe herauszudrücken. ANMERKUNG ○Wenn eines der Lenkerschaftlager beschädigt ist, das obere und untere Lager (mit den äußeren Laufringen) durch neue ersetzen.
  • 505.
    LENKUNG 14-7 Lenkschaft • Deninneren mit Hilfe des Lagerabziehers [C] und Adap- dichtung) [A] Laufring des unteren Kugellagers (mit Öl- ters [D] vom Lenkschaft abziehen. Spezialwerkzeuge - Lagerabzieher: 57001-135 Lagerabzieheradapter: 57001-136 Einbau der Lenkung und des Lenklagers • Die dem Treiber gleichzeitigerneuern. äußeren Lagerlaufringe • cken. Mit in das Kopfrohr hineindrü- Spezialwerkzeuge - Druckstück für äußeren Laufring des Steuerroh- res [A]: 57001-1075 Lagertreibersatz: 57001-1129 Austreiber für äußeren Laufring des Steuerroh- res, 55 [B]: 57001-1446 • Die äußeren Laufringe einfetten. • Die inneren Lagerlaufringe und Öldichtung durch neue ersetzen. • Die Öldichtung [D] im Kugellagers [A] gut gefettet in die Laufring des unteren Lenker einbauen und den inneren Lenkung eindrücken. Spezialwerkzeuge - Austreiber für Lenkschaftlager, 42,5 [B]: 57001 -1344 Adapter für Lenkerlager-Austreiber, 41,5 [C]: 57001-1345 • Das auftragen: untere Kugellager [A] in den Schaft einbauen. • Fett und äußere Laufringe Innere Obere und untere Kugellager ○Die oberen und unteren Kugellager sind identisch.
  • 506.
    14-8 LENKUNG Lenkschaft • DenSchaft[B] und den inneren Laufring [C] darauf mon- Kugellager [A] durch das Steuerrohr einführen und das tieren. • Folgende Teile einbauen: Staubring [D] Lenkschaftmutter [E] • Die Lager die folgt setzen. ○Zunächst wie Lenkschaftmutter mit einem Anzugsmo- ment von 55 N·m (5,6 kgf·m) festziehen und wieder leicht lösen, bis sich der Lenkschaft leicht drehen lässt (Um die Lenkschaftmutter mit dem vorgeschriebenen Anzugsmoment festzuziehen, den Hakenschlüssel auf die Mutter setzen und den Schlüssel an der Bohrung mit einer Kraft von 305 N (31,0 kgf) in die dargestellte Richtung ziehen). Danach mit einem Spezialwerkzeug [A] erneut mit dem vorgeschriebenen Anzugsmoment festziehen. Spezialwerkzeug - Lenkschaftmuttern-Schlüssel: 57001-1100 Anzugsmoment - Lenkschaftmutter: 20 N·m (2,0 kgf·m) ○Für ein Anzugsmoment von 20 N·m (2,0 kgf·m) den Schlüssel an der Bohrung mit einer Kraft von 101 N (11,1 kgf) ziehen. • Die Klauenscheibe [A] so einbauen, dass der Klauen so Seite [B] nach oben zeigt, und die Nasen die gebogene biegen, dass sie in die Nuten der Sicherungsmutter des Lenkschafts [C] eingreifen. • Die Sicherungsmutter des Lenkschafts mit der Hand fest- ziehen, bis sie die Klauenscheibe berührt. • Die Sicherungsmutter des Lenkschafts im Uhrzeigersinn anziehen, bis die Klauen auf die Nuten (zweite bis vierte Nut) der Lenkermutter [D] ausgerichtet sind, anschlie- ßend die beiden Klauen [E] nach unten biegen. • Den Lenkkopf [A] mit dem Lenker am Lenkschaft [B] mon- tieren. • Die Unterlegscheibe [C] einbauen und die Lenkschaft- mutter [D] provisorisch festziehen. • Die Vorderradgabel einbauen (siehe "Einbau der Vorder- radgabel" im Kapitel "Federung").
  • 507.
    LENKUNG 14-9 Lenkschaft ANMERKUNG ○Zuerst die oberen Klemmschrauben der Gabel [A], da- nach die Steuerkopfmutter [B] und zuletzt die unteren Klemmschrauben der Gabel [C] und die Lenkerschrau- ben [D] anziehen. ○Die beiden unteren Klemmenschrauben der Gabel ab- wechselnd zweimal festziehen, damit das gleiche An- zugsmoment garantiert ist. Anzugsmoment - Klemmschrauben der Vorderradgabel (oben): 20 N·m (2,0 kgf·m) Lenkschaftkopfmutter: 78 N·m (8,0 kgf·m) Klemmschrauben der Vorderradgabel (unten): 25 N·m (2,5 kgf·m) Lenkerschrauben: 25 N·m (2,5 kgf·m) ACHTUNG Die Schwenkbewegung des Lenkers darf nicht durch falsches Verlegen von Seilzügen, Kabel- bäumen und Schläuchen behindert werden (siehe Abschnitt "Verlegung von Seilzügen, Kabeln und Schläuchen" im Anhang). Schmierung des Lenkschaftlagers • Siehe "Schmierung des Lenkschaftlagers" im Kapitel "Re- gelmäßige Wartung". Lenkschaftverzug • Immer, wenn der Lenker ausgebaut wird oder kann, die kung nicht mehr leichtgängig eingestellt werden die Len- Geradheit des Lenkers kontrollieren. Ein verzogener Lenkschaft [A] muss erneuert werden. Mängel, Schäden des Lenkschaft-Staubrings Der Lenkschaft-Staubring muss erneuert werden, wenn die Öldichtung [A] Schäden aufweist.
  • 508.
    14-10 LENKUNG Lenker Ausbau desLenkers • Lockern: Klemmschrauben der Vorderradgabel [A] (links und rechts) Lenkerschrauben [B] (links und rechts) • Ausbauen: Kupplungshebel-Klemmschrauben [A] Kupplungshebeleinheit [B] Linkes Schaltergehäuse [C] Lenkergewicht [D] • Ausbauen: Vorderrad-Hauptbremszylinder [A] (siehe "Ausbau des Vorderrad-Hauptbremszylinders" im Kapitel "Bremsen") Rechtes Schaltergehäuse [B] Drosselklappengehäuse [C] Lenkergewicht [D] Gasdrehgriff [E] • Ausbauen: Lenkschaftkopfmutter [A] und Unterlegscheibe [B] Lenkschaftkopf [C] mit Lenkern • Ausbauen: Lenkerpositionsschrauben [A] • Den linken Lenkergriff [C] abmontieren. Die Lenker [B] ausbauen. •
  • 509.
    LENKUNG 14-11 Lenker Einbau desLenkers • An der Innenseite des linken Lenkergriffs Klebezement auftragen. • Ein nicht-permanentes Gewindedichtmittel auf die Ge- winde der Lenkerpositionsschrauben auftragen. • Festziehen: Anzugsmoment - Lenkschaftkopfmutter: 78 N·m (8,0 kgf·m) Lenkerschrauben: 25 N·m (2,5 kgf·m) Lenkerpositionsschrauben: 9,8 N·m (1,0 kgf·m) • Den vorderen Hauptbremszylinder einbauen Kapitel "Einbau des vorderen Hauptbremszylinders" im (siehe "Bremsen"). • Das rechte undin die kleine Öffnung [B]einbauen. einset- ○Diese Nase [A] linke Schaltergehäuse im Lenker zen. Anzugsmoment - Schaltergehäuseschrauben: 3,5 N·m (0,36 kgf·m) • Folgende Teile einbauen:"Einbau des Kupplungshebels" Kupplungshebel (siehe im Kapitel "Kupplung") • Folgende Teile einbauen: Gasdrehgriff Gaszugenden Drosselklappengehäuse ○Diese Nase [A] in die kleine Öffnung [B] im Lenker einset- zen. • Ein nicht-permanentes Gewindedichtmittel auf und Ge- winde der Lenkergewichtschrauben auftragen die die Schrauben festziehen. • Die ausgebauten Teile einbauen (siehe entsprechende Kapitel).
  • 511.
    RAHMEN 15-1 Rahmen INHALTSVERZEICHNIS Explosionszeichnung.............................................................................................................. 15-2 Sitze........................................................................................................................................ 15-8 Ausbau des Soziussitzes .................................................................................................. 15-8 Einbau des Soziussitzes ................................................................................................... 15-8 Ausbau des Vordersitzes .................................................................................................. 15-8 Einbau des Vordersitzes ................................................................................................... 15-8 Verkleidungen......................................................................................................................... 15-9 Ausbau der unteren Verkleidung....................................................................................... 15-9 Einbau der unteren Verkleidung........................................................................................ 15-9 Ausbau der mittleren Verkleidung ..................................................................................... 15-9 Ausbau des Windschutzes................................................................................................ 15-11 Einbau des Windschutzes................................................................................................. 15-11 Zerlegung der oberen Verkleidung.................................................................................... 15-12 Zusammenbau der oberen Verkleidung............................................................................ 15-12 Einbau der oberen Verkleidung......................................................................................... 15-12 Ausbau der inneren Abdeckung........................................................................................ 15-13 Einbau der inneren Abdeckung......................................................................................... 15-13 Ausbau der mittleren inneren Verkleidung ........................................................................ 15-13 Einbau der mittleren inneren Verkleidung ......................................................................... 15-13 Ausbau der unteren inneren Verkleidung.......................................................................... 15-14 Einbau der unteren inneren Verkleidung........................................................................... 15-14 Seitendeckel ........................................................................................................................... 15-15 Ausbau des linken Seitendeckels ..................................................................................... 15-15 Einbau des linken Seitendeckels ...................................................................................... 15-15 Ausbau des rechten Seitendeckels................................................................................... 15-15 Einbau der rechten Seitenabdeckung............................................................................... 15-15 Sitzbezug................................................................................................................................ 15-16 Ausbau des Sitzbezugs .................................................................................................... 15-16 Einbau des Sitzbezuges ................................................................................................... 15-16 Motordeckel ............................................................................................................................ 15-17 Ausbau der Wärmedämmung .......................................................................................... 15-17 15 Einbau der Wärmedämmung ........................................................................................... 15-17 Ausbau der Gummi-Wärmedämmung .............................................................................. 15-17 Einbau der Gummi-Wärmedämmung ............................................................................... 15-18 Schutzbleche .......................................................................................................................... 15-19 Ausbau des Vorderrad-Schutzbleches.............................................................................. 15-19 Einbau des Vorderrad-Schutzblechs................................................................................. 15-19 Ausbau der Klappe und des Hinterrad-Schutzblechs ....................................................... 15-19 Einbau der Klappe und des Hinterrad-Schutzblechs ........................................................ 15-22 Rahmen .................................................................................................................................. 15-23 Ausbau des hinteren Rahmens......................................................................................... 15-23 Einbau des Heckrahmens................................................................................................. 15-23 Prüfung des Rahmens ...................................................................................................... 15-23 Seitenständer ......................................................................................................................... 15-24 Ausbau der Seitenständermutter ...................................................................................... 15-24 Einbau des Seitenständers ............................................................................................... 15-24
  • 512.
  • 513.
    RAHMEN 15-3 Explosionszeichnung Anzugsmoment Nr. Verbindungselement Anmerkungen N·m kgf·m 1 Schrauben der vorderen Fußrastenhalterung 25 2,5 2 Schrauben der hinteren Fußrastenhalterung 25 2,5 3 Hintere Rahmenschrauben 44 4,5 L 4 Seitenständerschraube 44 4,5 G 5 Schrauben der Seitenständerhalterung 49 5,0 L 6 Schraube des Seitenständerschalters 8,8 0,90 L G: Fett auftragen. L: Ein nicht-permanentes Gewindedichtmittel auftragen. R: Ersatzteile
  • 514.
  • 515.
    RAHMEN 15-5 Explosionszeichnung Anzugsmoment Nr. Verbindungselement Anmerkungen N·m kgf·m 1 Befestigungsschrauben für Vorderrad-Schutzblech 3,9 0,40 2. Modelle für USA und Kanada
  • 516.
  • 517.
    RAHMEN 15-7 Explosionszeichnung Anzugsmoment Nr. Verbindungselement Anmerkungen N·m kgf·m 1 Befestigungsschrauben der Windschutzscheibe 0,4 0,04
  • 518.
    15-8 RAHMEN Sitze Ausbau desSoziussitzes • Den Zündschlüssel [A]Vorderteil des Soziussitzes [B] erst nach links drehen, das in das Sitzschloss einführen und nach oben und dann nach vorne abziehen. Einbau des Soziussitzes • Den Haken [A] des Soziussitzes in die Rippe [B] einha- ken. • Das Sitzbankstift [C] in die Arretierungsöffnungen [D] ein- setzen. Ausbau des Vordersitzes • Ausbauen: (Beide Seite) (siehe "Ausbau des rech- Seitendeckel ten/linken Seitendeckels") Befestigungsschrauben [A] (Beide Seite) • Die vordere Sitzbank [B] durch Ziehen des vorderen Teils nach oben und vorn ausbauen. Einbau des Vordersitzes • Die Hakenschieben. Halterung des Vordersitzes [A] unter die Schelle [B] der • Befestigungsschrauben festziehen.
  • 519.
    RAHMEN 15-9 Verkleidungen Ausbau derunteren Verkleidung • Ausbauen: [A] mit Unterlegscheiben Schrauben • Den Haken aus dem Schlitz lösen. • Den Kern [A] mit einem feinen Schraubendreher hochzie- hen. • Ausbauen: [B] Schnellnieten • Die rechte untere Verkleidung von der linken unteren Ver- kleidung trennen. Einbau der unteren Verkleidung • Den Schnellniet [A] einsetzen und den Kern [B] hineindrü- cken. • Den Haken [A] in den Schlitz [B] einhaken. Ausbau der mittleren Verkleidung Ausbau der linken mittleren Verkleidung •Ausbauen: Untere Verkleidung (siehe "Ausbau der unteren Verklei- dung") Schrauben [A] mit Unterlegscheiben Linke Innenabdeckung [B] (siehe "Ausbau der rechten und linken Innenabdeckung")
  • 520.
    15-10 RAHMEN Verkleidungen • Ausbauen:[A] Schnellnieten • Ausbauen: [A] Schnellnieten Kabelverbinder für linke Blinkerleuchte Bandabscheider (Modell für Kalifornien) • Die linke Innenverkleidung zusammen mit der unteren In- nenverkleidung ausbauen. Einbau der linken mittleren Verkleidung • Das Bandabscheider einbauen (Modell für Kalifornien). • Den Kabelverbinder der linken Blinkerleuchte anschlie- ßen. • Die Nasen [A] in die Schlitzen [B] einführen. • Folgende Teile einbauen: Linke Innenabdeckung (siehe "Einbau der Innenabde- ckung") Unterlegscheiben und Schrauben Ausbau der rechten mittleren Verkleidung •Ausbauen: Untere Verkleidung (siehe "Ausbau der unteren Verklei- dung") Schrauben [A] mit Unterlegscheiben Rechte Innenabdeckung [B] (siehe "Ausbau der Innen- abdeckung") • Ausbauen: [A] Schnellnieten
  • 521.
    RAHMEN 15-11 Verkleidungen • Ausbauen:[A] Schnellnieten • Ausbauen: [A] der rechten Blinkerleuchte Kabelverbinder Lüftermotor-Steckverbinder [B] Relaiskasten-Steckverbinder [C] Sicherungskasten [D] • Die rechte mittlere Verkleidung ausbauen. Einbau der rechten mittleren Verkleidung • Sicherungskasten einbauen. • Anschließen: Relaiskasten-Steckverbinder Lüftermotor-Steckverbinder Kabelverbinder für rechte Blinkerleuchte • Die Nasen [A] in die Schlitzen [B] einführen. • Folgende Teile einbauen: Rechte Innenabdeckung (siehe "Einbau der Innenabde- ckung") Unterlegscheiben und Schrauben Ausbau des Windschutzes • Ausbauen: [A] und Unterlegscheiben Schrauben Windschutz [B] Einbau des Windschutzes • Die vordere Zungeund Schrauben einbauen. einsetzen. [A] in die Aushöhlung [B] • Unterlegscheiben Anzugsmoment - Befestigungsschrauben des Windschutzes: 0,4 N·m (0,04 kgf·m)
  • 522.
    15-12 RAHMEN Verkleidungen Ausbau deroberen Verkleidung •Ausbauen: Untere Verkleidung (siehe "Ausbau der unteren Verklei- dung") Mittlere Verkleidung (siehe "Ausbau der linken mittleren Verkleidung") Windschutz (siehe "Ausbau des Windschutzes") Innenabdeckung (siehe "Ausbau der Innenabdeckung") Scheinwerfer-Kabelverbinder [A] Klemmen (offen) [B] Stadtlicht-Steckverbinder [C] • Abziehen: Instrumenten-Kabelverbinder [A] Umkippsensor-Steckverbinder [B] Verbinder des Wegfahrsperren-Verstärkers (ausgerüs- tete Modelle) •Ausbauen: Blinkgeberrelais [C] Schrauben [D] Obere Verkleidung ○Die obere Verkleidung nach vorne herausziehen. Zerlegung der oberen Verkleidung • Ausbauen: Verkleidung [A] (siehe "Ausbau der mitt- Mittlere innere leren inneren Verkleidung") Muttern [B] Rückspiegel (rechts und links) Instrumenteneinheit [C] mit Halterung (siehe "Ausbau der Instrumenteneinheit" im Kapitel "Elektrik") Schrauben [D] Schrauben [E] Scheinwerfer (siehe "Ausbau des Scheinwerfers" im Ka- pitel "Elektrik") Stadtlicht Halter Zusammenbau der oberen Verkleidung • Die ausgebauten Teile einbauen (siehe entsprechende Kapitel). Einbau der oberen Verkleidung • Die ausgebauten Teile einbauen (siehe entsprechende Kapitel).
  • 523.
    RAHMEN 15-13 Verkleidungen Ausbau derinneren Abdeckung • Die Innenabdeckung [B] abmontieren. Schraube [A] herausdrehen. • Die Innenabdeckung ausbauen, indem sie den hinteren ○ Die Teil [C] angehoben und nach vorne herausgezogen wird, ohne an die Anschläge anzustoßen. ○Die Innenabdeckung ausbauen, indem sie den vorderen Teil [D] angehoben und nach hinten herausgezogen wird, ohne an die Anschläge anzustoßen. Einbau der inneren Abdeckung • Das hintere Teil der Abdeckung unter der mittleren Ver- kleidung einsetzen. • Die oberen [B] der Innenabdeckung in die Bohrungen [A] der Nasen Verkleidung einpassen. • Die Schraube festziehen. Ausbau der mittleren inneren Verkleidung • Ausbauen: Obere Verkleidung (siehe "Ausbau der oberen Verklei- dung") Schrauben [A] Mittlere inneren Verkleidung [B] ○Die mittlere innere Verkleidung nach hinten [C] heraus- schieben. Einbau der mittleren inneren Verkleidung • Die Zungen[B] inder mittlerenVerkleidung einsetzen. die Bohrungen [A] der oberen inneren Verkleidung in
  • 524.
    15-14 RAHMEN Verkleidungen Ausbau derunteren inneren Verkleidung • Ausbauen: Mittlere Verkleidung (siehe "Ausbau der mittleren Ver- kleidung") Schrauben [A] Schnellniete [B] Innere Verkleidung [C] Einbau der unteren inneren Verkleidung • Festziehen: [A] Schrauben Schnellnieten [B] • Die ausgebauten Teile einbauen (siehe entsprechende Kapitel).
  • 525.
    RAHMEN 15-15 Seitendeckel Ausbau deslinken Seitendeckels • Ausbauen: [A] Schraube Nasen [B] • Die Seitenabdeckung [C] herausziehen. Einbau des linken Seitendeckels • Die Nasen [A] festziehen. in die Bohrungen [B] einführen. • Die Schraube Ausbau des rechten Seitendeckels • Ausbauen: [A] Schrauben Nasen [B] • Die Seitenabdeckung [C] herausziehen. Einbau der rechten Seitenabdeckung • Die Nasen [A] in die Bohrungen [B] einführen.
  • 526.
    15-16 RAHMEN Sitzbezug Ausbau desSitzbezugs • Ausbauen: "Ausbau des vorderen/hinteren Sitzes") Sitze (siehe Schrauben [A] mit Unterlegscheibe • Ausbauen: [A] mit Unterlegscheibe Schrauben • Ausbauen: [A] mit Unterlegscheibe Schraube Sitzabdeckung [B] (nach hinten) Einbau des Sitzbezuges • Die ausgebauten Teile wieder einbauen.
  • 527.
    RAHMEN 15-17 Motordeckel Ausbau derWärmedämmung • Ausbauen: Untere Verkleidung (siehe "Ausbau der unteren Verklei- dung") Mittlere Verkleidung (siehe "Ausbau der linken mittleren Verkleidung") Obere Motorkühlerschrauben [A] (Beide Seite) Untere Motorkühlerschraube [B] • Den Motorkühler nach vorne verschieben. • Die WärmedämmungWärmedämmung so herausziehen, ○Die rechte Seite der [B] ausbauen. dass die Nasen [A] nicht an die Anschläge anstoßen. Einbau der Wärmedämmung • Die Nasen [A] in die Bohrungen [B] des Rahmens einfüh- ren. ANMERKUNG ○Die Wärmedämmung mit der rechten Seite zuerst ein- bauen. • Die ausgebauten Teile einbauen (siehe entsprechende Kapitel). Ausbau der Gummi-Wärmedämmung • Ausbauen: (siehe "Ausbau des Kraftstofftanks" im Ka- Kraftstofftank pitel "Kraftstoffanlage") Luftfiltergehäuse (siehe "Ausbau des Luftfiltergehäuses" im Kapitel "Kraftstoffanlage") Drosselklappengehäuse (siehe "Ausbau des Drossel- klappengehäuses" im Kapitel "Kraftstoffanlage") Kabelverbinder der Lichtmaschine [A] Steckverbinder des Gangpositionssensors [B] Steckverbinder des Wassertemperatursensors Kurbelwellensensorkabel Klemmen [C] Gummi-Wärmedämmung [D]
  • 528.
    15-18 RAHMEN Motordeckel Einbau derGummi-Wärmedämmung • Die Gummi-Wärmedämmung [A] mit dem weiß markier- ten Teil [C] nach oben weisend im Drosselklappenge- häuse (Nr. 2, 3) [B] einbauen. • Folgende Teile einbauen: Steckverbinder des Wassertemperatursensors [D] Steckverbinder der Lichtmaschine [E] Leiter des Gangpositionsschalters [F] Kurbelwellensensorkabel [G] Kühlerschlauch [H] Entlüftungsschlauch [I] Steckverbinder des Startermotors [J] Batterie-Minuskabel [K] Hauptkabelbaumklemmen [L] Klemme für Drehzahlsensor-Kabelverbinder des Haupt- kabelbaums [M] Klemme [N]
  • 529.
    RAHMEN 15-19 Schutzbleche Ausbau desVorderrad-Schutzbleches • Ausbauen: Bremsschlauchschellen [A] (Beide Seite) Schrauben [B] (Beide Seite) • Die Vorderradschutzblech-Baugruppe [C] ausbauen. • Ausbauen: [A] Schrauben • -Schutzblech [C] trennen. Die Vorderradschutzblech-Abdeckung [B] vom Vorderrad Einbau des Vorderrad-Schutzblechs • Die Vorderradschutzblech-Baugruppe an der Vorderrad- gabel anbauen. • Festziehen: Anzugsmoment - Befestigungsschrauben für Vorder- rad-Schutzblech: 3,9 N·m (0,40 kgf·m) • Die Bremsschlauchschellen an den Bohrungen im Vor- derrad-Schutzblech montieren. Ausbau der Klappe und des Hinterrad -Schutzblechs • Ausbauen: "Ausbau des vorderen/hinteren Sitzes") Sitze (siehe Sitzbezug (siehe "Ausbau des Sitzbezugs") Kraftstofftank (siehe "Ausbau des Kraftstofftanks" im Ka- pitel "Kraftstoffanlage (DFI)") Schrauben [A] (Beide Seite) Schalldämpferabdeckung [B] • Ausbauen: [A] Klemmen Steckverbinder [B]
  • 530.
    15-20 RAHMEN Schutzbleche • Ausbauen:[A] (Beide Seite) Schrauben Blinkerleuchten [B] (Beide Seite) • Ausbauen: [A] (Beide Seite) Schrauben Halterung [B] (Beide Seite) • Ausbauen: [A] (Beide Seite) Schrauben Halterung [B] Klappe [C] mit Rück-/Bremsleuchte • Klappe und Leuchte trennen. • Ausbauen: (siehe "Ausbau des Auspufftopfs" im Kapitel Auspufftopf "Motoroberseite") Hinteres Auspuffrohr (siehe "Ausbau des hinteren Aus- puffrohrs" im Kapitel "Motoroberseite") • Ausbauen: Schraube [A] Deckel [B] • Ausbauen: [A] Schrauben Sitzbankschloss [B] Schraube [C] Schrauben [D] Auslassklappenventil-Stelleinheit [E]
  • 531.
    RAHMEN 15-21 Schutzbleche • Ausbauen:[A] Steckverbinder Tülle [B] • Ausbauen: der hinteren Fußrastenhalterung [A] (Beide Schrauben Seite) Hintere Fußrastenhalterung [B] • Ausbauen: [A] Kabelbinder Kabel [B] Batterie [C] • Ausbauen: [A] Schrauben Batteriefach [B] Starterrelais [C] (herausziehen) • Ausbauen: Regler-/Gleichrichterhalterung [A] Muttern der
  • 532.
    15-22 RAHMEN Schutzbleche • Ausbauen: Hauptkabelbaumklemme [A] • Ausbauen: [A] (Beide Seite) Schnellnieten • Ausbauen: [A] Schrauben Schlösser mit Halterung [B] • Ausbauen: [A] Schrauben Hinterrad-Schutzblech [B] Einbau der Klappe und des Hinterrad -Schutzblechs • Die ausgebauten Teile einbauen (siehe entsprechende Kapitel). • Kabelbaumklemme und Schläuchen" im Anhang ein- Seilzügen, Kabeln gemäß Abschnitt "Verlegung von bauen.
  • 533.
    RAHMEN 15-23 Rahmen Ausbau deshinteren Rahmens • Ausbauen: Hinterrad-Kotflügel (siehe "Ausbau des Hinter- rad-Kotflügels") Rahmenschrauben [A] und -muttern Einbau des Heckrahmens • Ein nicht-permanentes Gewindedichtmittel auf die Ge- winde der hinteren Rahmenschraube auftragen. • Festziehen: Anzugsmoment - Schrauben und Muttern am hinteren Rahmen: 59 N·m (6,0 kgf·m) Schrauben der hinteren Fußrastenhalterung: 25 N·m (2,5 kgf·m) Prüfung des Rahmens • Den Rahmen auf Risse, Einkerbungen, Verzug oder Ver- biegung kontrollieren. Den Rahmen ersetzen, wenn er Beschädigungen auf- weist. ACHTUNG Ein reparierter Rahmen kann während der Benut- zung ausfallen und einen Unfall verursachen. Den Rahmen ersetzen, wenn er Dellen, Risse, Verzug oder Biegungen aufweist.
  • 534.
    15-24 RAHMEN Seitenständer Ausbau derSeitenständermutter • Das Hinterrad mit dem Ständer aufbocken. • Ausbauen: Untere Verkleidung (siehe "Ausbau der unteren Verklei- dung") • Den Kabelverbinder des Seitenständerschalters [A] tren- nen. • Ausbauen: Feder [A] Seitenständer-Sicherungsmutter Seitenständerschraube [B] Seitenständer [C] Schalterhalterungsschrauben [D] Schrauben der Seitenständerhalterung [E] Einbau des Seitenständers • Ein nicht-permanentes Gewindedichtmittel auf die Halte- rungsschrauben auftragen. • Die Gleitfläche [A][C] einfetten. ständerschraube des Seitenständers [B] und die Seiten- • Die Schraube festziehen und mit der Mutter sichern. Anzugsmoment - Schrauben der Seitenständerhalterung [D]: 49 N·m (5,0 kgf·m) Seitenständerschraube: 44 N·m (4,5 kgf·m) • Die Feder [E] so einhaken, dass die Seite mit dem langen Federende nach oben zeigt. ○Den Federhaken in der gezeigten Richtung einbauen. • Die Schalterhalterung montieren. und den Seitenständerschalter ○Ein nicht-permanentes Gewindedichtmittel auf das Ge- winde der Schalterschraube auftragen. Anzugsmoment - Schraube des Seitenständerschalters [F]: 8,8 N·m (0,90 kgf·m)
  • 535.
    ELEKTRIK 16-1 Elektrik INHALTSVERZEICHNIS Lage der Teile .................................... 16-3 Einbau der Zündkerze.................. 16-42 Explosionszeichnung......................... 16-4 Reinigung und Prüfung der Schaltplan (USA und Kanada)........... 16-10 Zündkerze ................................. 16-42 Schaltplan (außer USA, Kanada, Ausbau des Nockenwellensen- Australien und Malaysia) ................ 16-12 sors ........................................... 16-43 Schaltplan (Australien) ...................... 16-14 Einbau des Nockenwellenposi- Schaltplan (Malaysia) ........................ 16-16 tionssensors .............................. 16-43 Technische Daten .............................. 16-18 Prüfung des Nockenwellenposi- Spezialwerkzeuge und Dichtmittel..... 16-19 tionssensors .............................. 16-43 Vorsichtsmaßnahmen........................ 16-20 Prüfung der Spitzenspannung am Verkabelung....................................... 16-21 Nockenwellensensor ................. 16-44 Prüfung der Verkabelung ............. 16-21 Funktionsprüfung der Batterie .............................................. 16-22 Wegfahrsperre .......................... 16-45 Ausbau der Batterie ..................... 16-22 Prüfung der IC-Zündschaltgeräts. 16-46 Einbau der Batterie ...................... 16-22 Elektrostarteranlage .......................... 16-48 Batterieaufbereitung..................... 16-22 Ausbau des Starters .................... 16-48 Vorsichtsmaßnahmen .................. 16-25 Einbau des Starters ..................... 16-48 Kompatibilität ............................... 16-26 Zerlegung des Startermotors ....... 16-49 Prüfung des Ladezustandes ........ 16-26 Zusammenbau des Startermotors 16-49 Regenerationsladung................... 16-27 Prüfung der Kohlebürsten ............ 16-50 Ladesystem ....................................... 16-28 Reinigung und Prüfung des Ausbau des Lichtmaschinendeck- Kollektors .................................. 16-50 els.............................................. 16-28 Prüfung des Ankers ..................... 16-51 Einbau des Lichtmaschinendeck- Prüfung der Kontaktbürstenkabel 16-51 els.............................................. 16-28 Prüfung des rechten Ausbau der Statorwicklung .......... 16-28 Abschlussdeckels...................... 16-51 Einbau der Statorwicklung ........... 16-29 Prüfung des Starterrelais ............. 16-52 Ausbau des Lichtmaschinen- Beleuchtungssystem ......................... 16-54 läufers ....................................... 16-29 Horizontale Einstellung des Einbau des Lichtmaschinen- Scheinwerfers ........................... 16-54 läufers ....................................... 16-30 Vertikaleinstellung des Prüfung der Lichtmaschine .......... 16-31 Scheinwerfers ........................... 16-54 Ausbau des Reglers/Gle- Ersatz der Scheinwerferglüh- 16 ichrichters.................................. 16-32 lampe ........................................ 16-54 Prüfung des Reglers/Gle- Austausch der Stadtlicht ichrichters.................................. 16-33 -Glühlampe................................ 16-55 Prüfung der Ladespannung ......... 16-34 Ausbau/Einbau des Zündanlage........................................ 16-36 Scheinwerfers ........................... 16-55 Ausbau des Kurbelwellensensors 16-37 Ausbau der LED für Einbau des Kurbelwellensensors. 16-38 Rück-/Bremsleuchte.................. 16-56 Prüfung des Kurbelwellensensors 16-38 Einbau der Rück-/Bremsleuchte Spitzenspannung am (LED)......................................... 16-56 Kurbelwellensensor................... 16-39 Austausch der Glühlampe der Ausbau der Stabzündspulen........ 16-39 Kennzeichenbeleuchtung.......... 16-56 Einbau der Stabzündspulen......... 16-40 Austausch der Blinkerglühlampen 16-58 Prüfung der Stabzündspulen ....... 16-40 Ausbau der Blinkerleuchten ......... 16-59 Spitzenspannung der Prüfung des Blinkgeberrelais ....... 16-60 Primärwicklung der Unterdruckschaltventil ....................... 16-63 Stabzündspule .......................... 16-41 Funktionsprüfung des Ausbau der Zündkerze................. 16-42 Unterdruckschaltventils ............. 16-63
  • 536.
    16-2 ELEKTRIK Prüfung des Unterdruckschaltven- Einbau des Gangpositionsschal- tils.............................................. 16-63 ters ............................................ 16-106 Kühlerlüfter ........................................ 16-64 Prüfung des Gangpositionsschal- Prüfung des Lüftermotors ............ 16-64 ters ............................................ 16-107 Instrumentenblock, Messgerät, Prüfung des Schalters.................. 16-108 Anzeigeblock .................................. 16-65 Prüfung des Wassertemper- Ausbau der Instrumenteneinheit .. 16-65 atursensors ............................... 16-109 Zerlegung der Instrumentenein- Ausbau des Drehzahlsensors ...... 16-109 heit ............................................ 16-65 Einbau des Drehzahlsensors ....... 16-110 Prüfung der elektronischen Prüfung des Drehzahlsensors...... 16-110 Kombi-Instrumenteneinheit ....... 16-66 Prüfung des Kraftstoffre- Prüfung des Selbstdiagnose- serveschalters ........................... 16-111 modus für die Kraftstoffs- Ausbau der Lambdasonden tand-Sensorleitung .................... 16-83 (ausgerüstete Modelle) ............. 16-112 Wegfahrsperrensystem Einbau der Lambdasonden (ausgerüstete Modelle) ................... 16-85 (ausgerüstete Modelle) ............. 16-112 Vorsichtsmaßnahmen .................. 16-85 Prüfung der Lambdasonden Schlüsselregistrierung.................. 16-85 (ausgerüstete Modelle) ............. 16-112 Austausch von Teilen des Relaiskasten ...................................... 16-113 Wegfahrsperrensystems ........... 16-101 Ausbau des Relaiskastens........... 16-113 Prüfung des Wegfahrsperrensys- Prüfung des Relaisschaltkreises.. 16-113 tems .......................................... 16-103 Prüfung des Diodenschaltkreises 16-114 Schalter und Sensoren ...................... 16-105 Sicherung .......................................... 16-116 Prüfung der Zeiteinstellung des Ausbau der Hauptsicherung 30 A 16-116 Bremslichtschalters ................... 16-105 Ausbau einer Sicherung aus dem Zeiteinstellung des Sicherungskasten...................... 16-116 Bremsleuchtenschalters............ 16-105 Ausbau der 10-A-ECU-Sicherung 16-116 Ausbau des Gangpositionsschal- Einbau der Sicherungen .............. 16-117 ters ............................................ 16-105 Prüfung der Sicherungen ............. 16-117
  • 537.
    ELEKTRIK 16-3 Lage derTeile 1. Wegfahrsperren-Verstärker (ausgerüs- 13. Gangpositionsschalter tete Modelle) 14. Regler/Gleichrichter 2. Instrumenteneinheit 15. ECU (Elektronische Steuereinheit) 3. Zündschalter mit Wegfahrsperren 16. Kraftstoffpumpe mit -reserveschalter -Antenne 17. Vorderrad-Bremslichtschalter 4. Wegfahrsperrenschalter 18. Blinkgeberrelais 5. Stabzündspulen 19. Sicherungskasten mit ECU 6. Batterie 12 V 8 Ah -Hauptsicherung 7. Starterrelais mit Hauptsicherung 20. Hinterrad-Bremslichtschalter 8. Verbinder des Wegfahrsper- 21. Startermotor ren-Diagnosesystems 22. Kurbelwellensensor 9. Wassertemperatursensor 23. Öldruckschalter 10. Lichtmaschine 24. Lambdasonden 11. Drehzahlsensor 25. Nockenwellenpositionssensor 12. Seitenständerschalter 26. Relaiskasten
  • 538.
  • 539.
    ELEKTRIK 16-5 Explosionszeichnung Anzugsmoment Nr. Verbindungselement Anmerkungen N·m kgf·m 1 Montageschrauben des Instrumentenblocks 1,2 0,12 2 Scheinwerfer-Befestigungsschrauben 1,2 0,12 3 Befestigungsschrauben für vordere Blinkerleuchten 1,2 0,12 4 Befestigungsschrauben für hintere Blinkerleuchten 1,2 0,12 5 Schrauben der hinteren Blinkerstreulinse 1,0 0,10 6 Befestigungsschrauben für Rück-/Bremsleuchte 4,0 0,40 Befestigungsschrauben der Nummerschildbe- 7 1,2 0,12 leuchtung 8 Montageschrauben für Kennzeichenbeleuchtung 0,9 0,09 9. Modelle für USA und Kanada 10. Modell für Kalifornien
  • 540.
  • 541.
    ELEKTRIK 16-7 Explosionszeichnung Anzugsmoment Nr. Verbindungselement Anmerkungen N·m kgf·m 1 Schaltergehäuseschrauben 3,5 0,36 2 Schraube für Vorderrad-Bremsleuchtenschalter 1,2 0,12 3 Masseschraube des Zylinderkopfdeckels 9,8 1,0 4 Schrauben des Kurbelwellensensors 5,9 0,60 Schraube für Halteplatte der Lichtmaschinen- 5 9,8 1,0 L kabel 6 Schrauben des Lichtmaschinendeckels 9,8 1,0 mit 7 Schrauben der Leerlaufzahnrad-Abdeckung 9,8 1,0 Unterlegscheibe 8 Schrauben der Leerlaufzahnrad-Abdeckung 9,8 1,0 9 Steuerzeiten-Inspektionsdeckel – – Handfest 10 Kappe der Starterkupplungsschraube – – Handfest 11 Schrauben des Starterkupplungsdeckels 9,8 1,0 12 Schrauben der Starterkupplung 49 5,0 13 Schraube des Lichtmaschinenläufers 155 16 14 Schrauben der Statorwicklung 12 1,2 L 15 Befestigungsschrauben des Startermotors 9,8 1,0 16. Modelle mit Wegfahrsperre G: Fett auftragen. L: Ein nicht-permanentes Gewindedichtmittel auftragen. M: Molybdänhaltiges Disulfidfett auftragen. MO: Eine molybdänhaltige Disulfidöllösung auftragen. R: Ersatzteile SS: Silikondichtmittel auftragen.
  • 542.
  • 543.
    ELEKTRIK 16-9 Explosionszeichnung Anzugsmoment Nr. Verbindungselement Anmerkungen N·m kgf·m 1 Zündkerzen 13 1,3 2 Klemmschrauben des Starterrelaiskabels 4,0 0,41 3 Schraube des Nockenwellensensors 9,8 1,0 4 Wassertemperatursensor 25 2,5 SS 5 Lambdasonden 25 2,5 6 Kraftstoffpumpenschrauben 9,8 1,0 L, S 7 Muttern der Regler-/Gleichrichterhalterung 6,9 0,70 8 Schrauben des Gangpositionsschalters 2,9 0,30 L 9 Schrauben für Regler/Gleichrichter 6,9 0,70 10 Schrauben des Motorkettenraddeckels 6,9 0,70 11 Drehzahlsensorschraube 6,9 0,70 L 12 Schraube des Seitenständerschalters 8,8 0,90 L 13 Schraube der Seitenständerhalterung 49 5,0 L 14 Klemmschraube des Startermotorkabels 2,9 0,30 15. Blinkgeberrelais 16. Wegfahrsperren-Verstärker 17. Stabzündspulen 18. Relaiskasten 19. Batterie 12 V 8 Ah 20. Starterrelais 21. Kraftstoffpumpe 22. Hinterrad-Bremslichtschalter 23. Regler/Gleichrichter 24. Gangpositionsschalter 25. Drehzahlsensor 26. ECU 27. Seitenständerschalter G: Fett auftragen. L: Ein nicht-permanentes Gewindedichtmittel auftragen. R: Ersatzteile S: Die vorgeschriebene Anziehreihenfolge einhalten. SS: Silikondichtmittel auftragen.
  • 544.
  • 545.
  • 546.
    16-12 ELEKTRIK Schaltplan (außerUSA, Kanada, Australien und Malaysia)
  • 547.
    ELEKTRIK 16-13 Schaltplan (außerUSA, Kanada, Australien und Malaysia)
  • 548.
  • 549.
  • 550.
  • 551.
  • 552.
    16-18 ELEKTRIK Technische Daten Teil Standard Batterie Typ Wartungsfreie Batterie Kapazität 12 V 8 Ah Spannung 12,8 V oder mehr Ladesystem Typ Dreiphasenwechselstrom Lichtmaschinen-Ausgangsspannung 42 V oder mehr bei 4.000 U/min Widerstand der Statorwicklung 0,1 ∼ 0,3 Ω Ladespannung (Ausgangsspannung des 14,2 ∼ 15,0 V Reglers/Gleichrichters) Widerstand des Reglers/Gleichrichters Siehe Angaben im Text. Zündanlage Widerstand des Kurbelwellensensors 380 ∼ 570 Ω Spitzenspannung am Kurbelwellensen- 3,2 V oder mehr sor Widerstand des Nockenwellensensors 400 ∼ 460 Ω Spitzenspannung des Nockenwellen- 0,4 V oder mehr sensors Elektrodenabstand der Zündkerze 0,7 ∼ 0,8 mm Stabzündspule: Widerstand der Primärwicklung 1,2 ∼ 1,6 Ω Widerstand der Sekundärwicklung 8,5 ∼ 11,5 kΩ Primärspitzenspannung 80 V oder mehr Elektrostarteranlage Starter: Kohlebürstenlänge 7 mm, Grenzwert: 3,5 mm Kollektordurchmesser 24 mm, Grenzwert: 23 mm Unterdruckschaltventil Widerstand des Unterdruckschaltventils 12 ∼ 22 Ω (bei 20°C) Schalter und Sensoren: Zeiteinstellung des Hinterrad EIN nach einem Pedalweg von ca. 10 mm -Bremslichtschalters Anschlüsse des Motoröldruckschalters Bei gestopptem Motor: EIN Bei laufendem Motor: AUS Widerstand des Wassertemperatursen- Siehe Angaben im Text. sors
  • 553.
    ELEKTRIK 16-19 Spezialwerkzeuge undDichtmittel Handprüfgerät: Griff: 57001-1394 57001-1591 Schwungrad-Abziehvorrichtung, M38 × 1,5/M35 Läuferhalter: × 1,5: 57001-1666 57001-1405 Anschlag: Spitzenspannungsadapter: 57001-1679 57001-1415 Kawasaki Bond (Silikondichtmittel): Kabelader-Spitzenspannungsadapter: 92104-0004 57001-1449 Schlüsselregistrierungsgerät: 57001-1582
  • 554.
    16-20 ELEKTRIK Vorsichtsmaßnahmen Es gibt eine Reihe von wichtigen Vorsichtsmaßnahmen, die bei Wartungsarbeiten an der Elektrik beachtet werden müssen. Diese im Folgenden aufgeführten Vorsichtsmaß- nahmen müssen bekannt sein und sind unbedingt einzu- halten. ○Keinesfalls die Batterieanschlüsse vertauschen. Ande- renfalls brennen die Dioden in elektrischen Komponenten durch. ○Stets den Zustand der Batterie prüfen, bevor Teile der Elektrik ausgetauscht werden. Eine volle Batterieladung ist Voraussetzung für eine ordnungsgemäße Prüfung des elektrischen Systems. ○Die Elektroteile dürfen niemals Schlagbeanspruchungen, beispielsweise mit einem Hammer, ausgesetzt werden oder auf eine harte Fläche fallen. Ein derartiger Schlag kann die Teile beschädigen. ○Keinesfalls die Batteriekabel oder andere elektrische An- schlüsse bei eingeschalteter Zündung bzw. laufendem Motor lösen. ○Aufgrund der großen Stromstärke niemals die Starter- taste gedrückt halten, wenn der Startermotor nicht durch- dreht, sonst kann der fließende Strom zum Durchbrennen der Startermotorwicklungen führen. ○Leitungen, die direkt am Pluspol (+) der Batterie ange- schlossen sind, keinesfalls an Fahrzeugmasse legen. ○Fehler können durch ein und in manchen Fällen auch durch mehrere Teile verursacht werden. Ein defektes Teil niemals ersetzen, ohne zu überprüfen, was den Fehler VERURSACHT hat. Wenn der Fehler durch ein anderes Teil oder andere Teile verursacht wurde, müssen zuerst diese ausgetauscht oder repariert werden, sonst fällt das neue Ersatzteil bald wieder aus. ○Darauf achten, dass alle Steckverbinder im Schaltkreis sauber und fest sind, und die Leitungen auf Schmorstel- len, Verschleiß usw. untersuchen. Schadhafte Leitun- gen und schlechte Kontakte beeinträchtigen die Funkti- onsweise der elektrischen Anlage. ○Den Widerstand von Spulen und Wicklungen in kaltem Zustand messen (bei Zimmertemperatur). ○Farbcodes: BK: Schwarz G: Grün P: Rosa BL: Blau GY: Grau PU: Violett BR: Braun LB: Hellblau R: Rot CH: Schoko LG: Hellgrün W: Weiß DG: Dunkelgrün O: Orange Y: Gelb
  • 555.
    ELEKTRIK 16-21 Verkabelung Prüfung derVerkabelung • Die Verkabelung auf Brandstellen, Scheuerstellen usw. überprüfen. Wenn Adern beschädigt sind, die beschädigte Verkabe- lung austauschen. •Jeden Verbinder [A] abziehen und auf Korrosion, Ver- schmutzung und Beschädigung kontrollieren. Ist der Verbinder korrodiert oder verschmutzt, diesen sorgfältig reinigen. Bei Beschädigung ersetzen. •Die Verkabelung auf Durchgang prüfen. ○Anhand des Schaltplans die Endanschlüsse des Kabels suchen, das vermutlich defekt ist. ○Das Handprüfgerät an die Leitungsenden anschließen. Spezialwerkzeug - Handprüfgerät: 57001-1394 ○Das Handprüfgerät auf den Bereich × 1 Ω schalten und die Anzeige ablesen. Wenn das Handprüfgerät nicht 0 Ω anzeigt, ist das Kabel defekt. Das Kabel oder den Kabelbaum [B] gegebenen- falls austauschen.
  • 556.
    16-22 ELEKTRIK Batterie Ausbau derBatterie • Ausbauen: Seitenabdeckungen (siehe "Ausbau der Seitenabde- ckung" im Kapitel "Rahmen") Vordersitz (siehe "Ausbau des Vordersitzes" im Kapitel "Rahmen") • Die Kappen [A] verschieben. • Zuerst das Minuskabel (–) [B] und dann das Pluskabel (+) [C] abklemmen. VORSICHT Unbedingt das Minuskabel (–) zuerst abklemmen. • DenBatterie herausnehmen. Kabelbinder [D] entfernen. • Die Einbau der Batterie • DasAnzeichender Batterie oder Elektrolytleckage an den Bei Gehäuse von Rissen visuell prüfen. Seiten die Batterie austauschen. • Die Batterie in das Batteriefach setzen. • Die Kraftstofftankhalterung und den Verbinder einbauen. • Zuerst das Pluskabel [A] (rote Polkappe) an den Pluspol (+) der Batterie und dann das Minuskabel [B] (schwarze Kappe) an den Minuspol (–) anschließen. • Die Polklemmen mit einer dünnen Schicht Fett versehen, um sie vor Korrosion zu schützen. • Die Polkappen [C] auf den Klemmen anbringen. VORSICHT Werden die Batteriekabel nicht in der korrek- ten Reihenfolge gelöst oder angeschlossen bzw. falsch angeschlossen, kommt es zu Funkenschlag und Schäden an den elektrischen Teilen und den DFI-Komponenten. Batterieaufbereitung Einfüllen von Elektrolyt • Sicherstellen, dass die Modellbezeichnung [A] auf dem Elektrolytbehälter mit der Modellbezeichnung [B] der Bat- terie übereinstimmt. Beide Bezeichnungen müssen iden- tisch sein. Batteriemodellbezeichnung für ZX600P7F: YTX9-BS VORSICHT Der Elektrolytbehälter muss die gleiche Bezeich- nung wie die Batterie aufweisen, da das Elektro- lytvolumen und die spezifische Dichte je nach Batterietyp verschieden sind. Auf diese Weise wird ein Überfüllen mit Elektrolyt vermieden, was die Lebensdauer und die Leistung der Batterie beein- trächtigen würde.
  • 557.
    ELEKTRIK 16-23 Batterie VORSICHT Die Aluminiumdichtfolie [A] der Einfüllöffnungen [B] erst kurz vor Befüllen der Batterie entfernen. Einen speziellen Elektrolytbehälter verwenden, der die betreffende Elektrolytmenge fasst. • Die Batterie auf einer ebenen Fläche abstellen. noch • Überprüfen,zerlöchert ist. rissig oder dass die Dichtfolie weder abgeschält • Die Dichtfolie entfernen. ANMERKUNG ○Die Batterie ist unter Druck versiegelt. Falls Luft in die versiegelte Batterie eingedrungen ist, wird eine längere Inbetriebsetzungsladung notwendig sein. • Den Verschlusskappenleistedem Plastikbeutel nehmen. Elektrolytbehälter aus • Die aufbewahren, um die Batterie später damit zu ver- und [A] vom Behälter abziehen schließen. ANMERKUNG ○Die Siegel [B] des Elektrolytbehälters weder abschä- len noch durchlöchern. Auf keinen Fall versuchen, ein- zelne Versiegelungen abzutrennen. • Den Elektrolytbehälter umdrehender Batterie ausrichten. gelungen auf die Einfüllöffnungen und die sechs Versie- Den Behälter waagrecht halten und fest niederdrücken, sodass die Siegel alles sechs Zellen durchbrochen wer- den. Während die Batteriesäure in die einzelnen Batte- riezellen einfließt, steigen sichtbar Bläschen auf. ANMERKUNG ○Den Elektrolytbehälter nicht kippen. • Den Elektrolytfluss Einfüllöffnungen keine Luftblasen [A] Falls an einer der beobachten. emporsteigen oder eine der Behälterzellen nicht komplett entleert wurde, einige Male an die Unterseite [B] des Be- hälters klopfen. • Den Behälter mindestens 20 Minuten lang unverändert stehen lassen. Den Behälter nicht von der Batterie ent- fernen, bis er völlig entleert ist, da die Batterie für den ordnungsgemäßen Betrieb die gesamte im Behälter ent- haltene Batteriesäure benötigt. VORSICHT Wird der Batteriesäurebehälter entfernt, bevor er völlig leer ist, kann dies die Lebensdauer der Bat- terie verkürzen. Den Batteriesäurebehälter erst 20 Minuten nach völligem Entleeren von der Batterie entfernen.
  • 558.
    16-24 ELEKTRIK Batterie • DenBatterie vor dem Aufladen Batterie herausziehen. Behälter vorsichtig aus der • lassen, damit sich der Elektrolyt30 Minutenden Batterie- Die zwischen lang stehen platten verteilen kann. ANMERKUNG ○Wird der Batterie zu früh nach dem Befüllen mit Säure geladen, kann dies deren Lebensdauer verkürzen. Die mit Säure befüllte Batterie mindestens 30 Minuten lang stehen lassen. Erstladung •Die Verschlusskappenleiste [A] provisorisch über die Ein- füllöffnungen der Batterie ablegen. •Eine frisch aufbereitete Batterie benötigt eine Erstladung. Standard-Ladung: 0,9 A × 5 ∼ 10 Stunden Bei Einsatz eines empfohlenen Batterieladegeräts die Herstelleranweisungen für eine frisch aufbereitete war- tungsfreie Batterie befolgen. Von Kawasaki empfohlene Ladegeräte Optimate III Yuasa 1,5 A Automatik-Ladegerät Battery Mate 150-9 Falls die oben genannten Ladegeräte nicht erhältlich sind, ein gleichwertiges Ladegerät verwenden. ANMERKUNG ○Die Ladedauer hängt von folgenden Faktoren ab: Lagerzeit der Batterie, Umgebungstemperatur und Art des Ladegeräts. Die Batterie nach der Erstladung 30 Minuten lang stehen lassen und dann deren Spannung mit einem Voltmeter messen. Wenn sie unter 12,8 V liegt, den Ladevorgang wiederholen.
  • 559.
    ELEKTRIK 16-25 Batterie • NachAbschluss beiden Händen fest in die Einfüllöffnun- penleiste [A] mit des Ladevorgangs die Verschlusskap- gen der Batterie eindrücken (dazu keinen Hammer o. ä. Werkzeug verwenden). Die Verschlusskappenleiste sitzt korrekt, wenn sie mit der Oberseite des Batteriegehäuses fluchtet. VORSICHT Nach dem Anbringen der Verschlusskappenleiste [A] darf diese nicht mehr von der Batterie abgenom- men werden; außerdem darf weder Wasser noch Säure nachgefüllt werden. ANMERKUNG ○Um maximale Batterielebensdauer und Kundenzufrie- denheit zu gewährleisten, wird empfohlen, die Batterie versuchsweise 15 Sekunden lang mit dreifacher Nenn- kapazität (Ah) zu belasten. Die Spannung erneut messen und, falls die gemessene Spannung unter 12,8 V liegt, den Ladevorgang wieder- holen. Bleibt sie unter 12,8 V, ist die Batterie defekt. Vorsichtsmaßnahmen 1) Kein Nachfüllen erforderlich Bei normalem Einsatz ist bei dieser Batterie ein Auffüllen bis zum Ende der normalen Nutzungsdauer nicht erforderlich. Gewaltsames Entfernen der Versiegelung und Einfüllen von Wasser ist sehr ge- fährlich . Dies ist keinesfalls zulässig. 2) Regenerationsladung Wenn der Motor nicht startet, die Hupe schwach ist oder die Scheinwerfer nur schwach leuch- ten, kann dies auf eine entladene Batterie hinweisen. Die Batterie fünf bis zehn Stunden lang mit dem in den technischen Daten angegebenen Ladestrom (siehe "Technische Daten" in diesem Kapitel) nachladen. Wenn eine Schnellladung unbedingt erforderlich ist, den maximalen Ladestrom und die maxi- male Ladezeit für die Batterie genau einhalten. VORSICHT Diese Batterie altert nicht wesentlich, wenn das Nachladen gemäß dem oben beschriebe- nen Verfahren durchgeführt wird. Werden die oben aufgeführten Ladevorschriften nicht eingehalten, kann die Leistung der Batterie jedoch erheblich beeinträchtigt werden. Wäh- rend des Nachladens keinesfalls die Verschlussleiste bzw. Abdeckfolie entfernen. Wenn durch Überladung doch eine übermäßige Gasmenge erzeugt wurde, entweicht der Überdruck über das Sicherheitsventil. 3) Stilllegung des Motorrads für mehrere Monate. Die Batterie nachladen und das Minuskabel lösen, bevor das Motorrad stillgelegt wird. Während der Stilllegung einmal monatlich nachladen.
  • 560.
    16-26 ELEKTRIK Batterie 4) Batterienutzungsdauer Wenn der Starter den Motor auch nach mehreren Nachladungen der Batterie nicht durchdreht, hat die Batterie das Ende ihrer Nutzungsdauer erreicht. Die Batterie erneuern (falls kein Defekt im Startersystem vorliegt). ACHTUNG Die Batterie beim Laden nicht in die Nähe offener Flammen oder Funken platzieren, da die Batterie ein explosives Gasgemisch aus Wasserstoff und Sauerstoff abgibt. Bei Verwen- dung eines Batterieladegeräts die Batterie erst am Ladegerät anklemmen und dann das Ladegerät einschalten. Auf diese Weise werden Funken an den Batterieklemmen vermieden, die zur Entzündung von Batteriegasen führen können. Offene Flammen sind von der Batterie fern zu halten; die Batteriekabel müssen fest ange- klemmt sein. Der Elektrolyt enthält Schwefelsäure. Schwefelsäure darf nicht auf die Haut oder in die Augen gelangen. Bei Kontakt die Batteriesäure mit viel Wasser abspülen. Bei schweren Fällen einen Arzt aufsuchen. Kompatibilität Eine wartungsfreie Batterie kann ihre volle Leistung nur in Kombination mit einer entsprechend ausgelegten elektrischen Anlage erreichen. Eine auslaufgeschützte Batterie darf daher nur bei ei- nem Motorrad eingesetzt werden, das ursprünglich ebenfalls mit einer auslaufgeschützten Batterie ausgerüstet war. Wenn eine auslaufgeschützte Batterie in einem Motorrad eingebaut wird, bei dem ursprünglich eine normale Batterie eingebaut war, verkürzt sich die Nutzungsdauer der auslaufgeschützten Batterie deutlich. Prüfung des Ladezustandes ○Die Batterieladung kann durch Messen der Klemmen- spannung mit einem digitalem Spannungsprüfer [A] überprüft werden. • Ausbauen: Kraftstofftank (siehe "Ausbau des Kraftstofftanks" im Ka- pitel "Kraftstoffanlage (DFI)") Batteriekabelabdeckungen (siehe "Ausbau der Batterie" in diesem Kapitel) • Die Batteriekabel abklemmen. VORSICHT Unbedingt das Minuskabel (–) zuerst abklemmen. • Die Batterieklemmenspannung messen. ANMERKUNG ○Zur Messung einen digitalen Spannungsprüfer mit einer Genauigkeit von mindestens einer Dezimalstelle ver- wenden. Falls die Spannung 12,8 V oder mehr beträgt, ist eine Regenerationsladung nicht erforderlich. Bei Spannungen unter diesem Wert ist ein Nachladen notwendig. Batterieklemmenspannung Standard: 12,8 V oder mehr Klemmenspannung (V) [A] Ladungsrate (%) [B] In Ordnung [C] Regenerationsladung ist erforderlich [D]
  • 561.
    ELEKTRIK 16-27 Batterie Regenerationsladung • DieBatterie [A] ausbauen (siehe "Ausbau der Batterie" in diesem Kapitel). • Die Batterie entsprechend ihrer Ruhespannung mit fol- gendem Verfahren nachladen. ACHTUNG Diese Batterie ist eine wartungsfreie Batterie. Beim Laden niemals die Verschlussleiste [B] entfernen. Niemals Wasser einfüllen. Beim Aufladen die un- ten angegebenen Ladeströme und Ladezeiten ein- halten. Klemmenspannung: 11,5 ∼ weniger als 12,8 V 0,9 A × 5 ∼ 10 Stunden (siehe Standard-Ladung folgende Tabelle) Schnellladung 4 A × 1 Stunden VORSICHT Eine Schnellladung sollte möglichst vermieden werden. Falls ein Schnellladen unvermeidbar ist, zu späterem Zeitpunkt einen Standardladevorgang durchführen. Klemmenspannung: weniger als 11,5 V Ladeverfahren: 0,9 A × 20 Stunden ANMERKUNG ○Die Ladespannung auf maximal 25 Volt erhöhen, wenn zunächst kein Ladestrom in die Batterie fließt. Die hö- here Ladespannung darf maximal 5 Minuten lang anlie- gen, danach den Ladestrom der Batterie kontrollieren. Wenn ein Ladestrom in die Batterie fließt, die Lades- pannung verringern und nach dem auf dem Batteriege- häuse angegebenen Standardverfahren laden. Wenn nach 5 Minuten immer noch kein Ladestrom in die Bat- terie fließt, die Batterie austauschen. Batterie [A] Ladegerät [B] Standardwert [C] Der Ladestrom beginnt zu fließen [D]. • Den Batteriezustand 30 MinutenNachladen prüfen. ○Den Batteriezustand nach dem nach Ende des Ladevor- gangs durch Messung der Klemmenspannung entspre- chend der folgenden Tabelle bestimmen. Kriterien Beurteilung 12,8 V oder höher Gut Unzureichende Ladung → 12,0 ∼ weniger als 12,8 V Nachladen weniger als 12,0 V Unbrauchbar → Erneuern
  • 562.
    16-28 ELEKTRIK Ladesystem Ausbau desLichtmaschinendeckels • Ausbauen: Verkleidung (siehe "Ausbau der mittleren Linke mittlere Verkleidung" im Kapitel "Rahmen") • Den Kraftstofftank aufstellen (siehe "Ausbau des Dreh- zahlsensors"). Kabelverbinder der Lichtmaschine [A] Klemme [B] • Ausbauen: Wärmedämmung [A] Schrauben [B] Abdeckung [C] Einbau des Lichtmaschinendeckels • Silikondichtmittel auf die Lichtmaschinenkabeltülle und die Kontaktflächen [A] der Kurbelgehäusehälften an der Vorder- und Rückseite der Deckelhalterung auftragen. Dichtmittel - Kawasaki Bond (Silikondichtmittel): 92104-0004 • Die Passstifte [B] müssen am Kurbelgehäuse montiert sein. • Folgende Teile einbauen: Neue Dichtung Lichtmaschinendeckel Halterungen • Festziehen: Anzugsmoment - Schrauben des Lichtmaschinendeckels: 12 N·m (1,2 kgf·m) Ausbau der Statorwicklung • Ausbauen: Lichtmaschinendeckel (siehe "Ausbau des Lichtmaschi- nendeckels") Schrauben der Statorwicklung [A] Halteplattenschrauben [B] und Platte [C] Lichtmaschinenkabeltülle [D] • Die Statorwicklung [E] aus dem Lichtmaschinendeckel ausbauen.
  • 563.
    ELEKTRIK 16-29 Ladesystem Einbau derStatorwicklung • Ein nicht-permanentes Gewindedichtmittel auf die Gewin- degänge der Schraube für die Statorwicklung auftragen und die Schrauben festziehen. Anzugsmoment - Schrauben der Statorwicklung: 12 N·m (1,2 kgf·m) • Um dieund die Kabeltülle genau inSilikondichtmittel auf- tragen Lichtmaschinenkabeltülle die Kerbe der Abde- ckung einpassen. Dichtmittel - Kawasaki Bond (Silikondichtmittel): 92104-0004 • Dasdie Gewinde der Halteplattenschrauben nicht perma- auf Lichtmaschinenkabel mit der Halteplatte sichern und nentes Gewindedichtmittel auftragen; anschließend die Schrauben festziehen. Anzugsmoment - Schrauben für Halteplatte der Lichtmaschinen- kabel: 6,9 N·m (0,70 kgf·m) • Den Lichtmaschinendeckel montieren (siehe "Einbau des Lichtmaschinendeckels"). Ausbau des Lichtmaschinenläufers • Ausbauen: Lichtmaschinendeckel (siehe "Ausbau des Lichtmaschi- nendeckels") Starterleerlaufzahnrad und -welle • Das Öl von der Außenseite des Läufers abwischen. • Den Lichtmaschinenläufer mit dem Läuferhalter [A] halten und die Läuferschraube [B] entfernen. Spezialwerkzeuge - Griff [C]: 57001-1591 Läuferhalter: 57001-1666 Anschlag [D]: 57001-1679 • Mit dem Schwungradabzieher [A] den Lichtmaschinen- läufer von der Kurbelwelle abziehen. Spezialwerkzeug - Schwungradabzieher, M38 × 1,5: 57001-1405 VORSICHT Nicht auf den Lichtmaschinenläufer selbst schla- gen. Durch Schläge auf den Läufer können die Ma- gneten unmagnetisch werden.
  • 564.
    16-30 ELEKTRIK Ladesystem Einbau desLichtmaschinenläufers • Mit Reinigungsflüssigkeit Öl und und diesevon den folgen- den genannten Teilen entfernen Schmutz mit einem sau- beren Tuch abtrocknen. Konischer Teil der Kurbelwelle [A] Konischer Teil des Lichtmaschinenläufers [B] • Die Unterlegscheibe [C] montieren. ANMERKUNG ○Die Passung des Lichtmaschinenläufers mit der Kurbel- welle kontrollieren, bevor er mit dem angegebenen An- zugsmoment festgezogen wird. • Die Läuferschraube [D] montierenfestziehen. Anzugs- moment von 70 N·m (7,0 kgf·m) und mit einem • Die Läuferschraube ausbauen.dem Läuferhalter fixieren. ○Den Lichtmaschinenläufer mit Spezialwerkzeuge - Griff: 57001-1591 Läuferhalter: 57001-1666 Anschlag [D]: 57001-1679 • Das Anzugsmoment mit dem Schwungradabzieher [A] kontrollieren. Spezialwerkzeug - Schwungrad-Abziehvorrichtung, M38 × 1,5/M35 × 1,5: 57001-1405 Wenn der Läufer durch eine Zugkraft von 20 N·m (2,0 kgf·m) nicht herausgezogen wird, ist er richtig montiert. Wird der Läufer bei einem geringeren Anzugsmoment he- rausgezogen (unter 20 N·m bzw. 2,0 kgf·m), den koni- schen Teil von Kurbelwelle und Läufer von Öl, Schmutz oder Spänen reinigen und mit einem sauberen Tuch ab- trocknen. Danach kontrollieren, ob die angegebene Min- destzugkraft erreicht wird. • Die Schraube des Lichtmaschinenläufersdem festziehen und dabei den Lichtmaschinenläufer mit [B] Halter [A] gegenhalten. Spezialwerkzeuge - Griff [C]: 57001-1591 Läuferhalter: 57001-1666 Anschlag [D]: 57001-1679 Anzugsmoment - Schraube des Lichtmaschinenläufers: 155 N·m (16 kgf·m) • Den Lichtmaschinendeckel montieren (siehe "Einbau des Lichtmaschinendeckels").
  • 565.
    ELEKTRIK 16-31 Ladesystem Prüfung derLichtmaschine Es gibt drei Arten von Defekten bei Lichtmaschinen: Kurzschluss, Unterbrechung (durchgebrannte Adern) oder fehlender Magnetismus des Läufers Eine Unterbrechung oder ein Kurzschluss einer der Spulenwicklungen hat entweder eine zu niedrige Ausgangsspannung oder keine Ausgangsspannung zur Folge. Ein fehlender Magnetismus am Läufer, der zu einer verminderten Ausgangsspannung führt, kann durch Schlag oder Fall der Lichtmaschine, durch Lagern in der Nähe eines elektromagnetischen Feldes oder durch Alterung entstehen. • Zur folgt vorgehen. Lichtmaschinen-Ausgangsspannung wie Kontrolle der ○Den Zündschalter ausschalten. ○Den Kraftstofftank aufstellen (siehe "Ausbau des Dreh- zahlsensors"). ○Den Lichtmaschinenkabelverbinder [A] abziehen. ○Das Handprüfgerät anschließen (siehe Tabelle 1). ○Motor starten. ○Die in Tabelle 1 angegebene Drehzahl einstellen. ○Die Messwerte für die Spannung notieren (insgesamt 3 Messungen). Tabelle 1 Lichtmaschinenausgangsspannung Anschlüsse Anzeige Prüfgerät Prüfgerät (+) bei 4.000 Bereich Prüfgerät (–) an an U/min Ein schwarzes Ein anderes 42 V oder 250 V AC Kabel schwarzes Kabel mehr
  • 566.
    16-32 ELEKTRIK Ladesystem Wenndie Ausgangsspannung dem Wert in der Tabelle entspricht, funktioniert die Lichtmaschine einwandfrei. Wenn die gemessene Ausgangsspannung über dem Ta- bellenwert liegt, ist der Regler/Gleichrichter defekt. Ein deutlich niedrigerer Wert als in der Tabelle weist auf ei- nen Defekt der Lichtmaschine hin. •Den Widerstand der Statorwicklung wie folgt kontrollie- ren. ○Den Motor stoppen. ○Das handelsübliche Testgerät anschließen (siehe Tabelle 2). ○Die Messwerte notieren (insgesamt 3 Messungen). Tabelle 2 Widerstand der Statorwicklung Prüfgerät Anschlüsse Anzeige Bereich Prüfgerät (+) an Prüfgerät (–) an Ein schwarzes Ein anderes ×1Ω 0,1 ∼ 0,3 Ω Kabel schwarzes Kabel Ist der Widerstand höher als in der Tabelle angegeben oder lässt sich kein Prüfgerät ablesen (unendlich hoher Widerstand), ist ein Kabel am Stator unterbrochen und muss ersetzt werden. Ein deutlich geringerer Widerstand ist ein Hinweis auf einen Kurzschluss, in diesem Fall muss der Stator ausgetauscht werden. • Den höchsten Widerstandsmessbereich am Prüfgerät verwenden und den Widerstand zwischen den schwar- zen Kabeln und der Fahrgestellmasse messen. Jeder andere Handprüfgerät-Messwert als unendlich (∞) bedeutet einen Kurzschluss und der Stator muss ersetzt werden. Ist der Widerstand der Statorwicklungen normal, aber die Spannungsprüfung ergab eine defekte Lichtmaschine, sind wahrscheinlich die Rotormagnete schwach und der Rotor muss ausgetauscht werden. Spezialwerkzeug - Handprüfgerät: 57001-1394 Ausbau des Reglers/Gleichrichters • Den Kraftstofftank aufstellen (siehe "Ausbau des Dreh- zahlsensors"). • Ausbauen:[A] Klemme Steckverbinder [B]
  • 567.
    ELEKTRIK 16-33 Ladesystem • Ausbauen:[A] Schrauben Regler/Gleichrichter [B] Prüfung des Reglers/Gleichrichters • DasinHandprüfgerät auf den Bereich × 1 kΩ durchführen. die der Tabelle aufgeführten Messungen schalten und Spezialwerkzeug - Handprüfgerät: 57001-1394 • Das Handprüfgerät amabweichende Werte anzeigt, den Wenn das Prüfgerät Regler/Gleichrichter anschließen. Regler/Gleichrichter ersetzen. VORSICHT Für diese Prüfung nur das Kawasaki Handprüfgerät 57001-1394 verwenden. Ein anderes Prüfgerät kann abweichende Messwerte anzeigen. Bei Verwendung eines Megohmmeters oder eines anderen Hochspannungs-Multimeters könnte der Regler/Gleichrichter beschädigt werden. Widerstand des Reglers/Gleichrichters (Einheit: kΩ) Anschluss des Prüfgerät-Pluskabels (+) BK/BL BK/W Klemme BK1 BK2 BK3 BK (+) (–) BK/BL 20 ∼ 20 ∼ 20 ∼ 20 ∼ 20 ∼ — (+) 300 300 300 300 750 20 ∼ 20 ∼ 20 ∼ BK1 0∼5 — 0∼1 300 300 750 20 ∼ 20 ∼ 20 ∼ 20 ∼ BK2 0∼5 — 300 300 300 750 (–)* 20 ∼ 20 ∼ 20 ∼ 20 ∼ BK3 0∼5 — 300 300 300 750 20 ∼ 20 ∼ 20 ∼ BK 0∼5 0∼1 — 300 300 750 BK/W 5 ∼ 20 5 ∼ 20 5 ∼ 20 5 ∼ 20 5 ∼ 20 — (–) (–)*: (–)-Anschluss des Handprüfgeräts • Den Regler/Gleichrichter einbauen. Anzugsmoment - Regler/Gleichrichterschrauben: 6,9 N·m (0,70 kgf·m)
  • 568.
    16-34 ELEKTRIK Ladesystem Prüfung derLadespannung • Den Batteriezustand prüfen (siehe "Prüfung des Ladezu- standes"). • Den Motor warm laufenLichtmaschine herzustellen. Be- triebsbedingungen der lassen, um die tatsächlichen • Ausbauen: (siehe "Ausbau des Vordersitzes" im Kapitel Vordersitz "Rahmen") Kappen [A] • Sicherstellen, dass die Zündung ausgeschaltet ist, und das Handprüfgerät [B] anschließen, wie in der Tabelle an- gegeben. Spezialwerkzeug - Handprüfgerät: 57001-1394 • Den Motor starten und die Spannungswerte bei verschie- denen Motordrehzahlen mit eingeschaltetem Scheinwer- fer und abgeschaltetem Scheinwerfer notieren. (Den Scheinwerferverbinder in der oberen Verkleidung ab- ziehen). Bei niedriger Motordrehzahl muss sich als Messwert fast die Batteriespannung ergeben und bei höherer Motordrehzahl muss auch eine höhere Span- nung gemessen werden. Die Spannung darf jedoch den Höchstwert nicht überschreiten. Ladespannung Anschlüsse Testbereich Prüfgerät (+) Prüfgerät (–) Anzeige an an 25 V Batterie (+) Batterie (–) 14,2 ∼ 15,0 V Gleichstrom • Den Motor ausschalten und das Handprüfgerät abtren- nen. Falls die Ladespannung innerhalb des in der Tabelle an- gezeigten Bereichs bleibt, arbeitet das Ladesystem nor- mal. Ist die Ladespannung deutlich höher als die in der Tabelle angegebenen Werte, ist der Regler bzw. Gleichrichter defekt, oder Kabel des Reglers oder Gleichrichters sind locker oder unterbrochen. Wenn die Ladespannung bei steigender Motordrehzahl nicht ansteigt, ist der Regler bzw. Gleichrichter defekt oder die Ausgangsleistung der Lichtmaschine reicht für die angeschlossene Last nicht aus. Die Lichtmaschine und den Regler/Gleichrichter prüfen, um die Ursache zu ermitteln.
  • 569.
    ELEKTRIK 16-35 Ladesystem Ladestromkreis 1. Zündschalter 2. Last 3. Hauptsicherung 30 A 4. Starterrelais 5. Batterie 12 V 8 Ah 6. Rahmenmasse 7. Lichtmaschine 8. Regler/Gleichrichter
  • 570.
  • 571.
    ELEKTRIK 16-37 Zündanlage ACHTUNG Die Zündanlage erzeugt eine extrem hohe Span- nung. Die Zündkerzen und die Stabzündspulen bei laufendem Motor nicht berühren, sonst kann es zu einem schweren elektrischen Schlag kommen. VORSICHT Die Batteriekabel oder andere elektrische Verbin- dung nicht trennen, wenn der Zündschalter in der Stellung ON steht oder der Motor läuft. Auf diese Weise werden Schäden an der integrierten IC-Zündung vermieden. Die Batterie nicht verkehrt herum einbauen. Bei der Batterie liegt der Minuspol an Masse. Auf diese Weise wird eine Beschädigung der Dioden und der Transistorzündung verhindert. Ausbau des Kurbelwellensensors • Den Kraftstofftank aufstellen (siehe "Ausbau des Dreh- zahlsensors"). Steckverbinder des Kurbelwellensensors [A] • Ausbauen: Rechte mittlere Verkleidung (siehe "Ausbau der mittle- ren Verkleidung" im Kapitel "Rahmen") Starterleerlaufzahnrad (siehe "Ausbau des Starterleer- laufzahnrades") Gummikappe [A] Anschluss des Öldruckschalters [B] Schrauben [C] Kurbelwellensensor [D] Klemme [E] • Die Tülle [F] herausziehen.
  • 572.
    16-38 ELEKTRIK Zündanlage Einbau desKurbelwellensensors • Das Kabel für den Kurbelwellensensor korrekt verlegen (siehe Abschnitt "Verlegung von Seilzügen, Kabeln und Schläuchen" im Anhang). • Festziehen: Anzugsmoment - Kurbelwellensensorschrauben: 5,9 N·m (0,60 kgf·m) • SilikondichtmittelKurbelwellensensors (allseitig) [A] Kabeltülle des auftragen. Kontaktflächen der Kurbelgehäusehälften [B] Dichtmittel - Kawasaki Bond (Silikondichtmittel): 92104-0004 • Folgende Teile einbauen: Klemme Starterkupplungsdeckel (siehe "Einbau des Starterleer- laufzahnrades" im Kapitel "Kurbelwelle/Getriebe") • Anschließen: Sensorkabelverbinder Öldruckschalterkabel (siehe "Einbau des Öldruckschal- ters" im Kapitel "Motorschmieranlage") • Die ausgebauten Teile einbauen (siehe entsprechende Kapitel). Prüfung des Kurbelwellensensors • Ausbauen: Kabelverbinder des Kurbelwellensensors (siehe "Aus- bau des Kurbelwellensensors") • Das Handprüfgerät [A] auf den Messbereich ×100 Ω ein- stellen und das Pluskabel (+) mit dem schwarzen Kabel und das Minuskabel (–) mit dem schwarz/gelben Kabel im Verbinder [B] verbinden. Spezialwerkzeug - Handprüfgerät: 57001-1394 Wenn der Widerstand größer ist als der Sollwert, ist ein Kabel der Spule unterbrochen und die Spule muss ersetzt werden. Ist der Widerstand deutlich geringer als der Soll- wert, hat die Spule einen Kurzschluss und muss ersetzt werden. Widerstand des Kurbelwellensensors: 380 ∼ 570 Ω • Den Widerstand zwischen den Kurbelwellensensorka- beln und Fahrgestellmasse mit dem höchsten Wider- standsmessbereich messen. Jede Anzeige auf dem Prüfgerät, die nicht unendlich groß (∞) ist, ist ein Hinweis auf einen Kurzschluss, bei dem der Kurbelwellensensor ersetzt werden muss.
  • 573.
    ELEKTRIK 16-39 Zündanlage Spitzenspannung amKurbelwellensensor ANMERKUNG ○Die Batterie muss voll aufgeladen sein. ○Die Verwendung eines Spitzenspannungsadapters zur Prüfung des Kurbelwellensensors ist einer Messung des Kurbelwellensensor-Widerstands vorzuziehen. • Ausbauen: Kabelverbinder des Kurbelwellensensors (siehe "Aus- bau des Kurbelwellensensors") • Handprüfgerät [A] auf den Bereich ×10 V anschließen. und an den Spitzenspannungsadapter [B] DC einstellen • Mit einem das schwarz/gelbe Kabel Kabel (–) [C] und das apters an Prüfkabel das schwarze anschließen des Ad- rote Kabel (+) [D] an das schwarze Kabel im Verbinder [E] des Kurbelwellensensors. • Den Zündschalter einschalten und den Motorstoppschal- ter betätigen. • Den Starterknopf drücken 5 Sekunden mit dem Anlasser lung des Getriebes 4 bis und den Motor bei Leerlaufstel- drehen, um die Kurbelwellensensor-Spitzenspannung zu messen. • Die Messung mindestens fünfmal wiederholen. Spitzenspannung am Kurbelwellensensor Standard: 3,2 V oder mehr Spezialwerkzeuge - Handprüfgerät: 57001-1394 Spitzenspannungsadapter: 57001-1415 Typ: KEK-54-9-B Wenn die Anzeige am Prüfgerät nicht dem Sollwert ent- spricht, den Kurbelwellensensor überprüfen. Ausbau der Stabzündspulen • Ausbauen: Luftfiltergehäuse (siehe "Ausbau des Luftfiltergehäuses" im Kapitel "Kraftstoffanlage (DFI)") • Die Verbinder für die Stabzündspulen [A] trennen. • Die Stabzündspulen [B] von den Zündkerzen abziehen. VORSICHT Den Verbinder der Zündspule beim Ausbau der Zündspule nicht mit Gewalt abziehen.
  • 574.
    16-40 ELEKTRIK Zündanlage Einbau derStabzündspulen • Die Stabzündspulen [B] gemäß Abbildung einsetzen und Stabzündspulen [A] einfetten. • dabei auf die Orientierung der Spulenköpfe achten. Die ○Die Linien [C] am Zylinderkopfdeckel mit den Linien an den Spulenkopfverbindern ausrichten. ○Die Montage der Stabzündspulen durch leichtes Ziehen an [A] kontrollieren. VORSICHT Beim Einbau der Spule nicht auf den Zündspulen- kopf schlagen. • Die Steckverbinder anklemmen. • Die Schläuche und den Kabelbaum korrekt verlegen (siehe Abschnitt "Verlegung von Seilzügen, Kabeln und Schläuchen" im Anhang). • Die ausgebauten Teile einbauen (siehe entsprechende Kapitel). Prüfung der Stabzündspulen • Die Stabzündspulen ausbauen (siehe "Ausbau der Stab- zündspulen"). • Den Widerstand der Primärwicklung [A] wie folgt messen. ○Das Handprüfgerät mit den Spulenanschlüssen verbin- den. ○Das Handprüfgerät auf den Bereich × 1 Ω schalten und die Anzeige ablesen. •Den Widerstand der Sekundärwicklung [B] wie folgt mes- sen. ○Das Prüfgerät zwischen Zündkerzenanschluss und (–) Spulenanschluss anschließen. ○Das Handprüfgerät auf den Bereich × 1 kΩ schalten und die Anzeige ablesen. Widerstand der Zündspulenwicklung Primärwicklungen: 1,2 ∼ 1,6 Ω Sekundärwicklungen: 8,5 ∼ 11,5 kΩ Wenn die Anzeige des Handprüfgeräts nicht der Vorga- ben entspricht, die Zündspule austauschen.
  • 575.
    ELEKTRIK 16-41 Zündanlage Spitzenspannung derPrimärwicklung der Stabzündspule ANMERKUNG ○Die Batterie muss voll aufgeladen sein. • Die Stabzündspulendie Zündkerzenstecker nicht entfer- zündspulen"), aber ausbauen (siehe "Ausbau der Stab- nen. •Die Primärspitzenspannung wie folgt messen. ○Neue Zündkerzen [A] an die Stabzündspulen [B] an- schließen und mit der Motormasse verbinden. ○Einen Spitzenspannungsadapter [C] am Prüfgerät [D] an- schließen, und dieses auf den Messbereichs × 250 V DC einstellen. ○Den Adapter am Kabelader-Spitzenspannungsadapter [E] anschließen, der zwischen dem Verbinder der Stabzündspule und der Stabzündspulenwicklung ange- schlossen ist. ECU [F] Spezialwerkzeuge - Handprüfgerät: 57001-1394 Spitzenspannungsadapter: 57001-1415 Typ: KEK-54-9-B Kabelader-Spitzenspannungsadapter: 57001 -1449 Primärkabelanschluss Adapter (R, +) zur Kabelader - Spitzenspannungsad- apter: Stabzündspule Nr. 1 (BK) Stabzündspule Nr. 2 (BK/G) Stabzündspule Nr. 3 (BK/W) Stabzündspule Nr. 4 (BK/O) Adapter (BK, –) zu Kabela- der-Spitzenspannungsadapter (R) ○Das Luftfiltergehäuse [G] provisorisch einbauen (siehe "Einbau des Luftfiltergehäuses" im Kapitel "Kraftstoffan- lage (DFI)"). ○Die Kraftstoffschlauchverschraubung von der Kraftstoff- pumpe abmontieren. ○Den bereitgelegten Kraftstoffschlauch mit der Kraftstoff- zuleitung der Kraftstoffpumpe verbinden. ○Den Kraftstoffschlauch in den richtigen Behälter einfüh- ren.
  • 576.
    16-42 ELEKTRIK Zündanlage ACHTUNG Um Stromschlag durch die extrem hohe Spannung zu vermeiden, die Zündkerzen und die Verbindun- gen am Prüfgerät nicht berühren. • Die Zündung einschalten und den Motorstoppschalter auf ON stellen. • Den Anlasserknopf drücken Sekunden mit dem Leerlauf- stellung des Getriebes 4 ∼ 5 und den Motor bei Anlasser drehen, um die Primärspitzenspannung zu messen. • Die Messung für jede Stabzündspule fünfmal wiederho- len. Spitzenspannung der Primärwicklung der Stabzündspule Standard: 80 V oder mehr • Die Prüfung für die anderen Stabzündspulen wiederho- len. Liegt der Messwert unterhalb des angegebenen Soll- werts, folgende Details überprüfen. Stabzündspulen (siehe "Prüfung der Stabzündspulen") Kurbelwellensensor (siehe "Prüfung des Kurbelwellen- sensors") ECU (siehe "Prüfung der ECU-Stromversorgung" im Ka- pitel "Kraftstoffanlage (DFI)") Ausbau der Zündkerze • Siehe die Anweisungen zum Ersetzen"Wechsel der Zünd- Kapitel Regelmäßige Wartung (siehe der Zündspulen im kerze" im Kapitel "Regelmäßige Wartung"). Einbau der Zündkerze • Siehe die Anweisungen zum Ersetzen"Wechsel der Zünd- Kapitel Regelmäßige Wartung (siehe der Zündspulen im kerze" im Kapitel "Regelmäßige Wartung"). Reinigung und Prüfung der Zündkerze • Die Zündkerze herausdrehen und einer Sichtprüfung un- terziehen. • Die Zündkerzen vorzugsweise mit einem entfernen. Die bläse reinigen und dann die Abriebpartikel Sandstrahlge- Zündkerze kann auch in einem Lösungsmittel mit hohem Flammpunkt und mit einer Drahtbürste oder einem ande- ren geeigneten Werkzeug gereinigt werden. Wenn die Mittelelektrode der Zündkerze [A] und/oder die Seitenelektrode [B] korrodiert oder beschädigt sind oder der Isolator [C] Risse aufweist, die Zündkerze erneuern. Die Zündkerze ersetzen, wenn sie verschmutzt oder ver- rußt ist. • Den Elektrodenabstand [D] mit einer Fühlerlehre aus Draht messen. Die Zündkerze ersetzen, wenn der Elektrodenabstand falsch ist. Elektrodenabstand: 0,7 ∼ 0,8 mm • Die Standardzündkerze oder eine gleichwertige Zünd- kerze verwenden. Zündkerze: CR9E
  • 577.
    ELEKTRIK 16-43 Zündanlage Ausbau desNockenwellensensors • Ausbauen: Luftfiltergehäuse (siehe "Ausbau des Luftfiltergehäuses" im Kapitel "Kraftstoffanlage (DFI)") Stecker für den Nockenwellensensor [A] • Ausbauen: Mittlere Verkleidung (siehe "Ausbau der mittleren Ver- kleidung" im Kapitel "Rahmen") Befestigungsschrauben des Motorkühlers (siehe "Aus- bau des Motorkühlers" im Kapitel "Kühlsystem") Wärmedämmung [A] Schraube für den Nockenwellensensor [A] Nockenwellensensor [B] Einbau des Nockenwellenpositionssensors • Den O-Ring [A] mit Hochtemperaturfett einfetten. • Festziehen: Anzugsmoment - Schraube für Nockenwellensensor: 9,8 N·m (1,0 kgf·m) • Die Wärmedämmung [A] mit den linken Nasen zuerst ein- bauen. ○Die Nasen [B] der Wärmedämmung in die Bohrungen [C] im Rahmen einsetzen. • Den Motorkühler einbauen (siehe "Einbau des Motorküh- lers" im Kapitel "Kühlsystem"). Prüfung des Nockenwellenpositionssensors • Ausbauen: den Nockenwellensensor [A] Stecker für
  • 578.
    16-44 ELEKTRIK Zündanlage • mitden Anschlüssenauf den Bereich × 10 Ω stellen und Das Handprüfgerät verbinden. Spezialwerkzeug - Handprüfgerät: 57001-1394 Ist der Widerstand höher als der Sollwert, ist die Sensor- wicklung kurzgeschlossen und muss ersetzt werden. Ist der Widerstand deutlich geringer als der Sollwert, hat die Sensorspule einen Kurzschluss und muss ersetzt wer- den. Widerstand des Nockenwellensensors: 400 ∼ 460 Ω • Mit dem höchsten Widerstandsmessbereich den Wider- stand zwischen den Kabeln des Nockenwellensensors und der Fahrgestellmasse messen. Jede Prüfgeräteanzeige, die nicht unendlich groß (∞) ist, weist auf einen Kurzschluss hin, und der Nockenwellen- sensor muss ersetzt werden. Prüfung der Spitzenspannung am Nockenwellensensor • Ausbauen: Verbinder des Nockenwellensensors (siehe "Ausbau des Nockenwellensensors") • Ein Handprüfgerät [A] auf den Messbereich 10 V DC ein- stellen. • Den Spitzenspannungsadapter [B] an das Handprüfge- rät und an den Klemmen des Nockenwellensensors an- schließen. Spezialwerkzeuge - Handprüfgerät: 57001-1394 Spitzenspannungsadapter: 57001 -1415 Typ: KEK-54-9-B Anschlüsse: Anschlussklemme Handprüf- des Nockenwel- Adapter gerät lensensors Weiß/gelb [C] ← Rot → (–) Gelb [D] ← Schwarz → (+) • Den Zündschalterbetätigen. ON bringen und den Mo- torstoppschalter in die Stellung • Starterknopf drücken, denlaufen lassen, um die Nocken- Getriebe-Neutralstellung Motor 4 ∼ 5 Sekunden lang bei wellensensor-Spitzenspannung zu messen. • Die Messung mindestens fünfmal wiederholen. Spitzenspannung des Nockenwellensensors Standard: 0,4 V oder mehr Wenn die Spitzenspannung niedriger als der Sollwert ist, den Nockenwellensensor überprüfen.
  • 579.
    ELEKTRIK 16-45 Zündanlage Funktionsprüfung derWegfahrsperre • Mit einem Stützbock [A] das Hinterrad aufbocken. 1. Prüfung • Den Motor unter folgenden Bedingungen starten. Zustand Getriebe → 1. Gang Kupplungshebel → Freigegeben Seitenständer → Herunter- oder hochgeklappt ○Den Zündschalter in die Stellung ON bringen und den Starterknopf drücken. ○Bei einwandfreiem Starterschaltkreis darf der Starter nicht drehen. Wenn der Motor startet, den Wegfahrsperrenschalter, Gangpositionsschalter und Relaiskasten überprüfen. Falls diese Teile normal sind, die ECU austauschen. 2. Prüfung • Den Motor unter folgenden Bedingungen starten. Zustand Getriebe → 1. Gang Kupplungshebel → Eingezogen Seitenständer → Hochgeklappt ○Den Zündschalter in die Stellung ON bringen und den Starterknopf drücken. ○Bei einwandfreiem Starterschaltkreis muss sich der Star- ter drehen. Wenn sich der Startermotor nicht dreht, den Wegfahr- sperrenschalter, Gangpositionsschalter und Relaiskasten überprüfen. Falls diese Teile normal sind, die ECU austauschen. 3. Prüfung • Nach Durchführung der folgenden Schritte kontrollieren, ob der Motor sicher gestoppt werden kann. • Den Motor unter folgenden Bedingungen betreiben. Zustand Getriebe → 1. Gang Kupplungshebel → Freigegeben Seitenständer → Hochgeklappt • Den Seitenständer herunterklappen, wodurch der Motor stoppen muss. Falls der Motor nicht stoppt, den Seitenständerschalter, den Wegfahrsperrenschalter, den Getriebepositions- schalter und den Relaiskasten überprüfen. Falls diese Teile normal sind, die ECU austauschen.
  • 580.
    16-46 ELEKTRIK Zündanlage Prüfung derIC-Zündschaltgeräts ○Das IC-Zündschaltgerät ist in die ECU [A] integriert. • Zum ÜberprüfenWegfahrsperre, Fehlersuchdiagramm der onsprüfung der der ECU-Stromversorgung siehe Funkti- Zündanlage und das Kapitel "Kraftstoffanlage (DFI)".
  • 581.
    ELEKTRIK 16-47 Zündanlage Zündungsschaltkreis 1. Zündschalter 14. Motorstoppschalter 2. Steckverbindung C 15. Masse des Zylinderkopfdeckels 3. Wegfahrsperrenschalter 16. Zündkerzen 4. Sicherungskasten 17. Stabzündspulen 5. ECU-Sicherung 10 A 18. Nockenwellenpositionssensor 6. Zündungssicherung 10 A 19. Hauptdrosselklappensensor 7. Relaiskasten 20. Gangpositionsschalter 8. ECU-Hauptrelais 21. Seitenständerschalter 9. Wegfahrsperren-Schaltkreis 22. Kurbelwellensensor 10. Steckverbindung B 23. ECU 11. Hauptsicherung 30 A 24. Umkippsensor 12. Rahmenmasse 25. Wegfahrsperren-Antenne (ausgerüstete Modelle) 13. Batterie 12 V 8 Ah 26. Wegfahrsperren-Verstärker (ausgerüstete Modelle)
  • 582.
    16-48 ELEKTRIK Elektrostarteranlage Ausbau desStarters • Ausbauen: Starterkupplungsdeckel [A] (siehe "Ausbau des Leer- laufzahnrades" im Kapitel "Kurbelwelle/Getriebe") • Die Gummikappe [B] nach hinten schieben. • Folgende Teile entfernen: Klemmschraube des Startermotors [C] Befestigungsschrauben [D] • Den Startermotor [E] von der rechten Motorseite abmon- tieren. Einbau des Starters VORSICHT Nicht auf die Welle oder das Gehäuse des Starters schlagen, Durch Schlagen auf Welle oder Gehäuse kann der Starter beschädigt werden. • Den O-Ring [A] erneuern. • Den O-Ring einfetten. • Vor dem Einbau[B] anStarters dessen Sockel [A] und das Kurbelgehäuse des den Stellen reinigen, an denen der Starter mit Fahrgestellmasse verbunden wird. ANMERKUNG ○Die Befestigungsschrauben des Startermotors proviso- risch eindrehen. • Folgende Teile einbauen:(siehe "Einbau des Starterkupp- Starterkupplungsdeckel lungsdeckels" im Kapitel "Kurbelwelle/Getriebe") ○Das Loch [A] im Deckel mit dem Starteranschlussstück [B] ausrichten und den Deckel am Kurbelgehäuse mon- tieren. • Festziehen: Anzugsmoment - Starter-Befestigungsschrauben: 9,8 N·m (1,0 kgf·m) Klemmschraube des Startermotorkabels: 2,9 N·m (0,30 kgf·m)
  • 583.
    ELEKTRIK 16-49 Elektrostarteranlage Zerlegung desStartermotors • Den Startermotor an den Schrauben [A] herausnehmen. • Ausbauen: Linker Abschlussdeckel [A] Rechter Abschlussdeckel [B] Anker [C] Joch [D] Zusammenbau des Startermotors • Die Öldichtung [A] dünn mit Fett auf die Nase [D] am lin- bestreichen. • ken Abschlussdeckel anpassen. Die Nut [B] der Zahnscheibe [C] • Die Unterlegscheibe [E] montieren. • Die geeigneten Klemmen [A] gemäß Abbildung eindrü- mit Federn, die die Stromabnehmerbürstenkabel halten, cken. • Den Anker [B] zwischen die Kontaktbürsten einsetzen. • Die neuen O-Ringe [A] wie dargestellt einsetzen.
  • 584.
    16-50 ELEKTRIK Elektrostarteranlage • DieNut [A] im dem Joch aufeinander ausrichten.Hohlmar- kierung [B] in rechten Abschlussdeckel und die • Die Hohlmarkierung [B] am Joch aufeinander ausrichten. die Hohlmarkierung [A] am linken Abschlussdeckel und Prüfung der Kohlebürsten • Dieeine Kontaktbürste stärker verschlissen als nach dem Ist Länge [A] jeder Kohlebürste messen. Grenzwert zulässig, die Kontaktbürste als komplette Bau- gruppe ersetzen. Länge der Kohlebürste Standard: 7 mm Grenzwert: 3,5 mm Reinigung und Prüfung des Kollektors • Die KollektoroberflächeNuten reinigen. Schmirgellei- nen [B] glätten und die [A] ggf. mit feinem • Den Durchmesser [A] des Kollektors [B] messen. Grenz- Unterschreitet der Kommutatordurchmesser den wert, den Startermotor durch einen neuen Startermotor ersetzen. Kollektordurchmesser Standard: 24 mm Grenzwert: 23 mm
  • 585.
    ELEKTRIK 16-51 Elektrostarteranlage Prüfung desAnkers • Mit Messbereichzwei Ω des Handprüfgeräts den Wider- stand zwischen ×1 beliebigen Kommutatorsegmenten [A] messen. Spezialwerkzeug - Handprüfgerät: 57001-1394 Wird zwischen zwei Segmenten (∞) ein hoher Widerstand oder kein Widerstand gemessen, liegt eine Unterbre- chung in der Wicklung vor und der Starter muss ersetzt werden. • Das Prüfgerät auf den höchsten Widerstandsmess- bereich einstellen und den Widerstand zwischen den Kollektorsegmenten und der Welle [B] messen. Wenn eine Anzeige feststellbar ist, liegt ein Kurzschluss im Anker vor und der Starter muss ersetzt werden. ANMERKUNG ○Selbst wenn diese Prüfungen des Ankers keine Mängel aufzeigen, kann im Anker ein Defekt vorliegen, der sich nicht mit dem Prüfgerät erkennen lässt. Wenn alle an- deren Komponenten im Stromkreis des Startermotors und der Startermotor selbst anscheinend in Ordnung sind, der Startermotor jedoch nicht durchdreht oder nur schwer durchdreht, den Startermotor durch einen neuen ersetzen. Prüfung der Kontaktbürstenkabel • Mit Messbereich × 1 messen. stand wie dargestellt Ω des Handprüfgeräts den Wider- Klemmschraube und positive Bürste [A] Rechter Abschlussdeckel und negative Bürste [B] Spezialwerkzeug - Handprüfgerät: 57001-1394 Beträgt der Messwert deutlich mehr als 0 Ohm, liegt eine Unterbrechung im Kohlebürstenkabel vor. Die Pluskon- taktbürste bzw. die Minuskontaktbürste als komplette Baugruppe ersetzen. Prüfung des rechten Abschlussdeckels • Mit dem höchsten Widerstandsmessbereich am Prüfgerät den Widerstand wie in der Abbildung messen. Klemme und rechter Abschlussdeckel [A] Spezialwerkzeug - Handprüfgerät: 57001-1394 Wenn ein Wert gemessen wird, liegt ein Kurzschluss in dem rechten Abschlussdeckel vor. Den rechten Ab- schlussdeckel ersetzen.
  • 586.
    16-52 ELEKTRIK Elektrostarteranlage Prüfung desStarterrelais • Abziehen: Batterie-Minusklemme (–) • Ausbauen: (siehe "Ausbau des Vordersitzes" im Kapitel Vordersitz "Rahmen") • Das Starterrelais [A] herausziehen. • Ausbauen: [A] Steckverbinder Batteriekabel [B] Starterkabel [C] • Das Handprüfgerät [A] undwie gezeigt. terrelais [C] anschließen, eine 12 V Batterie [B] am Star- Spezialwerkzeug - Handprüfgerät: 57001-1394 Wenn die Relaisfunktion nicht den Vorgaben entspricht, ist das Relais defekt. Das Relais ersetzen. Prüfung des Relais Messbereich ×1 Ω Bereich des Prüfgeräts: Kriterien: Bei angeschlossener Batterie → 0 Ω Bei abgeklemmter Batterie → ∞ Ω
  • 587.
    ELEKTRIK 16-53 Elektrostarteranlage Starterschaltkreis 1. Motorstoppschalter 11. ECU 2. Starterknopf 12. Wegfahrsperrenschalter 3. Sicherungskasten 13. Relais des Starterstromkreises 4. Zündungssicherung 10 A 14. Relaiskasten 5. Zündschalter 15. Startermotor 6. Masse des Zylinderkopfdeckels 16. Hauptsicherung 30 A 7. Steckverbindung C 17. Starterrelais 8. Steckverbindung B 18. Batterie 12 V 8 Ah 9. Gangpositionsschalter 19. Masseanschluss des Motors 10. Seitenständerschalter 20. Rahmenmasse
  • 588.
    16-54 ELEKTRIK Beleuchtungssystem Bei diesem Motorrad kommt ein Tageslichtsystem zum Einsatz, im Relaiskasten befindet sich ein Scheinwerferre- lais. Wenn der Zündschalter und der Motorstoppschalter auf ON gestellt werden, schaltet sich der Scheinwerfer zu- nächst noch nicht ein. Der Scheinwerfer wird eingeschaltet, sobald den Starterknopf losgelassen wird, und bleibt einge- schaltet, bis der Zündschalter in die Stellung OFF gedreht wird. Der Scheinwerfer erlischt kurzzeitig, wenn den Star- terknopf gedrückt wird, und leuchtet wieder auf, wenn den Starterknopf freigegeben wird. Horizontale Einstellung des Scheinwerfers • Siehe "PrüfungWartung". "Regelmäßige der Scheinwerferausrichtung" im Kapitel Vertikaleinstellung des Scheinwerfers • Siehe "PrüfungWartung". "Regelmäßige der Scheinwerferausrichtung" im Kapitel Ersatz der Scheinwerferglühlampe • Ausbauen: Rechte Innenabdeckung (siehe "Ausbau der Innenabde- ckung" im Kapitel "Rahmen") Scheinwerferverbinder [A] • Dieeindrehen. [B] Scheinwerferglühlampe [A] gegen den Uhrzeigersinn VORSICHT Halogenglühlampen niemals mit bloßen Händen am Glaskolben fassen. Stets ein sauberes Tuch verwenden. Fettspuren von den Händen oder von schmutzigen Putzlappen können die Nutzungs- dauer der Glühlampe reduzieren oder zum Bersten des Glaskolbens führen. ANMERKUNG ○Versehentlich verunreinigte Glühlampen mit Alkohol oder einer Seifenlösung reinigen. • Die Nasen [A] der Glühlampeersetzen. Scheinwerferglühlampe • Scheinwerfers einsetzen. in die Aussparungen [B] des Die • Die Glühlampe imdie Scheinwerferausrichtung einstellen Uhrzeigersinn drehen. • Nach dem Einbau Scheinwerferausrichtung" im Kapitel (siehe "Prüfung der "Regelmäßige Wartung").
  • 589.
    ELEKTRIK 16-55 Beleuchtungssystem Austausch derStadtlicht-Glühlampe • Ausbauen: Verkleidung (siehe "Ausbau der mittleren Mittlere innere inneren Verkleidung" im Kapitel "Rahmen") • Die Fassung [A] gegen den Uhrzeigersinn drehen und zu- sammen mit der Glühlampe herausziehen. • Die Glühlampe [A] aus der Fassung [B] ziehen. VORSICHT Die Glühlampe nicht drehen. Die Glühlampe so he- rausziehen, dass sie nicht beschädigt wird. Nur Glühlampen einsetzen, die die gleiche Wattzahl auf- weisen. • Die Fassung hineindrücken und im Uhrzeigersinn drehen. ○Die Nasen [A] an der Fassung in die Nuten des Stadtlicht- gehäuses einpassen. Ausbau/Einbau des Scheinwerfers • Ausbauen: Obere Verkleidung (siehe "Ausbau der oberen Verklei- dung" im Kapitel "Rahmen") Mittlere innere Verkleidung (siehe "Ausbau der mittleren inneren Verkleidung" im Kapitel "Rahmen") • Ausbauen: Schrauben [A] Schrauben [B] • Siehe die Anweisungen zum Zusammenbau der oberen Verkleidung im Kapitel Rahmen (siehe "Zusammenbau der oberen Verkleidung" im Kapitel "Rahmen").
  • 590.
    16-56 ELEKTRIK Beleuchtungssystem Ausbau derLED für Rück-/Bremsleuchte • Ausbauen: (siehe "Ausbau der Sitzabdeckung" im Sitzabdeckung Kapitel "Rahmen") • Abziehen: Verbinder der Rück-/Bremsleuchte (LED) [A] • Ausbauen: Klemme [B] • Ausbauen: Linke Auspufftopfabdeckung [A] (siehe "Ausbau der Blinkerleuchten") Abdeckung der hinteren Blinkerleuchte [B] Linke Blinkerleuchte [C] (siehe "Ausbau der Blinker- leuchten") • Befestigungsschrauben [A] abschrauben. • Die Rück-/Bremsleuchte (LED) [B] entfernen. Einbau der Rück-/Bremsleuchte (LED) • Die Nut [A] der Leuchte in die Kante [B] der Blinkerleuch- ten-Abdeckung einpassen. Austausch der Glühlampe der Kennzeichen- beleuchtung • Ausbauen: [A] Schrauben Abdeckung der Kennzeichenbeleuchtung [B] Glühlampe
  • 591.
    ELEKTRIK 16-57 Beleuchtungssystem • DieaufdieGlühlampe [A] mit dem[C] der Fassung ausrich- [B] neue obere und untere Nut oberen und unteren Stift ten und die Glühlampe nach rechts drehen. ○Die Glühlampe etwa 15° Grad nach rechts drehen. Schaltkreis des Scheinwerfers/Rücklichts 1. Zündschalter 13. Sicherungskasten 2. Fernlicht-Anzeigeleuchte (LED) 14. Scheinwerferrelais 3. Steckverbindung C 15. Relaiskasten 4. Scheinwerfer (Abblendlicht) 16. Steckverbindung B 5. Stadtlicht 17. Starterrelais 6. Scheinwerfer (Fernlicht) 18. Hauptsicherung 30 A 7. Steckverbindung A 19. Rahmenmasse 8. Abblendlichtschalter 20. Batterie 12 V 8 Ah 9. Abblendschalter 21. Kennzeichenleuchte 10. Linke Lenkerarmatur 22. Rücklicht/Bremslicht (LED) 11. Scheinwerfersicherung 10 A 23. Masse des Zylinderkopfdeckels 12. Rückleuchtensicherung 10 A 24. Lichtmaschine
  • 592.
    16-58 ELEKTRIK Beleuchtungssystem Austausch derBlinkerglühlampen Für die vordere Blinkerleuchte •Ausbauen: Innenabdeckung (siehe "Ausbau der Innenabdeckung" im Kapitel "Rahmen") Aktivkohlebehälter (Modell für Kalifornien, links) Relaiskasten (siehe "Ausbau des Relaiskastens") • Die Fassung [A] gegen den Uhrzeigersinn drehen und zu- sammen mit der Glühlampe herausziehen. • [A] nachnach links drehen und herausnehmen. links dre- hen [B] unten drücken, die Glühlampe [C] nach • Dieauf dieGlühlampe [A] mit dem[C] der Fassung ausrich- [B] neue obere und untere Nut oberen und unteren Stift ten und die Glühlampe nach rechts drehen. ○Die Glühlampe etwa 15° Grad nach rechts drehen. •Die Fassung hineindrücken und im Uhrzeigersinn drehen. ○Die Nasen [D] an der Fassung in die Nuten der Leuchte einpassen. Für die linke Blinkerleuchte •Die Schraube [A] herausdrehen und die Blinkerstreulinse [B] abnehmen.
  • 593.
    ELEKTRIK 16-59 Beleuchtungssystem • DieGlühlampe [A] nach unten drücken, nach links drehen und herausnehmen. • Eine[B] auf Glühlampeund mit denNut [C] der Fassung aus- ten neue die untere [A] obere unteren und oberen Stif- richten und die Glühlampe nach rechts drehen. Ausbau der Blinkerleuchten Für die vordere Blinkerleuchte •Ausbauen: Linke mittlere Verkleidung (siehe "Ausbau der mittleren Verkleidung" im Kapitel "Rahmen") Behälterhalterung [A] (Modell für Kalifornien) Schrauben [B] Linke Blinkerleuchte [C] • Ausbauen: Rechte mittlere Verkleidung (siehe "Ausbau der mittle- ren Verkleidung" im Kapitel "Rahmen") Schrauben [A] Relaiskastenhalterung mit Relaiskasten [B] Rechte Blinkerleuchte Für die linke Blinkerleuchte •Ausbauen: Sitzabdeckung (siehe "Ausbau der Sitzabdeckung" im Kapitel "Rahmen") Verbinder der rechten und linken Blinkerleuchten [A]
  • 594.
    16-60 ELEKTRIK Beleuchtungssystem • Ausbauen:[A] Schrauben Linke Auspufftopfabdeckung [B] ○Die Abdeckung so nach vorne herausziehen, dass sie nicht an den Haken [C] anstößt. • Ausbauen: [A] Schnellniete Schrauben [B] Linke Blinkerleuchte mit Abdeckung [C] • Ausbauen: Rück-/Bremsleuchte (siehe "Ausbau der Rück -/Bremsleuchte") Schrauben [A] Rechte Blinkerleuchte mit Abdeckung [B] • Ausbauen: [A] Schrauben • Die Leuchte [C] von der Abdeckung [B] trennen. Prüfung des Blinkgeberrelais • Ausbauen: Rechte Innenabdeckung (siehe "Ausbau der Innenabde- ckung" im Kapitel "Rahmen") Blinkgeberrelais [A]
  • 595.
    ELEKTRIK 16-61 Beleuchtungssystem Modelle fürUSA, Kanada und Australien •Eine Batterie 12 Volt und die Blinkerleuchten wie in der Abbildung dargestellt anschließen und zählen, wie oft die Blinkerleuchten pro Minute blinken. Blinkgeberrelais [A] Blinkerleuchten [B] 12 V Batterie [C] Wenn die Blinkfrequenz nicht den Vorgaben entspricht, das Blinkgeberrelais ersetzen. Prüfung des Blinkgeberrelais Last Blinkfrequenz Anzahl der Blinksignale Watt (W) (1/min*) 1** 21 140 ∼ 250 2 42 75 ∼ 95 *: Blinkzyklen pro Minute **: Entspricht der “durchgebrannten Lampe” Außer Modelle für USA, Kanada und Australien •Eine Batterie 12 Volt und die Blinkerleuchten wie in der Abbildung dargestellt anschließen und zählen, wie oft die Blinkerleuchten pro Minute blinken. Blinkgeberrelais [A] Blinkerleuchten [B] 12 V Batterie [C] Wenn die Blinkfrequenz nicht den Vorgaben entspricht, das Blinkgeberrelais ersetzen. Prüfung des Blinkgeberrelais Last Blinkfrequenz Anzahl der Blinksignale Watt (W) (1/min*) Leuchte bleibt 1** 21 eingeschaltet 2 42 75 ∼ 95 *: Blinkzyklen pro Minute **: Entspricht der “durchgebrannten Lampe”
  • 596.
    16-62 ELEKTRIK Beleuchtungssystem Blinkleuchtenstromkreis 1. Instrumenteneinheit 9. Sicherungskasten 2. Zündschalter 10. Masse des Zylinderkopfdeckels 3. Blinkerleuchte, vorn rechts 11. Blinkgeberrelais 4. Blinkerleuchte, vorn links 12. Steckverbindung B 5. Steckverbindung A 13. Hauptsicherung 30 A 6. Blinkerschalter 14. Batterie 12 V 8 Ah 7. Steckverbindung C 15. Rahmenmasse 8. Blinkgeberrelaissicherung 10 A 16. Blinkerleuchte, hinten links 17. Blinkerleuchte, hinten rechts
  • 597.
    ELEKTRIK 16-63 Unterdruckschaltventil Funktionsprüfung desUnterdruckschaltventils • Siehe "Prüfung des"Regelmäßige Wartung". digung" im Kapitel Ansaugluftsystems auf Beschä- (Siehe "Prüfung des Ansaugluftsystems auf Beschädigung" im Kapitel "Regelmäßige Wartung") Prüfung des Unterdruckschaltventils • Das des Unterdruckschaltventil ausbauen (siehe "Ausbau Unterdruckschaltventils" im Kapitel "Motorober- seite"). • Das Handprüfgerät [A] auf den Bereich × Ω einstellen und wie abgebildet an die Klemmen des Unterdruckschaltven- tils anschließen. Spezialwerkzeug - Handprüfgerät: 57001-1394 Widerstand des Unterdruckschaltventils Sollwert: Ca. 18 ∼ 22 Ω bei 20°C Falls die Anzeige des Prüfgeräts nicht dem Sollwert ent- spricht, das Ventil erneuern. • Eine 12 V Batterie [A] wie abgebildet an die Klemmen des Unterdruckschaltventils anschließen. • LuftLuftden Lufteinlass [A] blasen und sicherstellen, dass die in nicht an den Luftauslässen [B] ausströmt. • Die 12 Luft in den Lufteinlass [A] blasen und sicherstellen, V Batterie abklemmen. • dass die Luft diesmal an den Luftauslässen [B] ausströmt. Erneut Wenn das Unterdruckschaltventil nicht wie beschrieben funktioniert, das Unterdruckschaltventil erneuern. ANMERKUNG ○Den Schlauch des Unterdruckschaltventils (Einlass- seite) [C] durchblasen, um den Durchgang durch das Unterdruckschaltventil zu prüfen.
  • 598.
    16-64 ELEKTRIK Kühlerlüfter Prüfung desLüftermotors • Ausbauen: Rechte Innenabdeckung (siehe "Ausbau der Innenabde- ckung" im Kapitel "Rahmen") • Steckverbindung [A] trennen. • Den Lüftermotor über Prüfkabel mit der Batterie verbin- den. Wenn sich der Lüfter nicht dreht, ist der Lüftermotor defekt und muss ersetzt werden. Falls der Lüfter dreht, den Lüfterschaltkreis überprüfen. Kühlerlüfter-Schaltkreis 1. ECU 10. ECU-Sicherung 10 A 2. Wassertemperatursensor 11. Zündungssicherung 10 A 3. Kühlerlüfter 12. Sicherungskasten 4. Steckverbindung C 13. Kühlerlüfterrelais 5. Masse des Zylinderkopfdeckels 14. ECU-Hauptrelais 6. Motorstoppschalter 15. Relaiskasten 7. Zündschalter 16. Hauptsicherung 30 A 8. Steckverbindung B 17. Rahmenmasse 9. Lüftersicherung 15 A 18. Batterie 12 V 8 Ah
  • 599.
    ELEKTRIK 16-65 Instrumentenblock, Messgerät,Anzeigeblock Ausbau der Instrumenteneinheit • Ausbauen: (siehe "Ausbau des Windschutzes" im Ka- Windschutz pitel "Rahmen") • Die Gummiabdeckung [A] herausziehen. • Steckverbindung [B] trennen. Schrauben [C] • Ausbauen: Mutter [A] Schrauben [B] Verkleidungshalterung mit Instrument [C] • Die Schrauben [A] herausdrehen. VORSICHT Die Instrumenteneinheit so ablegen, dass die Ober- seite nach oben zeigt. Wenn eine Instrumentenein- heit umgekippt wird oder längere Zeit auf der Seite liegt, kommt es zu Fehlfunktionen. Zerlegung der Instrumenteneinheit • Ausbauen: Instrumenteneinheit (siehe "Ausbau der Instrumenten- einheit") Schrauben [A] • Die untere Instrumentenabdeckung [A] [C] trennen. tenblock [B] und der oberen Abdeckung vom Instrumen-
  • 600.
    16-66 ELEKTRIK Instrumentenblock, Messgerät,Anzeigeblock Prüfung der elektronischen Kombi -Instrumenteneinheit • Die Masse (–) der Leerlaufkontrollleuchte (LED) [1] Instrumenteneinheit [A] ausbauen. [2] Rechte Blinkerkontrollleuchte (LED) (+) [3] Fernlicht-Anzeigeleuchte (LED) (+) [4] Wassertemperatursensor [5] Rundenzeit (+) [6] Stoppuhr (+) [7] Nicht verwendet [8] Nicht verwendet [9] Nicht verwendet [10] Linke Blinkerkontrollleuchte (LED) (+) [11] Masse der Warnleuchte (LED) (–) [12] Drehzahlmesserimpuls [13] Drehzahlsensorimpuls [14] ECU-Übertragungsimpuls [15] Kraftstoffreserveschalter [16] Zündung [17] Batterie (+) [18] Betriebsspannung des Geschwindigkeitssensors [19] Masse (–) [20] Nicht verwendet VORSICHT Die Instrumenteneinheit nicht fallen lassen. Die In- strumenteneinheit so ablegen, dass die Oberseite nach oben zeigt. Wenn die Instrumenteneinheit mit der Vorderseite nach unten oder seitlich längere Zeit abgelegt wird oder herunterfällt, kommt es zu Fehlfunktionen. Die Anschlüsse nicht kurzschließen. Prüfung 1: Grundfunktionen der Instrumenteneinheit •Die 12-V-Batterie [A] mit den Hilfskabeln wie folgt am Ver- binder der Instrumenteneinheit anklemmen. ○Den Batteriepluspol mit Anschluss [17] verbinden. ○Den Batterieminuspol mit Anschluss [19] verbinden.
  • 601.
    ELEKTRIK 16-67 Instrumentenblock, Messgerät,Anzeigeblock • Die Nadel [A] des Drehzahlmessers muss kurzzeitig die letzten Messwerte anzeigen und dann wieder den nied- rigsten Wert. Wenn die Instrumenteneinheit nicht funktioniert, den In- strumentenblock ersetzen. • Anschluss [16] mit Anschluss [17] verbinden. • Nach dem Anschluss überprüfen. der Klemmen folgende Punkte ○Die Nadel [A] des Drehzahlmessers zeigt kurzzeitig die letzten Messwerte an und dann wieder den niedrigsten Wert. ○Alle LCD-Segmente [B] leuchten ca. 1,5 Sekunden bzw. ca. 1 Sekunde. ○Die Öldruck-Warnleuchte (LED) blinkt [C]. Operationen der LCD-Segmente in 1,5 Sekunden Tachometer/Kilome- terzähler/Uhr- und Gangpositionsanzeige Wassertemperaturan- zeige Segmente leuchten Segmente leuchten Operation 1 von oben nach unten von links nach rechts Segmente erlöschen Segmente erlöschen Operation 2 von oben nach unten von links nach rechts Segmente leuchten Segmente leuchten Operation 3 von oben nach unten von links nach rechts Wenn weder die LCD-Segmente noch die LED noch die Warnleuchten aufleuchten, den Instrumentenblock erset- zen. •Klemme [16] abklemmen. ○Alle LCD-Segmente und Warnleuchten (LED) erlöschen. Wenn die Segmente nicht erlöschen, die Instrumenten- baugruppe ersetzen.
  • 602.
    16-68 ELEKTRIK Instrumentenblock, Messgerät,Anzeigeblock Prüfung 2: Prüfung der Übertragungsleitung des In- strumentenblocks (Servicecode 39) • Die Kabel an den gleichen Schaltkreis wie bei Prüfung 1 anschließen. • 10 Sekunden warten, bis die FI-Anzeige [A] auf dem Dis- play und die Warnleuchte (LED) [B] blinken. • Durch Drücken des MODE-Knopfes [B] auf ODO-Modus [A] schalten. • Den MODUS-Knopf mindestens 2 Sekunden drücken. • Folgende Punkte [A] und die FI-Anzeige [B] blinken auf ○Die Nummer 39 kontrollieren. dem Display. ○Die Warnleuchte (LED) [C] blinkt. •Den MODUS-Knopf mindestens 2 Sekunden drücken. •Folgende Punkte kontrollieren. ○Das Display schaltet von ODO-Modus wieder auf die Nummer 39. ○Die FI-Anzeige auf dem Display und die Warnleuchte (LED) blinken. Wenn die Instrumenteneinheit nicht funktioniert, den In- strumentenblock ersetzen. ANMERKUNG ○Die Nummer 39 ist der Servicecode für die Selbstdia- gnose (siehe das Kapitel "Kraftstoffanlage"). Der Ser- vicecode weist auf einen Fehler in der Instrumenten- block-Übertragungsleitung hin. ○Die Nummer 39 und die FI-Anzeige auf dem Display verschwinden, wenn die Instrumenteneinheit an den Hauptkabelbaum eines normal arbeitenden Motorrads angeschlossen wird.
  • 603.
    ELEKTRIK 16-69 Instrumentenblock, Messgerät,Anzeigeblock Prüfung 3: Funktionsprüfung des Modusknopfes •Die Kabel an den gleichen Schaltkreis wie bei Prüfung 1 anschließen. • Das Display [A] mussReihejeder Betätigung des Modus- wahlknopfes [B] der bei nach zwischen ODO, TRIP und STOP WATCH umschalten. ○Wenn die Kraftstoffstand-Warnleuchte (LED) blinkt [C], schaltet das Display zwischen ODO, TRIP, CLOCK und FUEL um. Wenn die Umschaltung auf dem Display nicht funktioniert, den Instrumentenblock ersetzen. Prüfung 4: Überprüfung des Einheitenwechsels •Die Kabel an den gleichen Schaltkreis wie bei Prüfung 1 anschließen.
  • 604.
    16-70 ELEKTRIK Instrumentenblock, Messgerät,Anzeigeblock • Durch Drücken des MODE-Knopfes [B] auf ODO-Modus [A] schalten. • Solangebei Betätigung des RESET-Knopfeswechselt das Display der MODE-Knopf gedrückt bleibt, [E] alle 2 Se- kunden zwischen Anzeige der Entfernungseinheit [C] und der Temperatureinheit [D]. Das Instrument austauschen, wenn es nicht funktioniert. ANMERKUNG ○Bei der Anzeige Meilen/Km kann zwischen den angloa- merikanischen und den metrischen Maßeinheiten (Mei- len und Kilometer) umgeschaltet werden. Vor dem Fah- ren kontrollieren, ob entsprechend den geltenden loka- len Vorschriften die Geschwindigkeit in Kilometer oder Meilen angezeigt wird. Prüfung 5: Überprüfung der Zeiteinstellung •Die Kabel an den gleichen Schaltkreis wie bei Prüfung 1 anschließen. • Durch Drücken des MODE-Knopfes [B] auf ODO-Modus [A] schalten. • Den RESET-Knopf [C] mindestens zwei Sekunden drü- cken. ○Das Uhreinstellmenü (Stunde und Minute) [D] sollte blin- ken. • Den RESET-Knopf drücken. ○Die Stundenanzeige [A] blinkt. • Sicherstellen, dass die Stundenanzeige bei jeder Betäti- gung des MODE-Knopfes wechselt.
  • 605.
    ELEKTRIK 16-71 Instrumentenblock, Messgerät,Anzeigeblock • Durch Drücken des RESET-Knopfeszu blinken beginnt. gen, wonach die Minutenanzeige [A] die Stunde festle- • Sicherstellen, dass die Minutenanzeige bei jeder Betäti- gung des MODE-Knopfes wechselt. • Den RESET-Knopfblinken. Stunden- und Minutenan- zeige müssen nun drücken; • Durch DrückenMinutenanzeige festgelegt sind. das die Stunden- und des MODE-Knopfes sicherstellen, • Bei blinkender Stunden-Stundenanzeige muss den blin- SET-Knopf drücken; die und Minutenanzeige nun RE- ken. Mit diesem Blinken schaltet die Anzeige auf die Stundenanzeige zurück. Wenn die Umschaltung auf dem Display nicht funktioniert, den Instrumentenblock ersetzen. ○Falls Klemme 15 bei der Uhrzeiteinstellung unterbrochen wird, wird die Uhr auf diesen Zeitpunkt eingestellt. Prüfung 6: Prüfung des Tachometers •Die Kabel an den gleichen Schaltkreis wie bei Prüfung 1 anschließen. •Die Drehzahl entspricht einer bestimmten Eingangsfre- quenz, die im Oszillator [A] angezeigt wird, wenn an An- schluss [13] ein Rechteckwellensignal (siehe Abbildung) eingespeist wird. ○Eine Anzeige von 60 MPH entspricht einer Eingangsfre- quenz von etwa 525 Hertz. ○Bei einer Eingangsfrequenz von etwa 840 Hz werden etwa 60 km/h angezeigt. ANMERKUNG ○Die Eingangsfrequenz des Oszillators entspricht dem kumulativen Wert des Kilometerzählers. ○Der kumulative Wert des Kilometerzählers kann nicht rückgestellt werden.
  • 606.
    16-72 ELEKTRIK Instrumentenblock, Messgerät,Anzeigeblock • Wenn kein Oszillator verfügbar ist, kann das Tachometer wie folgt geprüft werden. ○Die Instrumenteneinheit anschließen. ○Das Hinterrad mit dem Ständer aufbocken. ○Den Zündschalter einschalten. ○Das Hinterrad mit der Hand drehen. ○Auf dem Tachometer muss die Geschwindigkeit ange- zeigt werden. Wenn das Tachometer nicht funktioniert, die Stromver- sorgung für den Drehzahlsensor und den Drehzahlsensor kontrollieren. Wenn die Stromversorgung anliegt und der Drehzahlsen- sor funktionsfähig ist, den Instrumentenblock ersetzen. Prüfung 7: Überprüfung der Betriebsspannung des Drehzahlsensors •Die Kabel an den gleichen Schaltkreis wie bei Prüfung 1 anschließen. •Das Handprüfgerät [A] auf einen Messbereich von 25 V DC einstellen und mit den Anschlüssen [18] und [19] ver- binden. Betriebsspannung Standard: Ca. 11,5 V bei 13 V Batteriespannung Liegt die Spannung außerhalb des Sollbereichs, den In- strumentenblock ersetzen. Prüfung 8: Prüfung des Kilometerzählers •Die Kabel an den gleichen Schaltkreis wie bei Prüfung 6 anschließen. •Durch Drücken des MODE-Knopfes [B] auf ODO-Modus [A] schalten. •Die Eingangsfrequenz des Oszillators anheben, um das Ergebnis der Prüfung abzulesen. ○Beispiel: Zeigt eine Erhöhung um ca. 1 km/h an, wenn die Eingangsfrequenz eine Minute lang etwa 525 Hz beträgt. ○Beispiel: Zeigt eine Erhöhung um ca. 1, Meile an, wenn die Eingangsfrequenz eine Minute lang etwa 840 Hz be- trägt. Falls die Anzeige des Kilometerzählers nicht zunimmt, das Instrument austauschen. ANMERKUNG ○Der kumulative Wert des Kilometerzählers kann nicht rückgestellt werden. ○Wenn als Zahl 999999 angezeigt wird, wird die Anzeige gestoppt und gesperrt.
  • 607.
    ELEKTRIK 16-73 Instrumentenblock, Messgerät,Anzeigeblock Prüfung 9: Prüfung des Streckenzählers •Die Kabel an den gleichen Schaltkreis wie bei Prüfung 6 anschließen. •Durch Drücken des MODE-Knopfes [B] auf TRIP-Modus [A] schalten. •Die Eingangsfrequenz des Oszillators anheben, um das Ergebnis der Kilometerzähler-Prüfung abzulesen. Falls die Anzeige des Streckenzählers nicht zunimmt, den Instrumentenblock austauschen. •Den RESET-Knopf [C] mindestens 2 Sekunden drücken und sicherstellen, dass das Display auf 0.0 wechselt. Wenn die Umschaltung auf dem Display nicht funktioniert, den Instrumentenblock ersetzen. ANMERKUNG ○Der kumulative Wert des Kilometerzählers kann nicht rückgestellt werden. Prüfung 10: Prüfung der Wassertemperaturanzeige •Die Kabel an den gleichen Schaltkreis wie bei Prüfung 1 anschließen. ○Die Anzeige “– –” erscheint auf der Wassertemperaturan- zeige. •Klemme [4] and den Minuspol (–) der Batterie anschlie- ßen. • Sicherstellen, wechselt.Wassertemperaturanzeige [A] von “– –” auf “HI” dass die Wenn die Wassertemperaturanzeige nicht funktioniert, den Instrumentenblock ersetzen. • Den Minuspol (–) [A] (ca. 210 anschließen. den Widerstand der Batterie Ω) an die Klemme [4] und
  • 608.
    16-74 ELEKTRIK Instrumentenblock, Messgerät,Anzeigeblock • Die 50 °C anzeigen. ca. Wassertemperaturanzeige [A] muss einen Wert von Wenn die Wassertemperaturanzeige die Temperatur nicht anzeigt, den Instrumentenblock ersetzen. Prüfung 11: Überprüfung des Drehzahlmessers •Die Kabel an den gleichen Schaltkreis wie bei Prüfung 1 anschließen. •Welche Eingangsfrequenz des Oszillators [A] einer be- stimmten Drehzahl pro Minute (RPM) entspricht, wenn das Rechtecksignal (siehe Abbildung) an Anschluss [12] eingespeist wird, wird auf dem Oszillator angezeigt. ○Eine Drehzahl von etwa 4.000 U/min entspricht einer Ein- gangsfrequenz von etwa 133,3 Hz. Das Instrument austauschen, wenn es nicht funktioniert. • Klemme [16] des Drehzahlmessers muss den niedrigsten abklemmen. • Wert (0) anzeigen. Die Nadel [A] Wenn die Instrumenteneinheit nicht funktioniert, den In- strumentenblock ersetzen. • Wenn der Oszillator nicht verfügbar ist, kann die Dreh- zahlanzeige wie folgt geprüft werden: ○Die 12-V-Batterie und die Anschlüsse so anschließen, wie bei der Prüfung der “Flüssigkristallanzeige (LCD)“ be- schrieben. ○Mit einer Hilfsader die Verbindung zwischen Anschluss [17] und Anschluss [12] mehrmals schnell herstellen und unterbrechen.
  • 609.
    ELEKTRIK 16-75 Instrumentenblock, Messgerät,Anzeigeblock ○Die Drehzahlanzeige [A] muss dann blinken [B]. Wenn die Anzeige nicht blinkt, den Instrumentenblock er- setzen. Prüfung 12: Überprüfung der Stoppuhr •Die Kabel an den gleichen Schaltkreis wie bei Prüfung 1 anschließen. •Durch mehrmaliges Drücken des Modusknopfes [A] auf Stoppuhrmodus [B] schalten. •Die Hilfsader gemäß Abbildung an Klemme [6] anschlie- ßen, wonach die Stoppuhr zu zählen beginnt. •Klemme [6] unterbrechen und wieder anschließen. •Die Stoppuhr stoppt die Zählung. • Während die Stoppuhr weiterzählt, die HilfsaderZählerzeit Abbildung mit Anschluss [4] verbinden und die wie in der [A] für 10 Sekunden anzeigen lassen.
  • 610.
    16-76 ELEKTRIK Instrumentenblock, Messgerät,Anzeigeblock • Sicherstellen, dass das wenn der RESET-Knopf [B] bei Rundenzeit [A] anzeigt, Instrument die abgespeicherte gestoppter Stoppuhr weniger als 2 Sekunden gedrückt und losgelassen wird. Wenn die Umschaltung auf dem Display nicht funktioniert, den Instrumentenblock ersetzen. • Sicherstellen, dass alle der RESET-Knopf bei Stoppuhr- gelöscht werden, wenn gespeicherten Rundenzeiten [A] anzeige mindestens 2 Sekunden gedrückt wird. Wenn die Daten nicht aus dem Speicher gelöscht werden, den Instrumentenblock ersetzen. • Sicherstellen, dass die Stoppuhranzeige 00’ 00” 00 [A] lautet und die Runden-Nummernanzeige die Wasser- temperatur anzeigt [B], wenn die Klemme [16] wieder an die Plusklemme (+) angeschlossen wird, nachdem sie für den Betrieb der Stoppuhr unterbrochen worden war. Wenn die Umschaltung auf dem Display nicht funktioniert, den Instrumentenblock ersetzen. Prüfung 13: Prüfung der Gangpositionsanzeige •Die Instrumenteneinheit ausbauen (siehe "Einbau der In- strumenteneinheit"). •Den Zündschalter einschalten. •Sicherstellen, dass die mit N bezeichnete Leerlaufkon- trollleuchte (LED) [A] aufleuchtet.
  • 611.
    ELEKTRIK 16-77 Instrumentenblock, Messgerät,Anzeigeblock • Niedrigen Gang einlegen und sicherstellen, dass das Dis- play auf 1 wechselt. • ZumHinterrad mit Hilfe eines Ständers vom Boden abhe- Anzeigen anderer Gangpositionen; • Das (siehe "Funktionsprüfung der Wegfahrsperre"). ben • Denjedem starten und den Gang wechseln. Motor • Display wechseln. Bei Gangwechsel muss die Gangposition [A] im • Den Zündschalter ausschalten. zu Prüfung 1 gehen Wenn das Display nicht funktioniert, und folgende Punkte überprüfen. Verkabelung (siehe "Prüfung der Verkabelung") Verkabelung des Wegfahrsper- ren-Übertragungsschaltkreises Gangpositionsschalter (siehe "Prüfung des Gangpositi- onsschalters") Ist das Ergebnis der obigen Prüfungen in Ordnung, den Instrumentenblock und/oder die ECU ersetzen. Prüfung 14: Prüfung der Leuchten (LED) •Die Kabel an den gleichen Schaltkreis wie bei Prüfung 1 anschließen. Leerlaufkontrollleuchte (LED) [A] Warnleuchte (LED) [B] Blinkerkontrollleuchte (LED) [C] Fernlicht-Kontrollleuchte (LED) [D] Kraftstoffstand-Warnleuchte (LED) [E] Hochschalt-Kontrollleuchte (LED) [F] Ölsymbol [G] Leerlaufkontrollleuchte (LED) Batterieminuspol (–) von Klemme zu Klemme [1] Ölsymbol und Warnleuchte (LED) Batterieminuspol (–) von Klemme zu Klemme [11]
  • 612.
    16-78 ELEKTRIK Instrumentenblock, Messgerät,Anzeigeblock Rechte und linke Blinker-Kontrollleuchte (LED) Batteriepluspol (+) von Klemme zu Klemme [2] Batteriepluspol (+) von Klemme zu Klemme [10] Fernlicht-Anzeigeleuchte (LED) Batteriepluspol (+) von Klemme zu Klemme [3] Prüfung 15: Kraftstoffstand-Warnleuchte (LED) und Kraftstoffsymbol •Die Kabel an den gleichen Schaltkreis wie bei Prüfung 1 anschließen. ○Die Kraftstoffsegmente auf dem Display blinken. •Einen verstellbaren Rheostaten [A] wie in der Abbildung mit Anschluss [15] verbinden. •Den Widerstand auf ca. 100 Ω einstellen. ○Die Kraftstoffstand-Warnleuchte (LED) leuchtet [B] und das FUEL-Segment blinkt auf dem Display. Falls die Leuchten (LED) und/oder das Symbol nicht an- sprechen, den Instrumentenblock austauschen.
  • 613.
    ELEKTRIK 16-79 Instrumentenblock, Messgerät,Anzeigeblock Prüfung 16: Prüfung des Wegfahrsperren-Blinkmodus (ausgerüstete Modelle) • Die Kabel an den gleichen Schaltkreis wie bei Prüfung 1 anschließen. • Klemme [16] abklemmen. • Sicherstellen, dass die Warnleuchte (LED) [A] zu blinken beginnt (Blinkmodus der Wegfahrsperren-Warnleuchte) • Den MODE- [B] und RESET-Knopf [C]20 Sekunden 2nach kunden drücken, und zwar innerhalb mindestens Se- Unterbrechung von Klemme [9]. • Sicherstellen, dass die Warnleuchte (LED) in Intervallen von einer Sekunde ein- und ausschaltet (Nichtblinkmodus der Wegfahrsperren-Warnleuchte). ANMERKUNG ○Für diese Prüfung muss die Batteriespannung mindes- tens 12,2 V betragen. ○Bei einer Batteriespannung von weniger als 12 ±0,2 V funktioniert der Blinkmodus der Wegfahrsper- ren-Warnleuchte nicht. • Klemme [16] and den Pluspol (+) der Batterie anschlie- ßen. • DannMODE- und RESET-Knopf mindestens 2 Sekunden Klemme [16] wieder unterbrechen. • drücken, und zwar innerhalb 20 Sekunden nach Unter- Den brechung von Klemme [9]. • Sicherstellen, dass die Warnleuchte (LED) eine Sekunde einschaltet und dann zu blinken beginnt (Blinkmodus der Wegfahrsperren-Warnleuchte). Das Instrument austauschen, wenn es nicht funktioniert.
  • 614.
    16-80 ELEKTRIK Instrumentenblock, Messgerät,Anzeigeblock Prüfung 17: Hochschalt-Kontrollleuchte (LED) •Die Kabel an den gleichen Schaltkreis wie bei Prüfung 1 anschließen. •Wenn der MODE-Knopf [A] und RESET-Knopf [B] gleich- zeitig mindestens 2 Sekunden gedrückt werden, schal- tet die Hochschalt-Kontrollleuchte [C] nach 2 Sekunden auf einen vorgegebenen Leuchtmodus, die Nadel des TA -Instruments [D] zeigt die gegenwärtige vorgegebene Mo- tordrehzahl an und der Einstellmodus wird hergestellt. Falls Nadel und Leuchte nicht ansprechen, den Instru- mentenblock austauschen. • Wenn die vorgegebenedes TA-Instruments sich innerhalb stellen, dass die Nadel Drehzahl verändert wird, sicher- des Einstellbereichs bewegt (Änderung der vorgegebe- nen Drehzahl), wenn der RESET-Knopf gedrückt wird. • Wenn die vorgegebene Drehzahl geändert wird, sicher- stellen, dass der Modus der Hochschalt-Kontrollleuchte wechselt, wenn der MODUS-Knopf nach weniger als 2 Sekunden langer Betätigung freigegeben wird. Wenn die Umschaltung auf dem Display nicht funktioniert, den Instrumentenblock ersetzen.
  • 615.
    ELEKTRIK 16-81 Instrumentenblock, Messgerät,Anzeigeblock • Wenn die vorgegebene RESET-Knopf [B] gleichzeitig MODUS-Knopf [A] und Drehzahl geändert wird, den mindestens 2 Sekunden drücken, um die Drehzahl- und Leuchtmoduseinstellungen abzuschließen; dann zu dem vor dem Einstellmodus [C] bestehenden Modus zurück- schalten. Falls Nadel und Leuchte nicht ansprechen, den Instru- mentenblock austauschen. • Wenn die Plusklemmean IGN unterbrochen und wieder schalt-Kontrollleuchte (+) [16] zum Einstellen der Hoch- angeschlossen wird, sicherstellen, dass die Einstellung der vorgegebenen Drehzahl und des Leuchtmodus be- endet ist. Wenn die Umschaltung auf dem Display nicht funktioniert, den Instrumentenblock ersetzen.
  • 616.
    16-82 ELEKTRIK Instrumentenblock, Messgerät,Anzeigeblock • Die Drehzahl Oszillator angezeigt wird, wenn ein Recht- quenz, die im entspricht einer bestimmten Eingangsfre- eckwellensignal (siehe Abbildung) an der Klemme einge- speist wird. • Das Oszillatorsignal bei mehr als 1 km/h oder gleichwer- tig für die einzustellende Leitung [13] eingeben und auf normalen Betrieb prüfen. • Wird das Signal des Oszillators bei mehr als 1 km/h oder gleichwertig in die Leitung [13] eingespeist, sicherstellen, dass die vorgegebene Drehzahl und der Leuchtmodus nicht auf Einstellmodus wechseln. Wenn die Umschal- tung auf dem Display nicht funktioniert, den Instrumen- tenblock ersetzen. • Welche Eingangsfrequenz des Oszillators [A] einer be- stimmten Drehzahl pro Minute (RPM) entspricht, wenn das Rechtecksignal (siehe Abbildung) an Anschluss [12] eingespeist wird, wird auf dem Oszillator angezeigt. • Ist der Oszillator auf eine Frequenz über 550 Hz einge- stellt, leuchtet die Hochschalt-Kontrollleuchte (LED) auf. Wenn keine der LEDs aufleuchtet, den Instrumenten- block ersetzen.
  • 617.
    ELEKTRIK 16-83 Instrumentenblock, Messgerät,Anzeigeblock Prüfung des Selbstdiagnosemodus für die Kraftstoffstand-Sensorleitung ANMERKUNG ○Wenn eine Unterbrechung oder Kurzschluss im Stromkreis des Kraftstoffstandsensors erkannt wird, wird gewöhnlich auf dem Modus Kraftstoff- sensor-Selbstdiagnose geschaltet. ○Die Kraftstoffstand-Warnleuchte (LED) [A] und FUEL [B] auf dem Display blinken. (Damit wird auf den Kraftstoff- sensor-Selbstdiagnosemodus hingewiesen.) Wenn das am Motorrad eingebaute Instrument auf Selbstdiagnose schaltet, den Kraftstoffreserveschalter (siehe "Prüfung des Kraftstoffreserveschalters") und die Verkabelung überprüfen. Sind Kraftstoffreserveschalter und Verkabelung in Ord- nung, den Instrumentenblock austauschen.
  • 618.
    16-84 ELEKTRIK Instrumentenblock, Messgerät,Anzeigeblock Instrumentenblock-Stromkreis 1. Zündschalter 2. Instrumenteneinheit 3. Steckverbindung C 4. Rundenschalter 5. ECU-Sicherung 10 A 6. Zündungssicherung 10 A 7. Hupensicherung 10 A 8. Sicherungskasten 9. Steckverbindung B 10. Hauptsicherung 30 A 11. Rahmenmasse 12. Batterie 12 V 8 Ah 13. Kraftstoffreserveschalter 14. Stoppuhrschalter 15. Masse des Zylinderkopfdeckels 16. Wassertemperatursensor 17. Drehzahlsensor 18. Gangpositionsschalter 19. Öldruckschalter 20. ECU
  • 619.
    ELEKTRIK 16-85 Wegfahrsperrensystem (ausgerüsteteModelle) Das Motorrad ist mit einer Wegfahrsperre ausgestattet, um es vor Diebstahl zu schützen. Das System bietet Schutz gegen Diebstahl, indem es einen dem im Schlüssel eingebauten Transponder zugeordneten Code mit dem in der ECU (Elektronische Steuereinheit) gespeicherten Code vergleicht. Passt der Code nicht, so werden Zündanlage, Einspritzventile, Teillastventil-Stelleinheit und Auslass- klappenventil-Stelleinheit funktionsunfähig und der Motor startet nicht. Zusammenfassung • Keinesfalls mehr als einen Wegfahrsperrenschlüssel eines Systems am gleichen Schlüsselring tra- gen. Dadurch kann das Codesignal des Schlüssels und damit die Funktion des Systems gestört werden. • Die Warnleuchte (LED) blinkt für die Dauer von ca. 24 Stunden nach Ausschalten des Zündschal- ters und Abziehen des Schlüssels. Dieses Blinken kann aktiviert bzw. deaktiviert werden, indem die Modus- und Rückstellknöpfe innerhalb 20 Sekunden nach Ausschalten der Zündung gleichzeitig 2 Sekunden gedrückt gehalten werden. • Falls alle Codeschlüssel (Haupt- und Benutzerschlüssel) verloren gehen, müssen ECU und Zünd- schalter ausgetauscht werden. • Um die Wegfahrsperre funktionsfähig zu machen, muss der Code des Hauptschlüssels in der ECU registriert werden. • Es können jeweils bis zu sechs Schlüssel in der ECU registriert werden (ein Hauptschlüssel und fünf Benutzerschlüssel). • Falls der Hauptschlüssel verloren geht, können keine Benutzerschlüssel mehr registriert werden. Vorsichtsmaßnahmen 1. Keinesfalls mehr als einen Wegfahrsperrenschlüssel eines Systems am gleichen Schlüsselring tragen. 2. Die Schlüssel nicht in Wasser eintauchen. 3. Die Schlüssel keinen übermäßig hohen Temperaturen aussetzen. 4. Die Schlüssel nicht in der Nähe von Magneten ablegen. 5. Keine schweren Gegenstände auf den Schlüsseln abstellen. 6. Die Schlüssel nicht schleifen oder anderweitig die Form bearbeiten. 7. Den Kunststoffteil des Schlüssels nicht zerlegen. 8. Die Schlüssel nicht fallen lassen oder Schlägen aussetzen. 9. Bei Verlust eines Schlüssels sollte der Benutzer den in der ECU registrierten Schlüssel beim Ver- tragshändler sperren lassen. 10.Bei Verlust des Hauptschlüssels sollte der Benutzer die ECU vom Vertragshändler austauschen lassen und einen neuen Hauptschlüssel und Benutzerschlüssel registrieren. ANMERKUNG ○Posten 9 und 10 werden dringend empfohlen, um die Sicherheit des Motorrads zu gewährleisten. Schlüsselregistrierung Fall 1: Ein Benutzerschlüssel ist verloren gegangen oder ein zusätzlicher Reserveschlüssel wird benötigt. •Einen neuen Benutzer-Reserveschlüssel bereitlegen. •Den Schlüssel auf die Form des gegenwärtigen Benut- zerschlüssels zuschneiden. •Ausbauen: Vordersitz (siehe "Ausbau des Vordersitzes" im Kapitel "Rahmen") •Den Verbinder des Wegfahrsperren-/Kawasaki -Selbstdiagnosesystems [A] abtrennen.
  • 620.
    16-86 ELEKTRIK Wegfahrsperrensystem (ausgerüsteteModelle) • Das Schlüsselregistriergerät [A] anschließen. Spezialwerkzeug - Schlüsselregistrierungsgerät: 57001-1582 • Den Hauptschlüssel in den Zündschalter stecken und den Zündschalter einschalten. Verifiziert ○Blinken der Warnleuchte (LED) [A] zeigt an, dass der Re- gistriermodus eingestellt ist (weiter zum nächsten Schritt). Nicht verifiziert ○Blinken der Warnleuchte (LED) [A] zeigt an, dass Kollati- onsfehler eingetreten ist (siehe folgende Fehlerillustratio- nen). Ausfall des Wegfahrsperren-Verstärkers Hauptschlüssel-Kollationsfehler • Den Hauptschlüssel ausschalten und abziehen. [A] zeigt ○Durchgehendes Blinken der Warnleuchte (LED) an, dass die ECU sich 15 Sekunden lang im Registrier- modus befindet. ANMERKUNG ○Den nächsten Schlüssel innerhalb 15 Sekunden nach Abziehen des vorherigen Schlüssels einstecken und einschalten; andernfalls wird der Registriermodus aufgehoben und die Warnleuchte (LED) hört auf zu blinken. ○Um wieder auf Registriermodus zu schalten, die Haupt- schlüssel-Verifizierung einleiten. Dieses Verfahren gilt für die Registrierung aller Benutzerschlüssel.
  • 621.
    ELEKTRIK 16-87 Wegfahrsperrensystem (ausgerüsteteModelle) • Den den Zündschalter einschalten.Zündschalter stecken und Benutzerschlüssel 1 in den ANMERKUNG ○Andere Benutzerschlüssel von der Wegfahrsper- ren-Antenne fernhalten. ○Falls sich bei der Registrierung ein Problem ergeben sollte, weist Blinken der Warnleuchte (LED) [A] auf Kol- lationsfehler hin. Ausfall des Wegfahrsperren-Verstärkers Beim Einstecken eines registrierten Benutzerschlüssels. Benutzerschlüssel-Kollationsfehler • Benutzerschlüssel 1 wurde erfolgreich in der ECU regis- triert. ○Die Warnleuchte (LED) [A] blinkt zweimal, stoppt 1 Se- kunde und wiederholt dann diesen Zyklus.
  • 622.
    16-88 ELEKTRIK Wegfahrsperrensystem (ausgerüsteteModelle) • Benutzerschlüssel 1 ausschalten und abziehen. der Re- ○Blinken der Warnleuchte (LED) [A] zeigt an, dass gistriermodus eingestellt ist. ANMERKUNG ○Den Zündschalter ausschalten und mindestens 15 Se- kunden warten. Der Registriermodus wird automatisch aufgehoben und die Warnleuchte (LED) schaltet aus. ○Nach diesem Verfahren werden der Hauptschlüssel und ein Benutzerschlüssel registriert. ○Nach demselben Verfahren vor Ablauf der 15 Sekun- den weitere Schlüssel registrieren. • Den den Zündschalter einschalten.Zündschalter stecken und Benutzerschlüssel 2 in den ○Falls sich bei der Registrierung ein Problem ergeben sollte, weist Blinken der Warnleuchte (LED) [A] auf Kol- lationsfehler hin. Ausfall des Wegfahrsperren-Verstärkers Beim Einstecken eines registrierten Benutzerschlüssels. Benutzerschlüssel-Kollationsfehler
  • 623.
    ELEKTRIK 16-89 Wegfahrsperrensystem (ausgerüsteteModelle) • Benutzerschlüssel(LED) [A] in der ECU registriert. 1 Se- ○Die Warnleuchte 2 wurde blinkt dreimal, stoppt kunde und wiederholt dann diesen Zyklus. ○Nach diesem Verfahren werden der Hauptschlüssel und 2 Benutzerschlüssel registriert. •Nach demselben Verfahren weitere 3 Benutzerschlüssel registrieren. ANMERKUNG ○Die ECU kann bis zu sechs Schlüsselcodes speichern (Hauptschlüssel × 1 und Benutzerschlüssel × 5). Die Benutzerschlüsselanzeige blinkt Die Die Anmerkun- Warnleuchte Warnleuchte gen (LED) blinkt (LED) stoppt Benutzer- 4mal 1 Sekunde Wiederholen schlüssel 3 Benutzer- 5mal 1 Sekunde Wiederholen schlüssel 4 Benutzer- 6mal 1 Sekunde Wiederholen schlüssel 5 • Den Zündschalter ausschalten und mindestens 15 Se- kunden warten. • Der Registriermodus wird automatisch aufgehoben. • Die FI-Anzeige [A] erlischt. • Das den Schlüsselregistriergerät Verbinder des unterbrechen und Wegfahrsperren-/Kawasaki -Selbstdiagnosesystems anschließen. ANMERKUNG ○Den Zündschalter mit einem registrierten Benutzer- schlüssel einschalten. ○Den Motor mit jedem der registrierten Benutzerschlüs- sel starten, um deren Funktionsfähigkeit zu überprüfen.
  • 624.
    16-90 ELEKTRIK Wegfahrsperrensystem (ausgerüsteteModelle) Registrierungsablaufplan für Benutzer-Reserveschlüssel
  • 625.
    ELEKTRIK 16-91 Wegfahrsperrensystem (ausgerüsteteModelle) Fall 2: Der Zündschalter ist defekt und muss ausge- tauscht werden. • Einen neuen Zündschalter [A] und zwei neue Benutzer- schlüssel [B] bereitlegen. ○Diese Teile sind im Satz erhältlich. Den gegenwärtigen Hauptschlüssel [C] bereitlegen. • Ausbauen: Zündschalter und Wegfahrsperren-Antenne (siehe "Austausch von Teilen des Wegfahrsperrensystems") Vordersitz (siehe "Ausbau des Vordersitzes" im Kapitel "Rahmen") • Den Verbinder des Wegfahrsperren-/Kawasaki -Selbstdiagnosesystems abtrennen. • Das Schlüsselregistriergerät [A] anschließen. Spezialwerkzeug - Schlüsselregistrierungsgerät: 57001-1582 • Anschließen: des neuen Zündschalters [A] Kabelverbinder Kabelverbinder der Wegfahrsperren-Antenne [B] ANMERKUNG ○Die Antenne muss sich in einer Entfernung von mindes- tens 15 cm vom Zündschalter befinden. • Denhalten. Den neuen Benutzerschlüssel 1 [C] in den [B] gegenwärtigen Hauptschlüssel [A] an die Antenne neuen Zündschalter [D] stecken und den Zündschalter einschalten. Verifiziert ○Blinken der Warnleuchte (LED) [A] zeigt an, dass sich die ECU im Registriermodus befindet (weiter zum nächsten Schritt).
  • 626.
    16-92 ELEKTRIK Wegfahrsperrensystem (ausgerüsteteModelle) Nicht verifiziert ○Blinken der Warnleuchte (LED) [A] zeigt an, dass Kollati- onsfehler eingetreten ist. Ausfall des Wegfahrsperren-Verstärkers Hauptschlüssel-Kollationsfehler • Den neuen Benutzerschlüssel 1 ausschalten und abzie- hen. • Diesetzen. [A] provisorisch auf den neuen Zündschalter [B] Antenne • Den Benutzerschlüssel 1 Zündschalter den neuen Zünd- schalter stecken und den [C] erneut in einschalten. ANMERKUNG ○Die Antenne auf den Zündschalter setzen, den nächs- ten Schlüssel innerhalb 15 Sekunden nach Abziehen des vorherigen Schlüssels einstecken und einschalten; andernfalls wird der Registriermodus aufgehoben und die Warnleuchte (LED) hört auf zu blinken. ○Um wieder auf Registriermodus zu schalten, die Haupt- schlüssel-Verifizierung einleiten. Dieses Verfahren gilt für die Registrierung aller Benutzerschlüssel. ○Andere Benutzerschlüssel von der Wegfahrsper- ren-Antenne fernhalten.
  • 627.
    ELEKTRIK 16-93 Wegfahrsperrensystem (ausgerüsteteModelle) ○Falls sich bei der Registrierung ein Problem ergeben sollte, weist Blinken der Warnleuchte (LED) [A] auf Kol- lationsfehler hin. Ausfall des Wegfahrsperren-Verstärkers Beim Einstecken eines registrierten Benutzerschlüssels. Benutzerschlüssel-Kollationsfehler • Benutzerschlüssel 1 wurde erfolgreich in der ECU regis- triert. ○Die Warnleuchte (LED) [A] blinkt zweimal, stoppt 1 Sekunde und zeigt dann durch Wiederholen dieses Zy- klus an, dass Benutzerschlüssel 1 erfolgreich registriert wurde. • Den Benutzerschlüssel 1(LED) [A] zeigt an,abziehen. Re- ○ Blinken der Warnleuchte ausschalten und dass der gistriermodus eingestellt ist. ANMERKUNG ○Den Zündschalter ausschalten und mindestens 15 Se- kunden warten. Der Registriermodus wird automatisch aufgehoben und die Warnleuchte erlischt. ○Nach diesem Verfahren werden der Hauptschlüssel und ein Benutzerschlüssel registriert. ○Nach demselben Verfahren weitere Schlüssel registrie- ren. • Den den Zündschalter einschalten.Zündschalter stecken und Benutzerschlüssel 2 in den
  • 628.
    16-94 ELEKTRIK Wegfahrsperrensystem (ausgerüsteteModelle) ○Falls sich bei der Registrierung ein Problem ergeben sollte, weist Blinken der Warnleuchte (LED) [A] auf Kol- lationsfehler hin. Ausfall des Wegfahrsperren-Verstärkers Beim Einstecken eines registrierten Benutzerschlüssels. Benutzerschlüssel-Kollationsfehler • Benutzerschlüssel 2 wurde erfolgreich in der ECU regis- triert. ○Die Warnleuchte (LED) [A] blinkt dreimal, stoppt 1 Se- kunde und zeigt dann durch Wiederholen dieses Zyklus an, dass Benutzerschlüssel 2 erfolgreich registriert wurde. • Den Zündschalter ausschalten und mindestens 15 Se- kunden warten. • Der Registriermodus wird automatisch aufgehoben. • Die FI-Anzeige [A] erlischt.
  • 629.
    ELEKTRIK 16-95 Wegfahrsperrensystem (ausgerüsteteModelle) • Das den Schlüsselregistriergerät Verbinder des unterbrechen und Wegfahrsperren-/Kawasaki -Selbstdiagnosesystems anschließen. ANMERKUNG ○Den Zündschalter mit einem registrierten Benutzer- schlüssel einschalten. ○Den Motor mit jedem der registrierten Benutzerschlüs- sel starten, um deren Funktionsfähigkeit zu überprüfen. • Einen neuen Zündschalter und die Antenne einbauen. Fall 3: Die ECU ist defekt und muss ausgetauscht wer- den. •Eine neue ECU [A] sowie einen gegenwärtigen Haupt- schlüssel [B] and gegenwärtige Benutzerschlüssel [C] be- reitlegen. ANMERKUNG ○Das Schlüsselregistriergerät wird nicht benötigt. • Wechseln: Elektronische Steuereinheit [A] (siehe "Ausbau der ECU" im Kapitel "Kraftstoffanlage (DFI)"). • Den gegenwärtigen Hauptschlüssel in den Zündschalter stecken und den Zündschalter einschalten. ○Falls sich bei der Registrierung ein Problem ergeben sollte, weist Blinken der Warnleuchte (LED) [A] auf Kol- lationsfehler hin. Ausfall des Wegfahrsperren-Verstärkers
  • 630.
    16-96 ELEKTRIK Wegfahrsperrensystem (ausgerüsteteModelle) Hauptschlüssel-Kollationsfehler • Der Hauptschlüssel wurde inblinktECU registriert. 1 Se- ○Die Warnleuchte (LED) [A] der einmal, stoppt kunde und zeigt dann durch Wiederholen dieses Zyklus an, dass der Hauptschlüssel erfolgreich registriert wurde. • Den Hauptschlüssel ausschalten und abziehen. der Re- ○Blinken der Warnleuchte (LED) [A] zeigt an, dass gistriermodus eingestellt ist. ANMERKUNG ○Den nächsten Schlüssel innerhalb 15 Sekunden nach Abziehen des vorherigen Schlüssels einstecken und einschalten; andernfalls wird der Registriermodus auf- gehoben und die Warnleuchte (LED) erlischt. ○Um wieder auf Registriermodus zu schalten, die Haupt- schlüssel-Verifizierung einleiten. Dieses Verfahren gilt für die Registrierung aller Benutzerschlüssel. • Den den Zündschalter einschalten.Zündschalter stecken und Benutzerschlüssel 1 in den ANMERKUNG ○Andere Benutzerschlüssel von der Wegfahrsper- ren-Antenne fernhalten. ○Falls sich bei der Registrierung ein Problem ergeben sollte, weist Blinken der Warnleuchte (LED) [A] auf Kol- lationsfehler hin. Ausfall des Wegfahrsperren-Verstärkers
  • 631.
    ELEKTRIK 16-97 Wegfahrsperrensystem (ausgerüsteteModelle) Beim Einstecken eines registrierten Benutzerschlüssels. Benutzerschlüssel-Kollationsfehler • Benutzerschlüssel(LED) [A] in der ECU registriert. 1 Se- ○Die Warnleuchte 1 wurde blinkt zweimal, stoppt kunde und zeigt dann durch Wiederholen dieses Zyklus an, dass der Benutzerschlüssel erfolgreich registriert wurde. • DenWarnleuchte (LED) [A]ausschaltendie Registriercodes ○Die Benutzerschlüssel 1 blinkt, und und abziehen. werden angezeigt. ANMERKUNG ○Den nächsten Schlüssel innerhalb 15 Sekunden nach Abziehen des vorherigen Schlüssels einstecken und einschalten; andernfalls wird der Registriermodus auf- gehoben und die Warnleuchte (LED) erlischt. ○Um wieder auf Registriermodus zu schalten, die Haupt- schlüssel-Verifizierung einleiten. Dieses Verfahren gilt für die Registrierung aller Benutzerschlüssel. • Den den Zündschalter einschalten.Zündschalter stecken und Benutzerschlüssel 2 in den
  • 632.
    16-98 ELEKTRIK Wegfahrsperrensystem (ausgerüsteteModelle) ○Falls sich bei der Registrierung ein Problem ergeben sollte, blinkt die Warnleuchte (LED) [A] und der Kollati- onsfehlercode wird angezeigt. Ausfall des Wegfahrsperren-Verstärkers Beim Einstecken eines registrierten Benutzerschlüssels. Benutzerschlüssel-Kollationsfehler • Benutzerschlüssel(LED) [A] in der ECU registriert. 1 Se- ○Die Warnleuchte 2 wurde blinkt dreimal, stoppt kunde und zeigt dann durch Wiederholen dieses Zyklus an, dass Benutzerschlüssel 2 erfolgreich registriert wurde. • Den Zündschalter ausschalten und mindestens 15 Se- kunden warten. • Der Registriermodus wird automatisch aufgehoben. • Die FI-Anzeige [A] erlischt.
  • 633.
    ELEKTRIK 16-99 Wegfahrsperrensystem (ausgerüsteteModelle) ANMERKUNG ○Den Zündschalter mit einem registrierten Benutzer- schlüssel einschalten. ○Den Motor mit jedem der registrierten Benutzerschlüs- sel starten, um deren Funktionsfähigkeit zu überprüfen. Fall 4: Bei Beschädigung oder Verlust des Hauptschlüssels. Die Notwendigkeit den Hauptschlüssel zu ersetzen ergibt sich nur in seltenen Fällen. Falls dies jedoch der Fall sein sollte, wird folgendes benötigt. ANMERKUNG ○Die ECU muss ersetzt werden, weil der in der gegen- wärtigen ECU abgespeicherte Hauptschlüsselcode nicht geändert werden kann. • Eine neue ECU [A] sowie Benutzerschlüssel [C] bereit- [B] and die gegenwärtigen einen neuen Hauptschlüssel legen. ANMERKUNG ○Das Schlüsselregistriergerät wird nicht benötigt. ○Die Schlüsselregistrierung erfolgt nach demselben Ver- fahren wie beim Austausch der ECU. Fall 5: Bei Ersatz der Antenne. •Eine neue Antenne bereitlegen. •Siehe "Austausch von Teilen des Wegfahrsperrensys- tems" in diesem Kapitel. ANMERKUNG ○Registrierung der Schlüssel ist nicht erforderlich.
  • 634.
    16-100 ELEKTRIK Wegfahrsperrensystem (ausgerüsteteModelle) Ablaufplan für Schlüssel-Erstregistrierung
  • 635.
    ELEKTRIK 16-101 Wegfahrsperrensystem (ausgerüsteteModelle) Austausch von Teilen des Wegfahrsperrensys- tems Wegfahrsperren-Antenne •Ausbauen: Linke Innenabdeckung (siehe "Ausbau der Innenabde- ckung" im Kapitel "Rahmen") •Kabelverbinder [A] und Klemme [B] abtrennen. • Ausbauen: Oberes Kupplungszugende Obere Seilzugenden der Gaszüge Lenkschaftkopf und Lenker (siehe "Ausbau des Len- kers" im Kapitel "Lenkung") • Die Torx-Schrauben mit einem kleinen Meißel oder einer Stanze [A] herausdrehen. • Die Bänder [A] undherausdrehen. [B] durchschneiden. • Die Antenne [D] mit der Abdeckung entfernen. Die Schrauben [C] • ○Das Unterteil [A] der Abdeckung so herausziehen, dass nicht an die Vorsprünge [B] des Zündschalters angesto- ßen wird. • Den Gummidämpfer [A] oben um den Schalter [B] herum einbauen. ○Die Nuten auf die Nasen aufsetzen.
  • 636.
    16-102 ELEKTRIK Wegfahrsperrensystem (ausgerüsteteModelle) • Die Klemme [A] montieren.[B] anziehen, bis der Schrau- • Eine neue Torx-Schraube benkopf [C] bricht. • Die Kabel korrekt verlegen Schläuchen" im Anhang). von Seilzügen, Kabeln und (siehe Abschnitt "Verlegung Austausch des Wegfahrsperren-Verstärkers •Ausbauen: Windschutz (siehe "Ausbau des Windschutzes" im Ka- pitel "Rahmen") •Den Verstärker [A] herausziehen. • Steckverbindung [A] trennen. herausziehen, damit nicht • Den Verstärkerangestoßen wird. an die Haken [B] nach hinten Austausch der ECU (Elektronische Steuereinheit) (aus- gerüstete Modelle) •Siehe Ausbau der ECU im Kapitel Kraftstoffanlage (DFI) (siehe "Ausbau der ECU" im Kapitel "Kraftstoffanlage (DFI)").
  • 637.
    ELEKTRIK 16-103 Wegfahrsperrensystem (ausgerüsteteModelle) Ablaufplan für Austausch von Teilen der Wegfahrsperre Defekte oder verlorene Teile Haupt- Benutzer- Zünd- An- Ver- schlüssel schlüssel ECU schalter tenne stärker (rot) (schwarz) Haupt- schlüssel (rot) • Benutzer- schlüssel (schwarz) • ○ * • Zündschal- ter Antenne • Verstärker • ECU ○ • * Austauschteil • Wesentliches Austauschteil ○ Zusätzliches Austauschteil Prüfung des Wegfahrsperrensystems • Siehe "Wegfahrsperren-Verstärker und Erkennung von Schlüsselrohlingen" im Kapitel "Kraftstoffanlage (DFI)".
  • 638.
    16-104 ELEKTRIK Wegfahrsperrensystem (ausgerüsteteModelle) Schaltkreis des Wegfahrsperrensystems 1. ECU 2. Zündschalter 3. Wegfahrsperren-Verstärker 4. Masse des Zylinderkopfdeckels 5. Steckverbindung C 6. Wegfahrsperren-Antenne 7. Steckverbindung B 8. Instrumenteneinheit 9. ECU-Sicherung 10 A 10. Zündungssicherung 10 A 11. Sicherungskasten 12. Relaiskasten 13. ECU-Hauptrelais 14. Rahmenmasse 15. Hauptsicherung 30 A 16. Starterrelais 17. Batterie 12 V 8 Ah 18. Steckverbinder für Wegfahrsperre/Kawasaki-Selbstdiagnosesystem
  • 639.
    ELEKTRIK 16-105 Schalter undSensoren Prüfung der Zeiteinstellung des Bremslichtschal- ters • Siehe die Anweisungen zur Bremslichtschalters im Kapitel Funktionsprüfung des Regelmäßige Wartung (siehe "Funktionsprüfung des Bremslichtschalters" im Kapitel "Regelmäßige Wartung"). Zeiteinstellung des Bremsleuchtenschalters • Siehe die Anweisungen zur Bremslichtschalters im Kapitel Funktionsprüfung des Regelmäßige Wartung (siehe "Funktionsprüfung des Bremslichtschalters" im Kapitel "Regelmäßige Wartung"). Ausbau des Gangpositionsschalters • Den Kraftstofftank aufstellen (siehe "Ausbau des Dreh- zahlsensors"). • Abziehen: Steckverbinder des Gangpositionsschalters [A] Klemme [B] • Die Klemmen [A] öffnen. • Ausbauen: Motorkettenradabdeckung [A] (siehe "Ausbau des Mo- torkettenrads" im Kapitel "Achsantrieb") Geschwindigkeitssensor (siehe "Ausbau des Geschwin- digkeitssensors") [B] • Den Kabelsteckverbinder des Seitenständerschalters [C] trennen.
  • 640.
    16-106 ELEKTRIK Schalter undSensoren • Ausbauen: [A] Schrauben Halteplatte [B] Gangpositionsschalter • Die Stifte [A] und Federn aus der Schalttrommel aus- bauen. Einbau des Gangpositionsschalters • Die Schaltwalzeund Stifte [B] fest in die Bohrungen [C] in der Federn [A] einpassen. • Den neuen O-Ring [A] einfetten. • Folgende Teile einbauen: Gangpositionsschalter [B] • Folgende Teile einbauen: Halteplatte [A]
  • 641.
    ELEKTRIK 16-107 Schalter undSensoren • Ein nicht-permanentes Gewindedichtmittel auf Schrauben des Gangpositionsschalters auftragen. den • Festziehen: Anzugsmoment - Schrauben des Gangpositionsschalters: 2,9 N·m (0,30 kgf·m) • Die Kabel des Gangpositions-Abschnitt "Verlegung von ters korrekt verlegen (siehe und Seitenständerschal- Seilzügen, Kabeln und Schläuchen" im Anhang). • Die ausgebauten Teile einbauen (siehe entsprechende Kapitel). Prüfung des Gangpositionsschalters ANMERKUNG ○Darauf achten, dass sich der Getriebemechanismus in gutem Zustand befindet. • Steckverbindung [A] trennen. Klemme [B] • Das Handprüfgerät [A] auf den Bereich ×1 kΩ oder Ω100 Ω einstellen und an die Klemmen des Kabelverbinders [B] des Öldruck-/Gangpositionsschalters und Masse an- schließen. [C] Interner Schaltkreis [1] Hellgrünes Kabel [2] Grüner/roter Leiter [3] Schwarzer Leiter Spezialwerkzeug - Handprüfgerät: 57001-1394 Widerstand des Gangpositionsschalters kΩ Anschlüsse Getriebe- [1]-Masse [2]-Masse [3]-Masse gang Neutral ca. 0 – – 1. Gang – 3,00 ∼ 3,32 11,63 ∼ 12,87 2. Gang – 1,70 ∼ 1,89 10,33 ∼ 11,44 3. Gang – 1,07 ∼ 1,19 9,70 ∼ 10,74 4. Gang – 0,695 ∼ 0,769 9,32 ∼ 10,32 5. Gang – 0,430 ∼ 0,476 9,06 ∼ 10,03 6. Gang – 0,248 ∼ 0,274 8,89 ∼ 9,81 Falls die Anzeige des Testers nicht den Spezifikationen entspricht, den Gangpositionsschalter durch einen neuen ersetzen.
  • 642.
    16-108 ELEKTRIK Schalter undSensoren Prüfung des Schalters • Mit einem Handprüfgerät kontrollieren, ob bei den in der Tabelle angegeben Verbindungen Durchgang besteht (etwa 0 Ohm). ○Zu Schaltergehäusen und Zündschalter siehe die Tabel- len zum Verdrahtungsplan. Liegt im Schalter ein Kurzschluss oder eine Unterbre- chung vor, den Schalter austauschen. Spezialwerkzeug - Handprüfgerät: 57001-1394 Anschlüsse des Hinterrad-Bremslichtschalters Anschlüsse des Seitenständerschalters Anschlüsse des Öldruckschalters* *: Das Motorschmiersystem ist einwandfrei.
  • 643.
    ELEKTRIK 16-109 Schalter undSensoren Prüfung des Wassertemperatursensors • Den Wassertemperatursensors" im Kapitel "Kraftstoffan- des Wassertemperatursensor ausbauen (siehe "Ausbau lage (DFI)"). • Den Sensor [A] in einen Behälter mit Kühlflüssigkeit hän- gen, so dass der Temperatursensor [E] und der Gewin- deteil [E] in die Kühlflüssigkeit eintauchen. • Ein genaues Thermometer [B] in die Kühlflüssigkeit hän- gen. ANMERKUNG ○Sensor und Thermometer dürfen weder die Wand noch den Boden des Behälters berühren. • Den Behälter auf eine Wärmequelle stellenUmrühren all- peratur des Kühlmittels unter vorsichtigem und die Tem- mählich erhöhen. •Mit dem Handprüfgerät den Innenwiderstand des Sen- sors messen. ○Der Sensor sendet elektrische Signale an die elektroni- sche Steuereinheit (ECU) und die Anzeige für die Kühl- flüssigkeitstemperatur im Instrumentenblock. ○Den Widerstand zwischen den Anschlüssen und dem Ge- häuse (für die Anzeige) bei den in der Tabelle angegebe- nen Temperaturen messen. Zeigt das Prüfgerät nicht die Sollwerte an, den Sensor ersetzen. Wassertemperatursensor Widerstand für ECU [C] Widerstand (kΩ) Temperatur (Anschluss [1] - [3]) +0,115 20°C 2,46 –0,143 80°C 0,32 ±0,011 110°C 0,1426 ±0,0041 Widerstand für Wassertemperaturanzeige [D] Widerstand (Ω) Temperatur (Anschluss [2] - Gehäuse) 50°C 210 ±40 120°C 21,2 ±1,5 Ausbau des Drehzahlsensors • Die Schrauben vorne seitlich am eines geeigneten Werk- Kraftstofftank entfernen. • zeugs oder einer Stange [B] aufstellen. Den Kraftstofftank [A] mit Hilfe ○Den Lenker gerade stellen.
  • 644.
    16-110 ELEKTRIK Schalter undSensoren • Den Drehzahlsensor-Steckverbinder [A] lösen. • Die Schraube [A] des Drehzahlsensors ausbauen. • Die Klemmen [B] öffnen. ausbauen. • Den Drehzahlsensor [C] Einbau des Drehzahlsensors • Den Drehzahlsensor einbauen. • Ein nicht-permanentes Gewindedichtmittel Schraube auftragen. auf die Anzugsmoment - Drehzahlsensorschraube: 3,9 N·m (0,40 kgf·m) Prüfung des Drehzahlsensors • Ausbauen: Drehzahlsensor (siehe "Ausbau des Drehzahlsensors") • Deneinem Widerstand Drehzahlsensors mitPrüfgerät [D] [B], Verbinder [A] des 10 kΩ [C] und dem der Batterie verbinden. • Das Prüfgerät auf den Messbereich DC 25 V schalten. Spezialwerkzeug - Handprüfgerät: 57001-1394 • Jede Seite [A] des Drehzahlsensors mit dem Schrauben- zieher berühren. ○Die Anzeige des Prüfgeräts sollte ansprechen [B]. Falls das Prüfgerät nicht anspricht, den Drehzahlsensor ersetzen.
  • 645.
    ELEKTRIK 16-111 Schalter undSensoren Prüfung des Kraftstoffreserveschalters • Ausbauen: Linke Seitenabdeckung (siehe "Ausbau der Seitenabde- ckung" im Kapitel "Rahmen") Kabelsteckverbinder der Kraftstoffpumpe [A] • Den Tankdeckel ordnungsgemäß schließen. Tank mit Kraftstoff füllen. • Die Prüflampe [A] (12 Volt, 3,4 Watt mit Fassung und Den • Prüfleitungen) und die Batterie 12 Volt [B] am Verbinder [C] der Kraftstoffpumpe anschließen. Anschlüsse Batterie (+) →12 V 3,4 W Glühlampe (eine Seite) 12 V 3,4 W Glühlampe (andere Seite) → Klemme des rot/schwarzen Kabels Batterie (–) → Klemme des schwarz/weißen Kabels Wenn die Prüflampe aufleuchtet, ist der Reserveschalter defekt. Die Kraftstoffpumpe ersetzen. • Ausbauen: (siehe "Ausbau des Kraftstofftanks" im Ka- Kraftstofftank pitel "Kraftstoffanlage (DFI)"). Kraftstoffpumpe (siehe "Ausbau der Kraftstoffpumpe" im Kapitel "Kraftstoffanlage (DFI)") • Die Prüflampe (12 V/3,4 W in einer Fassung mit An- schlusskabeln) und die Batterie 12 V wie in der Abbildung am Verbinder der Kraftstoffpumpe anschließen. 12 V Batterie [A] Prüflampe [B] Kraftstoffpumpen-Steckerbinder [B] Kraftstoffreserveschalter [D] Falls die Prüflampe nicht aufleuchtet, die Kraftstoffpumpe austauschen. ANMERKUNG ○Es kann lange dauern, bis die Prüflampe aufleuch- tet, wenn der Kraftstoffreserveschalter unmittelbar nach Ausbau der Kraftstoffpumpe überprüft wird. Die Prüflampe mehrere Minuten am Reserveschalter an- geschlossen lassen.
  • 646.
    16-112 ELEKTRIK Schalter undSensoren Ausbau der Lambdasonden (ausgerüstete Modelle) • Ausbauen: Rechte mittlere Verkleidung (siehe "Ausbau der mittle- ren Verkleidung" im Kapitel "Rahmen") • Die Kabelsteckverbinder [A] der Lambdasonde trennen. • Die Lambdasonden [B] ausbauen. Einbau der Lambdasonden (ausgerüstete Modelle) VORSICHT Die Lambdasonde [A] keinesfalls fallen lassen, be- sonders nicht auf harten Boden. Durch solch ei- nen Schlag kann die Sonde beschädigt werden. Die Sonde [B] nicht berühren, um den Kontakt mit Öl zu vermeiden. Eine Verschmutzung durch Öl durch Anfassen mit den Händen kann die Leistung der Sonde beeinträchtigen. • Folgende Teile einbauen: (Verbinderfarbe, schwarz) Linke Lambdasonde [A] Rechte Lambdasonde [B] (Verbinderfarbe, grau) • Festziehen: Anzugsmoment - Lambdasonde: 25 N·m (2,5 kgf·m) • Das Kabel von Seilzügen, Kabeln und verlegen (siehe "Verlegung der Lambdasonde korrekt Schläuchen" im Anhang). Prüfung der Lambdasonden (ausgerüstete Modelle) • Siehe die Anweisungen zur Prüfung(siehe "Prüfung der im Kapitel Kraftstoffanlage (DFI) der Lambdasonden Lambdasonden" im Kapitel "Kraftstoffanlage (DFI)").
  • 647.
    ELEKTRIK 16-113 Relaiskasten Der Relaiskasten [A] enthält Relais und Dioden. Die Re- lais und die Dioden können nicht ausgebaut werden. Ausbau des Relaiskastens • Ausbauen: Rechte Innenabdeckung (siehe "Ausbau der Innenabde- ckung" im Kapitel "Rahmen") Sicherungskasten [A] (siehe "Ausbau des Sicherungs- kastens") • Die Verbinder [B] trennen und den Relaiskasten [A] her- ausnehmen. Prüfung des Relaisschaltkreises • Den Relaiskasten ausbauen (siehe "Ausbau des Relais- kastens"). • Den Durchgang der KlemmenHandprüfgeräts und Num- mern durch Anschluss eines mit den folgenden einer 12-V-Batterie an den Relaiskasten gemäß Abbildung prü- fen. Wenn das Prüfgerät abweichende Werte anzeigt, den Re- laiskasten ersetzen.
  • 648.
    16-114 ELEKTRIK Relaiskasten Prüfung desRelaisschaltkreises (bei abgeklemmter Batterie) Prüfgerät Prüfgerätanzeige -Anschluss (Ω) Scheinwerferrelais 1-3 ∞ 6-7 ∞ ECU-Hauptrelais 4-5 Nicht ∞* Kraftstoffpumpenre- 7-8 ∞ lais 9-10 Nicht ∞* Relais des 11-16 ∞ Starterstromkreises 11-12 ∞ 17-20 ∞ Lüfterrelais 18-19 Nicht ∞* Prüfung des Relaisschaltkreises (bei angeklemmter Batterie) Batteriean- Prüfgerät Prüfgerät- schluss -Anschluss anzeige (Ω) (+) (–) 2-11 1-3 0 ECU-Hauptrelais 4-5 7-6 0 Kraftstoffpum- 9-10 7-8 0 penrelais Lüfterrelais 18-19 17-20 0 Prüfgerät Batteriean- -Anschluss Prüfgerätan- schluss Bereich 25 V zeige (V) (+) (–) Gleichspannung Relais des Batterie- Starterstrom- 16-12 11-12 spannung kreises Prüfung des Diodenschaltkreises • Den Relaiskasten ausbauen (siehe "Ausbau des Relais- kastens"). • Den Durchgang "Interner Relaiskasten-Schaltkreis").kon- trollieren (siehe der nachfolgenden Klemmenpaare Prüfung des Diodenschaltkreises Prüfgerät 1-11, 2-11, 12-13, 12-15, 12-16, 13-14, -Anschluss 13-15 In einer Stromrichtung muss der Widerstand niedrig und in der anderen Stromrichtung mindestens zehnmal so groß sein. Ist eine der Dioden in beiden Richtungen hoch- oder niederohmig, dann ist die Diode defekt und der Relaiskasten muss ersetzt werden. ANMERKUNG ○Der tatsächliche Messwert ist je nach Messgerät und Diode verschieden, aber der niedrigere Messwert sollte immer zwischen Null und dem halben Vollausschlag lie- gen.
  • 649.
    ELEKTRIK 16-115 Relaiskasten Interner Relaiskasten-Schaltkreis A: Scheinwerferrelais B: ECU-Hauptrelais C: Kraftstoffpumpenrelais D: Relais des Starterstromkreises E: Lüfterrelais
  • 650.
    16-116 ELEKTRIK Sicherung Ausbau derHauptsicherung 30 A • Ausbauen: (siehe "Ausbau des Vordersitzes" im Kapitel Vordersitz "Rahmen") • Das Starterrelais herausziehen. • Ausbauen: 30-A-Hauptsicherungsverbinder [A] • Starterrelais ziehen. Die Hauptsicherung [B] mit einer Spitzzange aus dem Ausbau einer Sicherung aus dem Sicherungskasten • Die rechte obere Innenabdeckung ausbauen (siehe "Aus- bau der Innenabdeckungen" im Kapitel "Rahmen"). • Auf den Haken [A] drücken und den Deckel [B] hochzie- hen. • Die Sicherungen [A] mitziehen. dem Sicherungskasten einer Spitzzange waagrecht aus Ausbau der 10-A-ECU-Sicherung • Ausbauen: Innenabdeckung (siehe "Ausbau der hin- Rechte obere teren Sitzbank" im Kapitel "Rahmen") • Am Haken [A] ziehen und den Deckel [B] hochheben.
  • 651.
    ELEKTRIK 16-117 Sicherung • DieECU-Sicherungen [A] mit einer Spitzzange waage- recht aus dem Sicherungskasten ziehen. Einbau der Sicherungen • Wenn eine Sicherung während des Betriebs durchbrennt, die Elektrik überprüfen und die Ursache ermitteln, und dann die Sicherung durch eine Sicherung mit dem glei- chen Nennwert ersetzen. • Die Sicherungen im Sicherungskasten in der auf dem De- ckel angegebenen Originalposition einsetzen. Prüfung der Sicherungen • Die Sicherung entfernen (siehe "Ausbau der Sicherung") • Die Sicherung prüfen. Sicherung ersetzen. Vor dem Eine durchgebrannte Austausch einer durchgebrannten Sicherung immer die Stromstärke im betroffenen Stromkreis prüfen. Ist der Strom gleich oder größer als die Amperzahl der Sicherung, die Verkabelung und die betreffenden Kom- ponenten auf Kurzschluss prüfen. Gehäuse [A] Sicherung [B] Klemmen [C] Durchgebrannte Sicherung [D] VORSICHT Beim Ersetzen einer Sicherung muss die neue Si- cherung die für diesen Stromkreis vorgeschriebene Amperezahl besitzen. Der Einbau einer Sicherung mit höherem Nennwert kann zu Schäden an der Ver- kabelung und Bauteilen führen.
  • 653.
    ANHANG 17-1 Anhang INHALTSVERZEICHNIS Verlegung von Seilzügen, Kabeln und Schläuchen................................................................ 17-2 Anleitung zur Fehlersuche...................................................................................................... 17-32 17
  • 654.
    17-2 ANHANG Verlegung vonSeilzügen, Kabeln und Schläuchen
  • 655.
    ANHANG 17-3 Verlegung vonSeilzügen, Kabeln und Schläuchen 1. Gaszug (Öffnungszug) 2. Gaszug (Schließzug) 3. Klemme 4. Den Kupplungszug hinter den Gaszügen verlegen. 5. Kupplungszug 6. Den Kupplungszug vorne an der Vorderradgabel und am Bremsschlauch vorbei verlegen. 7. Die Kupplungszüge vorne an den Gaszügen vorbei verlegen. 8. Vorderrad-Bremsschlauch 9. Die Klemme an der Wärmedämmung anbauen (Klauen zur Rahmenaußenseite weisend). 10. Lüftermotorkabel 11. Klemme
  • 656.
    17-4 ANHANG Verlegung vonSeilzügen, Kabeln und Schläuchen
  • 657.
    ANHANG 17-5 Verlegung vonSeilzügen, Kabeln und Schläuchen 1. Blinkgeberrelais 2. Den Kabelbaum festklemmen (Klemme und Kabelbaum dürfen nicht an das Blinkerrelais an- stoßen). 3. Klemme 4. Sicherungskasten 5. Klemme 6. Relaiskastenklemme 7. Scheinwerfer-Steckverbinder (Abblendlicht) 8. Klemme (für Abblendlichtkabel und Kabelbaum) 9. Stadtlichtverbinder 10. Klemme (für Fernlichtkabel, Fahrtstellungslicht und Kabelbaum führen) 11. Scheinwerfer-Steckverbinder (Fernlicht) 12. Klemme (den Hauptkabelbaum verlegen.) 13. Klemme (für Kabel der Teillastventil-Stelleinheit und Hupenkabel) 14. Halterung (den Kabelverbinder des Nockenwellensensors halten.) 15. Verbinder des Nockenwellensensors 16. Unterdruckschaltventil-Steckverbinder 17. Klemme (für Kabel aus dem Hauptkabelbaum) 18. Das Massekabel des Zylinderkopfdeckels links des Motors. 19. Kabel des Drosselklappensensors (Sensorkabel oberhalb des Hauptkabelbaums führen, Kabel des Kurbelwellensensors/Öldruckschalters) 20. Hauptkabelbaum 21. Stabzündspulen (Den Anschlussteil der Spulen mit den Linien auf dem Zylinderkopfdeckel aus- richten.) 22. Teillastventil-Stellantrieb-Verbinder
  • 658.
    17-6 ANHANG Verlegung vonSeilzügen, Kabeln und Schläuchen
  • 659.
    ANHANG 17-7 Verlegung vonSeilzügen, Kabeln und Schläuchen 1. Klemmen (Steckausführung) 2. Blinkgeberrelais 3. Sicherungskasten 4. Klemme 5. Relaiskasten 6. Kabelverbinder der Blinkerleuchte, vorn rechts 7. Kabelsteckerbinder des rechten Schaltergehäuses 8. Masse des Zylinderkopfdeckels 9. Hauptkabelbaum 10. Lambdasonde Nr. 1, Kabelverbinder (schwarz) 11. Lambdasonde Nr. 2, Kabelverbinder (grau) 12. Kabelverbinder des Ansaugluftdrucksensors 13. Kabelverbinder des Hauptdrosselklappensensors 14. Kabelverbinder des Teillastsensors 15. Kabelsteckerbinder des hinteren Bremslichtschalters 16. Kurbelwellensensor-Kabelsteckverbinder 17. Steckverbinder des Gangpositionsschalters 18. Masseanschlusskabel des Motors 19. Kabelverbinder des Wassertemperatursensors 20. Kabelsteckverbinder des Drehzahlsensors 21. Kabelverbinder der Primär-Einspritzventile (Nr. 1, 2, 3, 4, von links nach rechts) 22. Kabelverbinder der Sekundär-Einspritzventile (Nr. 1, 2, 3, 4, von links nach rechts) 23. Steckverbinder des Ansaugluft-Temperatursensors 24. Kebalsteckverbinder des Teillastventil-Stellantriebs 25. Stabzündspulen-Verbinder (Nr. 1, 2, 3, 4, von links nach rechts) 26. Steckverbinder des Luftschaltventils 27. Kabelverbinder des Nockenwellensensors 28. Hupenkabelverbinder 29. Kabelverbinder der Blinkerleuchte, vorn links 30. Zündschalter-Kabelsteckverbinder 31. Wegfahrsperren-Antenne (ausgerüstete Modelle) 32. Kabelsteckerbinder des linken Schaltergehäuses 33. Instrumenten-Steckverbinder 34. Wegfahrsperren-Verstärker (ausgerüstete Modelle) 35. Umkippsensor 36. Lüftermotor-Kabelverbinder
  • 660.
    17-8 ANHANG Verlegung vonSeilzügen, Kabeln und Schläuchen 1. Rahmenmasse 12. Verbinder der Blinkerleuchte, hinten links 2. Klemmen (Steckausführung) 13. Verbinder der Kennzeichenbeleuchtung 3. Das Kabel der Lichtmaschine durch die 14. Verbinder der Auslassklappenven- Nut im hinteren Schutzblech führen. til-Stelleinheit 4. Das Regler-/Gleichrichterkabel unter 15. Steckverbinder des Umgebungsdruck- dem Hauptkabel verlegen. sensors 5. Klemmen 16. Starterrelais 6. Batterie-Minuspol und -kabel 17. Kraftstoffpumpen-Verbinder 7. Batterie-Pluskabel 18. Klemme 8. Steckverbinder des Kawasaki 19. Startermotorkabel -Diagnosesystems (KDS) 20. Kabel für Regler/Gleichrichter 9. ECU-Steckverbinder 21. Ansicht von der Rahmenvorderseite 10. Verbinder der Blinkerleuchte, hinten 22. Batterie-Pluskabel rechts 23. Startermotorkabel 11. Verbinder des Rück-/Bremslichts 24. Ansicht von der rechten Batterieseite
  • 661.
    ANHANG 17-9 Verlegung vonSeilzügen, Kabeln und Schläuchen Freie Seite
  • 662.
    17-10 ANHANG Verlegung vonSeilzügen, Kabeln und Schläuchen
  • 663.
    ANHANG 17-11 Verlegung vonSeilzügen, Kabeln und Schläuchen 1. Das Kabel der Lambdasonde hinter dem Wasserschlauch (Rücklauf) verlegen. 2. Das Kabel des rechten Schaltergehäuses von der Vorderseite der rechten Vorderradgabel durch diese verlegen und weiter durch die Halterung oben am Lenkschaft. 3. Klemme 4. Klemme (Steckausführung) 5. Bänder (überstehende Bandlänge abschneiden) 6. Den gekrümmten Teil des Kabels festklemmen und die überstehende Bandlänge abschneiden. 7. Klemme (für Kabel zum Schaltergehäuse der vorderen rechten Blinkerleuchte) 8. Kabelverbinder der Blinkerleuchte, vorn rechts 9. Kabel des rechten Schaltergehäuses (Hauptkabelseite) 10. Klemme (für Kabel der Lambdasonde Nr. 1 und des Öldruckschalters) 11. Die Verbinder unbedingt in die Halterung einstecken. 12. Lambdasondenverlegung - Detailansicht 13. Kurbelwellensensorkabel 14. Das Kabel des Öldruckschalters in der dargestellten Richtung rechts des Motors einbauen. 15. Verbinder der Lambdasonde Nr. 2 (grau) 16. Verbinder der Lambdasonde Nr. 1 (schwarz) 17. Lambdasonden (ausgerüstete Modelle)
  • 664.
    17-12 ANHANG Verlegung vonSeilzügen, Kabeln und Schläuchen
  • 665.
    ANHANG 17-13 Verlegung vonSeilzügen, Kabeln und Schläuchen 1. Kabelverbinder des linken Schaltergehäuses 2. Kabelverbinder des Zündschalters und der Wegfahrsperren-Antenne 3. Klemmen 4. Klemme 5. Blinkerleuchtenkabel, vorn links 6. Halterung (für Aktivkohlebehälter, nur Modell für Kalifornien) 7. Schraube 8. Linke mittlere Verkleidung 9. Klemme (für Kabel des Drehzahlsensors, Gangpositionsschalters, Leerlaufeinstellschraube so- wie für den Ablassschlauch) 10. Drehzahlsensor 11. Gangpositionsschalter 12. Das Kabel des Gangpositionsschalters darf hier kein Spiel aufweisen. (damit es sich nicht in der Antriebskette verfängt). 13. Klemme (für Kabel des Seitenständerschalters und Gangpositionsschalters) 14. Halterung (für Gangpositionssensor) 15. Seitenständerschalter 16. Kabel des Seitenständerschalters 17. Auffangbehälter (den Behälter hinten auf der Halterung anordnen.) 18. Klemme (Die Klemme hinter der Halterung anbringen und die Kabel des Gangspositionsschal- ters und Seitenständers festklemmen.) 19. Klemme (Die Klemme vor der Halterung anbringen und den Ablass-Kabelbaum festklemmen.) 20. Klemme (Die Klemme mit der kleineren Seite nach hinten anbringen und das Kabel der Leer- laufeinstellschraube damit festklemmen.) 21. Kabelverbinder der Blinkerleuchte, vorn links 22. Den Hauptkabelbaum unter dem Scheinwerfergehäuse einschieben. 23. Klemme (für Kabel des Rück-/Bremslichts, der hinteren Blinkerleuchte und der Kennzeichen- beleuchtung) 24. Klemme (für Kabel des Rück-/Bremslichts, der hinteren Blinkerleuchte und der Kennzeichen- beleuchtung; die Haken umbiegen)
  • 666.
    17-14 ANHANG Verlegung vonSeilzügen, Kabeln und Schläuchen
  • 667.
    ANHANG 17-15 Verlegung vonSeilzügen, Kabeln und Schläuchen 1. Das Kabel des Kurbelwellensensors/Öldruckschalters gemäß Abbildung festklemmen. 2. Kabel des Kurbelwellensensors/Öldruckschalters 3. Das Kabel des Kurbelwellensensors/Öldruckschalters hinter dem Wasserschlauch verlegen. 4. Klemme (die Leiter des Öldruckschalters verlegen.) 5. Kurbelwellensensorkabel 6. Öldruckschalter 7. Klemme (die Lichtmaschinenkabel samt Druckleitung halten.) 8. Das Kabel des Gangpositions-/Seitenständerschalters festklemmen. 9. Das Lichtmaschinenkabel zwischen Wasserschlauch und Motor verlegen. 10. Das Kabel des Gangpositions-/Seitenständerschalters zwischen den Wasserschläuchen verle- gen. 11. Klemme (das Kabel der Leerlaufeinstellschraube halten.) 12. Klemme (das Kabel des Gangpositions- und Seitenständerschalters halten.) 13. Das Kabel des Gangpositionsschalters darf hier kein Spiel aufweisen (damit es sich nicht in der Antriebskette verfängt).
  • 668.
    17-16 ANHANG Verlegung vonSeilzügen, Kabeln und Schläuchen
  • 669.
    ANHANG 17-17 Verlegung vonSeilzügen, Kabeln und Schläuchen 1. Verbinder des Drosselklappensensors (oben: Teillastsensor, unten: Hauptdrosselklappensen- sor) 2. Kabelverbinder des Gangpositions-/Seitenständerschalters 3. Klemme (den Gangpositions- und Kurbelwellensensorleiter verlegen.) 4. Steckverbinder des Kurbelwellensensors 5. Kabelverbinder des hinteren Bremslichtschalters 6. Startermotorkabel 7. Verbinder des Batterie-Minuskabels 8. Klemmen (das Regler-/Gleichrichterkabel halten.) 9. Rahmen 10. Kabelsteckerbinder der Kraftstoffpumpe 11. Geschwindigkeitssensor-Steckverbinder 12. Klammer (das Lichtmaschinenkabel halten.) 13. Klemmen (das Kabel des Primär-Kraftstoffeinspritzventils/Wassertemperatursensors halten.) 14. Teillastventil-Stellantrieb-Verbinder 15. Klemme (Hupenkabel und Kabel der Teillastventil-Stelleinheit verlegen.) 16. Unterdruckschaltventil-Steckverbinder 17. Hupenkabel 18. Verbinder des Nockenwellensensors 19. Halterung (den Kabelverbinder des Nockenwellensensors halten.) 20. Klemme (die Nockenwellensensorleitung auf der Hauptkabelbaum verlegen.)
  • 670.
    17-18 ANHANG Verlegung vonSeilzügen, Kabeln und Schläuchen 1. Das Massekabel des Motors so mon- 9. Kabel des Gangspositions tieren, dass sie den Anschlag berührt. -/Seitenständerschalters 2. Blowbyschlauch 10. Kabel des Kurbelwellensensors/Öldruckschal- 3. Wassertemperatursen- ters sor-Kabelverbinder 11. Niet (Befestigung der Gummi-Wärmedämmung 4. Drosselklappengehäuse Nr. 2 am Rahmen halten.) 5. Die Gummi-Wärmedämmung mit dem 12. Gummi-Wärmedämmung weiß markierten Teil nach oben wei- 13. Kabelsteckverbinder des Drehzahlsensors send einbauen. 14. Kabelsteckverbinder des Drehzahlsensors 6. Drosselklappengehäuse Nr. 3 (Hauptkabelbaumseite) 7. Lichtmaschinenkabel 15. Klemme für Hauptkabelbaum (Befestigung der 8. Entlüftungsschlauch (für Thermostat- Gummi-Wärmedämmung am Rahmen halten.) gehäuse) 16. Startermotor- und Motor-Massekabel verlegen.
  • 671.
    ANHANG 17-19 Verlegung vonSeilzügen, Kabeln und Schläuchen 1. Entlüftungsschlauch (für Thermostatge- 9. Den Schlauch so einbauen, dass die weiß häuse) markierte Seite links zum Motor zeigt. 2. Die Klemme in der abgebildeten Richtung 10. Den Schlauch so einbauen, dass die weiß einbauen. markierte Seite links zum Motor zeigt. 3. Wasserschlauch (für Ölkühler) 11. Den Schlauch mit der weiß markierten 4. Blowbyschlauch Seite nach oben weisend einbauen. 5. Entlüftungsschlauch 12. Wasserschlauch 6. Ölfilter 13. Wasserschlauch-Verschraubung 7. Wasserschlauch 14. Die weiße Markierung am Schlauch mit 8. Die Klemme mit dem Schraubenkopf der Nase am Wasserpumpendeckel aus- nach hinten weisend einbauen. richten.
  • 672.
    17-20 ANHANG Verlegung vonSeilzügen, Kabeln und Schläuchen
  • 673.
    ANHANG 17-21 Verlegung vonSeilzügen, Kabeln und Schläuchen 1. Den Schlauch nach hinten weisend einbauen. 2. Die Klemme gemäß Abbildung mit dem Klemmschraubenkopf nach oben weisend einbauen. 3. Ausgleichsbehälter-Überlaufschlauch 4. Kühler-Entlüftungsschlauch 5. Den Schlauch durch den Schlitz in der Wärmedämmung verlegen. 6. Entlüftungsschlauch für Thermostatgehäuse 7. Die Klemme gemäß Abbildung mit dem Klemmschraubenkopf nach rechts weisend einbauen. 8. Die Klemme mit dem Klemmschraubenkopf nach hinten und nach rechts weisend einbauen. 9. Die Kühler-Entlüftungs- und Überlaufschläuche in die Klemme der Verkleidungshalterung ein- setzen. 10. Wasserschlauch (Vorlauf) 11. Wasserschlauch (Rücklauf) 12. Wasserschlauch für Ölkühler (Rücklauf) 13. Wasserschlauch für Ölkühler (Vorlauf) 14. Entlüftungsschlauch (Den Schlauch gemäß Abbildung einbauen.) 15. Blowbyschlauch-Schlauch (Den Schlauch gemäß Abbildung einbauen.) 16. Die Klemme mit der Klaue nach hinten weisend einbauen. 17. Die Schläuche mit der weiß markierten Seite nach hinten weisend einbauen. 18. Ca. 45° 19. Die Klemme mit der Klaue nach oben weisend einbauen. 20. Den weiß markierten Teil des Schlauches parallel mit der Kontaktfläche der Thermostatdeckels ausrichten. 21. Den weiß markierten Teil des Schlauches parallel mit der Kontaktfläche der Verschraubung aus- richten.
  • 674.
    17-22 ANHANG Verlegung vonSeilzügen, Kabeln und Schläuchen
  • 675.
    ANHANG 17-23 Verlegung vonSeilzügen, Kabeln und Schläuchen 1. Kühler 2. Beläge 3. Den Belag an der rechten Seite des Motorkühlers anbringen. 4. Das untere Ende des Belags mit dem Motorkühler ausrichten. 5. Ansicht von der Rahmenhinterseite 6. Hauptkabelbaum 7. Rahmen 8. Kupplungszug 9. Wasserschlauch 10. Kurbelwellensensorkabel 11. Öldruckschalterkabel 12. Die Nase am Belag zwischen Wasserschlauch und Leerlaufzahnrad-Abdeckung anordnen. 13. Leerlaufzahnrad-Abdeckung 14. Die Nut am Belag rückwärtig in die Schraube der Leerlaufzahnrad-Abdeckung einpassen und den Belag an der Zylinderschräge montieren. 15. Ansicht von der rechten Rahmenseite 16. Das Lichtmaschinenkabel durch den Schlitz installieren. 17. Die Nase am Belag zwischen Wasserschlauch und Lichtmaschinendeckel anordnen. 18. Lichtmaschinendeckel 19. Den Gummibelag an der Zylinderschräge montieren. 20. Ansicht von der linken Rahmenseite
  • 676.
    17-24 ANHANG Verlegung vonSeilzügen, Kabeln und Schläuchen
  • 677.
    ANHANG 17-25 Verlegung vonSeilzügen, Kabeln und Schläuchen 1. Die Nase [2] am Schlauch mit der Mittellinie des Unterdruckschaltventils ausrichten. 2. Nase 3. Den Schlauch mit der weiß markierten Seite nach oben weisend einbauen. 4. Großer Außendurchmesser (weiß markiert) 5. Die Klaue des Klemme rechts des Motors anordnen. 6. Auffangbehälter (den Behälter hinten auf der Halterung anordnen.) 7. Ablassschlauch des Kraftstofftanks 8. Klemme (Die Klemme vor der Halterung anordnen.) 9. Das Lichtmaschinenkabel hinter dem Entlüftungsschlauch verlegen. 10. Ablassschlauch des Luftfiltergehäuses 11. Klemme (das Kabel des Ablassschlauchs des Luftfiltergehäuses, des Kraftstofftank -Ablassschlauchs, der Leerlaufeinstellung, des Drehzahlsensors, des Seitenständerschalters, der Lichtmaschine und des Gangpositionsschalters halten.) 12. Die Ablassschläuche zwischen den Wasserschläuchen verlegen. 13. Dehzahlsensorkabel 14. Halterung 15. Entlüftungsschlauch 16. Klemme
  • 678.
    17-26 ANHANG Verlegung vonSeilzügen, Kabeln und Schläuchen 1. Ablassschlauch (Kraftstofftank) 2. Klemme (die Ablassschläuche halten.) 3. Den Ablassschlauch (Kraftstofftank) aus der linken unteren Verkleidung herausführen (freie Länge ca. 40 ∼ 50 mm). 4. Auffangbehälter (den Behälter hinten auf der Halterung anordnen.) 5. Klemme (Ablassschläuche verlegen.) 6. Die Schläuche zwischen den Wasserschläuchen verlegen. 7. Ablassschlauch (Luftfiltergehäuse)
  • 679.
    ANHANG 17-27 Verlegung vonSeilzügen, Kabeln und Schläuchen 1. Vorderrad-Bremsflüssigkeitsbehälter 2. Bremsschlauch 3. Klemme 4. Ansicht A 5. Bremsschlauch 6. Klemmen 7. Blaue Markierung 8. Weiße Markierung 9. Linker Vorderrad-Bremssattel 10. Rechter Vorderrad-Bremssattel 11. Ansicht B 12. Linke Vorderrad-Bremsscheibe 13. Rechte Vorderrad-Bremsscheibe
  • 680.
    17-28 ANHANG Verlegung vonSeilzügen, Kabeln und Schläuchen 1. Weiße Markierung 2. Ansicht B 3. Ausgleichsbehälter für Hinterradbremse 4. Klemmen 5. Bremsschlauch 6. Klemmen 7. Bremsschlauch 8. Bremsbelag (aufkleben) 9. Klemme 10. Hinterer Bremssattel 11. Hauptbremszylinder der Hinterradbremse 12. Splint (beide Enden des Splints umbiegen) 13. Ansicht A 14. Querschnitt C-C 15. Hintere Bremsscheibe
  • 681.
    ANHANG 17-29 Verlegung vonSeilzügen, Kabeln und Schläuchen Modell für Kalifornien 1. Klemme 9. Schlauch (blau) 2. Klemmen 10. Schlauch (rot) 3. Aktivkohlebehälter 11. Verschraubung des Drosselklappenge- 4. Schlauch (blau) häuses Nr. 1 5. Abscheider 12. Am Luftfiltergehäuse. 6. Klemme 13. Zum Unterdruckschaltventil. 7. Schlauch (weiß) 14. Verschraubung 8. Schlauch (grün)
  • 682.
    17-30 ANHANG Verlegung vonSeilzügen, Kabeln und Schläuchen Modell für Kalifornien
  • 683.
    ANHANG 17-31 Verlegung vonSeilzügen, Kabeln und Schläuchen 1. Linke mittlere Verkleidung 2. Linke Blinkerleuchte 3. Linke Innenabdeckung 4. Klemme 5. Schrauben 6. Die Schläuche gemäß Abbildung zwischen dem Rahmen und der Rippe der Wärmedämmung verlegen. 7. Am Luftfiltergehäuse. 8. An der Verschraubung des Drosselklappengehäuses Nr. 1 9. Zum Kraftstofftankdeckel. 10. Wärmedämmung 11. Die Schläuche [12] [13] [15] gemäß Abbildung außerhalb des Schlauchs [17] verlegen. 12. Schlauch (rot) 13. Schlauch (weiß) 14. Zum Unterdruckschaltventil. 15. Schlauch (blau) 16. Schlauch (grün) 17. Schlauch (blau) 18. Den Schlauch mit der weiß markierten Seite nach oben weisend einbauen.
  • 684.
    17-32 ANHANG Anleitung zurFehlersuche ANMERKUNG Kupplungshebel nicht angezogen oder Ge- ○Die meisten Hinweise zur Fehlersuche am triebe nicht in Neutralstellung. DFI-System finden Sie im Kapitel zur Kraft- Niedrige Batteriespannung stoffanlage. Störung des Wegfahrsperrensystems ○Diese Liste erhebt keinen Anspruch auf Zündkerze verschmutzt, gerissen oder fal- Vollständigkeit und es wird nicht jede mög- scher Elektrodenabstand liche Ursache für ein Problem aufgeführt. Falsche Zündkerze Gedacht ist diese Liste lediglich als Kurz- Stabzündspule kurzgeschlossen oder Wa- anleitung für die Fehlersuche; sie enthält ckelkontakt nur die häufigsten Probleme. Defekte Stabzündspule Defekte ECU Motor startet nicht, Defekter Nockenwellensensor Startprobleme: Defekt des Gangpositionsschalters, der Startermotor dreht sich nicht: Wegfahrsperre oder des Seitenständer- Zünd- und Motorstoppschalter steht nicht schalters auf ON Defekt des Kurbelwellensensors Defekt des Wegfahrsperrenschalters oder Zünd- oder Motorstoppschalter kurzge- Gangpositionsschalters schlossen Defekt des Startermotors Unterbrechung oder Kurzschluss in der Niedrige Batteriespannung Verkabelung des Startersystems Kein Kontaktschluss des Starterrelais oder Durchgebrannte Hauptsicherung 30 A oder keine Funktion des Starterrelais Zündungssicherung Starterknopf schließt nicht Falsches Kraftstoff/Luftgemisch: Unterbrechung oder Kurzschluss in der Bypass-Einstellschraube und/oder Leer- Verkabelung des Startersystems laufeinstellschraube falsch eingestellt. Zündschalter defekt Luftkanal zugesetzt Defekter Motorstoppschalter Verstopfter, schlecht verschlossener oder Durchgebrannte Hauptsicherung 30 A oder fehlender Luftfilter Zündungssicherung Undichtigkeiten von Öleinfülldeckel, Kur- Startermotor dreht, Motor springt aber belgehäuse-Entlüftungsschlauch oder nicht an: Luftfilter-Ablassschlauch. Gelöster Umkippsensor (DFI) Kompression zu niedrig: Störung des Wegfahrsperrensystems Lockere Zündkerze Defekt der Starterkupplung Ungenügend festgezogener Zylinderkopf Defekt des Starterritzels Zylinder, Kolben verschlissen Verbrennungsmotor wird nicht Mangelhafter Kolbenring (verschlissen, er- durchgedreht: müdet, gebrochen oder klemmend) Klemmendes Ventil Zu großes Spiel zwischen Kolbenring/Nut Ventilstößel klemmt Beschädigte Zylinderkopfdichtung Zylinder-, Kolbenfresser Verzogener Zylinderkopf Festgefressene Kurbelwelle Gebrochene oder ermüdete Ventilfeder Festgefressenes Pleuelauge Kein Ventilspiel Festgefressener Pleuelfuß Mangelhafter Ventilsitz (Ventil verbogen, Festgefressenes Getriebezahnrad oder La- verschlissen oder Kohleablagerung auf ger der Sitzfläche) Festgefressene Nockenwelle Starterleerlaufzahnrad klemmt. Kein Kraftstofffluss: Unrunder Lauf bei niedriger Leerer Tank Drehzahl: Defekt der Kraftstoffpumpe Schwacher Zündfunke: Verstopfte Kraftstofftankbelüftung Niedrige Batteriespannung Verstopfter Kraftstofffilter Störung des Wegfahrsperrensystems Verstopfte Kraftstoffleitung Defekte Stabzündspule Kein oder zu schwacher Zündfunke: Stabzündspule kurzgeschlossen oder Wa- Gelöster Umkippsensor (DFI) ckelkontakt Zündschalter nicht eingeschaltet Zündkerze verschmutzt, gebrochen oder Motorstoppschalter steht auf OFF. falsch eingestellt Falsche Zündkerze
  • 685.
    ANHANG 17-33 Anleitung zurFehlersuche Defekte ECU Defekte Stabzündspule Defekter Nockenwellensensor Defekte ECU Defekt des Kurbelwellensensors Falsches Kraftstoff/Luftgemisch: Falsches Kraftstoff/Luftgemisch: Verstopfter, schlecht verschlossener oder Bypass-Einstellschraube falsch eingestellt fehlender Luftfilter Luftkanal zugesetzt Halter des Luftfiltergehäuses locker Entlüftungslöcher der Entlüftungsleitung Wasser oder Fremdkörper im Kraftstoff zugesetzt Drosselklappengehäusehalterung locker Vorsteuerkanal zugesetzt Unzureichender Kraftstofffluss zum Ein- Verstopfter, schlecht verschlossener oder spritzventil fehlender Luftfilter Verstopfte Kraftstofftankbelüftung Verstopfte Kraftstofftankbelüftung Verstopfte Kraftstoffleitung Defekt der Kraftstoffpumpe Defekt der Kraftstoffpumpe Drosselklappengehäusehalterung locker Kompression zu niedrig: Halter des Luftfiltergehäuses locker Lockere Zündkerze Kompression zu niedrig: Ungenügend festgezogener Zylinderkopf Lockere Zündkerze Kein Ventilspiel Ungenügend festgezogener Zylinderkopf Zylinder, Kolben verschlissen Kein Ventilspiel Mangelhafter Kolbenring (verschlissen, er- Zylinder, Kolben verschlissen müdet, gebrochen oder klemmend) Mangelhafter Kolbenring (verschlissen, er- Zu großes Spiel zwischen Kolbenring/Nut müdet, gebrochen oder klemmend) Beschädigte Zylinderkopfdichtung Zu großes Spiel zwischen Kolbenring/Nut Verzogener Zylinderkopf Beschädigte Zylinderkopfdichtung Gebrochene oder ermüdete Ventilfeder Verzogener Zylinderkopf Mangelhafter Ventilsitz (Ventil verbogen, Gebrochene oder ermüdete Ventilfeder verschlissen oder Kohleablagerung auf Mangelhafter Ventilsitz (Ventil verbogen, der Sitzfläche) verschlissen oder Kohleablagerung auf Klopfen: der Sitzfläche) Russablagerungen in der Brennkammer Verschlissener Nockenwellennocken Schlechte oder falsche Kraftstoffqualität Nachlaufen (Selbstzündung): Falsche Zündkerze Zündschalter defekt Defekte ECU Defekter Motorstoppschalter Sonstiges: Defekt des Einspritzventils Drosselklappenventil öffnet nicht vollstän- Verbindung am Batterie-Minuskabel (–) dig. oder Massekabel der ECU lockern. Schleifende Bremsen Rußablagerung auf der Ventilsitzfläche Kupplungsschlupf Überhitzung des Motors Überhitzung des Motors Sonstiges: Zu hohem Motorölstand Defekte ECU Zu hohe Viskosität des Motoröls Motorunterdruck nicht synchronisiert Defekt im Antriebsstrang Zu hohe Viskosität des Motoröls Verschlissener Nockenwellennocken Defekt im Antriebsstrang Defekt des Ansaugluftventils Schleifende Bremsen Defekt des Unterdruckschaltventils Kupplungsschlupf Katalysator durch Überhitzung des Auspuff- Überhitzung des Motors topfs geschmolzen (KLEEN) Defekt des Ansaugluftventils Defekt des Unterdruckschaltventils Überhitzung: Zündungsfehler: Geringe oder keine Leistung bei Zündkerze verschmutzt, gebrochen oder hoher Drehzahl: falsch eingestellt Zündungsfehler: Falsche Zündkerze Zündkerze verschmutzt, gebrochen oder Defekte ECU falsch eingestellt Überhitzung des Schalldämpfers: Falsche Zündkerze Bei Ausstattung mit KLEEN den Motor ab- Stabzündspule kurzgeschlossen oder Wa- stellen, wenn auch nur einer der Zylinder ckelkontakt defekt Fehlzündung aufweist oder unrund läuft
  • 686.
    17-34 ANHANG Anleitung zurFehlersuche (Den Defekt in der nächstgelegene Werk- Zu starke Kühlung: stätte beheben lassen) Wassertemperaturanzeige ungenau: Bei Vorhandensein eines KLEEN Defekt der Wassertemperaturanzeige -Katalysators nicht mit leerer Batte- Wassertemperatursensor gebrochen rie anschieben (über ein Starterhilfskabel Defekt von Teilen des Kühlsystems: eine andere voll aufgeladene Batterie Defekter Thermostat anschließen und den Motor mit dem elektrischen Startermotor starten). Kupplung funktioniert nicht richtig. Bei einem KLEEN-Katalysator den Motor Kupplung schleift: bei Fehlzündungen bei einer Verrußung Verschlissene oder verzogene Kupplungs- der Zündkerze oder aufgrund von Wa- scheiben ckelkontakten der Stabzündspule nicht Verschlissene oder verzogene Stahlschei- starten. ben Bei Ausstattung mit KLEEN das Motorrad Gebrochene oder ermüdete Kupplungsfe- nicht mit ausgeschalteter Zündung rollen der lassen (Den Zündschalter einschalten Ungleichmäßig verschlissene Kupplungs- und den Motor laufen lassen) nabe oder Gehäuse Defekte ECU Kein Kupplungshebelspiel Falsches Kraftstoff/Luftgemisch: Problem mit dem inneren Kupplungszug Drosselklappengehäusehalterung locker Problem mit dem Auskupplungsmechanis- Halter des Luftfiltergehäuses locker mus Schlecht verschlossener oder fehlender Keine richtige Freigabe der Kupplung: Luftfilter Verzogene oder zu raue Kupplungsscheibe Luftfilter zugesetzt Kupplungsdruckfedern ungleichmäßig Zu hohe Kompression: Überaltertes Motoröl Russablagerungen in der Brennkammer Zu hohe Viskosität des Motoröls Falsche Motorlast: Zu hohem Motorölstand Kupplungsschlupf Kupplungsgehäuse an Antriebswelle fest- Zu hohem Motorölstand gefressen Zu hohe Viskosität des Motoröls Lockere Kupplungsnabenmutter Defekt im Antriebsstrang Beschädigte Kupplungsnabenzähne Schleifende Bremsen Falsch eingelegte Kupplungsscheiben Unzureichende Schmierung: Zu großes Kupplungshebelspiel Motorölstand zu niedrig Problem mit dem Auskupplungsmechanis- Schlechte Motorölqualität oder falsche Öl- mus sorte Fehler am Ölkühler: Gangschaltung defekt: Ölkühler zugesetzt Gang lässt sich nicht einlegen; Wassertemperaturanzeige ungenau: Schalthebel kehrt nicht in die Defekt der Wassertemperaturanzeige Ausgangsstellung zurück: Wassertemperatursensor gebrochen Kupplung rückt nicht aus Falsche Kühlflüssigkeit: Schaltgabel verbogen oder festgefressen Zu niedriger Kühlflüssigkeitsstand Zahnrad klemmt auf der Welle Überalterte Kühlflüssigkeit Verbogener Schaltstellungshebel Falsches Mischungsverhältnis der Kühlflüs- Rückstellfeder ermüdet oder gebrochen sigkeit Lockerer Rückstellfederstift Defekt von Teilen des Kühlsystems: Gebrochene Feder des äußeren Schalt- Beschädigte Kühlerlamellen arms Verstopfter Kühler Gebrochener Arm des äußeren Schaltme- Defekter Thermostat chanismus Defekt des Kühlerdeckels Schaltklaue gebrochen Defektes Motorkühlerrelais Gang springt heraus: Defekter Lüftermotor Verschlissener oder verbogener Schaltfin- Beschädigte Lüfterflügel ger Wasserpumpe dreht nicht Verschlissene Zahnradnuten Beschädigtes Wasserpumpen-Flügelrad Verschlissene Zahnradklauen und/oder Klauenaussparungen
  • 687.
    ANHANG 17-35 Anleitung zurFehlersuche Verschlissene Schaltwalzennut Anormale Geräusche im Ermüdete oder gebrochene Schaltstel- Antriebsstrang: lungshebel-Feder Kupplungsgeräusch: Verschlissener Schaltgabel-Führungsstift Kupplungsdämpfer zu schwach oder be- Verschlissene Zähne von Antriebswelle, schädigt Abtriebswelle und/oder Zahnrädern Übermäßiges Spiel der Kupplungsscheiben Überspringen von Gängen: im Kupplungsgehäuse Ermüdete oder gebrochene Schaltstel- Verschlissenes Kupplungsritzel lungshebel-Feder Falsch eingelegte Kupplungsscheiben Gebrochene Feder des äußeren Schalt- Getriebegeräusche: arms Lager verschlissen Getriebezahnräder verschlissen oder ge- Ungewöhnliches Motorengeräusch: brochen Klopfen: Metallspäne zwischen den Zahnradzähnen Defekte ECU Zu niedriger Motorölstand Russablagerungen in der Brennkammer Geräusche des Antriebsstrangs: Schlechte oder falsche Kraftstoffqualität Falsch eingestellte Antriebskette Falsche Zündkerze Antriebskette verschlissen Überhitzung Motorkettenrad und/oder hinteres Ketten- Kolbenschlag: rad verschlissen Übermäßiges Kolbenlaufspiel Unzureichende Kettenschmierung Zylinder, Kolben verschlissen Falsch ausgerichtetes Hinterrad Verbogene Pleuelstange Verschleiß von Kolbenbolzen/Bohrung Ungewöhnliche Geräusche in der Ventilgeräusch: Rahmenkonstruktion: Falsches Ventilspiel Geräuschentwicklung der Vorderradga- Gebrochene oder ermüdete Ventilfeder bel: Nockenwellenlager verschlissen Zu wenig oder zu dünnflüssiges Öl Ventilstößel verschlissen Ermüdete oder gebrochene Feder Andere Geräusche: Geräusche am Hinterrad-Stoßdämpfer: Zu großes Spiel des Pleuelauges Stoßdämpfer beschädigt Zu großes Spiel des Pleuelfußes Geräusch an der Scheibenbremse: Zu großes Spiel zwischen Kolbenring/Nut Falsch eingesetzte Bremsklötze Kolbenring verschlissen, gebrochen oder Bremsklötze verglast klemmt Bremsscheibe verzogen Kolbenringnut verschlissen Defekt des Bremssattels Kolben klemmt, Kolben beschädigt Andere Geräusche: Undichte Zylinderkopfdichtung Halterung, Mutter, Schraube usw. nicht Undichtes Auspuffrohr am Anschluss zum richtig montiert oder nicht richtig festge- Zylinderkopf zogen Zu großer Kurbelwellenschlag Motorträger locker Warnleuchte (Öldruck-Warnung) Kurbelwellenlager verschlissen schaltet nicht aus: Primärzahnrad verschlissen oder abge- Motorölpumpe defekt spant Motorölsieb verstopft Defekt des Nockenwellenkettenspanners Motorölfilter verstopft Nockenwellenkette, Kettenrad und Führung Motorölstand zu niedrig verschlissen Zu geringe Viskosität des Motoröls Defektes Ansaugluftventil Nockenwellenlager verschlissen Defektes Überdruckschaltventil Kurbelwellenlager verschlissen Lockerer Lichtmaschinenläufer Öldruckschalter defekt Katalysator durch Überhitzung des Auspuff- Verkabelung defekt topfs geschmolzen (KLEEN) Druckentlastungsventil klemmt in geöffneter Stellung Rundring am Ölkanal im Kurbelgehäuse be- schädigt
  • 688.
    17-36 ANHANG Anleitung zurFehlersuche Starke Abgasentwicklung: (zu weich) Weißer Rauch: Zu niedrigem Reifenluftdruck Verschlissener Kolben-Ölring Zu wenig Gabelöl und/oder Öllecks Zylinder verschlissen Zu niedrige Viskosität des Gabelöls Ventilschaftdichtung beschädigt Zu weich eingestelltes Hinterrad-Federbein Ventilführung verschlissen Ermüdete Feder von Vorderradgabel, Hin- Zu hohem Motorölstand terrad-Federbein Schwarzer Rauch: Öllecks des Hinterrad-Stoßdämpfers Luftfilter zugesetzt Brauner Rauch: Bremse zieht nicht: Halter des Luftfiltergehäuses locker Luft in der Bremsleitung Schlecht verschlossener oder fehlender Bremsklötze/Bremsscheiben verschlissen Luftfilter Austritt von Bremsflüssigkeit Bremsscheibe verzogen Handling und/oder Stabilität Verschmutzte Bremsklötze Nicht zufrieden stellend: Überalterte Bremsflüssigkeit Lenker lässt sich nur schwer drehen: Beschädigte Primär-/Sekundärmanschette Falsch verlegte Seilzüge des Hauptbremszylinders Falsch verlegte Schläuche Beschädigte Hauptbremszylinder-Innenwand Falsch verlegte Kabel Zu fest angezogene Lenkschaftmutter Störungen der Batterie: Lenkschaftlager beschädigt Batterie entladen: Mangelhaft geschmiertes Lenkschaftlager Unzureichende Ladung Lenkschaft verbogen Batterie schadhaft (zu geringe Klemmen- Zu niedrigem Reifenluftdruck spannung) Lenker vibriert stark oder rüttelt: Schlechter Kontakt des Batteriekabels Reifen verschlissen Übermäßige Last (z.B. Glühlampen mit zu Schwingenlager verschlissen hoher Wattzahl) Felge verzogen oder schlecht ausgewuch- Zündschalter defekt tet Lichtmaschine defekt Radlager verschlissen Verkabelung defekt Lenkerhalterungsschraube locker Gleichrichter/Regler defekt Steuerkopfmutter lose Batterie überladen: Übermäßiger Schlag der Vorder- bzw. Hin- Lichtmaschine defekt terachse Gleichrichter/Regler defekt Motor locker Batterie defekt Lenker zieht nach einer Seite: Verbogener Rahmen Falsche Radstellung Verbogene oder verdrehte Schwingen- achse Übermäßiger Schlag der Schwingenachse Falsch eingestellte Lenkung Vorderradgabel verbogen Unterschiedlicher Ölstand auf der linken und rechten Seite der Vorderradgabel Unzureichende Stoßdämpfung: (Zu hart) Zu hohem Gabelölstand Zu hohe Viskosität des Gabelöls Zu harte Einstellung des Hinterrad -Stoßdämpfers Zu hohem Reifenluftdruck Vorderradgabel verbogen
  • 690.
    Modellanwendung Jahr Modell Anfangsrahmennummer JKAZX4P1□7A000001 2007 ZX600P7F JKAZX600PPA000001 ZX600P-000001 □:Diese Stelle in der Rahmennummer ändert sich mit jeder Maschine. Part No.99953-1039-01 Printed in Japan